党参质量标准
- 格式:doc
- 大小:22.00 KB
- 文档页数:1
1.目的:通过制定党参质量标准,为采购和检验提供依据,以确保党参的质量。
2.范围:适用于党参的质量控制。
3.责任:质量管理部、生产技术部、储运部、采购部。
4.内容:4.1基本信息4.1.1物料名称品名:党参汉语拼音:Dangshen拉丁名:CODONOPSIS RADIX4.1.2物料代码:Z084.1.3质量标准依据:《中国药典》2015年版一部(第281-282页)、四部通则0502、2301、0832、2302、2331、22014.1.4批准供应商:见质量管理部批准的供应商清单4.2取样及检验操作规程编号物料、中间产品(待包装产品)、成品取样标准操作程序 2S-307703 党参检验标准操作规程 2S-3115074.3定性和定量的限度要求4.3.1法定质量标准【来源】本品为桔梗科植物党参Codonopsis pilosula(Franch.)Nannf.的干燥根。
秋季采挖,洗净,晒干。
【性状】本品呈长圆柱形,稍弯曲,长10~35cm,直径0.4~2cm。
表面灰黄色、黄棕色至灰棕色,根头部有多数疣状突起的茎痕及芽,每个茎痕的顶端呈凹下的圆点状;根头下有致密的环状横纹,向下渐稀疏,有的达全长的一半,栽培品环状横纹少或无;全体有纵皱纹和散在的横长皮孔样突起,支根断落处常有黑褐色胶状物。
质稍柔软或稍硬而略带韧性,断面稍平坦,有裂隙或放射状纹理,皮部淡棕黄色至黄棕色,木部淡黄色至黄色。
有特殊香气,味微甜。
【鉴别】(1)本品横切面:木栓细胞数列至10数列,外侧有石细胞,单个或成群。
栓内层窄。
韧皮部宽广,外侧常现裂隙,散有淡黄色乳管群,并常与筛管群交互排列。
形成层成环。
木质部导管单个散在或数个相聚,呈放射状排列。
薄壁细胞含菊糖。
(2)取本品粉末1g,加甲醇25ml,超声处理30分钟,滤过,滤液蒸干,残渣加水15ml使溶解,通过D101型大孔吸附树脂柱(内径为1.5cm,柱高为10cm),用水50ml洗脱,弃去水液,再用50%乙醇50ml洗脱,收集洗脱液,蒸干,残渣加甲醇1ml使溶解,作为供试品溶液。
38 种药材商品规格标准根据提供的参考信息,以下是一些常见的中药材商品规格标准:1. 人参:无芦头、须毛、杂质、虫蛀、霉变。
2. 西洋参:无芦头、毛须、杂质、虫蛀、霉变。
3. 党参:无芦头、根尾、焦枯、杂质、虫蛀、霉变。
4. 黄芪:无芦头、空心、黑心、芦头、油条、杂质、虫蛀、霉变。
5. 当归:无芦头、杂质、虫蛀、霉变。
6. 川芎:无芦头、须毛、杂质、虫蛀、霉变。
7. 白芍:无芦头、杂质、虫蛀、霉变。
8. 赤芍:无芦头、杂质、虫蛀、霉变。
9. 丹参:无芦头、空心、黑心、芦头、油条、杂质、虫蛀、霉变。
10. 甘草:无芦头、杂质、虫蛀、霉变。
11. 防风:无芦头、杂质、虫蛀、霉变。
12. 柴胡:无芦头、杂质、虫蛀、霉变。
13. 地黄:无芦头、杂质、虫蛀、霉变。
14. 山药:无芦头、杂质、虫蛀、霉变。
15. 麦冬:无芦头、杂质、虫蛀、霉变。
16. 牡丹皮:无芦头、杂质、虫蛀、霉变。
17. 银杏叶:无杂质、虫蛀、霉变。
18. 黄连:无芦头、杂质、虫蛀、霉变。
19. 黄芩:无芦头、杂质、虫蛀、霉变。
20. 栀子:无芦头、杂质、虫蛀、霉变。
21. 杜仲:无芦头、杂质、虫蛀、霉变。
22. 厚朴:无芦头、杂质、虫蛀、霉变。
23. 附子:无芦头、杂质、虫蛀、霉变。
24. 肉桂:无芦头、杂质、虫蛀、霉变。
25. 花椒:无芦头、杂质、虫蛀、霉变。
26. 干姜:无芦头、杂质、虫蛀、霉变。
27. 木香:无芦头、杂质、虫蛀、霉变。
28. 玄参:无芦头、杂质、虫蛀、霉变。
29. 太子参:无芦头、根尾、焦枯、杂质、虫蛀、霉变。
30. 苦参:无芦头、空心、黑心、芦头、油条、杂质、虫蛀、霉变。
31. 远志:无芦头、杂质、虫蛀、霉变。
32. 石菖蒲:无芦头、杂质、虫蛀、霉变。
33. 茯芩:无芦头、杂质、虫蛀、霉变。
34. 枣仁:无芦头、杂质、虫蛀、霉变。
35. 薏苡仁:无芦头、杂质、虫蛀、霉变。
36. 杏仁:无芦头、杂质、虫蛀、霉变。
《七十六种药材商品规格标准》【国药联材字(84)第72号文附件..樱木小子编目录001当归-------------------3 002川芎-------------------3 003地黄-------------------4 004黄莲-------------------4 005白术-------------------5 006甘草-------------------5 007白芍-------------------6 008茯苓-------------------7 009党参-------------------8 010麦冬-------------------9 011黄芪-------------------10 012贝母-------------------11 013金银花-----------------12 014麝香-------------------12 015枸杞子-----------------13 016泽泻-------------------14 017附子-------------------14 018酸枣仁-----------------14 019山药-------------------15 020牛黄-------------------15 021枳壳、枳实-------------16 022槟榔-------------------16 023山茱萸-----------------16 024红花-------------------16 025菊花-------------------17 026牛膝-------------------18 027白芷-------------------18 028三七-------------------19 029郁金-------------------19 030使君子-----------------20 031元胡(延胡索)---------21 032木香-------------------21 033玄参-------------------21 034北沙参-----------------21 035天麻-------------------22 036木瓜-------------------22 037牡丹皮-----------------22 038羌活-------------------23 039款冬花-----------------24 040杜仲-------------------24 041五味子-----------------25 042细辛-------------------25 043僵蚕-------------------25 044龙骨-------------------26 045黄柏-------------------26 046广藿香-----------------26 047桔梗-------------------27 048肉苁蓉-----------------27 049砂仁-------------------28 050吴茱萸-----------------28 051厚朴-------------------28 052防风-------------------30 053龙胆-------------------30 054人参-------------------30 055鹿茸-------------------36 056丹参-------------------37 057大黄-------------------38 058半夏-------------------39 059天花粉-----------------39 060紫菀-------------------40 061板蓝根-----------------40 062天冬-------------------40 063牛蒡子-----------------41 064益智-------------------41 065栀子-------------------41 066连翘-------------------41 067黄芩-------------------42 068知母-------------------42 069赤芍-------------------42 070远志-------------------43 071葛根-------------------43 072柴胡-------------------44 073苍术-------------------44 074香附-------------------44 075秦艽-------------------44 076陈皮-------------------45七十六种药材商品规格标准》中的名词、术语解释-------------------45001当归本品为伞形科植物当归的干燥根。
XXXXXXXXXX有限公司成品质量标准及检验操作规程1 品名:1.1 中文名:党参片、米炒党参、党参段、党参节1.2 汉语拼音:Dangshenpian Michaodangshen Dangshenduan Dangshenjie2 代码:3 取样文件编号:4 检验方法文件编号:5 依据:《中国药典》(2020年版一部)、团体标准(T/CATCM 005-2018)。
6 质量标准:8 检验操作规程:8.1 试药与试剂:甲醇、水、党参炔苷对照品、正丁醇、冰醋酸、硫酸、乙醇、盐酸、淀粉、碘滴定液。
8.2 仪器与用具:显微镜、电子天平、D101型大孔吸附树脂柱、高效硅胶G薄层板、超声波清洗器、水浴锅、烘箱、马福炉、紫外光灯。
8.3 性状:取本品适量,自然光下目测色泽,嗅闻气味。
8.4 鉴别:8.4.1 取本品制片置10×10显微镜下做显微观察。
8.4.2取本品粉末1g,加甲醇25ml,超声处理30分钟,滤过,滤液蒸干,残渣加水15ml使溶解,通过D101型大孔吸附树脂柱(内径为1.5cm,柱高为10cm),用水50ml洗脱,弃去水液,再加50%乙醇50ml洗脱,收集洗脱液,蒸干,残渣加甲醇1ml使溶解,作为供试品溶液。
另取党参炔苷对照品,加甲醇制成每1ml含1mg溶液,作为对照品溶液。
照薄层色谱法(附录7)试验,吸取供试品溶液2~4μl、对照品溶液2μl,分别点于同一高效硅胶G薄层板上,以正丁醇-冰醋酸-水(7:1:0.5)为展开剂,展开,取出,晾干,喷以10%硫酸乙醇溶液,在100℃加热至斑点显色清晰,分别置日光和紫外光灯(365nm)下检视。
供试品色谱中,在与对照品色谱相应的位置上,显相同颜色的斑点或荧光斑点。
8.5 检查8.5.1水分党参片、党参段、党参节不得过15.0%(附录15第二法)。
米炒党参不得过9.0%(附录15第二法)。
8.5.2 总灰分不得过5.0%(附录17)。
8.5.3 二氧化硫残留量党参片、米炒党参照二氧化硫残留量测定法(附录58)测定,不得过400mg/kg。
党参产业行业发展趋势党参(Panax ginseng C.A.Mey)是我国传统的重要中药材之一,具有广泛的药用价值。
因其具有兴奋中枢神经、抗疲劳、抗氧化、调节免疫功能、降血糖、降血脂等多种保健和药理作用,被誉为“药王”。
党参行业是我国重要的中药材生产和加工行业之一,也是我国养生保健产业的重要组成部分。
本文将从市场需求、生产技术、质量标准及合规等方面对党参产业的发展趋势进行分析和展望。
一、市场需求党参是我国传统的中药材,自古以来就广泛应用于养生保健和临床治疗。
随着经济水平的提高和人们健康意识的增强,保健品市场的发展潜力巨大。
党参作为一种重要的保健食品原材料,市场需求量逐年增加。
而且,党参还具有较高的国际市场潜力,出口市场需求也在逐年增长。
二、生产技术1. 种植技术:党参主要分布在我国北方的山区,种植地区的气候和土壤条件对党参的生长和品质有重要影响。
未来发展中,应加强对党参种植技术的研究和推广,提高种植地区的适宜性,增加产量和质量。
2. 加工技术:党参是一种药材,对党参的加工技术要求严格。
传统的党参加工方法主要是切片和炮制,效率低下且易受环境污染。
未来发展中,应引进先进的加工技术,提高加工效率和产品质量。
三、质量标准及合规1. 质量标准:党参是一种珍贵的中药材,质量标准对于确保产品质量和药效十分重要。
目前,国家已经颁布了相关的党参质量标准,未来需要进一步完善和细化标准,确保产品的质量和安全。
2. 合规要求:党参是一种药材,涉及到药品的生产和销售。
未来发展中,要严格按照国家相关法规和政策要求,加强行业监管,规范市场秩序,确保产品合规和消费者的权益。
四、创新研发党参作为一种传统中药材,其药理作用和临床应用已经得到了较好的认识。
未来发展中,需要加强党参的创新研发工作。
通过传统知识与现代科技相结合,开展党参的药效物质研究和新药的开发,提高党参的药效和附加值。
五、国际合作党参作为我国优势的中药材之一,其国际市场潜力巨大。
党参-----------------------------------------------------------------------------------------------------资料来源于《七十六种药材商品规格标准》【国药联材字(84)第72号文附件】本品为桔梗科植物党参或同属数种植物的干燥根。
1.西党规格标准:一等:干货。
呈圆锥形,头大尾小,上端多横纹。
外皮粗松,表面m黄色或灰褐色。
断面黄白色,有放射状纹理。
糖质多、味甜。
芦下直径1.5cm以上。
无油条、杂质、虫蛀、霉变。
二等:干货。
呈圆锥形,头大尾小,上端多横纹,外皮粗松,表面m黄色或灰褐色。
断面黄白色,有放射状纹理。
糖质多、味甜。
芦下直径1cm以上,油条、杂质、虫蛀、霉变。
三等:干货。
呈圆锥形,头大尾小,上端多横纹,外皮粗松,表面m黄色或灰褐色。
断面黄白色,有放射状纹理。
糖质多、味甜。
芦下直径0.6cm以上,油条不超过15%。
无杂质、虫蛀、霉变。
2.条党规格标准:一等:干货。
呈圆锥形,头上茎痕较少而小,条较长。
上端有横纹或无,下端有纵皱纹,表面糙m色。
断面白色或黄白色,有放射状纹理。
有糖质、甜味。
芦下直径1.2cm以上,无油条、杂质、虫蛀、霉变。
二等:干货。
呈圆锥形,头上茎痕较少而小,条较长,上端有横纹或无,下端有纵皱纹,表面糙m色。
断面白色或黄白色,有放射状纹埋。
有糖质、味甜。
芦下直径0.8cm以上,无油条、杂质、虫蛀、霉变。
三等:干货。
呈圆锥形,头上茎痕较少而小,条较长,上端有横纹或无,下端有纵皱纹,表面糙m色。
断面白色或黄白色,有放射状纹理。
有糖质、味甜。
芦下直径0.5cm以上,油条不超过10%,无参秧、杂质、虫蛀、霉变。
3.潞党规格标准:一等:干货。
呈圆柱形,芦头较小,表面黄褐色或灰黄色,体结而柔。
断面棕黄色或黄白色,糖质多,味甜。
芦下直径1cm以上,无油条、杂质、虫蛀、霉变。
二等:干货。
呈圆柱形,芦头较小。
党参2010版中国药典质量标准DangshenCODONOPSISRADIX本品为桔梗科植物党参Codonopsispilosula(Franch.)Nannf.、素花党参CodonopsispilosulaNannf.var.modesta(Nannf.)L.T.Shen或川党参CodonopsistangshenOliv.的干燥根。
秋季采挖,洗净,晒干。
【性状】党参呈长圆柱形,稍弯曲,长10~35cm,直径0.4~2cm。
表面黄棕色至灰棕色,根头部有多数疣状突起的茎痕及芽,每个茎痕的顶端呈凹下的圆点状;根头下有致密的环状横纹,向下渐稀疏,有的达全长的一半,栽培品环状横纹少或无;全体有纵皱纹和散在的横长皮孔样突起,支根断落处常有黑褐色胶状物。
质稍硬或略带韧性,断面稍平坦,有裂隙或放射状纹理,皮部淡黄白色至淡棕色,木部淡黄色。
有特殊香气,味微甜。
素花党参(西党参)长10~35cm,直径0.5~2.5cm。
表面黄白色至灰黄色,根头下致密的环状横纹常达全长的一半以上。
断面裂隙较多,皮部灰白色至淡棕色。
川党参长l0~45cm,直径0.5~2cm。
表面灰黄色至黄棕色,有明显不规则的纵沟。
质较软而结实,断面裂隙较少,皮部黄白色。
【鉴别】(1)本品横切面:木栓细胞数列至10数列,外侧有石细胞,单个或成群。
栓内层窄。
韧皮部宽广,外侧常现裂隙,散有淡黄色乳管群,并常与筛管群交互排列。
形成层成环。
木质部导管单个散在或数个相聚,呈放射状排列。
薄壁细胞含菊糖。
(2)取本品粉末1g,加甲醇25ml,超声处理30分钟,滤过,滤液蒸干,残渣加水15m1使溶解,通过D101型大孔吸附树脂柱(内径为1.5cm,柱高为10cm),用水50ml洗脱,弃去水液,再用50%乙醇50ml洗脱,收集洗脱液,蒸干,残渣加甲醇1ml使溶解,作为供试品溶液。
另取党参炔苷对照品,加甲醇制成每1ml含1mg的溶液,作为对照品溶液。
照薄层色谱法(附录ⅥB)试验,吸取供试品溶液2~4μl、对照品溶液2μl,分别点于同一高效硅胶G薄层板上,以正丁醇冰醋酸水(7:1:0.5)为展开剂,展开,取出,晾干,喷以10%硫酸乙醇溶液,在1。
《七十六种药材商品规格标准》【国药联材字(84)第72X附件..樱木小子编目录001当归-------------------3 002川芎-------------------3 003地黄-------------------4 004黄莲-------------------4 005白术-------------------5 006甘草-------------------5 007白芍-------------------6 008茯苓-------------------7 009党参-------------------8 010麦冬-------------------9 011黄芪-------------------10 012贝母-------------------11 013金银花-----------------12 014麝香-------------------12 015枸杞子-----------------13 016泽泻-------------------14 017附子-------------------14 018酸枣仁-----------------14 019山药-------------------15 020牛黄-------------------15 021枳壳、枳实-------------16 022槟榔-------------------16 023山茱萸-----------------16 024红花-------------------16 025菊花-------------------17 026牛膝-------------------18 027白芷-------------------18 028三七-------------------19 029郁金-------------------19 030使君子-----------------20 031元胡〔延胡索〕---------21 032木香-------------------21 033玄参-------------------21 034北沙参-----------------21 035天麻-------------------22 036木瓜-------------------22 037牡丹皮-----------------22 038羌活-------------------23 039款冬花-----------------24 040杜仲-------------------24 041五味子-----------------25 042细辛-------------------25 043僵蚕-------------------25 044龙骨-------------------26 045黄柏-------------------26 046广藿香-----------------26 047桔梗-------------------27 048肉苁蓉-----------------27 049砂仁-------------------28 050吴茱萸-----------------28 051厚朴-------------------28 052防风-------------------30 053龙胆-------------------30 054人参-------------------30 055鹿茸-------------------36 056丹参-------------------37 057大黄-------------------38 058半夏-------------------39 059天花粉-----------------39 060紫菀-------------------40 061板蓝根-----------------40 062天冬-------------------40 063牛蒡子-----------------41 064益智-------------------41 065栀子-------------------41 066连翘-------------------41 067黄芩-------------------42 068知母-------------------42 069赤芍-------------------42 070远志-------------------43 071葛根-------------------43 072柴胡-------------------44 073苍术-------------------44 074香附-------------------44 075秦艽-------------------44 076陈皮-------------------45七十六种药材商品规格标准》中的名词、术语解释-------------------45001当归本品为伞形科植物当归的枯燥根。
XXXXXXX有限公司原料质量标准及检验操作规程1 品名:1.1 中文名:党参1.2 汉语拼音:Dangshen2 代码:3 取样文件编号:4 检验方法文件编号:5 依据:《中国药典》(2020年版一部)。
6 质量标准:7 检验操作规程:7.1 试药与试剂:甲醇、水、党参炔苷对照品、正丁醇、冰醋酸、硫酸、乙醇、盐酸、淀粉、碘滴定液。
7.2 仪器与用具:显微镜、电子天平、D101型大孔吸附树脂柱、高效硅胶G薄层板、超声波清洗器、水浴锅、三用紫外分析仪、恒温鼓风干燥箱、马福炉。
7.3 性状:取本品适量,自然光下目测色泽,嗅闻气味。
7.4 鉴别:7.4.1 取本品制片置10×10的显微镜下观察显微结构。
7.4.2取本品粉末1g,加甲醇25ml,超声处理30分钟,滤过,滤液蒸干,残渣加水15ml使溶解,通过D101型大孔吸附树脂柱(内径为1.5cm,柱高为10cm),用水50ml洗脱,弃去水液,再加50%乙醇50ml洗脱,收集洗脱液,蒸干,残渣加甲醇1ml使溶解,作为供试品溶液。
另取党参炔苷对照品,加甲醇制成每1ml含1mg溶液,作为对照品溶液。
照薄层色谱法(附录7)试验,吸取供试品溶液2~4μl、对照品溶液2μl,分别点于同一高效硅胶G薄层板上,以正丁醇-冰醋酸-水(7 :1 :0.5)为展开剂,展开,取出,晾干,喷以10%硫酸乙醇溶液,在100℃加热至斑点显色清晰,分别置日光和紫外光灯(365nm)下检视。
供试品色谱中,在与对照品色谱相应的位置上,显相同颜色的斑点或荧光斑点。
7.5检查7.5.1 水分不得过16.0%(附录15第二法)。
7.5.2 总灰分不得过5.0%(附录17)。
7.6 浸出物:照醇溶性浸出物测定法项下的热浸法(附录19)测定,用45%乙醇作溶剂。
7.7 二氧化硫残留量照二氧化硫残留量测定法(附录58)测定,不得过400mg/kg。
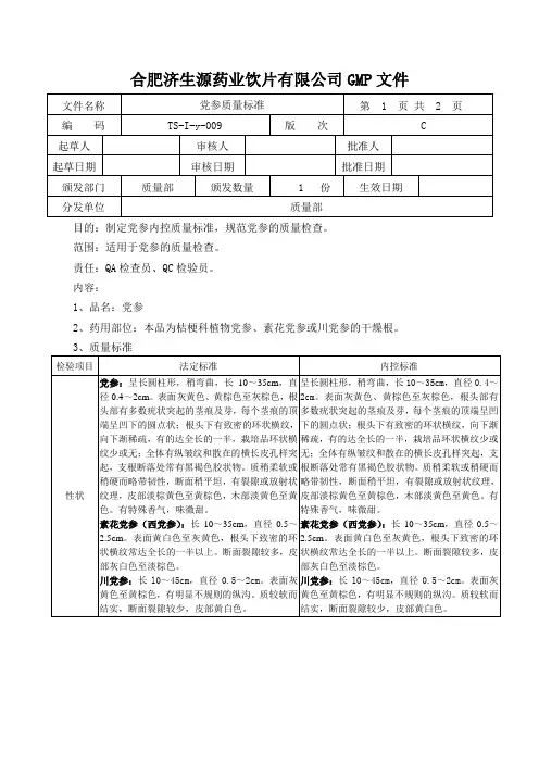
合肥济生源药业饮片有限公司GMP文件文件名称党参质量标准第 1 页共 2 页编码TS-I-y-009 版次 C起草人审核人批准人起草日期审核日期批准日期颁发部门质量部颁发数量 1 份生效日期分发单位质量部目的:制定党参内控质量标准,规范党参的质量检查。
范围:适用于党参的质量检查。
责任:QA检查员、QC检验员。
内容:1、品名:党参2、药用部位:本品为桔梗科植物党参、素花党参或川党参的干燥根。
3、质量标准检验项目法定标准内控标准性状党参:呈长圆柱形,稍弯曲,长10~35cm,直径0.4~2cm。
表面灰黄色、黄棕色至灰棕色,根头部有多数疣状突起的茎痕及芽,每个茎痕的顶端呈凹下的圆点状;根头下有致密的环状横纹,向下渐稀疏,有的达全长的一半,栽培品环状横纹少或无;全体有纵皱纹和散在的横长皮孔样突起,支根断落处常有黑褐色胶状物。
质稍柔软或稍硬而略带韧性,断面稍平坦,有裂隙或放射状纹理,皮部淡棕黄色至黄棕色,木部淡黄色至黄色。
有特殊香气,味微甜。
素花党参(西党参):长10~35cm,直径0.5~2.5cm。
表面黄白色至灰黄色,根头下致密的环状横纹常达全长的一半以上。
断面裂隙较多,皮部灰白色至淡棕色。
川党参:长l0~45cm,直径0.5~2cm。
表面灰黄色至黄棕色,有明显不规则的纵沟。
质较软而结实,断面裂隙较少,皮部黄白色。
呈长圆柱形,稍弯曲,长10~35cm,直径0.4~2cm。
表面灰黄色、黄棕色至灰棕色,根头部有多数疣状突起的茎痕及芽,每个茎痕的顶端呈凹下的圆点状;根头下有致密的环状横纹,向下渐稀疏,有的达全长的一半,栽培品环状横纹少或无;全体有纵皱纹和散在的横长皮孔样突起,支根断落处常有黑褐色胶状物。
质稍柔软或稍硬而略带韧性,断面稍平坦,有裂隙或放射状纹理,皮部淡棕黄色至黄棕色,木部淡黄色至黄色。
有特殊香气,味微甜。
素花党参(西党参):长10~35cm,直径0.5~2.5cm。
表面黄白色至灰黄色,根头下致密的环状横纹常达全长的一半以上。
党参炮制方法与标准【药材来源】党参为桔梗科植物党参Codonopsis pilosula (Franch.) Nannf.素花党参Codonopsis pilosuta Nannf. var. modesta(Nannf. )L.T.Shen或党参Codonopsis tangsh-en Oliv.的干燥根。
秋季采挖,洗净,晒干。
【古代炮制方法】清代有蜜炙(《治全》)、蜜拌蒸熟(《得配》)及米炒(《时病》)等炮制法,去皮时要用“竹刀刮”(《害利》)。
【现代炮制方法】 1.党参:取原药材,除去芦头,洗净,润透,切厚片,干燥。
2.米党参:取大米置炒药锅内,用中火加热至米出烟时,倒入党参生片,炒至大米呈老黄色时,取出,筛去米,放凉。
党参每100kg用大米20kg。
3.蜜党参:取炼蜜用适量开水稀释后,加入党参片拌匀,闷透,置炒药锅内,用文火加热,炒至黄棕色,不粘手时取出,放凉。
党参每100kg用炼蜜20kg。
【饮片性状】党参为椭圆形或类圆形的厚片,表面黄棕色或灰棕色,有裂隙或菊花纹,中央有淡黄色圆心。
周边淡黄白色至黄棕色,有纵皱纹。
质稍硬或略带韧性,有特殊香气,味微甜。
米党参表面老黄色,余同生党参片。
蜜党参形如党参片,表面黄棕色,显光泽,味甜。
【质量标准】党参水分不得过16.0%,总灰分不得过5.0%,浸出物用45%乙醇作溶剂,不得少于55.0%。
党参饮片水分不得过10.0%。
【炮制目的】党参味甘,性平。
归脾经、肺经。
具补中益气,健脾益肺作用。
用于脾肺虚弱,气短心悸,食少便溏,虚喘咳嗽,内热消渴。
本品多生用。
生党参擅长益气生津,多用于肺气亏虚,气血两亏,津气两伤。
米党参以补气健脾作用力强,多用于脾胃虚弱,食少,便溏。
蜜党参增强了补中益气润燥养阴的作用,多用于气血两虚之证。
如气短乏力,内脏下垂,四肢倦怠,妇女月经不调。
【应用选择】 1.生用(1)肺气亏虚:常与五味子、黄芪等同用,能补肺、敛肺,可用于咳喘气短、气怯声低,如补肺汤(《永类钤方》)。
XXXXXXXX有限公司原料质量标准及检验操作规程1 品名:1.1 中文名:党参1.2 汉语拼音:Dangshen2 代码:3 取样文件编号:4 检验方法文件编号:5 依据:《中国药典》(2020年版一部)、团体标准(T/CATCM 005-2018)。
6 质量标准:7 检验操作规程:7.1 试药与试剂:甲醇、水、党参炔苷对照品、正丁醇、冰醋酸、硫酸、乙醇、盐酸、淀粉、碘滴定液。
7.2 仪器与用具:显微镜、电子天平、D101型大孔吸附树脂柱、高效硅胶G薄层板、超声波清洗器、水浴锅、三用紫外分析仪、恒温鼓风干燥箱、马弗炉。
7.3 性状:取本品适量,自然光下目测色泽,嗅闻气味。
7.4 鉴别:7.4.1 取本品制片置10×10的显微镜下观察显微结构。
7.4.2取本品粉末1g,加甲醇25ml,超声处理30分钟,滤过,滤液蒸干,残渣加水15ml使溶解,通过D101型大孔吸附树脂柱(内径为1.5cm,柱高为10cm),用水50ml洗脱,弃去水液,再加50%乙醇50ml洗脱,收集洗脱液,蒸干,残渣加甲醇1ml使溶解,作为供试品溶液。
另取党参炔苷对照品,加甲醇制成每1ml含1mg溶液,作为对照品溶液。
照薄层色谱法(附录7)试验,吸取供试品溶液2~4μl、对照品溶液2μl,分别点于同一高效硅胶G薄层板上,以正丁醇-冰醋酸-水(7 :1 :0.5)为展开剂,展开,取出,晾干,喷以10%硫酸乙醇溶液,在100℃加热至斑点显色清晰,分别置日光和紫外光灯(365nm)下检视。
供试品色谱中,在与对照品色谱相应的位置上,显相同颜色的斑点或荧光斑点。
7.5检查7.5.1 水分不得过16.0%(附录15第二法)。
7.5.2 总灰分不得过5.0%(附录17)。
7.5.3 二氧化硫残留量党参照二氧化硫残留量测定法(附录58)测定,不得过400mg/kg。
鲜制(党参)照二氧化硫残留量测定法(附录58)测定,不得过10mg/kg7.6 浸出物:照醇溶性浸出物测定法项下的热浸法(附录19)测定,用45%乙醇作溶剂,不得少于55.0%。
党参统节的加工程序及质量标准(鲜货)一·原料进厂:货物进厂先分类:一类为中大条以上的货物;一类为小中条的货物;一类为小毛条。
二·挂晒:将以上三类货物分类挂晒,待水分干至七八成干时,分类下架清洗。
三·清洗:与原质量不变,但要分类清洗。
四·下串:与原质量不变,但要分类下串。
五·粗分:将下串后的货物进行粗分,分为以下四类:第一类为:条形好,皮色好,主桩子长度在10cm以上的,直径为0.5cm以上的,且股子肥大的货为一类。
第二类为:条形不好,皮色好,无头的,主桩子长度在14cm以下6cm以上的,直径为0.5cm以上的货为一类。
第三类为:条形不好,皮色不好,周身有大破烂,干节疤的,主桩子长度在6cm以下的毛股尾多的货为一类。
六·切制:(一)·将粗分中第二类的货备切无限极统节,切制时,先将带芦头的切一刀,长度为2.5cm,剩余货物先切一至二刀(或三刀)备党参节原料,之后剩余全切无限极统节,长度为3.5cm至4cm.(注:单另干燥。
)(二)·将粗分中第三类的货备切无限极统节,切制时,先将带芦头的切一刀,剩余全切无限极统节,长度为3.5cm至4cm.(注:单另干燥。
)(三)·将粗分中第一类的货中出产的尾子切制成长度为3.5cm至4cm的党参小节。
(注:单另干燥。
)(注:切制前将其中垃圾和杂质拣净。
)七·干燥:将切制后所得货物分类干燥。
八·送检:待水份达到14%时,待下一步加工。
九·筛装:将切制出的无限极统节和党参小节按4:1的比例参和拌匀后过3号筛装包定量后入库。
十·装袋标准:长度为1cm至5cm,直径为0.1cm至2.5cm。
(长度为2cm 以下的占5%,直径为0.4cm以上的占40%,直径为0.4cm以下的占60%。
)。
不同国家(地区)党参药材质量标准比较
刘晓慧;何文静;关人通;唐卓诗;马剑华;李文;张映华
【期刊名称】《兰州大学学报(医学版)》
【年(卷),期】2024(50)4
【摘要】目的通过比较不同国家(地区)党参药材质量标准,为中国党参药材质量标准提升研究提供依据。
方法分析比较现行2020年版《中华人民共和国药典》、第18版《日本药局方》、第11.0版《欧洲药典》、《香港中药材标准》、第9版《中华药典》和第12版《韩国药典》中党参药材的质量标准要求。
结果各药典对党参基原、性状、鉴别、含量测定、检查项、中药饮片等各检测项均有差异。
结论中国党参质量标准有待完善,建议中国药典党参药材增加党参、素花党参和川党参3个种的记载,以及党参指纹图谱、含量测定、农药残留、重金属、中药饮片方面的检测项。
【总页数】9页(P20-28)
【作者】刘晓慧;何文静;关人通;唐卓诗;马剑华;李文;张映华
【作者单位】兰州大学公共卫生学院;兰州大学药学院;新疆医科大学中药学院;甘肃省人民医院感染管理科
【正文语种】中文
【中图分类】R921
【相关文献】
1.党参药材不同提取方法的比较研究
2.HPLC法测定不同产地党参药材中党参炔苷的含量
3.不同品种及采收期党参药材中5种有效成分含量的比较研究
4.我国不同产地党参药材中糖类成分比较分析
5.甘肃不同产地党参药材中党参炔苷含量测定
因版权原因,仅展示原文概要,查看原文内容请购买。
七十六种药材商品规格标准【国药联材字(84)第72号文附件】目录001当归 (3)002川芎 (3)003地黄 (3)004黄莲 (3)005白术 (4)006甘草 (4)007白芍 (5)008 茯苓 (5)009党参 (6)010 麦冬 (7)011 黄芪 (7)012 贝母 (8)013 金银花 (8)014 麝香 (9)015枸杞子 (9)016 泽泻 (10)017 附子 (10)018 酸枣仁 (10)019 山药 (11)020 牛黄 (11)021 枳壳、枳实 (11)022 槟榔 (12)023 山茱萸 (12)024 红花 (12)025 菊花 (12)026 牛膝 (13)027 白芷 (13)028 三七 (13)029 郁金 (14)030 使君子 (14)031 元胡(延胡索) (15)032 木香 (15)033 玄参 (15)034 北沙参 (15)035 天麻 (15)036 木瓜 (16)037 牡丹皮 (16)038 羌活 (16)039款冬花 (17)040 杜仲 (17)041 五味子 (17)042 细辛 (18)043 僵蚕 (18)044 龙骨 (18)045 黄柏 (18)046 广藿香 (19)047 桔梗 (19)048 肉苁蓉 (19)049 砂仁 (19)050 吴茱萸 (20)051厚朴 (20)052 防风 (21)053龙胆 (21)054人参 (21)055鹿茸 (25)056丹参 (26)057 大黄 (26)058半夏 (27)059天花粉 (28)060 紫菀 (28)061板蓝根 (28)062天冬 (28)063牛蒡子 (28)064 益智 (29)065栀子 (29)066 连翘 (29)067 黄芩 (29)068 知母 (29)069 赤芍 (30)070 远志 (30)071 葛根 (30)072柴胡 (30)073 苍术 (31)074香附 (31)075秦艽 (31)076 陂皮 (31)标准中的名词、术语解释 (32)001当归本品为伞形科植物当归的干燥根。
党参种子检验方法及质量标准的研究制定共3篇党参种子检验方法及质量标准的研究制定1党参种子检验方法及质量标准的研究制定党参是一种常见的中药材,具有滋补强身、益气等功效。
其使用范围广泛,如制药、保健品、食品等领域。
而党参种子则是党参种植的原料,其质量直接影响到党参的种植效果和药效。
因此,对党参种子进行检验和质量控制显得尤为重要。
一、党参种子检验方法1. 外观检验法外观检验法是一种简单、直接的方法,可以初步区分出优良、劣质的种子。
优良的种子外观完整、色泽饱满、无裂缝和变色等瑕疵;相反,劣质的种子表面不平整、色泽不一、有裂缝和瑕疵等。
外观检验法常常与其他方法一起使用。
2. 种子水分含量测定法种子水分含量是评价种子质量的重要指标之一。
过多或过少的水分含量都会影响种子的萌发率和生长状况。
种子水分含量的测定方法比较简单,可通过干燥法、滤纸法等方法进行测定。
3. 种子萌发率测定法种子萌发率是衡量种子品质的重要指标,通常用人工萌发法或毛巾萌发法测定。
人工萌发法需要在特定条件下进行长时间观察,耗时较长。
毛巾萌发法则更为简单,但要求操作规范、毛巾清洁度高,否则会影响结果。
4. 种子纯度检验法种子纯度检验法是通过检验种子中的杂质水平来判断种子品质的一种方法。
其主要通过人工眼观察和物理筛分的方法进行。
其中,重点检查金黄色鬼箭(一种常见杂草)和其他杂质的含量,确保种子的纯度指标符合要求。
5. 种子发芽势测定法种子发芽势指种子在一定条件下正常萌发、生长为健康苗的能力。
种子发芽势测定是种子检验中最核心的指标之一。
该方法通常采用荧光灯照射法、电导法等进行测定。
二、党参种子质量标准研制为了规范党参种子的质量控制和市场流通,制定党参种子质量评价标准非常必要。
党参种子质量标准的制定应采用综合评价的方法,考虑多种指标因素,如外观、水分含量、种子萌发率、种子纯度等。
同时,应注意党参种子的地理分布、生态环境、种植方式等因素,确保标准的合理性和适用性。