等离子切割机日常点检表
- 格式:docx
- 大小:18.94 KB
- 文档页数:1
等离子切割机日常点检表1. 前言为确保等离子切割机的正常运行和使用寿命,对设备进行定期的点检和维护是必要的。
本文将提供等离子切割机日常点检表,指导您进行点检。
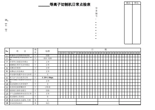
2. 设备基本信息•设备名称:等离子切割机•品牌型号:XXXX•设备编号:XXXX•生产日期:XXXX•使用状态:正常3. 点检项目3.1 外观检查•切割机表面是否干净、整洁,无异物或积尘。
•切割枪把手是否牢固,无松动、变形或裂纹。
•气压表是否显示正常。
•冷却水箱是否有水,机箱和水泵水管是否密封无漏水。
3.2 电气检查•打火电极是否完好,接点是否清洁无腐蚀。
•控制器显示屏是否正常,有无黑屏、偏色、闪屏等情况。
•启动电源后,观察切割枪是否有电弧或火花产生,如产生,应立即进行维护。
•用万用表检查切割机各接点和线路是否正常。
3.3 气路检查•气压表读数是否正常。
•用气压表检查压缩空气是否达到规定数值。
•需要保持定期上油养护,排水阀定期清理。
3.4 水路检查•水泵及水管连接是否紧密,漏水情况。
•水流道是否堵塞,有无异物堵塞,需要定期清理。
•冷却水箱内是否存有杂质,需要定期清理。
4. 点检频率•外观检查:每周一次。
•电气检查:每月一次。
•气路检查:每次使用前和后。
•水路检查:每天一次。
5. 点检记录记录每次点检的时间、项目、结果,以便进行日常维护和长期跟踪。
6. 结束语对于等离子切割机而言,定期点检和维护是非常重要的。
任何一个小问题如果长期忽视,都可能会导致设备的故障和使用寿命的缩短。
希望本文提供的点检表能够为您的设备管理和维护提供帮助。
设备状态点检周期点检方法点检标准
12345678910备注1、数字显示
开机日/2次目测正常2、各表盘值显示
开机日/2次目测正常3、检查稳压器电压
开机日/2次目测220V 4、PLC控制界面
常态日/2次目测无异常1、床身
常态日/2次目测无灰尘2、各方向运行功能
运行日/2次操控无异常3、导轨
常态日/2次目测无卡阻4、工作台面
常态日/1次目测干净5、液氧,煤气
运行日/2次目测无泄漏3设备外观 1.机器周围常态日/2次目测清洁
备注
制造部确认: 设备部确认: 序号12点检项目电器部分
机械部分点检内容
正常“√”异常“X”并对异常内容进行记录说明山西双环重工集团有限公司
数控切割机设备日常点检表
机台号: 年 月
点检日期
点检:操作工
确认:车间设备负责人。
电动切割机安全检查表
---
日期:
---
1. 机器外观检查
- [ ] 检查机器外观是否完好,没有明显的损坏或裂纹。
- [ ] 检查机器上的开关和按钮是否正常,并且容易操作。
- [ ] 检查机器的电源线是否完好,没有断裂或损坏。
2. 切割盘检查
- [ ] 检查切割盘是否安装在机器上,并且没有松动。
- [ ] 检查切割盘的外观是否完好,没有明显的磨损或裂纹。
- [ ] 检查切割盘的固定螺丝是否紧固。
3. 安全装置检查
- [ ] 检查机器上的切割盘保护罩是否完好,没有明显损坏。
- [ ] 检查机器上的防护罩是否安装,并且没有松动。
- [ ] 检查机器上的电源开关是否能够正常断电。
4. 安全操作检查
- [ ] 确保操作人员穿戴适当的个人防护装备,包括护目镜、耳塞和手套。
- [ ] 确保周围没有其他人员,以防止意外伤害。
- [ ] 在开始操作之前,清除工作区域的杂物和障碍物。
---
以上是电动切割机安全检查表的内容,请在每项检查完成后勾选对应的复选框并填写日期。
为了确保操作人员的安全,请认真执行检查,并及时修理或更换出现问题的部件。