GBP-D和GBP-H系列高压变频器使用说明书
- 格式:doc
- 大小:812.00 KB
- 文档页数:20
LPMV系列高压变频调速系统用户使用说明书(V1)江苏力普电子科技有限公司2008序言非常感谢您选用江苏力普电子科技有限公司的LPMV高压变频调速系统!为充分发挥本产品的卓越性能,并确保使用者和设备的安全,在使用该设备之前,请您详细阅读本手册。
本使用手册为随机配送的附件,使用后请务必妥善保管,以备今后对变频器进行检修和维护时使用。
如您对LPMV系列产品的使用存在其它任何疑问或有特殊要求时,请随时联络本公司,我们将竭诚为您服务!本手册内容如有变动,恕不另行通知。
同时,本公司还有系列化的隔爆型矿用皮带机变频器等产品,欢迎垂询、选购!江苏力普电子科技有限公司目录一.安全使用说明31.1.安装41.2.配线41.3.操作41.4.维护5二.产品介绍52.1.LP-MV变频调速系统特点52.2.LPMV变频调速系统原理72.3.LPMV变频调速系统性能指标122.4.LPMV变频调速系统系列型号说明132.5.LPMV变频调速系统适用范围13 三.运输贮存及安装配线143.1.运输贮存说明143.2.机械安装143.2.1 环境要求143.2.2 柜体安装说明153.3.电气安装153.3.1 电气安装注意事项153.3.2 主回路配线163.3.3 控制电路配线163.3.4 典型应用接线图18四.变频调速系统标准操作说明204.1.柜门按钮和开关说明204.2.控制界面204.3.参数设定274.3.1基本参数设定274.3.2高级参数设置284.3.3厂家参数设定354.4.变频调速系统控制方式切换354.4.1 本地控制354.4.2 远程DCS控制354.5.变频调速系统运行模式364.5.1 开环运行364.5.2 闭环运行364.5.3 正常停机364.5.4 紧急停机364.6.报警解除与故障复位374.6.1 报警解除374.6.2 故障复位374.7.变频调速系统正常操作步骤374.7.1本地控制、数字给定、开环运行374.7.2本地控制、模拟给定、开环运行384.7.3本地控制、数字给定、闭环运行394.7.4本地控制、模拟给定、闭环运行404.7.5远程控制、数字给定、开环运行414.7.6远程控制、模拟给定、开环运行424.7.7远程控制、模拟给定、闭环运行434.8.操作注意事项44五.故障对策及异常处理445.1可能出现异常及其处理455.2 故障复位47六.保养和维护476.1 日常检查与保养476.2 易损部件的检查与更换486.3 保修49附录1.柜内电气元件说明49附录2.功能参数简表50F0:基本参数50F1:辅助运行51F2:开环控制52F3:端子及通信53F4:保护功能56F5:电机参数57F6:闭环控制57附录3.LPMV系列变频调速系统规格参数59一.安全使用说明符号定义说明:“注意”标识。
变频器功能及使用说明一、技术规格额定电压频率 单相220V 50Hz输入电压允许变动范围170V~260V 电压 三相 0~220V 频率 0~400Hz 输 出 调制方式 SVPWM 控制方式V/F 控制 模拟电压频率分辨率 0.1Hz 数字设定频率分辨率 1Hz 转矩提升 0~30%控 制 特 性段速控制16段可编程段速,外部端子控制二、变频器接口说明,如下图所示l 电源输入:图中CN1为电源输入端子,变频器额定输入电压为220V/50Hz, 一般可在170V~260V 之间使用。
l 驱动输出:图中CN2为三相电机驱动输出端子。
l 控制接口:图中CN3为速度控制接口,各端子功能如下。
端子序号功能说明1 电压调速地(GND)2 电压调速输入3 电压调速电源(VDD)4 模式1:正向开机(低电平)模式2/3:开机(低电平),关机(高电平)5 模式1:反向开机(低电平)模式2:正向运行(低电平),反向运行(高电平)模式3:使用速度1(低电平),使用电压调速(高电平)6 速度选择bit 37 速度选择bit 28 速度选择bit 19 速度选择bit 010 公共地(GND)11 12V(最大输出50mA)注意:各端子与控制器DSP没有光耦隔离,内部有上拉,控制输入无需提供高电平。
如控制输入有高电平,其电位不得高于5V。
电压调速输入电位器只在模式3有效,使用电位器调速时,要求电位器的阻值大于50K。
在变频器运行在模式3外的他模式时,请将电位器调到高速端。
l散热风扇驱动接口:图中CN4可接一12V、2.5W以下的小型散热风扇,系统会根据散热器的温度自动开启关闭风扇。
如果机箱已有散热风扇,可以不接此风扇。
l显示控制接口:图中CN5为显示控制接口,各端子功能如下。
端子序号功能说明1 电压调速输入2 数据输出(TX)3 数据输入(RX)4 GND5 VDD (5V)6 DSP 复位DSP与显示控制部分使用9600bps双工串行通讯方式,如需远距离显示控制,可外加RS485硬件接口。
变频操作说明书操作规程1 操作、显示面板介绍1.1控制柜操作、显示面板———安装在控制柜门上,实现显示及操作。
1.1.1控制柜面板显示说明(如图1)H1---控制电源指示;H2--- 变频运行指示;H3---变频器故障指示;触摸屏---以指示灯形式显示变频器11个状态(如图2)⒈允许:允许高压合闸;⒉外控:允许外部控制;⒊合闸:高压合闸指示灯;⒋就绪:合闸就绪;⒌接通:高压接通;⒍运转:系统运转中;⒎旁通:有功率单元旁通;⒏告警:系统产生故障或告警;⒐远控箱:远控箱控制有效;⒑DCS: DCS控制有效;⒒闭环:系统闭环控制;显示变频器六个数据①设定频率:变频器的设定频率;②实际频率:变频器实际运行频率;③定子电压:电机的定子电压;④定子电流:电机的定子电流。
⑤闭环反馈压力:管网压力显示。
⑥柜内风压显示:功率柜内风压显示。
图1图21.1.2控制柜面板操作说明(如图1)SB1---备用;SB2---电源复位按钮;SB3---变频器故障情况下,故障复位按钮;SB4---变频装置运行过程中紧急停车;触摸屏---进行9个操作(如图2)①启动:用于启动变频器。
必须无故障告警条件满足时才能起作用;②加速:按下此键不抬起,则变频器频率将按一定速度增加,释放后频率停止增加;③减速:按下此键不抬起,则变频器频率将按一定速度减小,释放后频率停止减小;④停止:停止变频器输出,变频器按一定速度减小输出频率,直到变为0停止;⑤复位:复位变频器到初始状态;⑥曲线:按下此键可以查看电机定子电压电流曲线;⑦设置:进入P参数设定屏,进行P参数设定;⑧操作界面:进行变频器的高压分、合闸操作、外控选择操作及指示,并且提供报警记录;(图3)⑨警铃开关选择:用于报警时警铃的解除选择。
注:触摸屏的使用详见高压变频触摸屏使用说明书。
图31.2远控箱操作、显示面板———安装在用户指定位置,实现远控箱显示及操作1.2.1远控箱面板显示说明(如图4)A---显示定子电流;F---显示定子频率;H5---高压合闸允许;H6---高压合闸;H7---高压分闸;H8---变频运行;H9---变频停止;H10---声光报警指示;H11---故障指示;H12---电源指示;H14---就绪指示;H15---远控指示;1.2.2远控箱面板操作说明(如图4)SB9---变频装置运行过程中紧急停车;SB10---备用;SB11---备用;SB12---变频器故障情况下,复位按钮;SB13---电机变频启动按钮;SB14---电机变频停止按钮;SB15---转速上升按钮,按下此按钮不抬起,则变频器频率将按一定速度增加,释放后停止上升;SB16---转速下降按钮,按下此按钮不抬起,则变频器频率将按一定速度减小,释放后停止下降。
高压变频器操作规一,变频投入时上电前的操作步骤1,检查变频器单元柜监视器上面的三个指示灯,分别为“高压指示”“运行指示”和“故障指示”,这时候三个指示灯应全灭。
如有重故障(故障指示灯常亮),只要按高压分断按钮旁边的复位按钮即可。
2,检查变频器单元柜监视器的下面的“高压分断”按钮是否为弹起状态。
3,检查变频器单元柜上的监视器,里面操作界面上显示的为“高压不就绪”并且无其他的故障显示。
这样的情况下,就可以上高压。
4,检查变频器所用的旁路柜都要把刀闸打到变频状态,并且旁路柜上的变频指示灯是常亮状态。
二,变频器上高压,运行及停机1,先合旁路柜的变频器合闸2,等上电前检查完后,把高压柜的小车断路器推到允许合闸位置,打开高压柜的接地刀闸,通知主控室对变频器相应的高压柜进行上电操作。
3等高压柜上电正常后,检测变频器上的冷却风机方向都运行正常,变频器的高压指示灯会亮起(约10s),并且监视器界面显示“系统待机”,监视器这个时候会有输入电压。
等到变频器从电完毕后,然后在让主控室启动变频器,这时监视器界面上方的“运行指示”灯亮,变频器处于运行状态。
4等变频器运行正常后,可以根据现场的生产要求让主控室对变频器的频率进行调节从而达到现场运行的频率要求。
如果要再次给定频率时要等到给定频率和运行频率一直后,在给定变频器的给定频率如要在高速运行时要该到低俗运行时,要一次5hz 的降,等到给定频率和运行频率一直后在降频率。
(加速方一样)5如要停止运行变频器,可以让主控室发一个停止运行信号给变频器就可以了,这个时候变频器则停止运行,这时监视器界面上方的“运行指示”灯灭。
三,高压下电及重新上高压1,等变频器停止运行10秒后,就可以直接通知主控室分断高压柜并要把小车拉出来,合上接地刀闸。
2,如果变频器还在运行时停高压,会产生重故障,只要按高压分断按钮旁边的复位按钮即可。
3,如需重新上高压时,按上面第一条描述的步骤操作。
四,高压变频器注意事项1,变频器运行过程中,除了专业人士外,严禁打开变频出线室及变频器的柜门。
第2章ChapterⅡ安装与接线Installation & Connection本章简要简介PowerSmart TM变频器旳安装与接线The chapter introduces installation and connection of PowerSmart TM Drivebriefly2.1产品确认2.1 Product Confirmation拿到产品时,请确认下表中所列项目:When you get the product, please confirm the items listed in below table:表2-1Tab2-1如有不良状况,请与我司业务部门联系。
If there unfavorable condition, please contact with our corporate business sector.2.2 安装环境旳规定和管理2.2 Requirements and Management of Installation Environment 2.2.1 安装现场2.2.1 Installation Field安装变频器旳地点应满足通风散热和操作旳规定。
变频器背面离墙旳距离不小于600mm,正面离墙旳距离不小于1.5米。
变频器顶部(从风机顶部算起)到屋顶旳距离不小于500mm。
The site of installing drive should satisfy the requirements of ventilation, heat dispersion and operation. The distance between back face of drive and wall should not be less than 600mm, the distance between front face of drive and wall should not be less than 1.5m. The distance between top of drive (calculated from the top of fan) and ceiling should not be less than 500mm.2.2.2环境原则2.2.2 Environment Standard变频器安装在电气室内,工作环境温度为0~40o C。
高压变频器操作规程第一章总则第一条为了保证高压变频器的安全运行和性能稳定,制定本操作规程,以规范高压变频器的操作和维护。
第二条本操作规程适用于高压变频器的操作和维护人员,包括操作、维修、检修和维护等。
第三条高压变频器的操作和维护人员应具备相应的操作和维护知识,并按照本操作规程进行操作和维护。
第四条高压变频器的操作和维护应符合国家相关安全标准和规定。
第二章操作规程第五条高压变频器的操作和维护人员应熟悉高压变频器的结构、原理和操作方法,并按照使用说明书进行操作。
第六条开启高压变频器之前,应先检查外部电源和设备的接线情况是否正确,并确保电源电压和频率与高压变频器匹配。
第七条开机前应检查控制回路、保护回路和散热回路是否正常,发现问题应及时处理。
第八条操作人员应按照设备的运行要求设置变频器的工作参数,如电压、频率、转速等。
第九条高压变频器在运行过程中,应注意监控设备的运行状态,如电流、温度、振动等,发现异常情况应及时报警并采取相应的措施。
第十条停机时应先将变频器工作参数恢复至初始值,然后关闭外部电源。
第十一条高压变频器在长时间停机后,应进行检查和维护,包括散热器清洁、电缆接线检查和紧固等。
第十二条操作人员应做好日常记录和维护工作,如运行时间、故障处理、维护记录等,以便随时查阅和分析。
第三章维护规程第十三条高压变频器的维护应按照设备使用说明书和维护手册进行,以确保设备的长期稳定运行。
第十四条高压变频器的维护人员应具备相关维护知识和技能,并按照相关规定进行维护工作。
第十五条维护人员应定期检查高压变频器的散热器、电缆和接线端子的清洁情况,并及时清除杂物和污垢。
第十六条定期检查高压变频器的电缆接线和紧固情况,如发现异常应及时处理。
第十七条高压变频器的维护应定期进行设备检查和故障排除,如更换电容器、维修电路板等。
第十八条维护人员应定期检查高压变频器的工作参数和控制回路、保护回路是否正常,如发现异常应及时修复。
第十九条高压变频器维护完成后,应对设备进行检测和试运行,确保设备工作正常。
东方日立(成都)电控设备有限公司高压大功率变频器HI系列用户使用说明书( Ver.A )目录1.简述 (3)2.变频装置和外部的接口信号列表 (4)3.变频操作 (7)3.1 互锁 (7)3.2 电机速度控制 (7)3.3 启/停变频器的操作流程 (8)4.显示界面 (11)4.1 条形图 (11)4.2 故障显示 (13)4.3 互锁纪录显示 (17)4.4 DIO(输入和输出接触点显示)界面 (18)附:常见故障及处理 (19)1、简述日本日立公司生产的High V oltage Inverter产品是一种交流电机的速度调节控制装置。
变频器的控制方式采用多级PWM叠加技术,结构采用多个变频器单元串联叠加输出的方式。
日立公司的6KV(10KV)系列变频器每相5(8)级单元,变频器输出电压由所有单元输出叠加而成,波形非常接近于正弦波,谐波含量很低,极大的减小了对交流电机的谐波污染。
整套变频装置由旁通柜,变压器柜,功率单元柜和控制柜四部分组成。
在旁通柜内,装有高压断路器和隔离刀闸等,可实现变频和工频的切换,当变频器在运行中发生重故障时,变频器发出变频切换到工频的指令,也可根据需要,人为的切换到工频。
在变压器柜内,装有多重移相变压器,原边绕组采用星形接法,副边绕组采用延边三角形接法和星形接法,可有效的抵消电网中的偶次谐波,并可有效的滤除某些奇次谐波,尽量减少变频器电源的谐波污染,变压器能承受系统过电压和变频装置产生的共模电压以及谐波的影响。
在功率单元柜内装有功率单元,变频器的输出电压为每个单元输出的PWM波形叠加后的输出。
在控制柜内,装有控制各个回路启停的开关和控制各个功率单元协调工作的控制板,以及整套变频装置同外部系统的接口等。
对变频器的启停操作,通过切换开关,既可以通过就地的按钮控制,又可通过远方的DCS控制来完成。
变频装置根据DCS给出的速度调节信号自动的控制电机的转速,并且在就地和远方都可以监视变频装置的状态。
GBP-H-06系列高压变频器使用说明书焦作市明株自动化工程有限责任公司2009年11月目录第1章安全注意事项 (3)第2章变频器柜体组成 (4)第3章变频器安装和存放环境 (5)第4章变频器接线说明 (6)第6章变频器故障说明与维护 (13)第7章变频器常见故障处理 (14)附录1: GBP-D和GBP-H系列高压变频器型号列表 (16)附录2: GBP-D和GBP-H系列高压变频器功率单元型号列表 (17)附录3:干式变压器温控仪设置说明 (18)附录4:调试内容记录表 (19)第1章安全注意事项1.1 在使用高压变频器前,请仔细阅读本使用说明书。
1.2 高压变频器(本章以下简称设备)属高压设备,内有能致人伤亡的高压交流电流,使用时请务必遵循本说明书。
1.3 当设备带电或有残余电压时不要打开任何柜门。
1.4 当设备停电之后,功率单元内仍可能存在危险电压,请等待5分钟之后才能打开柜门,否则可能导致电击或伤害。
1.5 在确认设备已经不发烫和不带电之前,千万不要触摸设备内部的任何部位,否则可能导致电击。
1.6 在接触或测量设备内元器件时,必须十分小心,严防表笔接触到其它端子,导致伤害或故障。
1.7 当主电源切断后,必须等待10分钟后,才能切断控制电源,否则可能导致故障。
1.8 在主电源送电之前,必须先送控制电直到触摸屏不再显示“通信中断”为止,否则可能造成设备故障或损坏。
1.9 当确认变频器有部件损坏之后,不得进行再次通入高压主电源,否则可能造成人身伤害和加深设备损坏器件。
1.10 当设备着火时,不要尝试使用设备,否则可能引起火灾。
1.11 必须由经过认证的人员正确设置参数,如果设置了错误参数,系统可能超限运行损坏设备。
1.12 只有有资格的人员以及受过培训的人员可以操作设备,不具有资格或未受过培训的人员操作可能导致人员伤害或设备故障。
1.13 在设备有高压电源供电的情况下,一般不要切断控制电源,否则可能导致人身伤害或设备损坏。
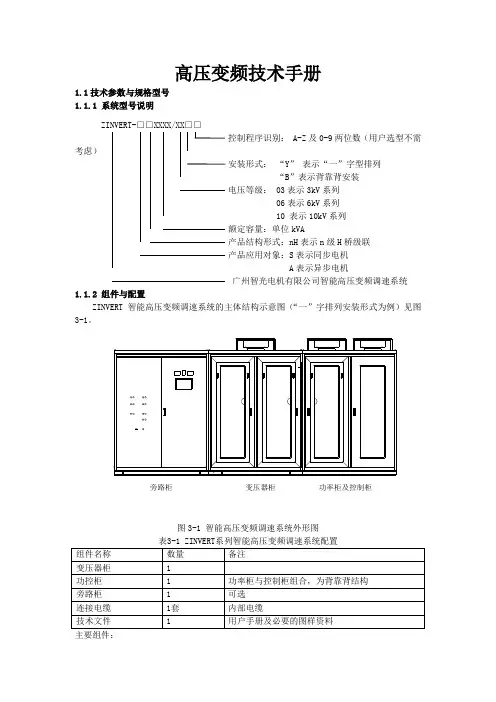
高压变频技术手册1.1技术参数与规格型号1.1.1 系统型号说明ZINVERT-□□XXXX/XX□□控制程序识别: A-Z及0-9两位数(用户选型不需考虑)安装形式:“Y”表示“一”字型排列“B”表示背靠背安装电压等级: 03表示3kV系列06表示6kV系列10 表示10kV系列额定容量:单位kVA产品结构形式:nH表示n级H桥级联产品应用对象:S表示同步电机A表示异步电机广州智光电机有限公司智能高压变频调速系统1.1.2 组件与配置ZINVERT智能高压变频调速系统的主体结构示意图(“一”字排列安装形式为例)见图3-1。
旁路柜变压器柜功率柜及控制柜图3-1 智能高压变频调速系统外形图表3-1 ZINVERT系列智能高压变频调速系统配置主要组件:旁路柜:根据需要选用,该组件在系统故障情况下将电机切换至工频电网,执行旁路功能。
变压器柜:装有移相整流变压器,为各个功率单元提供交流输入电压。
功率柜:装有模块化设计的多个功率单元级联式的逆变主回路,向电机提供变频调速之后的输出电压。
控制柜:装有主控部件,控制变频调速系统的工作并处理通过采集获得的数据,具备各类数据通信和DCS控制接口功能。
1.1.3产品技术参数表3-3 ZINVERT系列智能高压变频调速系统产品参数表1.2系统组成结构与工作原理ZINVERT 系列智能高压变频调速系统采用功率单元串联技术解决器件耐压问题,级间SPWM 信号移相后叠加,提高了输出电压谐波性能、降低输出电压的dv/dt ;通过电流多重化技术提高输入侧谐波性能,减小对电网的谐波污染;主控制器采用双数字信号处理器(DSP )、可编程门列阵(CPLD 和FPGA )为核心,配合数据采集单元、单元控制器和光纤通信回路以及工艺控制需要可选的可编程逻辑控制器(PLC )构成控制系统。
1.2.1 系统组成与原理ZINVERT 系列智能高压变频调速成套系统主要由整流变压器、功率逆变柜及控制柜组成,实际使用时还可按用户要求配套旁路切换柜。
LPMV系列高压变频调速系统用户使用说明书(V1)江苏力普电子科技有限公司2008序言非常感谢您选用江苏力普电子科技有限公司的LPMV高压变频调速系统!为充分发挥本产品的卓越性能,并确保使用者和设备的安全,在使用该设备之前,请您详细阅读本手册。
本使用手册为随机配送的附件,使用后请务必妥善保管,以备今后对变频器进行检修和维护时使用。
如您对LPMV系列产品的使用存在其它任何疑问或有特殊要求时,请随时联络本公司,我们将竭诚为您服务!本手册内容如有变动,恕不另行通知。
同时,本公司还有系列化的隔爆型矿用皮带机变频器等产品,欢迎垂询、选购!江苏力普电子科技有限公司目录一.安全使用说明31.1.安装41.2.配线41.3.操作41.4.维护5二.产品介绍52.1.LP-MV变频调速系统特点52.2.LPMV变频调速系统原理72.3.LPMV变频调速系统性能指标122.4.LPMV变频调速系统系列型号说明132.5.LPMV变频调速系统适用范围13 三.运输贮存及安装配线143.1.运输贮存说明143.2.机械安装143.2.1 环境要求143.2.2 柜体安装说明153.3.电气安装153.3.1 电气安装注意事项153.3.2 主回路配线163.3.3 控制电路配线163.3.4 典型应用接线图18四.变频调速系统标准操作说明204.1.柜门按钮和开关说明204.2.控制界面204.3.参数设定274.3.1基本参数设定274.3.2高级参数设置284.3.3厂家参数设定354.4.变频调速系统控制方式切换354.4.1 本地控制354.4.2 远程DCS控制354.5.变频调速系统运行模式364.5.1 开环运行364.5.2 闭环运行364.5.3 正常停机364.5.4 紧急停机364.6.报警解除与故障复位374.6.1 报警解除374.6.2 故障复位374.7.变频调速系统正常操作步骤374.7.1本地控制、数字给定、开环运行374.7.2本地控制、模拟给定、开环运行384.7.3本地控制、数字给定、闭环运行394.7.4本地控制、模拟给定、闭环运行404.7.5远程控制、数字给定、开环运行414.7.6远程控制、模拟给定、开环运行424.7.7远程控制、模拟给定、闭环运行434.8.操作注意事项44五.故障对策及异常处理445.1可能出现异常及其处理455.2 故障复位47六.保养和维护476.1 日常检查与保养476.2 易损部件的检查与更换486.3 保修49附录1.柜内电气元件说明49附录2.功能参数简表50F0:基本参数50F1:辅助运行51F2:开环控制52F3:端子及通信53F4:保护功能56F5:电机参数57F6:闭环控制57附录3.LPMV系列变频调速系统规格参数59一.安全使用说明符号定义说明:“注意”标识。
ProWind1.5MW系统,带有定子接触器变频器用户手册1 概述电力变流器的安全和应用指导/责任限制/欧盟符合性声明和证书2 ProWind-系统一般操作说明/技术数据/电磁兼容性/供应范围/附录:电路图,零件清单,接线端子图3 操作说明运输/调试安全指导/连接和接线/调试指导/操作/维护/故障检修/附录:调试协议/维护协议4 功率模块和控制装置功率模块和控制装置功能描述,功率模块/相模块/扼流圈和滤波器/机柜恒温控制/供应元件/处理器模块/扩展模块5 总图1.5MW尺寸图,主视图/基础装置/电缆室尺寸图/1.5MW位置图,完整的安装托盘,主视图/铰接底板,主视图6 备件管理备件清单/联系人/商业条款/附录:备件咨询和修理表格,退料建议7 设备软件驱动工具软件安装/固件加载和参数设置/PC Drive Software V3.1(手册)/附录:参数列表8 通讯RS232 PC连接/CAN总线/以太网COM服务器/附录:高速COM服务器手册1.5 MW变频器安全和操作变频器安全和操作指导指导依照低压规范73/23/EEC 1. 概述在操作过程中,变频器可能有带电的、旋转的或运动的零部件,它们的表面可能会发热,这取决于相关的防护等级。
若拆掉任何顶盖或不正确安装、使用和操作装置,可能会造成人身伤害或物资损坏。
详情参见下文。
所有系统的设计、运输、安装、调试和维护工作必须由合格的专业人员完成(按照IEC 60364、CENELEC HD 384 或 DIN VDE 0100 和 IEC60664 或 DIN VDE 0110 以及国家安全法规)。
了解此类安全说明的合格专业人员在系统设计、产品安装、装配、调试和操作方面有着丰富的经验,而且符合此类工作的资格要求。
2. 正确使用变频器设计用于在电气工厂或机器上的安装。
安装于在机器上时,在证明及其符合EC 规范98/37/EC (机械规范)(原89/392/EEC 指令)之前,变频器可能不会被调试(即,变频器的操作可能不会被启动)。
变频恒压供水设备操作维护说明济南市新星人环工程有限公司全自动恒压变频供水设备操作说明书一、设备的组成全自动变频供水设备由变频水泵、膨胀罐及智能电控柜等联合组成的单元式变频供水装置。
二、工作原理:我公司生产的变频恒压供水设备满足了生产、生活、设施用水量大的情况,为使管网保持恒定的压力,变频泵在压力控制器的作用下恒压工作的目的。
在设备处于稳定状态下,由于系统渗漏压力下降达系统设定值(通常0.2Mpa)时,由压力传感器或液位传感器发生相应信号,通过电控柜控制,启闭补水泵,做到水位、压力全自动双控制,使管网始终处于设计所需的工作压力(水位)。
三、供货范围:1、膨胀罐 1台2、变频泵 1-3台3、智能电控柜 1台4、配套管阀件压力控制器等 1套四、供水变频装置的维护、注意事项1、水泵的操作启动,停止还应符合厂家要求的操作规程进行必须的维护和保养(详见水泵使用说明书)。
2、运行后(半年或一年后)气室内的压缩空气有可能泄漏而影响正常工作,如水泵启闭过于频繁,应检查并及时补充气压保持室内的气压至要值内(0.5Mpa)。
3、本设备安装时应保持水平,稳定。
4、机组设备经调试正常,投入运转后,严禁非操作人员乱动开启阀门、电源控制系统,造成误操作,以免损坏设备,影响消防、用水情况的正常供给。
5、在室外的情况下,冬天设备应考虑防冻保温措施,以免受冻损坏设备,造成不必要的损失,影响使用。
若长期不用时应将水泵内的积水排出。
五、水泵操作规程1一般规定1.1 水泵的操作人员必须了解所使用水泵的构造、性能、用途,熟悉安全操作和技术保养规程。
1.2水泵必须有专人操作,并且对水泵的安全使用和正确保养负有全面责任。
1.3 操作人员必须按保养规程要求,定期做好水泵的清洁、润滑和调整工作(拧紧连接螺栓),使水泵经常保持良好的工作条件。
1.4应经常对电气设备进行检查和定期保养,保证绝缘良好安全可靠。
2起动前准备2.1用手拔转联轴器,叶轮应无卡摩现象,转动灵活。
JTDK-GBP系列高压变频器用户手册焦作华飞电子电器股份有限公司2007年3月高压变频器用户手册第 2 页共67 页目录JTDK-GBP系列高压变频器 ............................................................................................. 错误!未定义书签。
安全性规则和警告 .. (5)1概述 (7)1.1变频器特性 (7)1.1.1高质量电源输入 (7)1.1.2完美的输出性能 (7)1.1.3友好的用户界面 (7)1.1.4其他特性 (8)1.2型号说明 (8)1.3硬件概述 (8)1.4技术参数 (10)2原理 (11)2.1主电路 (11)2.2功率单元 (14)2.3控制系统 (15)3硬件构成 (17)3.1变压器柜 (18)3.2控制/单元柜 (18)3.3功率单元 (20)4人机界面 (22)4.1指示灯 (22)4.2液晶屏 (23)4.2.1系统状态 (23)4.2.2功能设置 (25)4.2.3参数设置 (28)4.2.4故障记录 (31)4.3薄膜式轻触键盘 (32)4.4系统复位和高压分断 (33)4.5柜门闭锁 (34)4.6操作 (34)5安装 (35)5.1安装和存放环境 (35)5.2安装空间 (35)5.3柜体排列和安装 (36)6接线 (38)6.1主电路接线 (38)6.2控制回路接线 (39)7操作 (42)7.1用户界面控制 (42)7.2柜门控制 (42)7.2.1高压分断 (42)7.2.2系统复位 (43)7.3远程控制 (43)7.4本地控制 (43)7.5上位控制 (44)8运行 (44)8.1运行前的检查 (44)8.2送控制电源 (44)8.3送高压电源 (45)8.4不带负载试运行 (45)8.5操作规程 (46)9故障处理和维护 (47)9.1轻故障分类与报警 (47)9.2重故障分类与报警 (47)9.3常见问题的处理 (48)9.4如何更换功率单元 (48)9.5维护 (49)附录A:GBP变频器MODBUS通讯规约 (51)1.基本原则 (51)2.数据包结构 (51)3.用功能码及应答 (52)(1)功能码0x3,读多个寄存器 (52)(2)功能码0x5,写单个输出点 (52)(3)功能码0x10,写多个寄存器 (53)4.CRC校验(16-bit) (53)5.地址分配 (54)附录B:HPU580/077F单元内部接线图 (56)附录C:干式变压器温控仪设置说明 (58)附录D:变频器内部接线原理图 (59)附录E:变频器对外接线图 (67)第 3 页共67 页高压变频器用户手册关于本手册本手册是为焦作华飞电子电气股份有限公司的产品JTDK-YGBP系列高压变频器用户编制的。
GBP-D和GBP-H系列高压变频器使用说明书焦作市明株自动化工程有限责任公司2009年11月目录第1章安全注意事项 (3)第2章变频器柜体组成 (4)第3章变频器安装和存放环境 (5)第4章变频器接线说明 (6)第6章变频器故障说明与维护 (13)第7章变频器常见故障处理 (14)附录1: GBP-D和GBP-H系列高压变频器型号列表 (16)附录2: GBP-D和GBP-H系列高压变频器功率单元型号列表 (17)附录3:干式变压器温控仪设置说明 (18)附录4:调试内容记录表 (19)第1章安全注意事项1.1 在使用高压变频器前,请仔细阅读本使用说明书。
1.2 高压变频器(本章以下简称设备)属高压设备,内有能致人伤亡的高压交流电流,使用时请务必遵循本说明书。
1.3 当设备带电或有残余电压时不要打开任何柜门。
1.4 当设备停电之后,功率单元内仍可能存在危险电压,请等待5分钟之后才能打开柜门,否则可能导致电击或伤害。
1.5 在确认设备已经不发烫和不带电之前,千万不要触摸设备内部的任何部位,否则可能导致电击。
1.6 在接触或测量设备内元器件时,必须十分小心,严防表笔接触到其它端子,导致伤害或故障。
1.7 当主电源切断后,必须等待10分钟后,才能切断控制电源,否则可能导致故障。
1.8 在主电源送电之前,必须先送控制电直到触摸屏不再显示“通信中断”为止,否则可能造成设备故障或损坏。
1.9 当确认变频器有部件损坏之后,不得进行再次通入高压主电源,否则可能造成人身伤害和加深设备损坏器件。
1.10 当设备着火时,不要尝试使用设备,否则可能引起火灾。
1.11 必须由经过认证的人员正确设置参数,如果设置了错误参数,系统可能超限运行损坏设备。
1.12 只有有资格的人员以及受过培训的人员可以操作设备,不具有资格或未受过培训的人员操作可能导致人员伤害或设备故障。
1.13 在设备有高压电源供电的情况下,一般不要切断控制电源,否则可能导致人身伤害或设备损坏。
1.14 如果高压输入误送到设备的输出端,这样会严重损坏变频器和引起火灾。
1.15 不要阻塞设备的通风口,否则设备内部的温度将会上升导致故障。
1.16 操作前请熟悉设备上的警告标示,否则可能导致电击或伤害。
1.17 当清理或检查时,必须切断主电源和控制电源。
1.18 不要接触旋转的风机,否则可能导致伤害。
1.19 取出功率单元时要当心,功率单元任何侧受到过大的力都会导致人身伤害或功率单元损坏。
1.20 设备在运输或安装过程中,不得靠近水源,否则设备进水之后使用过程中可能导致电击或故障。
1.21 用户不允许更改和搬运设备,可能导致人员伤害或设备损坏。
1.22 安装时,设备不得倾斜超过30°,否则设备可能滑落导致伤害或故障。
1.23 确保设备外壳接地良好,接地电阻不得大于4Ω,否则绝缘能力的下降会导致漏电或电击。
1.24 设备在吊装时,必须确认吊车、钢绳、吊钩有足够的吊装能力,起吊工具有足够的强度和安全系数,操作方法必须正确,否则会导致人身伤害或设备故障。
1.25 请严格遵照以上安全规范进行操作,否则将可能导致人身的伤害和设备的故障。
第2章变频器柜体组成2.1 柜体组成GBP系列高压变频器通常由两种柜体组成,一种是变压器柜体,通常每台高压变频器只有一个变压器柜体配套;另一种是功率单元柜体,根据功率的不同,数量也不同,但只有一个功率单元柜体含有控制器。
如下图2-1所示,由右至左依次是:●功率单元柜柜体(含有控制器)●变压器柜体图2-1 6kV四象限500kVA以下高压变频器2.2高压变频器几种柜体规格注:外形尺寸和重量随设计改变,恕不另行通知第3章变频器安装和存放环境3.1 变频器存放环境3.1.1 环境温度:0~40℃,短时间存放可允许环境温度在-40°~70°之间。
3.1.2 相对湿度:<90%,不结露。
3.1.3 海拔高度:<1000米。
3.1.4 使用环境:避免阳光直射,无腐蚀性气体、无易燃性气体、无导电粉尘,无滴水、盐份、油烟和多尘等。
3.1.5 使用场所:室内。
3.1.6 避免温度急剧变化,否则会发生结露3.1.7 安装海拔大于1000米时,请降容使用,海拔每超出100米,降容额度为1%。
3.1.8 存放时间过长会导致电解电容的早期劣化,请将存放温度控制在30℃以下。
3.2 变频器安装环境要求(如图3-1)3.2.1背面离墙距离不得小于800mm。
3.2.2顶部与屋顶空间距离不得小于800mm。
3.2.3装置正面离墙距离不得小于1500mm。
图3-1 变频器冷却风道3.3 柜体排列和安装3.3.1 安装过程中,要防止变频器受到撞击和震动。
3.3.2 所有柜体不得倒置,倾斜角度不得超过30°。
3.3.3 为了防止柜体变形,吊绳与柜体之间的夹角不得小于60°。
3.3.4变压器柜和功率单元柜还可以采用兜底吊装(柜体深度小于宽度),但吊装时要特别小心。
3.3.5为了布线的安全和方便,变频器柜体最好安装在电缆沟上。
3.3.6 所有柜体应并排牢固安装于基座之上,并和厂房大地可靠连接。
变压器屏蔽层及接地端子要接至厂房大地,接地电阻不得大于4Ω。
第4章 变频器接线说明4.1 接线前,确认导线截面积、耐压等级是否符合要求。
4.2 电源线和控制线不要长距离平行布线,模拟信号线和通讯线必须采用屏蔽绞接线,屏蔽层要单端接地。
4.3 一次回路典型接线如图4-1,配电柜及连接电缆由用户提供。
4.4 配电柜应装设有普通电动机的反时限过流、接地、低电压等保护和避 雷器,但差动保护进线电流互感器应安装在变频器出线侧。
4.5 端子排接线(图4-2)如下表所示图4-2 变频器端子排接线示意图4.6 功率单元接线(图4-2)●L1和L2为功率单元输出串联线接口。
●XT和XR为光纤信号线接口。
●JC为电压检测线接口(单象限功率单元没有)。
●R、S、T为三相电压进线接口。
4.7 功率单元内部接线4.7.1 单象限功率单元电路板接线图图4-3 单象限功率单元电路板接线图4.7.2 四象限功率单元电路板接线图图4-4 四象限功率单元电路板接线图4.7 接线完毕请核对以下各项:●所有接线是否正确。
●所有端子和接线是否有短接或对地短接。
●是否有导线漏接。
第5章变频器操作说明5.1 GBP系列高压变频器有下列两种控制方式,能够从不同地点、以不同方式进行控制:●本地控制●远程控制5.2 本地控制选择本地控制时,人机界面的触摸屏生效,用户可以直接利用触摸屏对变频器进行操作。
界面操作人员在得到待机指示后,可以用界面上的按钮开机、停机、进行功能参数的设置、查询故障记录。
详见说明书第6部分。
5.3 远程控制选择远程控制时,用户可以在工业现场或集中控制室对变频器进行控制。
人机界面中停机、启动按钮失效。
远程操作人员可以用远程开关及其模拟量装置进行对变频器的启动、停机、急停、频率给定等的操作。
5.4 控制器说明(图5-1)●高压指示灯:主电路通入变频器同等级高压电源之后,高压指示灯亮。
●故障指示灯:变频器在故障时亮,轻故障时闪烁,重故障常亮。
●运行指示灯:变频器运行率大于0Hz时,运行指示灯亮。
●触摸屏:显示当前变频器运行的状态。
●急停按钮:急停按钮按下之后,高压掉电或者不能送高压,按钮不再弹出,同时故障指示灯常亮,顺时针旋转按钮之后,急停按钮弹出。
●复位按钮:复位按钮按下之后,系统复位。
●本控/远控选择开关:插入钥匙旋转选择操作方式。
图5-1 变频器控制部分主面板5.5 操作步骤5.5.1 安装和电路连接完成后,在通电运行前应对变频器检查下列各项:●检查有无连接错误(特别是主电路和接地电路)。
●检查光纤连接有无错误。
●确认各连接端子导线没有短路或对地短路等情况。
●检查所有螺钉和接线端子连接等均紧固,无松动。
●检查有无导线屑、螺钉、工具等导电器件散落于变频器中。
●检查柜体、柜门等是否可靠接地。
5.5.2 送220V控制电源●使用万用表检测220V交流进线火线对地应为220V,零线对地应为0V。
●合单相断路器QF1,打开控制器柜门,按下UPS上的按钮“ON”5秒钟,UPS电源启动,PLC、触摸屏、变压器温控仪得电,等待大约10秒钟,控制器得电,在PLC的Y0点灯亮后,允许上高压,同时触摸屏不再显示“通信中断”。
●查看触摸屏界面,查看是否有故障报警。
●查看变压器柜上的温控仪显示是否正常。
●高压柜处于试验位置,看控制柜柜门上的急停自锁按钮是否能分断高压断路器(这一点很重要,确保故障时能可靠分断高压电源),并重复试验5次,保证每次都能可靠分断。
●用钥匙钮选择“远程控制”,根据第4章4.5要求接线是否正确无误,并调试功能是否正确。
●如有模拟给定功能,在远控的方式下看设定频率是否正确。
●在以上所有检查过程中,要确保变频输入、输出的高压电源被可靠分断。
5.5.3根据现场情况设置参数(图5-2-3、图5-2-4)●UPS电源打开之后, PLC和触摸屏同时得电,触摸屏经过初始化(图5-2)之后,进入主界面(图5-3)图5-2 触摸屏初始化界面图5-3 触摸屏主界面●等待10秒钟后,触摸屏不再显示“通信中断”,此时点击“参数设置”按钮进入参数设置界面。
图5-2-3 变频器参数设置界面1 图5-2-4 变频器参数设置界面2●加速时间:可设定1-999秒,变频器从0Hz加速到50Hz需要的时间,时间设置过短会引起过流,单象限变频器时间设置应该长一些,四象限时间可设定在20秒左右;●减速时间:可设定1-999秒,变频器从50Hz减速到0Hz需要的时间,时间设置过短会造成功率单元过压或者整机过压。
●过载倍数:可设定100-150%,变频器输出电流超过过载将进行反时限保护,根据现场情况而定,一般设置为150%。
●过流倍速:可设定150-200%,变频器输出电流值最大不得超过额定电流的倍数,之后立即掉高压进行保护,一般设置为200%。
●额定电流:根据现场电机设定额定电流,但不可超过变频器额定电流,特殊情况下需要超过此值时请联系高压变频室。
●最低频率:变频器启动时输出的频率,一般设置为1Hz。
●最高频率:变频器最高运行的频率,一般设置为50Hz,但不能超过50Hz。
●转矩补偿:一般设置为12,可根据现场情况而定,但不可超过25,设置过大会导致输出过流或输出过载。
当设置过低可导致电机力矩过小,设置过高导致过流的情况发生时,一般要配合弱磁信号,详细说明在第7章。
●额定转速:电机的额定转速。
●跳转频率1下限、跳转频率1上限、跳转频率2下限、跳转频率2上限、跳转频率3下限、跳转频率3上限:可设定1.0-50.0Hz,当现场情况要求不允许电机长时间运行在某一频率段时,进行设置,例如不允许电机运行在10-12Hz区间,那么跳转频率1下限设置为10.0Hz,跳转频率1上限设置为12.0Hz,那么当给定频率在10.0-12.0Hz区间,变频器会自动将给定频率设置为12.0Hz,可设置三个跳转频率段。