伺服驱动器外部接线及说明
- 格式:doc
- 大小:311.00 KB
- 文档页数:16
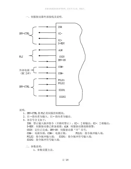
一、伺服驱动器外部接线及说明。
SRV-CTRLPLC外部电源(DC 24V)SRV-CTRL说明:1、SRV-CTRL指PLC的伺服控制模块;2、以→指向者为输入,以←指向者为输出。
3、各信号含义如下:INH: 禁止输入脉冲指令(开路时禁止);OZ-: Z相输出;OZ+: Z相输出;S-RDY: 伺服驱动器已准备就绪;ALM: 伺服驱动器故障报警;COIN: 定位已完成;SRV-ON: 伺服驱动器“开”信号;COM-: 电源负极;COM+: 电源正极; PULS1: 指令脉冲输入端;PULS2: 指令脉冲输入端; SIGN1: 指令脉冲符号输入端;SIGN2: 指令脉冲符号输入端;二、参数说明:1、参数设置方法。
操作面板上共有5个按键,意义如下:MODE:模式转换键,按此键可在4个模式间切换,这4个模式是:DP-××××: 选择监视项目(共有7个, 在按 MODE键显示DP-××××后先按SET,再按↑或↓选择)⑴、DP-EPS: 位置偏差;⑵、DP-SPD: 转速;⑶、DP-TRQ: 转矩;⑷、DP-CNT: 控制方式;⑸、DP-IO: 输入输出信号状态;⑹、DP-ERR: 错误信息;⑺、DP_NO: PR-××××: 设定参数。
EE-××××: 写入参数。
AT-××××: 自动增益调整。
SET:为设定及确认键。
↑:数值增加或移动到下一个选项;↓:数值减少或移动到上一个选项;←:数位间移动;具体设置步骤详见有关Drive r的补充信息说明:1、参数号码后加“#“者为需要更改的,如02号参数实际应用中应设为0;2、控制方式含义T:转矩控制S:速度控制P:位置控制3、出厂设定为”*”者为出厂时未设置,需根据实际自行设置;4、其余参数可使用出厂设置;5、最后一栏为新Driver与之对应的参数(有些没有);6、更详细的说明参见Driver手册(旧)或参考Driver手册(新)中对应的参数;7、以下表格为Driver实际参数设置表。
Kinetix 5300 单轴 EtherNet/IP 伺服驱动器产品目录号 2198-C1004-ERS 、2198-C1007-ERS 、2198-C1015-ERS 、2198-C1020-ERS 、2198-C2030-ERS 、2198-C2055-ERS 、2198-C2075-ERS 、2198-C4004-ERS 、2198-C4007-ERS 、2198-C4015-ERS 、2198-C4020-ERS 、2198-C4030-ERS 、2198-C4055-ERS 、2198-C4075-ERS关于Kinetix 5300驱动器Kinetix 5300 伺服驱动器针对连续三相输出功率和电流需求分别为 0.72…14.7 kW 和 2.3…67.5A 0-pk-峰值的应用项目提供了基于EtherNet/IP 网络的集成运动控制解决方案。
有关接线、上电、故障处理以及与 ControlLogix®5570、ControlLogix 5580、CompactLogix™ 5370 或 CompactLogix 5380 控制器和 Studio 5000Logix Designer® 应用程序集成的详细信息,请参见 Kinetix 5300 Servo Drives User Manual ,出版号 2198-UM005。
产品目录号说明本安装指南适用于以下 Kinetix 5300 伺服驱动器。
主题页码关于Kinetix 5300驱动器1准备事宜2安装Kinetix 5300驱动器2连接器数据4接线要求6安装电机电缆屏蔽夹8断路器/熔断器选择9电机过载保护11其他资源11Kinetix 5300 驱动器产品目录号目录 号框架尺寸输入电压(1)(1)需要使用标称输入电压额定值(110、230 或 480V rms )来提供充足的电源。
连续输出功率kW连续输出电流A (rms)连续输出电流A (0-峰值)2198-C1004-ERS185…132V rms 单相 170…253V rms 单相170…253V rms 三相0.220.460.722.84.02198-C1007-ERS 10.360.761.18 4.6 6.52198-C1015-ERS 20.671.412.188.512.02198-C1020-ERS 20.972.023.1312.217.32198-C2030-ERS 2170…253V rms 三相5.0219.627.72198-C2055-ERS 310.3040.256.92198-C2075-ERS 312.2247.767.52198-C4004-ERS 1342…528V rms 三相0.86 1.6 2.32198-C4007-ERS 1 1.55 2.9 4.12198-C4015-ERS 2 2.785.27.42198-C4020-ERS 2 3.907.310.32198-C4030-ERS 26.2511.716.52198-C4055-ERS 312.0822.632.02198-C4075-ERS314.7027.538.9拆除组件内部和周围的所有包装材料、楔形物和支撑架。
MMT-直流伺服驱动器使用手册济南科亚电子科技有限公司直流伺服驱动器使用说明书一、概述:该伺服驱动器采用全方位保护设计,具有高效率传动性能:控制精度高、线形度好、运行平稳、可靠、响应时间快、采用全隔离方式控制等特点,尤其在低转速运行下有较高的扭矩及良好的性能,在某些场合下和交流无刷伺服相比更能显示其优异的特性,并广泛应用于各种传动机械设备上。
二、产品特征:◇PWM控制H桥驱动◇四象限工作模式◇全隔离方式设计◇线形度好、控制精度高◇零点漂移极小◇转速闭环反馈电压等级可选◇标准信号接口输入0--±10V◇开关量换向功能◇零信号时马达锁定功能◇上/下限位保护功能◇使能控制功能◇上/下限速度设定◇输出电流设定功能◇具有过压、过流、过温、输出短路、马达过温、反馈异常等保护及报警功能三、主要技术参数◇控制电源电压AC:110系列:AC :110V±10%220系列:AC :220V±10%◇主电源电压AC:110系列:AC 40----110V220系列:AC50---- 220V◇输出电压DC:110系列:0—130V或其它电压可设定220系列:0—230V或其它电压可设定◇额定输出电流:DC 5A(最大输出电流10A)DC 10A(最大输出电流15A)DC 20A(最大输出电流25A)◇控制精度:0.1%◇输入给定信号:0—±10V◇测速反馈电压:7V/1000R 9.5V/1000R13.5V/1000R 20V/1000R可经由PC板内插片选定并可接受其它规格订制四、安装环境要求:◇环境温度:-5ºC ~ +50ºC◇环境湿度:相对湿度≤80RH。
(无结露)◇避免有腐蚀气体及可燃性气体环境下使用◇避免有粉尘、可导电粉沫较多的场合◇避免水、油及其他液体进入驱动器内部◇避免震动或撞击的场合使用◇避免通风不良的场合使用五、电源输入说明该驱动系统分两路电源输入:即U1、V1为主电源输入,U2、V2为控制电表1注:1、驱动器的主电源(即U1 V1)独立供电时,若电源开路时,驱动器会报警(面板上的T.F灯亮)待故障排出后,驱动器自动回复正常。
中智电气南京有限公司MZ860系列伺服用户手册 -简易版安全注意事项(使用前请务必仔细阅读)在接收检验、安装、配线、操作、维护及检查时,应随时注意以下安全注意事项:对于忽视说明书记载内容,错误的使用本产品,而可能带来的危害和损害的程度如下表所示加以区分和说明。
对应当遵守的事项用以下的图形标志进行说明:危险关于安装和配线注意关于安装和接线目录安全注意事项(使用前请务必仔细阅读) (1)第一章伺服系统选型 (6)1.1 机型识别 (6)1.2 伺服驱动器规格 (6)1.3 系统配线图举例 (8)1.4 制动电阻相关规格 (9)第二章伺服驱动器及电机的安装 (10)2.1 伺服驱动器的安装 (10)2.2 伺服电机的安装 (12)第三章伺服驱动器与电机的连接说明 (15)3.1 驱动器各部名称 (15)3.2 用户I/O连接器端子排列的详细说明 (15)3.3 主电路连接电缆推荐型号及规格 (16)3.4 控制信号端子连接方法 (20)3.5 通信信号CN3/CN4配线 (34)3.6 电气接线的抗干扰对策 (39)3.7 线缆使用的注意事项 (43)第四章运行模式与调试方法 (44)4.1 位置模式使用说明 (44)4.2 速度模式使用说明 (50)4.3 转矩模式使用说明 (55)4.4 绝对值系统使用说明 (59)4.5 软限位功能 (64)4.6 运行前检查 (65)4.7 负载惯量辨识与增益调整 (66)第五章参数简表 (70)P00组伺服电机参数 (70)P01组驱动器参数 (71)P02组基本控制参数 (71)P03组端子输入参数 (72)P04组端子输出参数 (74)P05组位置控制参数 (75)P06组速度控制参数 (78)P07组转矩控制参数 (79)P08组增益类参数 (80)P09组自调整参数 (81)P0A组故障与保护参数 (82)P0B组监控参数 (83)P0C组通讯参数 (85)P0D组辅助功能参数 (86)P11组多段位置功能参数 (86)P12组多段速度参数 (89)P17组虚拟 DIDO 参数 (92)P30组通讯读取伺服相关变量 (94)P31组通讯给定伺服相关变量 (95)DIDO 功能定义 (96)第六章 MODBUS 通信协议 (100)第七章故障处理 (102)7.1 启动时的故障和警告处理 (102)7.2 运行时的故障和警告处理 (106)第一章 伺服系统选型1.1 机型识别1.2 伺服驱动器规格MZ860P S 5R5I标识产品类别S 220V T 380V标识安装方式I基板安装(标准)标识额定输出电流 1.6A 2.8A3.5A 5.4A 标识非标规格空缺标准机标识产品类别P 脉冲型N EtherCAT 总线型C CANopen 总线型标识系列号伺服驱动器MZ8601R62R83R55R47.6A 7R612A01215A01518A018 5.5A 5R51.3 系统配线图举例伺服驱动器PC通信电缆配线用断路器用于保护电源线,出现过流时切断电路噪音滤波器安装噪音滤波器以防止来自电源线的外部噪音电磁接触器打开/关闭伺服电源。
SMH-35/35/35-100-XL 硬体操作说明书匯出日期:2023-05-10修改日期:2021-04-19•••••••••••••••••••••••目录序言适用机型硬体规格说明外观介绍外形尺寸驱动器规格搬运与安装搬运安装环境条件与注意事项配线与信号周边装置接线图驱动器的连接器与端子说明各式配线图串列向量配线图新代编码器外接类比温感配线图多台四合一串联说明回生电阻选用简易回生电阻选择详细回生电阻选择KTY84温感器与过温度保护功能安装驱动器参数设定版本号编修日期编修内容作者审查核准V1.22022-6-30修正为SMD-34B-3575-xx 硬体操作说明书带电池盒乃维V1.12020-7-23刪去電容吸收能量Ec黃揚程V1.02018/10/04新增SMD-34B-3575-xx 硬体操作说明书杨娟HomePageSYNTEC伺服操作说明书文件资讯文件履历文件资讯文件履历1 序言感谢您长期对本公司产品的使用与支持。
本公司伺服团队不断致力於各项产品的研发,期许本公司产品与服务能给使用者带来最大的效益。
新代高性能驱动器系列产品为本公司最新推出之伺服驱动器,本产品使用高品质之元件与材料,并经过严格测试,采用精密向量控制,具有高精确度、高稳定性、高效率之特性。
本使用说明内容包括驱动器的硬体规格、安装、配线与讯号,能提供给使用者最正确的指引与操作,为充分发挥产品应有的优异性能与维护人员及设备的安全,在使用前请详细阅读本使用手册,并且妥善保存,以备日後调校与保养时使用,若有任何疑虑,请与本公司联络,本公司专业人员将竭诚为您服务。
2 适用机型本操作手册适用於新代SMH-35/35/35-100-XL驱动器3 硬体规格3.1 说明每部驱动器在出厂前均经过详细品管检查与防撞包装处理,请使用者收到产品後应先检查外观有无撞击损伤,并将外盒与产品上之序号做比对是否一致,若有不符,请第一时间与本公司联络。
型号说明3.2 外观介绍SMH-35/35/35-100-XL驱动器功能模块说明A外供电源输入接点连接380V~440V三相交流电(RST) B马达驱动电源输出接点连接马达侧提供马达电源(UVW)由右至左分别为第一至第四轴C煞车电阻接点煞车电阻接点(P-B)D MIII串行通讯接孔连接上位控制器(MIII讯号)连接串行驱动器 (MIII讯号) E Mini USB接孔连接个人计算机调机使用F I/O讯号端口外接电池端口连接I/O设备(急停、警示灯…等)连接绝对型编码器供电电池G STO讯号端口STO接口,2组安全输入,1组安全功能回授H编码器回授接孔由上至下分别为第一至第四埠。
第一章概述1.1 产品简介:交流伺服技术自九十年代初发展至今,技术日臻成熟,性能不断提高,现已广泛应用于数控机床、印刷馐机械、纺织机械、自动化生产线等自动化领域。
DDA98交流伺服系统系国产第一代全数字交流伺服系统,采用国际最新数字信号解决DSP)、大规模可编程门阵列(CPLD)和MISUBISHI智能化功率模块(IPM),集成度高、体积小、保护完善、可靠性好、彩最何必PID算法完毕PWM控制,性能已达到国外同类产品旳水平。
与步进系统相比,DA98交流伺服系统具有如下长处●避免失步现象伺服电机自带编码器,位置信号反馈至伺服驱动器,与开环位置控制器一起构成半闭环控制系统。
●宽速比、恒转矩调速比为1:5000,从低速到高速都具有稳定旳转矩特性。
●高速度、高精度伺服电机最高转速可达3000rpm,回转定位精度1/10000r。
〖注〗不同型号伺服电机最高转速不同。
●控制简单、灵活通过修改参数可对伺服系统旳工作方式、运行特性作出合适旳设立,以适应不同旳规定。
1.2 到货检查1)收货后,必须进行如下检查:(1) 包装箱与否完好,货物与否因运送受损?(2) 核对伺服驱动器和伺服电机铭牌,收到货物与否确系所订货物? (3) 核对装箱单,附件与否齐全?2)型号意义:(1) 伺服驱动器型号DA98 (示出华中理工大学电机厂STZ 系列) ※1 输出功率:两位数字(04、06……23)相应0.4~2.3KW ※2系列代号※1:可选配其他国产、进口伺服电机,需订货。
驱动器缺省参数仅适配STZ 系列伺服电机,选配其他伺服电机时,出厂参数已备份在EEPROM 区。
恢复出厂参数时应执行恢复备份,不可执行恢复缺省参数操作。
※2:中小功率(不不小于等于1.5KW )为原则配备,中功率(不小于1.5KW 、不不小于等于2.3KW )采用加厚散热器。
〖注〗产品出厂时,上面填写框已按产品型号填写好,请顾客与产品铭牌核对。
(2) 伺服电机型号DA98交流伺服驱动器可与国内外多款伺服电机配套,由顾客订货时选择。
Kinco 2S系列伺服驱动器使用指南(中英文)V2.0感谢您使用Kinco伺服产品!Kinco系列不同型号产品的配件各不相同,收到产品后建议您对产品进行确认。
1.请根据机身或包装盒上的铭牌信息确认驱动器型号与您所订购的型号是否一致。
2.请检查产品是否在运输过程中有损坏,采用螺丝刀确认驱动器上所有固定螺丝有无松动。
如以上任一项有问题,请及时与本公司或您的供应商联系。
深圳步科电气有限公司11.1◆请安装于无雨淋和直射阳光的室内控制箱之内,且周围物品注意需为非易燃品◆无削液、油雾、铁粉、切屑的场所◆通风良好,干燥无尘,无振动的场所◆本产品符合EMC标准2014/30/EU和低压标准2014/35/EU(LVD)1.21.3注意事项注意!⚫请勿使用汽油、稀释剂、酒精、酸性或碱性洗涤剂擦拭外壳,以免外壳变色或破损;⚫请确保产品在运输和存储过程中的环境安全,使用原厂包装进行存储和运输;⚫请在熟悉产品相关知识和遵守安全注意事项的前提下对驱动器进行操作;⚫请严格按照图1-1所示的安装方式正确安装伺服驱动器;⚫驱动器与电机动力电缆、抱闸线缆以及编码器电缆不能过度拉伸;⚫避免任何异物进入驱动器内,螺丝、金属屑等导电异物或可燃性异物进入驱动器内可能引起火灾和电击,安全起见,请不要使用有损伤或零件损伤的伺服驱动器。
警告!⚫注意电击危险;⚫电缆一定要可靠安装到电源接口上;⚫连接电缆时,务必断开电源;⚫接触带电部件会造成严重伤害,并可能导致死亡;⚫本产品使用时一定要安装在电箱内,并且确定所有保护措施都已正常启动。
⚫在维护时、维修和清洁工作以及长时间服务中断时,在接触带电部件之前要注意:⚫通过电源开关关闭电气设备的电源,并防止其再次打开;⚫充电指示灯(CHARGE)表示内部高压危险,指示灯熄灭且切断电源十分钟后,才可以接触或维修驱动器。
图1-1 安装方向和间距要求2 驱动器接线以及引脚定义 2.1驱动器接口介绍CD/FD432S 的X3与X7端口(AC220V )CD/FD622S 的X3与X7端口(AC380V )图2-1 驱动器外观结构组成说明2.2SSSS固定电机电缆屏蔽夹安全接地螺丝图2-2 驱动器外部接线图⚫在接通驱动器电源前,请确保所有防护罩和电气柜门已经关闭。
SM30 Servo Drive User Manual浙江盛迈电气技术有限公司Zhejiang Synmot Electrical Technology Co.,Ltd [V1.1]SM30通用伺服驱动器用户手册序言感谢您购买并使用浙江盛迈电气技术有限公司生产的SM30系列通用伺服驱动器。
浙江盛迈电气技术有限公司是伺服电机和伺服驱动器的专业生产厂家,产品的功率等级涵盖:400W - 160kW的全系列伺服电机和伺服驱动器。
盛迈SM30系列伺服驱动器是专门为驱动永磁同步电机(PMSM)而开发的一款通用伺服驱动器,该系列伺服驱动器容量范围涵盖广(额定功率0.4kW~160kW),能够实现位置、速度、扭矩等通用伺服控制功能,广泛应用于各类自动化设备。
SM30系列伺服驱动器适用于各种应用场合,支持多种位置反馈装置,包括增量式编码器、绝对值编码器和旋转变压器等;支持多种通讯协议,包括Modbus、CANopen 和EtherCAT等,以高性能的DSP为核心,结合先进的控制算法,满足各种伺服控制的需求。
本手册为SM30系列伺服驱动器的操作指导手册,请妥善保存以便随时查阅。
本手册提供给使用者安全注意事项、产品信息与选型、安装与接线、参数设置、运行与调整、通信功能、故障诊断及日常保养与维护的相关注意事项及指导。
为正确使用本系列伺服驱动器,充分发挥产品的卓越性能并确保使用者和设备的安全,在使用SM30系列伺服驱动器之前,请您务必详细阅读本手册。
不正确的使用可能会造成驱动器运行异常、发生故障、降低使用寿命,乃至发生设备损坏、人身伤亡等事故!本手册适合下列使用者参考:◼伺服系统设计者◼安装或配线人员◼工程调试人员◼维护或检查人员如果您在使用上存在疑问,请咨询经销商或者本公司客服中心。
由于致力于伺服驱动器的不断改进和优化,因此本公司提供的资料如有改变,恕不另行通知。
可通过本公司官网 下载最新版本。
注意:本说明书只针对通用伺服应用,对于电液伺服的用户,请查阅:《盛迈伺服驱动器使用说明 - 液压应用》有关作业安全标识的叙述,其内容十分重要,请务必遵守。
DS系列伺服驱动器—— 产品使用手册版权申明北京和利时电机技术有限公司(以下简称和利时电机)保留所有权力。
说明书的内容参照了相关法律基准和行业基准。
使用产品时,如对本说明书提供的内容有疑问,请向购买产品的销售人员咨询,或致电客户服务热线,或致信本公司邮箱。
和利时电机保留在不事先通知的情况下,修改本手册中的产品和产品规格参数等文件的权力。
和利时电机具有本产品及其软件的专利权、版权和其它知识产权。
未经授权,不得直接或者间接地复制、制造、加工、使用本产品及其相关部分。
和利时电机具有本说明书的著作权,未经许可,不得修改、复制说明书的全部或部分内容。
安全有关的符号说明说明书中与安全有关的内容,使用了下述符号。
标注了安全符号的语句所叙述的都是重要内容,请一定要遵守。
符 号 说 明所叙述的内容在使用中发生错误时会引起危险,可能会造成人身伤亡时,使用此标注。
所叙述的内容在使用中发生错误时会引起危险,可能会造成人员轻度或中度的伤害和设备的损坏时,使用该标注。
然而,该标准虽然是注意的事项,由于情况不同,也可能造成重大事故。
表示禁止,不能做的事项。
某些事项虽然不属于【危险】【注意】的范围,但要求用户遵守的事项也一起标注在相关的章节中。
安全注意事项 开箱检查受损的驱动器及缺少零部件的驱动器,切勿安装有内伤的危险安装安装在不易燃烧的金属板上,不要安装在可燃物附近有火灾的危险一定要拧紧驱动器的安装螺钉 安装螺钉松动,可能造成驱动器掉落或人员受伤不要安装在有可燃气体的环境里 容易引起爆炸配线请专业电气工程人员进行接线作业,并在接线前确认电源处于关闭状态,接通电源后,切勿触摸主回路端子有触电和火灾的危险对驱动器的主回路端子作业时,要待切断电源15分钟以上,确认电容放电完成时再进行有触电的危险接地端子,一定可靠接地(接地电阻4Ω以下)有触电和火灾的危险禁止将P/B、零线直接接到PE端子上 造成整流桥短路,烧坏主回路禁止将高压线路接到驱动器的控制端子上造成控制板烧坏请在控制器外部设置急停、锁定电路 有受伤的危险(接线责任属于使用者)安全注意事项请确认主回路交流输入电源与驱动器的有受伤和火灾的危险额定电压是否一致请勿对驱动器随意进行耐电压及绝缘试验会造成驱动器内部半导体等器件的损坏请按照接线图连接外接制动电阻有火灾的危险请勿将交流输入电源线连接到主回路的会造成控制器内部损坏U、V、W输出端子上请用合适力矩紧固驱动器的主回路和控制有火灾的危险,和驱动器误动作的危险回路端子请勿将移相电解电容及LC/RC噪声滤波器会造成驱动器内部损坏接到输出回路试运行接通电源后,请勿直接触摸主回路端子 有触电和引起短路的危险对输入输出信号进行确认,保证作业安全 误动作会造成人员伤亡及周边设备的损坏使能信号切断之后,方可报警清除,否则会有受伤的危险造成突然再启动长时间储存的驱动器,确认内部无水或结露有烧坏驱动器的危险运转中禁止触摸驱动器的接线端子 有触电的危险,可能会造成人员伤亡运行中驱动器及电机有较高的温升,勿触摸 有烫伤的危险外接制动电阻因放电有较高的温升,勿触摸 有烫伤和触电的危险勿随意改变驱动器的设定 会引起设备的损坏和事故,发生危险运行中不可随意修改内部参数 操作错误会引起设备的损坏和事故目录第一章 产品概况与安装 (1)1.1产品简介 (1)1.2铭牌说明 (2)1.3型号命名规则 (2)1.4性能参数 (3)1.5产品组成 (3)1.6驱动器内部简易框图 (4)1.7开箱检查 (4)1.8电机外形及安装尺寸 (5)1.9驱动器外形及安装尺寸 (6)1.10安装场所的确认和要求 (7)1.11报废时的注意事项 (7)第二章 配线 (8)2.1主回路端子的接线 (8)2.1.1 主回路端子的构成 (8)2.1.2 主回路端子说明和功能描述 (8)2.1.3 主回路输入侧接线 (8)2.1.4 主回路输出侧接线 (8)2.1.5 接地线的连接 (8)2.1.6 制动电阻的连接 (9)2.2通讯端子CN1/CN2的定义 (9)2.2.1 通讯端子CN1/CN2的管脚分布 (9)2.2.2 通讯端子CN1/CN2的管脚定义 (9)2.3输入输出端子CN3的管脚定义 (10)2.3.1 输入信号的名称及定义 (10)2.3.2 输出信号的名称及定义 (11)2.3.3 模拟量指令输入端口的配线 (11)2.4编码器接口CN4定义 (12)2.5带制动器的电机接线及使用注意事项 (12)2.6驱动器外部接线图 (13)第三章 操作面板的使用 (15)3.1面板显示 (15)3.2面板说明 (15)3.2.1 数字字母显示对照表 (15)3.2.2 数码管显示说明 (15)3.2.3 上电初始状态 (15)3.2.4 按键的功能定义 (16)3.2.5 面板操作的基本流程 (16)3.3查询D N参数示例 (17)3.4查询编辑F N参数示例 (19)第四章 试运行 (21)4.1试运行的基本流程 (21)4.2主回路连线的确认 (22)4.3控制回路连线的确认 (22)4.4电机及配置参数的确认 (22)4.5JOG模式空载试运行 (22)4.6外部模式速度模式空载试运行 (23)4.7内部数字速度模式空载运行 (23)4.8位置模式空载试运行 (23)4.9外部模拟转矩模式空载试运行 (24)第五章 控制模式 (25)5.1控制模式的选择 (25)5.2位置模式运行 (26)5.2.1 外部脉冲位置模式控制模块图 (26)5.2.2 指令脉冲禁止功能 (26)5.2.3 脉冲指令窗口滤波器 (26)5.2.4 脉冲指令平滑滤波器 (27)5.2.5 脉冲指令方式的选择 (28)5.2.6 电子齿轮的设定 (29)5.2.7 位置到达信号 (32)5.2.8 位置超差报警 (32)5.2.9 位置脉冲误差清零 (32)5.3速度模式运行 (32)5.3.1 外部模拟量速度指令模式运行 (32)5.3.2 内部数字量速度指令模式运行 (34)5.3.3 加减速设定 (36)5.3.4 零速给定功能的使用 (37)5.4转矩模式运行 (37)5.4.1 外部模拟量转矩指令模式运行 (37)5.4.2 转矩控制时的速度限制 (40)第六章 参数与功能 (41)6.1F N参数清单 (41)6.2D N参数清单 (46)6.3F N参数详情 (48)第七章 故障报警及处理 (63)产品概况与安装第一章 产品概况与安装1.1 产品简介DS 系列伺服驱动器是和利时电机推出的新一代高性能、高可靠性全数字交流伺服电机驱动器。
ID100深圳市艾威图技术有限公司G艾威图伺服调机步骤简易说明书一、确认驱动器及电机型号,注意安装环境 (1)二、配线 (1)1、A型结构接线 (1)2、B型结构接线 (2)三、电机型号代码匹配 (3)四、接线框图 (4)1、使用外部电源,控制信号端子接线 (4)2、使用驱动器内部24V电源,控制信号端子接线 (5)五、基本功能参数 (6)六、伺服报警代码、报警原因及处理方法一览表 (9)七、电子齿轮比设定步骤 (12)1、确认机械规格 (12)2、确定艾威图伺服电机编码器最大分辨率 (12)3、决定指令单位 (12)4、用指令单位,求出负载轴旋转1圈的负载移动量 (12)5、设定电子齿轮数值 (12)附录一 (13)P系列位置控制接线图 (13)P系列速度控制接线图 (14)附录二 (15)W1系列位置控制接线图 (15)W1系列速度控制接线图 (16)本调机步骤简易说明书主要就配线及调试做一简易说明,因客户使用情况各异,此说明书只做一个调试流程的大概说明,具体细节部分请依实际要求调整。
一、检查确定伺服驱动器及电机是否为所需型号,注意安装环境。
二、配线周边装置接线ID100A型结构接线ID100B型结构接线安装注意事项1、检查R\S\T与L1\L2的电源和接线是否正确;2、检查伺服电机输出U\V\W端子相序接线是否正确;3、使用外部回生电阻时需将B2、B3开路,外部回生电阻应接于B1、B2端,若使用内部回生电阻时,则需将B2、B3短路且B1、B2端开路;4、异警,紧急停止时,利用ALM输出将电磁接触器(MC)断电,以切断电机电源。
三、电机型号代码匹配*根据选购驱动型号,如适配非驱动标配电机,需对PA-1参数进行调整,对应调整参数见表1驱动器型号默认电机型号代码(PA-1)标配电机型号可适配电机型号对应电机型号代码(PA-1)ID1001R8S 3060SD00630E(S)--ID1002R8S 3160SD01330E(S)--ID1004R5S 3280SD02430E(S)80SD03520E(S)3290SD02430E(S)3290SD04025E(S)33110SD02030E(S)34130SD04025E(S)44ID1005R7S 46130SD06025E(S)110SD06020E(S)37110SD05030E(S)36110SD04030E(S)38130SD05025E(S)45130SD10015E(S)49ID1008R0S 43130SD07725E(S)110SD06030E(S)38ID100010S 51130SD15015E(S)130SD10025E(S)50ID100015S 112130SD15025E(S)180SD19015E(S)119表1以恢复130SD06025E(电机型号代码为46)电机默认参数为例,具体操作如下:四、接线框图1、使用外部电源,控制信号端子接线框图如下:外部提供24V 电源——控制信号接线图注意:☞采用单端驱动方式,会使动作频率降低。
南京欧陆电气股份有限公司EV860/670P 系列伺服用户手册-精简版安全注意事项(使用前请务必仔细阅读)在接收检验、安装、配线、操作、维护及检查时,应随时注意以下安全注意事项:对于忽视说明书记载内容,错误的使用本产品,而可能带来的危害和损害的程度如下表所示加以区分和说明。
该标志表示「可能会发生导致死亡或重伤事故的危险」的内容该标志表示「可能会导致伤害或财产损失事故发生」的内容对应当遵守的事项用以下的图形标志进行说明:该图形表示禁止实施的「禁止」事项内容。
该图形表示必须实行的「强制」内容。
危险关于安装和配线切勿将电机直接连接到商用电源。
否则,会引发火灾、故障。
请勿在电机、驱动器的周围放置可燃物。
否则,会引发火灾事故。
驱动器必须要用外箱保护。
设置保护外箱时,外箱壁、其他机器和驱动器之间要保持使用说明书规定的距离。
否则,会引发触电、火灾、故障。
应安装在尘埃较少、不会接触到水、油等的地方。
否则,会引发触电、火灾、故障、破损。
电机、驱动器安装在金属等非可燃物上。
否则,会引发火灾事故。
务必由专业电工进行接线作业。
否则,会引发触电。
电机、驱动器的FG端子必须接地。
否则,会引发触电。
必须事先切断上位断路器,进行正确的接线。
否则,可能会引发触电、受伤、故障、破损。
电缆应确保连接好、通电部位须用绝缘物切实地做到绝缘。
否则,会引发触电、火灾、故障。
关于操作和运行请勿触摸驱动器内部。
否则,会引发烧伤、触电事故。
请勿让电缆线受到损伤、承受过大的外力、重压、受夹。
否则,会引发触电、故障、破损。
切勿接触运转中的电机旋转部。
否则,会引发受伤事故。
请勿在有水的地方、存在腐蚀性、易燃性气体的环境内和靠近可燃物的场所使用。
否则,会引发火灾。
请勿在有激烈振动、冲击的地方使用。
否则,会引发触电、受伤、火灾、事故。
请勿将电缆线浸在油和水中使用。
否则,会引发触电、受伤、火灾、事故。
请勿用湿手进行接线和操作。
否则,会引发触电、受伤、火灾、事故。
目录1综述 (1)1.1安全注意事项 (1)1.2技术规范 (4)2产品信息 (6)2.1产品到货检查 (6)2.2铭牌及型号说明 (6)2.3规格型号及额定电流 (7)3安装与接线 (8)3.1外形结构尺寸图 (8)3.2标准连接图 (10)3.3主回路端子接线图及器件选型 (11)3.4控制回路端子 (14)3.5多功能接点输入的连接 (18)3.6制动电阻(制动单元)的连接 (19)4调试与运行 (24)4.1操作面板的布局及功能说明 (24)4.2基本操作 (25)4.3调试流程 (27)5功能参数简表 (31)6故障诊断及对策 (49)7外围设备及选购件 (58)8定期检查与维护 (63)附录:Modbus通讯协议 (66)1综述首先感谢您购买本公司的SD650系列伺服驱动器。
本手册介绍了如何正确使用本产品以便获得良好的收益。
在使用产品(安装、接线、运行、维护、检查等)前,请务必认真阅读本手册。
另外,请在完全理解本手册所述的安全注意事项后再使用本产品。
1.1安全注意事项为保证安全、可靠、合理的使用本产品,请在完全理解本手册所述的安全注意事项后再使用该产品。
警示标志及其含义本手册中使用了下列标记,表示该处是有关安全的重要内容。
如果不遵守这些注意事项,可能会导致人身伤亡、本产品及关联系统损坏。
危险:如果操作错误,可能会造成死亡或重大安全事故。
警告:如果操作错误,可能会造成死亡或重大安全事故。
注意:如果操作错误,可能会造成轻伤。
重要:如果操作错误,可能导致本产品及关联系统损坏。
警示标志位置如下图所示:图1-1:SD650系列伺服驱动器外壳警示标志位置操作资质本产品必需由经过培训的专业人员进行安装、接线、运行、维护保养等操作。
本手册上所谓“经过培训的专业人员”是指在本设备上进行工作的人员必须经过专业的技能培训,熟悉设备的安装、接线、运行和维护保养,并正确应对使用中出现的各种紧急情况。
安全指导安全规则和警告标志是为了您的安全而提出的,是防止操作人员人身受到伤害、本产品及关联系统受到损坏而采取的措施;请在使用前能仔细阅读本手册,并严格按照本手册中的安全规则和警告标志进行操作。
版权声明北京和利时电机技术有限公司保留所有权力说明书的内容参照了相关法律基准和行业基准。
使用产品时,如对本说明书提供的内容有疑问,请向购买产品的销售人员咨询,或致电客户服务热线,或致信本公司邮箱。
由于产品的不断更新升级,和利时电机保留在不事先通知的情况下,修改本手册中的产品和产品规格参数等文件的权利,提示客户请使用最新版本的说明书。
和利时电机具有本产品及其软件的专利权、版权和其它知识产权。
未经许可,不得直接或者间接地复制、制造、加工、使用本产品及其相关部分。
和利时电机具有本说明书的著作权,未经许可,不得修改、复制说明书的全部或部分内容。
版本号 07/2015目录产品概要产品特性 (1)型号命名 (1)产品组成 (1)产品铭牌 (2)技术特性 (2)外形尺寸及重量 (4)安装和接线使用和储运环境 (6)安装注意事项 (6)电源端子-接线与配线 (7)编码器反馈连接器CN3 -接线与配线 (8)电机绕组-接线与配线 (8)接线与配线示意图 (9)输入输出连接器CN2 -接线与配线 (10)通讯连接器CN1 -接线与配线 (15)试运行和操作通电前注意事项 (16)操作和显示 (16)运行设定操作流程JOG试机运行 (20)内部速度模式运行 (21)外部速度模式运行 (22)位置模式运行 (22)转矩模式运行 (23)参数汇总说明参数分类描述 (24)控制参数修改要求 (24)D 状态监控参数 (24)F 控制参数 (25)运行和调整运行前检查 (32)增益调整 (32)故障和解决方法故障显示和解决方法对照表 (33)产品概要MSE 系列伺服驱动器以美国TI 公司最新的32位数字处理芯片(DSP )作为核心控制,采用了先进的全数字电机控制算法,完全以软件方式实现了电流环、速度环、位置环的闭环伺服控制,具备良好的鲁棒性和自适应能力,可配合多种规格的伺服电机,适应于需要快速响应的精密转速控制与定位控制的应用系统,如:数控机床、印刷机械、包装机械、造纸机械、塑料机械、纺织机械、工业机器人、自动化生产线等。