生产工艺流程图
- 格式:doc
- 大小:67.50 KB
- 文档页数:4
(完整版)注塑生产工艺流程图 1 / 1
佛山市 XXX 精细压铸有限企业
注塑生产工艺流程图
冲洗料斗、料筒 1、注塑机调试(冲洗注塑机)
冲洗螺杆
冲洗射胶喷嘴
冲洗模具
2、注塑模具模安装
3、模具预热
4、增添资料 (搅匀资料)
5、设定注塑机注
塑工艺参数
设定注塑压力
设定注塑时间
设定注塑温度
设定保压时间 设定冷却时间 6、烘料(塑料干燥) 7、充填 8、保压
9、冷却 增添色粉、增添水口料 (视乎实质需要)
10、脱模(拿出工件)
11、表面质量检查 12、首检
塑料件塑化办理 13、清理(去取水口料)
(视乎客户需要)
14、终检(出货查验)
15、包装入库、出货
编制: XXX 审查: XXX 同意: XXX。
膏霜乳液类化妆品工艺流程图
说明:加*处为关键工艺控制点,本图中油相温度、水相温度及乳化工序均为关键工艺控制点。
染发类化妆品工艺流程图
说明:加*处为关键工艺控制点,本图中油相温度、水相温度及乳化工序均为关键工艺控制点。
洗发类化妆品工艺流程图
说明:加*处为关键工艺控制点,本图中混合工序为关键工艺控制点。
香水类化妆品工艺流程图
说明:加*处为关键工艺控制点,本图中陈化和过滤工序均为关键工艺控制点。
美容类化妆品(唇膏)工艺流程图
说明:加*处为关键工艺控制点,本图中混合及熔浇铸型工序均为关键工艺控制点。
美容类化妆品(粉饼)工艺流程图
说明:加*处为关键工艺控制点,本图中研磨及压制成型工序均为关键工艺控制点。
人与人相处,要多一份真诚,俗语说,你真我便真。
常算计别人的人,总以为自己有多聪明,孰不知被欺骗过的人,就会选择不再相信,千万别拿人性来试人心,否则你会输得体无完肤。
人与人相处不要太较真,生活中我们常常因为一句话而争辩的面红耳赤,你声音大,我比你嗓门还大,古人说,有理不在声高,很多时候,让人臣服的不是靠嘴,而是靠真诚,无论是朋友亲人爱人都不要太较真了,好好说话,也是一种修养。
复配增稠乳化剂、复配增稠剂和复配增稠稳定剂
生产工艺流程图
烟台安德利果胶股份有限公司Yantai Andre Pectin Co.,Ltd.
地址:中国.山东.烟台市牟平区新城大街889号邮编:264100.Add:No.889Xincheng Street,Muping Economic Development Zone,Yantai,China P.C:264100
电话(Tel):(86)535-4282000传真(Fax):(86)535-4288889E-mail:info@
烟台安德利果胶股份有限公司
质量保证部复配增稠乳化剂、复配增稠剂和复配增稠稳定剂
生产工艺描述
序号工艺描述
1原辅料接收
与贮存生产用食品添加剂原料及辅料从合格供应商处购货、经验收合格后入库贮存2计量投料按照各个产品的配方及其比例将原辅料投入到倒袋站中,输送至混配机中3筛分除杂筛除可能进入的异物,筛网孔径≥20目
4混配将原辅料在混配机内进行充分物理搅拌,确保均匀
5筛分除杂混配后的物料经过筛分机,筛除异物(金属和非金属);筛网孔径≥40目6包装按照客户要求选择合适的包装将产品进行包装,通常为25kg/袋,或者根据客户要
求进行包装;包装袋符合包装食品用包装材料的要求
7检验对产品进行取样,送实验室按照产品的标准进行检测,特别注意有害物质、致病性
微生物指标的检测
8贮存执行相关入库手续入库,适当贮藏条件下贮藏
9物流检测合格后的产品方可出厂
产品的装卸、运输严格按照公司相关规定执行,确保产品顺利、安全达到目的地。
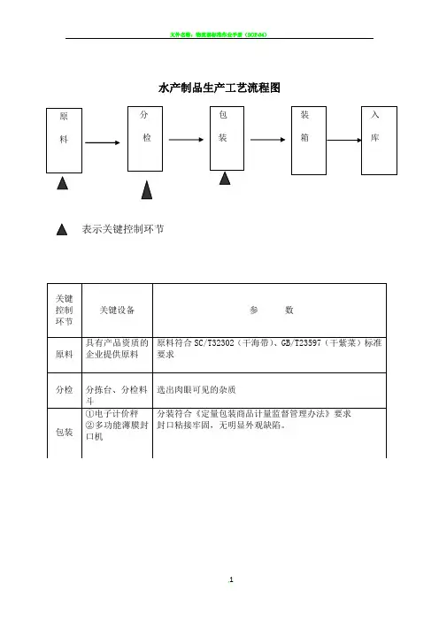
水产制品生产工艺流程图蔬菜制品生产工艺流程图其他粮食加工品生产工艺流程图关键控制环节关键设备参数原料 具有产品资质的企业提供原料 原料符合SC/T32302(干海带)、GB/T23597(干紫菜)标准要求 分检 分拣台、分检料斗选出肉眼可见的杂质包装 ①电子计价秤 ②多功能薄膜封口机分装符合《定量包装商品计量监督管理办法》要求 封口粘接牢固,无明显外观缺陷。
关键控制环节关键设备 参数原料 具有产品资质的企业提供原料原料符合NY/T1504《莲子》、GB/T6192《黑木耳》、GB7096《食用菌及其制品》、NY/T1045《脱水蔬菜》 干燥烘干箱如原料过潮则需要烘干温度小于65℃,干燥约两个小时(是具体情况而定) 分检分拣台、分检料斗选出肉眼可见的杂质包装 ①电子计价秤 ②多功能薄膜封口机分装符合《定量包装商品计量监督管理办法》要求 封口粘接牢固,无明显外观缺陷。
关键表示关键控制环节 表示关键原 料原 料分 检包 装装 箱入 库原 料水果制品生产工艺流程图炒货食品及坚果制品生产工艺流程图原料具有产品资质的企业提供原料 原料符合GB/T11766(小米)、GB/T22496(玉米糁)、GB/T10463(玉米粉)、NY/T894(荞麦面)、GB/T13360(莜麦粉)、GB2715(粮食)、GB/T13359(裸燕麦)、LS/T3215《高粱米》标准要求分检 分拣台、分检料斗选出肉眼可见的杂质包装 ①电子计价秤 ②多功能薄膜封口机分装符合《定量包装商品计量监督管理办法》要求 封口粘接牢固,无明显外观缺陷。
关键控制环节关键设备参数原料 具有产品资质的企业提供原料原料符合GB/T5835(干制红枣)、NY/T705(葡萄干)、QB2076(水果蔬菜脆片)标准要求 分检 分拣台、分检料斗选出肉眼可见的杂质,坏果、虫蛀果等包装 ①电子计价秤 ②多功能薄膜封口机分装符合《定量包装商品计量监督管理办法》要求 封口粘接牢固,无明显外观缺陷。
消毒灭菌舱生产工艺及流程图
一、生产流程图
二、生产工艺说明
1、方管底座:采用8cm*4cm的方钢焊接底架,使用净化铝型版固定底价作为舱底。
2、槽铝和型铝:采用50mm的槽铝和型铝作为底座框架和立柱框架。
3、柱型材:固定四周柱型材作为立板的骨架,起到支撑固定的作用。
4、周边立板:使用外圆柱和内圆柱封边固定,作为立板四周固定槽
板。
5、搭建上框梁:周边立板完成后搭建上框梁,作为顶板的支撑主体。
6、钢质门安装:安装门体和控制开关门电机,安装红外开门感应器。
7、安装顶板:在顶板安装照明灯具和消毒灭菌机,接线,安装顶板。
8、包角铝型材:内弧包角安装,打胶封缝,去除板材包装膜。
9、设备开机测试:接通220V交流电,进行设备开机测试运行。
10、包装封箱:采用泡沫和纸箱对舱体进行封装打包。
生产工艺流程图怎么做生产工艺流程图是企业在进行生产过程管理中必不可少的工具,能够清晰、直观地呈现生产过程的各个环节及流程。
本文将从工艺流程图的定义、制作步骤、注意事项等方面进行详细阐述,以期为生产过程管理提供有价值的参考。
一、生产工艺流程图的定义生产工艺流程图是指将企业的生产流程进行图形化的展示,从而使工人和管理者能够通过图表的方式清晰地了解每个生产环节的工序、生产时间、生产人员等信息,以便对生产进程进行全面监控和管理。
简单来说,生产工艺流程图就是将生产过程细节以图形方式表达出来以便于企业管理。
下面我们将说明生产工艺流程图的制作步骤。
二、制作步骤1.确定生产过程首先,需要明确整个生产过程的各个环节。
需要根据产品的具体特点,对整个生产过程进行清晰的划分和分类。
2.绘制总图了解过生产流程,就可以开始进行总图的制作。
制作总图的目的是将整个生产过程核心节点全部罗列出来,同时还需注明每个节点之间的联系,以确保流程的依次顺序。
3.绘制详图绘制好总图以后,就开始进行详图的制作。
详图是系统化的生产流程,包含了每个生产过程的具体细节。
生产者需要根据整个流程,开展详图的分析和研究,并且要注明每个过程、每个环节、每个工具、每个操作等等。
4.调整细节制作完成后,生产者需要仔细审核各个细节,如确认工艺流程、确认工序时间、确认操作者、确认预算等等。
确认无误后,还需要进行适当的调整,并及时进行修改,确保流程清晰、准确。
三、注意事项1.流程的准确性生产工艺流程图必须准确,否则就会影响企业的产值。
因此,在制作流程图时,生产者必须仔细研究整个生产过程,勿瞻前不顾后、偏离实际。
2.绘制图形清晰生产工艺流程图的图形必须清晰,不仅方便工人阅读,也便于管理者进行管理。
因此,在制作流程图时,生产者需注意图形的大小、线条的细节等等,确保画面清晰、整洁。
3.维护流程图制作生产工艺流程图后,生产者需对流程图进行维护,跟进生产过程中发生的变化,及时根据情况进行调整。
服装生产工艺流程图验布│→│裁剪│→│印绣花│→│缝制│→│整烫│→│检验│→│包装│ (一)面辅料进厂检验面料进厂后要进行数量清点以及外观和内在质量的检验,符合生产要求的才能投产使用。
在批量生产前首先要进行技术准备,包括工艺单、样板的制定和样衣制作,样衣经客户确认后方能进入下一道生产流程。
面料经过裁剪、缝制制成半成品,有些梭织物制成半成品后,根据特殊工艺要求,须进行后整理加工,例如成衣水洗、成衣砂洗、扭皱效果加工等等,最后通过锁眼钉扣辅助工序以及整烫工序,再经检验合格后包装入库。
(二)面料检验的目的和要求把好面料质量关是控制成品质量重要的一环。
通过对进厂面料的检验和测定可有效地提高服装的正品率。
面料检验包括外观质量和内在质量两大方面。
外观上主要检验面料是否存在破损、污迹、织造疵点、色差等等问题。
经砂洗的面料还应注意是否存在砂道、死褶印、披裂等砂洗疵点。
影响外观的疵点在检验中均需用标记注出,在剪裁时避开使用。
面料的内在质量主要包括缩水率、色牢度和克重(姆米、盎司)三项内容。
在进行检验取样时,应剪取不同生产厂家生产的、不同品种、不同颜色具有代表性的样品进行测试,以确保数据的准确度。
同时对进厂的辅料也要进行检验,例如松紧带缩水率,粘合衬粘合牢度,拉链顺滑程度等等,对不能符合要求的辅料不予投产使用。
(三)技术准备的主要内容在批量生产前,首先要由技术人员做好大生产前的技术准备工作。
技术准备包括工艺单、样板的制定和样衣的制作三个内容。
技术准备是确保批量生产顺利进行以及最终成品符合客户要求的重要手段。
工艺单是服装加工中的指导性文件,它对服装的规格、缝制、整烫、包装等都提出了详细的要求,对服装辅料搭配、缝迹密度等细节问题也加以明确。
服装加工中的各道工序都应严格参照工艺单的要求进行。
样板制作要求尺寸准确,规格齐全。
相关部位轮廓线准确吻合。
样板上应标明服装款号、部位、规格、丝绺方向及质量要求,并在有关拼接处加盖样板复合章。
生产工艺流程图超详细画法步骤导读:所谓工艺流程图(即PF或PFD图),是化工生产工艺流程的一种示意图,对于整个工程项目设计来说起着非常重要的作用。
主要是借助统一规定的图形符号和文字代号,将化工工艺装置所需的设备、仪表、管道、阀门及主要管件等更清晰的展现出来。
亿图软件中就内置了丰富的图形符号和模板,在绘制工艺流程图的时候更轻松、方便。
工艺流程图详细绘图步骤:新建工艺流程图打开软件,在新建预定义模板和例子中,选择“工程”图,然后就可以在模板中看到“工艺流程图”的选项了,可以直接双击该模板开始绘图,也可以使用例子中的图例快速制图。
添加符号从软件左边的符号库中选择需要的形状,拖拽到绘图页面开始绘图。
自定义符号软件内置符号中,如果没有你需要的形状、符号,可以通过钢笔工具自定义形状创建符号,并导入到符号库中,方便以后继续使用。
调整图层显示在工业设计绘图中,难免会叠加图形,有的时候就会出现一个形状被另一个形状遮住的情况,所以,这个时候就需要调整形状的显示图层,将被遮住的形状显示出来。
方法很简单,选中被遮住的形状,将其置于顶层就可以了。
组合形状将需要组合的形状全部选中,点击开始菜单的组合(Ctrl+Shift+G)。
添加管道和连接线在软件上方菜单栏中,有常用的线条工具、连接线工具,都可以轻松绘制连接线。
如果你需要更专业的管道或者连接线,可以通过符号库中的“管道和连接线”库选择形状。
给形状添加文本亿图软件中的符号形状,大部分都自带输入文本的功能,直接双击形状,就可以进入文本编辑模式。
文本输入完成后,单击选中该文本,如果出现一个黄色菱形的点,就意味着你可以拖动这个点,来移动文本显示的位置。
如果双击没有生效的,可以用文本工具添加文本,然后将文本和形状组合就可以了。
生产工艺流程图
一、 PET 转移纸生产工艺流程图
涂料
铝丝※PET 基膜涂布模压镀铝
回用膜
粘接剂
入库包装剥离复合纸出库
原纸二、普通直涂纸(平光镀铝纸)生产工艺流程图
涂料
铝丝原纸底涂镀铝
分切
入库
包装回潮面涂出库
生产工艺流程图QW06-05A3
涂料三、 OPP 镭射纸生产工艺流程图
OPP基膜模压复合纸剥离/烘干镀铝
原纸
入库
包装回潮面涂
出库
涂料
四、柔印纸箱生产工艺图
牛卡纸
涂布白板牛卡纸柔印纸板线自动模切机
瓦楞纸
出库入库包装
1
四、胶印纸箱生产工艺图
牛卡纸瓦楞纸涂布白板牛卡纸
胶印裁切选纸纸板线出库入库包装自动模切/啤切裱纸。