产品生产工艺流程图
- 格式:doc
- 大小:15.96 KB
- 文档页数:1
护顶棚资材入库检查举升门架资材入库检查
发动机与驱动桥的入库
发动机与驱动桥的连接
发动机风扇的安装
发动机与驱动桥系统组
举升门架安装到车架体
叉车调试
叉车的涂装(表面修
护板系统安装到车架体护顶棚安装到车架体
轮胎安装到车架体配重安装到车架体
护板线束安装刹车系统安装举升系统安装
车架体入库检查
转向系统安装到车架体主线速安装到车架体发动机与驱动桥系统安生 产 工 艺 流 程 图
公司名称:青岛克拉克物流机械有限公司 生产线:叉车组装
举升门架分装
护板系统安装结束
护顶棚分装轮胎入库检查配重入库检查护板系统资材入库检查。
质量手册A/0-2011 照GB/T19001-2008 idt ISO9001:2008编制
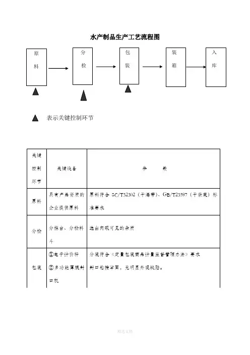
附件1 产品加工工艺流程图
蒸制菜(鸡腿)腌渍
肉类、调料采购→入库→出库→解冻→清洗→
★验收「(必要时) 」(绞肉)→搅拌
炖制菜
肉类、调料采购→入库→出库→解冻→清洗→刀工处理→焯水→※
★验收「(必要时) 」
烧制菜
「(必要时) 」
蔬菜、调料采购(★验收)→拣菜→清洗→切配→焯水(必要时
炒制菜
(肉类、水产品)
肉类、水产、蔬菜、调料采购→「(必要时) 」
★验收(蔬菜)拣菜
炸制菜(
肉类、水产、蔬菜、调料采购→入库→出库→解冻→清洗→(
★验收「(必要时) 」(鱼
(
汤、粥、豆浆制作(鸡蛋)清洗外壳→过桥
蔬菜、鸡蛋、粮食、调料采购→入库→出库→(蔬菜)
★验收(大米、杂粮)
(黄豆)拣豆→洗豆→浸豆→磨浆
米饭
大米采购(★验收)→入库→出库→拣米→洗米→浸米→★焖饭
面食(馒头、花卷、烧饼)(馒头)
面粉、调料采购→入库→出库→和面→(花卷)发酵→制压皮(
★验收(烧饼)
(水饺、锅贴
面食(水饺、锅贴、包子) 和面→
面粉、肉类、蔬菜、调料采购→入库→出库→(包子)
★验收(肉类)解冻
(必要时)
(蔬菜)
↑↑
★餐具、工具洗消★容器、工具洗消注:“★”表示关键工序。
生产工艺流程图怎么做生产工艺流程图是指将一个产品的生产过程用图表的形式表示出来,清晰地展示每个生产环节的顺序、关联和流程。
下面是制作生产工艺流程图的一般步骤。
第一步,收集信息。
在制作生产工艺流程图之前,需要先收集相关的信息。
这些信息包括产品的基本要求,生产设备和工具的使用情况,每个环节的工时和操作人员等。
通过收集信息可以更好地了解生产过程的特点和要求。
第二步,确定流程顺序。
根据收集到的信息,确定每个环节的顺序。
通常生产过程会按照时间顺序进行,但也可以根据实际情况调整顺序。
在确定顺序时要考虑到每个环节的先后关系和依赖关系,确保流程的连贯性和合理性。
第三步,绘制流程图。
根据确定的流程顺序,开始绘制生产工艺流程图。
可以使用流程图工具或者绘图软件进行绘制。
在绘制过程中,需要确定每个环节的名称和具体操作步骤。
可以使用图形、箭头等符号来表示每个环节的特点和要求。
同时,还要标注每个环节的工时和操作人员。
第四步,完善流程图。
在绘制完初始流程图后,需要进行调整和完善。
可以与生产工程师或相关人员进行讨论和交流,对流程图进行修订和修改。
在完善过程中要考虑到生产的实际情况,确保流程图的准确性和可操作性。
第五步,验证流程图。
在完成绘制和完善后,需要进行流程图的验证。
可以将流程图与实际生产过程进行对比,检查其中的差异和不一致之处。
通过验证可以发现并解决流程图中可能存在的问题和疏漏,确保流程图的准确性和可靠性。
最后,输出流程图。
在验证通过后,可以将流程图进行输出和整理。
可以以电子文件的形式保存,方便后续查阅和参考。
同时,也可以将流程图打印出来,用于实际生产中的指导和操作。
总之,制作生产工艺流程图需要收集信息,确定流程顺序,绘制流程图,完善流程图,验证流程图和输出流程图。
只有经过充分的准备和验证,才能制作出准确可靠的生产工艺流程图,为生产过程的顺利进行提供指导和支持。
产品制造工艺流程图
产品制造工艺流程图
产品生产过程的分类
1、技术准备过程:产品设计、工艺设计、工艺装备的设计与制造、标准化工作、定额工作、调整劳动组织和设备的平面布置、原材料与协作件的准备等。
2、基本生产过程:与构成产品直接有关的生产活动。
毛坯制造、零部件制造、整机装配。
3、辅助生产过程:为保证基本生产而进行的。
动力工具的生产,设备维修以及维修用备件的生产等。
4、生产服务过程:物流工作。
如:供应、运输、仓库等管理活动。
产品制造工艺流程图:
1.产品制造流程图
2.产品加工工艺流程图
3.产品工艺流程图
4.产品装配工艺流程图
5.常见的化工工艺流程图。
生产工艺流程图怎么做生产工艺流程图是一种用于展示产品从原料采购到最终生产的全过程的图表。
在工业生产中,制作一份清晰而准确的生产工艺流程图对于实现高效生产和质量控制至关重要。
下面我将为您介绍一下如何制作一份生产工艺流程图。
首先,制作生产工艺流程图需要了解相关的生产工艺步骤以及每个步骤之间的顺序关系。
在文章中,我将以生产一款简单面包为例来说明。
1. 原料采购阶段面包生产的第一步就是采购原料。
面包生产所需的原料包括面粉、酵母、糖和油脂等。
在这一阶段,工作人员需要与供应商联系,购买足够的原料以满足生产需求。
2. 原料存储和配送阶段一旦原料采购完成,接下来需要将原料存储在合适的地方,并按需求配送到生产线上。
在这个阶段,工作人员需要合理安排原料的存储位置,确保原料的新鲜度和安全。
3. 面团制作阶段面包的制作离不开面团的制作。
在这个阶段,工作人员会按照一定的配方将面粉、酵母、糖和油脂等原料混合在一起,并进行搅拌和发酵。
这个步骤需要掌握一定的时间和温度控制,以确保面团的质量。
4. 面包成型阶段当面团发酵完成后,工作人员就需要将面团分割成适当大小的份额,并进行成型。
在这个步骤中,可以根据产品的要求制作出不同形状和大小的面包。
5. 发酵和烘烤阶段成型后的面包需要进行发酵和烘烤。
在这个阶段,工作人员会将面包放置在温度适宜的环境中进行二次发酵,以增加面包的松软度。
随后,面包被送入烤箱进行烘烤,直到表面金黄并散发出诱人的香气。
6. 包装和质检阶段烘烤完成后,面包需要进行包装和质检。
在这个阶段,工作人员会将面包放入适当的包装袋中,以保持其新鲜和卫生,然后进行质量检查,确保面包的质量符合标准。
最后,完成了所有的生产流程,面包就可以被送往销售渠道,供消费者购买。
通过制作生产工艺流程图,可以清晰地展示每个生产阶段之间的关系和联系,并帮助确保生产过程的高效和质量控制。
总结一下,制作一份生产工艺流程图需要对生产工艺步骤有清晰的了解,并按照顺序进行整理和呈现。
复配增稠乳化剂、复配增稠剂和复配增稠稳定剂
生产工艺流程图
烟台安德利果胶股份有限公司Yantai Andre Pectin Co.,Ltd.
地址:中国.山东.烟台市牟平区新城大街889号邮编:264100.Add:No.889Xincheng Street,Muping Economic Development Zone,Yantai,China P.C:264100
电话(Tel):(86)535-4282000传真(Fax):(86)535-4288889E-mail:info@
烟台安德利果胶股份有限公司
质量保证部复配增稠乳化剂、复配增稠剂和复配增稠稳定剂
生产工艺描述
序号工艺描述
1原辅料接收
与贮存生产用食品添加剂原料及辅料从合格供应商处购货、经验收合格后入库贮存2计量投料按照各个产品的配方及其比例将原辅料投入到倒袋站中,输送至混配机中3筛分除杂筛除可能进入的异物,筛网孔径≥20目
4混配将原辅料在混配机内进行充分物理搅拌,确保均匀
5筛分除杂混配后的物料经过筛分机,筛除异物(金属和非金属);筛网孔径≥40目6包装按照客户要求选择合适的包装将产品进行包装,通常为25kg/袋,或者根据客户要
求进行包装;包装袋符合包装食品用包装材料的要求
7检验对产品进行取样,送实验室按照产品的标准进行检测,特别注意有害物质、致病性
微生物指标的检测
8贮存执行相关入库手续入库,适当贮藏条件下贮藏
9物流检测合格后的产品方可出厂
产品的装卸、运输严格按照公司相关规定执行,确保产品顺利、安全达到目的地。
消毒灭菌舱生产工艺及流程图
一、生产流程图
二、生产工艺说明
1、方管底座:采用8cm*4cm的方钢焊接底架,使用净化铝型版固定底价作为舱底。
2、槽铝和型铝:采用50mm的槽铝和型铝作为底座框架和立柱框架。
3、柱型材:固定四周柱型材作为立板的骨架,起到支撑固定的作用。
4、周边立板:使用外圆柱和内圆柱封边固定,作为立板四周固定槽
板。
5、搭建上框梁:周边立板完成后搭建上框梁,作为顶板的支撑主体。
6、钢质门安装:安装门体和控制开关门电机,安装红外开门感应器。
7、安装顶板:在顶板安装照明灯具和消毒灭菌机,接线,安装顶板。
8、包角铝型材:内弧包角安装,打胶封缝,去除板材包装膜。
9、设备开机测试:接通220V交流电,进行设备开机测试运行。
10、包装封箱:采用泡沫和纸箱对舱体进行封装打包。
生产工艺流程图酱油生产工艺流程图一.主要设备:锅炉、夹层锅、冷却罐、灌装机、封盖机二.原料:发酵原油、食糖、食盐、味精、水、焦糖色、山梨酸钾三.工艺流程购、验内包装购、验添加剂购、验发酵原油输入自来水购、验外包装内包装库存添加剂库储存原料仓贮存外包装库存清洗/消毒加热/调配冷却装瓶封口/加盖灯检贴标/打日期装箱/打外包装成品仓库储存运输出口四.酱油生产工艺描述:1.验发酵原油:本厂在实施采购发酵原油时,必须派品检员、采购员到发酵原油生产厂进行实地考察评估。
确认生产厂卫生、设备设施是否符要求,原料是否符合本厂品质要求后才决定采购事宜。
经评估可实施采购的供应商,每季度提供原料及内包装材料各一份区(县)级卫生防疫站出具的《卫生检测报告》且符合国家卫生标准,每批来料到厂后,按“原料验收规程”及时抽样检验确认其品质是否符合本厂要求,合格的入库,不合格的退货。
2.原料仓库储存:发酵原油到厂经检验合格放原料仓储存。
由于发酵原油进厂前经加热杀菌,盐度在15%以上,所以只需常温保存,但避免阳光直射,保质期有半年。
3.购、验外包装料:外包装料主要包括有纸箱,进厂时仓务组长按“辅料验收规程”验收入库。
3.外包装仓库储存:验收合格的外包装料存放入原料仓库。
4.购、验内包装料:内包装料主要有玻璃瓶、塑料罐,采购前要先到供应厂家参观确认其卫生状况是否符合要求,进料时要供应商提供无毒害材料保证函或卫生防疫站的《卫生检测报告》且符合国标。
进厂时仓务组长按“辅料验收规程”验收入库。
5.内包装库储存:验收合格的内包装料摆放在内包装库内储存,6.购、验添加剂:添加剂一部份是通过国内代理商购入,但必须要求代理商提供生产厂商的《卫生许可证》及《卫生检测报告》或保函;进厂时品管组长按“辅料验收规程”验收入库。
7.添加剂库储存:添加剂是常温储存,库内保持干燥通风。
8.加热/调配:调配人员按照配方称量发酵原油、各种辅料和添加剂,然后将外购发酵原油、和水、盐、放到夹层锅里混合,开蒸汽加温至80—85℃,保持该温度20分钟,加入各种辅料和添加剂搅拌均匀。