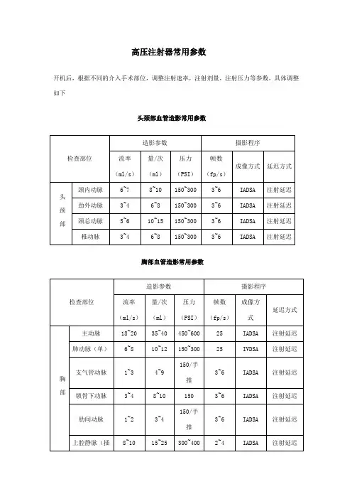
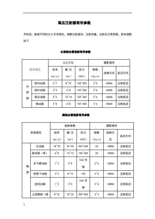
血管介入高压注射器常用参数
- 格式:doc
- 大小:63.50 KB
- 文档页数:2
ACIST 血管造影注射系统用户手册适用于 ®P/N 900420-001 Rev. 03CL100H, CMS2000和Voyager™本页空白。
目录信息和警告-------------------------------------------------------------v联系信息----------------------------------------------------------------------------------------------------------------v联系和订货信息------------------------------------------------------------------------------------------------------v关于本手册------------------------------------------------------------vi产品定义----------------------------------------------------------------------------------------------------------------vi使用目标----------------------------------------------------------------------------------------------------------------vi声明----------------------------------------------------------------------------------------------------------------------vi适用范围/适应症---------------------------------------------------------------------------------------------------viii禁忌范围--------------------------------------------------------------------------------------------------------------viii警告----------------------------------------------------------------viii气柱检测装置--------------------------------------------------------------------------------------------------------viii空气栓塞--------------------------------------------------------------------------------------------------------------viii监测管道内的气体-------------------------------------------------------------------------------------------------viii电缆---------------------------------------------------------------------------------------------------------------------viii导管----------------------------------------------------------------------------------------------------------------------ix清洗----------------------------------------------------------------------------------------------------------------------ix电气绝缘----------------------------------------------------------------------------------------------------------------ix可燃性气体-------------------------------------------------------------------------------------------------------------ix高流速注射-------------------------------------------------------------------------------------------------------------ix注射系统设置----------------------------------------------------------------------------------------------------------ix固定系统----------------------------------------------------------------------------------------------------------------ix正确使用病人套装----------------------------------------------------------------------------------------------------ix电击危险-----------------------------------------------------------------------------------------------------------------ix系统短信------------------------------------------------------------------------------------------------------------------x注意事项----------------------------------------------------------------x附件------------------------------------------------------------------------------------------------------------------------x床旁轨固定--------------------------------------------------------------------------------------------------------------x控制面板触摸屏幕-----------------------------------------------------------------------------------------------------x电磁/静电干扰---------------------------------------------------------------------------------------------------------x注射过量-----------------------------------------------------------------------------------------------------------------x眼部保护-----------------------------------------------------------------------------------------------------------------x注射系统温度-----------------------------------------------------------------------------------------------------------x漏电------------------------------------------------------------------------------------------------------------------------x电源供应------------------------------------------------------------------------------------------------------------------x锁定按钮------------------------------------------------------------------------------------------------------------------x锁紧轮子-----------------------------------------------------------------------------------------------------------------xiP/N 900420-001 Rev. 03ACIST医疗系统公司i盐水泵-------------------------------------------------------------------------------------------------------------------xi预防维护---------------------------------------------------------------------------------------------------------------xi造影剂特性------------------------------------------------------------------------------------------------------------xi安装固定的仪器------------------------------------------------------------------------------------------------------xi培训----------------------------------------------------------------------------------------------------------------------xi第1部分:系统概述------------------------------------------------------1介绍-----------------------------------------------------------------------------------------------------------------------1系统部件,硬件-------------------------------------------------------------------------------------------------------3系统部件,消耗品----------------------------------------------------------------------------------------------------5注射头电子元件-------------------------------------------------------------------------------------------------------7计算机系统-------------------------------------------------------------------------------------------------------------7注射电机控制----------------------------------------------------------------------------------------------------------7盐水泵控制-------------------------------------------------------------------------------------------------------------7待机按钮----------------------------------------------------------------------------------------------------------------7注射灯-------------------------------------------------------------------------------------------------------------------7控制面板导线连接----------------------------------------------------------------------------------------------------8手动控制器连接-------------------------------------------------------------------------------------------------------8触摸屏显示-------------------------------------------------------------------------------------------------------------8AngioTouch手柄-------------------------------------------------------------------------------------------------------8ACIST造影套装-------------------------------------------------------------------------------------------------------9套装部件包括----------------------------------------------------------------------------------------------------------9使用的造影剂----------------------------------------------------------------------------------------------------------9标准电源使用的电缆------------------------------------------------------------------------------------------------9用于Siemens Axiom Artis影像系统的电缆---------------------------------------------------------------------10附件项目的描述-----------------------------------------------------------------------------------------------------10病人套装---------------------------------------------------------------------------------------------------------------11ACIST压力传感器---------------------------------------------------------------------------------------------------11压力监护电缆--------------------------------------------------------------------------------------------------------11第2部分:安装---------------------------------------------------------13设置----------------------------------------------------------------------------------------------------------------------13安装系统---------------------------------------------------------------------------------------------------------------13固定配置图------------------------------------------------------------------------------------------------------------13将注射头从仪器车搬运到床旁轨上(两种方法)---------------------------------------------------------14将注射头从床旁轨上搬运到仪器车上(两种方法)------------------------------------------------------15安装CVi可调节挂臂-------------------------------------------------------------------------------------------------16在所有ACIST系统上安装CVi实用托盘------------------------------------------------------------------------17在所有ACIST系统上安装CVi造影剂挂架---------------------------------------------------------------------17电缆连接---------------------------------------------------------------------------------------------------------------18ii ACIST医疗系统公司P/N 900420-001 Rev. 02标准电源---------------------------------------------------------------------------------------------------------------18同Siemens系统使用时的电源配置------------------------------------------------------------------------------20第3部分:系统设置-----------------------------------------------------23第4部分:关于触摸屏---------------------------------------------------33造影剂用量反馈显示-----------------------------------------------------------------------------------------------33选择注射类型---------------------------------------------------------------------------------------------------------35注射参数---------------------------------------------------------------------------------------------------------------35注射参数范围表-----------------------------------------------------------------------------------------------------3..36选择模式选择---------------------------------------------------------------------------------------------------------36消息窗口---------------------------------------------------------------------------------------------------------------38病例信息---------------------------------------------------------------------------------------------------------------38系统信息---------------------------------------------------------------------------------------------------------------39声音指示---------------------------------------------------------------------------------------------------------------39X-线接口参数--------------------------------------------------------------------------------------------------------39成像系统状态和控制线--------------------------------------------------------------------------------------------40状态输出线路---------------------------------------------------------------------------------------------------------40输入控制线路---------------------------------------------------------------------------------------------------------40第5部分:执行手术-----------------------------------------------------41接口设备---------------------------------------------------------------------------------------------------------------41操作AngioTouch手柄------------------------------------------------------------------------------------------------41术前准备---------------------------------------------------------------------------------------------------------------41压力监测---------------------------------------------------------------------------------------------------------------43针筒填充造影剂------------------------------------------------------------------------------------------------------45自动填充---------------------------------------------------------------------------------------------------------------45手动填充---------------------------------------------------------------------------------------------------------------45清除造影剂部件的气体--------------------------------------------------------------------------------------------46KVO注射 --------------------------------------------------------------------------------------------------------------47恢复中断的病例------------------------------------------------------------------------------------------------------47使用CL100H时结束病例过程-------------------------------------------------------------------------------------48CMS2000、Voyager或CVi结束病例------------------------------------------------------------------------------48使用现有针筒开始新病例-----------------------------------------------------------------------------------------49使用新针筒开始新病例--------------------------------------------------------------------------------------------49关闭系统---------------------------------------------------------------------------------------------------------------50第6部分:系统维护-----------------------------------------------------51每日清理---------------------------------------------------------------------------------------------------------------51清洗传感器------------------------------------------------------------------------------------------------------------51清洗并检查注射舱套筒--------------------------------------------------------------------------------------------51P/N 900420-001 Rev. 02 ACIST医疗系统公司iii清洗可取下的背光照明罩---------------------------------------------------------------------------------------52清洗注射头----------------------------------------------------------------------------------------------------------53压力传感器和护板-------------------------------------------------------------------------------------------------53去污--------------------------------------------------------------------------------------------------------------------53每日状态检查-------------------------------------------------------------------------------------------------------54每月状态检查-------------------------------------------------------------------------------------------------------54预防性年度检修----------------------------------------------------------------------------------------------------54车载系统的存放----------------------------------------------------------------------------------------------------54第7部分:故障诊断和技术支持-------------------------------------------55基本故障诊断-------------------------------------------------------------------------------------------------------55紧急关机步骤-------------------------------------------------------------------------------------------------------55ACIST在线压力监护问题----------------------------------------------------------------------------------------56常见问题--------------------------------------------------------------------------------------------------------------57功能性错误----------------------------------------------------------------------------------------------------------57警告短信-------------------------------------------------------------------------------------------------------------58第8部分:技术规格-----------------------------------------------------69系统控制--------------------------------------------------------------------------------------------------------------69电力要求--------------------------------------------------------------------------------------------------------------69漏电--------------------------------------------------------------------------------------------------------------------69安全性及感应器的检查-------------------------------------------------------------------------------------------69注射参数范围-------------------------------------------------------------------------------------------------------70盐水流速--------------------------------------------------------------------------------------------------------------70状态读数--------------------------------------------------------------------------------------------------------------70程序控制--------------------------------------------------------------------------------------------------------------70高度--------------------------------------------------------------------------------------------------------------------70重量--------------------------------------------------------------------------------------------------------------------71电线长度--------------------------------------------------------------------------------------------------------------71UL标记产品规格----------------------------------------------------------------------------------------------------71运输及存放要求-----------------------------------------------------------------------------------------------------71工作环境要求--------------------------------------------------------------------------------------------------------71第9部分:Voyager和CVi支持的成像系统----------------------------------72第10部分:担保-------------------------------------------------------73CL100H/CMS2000有限责任担保 ------------------------------------------------------------------------------73Voyager E2000和ACIST CVi有限责任担保-------------------------------------------------------------------74第11部分:符号--------------------------------------------------------76符号---------------------------------------------------------------------------------------------------------------------76iv ACIST医疗系统公司P/N 900420-001 Rev. 03联系和订货信息信息和警告联系信息P/N 900420-001 Rev. 03 ACIST医疗系统公司v关于本手册小心和安全使用联邦法律限定此设备仅可由医生(或有授权的从业者)购买和订购。
2性能指标2.1性能2.1.1与一次性无菌注射针筒的适配性a)ASA-200E 应能使用 200ml 和130ml 二种一次性无菌注射针筒;b)ASA-200H 应能使用 130ml 一次性无菌注射针筒。
2.1.2注射速率及误差2.1.2.1注射速率a)ASA-200E 的注射速率应能在 0.1ml/s~8.0ml/s 的范围内连续可调,步长为 0.1ml/s;b)ASA-200H 的注射速率应能在 0.1ml/s~50.0ml/s 的范围内连续可调,步长为 0.1ml/s。
2.1.2.2误差注射速率的平均误差应为±5%。
2.1.3最大注射容量最大注射容量至少应能达到所配一次性无菌注射针筒的最大装药容量;误差应为±5%。
2.1.4压力保护设定及提示2.1.4.1压力保护设定a)ASA-200E 的压力保护设定值应能在 0.7MPa(100psi)、1.0MPa(150psi)、1.4MPa(200psi)和1.7MPa(250psi)四档可调;误差应为±0.1MPa或±10%,二者取大值。
b)ASA-200H 的压力保护设定值应能在 0.7MPa(100psi)~6.9MPa(1000psi) 范围内连续可调,步长为 6.89kPa(1psi);误差应为±0.1MPa或±10%,二者取大值。
2.1.4.2提示当注射压力超过压力保护设定值时,注射器应能自动停止推进并发出声或/ 和光提示。
2.2环境试验要求环境试验要求应符合 GB/T 14710-2009 中气候环境试验Ⅰ组、机械环境试验II 组和表2 的规定,运输试验和对电源的适应能力试验,应符合 GB/T 14710-2009中第 4 章和第 5 章的规定。
2.3外观和调节机构2.3.1外观应平整端正,不得有明显的凹凸、伤斑、裂缝,过度处的轮廓应清晰。
2.3.2面板上的文字和标志应清晰、准确、牢固。
高压注射器适用范围:通过静脉注射的方式先后将造影剂和生理盐水注射进正在接受CT检查的患者体内。
1.1规格型号:1.2组成高压注射器包括:立式高压注射器,包含型号(CD800P\CS600P)注射器遥控器电源盒数据线立柱结构1.3安全分类:按医用电气设备防护分类,该注射器属于Ⅰ类、BF型设备.1.4基本参数:两种规格型号的技术参数(见表1)表1技术参数对比2.1电源及环境条件a)操作环境温度:+5℃~+40℃;b)操作环境相对湿度:30%~75%;c)大气压力范围: 860hPa~1060hPa;d)电源条件:交流;电源电压:AC 100V~240V、 50Hz/60Hz2.2注射量调节范围和误差:a) 注射量调节范围:1mL~200mL,增量1mL;b) 注射量调节误差:+2%。
2.3注射流速调节范围和误差a) 注射流速调节范围:0.1mL/s~10.0mL/s,增量0.1mL/s;b) 注射流速调节误差:稳定流率下的误差为±5%。
c) 流速转换时间和注射总量误差:当一个注射程序项下有多个注射流速,且相邻两个阶段的注射流速之间的差≥2.5mL/s时,其注射流速转换的时间应不超过3s;且注射总量误差应不大于该注射程序设定的注射总量的±2%。
2.4极限压力调节范围本机具有极限压力设定范围功能:a) 极限压力调节范围:40psi~325psi,增量1psi,误差±10%;b) 在注射过程中,当压力达到极限值时,系统自动暂停注射,并在注射器和遥控器上显示“overpressure”,同时语音进行提示。
2.5噪声整机运行噪声应不大于A计权70dB。
2.6注射安全保护功能a) 在注射器针筒处于向上位置时,设备处于程序锁死状态,不能进行注射,只有向左或向右倾斜到位时才能进行注射;b)注射器机头可在其左(右)极限位置绕其旋转轴向右(左)旋转大于270°。
当注射器机头达到左(右)极限位置时,注射器才能进行注射;c) 注射过程中,点击触摸屏的任何部位,应暂停注射。
DSA高压注射器技术参数随着汽车技术的不断发展与进步,研发出了DSA高压注射器,它可以在燃料混合的各个环节进行精确控制,从而提高了燃油的利用率和节能减排的效果。
DSA高压注射器是一种燃油喷射器,也叫高压共轨燃油系统,它的主要作用是在高压下将燃油注入到发动机燃烧室内,能够实现对燃油的精确控制,以提高发动机的工作效率和性能。
本文将主要介绍DSA高压注射器的技术参数。
1. 高压共轨燃油系统高压共轨燃油系统是由高压泵、压力传感器、高压油管、高压共轨、喷油嘴等几个部件组成。
其中高压泵提供高压燃油,压力传感器负责检测高压油的压力,高压油管用于储存高压燃油,高压共轨起到了燃油加压的作用,而喷油嘴则是将燃油喷入燃烧室内。
DSA高压注射器通过这些部件协同工作,可以实现对燃油的精确控制。
2. 压力控制范围DSA高压注射器的一个重要技术参数就是它的压力控制范围。
一般来说,高压共轨燃油系统的工作压力会在1000bar到2000bar 之间,而DSA高压注射器的工作压力则会在2200bar以上。
这种超高压力可以使燃油更加均匀地喷入到燃烧室内,从而提高了燃料的利用效率,同时还可以降低能耗和排放。
3. 喷孔数量和直径DSA高压注射器的另一个技术参数就是喷孔的数量和直径。
一般来说,高压注射器的喷孔数量会影响到燃烧室内燃油的分布情况,而喷孔的直径则会影响到燃油的喷雾效果。
DSA高压注射器通常会采用多喷孔的设计,以实现更均匀的喷油效果。
此外,高压注射器的喷孔直径也会受到燃油的粘度、温度和压力等因素的影响,一般来说,直径越小,燃油喷雾效果越好,但也会增加阻力和复杂程度。
4. 燃油喷射时间和容量DSA高压注射器的燃油喷射时间和容量也是其关键的技术参数之一。
燃油喷射时间是指从控制信号到喷射完成所需的时间,而容量则是指喷油嘴在单位时间内喷出的燃油量。
DSA高压注射器通常具有两种喷射模式:单喷射和多喷射。
单喷射燃油系统在每个发动机周期中只会进行一次喷油,而多喷射系统则可以在一个发动机周期中进行多次喷油。
【概述】高压注射器可以保证在短时间内将造影剂集中注入病人的心血管内,高浓度地充盈受检部位,以摄取对比度较好的影像。
同时还能使造影剂注射、主机曝光及换片机换片三者协调配合,从而提高了摄影的准确性和造影的成功率。
【适应症】心室造影肺动脉造影主动脉造影大血管造影导管选择【基础知识】血管造影术中高压注射器的使用介绍如下:心室造影时为了获得良好的显影,往往要在短时间内注射足够多的造影剂,成人通常选择6F,7F或8F多孔的侧孔导管,以保证在注射过程中造影剂快速释放时导管位置的稳定,从而减少心律失常的发生。
【常用的导管】通常选用Pigtail,Sones,NIH,Lehman等型号。
【高压注射器】注射部位心室造影:成人左室造影的最佳导管位置是心腔中部,不会因为导管刺激引起室性心律失常处。
这样可以让造影剂良好的充盈室壁及心尖;不会因为导管干扰而形成二尖瓣返流的假象;可以避免因造影剂高速注射引起的心肌染色。
注射速率及注射量高压注射器分流量注射器(flow injector)及压力注射器(pressure injector)两种,目前使用的多为流量注射器。
分别设定造影剂注射量及注射速率,以及注射压力上限(超过该压力即停止注射,非注射造影剂的实际压力)。
左室造影通常30~40ml/次,注射速率10~20ml/秒,心室腔大或有二尖瓣返流者酌情减少注射量、减慢注射速率,左室舒张末压超过30mmHg尤应小心。
【注意事项】#导管到位后应试注射3~5ml造影剂确认导管位置。
#测压后,应将导管从三通加压注射系统上取下,与高压注射器直接连接,或通过耐高压的延长管连接。
#仔细排气,注射时应竖起注射针筒。
#行左室造影时应嘱患者深吸气-闭气,通常以50帧/秒速度拍摄电影。
介入医生笔记│可高可低的高压注射器高压注射器,是我们介入科最常用的仪器,使用也很简单,设置好速率、总量和压力就可以工作了。
最近在介入家园群里看到有不少关于高压注射器的讨论,对其中的一些观点,我觉得有待商榷,我把我对高压注射器的理解跟大家汇报下,如有错误,欢迎指正。
我们科目前有三台DSA,配备了不同的高压注射器,感觉在同样注射方案下,不同的高压注射器都有不同的表现。
同样的,同一个高压注射器,同一个部位,不同的病人,相同的注射方案也有不同的造影表现。
血管直径和血液流速起了很大的作用。
有位介入同仁说,高压注射器的压力非常大,很容易打爆血管,使用时要特别小心,很多时候宁愿手推造影。
对他的精神我表示非常钦佩,当然,小心是正确的,导管要放好位置,造影前要冒烟等等,但是不能因为害怕压力高而放弃高压注射器,好歹要给人家机会么...高压注射器,虽然名字有“高压”两字,但并不意味着它的压力就非常大。
实际压力值,应该取决于设置的剂量。
举一个很简单的例子,比如使用同样的导管在腹腔干造影,分别设置成每秒3ml,总量9ml,压力300 和每秒2ml,总量6ml,压力1000,实际造影时,哪个压力大?不用造影,我能肯定是第一种方案所用的压力大。
有些同仁误以为压力值就是实际使用的压力,其实我们设定的压力值,是限压,而不是实际压力。
比如我们设置成每秒3ml,总量9ml,压力300,意思是告诉机器,以每秒3ml注射,总量9ml,且压力条件是不能超过300psi。
所以真正决定压力值的是,每秒注射量!举个例子,如下图,我们使用微导管准备造影,血管不是很大,我预计2ml/s,总量6ml就应该可以把血管显示得非常清楚,常规习惯,微导管会设置限压高一些,所以,设置了一个比较高的500限压。
下图是造影结果:血管显影比较清楚,实际打出多少造影剂,造影压力是多少呢?看下图:实际压力为202psi!所以,在压力值为202的时候,就完美地实现我的目的:每秒2ml,血管显影很好,实际压力相当于限定压力的40%。
医疗器械产品技术要求编号:高压注射器1.产品型号/规格及其划分说明1.1型号规格M型:MI-M2000、MI-M2001。
1.2结构组成由注射机头、电源箱、控制盒、机架组成。
1.3适用范围用于静脉注射磁共振造影剂和/或在人体血管内注射常用的冲刷液,以满足磁共振扫描诊断需要。
2.性能指标2.1物理性能2.1.1外观a)注射器的外形应平整、端正,不得有明显的凹凸、裂缝、划痕和毛刺缺陷;b)控制面板上的文字和标识应清晰可辩;c)注射机头的控制和调节机构应灵活可靠;其紧固件应无松动;d)注射器的脚轮应运动灵活且至少有两个具有掣动的装置。
2.1.2注射药量M型注射器的注射药量调节范围应为1mL~65mL、1mL~115mL,调节步长1mL。
2.1.3注射药量误差M型注射器的注射药量误差:注射药量在1mL-10mL范围内误差不大于0.35mL;注射药量在11mL-115mL范围内误差不大于3.5mL。
2.1.4注射速率M型注射器的注射速率调节范围应不小于0.1mL/s~10mL/s,调节步长应为0.1mL/s。
2.1.5注射速率误差M型注射器的注射速率误差:注射速率在0.1mL/s-0.9mL/s范围内误差不大于0.05mL/s;注射速率在1mL/s-5mL/s范围内误差不大于0.4mL/s;注射速率在 5.1mL/s-10mL/s范围内误差不大于0.85mL/s。
2.1.6最大的注射压力M型注射器使用针筒所能达到的注射压力应不小于325psi(2240.9kPa);2.1.7延迟时间M型注射器的延时时间调节范围应为0s~300s,调节步长应为1s。
2.1.8注射机头运动性能M型注射机头向上倾角应大于60°,向下倾角应大于25°;2.1.9注射触发方式M型注射器触发方式应为按键。
2.1.10注射程序M型注射器的注射程序应至少为50种可选。
2.1.11上升时间M型注射器不适用;2.1.12注射压力限制M型注射器工作时若注射压力超过设置值时,应自动停止注射,控制面板上应提示注射过压、并伴有4s±1s的声音提示。
高压造影注射器针筒、连接管技术参数:预算:203250元/年*安徽省医用耗材集中采购平台内产品一、采购项目及数量1、用途:用于医疗部门进行数字减影血管造影术(DSA)、计算机控制断层扫描(CT)、核磁共振(MRI)、超声(US)检查,与造影剂注射装置配套使用,注射造影剂、药液。
2、具体规格及性能要求:CT用高压造影注射器针筒、连接管①一次性使用高压造影注器射针筒(CT用200ml单筒)每套标配针筒1付、吸药管1支、螺纹连接管(延长管)1根、刺瓶器1支、连接管长度≥150cm,针筒内表面采用硅油润滑,润滑性能良好,针筒最大耐压值不小于300PSI。
②一次性使用高压造影注器射针筒(CT用200ml双筒)每套标配针筒2付、吸药管1支、Y型延长管1根、刺瓶器2支、连接管长度≥200cm,针筒内表面采用硅油润滑,润滑性能良好,针筒最大耐压值不小于300PSI。
③连接管Y型,长度≥150cm,最小耐压值不小于300PSIDSA用高压造影注射器针筒、连接管①一次性使用高压造影注射器针筒(DSA用150ml单筒)每套标配针筒1付、吸药管1支、连接管(延长管)1根、刺瓶器1支、连接管长度≥150cm,针筒内表面采用硅油润滑,润滑性能良好,针筒最大耐压值不小于1200PSI。
②连接管长度≥150cm,最小耐压值不小于300PSI。
核医学科用高压造影注射器针筒①一次性高压造影注射器及附件(核医学科用200ml单筒)注射器由外套、活塞、胶塞组成,附件包括吸药管、穿刺器、一次性使用压力连接管。
每套标配针筒1付、吸药管1支、连接管(延长管)1根、刺瓶器1支、连接管长度≥150cm,针筒内表面采用硅油润滑,润滑性能良好,针筒最大耐压值不小于1200PSI。
3、适配机型:CT单筒: MEDEAD Medition NemotoCT双筒:MEDRAD MemotoDSA单筒:MEDRAD mark v核医学科:ACIST三、其他要求:1、中标后合同签订两年内不得上调供货价、变更合同签约供应商。
高压注射器标准操作规程
DSA高压注射器标准操作规程
1、打开操作台电源,观察显示屏自检信息。
2、安装一次性注射筒。
3、根据患者检查治疗情况,抽吸适量对比剂,并排尽注射筒内的空气,倾斜注射头小于30o。
4、靶血管到位后,将注射筒乳头与导管连接,根据造影部位及血管管径等确定造影剂的注射速率、总量、延时及压力等参数。
5、参数设定后,启动程序,使高压注射器进入注射准备阶段。
6、遥控注射造影剂并根据相关提示由技师进行造影。
7、注射造影剂过程中密切观察患者情况,如遇患者不适或其他意外情况,立即停止注射造影剂,并针对不同情况处理。
8、造影完毕,检查屏幕注射参数结果,退出注射程序,卸下注射筒,关闭高压注射器电源。