混凝土搅拌站水泥罐基础设计
- 格式:doc
- 大小:211.50 KB
- 文档页数:7
拌和站水泥罐基础设计计算书1、水泥罐基础设计拌合站投入5个100t型水泥罐,100t型水泥罐直径3m,支腿邻边间距2.05m;按3个水泥罐一排、2个水泥罐一排共计两排设立。
根据公司以往拌合站施工经验、现场地质条件以及基础受力验算,水泥罐基础采用C30钢筋砼条形承台基础满足三个水泥罐同时安装。
基础尺寸8m(长)×4m(宽)×1.9m(高),基础埋深1.5m,外漏0.4m,承台基础采用Φ16@200mm×200mm上下两层钢筋网片,架立筋采用450mm×450mmφ12钢筋双排双向布置,基础顶预埋地脚钢板与水泥罐支腿满焊。
具体布置见下图:水泥罐平面位置示意图2、水泥罐基础计算书2.1、计算基本参数水泥罐自重约10t,水泥满装100t,共重110t。
水泥罐支腿高3m,罐身高15m,共高18m。
单支基础4m×4m×1.9m钢筋砼。
2.2、地基承载力计算计算时按单个水泥罐计算单个水泥罐基础要求的地基承载力为:δ1=1100÷(4×4)+1.9×25=68.75+47.5=116.25KN/m2=0.12Mpa根据《临湘(湘鄂界)至岳阳公路第四合同段两阶段施工图设计》第六册中的岩土设计计算参数表资料可知:本合同段全风化花岗岩承载能力基本容许值为[fa0]=0.25Mpa,因δ1≤[fa0]。
现场临建设施工时,为安全起见,基础底面参照一级公路标准施工。
故远大于水泥罐地基承载力要求。
2.3、抗倾覆计算参照《临湘(湘鄂界)至岳阳公路第四合同段两阶段施工图设计》第一册,本合同段地区按最大风速25m/s。
(1)风荷载强度计算:W0⋅K3⋅K2⋅K1=风荷载强度计算:W其中基本风压:v2252391Pa 1.61.6===W0风载体形系数:K1=0.8风压高度变化系数:K2=1.0地形、地理变化系数,按一般平坦空旷地区取K3=1.0391=312.8pa⨯1.0⨯1.0⨯0.8=W(2)风力计算:水泥罐体按通体罐接受水平风荷载计算,所受水平风荷载为:F=A×W=3.4×18×312.8=19143N=19.14KN平均作用高度为18/2+1.9=10.9m倾覆力矩M=F×H=19.14×10.9=208.6KN·m(3)抗倾覆计算:抗倾覆计算以空罐计算,空罐计算满足则抗倾覆满足。
一、水泥罐基础设计 盾构区间砂浆拌合站投入一个100t 型和一个150t 型两个水泥罐,100t 型水泥罐直径3m ,支腿邻边间距2.05m ;150t 型水泥罐直径3.3m ,支腿邻边间距2.2m 。
根据以往盾构区间砂浆拌合站施工经验、现场地质条件以及基础受力验算,水泥罐基础采用C30钢筋砼条形承台基础满足两个水泥罐同时安装。
基础尺寸8m (长)×4m (宽)×0.8m (高),基础埋深0.6m ,外漏0.2m ,承台基础采用Φ16@150mm ×150mm 上下两层钢筋网片,架立筋采用450mm ×450mm φ12钢筋双排双向布置,基础顶预埋地脚钢板与水泥罐支腿满焊。
具体布置见下图:.1单支基础4m ×4m ×0.8m 钢筋砼。
2、地基承载力计算计算时按单个水泥罐计算单个水泥罐基础要求的地基承载力为:δ1=21700+0.825106.3+20126.3k /m 0.1344N MPa ⨯===⨯ 根据资料可知:原设计路面按汽一超20级设计,汽一超20级后轴标准荷载为130KN,单轴轮胎和路面接触面积为:460mm ×200mm ,通过受力计算,其地基承载力为:水泥罐平面位置示意图δ2= ()1301000 1.413460200MPa ⎡⎤⨯=⎢⎥⨯⎣⎦因δ1≤δ2,即地基承载力复核要求。
3、抗倾覆计算武汉地区按特大级风荷载考虑,风力水平荷载为500N/m 2,抗倾覆计算以空罐计算,空罐计算满足则抗倾覆满足。
水平风荷载产生的弯矩为:0.5 3.3182+3=356.4KN M =⨯⨯⨯÷(18)M水泥罐空罐自重20t ,则基础及水泥罐总重为:抗倾覆极限比较:即水泥罐的抗倾覆满足要求,水泥罐是安全的。
4、基础配筋基础配筋属于构造配筋,配筋率必须满足§≥ 0.15%,经计算断面配筋, @150Φ16钢筋满足要求。
水泥罐桩基础计算书1.水泥罐基础设计拌合站投入8个200t 型水泥罐,水泥罐直径4.8m ,支腿临边间距3.395m ,每4个为一组,见图附1。
根据以往砂浆拌合站施工经验、现场地质条件以及基础受力验算,水泥罐基础采用8根C30混凝土灌注桩桩基础,钢筋笼见附图4。
桩直径1.2m ,桩长30m ,平面布置见附图1。
基础承台厚0.8m ,采用C30混凝土浇筑。
承台采用Φ14@200mm ×200mm 上下两层钢筋网片。
架立筋采用@2000mm ×2000mm φ14钢筋双排双向布置,平面图见附图2,立面图见附图3。
基础顶预埋地脚钢板与水泥罐支腿满焊。
承台及单桩工程量见附图5。
2.计算基本参数单个水泥罐自重约20t ,水泥满装200t ,共重220t 。
桩直径1.2m ,桩长30m 。
水泥罐罐身高18.6m ,总高21m 。
基础承台0.8m (高)。
3.单桩轴向受压承载力容许值计算单桩轴向受压承载力容许值为:qA l q rpi n1i ikμ21R +=∑=a上式中q r为桩端处土的承载力容许值[][]kPa 5.478)330(195.118072.07.0)(=-⨯⨯+⨯⨯=-+=3h λγK fm q 22a0ru ---桩身周长(m ); A p ---桩端截面积(m 2); n ---土的层数l i ---承台底面以下各土层的厚度(m );q ik ---与l i 层对应的各土层与桩侧的侧摩阻力标准值(kPa ); q r ---桩端处土的承载力容许值;[f a0] ---桩端处土的承载力基本容许值(kPa );h ---桩端的埋置深度(m ),h>40时按40计算;k 2---地基土容许承载力随深度的修正系数; m 0---清底系数; λ---修正系数;γ2---桩尖以上地基土的容重(kN/m 3)。
则()kPa 25425.47822.114.31.10622.114.3212a =⨯⨯+⨯⨯⨯⨯=R考虑桩重时kPa 1694253022.114.325422a =⨯⨯⎪⎭⎫⎝⎛⨯-=R承台底面以上荷载kN 11688288842200G =+⨯= 稳定系数16.11168881694f =⨯=桩基础承载能力能够满足要求。
目录一.计算公式 (2)1.地基承载力 (2)2.风荷载强度 (2)3.基础抗倾覆计算 (2)4.基础抗滑稳定性验算 (3)5.基础承载力 (3)二、储料罐基础验算 (3)1.储料罐地基开挖及浇筑 (3)2.计算方案 (3)3.储料罐基础验算过程 (4)3.1 地基承载力 (4)3.2 基础抗倾覆 (4)3.3 基础滑动稳定性 (5)3.4 储蓄罐支腿处混凝土承压性 (5)三、拌合楼基础验算 (5)1.拌合楼地基开挖及浇筑 (5)2.计算方案 (6)3.拌合楼基础验算过程 (6)3.1 地基承载力 (6)3.2 基础抗倾覆 (7)3.3 基础滑动稳定性 (7)3.4 储蓄罐支腿处混凝土承压性 (7)拌合站拌合楼基础承载力计算书3号拌合站为先锋村拌和站,配备HZS90拌和机,设有4个储料罐,单个罐在装满材料时均按照100吨计算。
拌合楼处于先锋村内,在103国道右侧180m,对应新建线路里程桩号DK208+100。
经过现场开挖检查,在地表往下0.5~1.5米均为粉质粘土,1.5米以下为卵石土。
一.计算公式1 .地基承载力P/A=σ≤σ0P—储蓄罐重量KNA—基础作用于地基上有效面积mm2σ—土基受到的压应力MPaσ0—土基容许的应力MPa通过地质钻探并经过计算得出土基容许的应力σ0=0.108 Mpa(雨天实测允许应力)2.风荷载强度W=K1K2K3W0= K1K2K31/1.6v2W —风荷载强度PaW0—基本风压值PaK1、K2、K3—风荷载系数,查表分别取0.8、1.13、1.0v—风速m/s,取17m/sσ—土基受到的压应力MPaσ0—土基容许的应力MPa3.基础抗倾覆计算K c=M1/ M2=P1×1/2×基础宽/ P2×受风面×(7+7)≥1.5 即满足要求M1—抵抗弯距KN•MM2—抵抗弯距KN•MP1—储蓄罐与基础自重KNP2—风荷载KN4.基础抗滑稳定性验算K0= P1×f/ P2≥1.3 即满足要求P1—储蓄罐与基础自重KNP2—风荷载KNf-----基底摩擦系数,查表得0.25;5 .基础承载力P/A=σ≤σ0P—储蓄罐单腿重量KNA—储蓄罐单腿有效面积mm2σ—基础受到的压应力MPaσ0—砼容许的应力MPa二、储料罐基础验算1.储料罐地基开挖及浇筑根据厂家提供的拌和站安装施工图,现场平面尺寸如下:地基开挖尺寸为半径为10.0m圆的1/4的范围,宽5.0m,浇筑深度为1.4m。
目录一.计算公式11.地基承载力12.风荷载强度23.基础抗倾覆计算24.基础抗滑稳定性验算25.基础承载力2二、储料罐基础验算31.储料罐地基开挖及浇筑32.计算方案33.储料罐基础验算过程43.1 地基承载力43.2 基础抗倾覆43.3 基础滑动稳定性43.4 储蓄罐支腿处混凝土承压性4三、拌合楼基础验算51.拌合楼地基开挖及浇筑52.计算方案53.拌合楼基础验算过程63.1 地基承载力63.2 基础抗倾覆63.3 基础滑动稳定性63.4 储蓄罐支腿处混凝土承压性7拌合站拌合楼基础承载力计算书3号拌合站为先锋村拌和站,配备HZS90拌和机,设有4个储料罐,单个罐在装满材料时均按照100吨计算。
拌合楼处于先锋村内,在103国道右侧180m,对应新建线路里程桩号DK208+100。
经过现场开挖检查,在地表往下0.5~1.5米均为粉质粘土,1.5米以下为卵石土。
一.计算公式1 .地基承载力P/A=σ≤σ0P—储蓄罐重量 KNA—基础作用于地基上有效面积mm2σ—土基受到的压应力 MPa通过地质钻探并经过计算得出土基容许的应力σ0=0.108 Mpa(雨天实测允许应力)2.风荷载强度W=K1K2K3W0= K1K2K31/1.6v2W —风荷载强度 PaW0—基本风压值 PaK1、K2、K3—风荷载系数,查表分别取0.8、1.13、1.0v—风速 m/s,取17m/sσ—土基受到的压应力 MPaσ0—土基容许的应力 MPa3.基础抗倾覆计算K c=M1/ M2=P1×1/2×基础宽/ P2×受风面×(7+7)≥1.5 即满足要求M1—抵抗弯距 KN•MM2—抵抗弯距 KN•MP1—储蓄罐与基础自重 KNP2—风荷载 KN4.基础抗滑稳定性验算K0= P1×f/ P2≥1.3 即满足要求P1—储蓄罐与基础自重 KNP2—风荷载 KNf-----基底摩擦系数,查表得0.25;5 .基础承载力P/A=σ≤σ0P—储蓄罐单腿重量 KNA—储蓄罐单腿有效面积mm2σ—基础受到的压应力 MPa二、储料罐基础验算1.储料罐地基开挖及浇筑根据厂家提供的拌和站安装施工图,现场平面尺寸如下:地基开挖尺寸为半径为10.0m圆的1/4的范围,宽5.0m,浇筑深度为1.4m。
混凝土搅拌站水泥罐基础设计1.搅拌站水泥罐基础类型搅拌站水泥罐基础可以采用浅基础和深基础两种类型。
具体选择哪种基础类型需要考虑土壤条件、罐体重量及容积等因素。
浅基础可以是钢筋混凝土台阶块式基础或者钢筋混凝土平板基础。
这种基础适用于土质较好、承载力较强的情况下,通常适用于小型水泥罐。
深基础可以采用钢筋混凝土桩基础或者静桩基础。
这种基础适用于土壤条件较差、承载力较低的情况下,通常适用于大型水泥罐。
2.基础尺寸设计水泥罐基础的尺寸设计需要考虑到罐体的大小和重量,以及土壤的承载力。
按照规范要求,基础的净面积应与水泥罐的底座面积相等,同时还需要考虑基础的边桩和内桩的设置。
基础的深度一般不小于1200mm,以保证罐体的稳定性。
在设计过程中还需要考虑罐体和基础的连接方式和刚度。
3.土壤调查土壤调查是设计混凝土搅拌站水泥罐基础的重要步骤。
需要通过钻孔和取样等方法,了解土壤的类型、堆积程度、承载力、水分含量等参数。
土壤调查的结果将决定基础的类型和尺寸。
4.罐底防渗措施由于水泥罐内通常是储存着水泥等潮湿物质,为了防止水泥渗漏到地下,需要在基础设计中考虑罐底的防渗措施。
常见的防渗措施有铺设防水卷材、设置防渗层等。
5.抗震设计混凝土搅拌站水泥罐作为重要的工业设备,需要进行抗震设计。
具体的抗震设计包括地震烈度的确定、设计地震力的计算和基础的抗震设防要求等。
根据不同地区的地震烈度、土壤类型和设计要求,选择适当的抗震设防水平和计算方法。
综上所述,混凝土搅拌站水泥罐基础设计是确保罐体稳定性和安全性的重要一环。
设计过程需要考虑土壤条件、荷载情况、抗震要求和防渗措施等。
合理的基础设计将保证水泥罐的安全使用和长期稳定运行。
一、编制依据1. 《建筑地基基础设计规范》(GB50007-2002)2. 《建筑地基基础设计规范》(DBJ15-31-2003)3. 《建筑结构荷载规范》(GB50009-2001)4. 《建筑地基处理技术规范》(JGJ79-2002)5. 《混凝土结构设计规范》(GB50010-2002)(2006年版)6. 岩土工程勘查报告7. 水泥罐厂家提供资料二、工程概况本项目为某混凝土搅拌站,位于我国某城市,占地面积约1000平方米。
搅拌站内设有一个80T的散装水泥罐,按厂家提供的尺寸定位图设计基础图。
三、基础设计1. 地基处理根据地质勘察报告,搅拌站地基以下5米以内均为砾砂回填区,标贯击数为8。
地基处理采用深层搅拌法,将砾砂回填区与原土层进行充分搅拌,提高地基承载力。
2. 基础设计参数(1)水泥罐直径:D=3m(2)支腿邻边间距:L=2.05m(3)基础埋深:H=0.6m(4)承台尺寸:LxWxH=8m×4m×0.8m(5)混凝土强度等级:C303. 基础承载力计算根据水泥罐重量、支腿间距和基础埋深,计算基础底承载力、抗倾覆稳定验算、基础受冲切承载力验算等,确保基础满足承载要求。
4. 基础配筋基础配筋采用16@150mm钢筋网片,架立筋采用450mm×450mm×12钢筋双排双向布置。
5. 基础施工(1)施工前,对搅拌站地基进行平整,确保地基表面平整度满足要求。
(2)根据基础设计图纸,进行基础开挖,确保基础尺寸和埋深符合设计要求。
(3)基础混凝土浇筑前,对模板、钢筋等材料进行检查,确保施工质量。
(4)混凝土浇筑过程中,严格控制浇筑速度和振捣,确保混凝土密实度。
(5)基础混凝土养护期间,加强养护措施,确保混凝土强度满足设计要求。
四、安全措施1. 施工现场设置安全警示标志,确保施工安全。
2. 施工人员必须佩戴安全帽、安全带等个人防护用品。
3. 施工过程中,加强对施工机械和设备的检查,确保设备安全运行。
拌和站基础设计计算书根据本标段混凝土使用地为乐平互通式立体交叉、龙眼园高架桥、三花路高架桥、太院高架桥、芦泡涌大桥、卫东高架桥及涵洞和附属工程,为满足混凝土质量和施工需求,结合现场实际施工情况,现于西二环MK62+50位置的线路右侧建立混凝土拌和站,共占地约11000m2。
料仓8个2400m2,拟设置两座拌和楼,HZS120型,每座拌和楼每小时理论产量可达120m³,用混凝土罐车运送至施工现场,以满足施工需求。
一、设计资料(1)每个水泥罐自重10t,装满水泥重100t,合计110t;水泥罐直径3m。
水泥罐基础采用C25钢筋砼条形承台基础满足两个水泥罐同时安装。
基础尺寸8m*4m*0.8m,基础埋深1.65m。
基础采用φ16@150mm×150mm上下两层钢筋网片,架立筋采用φ16@450mm×450mm 钢筋双排双向布置,基础顶预埋地脚钢板与水泥罐支腿满焊。
施工前先对地基进行处理,处理后现场检测,测得地基承载为156kpa。
二、水泥罐基础计算书1、计算基本参数水泥罐自重10t,装满水泥共重110t。
水泥罐高20.6m(带支腿)。
2、地基承载力计算单个水泥罐基础要求的承载力1)砼基础面积:S=8×4=32m2;砼体积:V=32×0.8=25.6m3;底座自重:25.6×25=640KN(砼自重按2500kg/m3);2)水泥罐自重:2×110×9.8=2156KN;3)总自重为:640+2156=2796KN;4)基底承载力:P=2796/32=87.4kpa;5) 基底经处理后检测的承载力P’=156kpa;6) P≤P’经验算,地基承载力满足要求。
水泥罐基础满足地基承载力要求,则主机也同时满足承载力要求。
3、抗倾覆计算抗倾覆计算以空罐计算,空罐计算满足则抗倾覆满足。
由于水泥搅拌机属于受风敏感且筒体高度较大,为确保筒体和施工人员的安全,根据《高耸结构设计规范》(GBJ135-2006以下简称高规),应考虑风荷载对结构的影响。
图:、水泥罐基础设计盾构区间砂浆拌合站投入一个loot 型和一个150t 型两个水泥 罐,100t 型水泥罐直径3m 支腿邻边间距2.05m ; 150t 型水泥罐直 径3.3m ,支腿邻边间距2.2m 。
根据以往盾构区间砂浆拌合站施工经 验、现场地质条件以及基础受力验算,水泥罐基础采用C30钢筋砼条 形承台基础满足两个水泥罐同时安装。
基础尺寸 8m (长)x 4m (宽) x 0.8m (高),基础埋深0.6m ,外漏0.2m ,承台基础采用 ①16@150mm x 150mm 上下两层钢筋网片,架立筋采用 450m X 450mn ^)12钢筋双 排双向布置,基础顶预埋地脚钢板与水泥罐支腿满焊。
具体布置见下8000 水泥罐平面位置示意图8000基础配筋图一、水泥罐基础计算书1、计算基本参数水泥罐自重约20t,水泥满装150t,共重170t。
水泥罐支腿高3m罐身高18m共高21m单支基础4mx 4nr K 0.8m钢筋砼。
2、地基承载力计算计算时按单个水泥罐计算单个水泥罐基础要求的地基承载力为:8 1 = 170^ +0.8 25 =106.3+ 20 = 126.3k N / m 2 = 0.13 M Pa4汽4根据资料可知:原设计路面按汽一超20级设计,汽一超20级后轴标准荷载为130KN,单轴轮胎和路面接触面积为:460m M 200mm通过受力计算,其地基承载力为:8 2= 1301000 =1.413 M Pa]]460 200因8 1< 8 2,即地基承载力复核要求。
3、抗倾覆计算风荷载(500N/m2)武汉地区按特大级风荷载考虑,风力水平荷载为500N/nt抗倾覆计算以空罐计算,空罐计算满足则抗倾覆满足。
水平风荷载产生的弯矩为:M =0.5 3.3 18 ( 18 " 2+3 ) =356.4K NNIG=170 9.8+4 4 0.8 25=1986K N水泥罐空罐自重20t,则基础及水泥罐总重为:抗倾覆极限比较:M 356.4 30.18< 0.5F 1986 6即水泥罐的抗倾覆满足要求,水泥罐是安全的。
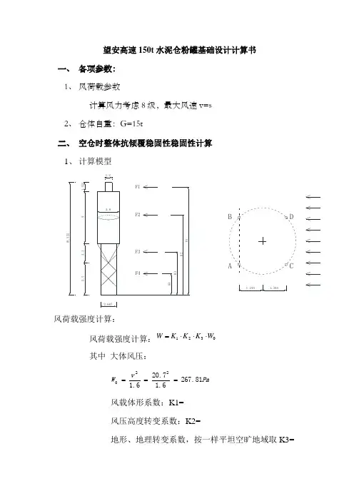
望安高速150t 水泥仓粉罐基础设计计算书一、 各项参数:1、 风荷载参数计算风力考虑8级,最大风速v=s2、 仓体自重:G=15t二、 空仓时整体抗倾覆稳固性稳固性计算1、 计算模型1.2A B C D风荷载强度计算:风荷载强度计算:0321W K K K W ⋅⋅⋅=其中 大体风压:Pa v W 81.2676.17.206.1220===风载体形系数:K1=风压高度转变系数:K2=地形、地理转变系数,按一样平坦空旷地域取K3=W=×××=2、 风力计算:A 1=×=,考虑仓顶护栏等,提高倍F 1=××=作用高度:H 1= ×=F 2=×=7570N作用高度:H 2=+9/2=A 3=+/2×= m 2F 3=×=作用高度:H 3= m 2F 4=×=作用高度:H 4=3、 倾覆力矩计算:mt F M i ⋅=⨯+⨯+⨯+⨯=⋅=∑58.125.549.4887.797.14933.137570561.1883.586h i 41倾稳固力矩计算:假定筒仓绕AB 轴倾覆,稳固力矩由两部份组成,一部份是仓体自重稳固力矩M 稳1,另一部份是水泥仓立柱与基础连接螺栓抗拉产生的稳固力矩M稳2。
(每一个支撑立柱与基础之间的向上抗拔力按8t 计算)m t M ⋅=⨯⨯=114.155.115672.01稳 m t M ⋅=⨯⨯⨯=01.432344.1282稳4、 稳固系数1.562.458.1201.43.11451M 倾稳>=+=M 三、 地基承载力计算单仓基础按4m*4m ,高度设计,混凝土采纳C25。
满仓时,总重量为:水泥+粉罐自重+基础混凝土=150t+15t+60t=225t基础底面积为:4*4=16m 2(偏于平安考虑,施工时水泥仓基础连成整体)最大压强为:225*10/16=故设计地基承载力不小于200Kpa 。
拌和站基础设计计算书根据本标段混凝土使用地为乐平互通式立体交叉、龙眼园高架桥、三花路高架桥、太院高架桥、芦泡涌大桥、卫东高架桥及涵洞和附属工程,为满足混凝土质量和施工需求,结合现场实际施工情况,现于西二环MK62+50位置的线路右侧建立混凝土拌和站,共占地约11000m2。
料仓8个2400m2,拟设置两座拌和楼,HZS120型,每座拌和楼每小时理论产量可达120m³,用混凝土罐车运送至施工现场,以满足施工需求。
一、设计资料(1)每个水泥罐自重10t,装满水泥重100t,合计110t;水泥罐直径3m。
水泥罐基础采用C25钢筋砼条形承台基础满足两个水泥罐同时安装。
基础尺寸8m*4m*0.8m,基础埋深1.65m。
基础采用φ16@150mm×150mm上下两层钢筋网片,架立筋采用φ16@450mm×450mm 钢筋双排双向布置,基础顶预埋地脚钢板与水泥罐支腿满焊。
施工前先对地基进行处理,处理后现场检测,测得地基承载为156kpa。
二、水泥罐基础计算书1、计算基本参数水泥罐自重10t,装满水泥共重110t。
水泥罐高20.6m(带支腿)。
2、地基承载力计算单个水泥罐基础要求的承载力1)砼基础面积:S=8×4=32m2;砼体积:V=32×0.8=25.6m3;底座自重:25.6×25=640KN(砼自重按2500kg/m3);2)水泥罐自重:2×110×9.8=2156KN;3)总自重为:640+2156=2796KN;4)基底承载力:P=2796/32=87.4kpa;5) 基底经处理后检测的承载力P’=156kpa;6) P≤P’经验算,地基承载力满足要求。
水泥罐基础满足地基承载力要求,则主机也同时满足承载力要求。
3、抗倾覆计算抗倾覆计算以空罐计算,空罐计算满足则抗倾覆满足。
由于水泥搅拌机属于受风敏感且筒体高度较大,为确保筒体和施工人员的安全,根据《高耸结构设计规范》(GBJ135-2006以下简称高规),应考虑风荷载对结构的影响。
混凝土搅拌站及水泥罐施工方案编制:审核:审批:龙口花园项目部混凝土搅拌站及水泥罐施工方案一、混凝土搅拌站及散装水泥罐现场布置:龙口花园1~4#、6#、7#住宅楼为钢筋混凝土框架-剪力墙结构,六栋楼均为地上九层,无地下室,建筑高度26.55m。
根据施工要求在现场配置混凝土搅拌站及散装水泥罐。
根据场地安排将其设在3#楼南面。
设地泵一台,搅拌设备两套,装载机一台。
结构施工时通过混凝土泵管将混凝土泵送至六栋楼各施工层。
具体见施工现场平面布置图。
二、搅拌站机械配置:三、基础施工:1、施工顺序;水泥罐:放线定位→散装水泥罐基坑开挖→垫层混凝土浇筑→支模→钢筋绑扎(安放钢板预埋件)→基础混凝土浇筑养护→安装就位混凝土配料机料斗坑:放线定位→混凝土配料机料斗基坑开挖→垫层混凝土浇筑→砖砌体→机械安装就位搅拌机基础及水池:平整场地→基础砌体砌筑→水池内抹灰→机械安装就位另外还有养护池、配电室、及挡土墙的施工。
具体做法见附图。
2、水泥罐施工要点2.1放线定位:按建筑轴线控制网定出基础中心点和边线,土方开挖前洒灰线定位,浇筑混凝土前复核基础位置。
2.2基坑开挖:采用挖机开挖,人工清底。
开挖基坑时预留基础施工工作面,平整基底后做100厚C15混凝土垫层。
2.3地基处理:本工程地质勘察报告基础持力层为第三层粉砂质粘土层,地基承载力特征值为190KPa,远大于水泥罐地基承载力要求,故不需进行地基处理。
2.4支模:水泥罐基坑开挖后先支模再绑扎钢筋。
支模采用多层板作面层、杉木枋材作背楞,钢管扣件支撑。
2.5基础钢筋绑扎:钢筋进场经复验合格后,现场进行加工及绑扎。
每1m加一个Φ25钢筋制作的马凳来支撑上网片钢筋,钢筋要绑扎牢固,位置准确。
2.6确定预埋件位置水泥罐预埋件根据罐支腿尺寸进行定位,每个支腿采用4根1m 长Φ20钢筋点焊支撑在基础钢筋上来固定预埋件地锚位置。
水泥罐在基础钢筋绑扎完后焊接接地装置,采用6m长40*4镀锌扁铁引出基础。
混凝土搅拌站及水泥罐施工方案编制:审核:审批:龙口花园项目部混凝土搅拌站及水泥罐施工方案一、混凝土搅拌站及散装水泥罐现场布置:龙口花园1~4#、6#、7#住宅楼为钢筋混凝土框架-剪力墙结构,六栋楼均为地上九层,无地下室,建筑高度26。
55m.根据施工要求在现场配置混凝土搅拌站及散装水泥罐。
根据场地安排将其设在3#楼南面.设地泵一台,搅拌设备两套,装载机一台.结构施工时通过混凝土泵管将混凝土泵送至六栋楼各施工层。
具体见施工现场平面布置图.二、搅拌站机械配置:三、基础施工:1、施工顺序;水泥罐:放线定位→散装水泥罐基坑开挖→垫层混凝土浇筑→支模→钢筋绑扎(安放钢板预埋件)→基础混凝土浇筑养护→安装就位混凝土配料机料斗坑:放线定位→混凝土配料机料斗基坑开挖→垫层混凝土浇筑→砖砌体→机械安装就位搅拌机基础及水池:平整场地→基础砌体砌筑→水池内抹灰→机械安装就位另外还有养护池、配电室、及挡土墙的施工。
具体做法见附图。
2、水泥罐施工要点2.1放线定位:按建筑轴线控制网定出基础中心点和边线,土方开挖前洒灰线定位,浇筑混凝土前复核基础位置。
2。
2基坑开挖:采用挖机开挖,人工清底。
开挖基坑时预留基础施工工作面,平整基底后做100厚C15混凝土垫层。
2.3地基处理:本工程地质勘察报告基础持力层为第三层粉砂质粘土层,地基承载力特征值为190KPa,远大于水泥罐地基承载力要求,故不需进行地基处理.2。
4支模:水泥罐基坑开挖后先支模再绑扎钢筋。
支模采用多层板作面层、杉木枋材作背楞,钢管扣件支撑。
2.5基础钢筋绑扎:钢筋进场经复验合格后,现场进行加工及绑扎。
每1m加一个Φ25钢筋制作的马凳来支撑上网片钢筋,钢筋要绑扎牢固,位置准确.2。
6确定预埋件位置水泥罐预埋件根据罐支腿尺寸进行定位,每个支腿采用4根1m 长Φ20钢筋点焊支撑在基础钢筋上来固定预埋件地锚位置.水泥罐在基础钢筋绑扎完后焊接接地装置,采用6m长40*4镀锌扁铁引出基础。
混凝土搅拌站水泥罐基础设计
————————————————————————————————作者:————————————————————————————————日期:
100t 水泥罐基础设计计算书
一、工程概况
某大型工程混凝土搅拌站采用100t 水泥罐,水泥罐直径2.7m ,顶面高度20m 。
水泥罐基础采用C25钢筋混凝土整体式扩大基础,基础断面尺寸为4.2m ×0.5m+3.2m ×1.0m 。
基础立面图
5200
5006451909645500
320
1000
500500
二、设计依据:
1、《建筑结构荷载规范(2006版)》(GB50009-2001)
2、《混凝土结构设计规范》(GB50010-2010)
3、《建筑地基基础设计规范》(GB50007-2011)
4、《钢结构设计规范》(GB50017-2003)。
三、荷载计算
1、水泥罐自重:8t ;满仓时水泥重量为100t 。
2、风荷载计算:
宜昌市50年一遇基本风压:ω0=0.3kN/㎡, 风荷载标准值: ωk =βz μs μz ω0
其中:βz =1.05,μz =1.25,μs =0.8,则:
ωk=βzμsμz ω0=1.05×0.8×1.25×0.3=0.315 kN/㎡
四、水泥罐基础计算
1、地基承载力验算
考虑水泥罐满仓时自重荷载和风荷载作用。
水泥罐满仓时自重荷载:G k =1000+80=1080kN
混凝土基础自重荷载:G ck=(3.2×3.2×1.0+4.2×3.2×0.5)×24=407kN
风荷载:风荷载作用点高度离地面12.5m,罐身高度15m,直径
2.7m。
F wk=0.315×15×2.7=12.8kN
风荷载对基底产生弯矩:M wk=12.8×(12.5+2)=185.6kN·m
基础底面最大应力:
p k,max= G ck+G k
bh+
M wk
W=
407+1080
4.2×3.2+
185.6
9.408=130.6kPa。
2、基础配筋验算(1) 基础配筋验算
混凝土基础底部配置Φ16钢筋网片,钢筋间距250mm,按照简支梁验算。
混凝土基础承受弯矩:M max=1.2×(1
8×207×3.2×1.91
2)=362kN
按照单筋梁验算:
αs= M max
f c bh02=
362×106
11.9×3200×8502= 0.013
ξ=1-1-2αs=1-1-2×0.013 =0.013<ξb=0.55
A s=f c bξh0
f y=
11.9×3200×0.013×850
300=1403mm
2
在基础顶部及底部均配筋13Φ16,A s
实=13×201=2613mm
2 >
A s=1403mm2,基础配筋满足要求。
(2) 基础顶部承压验算
考虑水泥罐满仓时自重荷载和风荷载作用。
迎风面立柱柱脚受力:
F1k= G k
4-
M wk
Z=
1080
4-
185.6
2.7=270-69=276kN
背风面立柱柱脚受力:
F2k= G k
4+
M wk
Z=
1080
4+
185.6
2.7=270+69=339kN
背风面立柱柱脚受力最大,F2d=1.2 F2k=406.8kN
基础顶部预埋件钢板尺寸600mm×600mm,混凝土承受压力:
σ= F2d
ab=
406.8×103
600×600=1.1MPa<f c=11.9MPa,基础顶部局部承压受
力满足要求。
五、空仓时整体抗倾覆稳定性计算
考虑水泥罐空仓时自重荷载和风荷载作用。
水泥罐空仓时自重荷载:G0k =80kN
混凝土基础自重荷载:G ck=256kN
倾覆力矩作用点取背风面基础边缘,安全系数:
K= 80×1.6+256×1.6
185.6= 2.9>1.5,水泥罐抗倾覆稳定性满足要求。
六、柱脚预埋件验算
空水泥罐在风荷载作用下,迎风面柱脚受拉力:
N k= M wk
Z-
G0k
4=
185.6
2.7-
80
4=69-20=49kN
风荷载在柱脚产生剪力:
V k= F wk
4=
12.8
4=3.2kN
柱脚预埋件承受拉剪共同作用,预埋件钢板尺寸600mm×600mm×20mm,锚栓共4根,直径24mm,A s=4×353=1809mm2。
预埋件锚栓面积需满足:
A s≥
V
αrαv f y+
N
0.8αb f y
αr=1.0, αv=(4.0-0.08d)f c/f y= (4-0.08×24) 11.9/215 =0.49 αb=0.6+0.25t/d=0.6+0.25×20/24=0.81,代入上式:
V
αrαv f y+
N
0.8αb f y=
1.2×3.2×103
1.0×0.49×215+
1.2×49×103
0.8×0.81×215=458mm
2
<A s=1809mm2, 预埋件共采用4根直径24mm锚栓,可以满足要求。
锚栓锚固长度:
l ab≥ α f y
f t d=0.16×215/1.27×24=650mm,实际锚固长度取750mm,可以满
足要求。
六、结论
1、水泥罐基础采用尺寸3.2m×3.2m×1.0m的C25钢筋混凝土基础,基础受力满足要求。
2、为保证水泥罐基础安全,要求混凝土基础地基承载力不得小于200kPa。
3、水泥罐在风荷载作用下的抗倾覆稳定性满足要求。
4、水泥罐柱脚预埋件强度满足要求。