锚索张拉计算书
- 格式:doc
- 大小:229.00 KB
- 文档页数:6
K28+600-K28+970段右侧边坡预应力锚索张拉计算书一、预应力锚索的主要设计参数和要求1.预应力锚索采用6¢s15.2高强度低松弛钢绞线,强度级别为1860Mpa,公称直径15.2mm,公称面积140mm2,弹性模量为195000N/mm2。
2.张拉预应力为600KN。
3. 预应力钢绞线的锚固段长均为8m,自由段为长度分别为4m、8m、10m、12m、14m、22m、34m。
千斤顶工作长度为0.6m。
4.张拉设备校准方程P=0.227X+0.4286P—压力指示器示值(MPa)X—标准张拉力值(KN)二、预应力钢绞线的张拉程序张拉预应力钢绞线的主要机具有油泵、千斤顶和油表,千斤顶和油表必须经过配套标定之后才允许使用,标定单位必须通过国家有关单位认可。
一般标定的有效期限为6个月或使用200次或发现有不正常情况也须重新标定。
张拉采用液压千斤顶27t进行单根、交叉张拉,张拉前先对钢绞线预调。
单根预调的目的是使一孔内的钢绞线达到顺直、受力均匀并具有一定的拉应力状态,消除钢绞线的非弹性变形,以便更好地控制张拉。
钢绞线张拉的简明工艺:预应力筋的张拉顺序:0→25%*бcon(初张拉)→50%*бcon→ 75%*бcon→100%*бcon→110%*бcon(锚固)三、钢绞线张理论拉伸长值及压力表读数计算1.计算公式△L=PL/AE式中:P 预应力钢绞线的平均张拉力(N)L 预应力钢绞线自由段及工作长度之和(mm)A 预应力钢绞线的公称面积,取140mm2E 预应力钢绞线的弹性模量,取195000N/mm22.理论伸长值及油表读数值计算:(当自由段长度为4m,千斤顶工作长度为0.6m时,计算式如下:)(1)当б=бcon*25%(初张拉)时张拉力:F=600/6*0.25KN=25KN=25000N理论伸长:△L=25000*(4000+600)/(6*140*195000)=0.7mm压力表读数:P=0.227X+0.4286=6.1 MPa(2)当б=бcon*50%时张拉力:F=600/6*0.5=50KN=50000N理论伸长:△L=50000*(4000+600)/(6*140*195000)=1.4mm压力表读数:P=0.227X+0.4286=11.8MPa(3)当б=бcon*75%时张拉力:F=600/9*0.75=75KN=75000N理论伸长:△L=75000*(4000+600)/(6*140*195000)=2.1mm压力表读数:P=0.227X+0.4286=17.5MPa(4)当б=бcon*100%时张拉力:F=600/6*1=100KN=100000N理论伸长:△L=100000*(4000+600)/(6*140*195000)=2.8m压力表读数:P=0.227X+0.4286=23.1MPa(5)当б=бcon*110%时张拉力:F=600/6*1.1=110KN=110000N理论伸长:△L=110000*(4000+600)/(6*140*195000)=3.1mm压力表读数:P=0.227X+0.4286=25.4MPa3.张拉的实际伸长值预应力筋采用应力控制方法张拉时,应以伸长值进行校核,实际伸长值与理论伸长值的差值应符合设计要求,设计无规定时,实际伸长值与理论伸长值的差值应控制在6%以内,否则应暂停张拉,待查明原因并采取措施予以调整后,方可继续张拉。
轨道交通环线冉家坝站风亭组锚索挡墙预应力锚索X拉计算书一、预应力锚索的主要设计参数和要求1.预应力锚索采用9Φs15.2高强度低松弛钢绞线,强度级别为1860Mpa,公称直径15.24mm,公称面积140mm2,弹性模量为195000N/mm2。
2.预应力钢绞线的设计施加应力为550KN。
3. 预应力钢绞线的锚固段长度不小于8m,自由段为长度数据如附图1-1,千斤顶工作长度为100cm。
附图1-1:锚索自由段长度统计表4.X拉设备校准方程P=0.022980F+0.409927P—压力指示器示值(MPa)F—标准力值(KN)二、预应力钢绞线的X拉程序X拉预应力钢绞线的主要机具有油泵、千斤顶和油表,千斤顶和油表必须经过配套标定之后才允许使用,标定单位必须通过国家有关单位认可。
一般标定的有效期限为6个月或使用300次或发现有不正常情况也须重新标定。
X拉采用液压千斤顶250t级进行X拉,X拉前先对钢绞线预调。
单根预调的目的是使一孔内的钢绞线达到顺直、受力均匀并具有一定的拉应力状态,消除钢绞线的非弹性变形,以便更好地控制X拉。
X拉过程中稳压持荷时间:分级稳压3 min,最后一级稳压不少于5min锁定。
简明工艺:锚具安装→一次X拉→…N次X拉→锁定。
X拉顺序:0→25%бcon→50%бcon→75%бcon→110%бcon 三、钢绞线X理论拉伸长值与压力表读数计算1.计算公式△L=PL/AE式中:P 预应力钢绞线的平均X拉力(N),L 预应力钢绞线的长度(mm)A 预应力钢绞线的公称面积,取140mm2E 预应力钢绞线的弹性模量,取195000N/mm22.理论伸长值与油表读数值计算(1)当施加压力=25%бcon=0.25*550KN=137.5KN时,伸长值与油表读数如下表:(2)当施加压力=50%бcon=0.5*550KN=275KN时,伸长值与油表读数如下表:(3)当施加压力=75%бcon=0.75*550KN=412.5KN时,伸长值与油表读数如下表:(3)当施加压力=110%бcon=1.1*550KN=605KN时,伸长值与油表读数如下表:3.X拉过程中的伸长值对比预应力钢绞线采用应力控制方法X拉时,应以伸长值进行校核,实际伸长值与理论伸长值的差值应符合设计要求,设计无规定时,实际伸长值与理论伸长值的差值应控制在±6%以内,否则应暂停X拉,待查明原因并采取措施予以调整后,方可继续X拉。
贵阳市南明区龙洞堡食品轻工业园一号路C段K0+680-800段边坡支护工程边坡锚索支护拉计算书太平洋建设集团有限公司贵阳食品轻工业园项目经理部边坡支护后张预应力锚索张拉计算书1.工程概况贵阳市南明区龙洞堡食品轻工业园一号路C段K0+680-800段高边坡支护工程,抗滑桩及格构梁支护部分均为16米后张预应力锚索支护,共52个孔,其中6束的为25个孔,8束的为27个孔,锚固段均为6米,锚索孔直径130mm,倾斜角度为25°。
钢垫板,尺寸为300×300×30mm。
预应力筋为φ15.2钢绞线,C30素混凝土封锚。
2.预应力筋张拉力计算根据设计要求,每根钢绞线的张拉力为100KN,则对于6-θS15.2钢绞线,每束张拉力为100×6=600KN,对于8-θS 15.2钢绞线,每束张拉力为100×8=800KN,最终张拉锁定值为设计的1.1 倍。
3.伸长值计算伸长值ΔL=P·LT /APEs式中:P——预应力筋的平均张拉力,取张拉端拉力与固定端(一端张拉)扣除孔道摩擦损失后的拉力平均值,即:P= Pj (1-e-(kx+μθ))/ kx+μθ对于直线P= PjLT——预应力筋的实际长度AP——预应力筋的截面面积Es——预应力筋的实测弹性模量Pj——张拉控制力.K——孔道局部偏摆系数,塑料波纹管建议取值0.003μ——预应力筋与孔道壁的摩擦系数,塑料波纹管建议取值0.14x——从张拉端至计算截面的孔道长度(以m计),可近似取轴线投影长度。
θ——从张拉端至计算截面曲线孔道部分切线的夹角(以弧度计)对一端张拉,θ取曲线孔道的总转角,对两端张拉,θ取曲线孔道总转角的一半锚索实际张拉力、油压表读数、延伸值计算(1)实际张拉力、延伸值计算根据钢绞线试验报告,测得钢绞线弹性模量为1.96×105,详见试块报告。
对中板N2预应力筋,将其从端部向中心方向分为(1)、(2)、(3)段,三段的计算长度分别为(177+37)㎝、157.1㎝、448.75㎝.其中第一段中因所用千斤顶的工作长度为25㎝,锚头厚度为5cm,工作锚厚度4.5㎝,限位板厚2.5cm,所以计算时应该加上上述工作长度37㎝. θ=0.157rad。
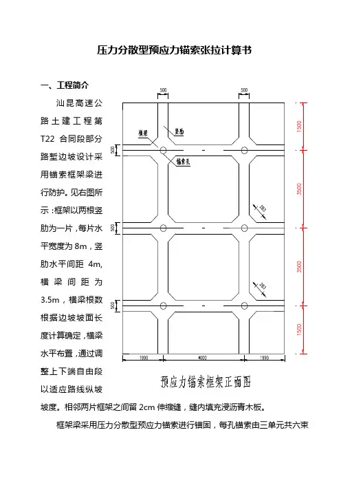
压力分散型预应力锚索张拉计算书一、工程简介汕昆高速公路土建工程第T22合同段部分路堑边坡设计采用锚索框架梁进行防护。
见右图所示:框架以两根竖肋为一片,每片水平宽度为8m,竖肋水平间距4m,横梁间距为3.5m,横梁根数根据边坡坡面长度计算确定,横梁水平布置,通过调整上下端自由段以适应路线纵坡坡度。
相邻两片框架之间留2cm伸缩缝,缝内填充浸沥青木板。
框架梁采用压力分散型预应力锚索进行锚固,每孔锚索由三单元共六束钢绞线组成,钢绞线采用直径15.24mm、强度1860MPa的高强度低松弛无粘结钢绞线。
每个单元锚索分别由两根无粘结钢绞线内锚于钢质承载体组成。
钢绞线通过特制的挤压簧(类似于夹片功能)和挤压套(类似于锚环功能)对称地锚固于钢质承载体上,其单根的连接强度大于200KN。
各单元锚索的固定长度分别为L1、L2、L3,共同组成复合型锚索的锚固段,且L1=L2=L3=5m。
为叙述及计算方便,命名对应锚固长度的单元为D1、D2、D3单元,其对应锚索长度为l1、l2、l3,且l1>l2>l3。
详见下图所示:注:为计算方便,上图中L1和L3标注与设计图纸标注位置相反,现场施工时需注意。
上图中,自由段长度根据边坡级数位置不同而有三种设计长度,分别为10m、15m和20m,其对应设置位置详见具体的边坡锚索框架防护设计图。
压力分散型锚索与一般拉力分散型锚索不同之处在于,压力分散型锚索由几个单元组成,各单元间锚索长度及其自由段长度不同,致使各单元间因自由段长度不同而产生伸长量不同。
因此,在进行整体分级张拉前,要先计算各单元间的差异伸长量和差异荷载增量,并先进行补足荷载张拉及预张拉。
二、差异荷载增量、差异伸长量和理论伸长量计算1、计算公式因压力分散型锚索各单元长度长短不一,故必须先计算相邻两单元之间的差异伸长量和差异荷载增量。
对于三单元共六束压力分散型锚索,其计算公式如下:差异伸长量:△L1-2=△L1-△L2, △L2-3=△L2-△L3;△L1=(σ/E)* L1, △L2 =(σ/E)* L2, △L3=(σ/E)* L3,σ=P/A 。
黄平至旧州改扩建工程项目预应力锚索框架梁防护工程锚索张拉计算书江西省路桥建设集团股份有限公司黄平至旧州改扩建工程第二合同项目经理部二〇一四年六月二十四日计算:复核:监理工程师:日期:二〇一四年六月二十四日边坡预应力锚索张拉计算书一、预应力锚索的主要设计参数和要求:1.预应力锚索采用6ΦS15.2高强度低松弛钢绞线,强度级别为1860MPa,公称直径15.24mm,公称面积140mm2,弹性模量为195000N/mm2。
2.预应力钢绞线的设计吨位为750KN,控制张拉力бcon为825KN。
3.预应力钢绞线的锚固段长均为8m,自由段长度为10m,千斤顶工作长度为0.35m。
4.张拉设备校准方程P=0.2193F+0.419P—压力指示器示值(MPa)F—标准力值(MN)二、预应力钢绞线的张拉程序张拉预应力钢绞线的主要机具有油泵、千斤顶和油表,千斤顶和油表必须经过配套标定之后才允许使用,标定单位必须通过国家有关单位认可。
一般标定的有效期限为6个月或使用200次或发现有不正常情况也须重新标定。
张拉采用液压千斤顶25T级进行张拉,张拉前先对钢绞线预调。
单根预调的目的是使一孔内的钢绞线达到顺直、受力均匀并具有一定的拉应力状态,消除钢绞线的非弹性变形,以便更好的控制张拉。
钢绞线张拉的简明工艺:预应力钢绞线的张拉顺序:0→15%б(初张拉)→50%б→75%б→100%б→110%бcon (锚固)三、钢绞线张拉理论伸长值及压力表读数计算1、计算公式△L =P L /AE其中:△L——预应力钢束理论伸长值,cmP——预应力钢束的平均张拉力,KNL——从张拉端至计算截面孔道长度(考虑千斤顶工作长度)。
A——预应力钢束的公称面积,取140mm2E——预应力钢束弹性模量,取195000N/ mm22.理论伸长值及油表读数值计算(1)当б=бcon×15%(初张拉)时张应力:F=750KN×15%=112.5KN理论伸长:△L=(750000×0.15)×(10000+350)/(6×140×195000)=7.11mm压力表读数:P=0.2193F(112.5)+0.419=25.09MPa(2)当б=бcon×50%时张应力:F=750KN×50%=375KN理论伸长:△L=(750000×0.50)×(10000+350)/(6×140×195000)=23.70mm压力表读数:P=0.2193F(375)+0.419=82.66MPa(3)当б=бcon×75%时张应力:F=750KN×75%=526.5KN理论伸长:△L=(750000×0.75)×(10000+350)/(6×140×195000)=35.54mm压力表读数:P=0.2193F(526.5)+0.419=115.88MPa(4)当б=бcon×100%时张应力:F=750KN×100%=750KN理论伸长:△L=750000×1.00×(10000+350)/(6×140×195000)=47.39mm压力表读数:P=0.2193F(750)+0.419=164.89MPa(5)当б=бcon×110%时张应力:F=750KN×110%=825KN理论伸长:△L=750000×1.10×(10000+350)/(6×140×195000)=52.13mm压力表读数:P=0.2193F(825)+0.419=181.34MPa3.张拉的实际伸长值预应力钢绞线采用应力控制方法张拉时,应以伸长值进行校核,实际伸长值与理论伸长值的差值应符合设计要求,设计无规定时,实际伸长值与理论伸长值的差值应控制在6%以内,否则应暂停张拉,待查明原因并采取措施予以调整后,方可继续张拉。
锚索张拉计算书轨道交通环线冉家坝站风亭组锚索挡墙预应力锚索张拉计算书一、预应力锚索的主要设计参数和要求1.预应力锚索采用9Φs15.2高强度低松弛钢绞线,强度级别为1860Mpa,公称直径15.24mm,公称面积140mm2,弹性模量为195000N/mm2。
2.预应力钢绞线的设计施加应力为550KN。
3. 预应力钢绞线的锚固段长度不小于8m,自由段为长度数据如附图1-1,千斤顶工作长度为100cm。
附图1-1:锚索自由段长度统计表4.张拉设备校准方程P=0.022980F+0.409927P—压力指示器示值(MPa)F—标准力值(KN)二、预应力钢绞线的张拉程序张拉预应力钢绞线的主要机具有油泵、千斤顶和油表,千斤顶和油表必须经过配套标定之后才允许使用,标定单位必须通过国家有关单位认可。
一般标定的有效期限为6个月或使用300次或发现有不正常情况也须重新标定。
张拉采用液压千斤顶250t级进行张拉,张拉前先对钢绞线预调。
单根预调的目的是使一孔内的钢绞线达到顺直、受力均匀并具有一定的拉应力状态,消除钢绞线的非弹性变形,以便更好地控制张拉。
张拉过程中稳压持荷时间:分级稳压3 min,最后一级稳压不少于5min锁定。
简明工艺:锚具安装→一次张拉→…N次张拉→锁定。
张拉顺序:0→25%бcon→50%бcon→75%бcon→110%бcon 三、钢绞线张理论拉伸长值及压力表读数计算1.计算公式△L=PL/AE式中:P 预应力钢绞线的平均张拉力(N),L 预应力钢绞线的长度(mm)A 预应力钢绞线的公称面积,取140mm2E 预应力钢绞线的弹性模量,取195000N/mm22.理论伸长值及油表读数值计算(1)当施加压力=25%бcon=0.25*550KN=137.5KN时,伸长值及油表读数如下表:(2)当施加压力=50%бcon=0.5*550KN=275KN时,伸长值及油表读数如下表:(3)当施加压力=75%бcon=0.75*550KN=412.5KN时,伸长值及油表读数如下表:(3)当施加压力=110%бcon=1.1*550KN=605KN时,伸长值及油表读数如下表:3.张拉过程中的伸长值对比预应力钢绞线采用应力控制方法张拉时,应以伸长值进行校核,实际伸长值与理论伸长值的差值应符合设计要求,设计无规定时,实际伸长值与理论伸长值的差值应控制在±6%以内,否则应暂停张拉,待查明原因并采取措施予以调整后,方可继续张拉。
YK48+045-115及YK47+885-980边坡预应力锚索张拉计算书一、预应力锚索的主要设计参数和要求1.预应力锚索采纳6¢高强度低废弛钢绞线,强度级别为1860Mpa,公称直径,公称面积140mm2,弹性模量为195000N/mm2。
2.预应力钢绞线的设计吨位650KN,控制张拉力бcon为715KN。
预应力钢绞线的锚固段长均为8m,自由段为长度为20m,千斤顶工作长度为。
4.张拉设施校准方程P=51.4500F+P—压力指示器示值(MPa)F—标准力值(MN)二、预应力钢绞线的张拉程序张拉预应力钢绞线的主要机拥有油泵、千斤顶和油表,千斤顶和油表一定经过配套标定以后才同意使用,标定单位一定经过国家相关单位认可。
一般标定的有效限期为6个月或使用200次或发现有不正常状况也须从头标定。
张拉采纳液压千斤顶100t级进行张拉,张拉前先对钢绞线预调。
单根预调的目的是使一孔内的钢绞线达到顺直、受力均匀并拥有必定的拉应力状态,除去钢绞线的非弹性变形,以便更好地控制张拉。
钢绞线张拉的简洁工艺:预应力筋的张拉次序:0→15%*бcon(初张拉)→210KN→430KN→715KN(锚固)三、钢绞线张理论拉伸长值及压力表读数计算1.计算公式L=PL/AE式中:预应力钢绞线的均匀张拉力(KN),预应力钢绞线的长度(mm)预应力钢绞线的公称面积,取140mm2预应力钢绞线的弹性模量,取195000N/mm22.理论伸长值及油表读数值计算(1)当б=бcon*15%(初张拉)时张拉力:F=715*==理论伸长:△L=715000**(20000+350)压力表读数:P=51.4500F+=MPa(2)当б=210KN时张拉力:F=210KN==理论伸长:△L=210000*(20000+350)压力表读数:P=51.4500F+=MPa(3)当б=430KN时张拉力:F=430KN=理论伸长:△L=430000*(20000+350)压力表读数:P=51.4500F+=MPa(4)当б=бcon=715KN时张拉力:F=715KN=理论伸长:△L=715000*(20000+350)压力表读数:P=51.4500F+=MPa3.张拉的实质伸长值预应力筋采纳应力控制方法张拉时,应以伸长值进行校核,实质伸长值与理论伸长值的差值应切合设计要求,设计无规准时,实质伸长值与理论伸长值的差值应控制在6%之内,不然应暂停张拉,待查明原由并采纳举措予以调整后,方可持续张拉。
****高速公路第***合同段里程桩号: **~*** 锚索张拉计算书编制:复核:审核:***有限公司***合同段项目经理部锚索张拉计算书1.编制依据1.1《***合同段两阶段施工图设计》;1.2《公路路基施工技术规范》(JTG F10-2006);1.3《公路工程质量检验评定标准》(土建工程)(JTGF80/1-2004);1.4其他现行法律、法规、标准等。
2.工程简介**合同段主线共设置锚索框架梁三处,设计每束6根钢绞线,锚索钢束采用符合国标《预应力混凝土用钢绞线》(GB/T5224-2003)标准的低松弛高强度钢绞线,公称直径为15.24㎜,截面积140mm²,抗拉强度标准值f pk=1860MPa,弹性模量E p=1.95×105MPa。
预应力钢绞线设计吨位650KN,控制张拉力为设计的1.05~1.1倍,即最大控制张拉力为715KN。
待混凝土强度达到设计强度的80%并且混凝土养生时间达到7天后方可进行张拉。
所有钢束均采用单根单端张拉,则单根钢绞线控制张拉力为δK=119.17KN,千斤顶工作长度按0.35m计算。
张拉顺序:0→0.1δK(初应力值作延伸量的标记)→0.3δK(测延伸量)→1.0δK(持荷5分钟、测延伸量)→δ锚固。
3.张拉设备⑴25t千斤顶二台;⑵压力表一只;⑶千斤顶回归方程:y=0.2156x-0.4(其中y表示油表读数,x表示张拉力)。
4.计算公式及参数预应力筋的理论伸长值计算公式及参数:△L=P P×L/(A P×E P)式中:P P—预应力筋张拉力(N);L —预应力筋的长度(mm)(自由长度+实际工作长度);A P—预应力筋的截面面积(mm2),取140mm2;E P—预应力筋的弹性模量(N/mm2),取1.95×105N/mm2。
①当张拉力δ=0.1δK=11.917KN时,油表读数为y=0.2156x-0.4=2.2MPa;②当张拉力δ=0.3δK=35.751KN时,油表读数为y=0.2156x-0.4=7.3MPa;③当张拉力δ=1.0δK=119.17KN时,油表读数为y=0.2156x-0.4=25.3MPa;预应力筋张拉伸长量见附件。
预应⼒锚索张拉计算书(⼿动张拉)预应⼒锚索张拉施⼯技术⽅案⼀、⼯程概况本合同段内K0+580-K0+720段左侧挖⽅边坡设计为预应⼒锚索格构体系,锚索采⽤6φj15.2预应⼒锚索,框架梁采⽤3×3m。
该段左侧路堑边坡地质⽐较复杂,情况主要为:左侧边坡上为⼭坡荒地,下伏地层为三叠系松⼦坎组(Tsz),岩性为灰⽩、浅紫光红⾊薄~中厚层泥质⽩云岩、为较硬岩,破碎岩体,边坡岩体类型为IV级。
开挖后易发⽣滑动、碎落和⼩规模溜滑。
为了保证边坡的稳定,需⽴即进⾏张⼒。
⼆、施⼯依据1、《混凝⼟结构⼯程规范》GB50666--2011;2、依据交通部颁发的《公路⼯程质量检验评定标准》(JTGF80-2004)2004版;3、依据贵州省建筑⼯程勘察设计院《施⼯图设计⽂件》;4、《预应⼒筋⽤锚具、夹具和连接器》GB/T14370;5、现⾏国家标准《预应⼒混凝⼟⽤钢绞线》GB/T5224。
三、施⼯⽇期2012年4⽉15⽇~2013年5⽉25⽇四、⼈员配置技术员1名、技术⼯⼈2⼈、普⼯6⼈五、设备配置六、施⼯⽅法张拉⾸先为验证锚索锚固⼒是否符合设计⽂件要求,张拉前进⾏单锚抗拔试验,切忌不能将千⽄顶配合钢板直接在边坡上试验,从⽽导致抗拔⼒失真。
张拉设备必须采⽤专⽤设备,并送相应资质单位标定,检验合格后⽅可投⼊使⽤。
待锚孔内的⽔泥浆和格构混凝⼟达到设计强度才能进⾏锚索预张拉。
张拉采⽤“双控法”即采⽤张拉系统出⼒与锚索体伸长值来综合控制锚索应⼒,以控制油表读书为准,⽤伸长值校核,实际伸长值与理论值差别应在±6%以内表明张拉正常,否则应查明原因并采取措施后⽅可进⾏张拉。
张拉步骤:锚索采⽤单根张拉,张拉程序按两次四级执⾏,每级按设计拉⼒的1/4张拉,两次张拉时间间隔不⼩于⼀天,张拉顺序按“跳墩”形式进⾏,即先张拉两边两根锚索后再张拉中间的⼀根锚索,张拉前安装好锚具,并使锚垫板和千⽄顶轴线与锚索轴线在⼀条直线上,且不可压弯锚头部分。
边坡预应力锚索张拉计算书SANY GROUP system office room 【SANYUA16H-YK48+045-115及YK47+885-980边坡预应力锚索张拉计算书一、预应力锚索的主要设计参数和要求1.预应力锚索采用6¢s15.2高强度低松弛钢绞线,强度级别为1860Mpa,公称直径15.24mm,公称面积140mm2,弹性模量为195000N/mm2。
2.预应力钢绞线的设计吨位650KN,控制张拉力бcon为715KN。
3.预应力钢绞线的锚固段长均为8m,自由段为长度为20m,千斤顶工作长度为0.35m。
4.张拉设备校准方程P=51.4500F+0.55P—压力指示器示值(MPa)F—标准力值(MN)二、预应力钢绞线的张拉程序张拉预应力钢绞线的主要机具有油泵、千斤顶和油表,千斤顶和油表必须经过配套标定之后才允许使用,标定单位必须通过国家有关单位认可。
一般标定的有效期限为6个月或使用200次或发现有不正常情况也须重新标定。
张拉采用液压千斤顶100t级进行张拉,张拉前先对钢绞线预调。
单根预调的目的是使一孔内的钢绞线达到顺直、受力均匀并具有一定的拉应力状态,消除钢绞线的非弹性变形,以便更好地控制张拉。
钢绞线张拉的简明工艺:预应力筋的张拉顺序:0→15%*бcon(初张拉)→210KN→430KN→715KN(锚固)三、钢绞线张理论拉伸长值及压力表读数计算1.计算公式△L=PL/AE式中:P预应力钢绞线的平均张拉力(KN),L预应力钢绞线的长度(mm)A预应力钢绞线的公称面积,取140mm2E预应力钢绞线的弹性模量,取195000N/mm22.理论伸长值及油表读数值计算(1)当б=бcon*15%(初张拉)时张拉力:F=715*0.15KN=107.25KN=0.10725MN理论伸长:△L=715000*0.15*(20000+350)/(6*140*195000)=13.32mm压力表读数:P=51.4500F+0.55=6.07MPa(2)当б=210KN时张拉力:F=210KN==0.21MN理论伸长:△L=210000*(20000+350)/(6*140*195000)=26.09mm 压力表读数:P=51.4500F+0.55=11.35MPa(3)当б=430KN时张拉力:F=430KN=0.43MN理论伸长:△L=430000*(20000+350)/(6*140*195000)=53.42mm 压力表读数:P=51.4500F+0.55=22.67MPa(4)当б=бcon=715KN时张拉力:F=715KN=0.715MN理论伸长:△L=715000*(20000+350)/(6*140*195000)=88.83mm 压力表读数:P=51.4500F+0.55=37.34MPa3.张拉的实际伸长值预应力筋采用应力控制方法张拉时,应以伸长值进行校核,实际伸长值与理论伸长值的差值应符合设计要求,设计无规定时,实际伸长值与理论伸长值的差值应控制在6%以内,否则应暂停张拉,待查明原因并采取措施予以调整后,方可继续张拉。
K28+600-K28+970段右侧边坡预应力锚索张拉计算书一、预应力锚索的主要设计参数和要求1.预应力锚索采用6¢s15.2高强度低松弛钢绞线,强度级别为1860Mpa,公称直径15.2mm,公称面积140mm2,弹性模量为195000N/mm2。
2.张拉预应力为600KN。
3. 预应力钢绞线的锚固段长均为8m,自由段为长度分别为4m、8m、10m、12m、14m、22m、34m。
千斤顶工作长度为0.6m。
4.张拉设备校准方程P=0.227X+0.4286P—压力指示器示值(MPa)X—标准张拉力值(KN)二、预应力钢绞线的张拉程序张拉预应力钢绞线的主要机具有油泵、千斤顶和油表,千斤顶和油表必须经过配套标定之后才允许使用,标定单位必须通过国家有关单位认可。
一般标定的有效期限为6个月或使用200次或发现有不正常情况也须重新标定。
张拉采用液压千斤顶27t进行单根、交叉张拉,张拉前先对钢绞线预调。
单根预调的目的是使一孔内的钢绞线达到顺直、受力均匀并具有一定的拉应力状态,消除钢绞线的非弹性变形,以便更好地控制张拉。
钢绞线张拉的简明工艺:预应力筋的张拉顺序:0→25%*бcon(初张拉)→50%*бcon→ 75%*бcon→100%*бcon→110%*бcon(锚固)三、钢绞线张理论拉伸长值及压力表读数计算第0 页共3 页1.计算公式△L=PL/AE式中:P 预应力钢绞线的平均张拉力(N)L 预应力钢绞线自由段及工作长度之和(mm)A 预应力钢绞线的公称面积,取140mm2E 预应力钢绞线的弹性模量,取195000N/mm22.理论伸长值及油表读数值计算:(当自由段长度为4m,千斤顶工作长度为0.6m时,计算式如下:)(1)当б=бcon*25%(初张拉)时张拉力:F=600/6*0.25KN=25KN=25000N理论伸长:△L=25000*(4000+600)/(6*140*195000)=0.7mm压力表读数:P=0.227X+0.4286=6.1 MPa(2)当б=бcon*50%时张拉力:F=600/6*0.5=50KN=50000N理论伸长:△L=50000*(4000+600)/(6*140*195000)=1.4mm压力表读数:P=0.227X+0.4286=11.8MPa(3)当б=бcon*75%时张拉力:F=600/9*0.75=75KN=75000N理论伸长:△L=75000*(4000+600)/(6*140*195000)=2.1mm压力表读数:P=0.227X+0.4286=17.5MPa(4)当б=бcon*100%时第1 页共3 页张拉力:F=600/6*1=100KN=100000N理论伸长:△L=100000*(4000+600)/(6*140*195000)=2.8m压力表读数:P=0.227X+0.4286=23.1MPa(5)当б=бcon*110%时张拉力:F=600/6*1.1=110KN=110000N理论伸长:△L=110000*(4000+600)/(6*140*195000)=3.1mm压力表读数:P=0.227X+0.4286=25.4MPa3.张拉的实际伸长值预应力筋采用应力控制方法张拉时,应以伸长值进行校核,实际伸长值与理论伸长值的差值应符合设计要求,设计无规定时,实际伸长值与理论伸长值的差值应控制在6%以内,否则应暂停张拉,待查明原因并采取措施予以调整后,方可继续张拉。
YK48+045-115及YK47+885-980边坡预应力锚索张拉计算书一、预应力锚索的主要设计参数和要求1.预应力锚索采用6¢s15.2高强度低松弛钢绞线,强度级别为1860Mpa,公称直径15.24mm,公称面积140mm2,弹性模量为195000N/mm2。
2.预应力钢绞线的设计吨位650KN,控制张拉力бcon 为715KN。
3. 预应力钢绞线的锚固段长均为8m,自由段为长度为20m,千斤顶工作长度为0.35m。
4.张拉设备校准方程P=51.4500F+0.55P—压力指示器示值(MPa)F—标准力值(MN)二、预应力钢绞线的张拉程序张拉预应力钢绞线的主要机具有油泵、千斤顶和油表,千斤顶和油表必须经过配套标定之后才允许使用,标定单位必须通过国家有关单位认可。
一般标定的有效期限为6个月或使用200次或发现有不正常情况也须重新标定。
张拉采用液压千斤顶100t级进行张拉,张拉前先对钢绞线预调。
单根预调的目的是使一孔内的钢绞线达到顺直、受力均匀并具有一定的拉应力状态,消除钢绞线的非弹性变形,以便更好地控制张拉。
钢绞线张拉的简明工艺:预应力筋的张拉顺序:0→15%*бcon(初张拉)→210KN→430KN→715KN(锚固)三、钢绞线张理论拉伸长值及压力表读数计算1.计算公式△L=PL/AE式中:P 预应力钢绞线的平均张拉力(KN),L 预应力钢绞线的长度(mm)A 预应力钢绞线的公称面积,取140mm2E 预应力钢绞线的弹性模量,取195000N/mm22.理论伸长值及油表读数值计算(1)当б=бcon*15%(初张拉)时张拉力:F=715*0.15KN=107.25KN=0.10725MN理论伸长:△L=715000*0.15*(20000+350)/(6*140*195000)=13.32mm压力表读数:P=51.4500F+0.55=6.07 MPa(2)当б=210KN时张拉力:F=210KN==0.21MN理论伸长:△L=210000*(20000+350)/(6*140*195000)=26.09mm 压力表读数:P=51.4500F+0.55=11.35 MPa(3)当б=430KN时张拉力:F=430KN=0.43MN理论伸长:△L=430000*(20000+350)/(6*140*195000)=53.42mm 压力表读数:P=51.4500F+0.55=22.67 MPa(4)当б=бcon =715KN时张拉力:F=715KN=0.715MN理论伸长:△L=715000*(20000+350)/(6*140*195000)=88.83mm 压力表读数:P=51.4500F+0.55=37.34 MPa3.张拉的实际伸长值预应力筋采用应力控制方法张拉时,应以伸长值进行校核,实际伸长值与理论伸长值的差值应符合设计要求,设计无规定时,实际伸长值与理论伸长值的差值应控制在6%以内,否则应暂停张拉,待查明原因并采取措施予以调整后,方可继续张拉。
轨道交通环线冉家坝站风亭组锚索挡墙
预应力锚索张拉计算书
一、预应力锚索的主要设计参数和要求
1.预应力锚索采用9Φs15.2高强度低松弛钢绞线,强度级别为1860Mpa,公称直径15.24mm,公称面积140mm2,弹性模量为195000N/mm2。
2.预应力钢绞线的设计施加应力为550KN。
3. 预应力钢绞线的锚固段长度不小于8m,自由段为长度数据如附图1-1,千斤顶工作长度为100cm。
4.张拉设备校准方程P=0.022980F+0.409927
P—压力指示器示值(MPa)
F—标准力值(KN)
二、预应力钢绞线的张拉程序
张拉预应力钢绞线的主要机具有油泵、千斤顶和油表,千斤顶和油表必须经过配套标定之后才允许使用,标定单位必须通过国家有关单位认
可。
一般标定的有效期限为6个月或使用300次或发现有不正常情况也须重新标定。
张拉采用液压千斤顶250t级进行张拉,张拉前先对钢绞线预调。
单根预调的目的是使一孔内的钢绞线达到顺直、受力均匀并具有一定的拉应力状态,消除钢绞线的非弹性变形,以便更好地控制张拉。
张拉过程中稳压持荷时间:分级稳压3 min,最后一级稳压不少于5min锁定。
简明工艺:锚具安装→一次张拉→…N次张拉→锁定。
张拉顺序:0→25%бcon→50%бcon→75%бcon→110%бcon
三、钢绞线张理论拉伸长值及压力表读数计算
1.计算公式
△L=PL/AE
式中:
P 预应力钢绞线的平均张拉力(N),
L 预应力钢绞线的长度(mm)
A 预应力钢绞线的公称面积,取140mm2
E 预应力钢绞线的弹性模量,取195000N/mm2
2.理论伸长值及油表读数值计算
(1)当施加压力=25%бcon=0.25*550KN=137.5KN时,伸长值及油表读数如下表:
(2)当施加压力=50%бcon=0.5*550KN=275KN时,伸长值及油表读数如下表:
(3)当施加压力=75%бcon=0.75*550KN=412.5KN时,伸长值及油表读数如下表:
(3)当施加压力=110%бcon=1.1*550KN=605KN时,伸长值及油表读数如下表:
3.张拉过程中的伸长值对比
预应力钢绞线采用应力控制方法张拉时,应以伸长值进行校核,实际伸长值与理论伸长值的差值应符合设计要求,设计无规定时,实际伸长值
与理论伸长值的差值应控制在±6%以内,否则应暂停张拉,待查明原因并采取措施予以调整后,方可继续张拉。
后附:1、油表校准证书
2、千斤顶检定证书
3、锚索孔位编号图
重庆松龙建筑(集团)公司
2013年11月7日。