工业地产开发行政审批流程图
- 格式:doc
- 大小:36.00 KB
- 文档页数:1
松江区产业项目行政审批流程图说明:1、行政审批流程分为6个主要环节:企业设立、土地储备、土地出让、设计方案审核、设计文件审查、竣工验收。
2、设计方案审核(★):除特殊项目外,建设工程设计方案免于审核。
区规划土地局在《上海市国有建设用地使用权出让合同》(简称《合同》)中注明是否免于审核,对于免于审核的,直接进入后续审批环节,相关部门以《合同》作为审查依据。
实行建设工程设计方案审核的项目,取消征询环节,区规划土地局直接进入方案审批。
3、并联审批①企业设立环节:由区工商分局牵头,组织区税务局、区质量技监局及可能涉及前置审批的区经委、区商旅委、区公安分局、区财政局、区人力资源社会保障局、区卫生局、区食药监局、区交通局、区文广影视局、区环保局等12个部门并联审批,承诺时限:5个工作日。
②土地出让环节:由区规划土地局牵头,征询区发展改革委、区经委、区环保局、区卫生局、消防支队、交警支队、区交通局、区建设交通委、区住房保障房屋管理局、区绿化市容局或区农委、区水务局、区文广影视局、区民防办等13个部门意见,承诺时限:5个工作日。
③设计文件审查环节:由区建设交通委牵头,征询区发展改革委、区规划土地局、区环保局、区卫生局、区交通局、交警支队、消防支队、抗震办、区民防办、区气象局等10个部门意见,承诺时限:12个工作日。
④竣工验收环节:由区建设交通委牵头,组织区发展改革委、区规划土地局、区环保局、区卫生局、消防支队、区交通局、城建档案办、区气象局等8个部门联合验收,承诺时限:15个工作日。
4、告知承诺除用途及危害因素较复杂的建设项目外,卫生学评价审核实行告知承诺。
节能评估和项目立项实行同步受理、同步审批;在受理项目立项核准时,对环评批复等评审评估审批意见实行告知承诺。
5、环评审批( * )按照《建设项目环境影响评价分类管理名录》,对执行环境影响报告书的项目,承诺时限:12个工作日;对执行环境影响报告表的项目,承诺时限:7个工作日;对执行环境影响登记表的项目,承诺时限:3个工作日。
工业用地项目审批流程(精)1. 申请工业企业为了追求更大的发展空间,在选址方面通常会选择在开发区内申请工业用地。
在开始申请工业用地之前,企业需要梳理项目方案,确定投资规模、建设内容、建设周期等各项基本情况,并整理出工业项目用地申请书。
用地申请书应当包括以下内容:•项目的基本信息,包括项目名称、建设地点、建设内容、建设规模等•用地需求情况,包括用地总面积、用地位置、土地用途等•项目的建设方案,包括建设内容、布局、设计标准及技术要求等•项目的总投资、资金来源及财务情况•建设周期及拟用地动态管理要求等其他相关内容同时应当附带资质证明、投资估算、环保、安全辅助材料等。
2. 受理受理部门应在5个工作日内审核申请文件是否齐全、符合要求。
若文件不完整或内容不合规,则需通知申请人进行补充或者修改。
符合要求的用地申请文件将被立即受理,并且受理部门应当发出正式的文件通知申请人,表示已经接受申请。
该文件应当包括受理单和告知书,告知书中应当说明相关流程、时间和基本注意事项等。
3. 评估评估主要是对申请企业进行资格审查、环境影响评价等,确保企业符合选择该用地条件。
通常需要完成的工作包括:•简单审查企业营业执照、税务登记证、组织机构代码等材料是否符合要求,确认企业是否具备工业用地条件•进行用地所在区的环境评价,制定环保措施和环境管理计划书,进行环评报告的审查•对企业的产品、技术、财务等方面进行全面评估,评价企业的综合实力和发展潜力评估完成后,评估部门将给出评审报告和意见,评审报告将会作为审批会的重要参考。
4. 展示展示会是保证用地审批公开透明的重要环节,对社会公众来说也是关心用地的重要渠道。
企业所在的区县级用地主管部门应当对用地申请情况进行公示,一般的公示时间为7天。
企业在这一期间内,有权向社会公示和宣传自己的工业用地项目,解答公众关于企业所在用地的方方面面疑问。
同时,社会各类组织和个人也可登记审核申请材料并向用地主管部门反映自己的问题和意见,供用地主管部门参考。
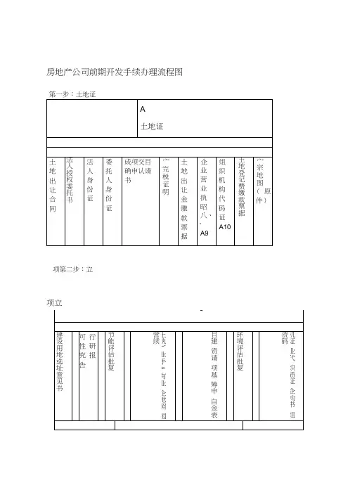
房地产公司前期开发手续办理流程图第一步:土地证
项第二步:立
项立
第三步:建设用地规划
第四步:建设工程规划
-2 -
第五步:项目建设工程施工许可证
项目工程报建表用地规划许可证、工程规划许可证中标通知书建设工程施工合同(原件)建设工程监理合同(原件)图纸审查报告项目B立项批复
建施工设计图纸审查合格证设工项目经理证(原件需抵押)程施各监理工程证书(原件需抵押)工施工许可证申请表许可资金保函(银行出具)证A1
建设工程项目选址意见书E
防雷审查合格证质量监督、安全委托手续商品混凝土购销合同施工单位近二年工程备案情况劳保、农民工、承发包、测定费用
第六步:商品房预售许可证
-3 -
第七步:房产证
A国有土地使用证
B复立项批
C建设用地规划许可证
D
建设工程规划许可证
房E 建设工程施工许可证
原
F 商品房预售许可证产件及竣工验收备案证复证印
组织机构代码证件G
企业营业执照法人代表证书法人身份证测绘平面图授权委托、委托人身份证-4 -。
房地产开发立项、报规、报建行政审批全流程第一部分房地产开发公司的准备工作在报行政机关审批之前,房地产开发公司应办理好土地出让手续,委托有资质的勘察对待建项目进行研究并制作报告书,应附有详细的规划设计参数和效果图,并落实足够的开发资金。
第二部分行政审批部分根据我国当前法律、法规、规章,房地产建设项目的行政许可程序一般共分六个阶段:1)选址定点;2)规划总图审查及确定规划设计条件;3)初步设计及施工图审查;4)规划报建图审查;5)施工报建;6)建设工程竣工综合验收备案。
一、选址定点阶段。
此阶段一般办理以下事项:1、计委审查可行性研究报告和进行项目立项。
2、国土资源局进行土地利用总体规划和土地供应方式的审查。
3、建委办理投资开发项目建设条件意见书。
4、环保局办理生产性项目环保意见书(表)。
5、文化局、地震局、园林局、水利局对建设工程相关专业容和围进行审查。
6、规划部门办理项目选址意见书。
二、规划总图审查及确定规划设计条件阶段,此阶段办理以下一般事项:1、人防办进行人防工程建设布局审查。
2、国土资源局办理土地预审。
3、公安消防支队、公安交警支队、教育局、水利局、城管局、环保局、园林局、文化局对建设工程相关专业容和围进行审查。
4、规划部门对规划总图进行评审,核发《建设用地规划许可证》。
5、规划部门确定建设工程规划设计条件。
三、初步设计和施工图设计审查,此阶段办理以下一般事项:1、规划部门对初步设计的规划要求进行审查。
2、公安消防支队对初步设计的消防设计进行审查。
3、公安局交警支队对初步设计的交通条件进行审查。
4、人防办对初步设计的人防设计进行审查。
5、国土资源局进行用地预审。
6、市政部门、环保局、卫生局、地震局等相关部门对初步设计的相关专业容进行审查。
7、建委制发初步设计批复,并对落实初步设计批准文件的要求进行审查。
8、建委对施工图设计文件进行政策性审查,根据业主单位意见,核发技术性审查委托通知单。
9、建委根据施工图设计文件审查机构发出的《建设工程施工图设计文件审查报告》,发放《建设工程施工图设计文件审查批准书》。
工业新建项目建设报批流程图一、土地挂拍前注:外资企业土地挂拍报名凭发改局出具的《开展项目前期工作的通知》即可办理,项目立项待取得《土地拍卖确认书》后再办理。
二、土地挂拍后建设报批所需文件及收费标准一、办理项目选址意见书(个工作日)(区规划局)、项目选址申请表一式二份、建设项目位置图(有坐标)、工业项目附预审意见、内部初审意见及红线图、建设项目选址意见书二、办理规划建筑设计方案审定意见书(个工作日)(区规划局)、规划建筑设计方案报批申请表份、立项批文、规划建筑设计方案文本图纸份、招标、挂牌、拍卖设计条件和挂牌成确认书、厂房不足三层申请或变更申请(镇政府确认)三、办理用地许可证(个工作日)(区规划局)、建设用地规划许可证申请表一式两份(有关部门意见)、立项批文复印件一份、用地红线图十份(村委会、区建所、用地单位盖章)、总平面图一份、出让成交确认书、组织机构代码证四、办理建设工程施工图纸设计、抗震设计文件审查()工作日)(区住建局)1、岩土勘察报告2、全套完整施工图套、总平图张(光盘张加完整计算机)3、完整的计算书(包括结构、建筑,需打印机)4、勘察、设计合同(甲方与设计院和勘察院分别签订合同的复印件)5、资质证书(设计院、勘察院资质证书复印件)6、区外勘察、设计单位进市资质核验(省外的勘察单位需提交相城区监管处接收单)收费标准:抗震审图费:厂房元每平方米,非厂房每平方米,抗雷费元平方米(区气象局)五、办理建筑规划证(个工作日)(区规划局)1、建设工程规划许可证申请表一式三份2、(建设用地规划许可证)复印件及红线图各一份3、土地证复印件一份4、建设项目规划设计总图、建设施工图、基础图各一份(光盘)每层厂房面积5、(设计方案审定意见书)6、或至地形图份7、放、验收成果单(图)8、给排水总图各一份收费标准:白蚂蚁防治费:元平方米(区住建局)人防费元平方米(宿舍及办公楼不减免,厂房免收)(区住建局) 墙改费:元平方米(宿舍及办公楼不减免)(区经信局)六、办理工程施工许可证(个工作日)(区住建局)1、建设许可证申请表2、建设工程立项批文3、建设工程用地、规划许可证4、施工图设计审查批准书5、招标投标备案书或直接发包备案书及施工合同6、项目经理资格证书7、监理合同或已审查核准工程项目建设管理单位资格审查申请表8、质量、安全监督通知书9、现场踏勘证明10、民工工资担保证明11、安全施工措施。
一张图看懂房地产开发流程房地产开发流程一、项目土地出让阶段二、建设用地规划许可阶段三、建设工程规划许可阶段四、建筑工程施工许可阶段五、商品房预售阶段六、综合验收阶段(竣工交付)七、办理不动产阶段项目获取行政划拨转让出让(招、拍、挂、协议)立项获取土地拍卖步骤:编制拍卖文件发布拍卖公告出售拍卖文件组织现场踏勘受理竞买申请审查竞买资格举办拍卖会公布成交结果签订出让合同核准制备案制审批制政府投资项目、银行政策性贷款项目、外国政府贷款项目企业自主投资的一般项目,采用备案制企业自主投资的对经济社会有重大影响的项目、外商投资项目项目备案土地使用权出让合同或建设用地批准文件等营业执照复印件或法人证明材料、企业资质证明材料项目备案报告附项目备案表备注:项目申请人基本情况、拟建项目基本情况、资源利用和能源耗用分析、生态环境影响分析建设用地规划许可证建筑设计方案及初步设计批复(二合一审查)办理建设用地批准证书、不动产证(土地证)不动产证用地批准书契税、印花税缴纳土地测绘(可委托先做)交地协议土地款缴纳领取不动产证权籍调查建设项目选址意见书或规划条件(包括附图),出让土地项目同步提供含规划条件的土地出让合同(须提供原件核对)项目立项批准、核准或备案文件(须提供原件核对)工商营业执照活组织机构代码证复印件(加盖单位公章),授权委托书,委托身份证明(须提供原件核对)《建设工程方案设计审1/ 8查申请表》特殊情况需要提供的其他资料相关行政主管部门审查意见等资料规划公示材料,包括现场公示图片,社区反馈意见景观分析报告(拟批建设项目处于城市规划确定的景观控制区时提供)日照分析成果相应资质的设计单位编制的含方案说明书,效果图,总平面图,建筑方案图等的设计方案文本一套(同时提交电子文件一份)方案设计/500(范围较大时1/1000)总平面蓝图二份有效土地权属证明(存量土地提供土地证、新征土地视情况提供用地规划许可证)(须提供原件核对)施工图图审机构摇号建设工程规划许可证(建筑类)立项批文地址勘察报告(详勘)完成设计单位和设计方案已确定摇号条件摇号所需资料(均盖公章)营业执照或组织机构代码证复印件授权委托书工程勘察文件审查申请表经办人员身份证复印件立项批文复印件特殊情况需要提供其他资料需公示项目的公示材料,包现场公示图片,社区反馈意见。
房地产开发立项、报规、报建行政审批全流程第一部分房地产开发公司的准备工作在报行政机关审批之前,房地产开发公司应办理好土地出让手续,委托有资质的勘察对待建项目进行研究并制作报告书,应附有详细的规划设计参数和效果图,并落实足够的开发资金。
第二部分行政审批部分根据我国当前法律、法规、规章,房地产建设项目的行政许可程序一般共分六个阶段:1)选址定点;2)规划总图审查及确定规划设计条件;3)初步设计及施工图审查;4)规划报建图审查;5)施工报建;6)建设工程竣工综合验收备案。
一、选址定点阶段。
此阶段一般办理以下事项:1、计委审查可行性研究报告和进行项目立项。
2、国土资源局进行土地利用总体规划和土地供应方式的审查。
3、建委办理投资开发项目建设条件意见书。
4、环保局办理生产性项目环保意见书(表)。
5、文化局、地震局、园林局、水利局对建设工程相关专业容和围进行审查。
6、规划部门办理项目选址意见书。
二、规划总图审查及确定规划设计条件阶段,此阶段办理以下一般事项:1、人防办进行人防工程建设布局审查。
2、国土资源局办理土地预审。
3、公安消防支队、公安交警支队、教育局、水利局、城管局、环保局、园林局、文化局对建设工程相关专业容和围进行审查。
4、规划部门对规划总图进行评审,核发《建设用地规划许可证》。
5、规划部门确定建设工程规划设计条件。
三、初步设计和施工图设计审查,此阶段办理以下一般事项:1、规划部门对初步设计的规划要求进行审查。
2、公安消防支队对初步设计的消防设计进行审查。
3、公安局交警支队对初步设计的交通条件进行审查。
4、人防办对初步设计的人防设计进行审查。
5、国土资源局进行用地预审。
6、市政部门、环保局、卫生局、地震局等相关部门对初步设计的相关专业容进行审查。
7、建委制发初步设计批复,并对落实初步设计批准文件的要求进行审查。
8、建委对施工图设计文件进行政策性审查,根据业主单位意见,核发技术性审查委托通知单。
9、建委根据施工图设计文件审查机构发出的《建设工程施工图设计文件审查报告》,发放《建设工程施工图设计文件审查批准书》。
工业项目基本建设审批流程图
工业项目基本建设审批流程图
一、项目建议书审批
1、应用单位或有关部门提出项目建议书,并申报相关材料;
2、行业主管部门审查并报经主管批准;
3、报批可行性研究报告或设计任务书,附可行性研究报告或设计任务书以及有关资料;
4、审批可行性研究报告或设计任务书,并确定筹建日期。
二、选址规划审批
1、提交选址意见书申请表、计划任务书、建设用地许可证和地形图等材料;
2、核发选址意见书。
三、建设工程规划审批
1、提交申请表、计划任务书、批准的工程设计图纸等材料;
2、审核报批材料,现场踏勘,符合规划要求的,核发建设工程规划许可证。
四、开工审批
1、提交开工申请表、年度计划安排意见、资金落实证明等材料;
2、审核报批材料,核发开工许可证。
五、施工图设计审批
1、提交施工图设计文件及有关资料;
2、施工图设计文件审查机构对施工图进行审查,并出具审查报告;
3、行业主管部门审核并报经批准。
六、初步设计审批
1、提交初步设计文件及有关资料;
2、初步设计文件审查机构对初步设计文件进行审查,并出具审查报告;
3、行业主管部门审核并报经批准。
七、施工招标投标审批
1、提交招标投标申请表、项目计划书、资金落实证明等材料;
2、审核报批材料,核发招标文件;
3、监督招标投标活动,确定中标单位并报经批准。
八、建设工程施工许可证审批
1、提交建设工程施工许可证申请表、土地使用证、建设工程规划许可证等材料;
2、审核报批材料,核发建设工程施工许可证。
以上就是工业项目基本建设审批流程图的主要内容,希望能够帮助到大家。
房地产开发项目行政审批流程示意图文件各县(市)、区人民政府,各开发区(园区、管理区、工业区)管委会,市政府有关部门,市直有关单位:《唐山市房地产开发项目行政审批流程示意图》(下列简称《流程图》)、《唐山市房地产开发项目工程施工图设计文件联合审查管理办法》(下列简称《施工图设计文件审查办法》)、《唐山市房地产开发项目竣工联合验收管理办法》(下列简称《竣工联合验收办法》)已经2009年3月19日市政府十三届22次常务会议审议通过,现印发你们并向社会公布。
各县(市)区、各有关部门,要结合市政府《关于印发<唐山市房地产业行政审批与收费制度改革实施方案>的通知》(唐政发〔2009〕10 号)、市政府办公厅《关于公布保留的房地产开发行政审批与备案事项目录的通知》(唐政办〔2009〕28号)与《关于公布保留的31项涉及房地产开发收费(基金)项目的通知》(唐政办〔2009〕29号)要求,认真贯彻实施。
现就有关问题提出如下要求:一、各县(市)区、各有关部门,要参照《流程图》、《施工图设计文件审查办法》、《竣工联合验收办法》,对本地、本部门现行的审批流程进行全面审查,凡与《流程图》、《施工图设计文件审查办法》、《竣工联合验收办法》要求不相符的,要抓紧进行调整、修订,并向社会公布,同意群众监督。
二、要按照转变政府职能、转变管理方式的要求,进一步创新与优化行政审批流程,不断提高行政审批效能,努力建设廉洁高效机关。
三、要按照市场监管、公共服务的职责,严格履行服务、监督职责,促进房地产市场持续健康进展。
此通知。
附:1、唐山市房地产开发项目行政审批流程示意图;(略)2、《唐山市房地产开发项目行政审批流程示意图》说明;3、唐山市房地产开发项目施工图设计文件联合审查管理办法;4、唐山市房地产开发项目竣工联合验收管理办法唐山市监察局唐山市建设局二○○九年三月二十五日附2:唐山市房地产开发项目行政审批流程示意图说明本流程示意图,根据市政府《关于印发<唐山市房地产业行政审批与收费制度改革实施方案>的通知》(唐政发〔2009〕10号)、市政府办公厅《关于公布保留的房地产开发行政审批与备案事项目录的通知》(唐政办〔2009〕28号)与《关于公布保留的31项涉及房地产开发收费(基金)项目的通知》(唐政办〔2009〕29号)文件,以《河北省房地产开发项目行政审批流程示意图》为纲,结合我市实际,在综合市直有关部门意见的基础上绘制。
项目开发整体操作流程(一)投资决策
项目开发整体操作流程(二)规划设计
[键入文字]
[键入文字] 项目开发整体操作流程(三)建设实施
项目开发整体操作流程(四)竣工交付
[键入文字]
[键入文字]
总体规划设计方案审核工作流程
申领《建设用地规划许可证》及《建设用地批准书》
工作流程
[键入文字]
[键入文字]
勘察及初步设计工作流程
[键入文字]
[键入文字]
园林景观规划工作流程
环境影响评价报告书工作流程情况一情况二
[
申领《建设工程规划许可证》工作流程
建设工程项目招标一般流程
[键入文字]
申办《建设工程施工许可证》工作流程
申办《市政管线工程规划许可证》工作流程
[键入文字
]
申办《建设工程竣工规划验收》 及《房屋产权登记》监督流程
竣 期
物业管理及移交工作流程
申办新建住宅《交付使用许可证》审核工作流程
[键入文字]。
一、项目投资可行性分析(一)工作目的:通过全面系统地研讨,在房地产市场的不确定性和机动性的现状中,通过科学地论证,取得房地产市场真实的供求状况和发展趋势,从而选择优化方案决定开发项目的选择和合理科学的实施方案。
(二)报告应包括的主要内容:1、项目提出的背景2、市场需求预测3、项目提出的必要性4、可行性研究的依据和范围范围应包括:(1)项目发展前景和经济社会效益(2)界址的选择:地理位置、选址理由(3)拟建规模及建造条件:规模、市政设施条件、水文地质条件(4)项目建设方案○1建筑:规划要求;总图布置;建筑设计方案(设计理念、设计依据、建筑平面的功能布置;建筑造型设计;主要经济技术指标)○2结构:设计依据(工程概况、主要规范);设计条件(地质、荷载取用、结构类型、可行性研究与建议)○3室内配套功能:给水;排水;采暖;制冷;通风;人防;电气(强电、弱点);防火;消防;环保;节能;电梯5、组织机构及人员配置6、项目投资概算:概算编制依据;概算内容及深度;建安工程造价分析;市政配套及间接费用分析7、经济评价:(1)各项财务基础数据:实施进度;投资概算和资金来源;成测算本(2)财务分析:财务盈利能力分析;清偿能力的评估;主要技术经济指标(3)财务评价结论(4)结论:损益;现金流量;项目成本一、项目投资可行性分析流程图目的与方法二、开发项目投资计划(一)工作目的:投资计划是房地产开发项目立项的法律文件,是项目前期工作的要件之一。
(二)主管部门:区发改局投资计划科(总投资3000万以下);市发改局投资计划处窗口(总投资3000万以上)(三)工作内容:提出年度投资计划书面报告;填写《房地产开发投资计划申请表》。
(四)要件:申报建设投资计划前需先取得土地主管部门批复的土地用权的相关文件,以及规划主管部门批复的详细性规划或规划方案。
1、《国有土地使用合同》或《国有土地使用证》或《建设用地批准书》;2、规划主管部门批准的规划方案和规划成果通知书;3、银行出具的资金证明。
工业地产开发流程第一:房地产开发公司的设立房地产开发公司设立阶段的法律程序一、资房地产综合开发公司的设立1、公司设立准备;2、申请资质等级审批;3、申请办理企业名称预先核准;4、办理工商注册登记;5、办理税务登记二、外资房地产开发公司的设立6、申请批准项目建议书;7、办理企业名称登记;8、送审合资或合作合同、章程;9、申领外商投资企业批准证书;10、办理企业登记「开发公司设立阶段的相关税费」1、企业法人开业登记费;2、企业法人变更登记费;3、企业法人年度检验费;4、补、换、领证照费第二:开发项目的立项和可行性研究:房地产开发项目的立项和可行性研究阶段的法律程序1、选定项目,签定合作意向书;2、初步确定开发方案;3、申报规划要点;4、申报、审批项目建议书;5、编制项目可行性研究报告;6、申报、审批项目可行性研究报告「项目立项和可行性研究阶段的相关税费」1、可行性研究费;2、建立工程规划许可证执照费第三:开发项目的规划设计和市政配套●开发项目规划设计和市政配套阶段的法律程序一、房地产开发项目的规划设计1、申报选址定点;2、申报规划设计条件;3、委托作出规划设计方案;4、办理人防审核;5、办理消防审核;6、审定规划设计方案;7、住宅设计方案的专家组审查;8、落实环保“三废〞治理方案;9、委托环境影响评价并报批;10、建立工程勘察招、投标;11、委托地质勘探;12、委托初步设计;13、申报、审定初步设计二、房地产开发项目的市政配套14、征求主管部门审查意见;15、落实市政公用设施配套方案;16、报审市政配套方案;17、市政各管理部门提出市政配套意见;18、市政管线综合●开发项目规划设计和市政配套阶段的相关税费:1、工程勘察〔测量〕费;2、工程设计费;3、建立工程规划许可证执照费;4、竣工档案保证金;5、临时用地费;6、临时建立工程费;7、建立工程勘察招标管理费;8、勘察设计监视管理费;9、古建园林工程设计费第四:开发项目土地使用权的取得●取得开发项目土地使用权的法律程序一、国有土地使用权的出让:1、办理建立用地规划许可证;2、办理建立用地委托钉桩;3、办理国有土地使用权出让申请;4、主管部门实地勘察;5、土地估价报告的预审;6、委托地价评估;7、办理核定地价手续;8、办理土地出让审批;9、签订国有土地使用权出让合同;10、领取临时国有土地使用证;11、领取正式国有土地使用证;12、国有土地使用权出让金的返还二、国有土地使用权的划拨:13、国有土地使用权划拨用地申请、14、主管部门现场勘察、15、划拨用地申请的审核、报批、16、取得划拨用地批准三、集体土地的征用:17、征用集体土地用地申请、18、到拟征地所在区〔县〕房地局立案、19、签订征地协议、20、签订补偿安置协议、21、确定劳动力安置方案、22、区〔县〕房地局审核各项协议、23、市政府下文征地、24、交纳菜田基金、耕地占用税等税费、25、办理批地文件、批地图、26、办理冻结户口、27、调查户口核实劳动力、28、办理农转工工作、29、办理农转居工作、30、办理超转人员安置工作、31、地上物作价补偿工作、32、征地结案●取得房地产开发项目土地使用权的相关税费:1、地价款〔土地出让金〕;2、资金占用费;3、滞纳金;4、土地使用费;5、外商投资企业土地使用费;6、防洪工程建立维护管理费;7、土地闲置费;8、土地权属调查、地籍测绘费;9、城市土地使用税;10、地价评估费;11、出让土地预订金;12、征地管理费;13、土地补偿费;14、青苗与树木补偿费;15、地上物补偿费;16、劳动力安置费;17、超转人员安置费;18、新菜田开发建立基金;19、耕地占用税第五:房地产开发项目的拆迁安置●开发项目拆迁安置阶段的法律程序:1、委托进展拆迁工作、2、办理拆迁申请、3、审批、领取拆迁许可证、4、签订房屋拆迁责任书、5、办理拆迁公告与通知、6、办理户口冻结、7、暂停办理相关事项、8、确定拆迁安置方案、9、签订拆迁补偿书面协议、10、召开拆迁发动会,进展拆迁安置、11、发放运作拆迁补偿款、12、拆迁施工现场防尘污染管理、13、移交拆迁档案资料、14、房屋拆迁纠纷的裁决、15、强制拆迁●开发项目拆迁安置阶段的相关税费:1、房屋拆迁补偿费;2、搬家补助费;3、提前搬家奖励费;4、临时安置补助费〔周转费〕;5、清理费;6、停产停业综合补助费;7、对从城区位置较好的地区迁往位置较差的地区或远郊区县的居民的补助费;8、一次性异地安置补助费;9、房屋拆迁管理费;10、房屋拆迁效劳费第六:项目的开工、建立、竣工阶段●项目开工、建立、竣工阶段的法律程序一、房地产开发项目开工前准备工作:1、领取房地产开发项目手册、2、项目转入正式计划、3、交纳煤气〔天然气〕厂建立费、4、交纳自来水厂建立费、5、交纳污水处理厂建立费、6、交纳供热厂建立费、7、交纳供电贴费与电源建立集资费、8、土地有偿出让项目办理“四源〞接用手续、9、设计单位出报批图、10、出施工图、11、编制、报送工程档案资料,交纳档案保证金、12、办理消防审核意见表、13、审批人防工程、办理人防许可证、14、核发建立工程规划许可证、15、领取开工审批表,办理开工登记二、房地产开发项目的工程建立招投标:16、办理招标登记、招标申请、17、招标准备、18、招标通告、19、编制招标文件并核准、20、编制招标工程标底、21、标底送审合同预算审查处确认、22、标底送市招标办核准,正式申请招标、23、投标单位资格审批、24、编制投标书并送达、25、召开招标会,勘察现场、26、召开开标会议,进展开标、27、评标、决标、28、发中标通知书、29、签订工程承包合同、30、工程承包合同的审查三、房地产开发项目开工手续的办理:31、办理质量监视注册登记手续、32、建立工程监理、33、办理开工统计登记34、交纳实心黏土砖限制使用费、35、办理开工前审计、36、交纳投资方向调节税、37、领取固定资产投资许可证38、报装施工用水、电、路、39、协调街道环卫部门、40、协调交通管理部门、41、交纳绿化建立费,签订绿化协、42、领取建立工程开工证四、房地产开发项目的工程施工:43、施工场地的“三通一平〞、44、施工单位进场和施工暂设、45、工程的根底、结构施工与设备安装、46、施工过程中的工程质量监视五、房地产开发项目的竣工验收:47、办理单项工程验收手续、48、办理开发项目的综合验收,领取《工程质量竣工核验证书》、49、商品住宅性能认定、50、竣工统计登记、51、办理竣工房屋测绘、52、办理产权登记●项目开工、建立、竣工阶段的相关税费:1、三通一平费、2、自来水厂建立费、3、污水处理厂建立费、4、供热厂建立费、5、煤气厂建立费、6、地下水资源养蓄基金、7、地下热水资源费、8、市政、公用设施建立费〔大市政费〕、9、开发管理费、10、城建综合开发项目管理费、11、建筑行业管理费、12、绿化建立费、13、公园建立费、14、绿化补偿费、15、路灯维护费、16、环卫设施费、17、生活效劳设施配套建立费〔小区配套费〕、18、电源建立集资费〔用电权费〕、19、外部供电工程贴费〔电贴费〕、20、建安工程费、21、建立工程招投标管理费、22、合同预算审查工本费、23、质量管理监视费、24、竣工图费、25、建材开展补充基金、26、实心黏土砖限制使用费、27、工程监理费28、工程标底编制管理费、29、机电设备委托招标效劳费、30、超计划用水加价、31、夜间施工噪声扰民补偿费32、占道费、33、固定资产投资方向调节税第七:开发项目的经营阶段●开发项目经营阶段的法律程序一、外销商品房的销售:1、办理《外销商品房预〔销〕售许可证》;2、选定中介代理机构和律师事务所;3、与购房者签订认购书;4、签订正式买卖契约;5、办理签约公证;6、办理外销商品房预售契约公证;7、办理外销商品房的预售登记;8、外销商品房转让登记;9、外销商品房抵押登记;10、楼宇交付入住手续;11、办理产权过户手续二、销商品房的销售:12、提交完成建立项目投资证明、13、签署预售销商品房预售款监管协议、14、办理《销商品房预〔销〕售许可证》、15、销售项目备案、16、委托中介代理机构进展销售、17、与购房者签订认购书、18、与购房者签订买卖契约、19、办理预售登记、20、办理转让登记、21、办理房地产抵押登记手续、22、楼宇交付入住23、质量保证书和使用说明书、24、办理产权立契过户手续三、房地产出租的综合管理:25、房屋出租权确实认、26、申请房屋租赁许可证、27、出租人与承租人签订书面承租协议、28、租赁当事人办理租赁登记手续、29、租赁房屋的转租、30、房屋租赁关系的终止四、房地产出租的专项管理:31、房屋出租权确实认、32、出租人办理房屋租赁许可证、33、出租人办理《房屋租赁平安合格证》、34、签订书面租赁协议、35、租赁双方办理租赁登记备案手续五、房地产的抵押:36、抵押权的设定、37、签订抵押合同、38、办理房地产抵押登记、39、抵押房地产的占管、40、抵押房地产的处分●开发项目经营阶段的相关税费:1、营业税、2、城市维护建立税、3、教育费附加、4、印花税、5、契税、6、土地增值税、7、企业所得税、8、个人所得税、9、房产税、10、城市房地产税、11、房屋产权登记费、12、房屋所有权证工本费、13、房产共有权执照费、14、房屋他项权利执照费、15、房屋买卖登记费、16、房屋买卖手续费、17、房屋租赁审核备案手续费、18、租赁房屋审核备案手续费、19、租赁私房合同登记备案手续费、20、房屋租赁登记费、21、房屋估价手续费、22、房屋公证估价手续费、23、房地产价格评估费、24、房地产中介效劳费第八:开发项目的物业管理阶段●开发项目物业管理阶段的法律程序:1、物业管理单位经营资质审批;2、签署物业管理委托合同;3、居住小区的物业接收综合验收;4、物业使用、管理、维修公约的核准;5、安排签订管理公约;6、制定、提供质量保证书和使用说明书;7、物业管理效劳根本要求;8、物业管理委员会的设立●开发项目物业管理阶段的相关税费:1、居住小区物业管理启动经费;2、共用部位共用设施设备维修基金;3、普通居住小区物业管理费;4、高档住宅物业管理费;5、经济适用住房小区物业管理费。