集中供热管道检验批表格格汇总情况
- 格式:doc
- 大小:130.00 KB
- 文档页数:10
(完整版)供暖系统安装分部、分项、检验批划分表一、引言供暖系统的安装分部、分项、检验批划分表是为了对供暖系统的安装工程进行细分和管理,确保供暖系统的顺利安装和运行,提供良好的暖气条件。
本文档详细列出了供暖系统的各个分部、分项、检验批的划分及其对应的工作内容。
二、系统划分1. 供热主机系统该系统主要包括供热主机的安装和调试,具体划分如下:- 分部1: 供热主机安装- 分项1: 主机设备安装- 分项2: 主机管道布置- 分项3: 主机附件安装- 分部2: 供热主机调试- 分项1: 系统泄漏测试- 分项2: 主机启动与停机测试- 分项3: 流量、温度等调试2. 配管系统该系统主要包括供热管道和阀门的安装和调试,具体划分如下:- 分部1: 供热管道安装- 分项1: 管道材料准备- 分项2: 管道布置和连接- 分项3: 管道固定与支承- 分部2: 阀门安装与调试- 分项1: 阀门选择和采购- 分项2: 阀门安装- 分项3: 阀门调试和密封测试3. 排气系统该系统主要包括供热系统的排气设备的安装和调试,具体划分如下:- 分部1: 排气设备安装- 分项1: 排气阀安装- 分项2: 排气管路布置- 分项3: 排气管路连接- 分部2: 排气系统调试- 分项1: 排气阀操作测试- 分项2: 排气管路泄漏测试- 分项3: 排气效果检验三、检验批划分为了方便管理和控制,供暖系统的安装按照不同的工程量和工作内容划分为多个检验批,具体划分如下:- 检验批1: 供热主机系统分部1分项1-3的安装- 检验批2: 供热主机系统分部2分项1-3的调试- 检验批3: 配管系统分部1分项1-3的安装- 检验批4: 配管系统分部2分项1-3的调试- 检验批5: 排气系统分部1分项1-3的安装- 检验批6: 排气系统分部2分项1-3的调试四、结论供暖系统的安装分部、分项、检验批划分表详细列出了供暖系统安装工程的划分和管理,为相关工作的安排和执行提供了依据。
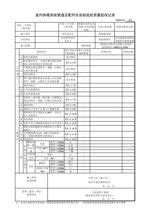
室内供暖系统管道及配件安装检验批质量验收记录填写说明一、填写依据1 《建筑给水排水及采暖工程施工质量验收规范》GB50242-2002。
2 《建筑工程施工质量验收统一标准》GB50300-2013。
二、检验批划分可按设计系统、楼层、施工段、单元划分。
三、GB50242-2002规范摘要主控项目8.2.1 管道安装坡度,当设计未注明时,应符合下列规定:1 气、水同向流动的热水采暖管道和汽、水同向流动的蒸汽管道及凝结水管道,坡度应为3‰,不得小于2‰。
2 气、水逆向流动的热水采暖管道和汽、水逆向流动的蒸汽管道,坡度不应小于5‰。
3 散热器支管的坡度应为1%,坡向应利于排气和泄水。
检验方法:观察,水平尺、拉线、尺量检查。
8.2.2 补偿器的型号、安装位置及预拉伸和固定支架的构造及安装位置应符合设计要求。
检验方法:对照图纸,现场观察,并查验预拉伸记录。
8.2.3 平衡阀及调节阀型号、规格、公称压力及安装位置应符合设计要求。
安装完后应根据系统平衡要求进行调试并作出标志。
检验方法:对照图纸查验产品合格证,并现场查看。
8.2.4 蒸汽减压阀和管道及设备上安全阀的型号、规格、公称压力及安装位置应符合设计要求。
安装完毕后应根据系统工作压力进行调试,并做出标志。
检验方法:对照图纸查验产品合格证及调试结果证明书。
8.2.5 方形补偿器制作时,应用整根无缝钢管煨制,如需要接口,其接口应设在垂直臂的中间位置,且接口必须焊接。
检验方法:观察检查。
8.2.6 方形补偿器应水平安装,并与管道的坡度一致;如其臂长方向垂直安装必须设排气及泄水装置。
检验方法:观察检查。
一般项目8.2.7 热量表、疏水器、除污器、过滤器及阀门的型号、规格、公称压力及安装位置应符合设计要求。
检验方法:对照图纸查验产品合格证。
8.2.8 钢管管道焊口尺寸的允许偏差应符合本规范表5.3.8的规定。
8.2.9 采暖系统入口装置及分户热计量系统入户装置,应符合设计要求。
DBJ04-226-2003 室外供热管道及配件安装工程检验批质量验收记录表(表一)GB50242-2002050801□□DBJ04-226-2003说明050801050802 主控项目:1.检查数量:按不同规格、型号抽查10%,且不少于10个。
检验方法:对照设计图纸及产品合格证书,并现场观察调试结果和记录。
检查阀门的强度和严密性试验报告。
2.检查数量:抽查不少于10个三通。
检验方法:回填前现场验核和观察。
检查隐蔽工程记录和管道预热伸长记录。
3.检查数量:全数检查。
检验方法:对照图纸观察和尺量检查,并查验预拉伸记录。
4.检查数量:全数检查。
检验方法:对照图纸观察检查。
5.检查数量:每50m抽查一处,但不少于10处。
检验方法:对照图纸,观察检查。
6.检查数量:全数检查。
检验方法:在试验压力下10min内压力降应不大于0.05MPa,然后降至工作压力下检查,不渗漏;开启和关闭阀门检查。
检查水压试验报告。
7.检查数量:全数检查。
检验方法:现场观察,以水色不混浊为合格。
检查冲洗记录。
8.检查数量:全数检查。
检验方法:测量各建筑物热力人口处供回水温度及压力。
检查试运行和调试记录。
一般项目:1.检查数量:按管网内有线管段长度每100m抽查3段,不足100m,不少于2段。
检验方法:对照图纸,用水准仪(水平尺)拉线和尺量检查。
2.检查数量:全数检查。
检验方法:打开清扫口检查。
3.检查数量:每50m抽查一处,但不少于10处。
检验方法:保温前观察检查。
4.检查数量:①-③分别按管网的起点、终点、分支点和变向点。
查各点间的直线管段,每100m抽查3点(段),不足100m不少于2点(段)④~⑤检查数量:按管网内弯管(含方型伸缩器弯)的全数抽查10%,但不少于10个。
检验方法:①~③用水准仪(水平尺)、直尺、拉线和尺量检查。
④⑤用外卡钳和尺量检查。
5.检查数量:每100mm抽查3处,不足100m不少于2处。
检验方法:厚度用钢针刺入保温层尺量检查。
室内热水供应管道及配件安装检验批质量验收记录(GB50242-2002)表6.2 编号:050301□□□050301□□□说明强制性条文3.3.3 地下室或地下构筑物外墙有管道穿过的,应采取防水措施。
对有严格防水要求的建筑物,必须采用柔性防水套管;3.3.16 各种承压管道系统和设备应做水压试验,非承压管道系统和设备应做灌水试验。
4.1.2 给水管道必须采用与管材相适应的管件。
生活给水系统所涉及的材料必须达到饮用水卫生标准。
主控项目6.2.1热水供应系统安装完毕,管道保温之前应进行水压试验。
试验压力应符合设计要求。
当设计未注明时,热水供应系统水压试验压力应为系统顶点的工作压力加0.1MPa,同时在系统顶点的试验压力不小于0.3MPa。
检验方法:钢管或复合管道系统试验压力下10min内压力降不大于0.02MPa,然后降至工作压力检查,压力应不降,且不渗不漏;塑料管道系统在试验压力下稳压1h,压力降不得超过0.05MPa,然后在工作压力1.15倍状态下稳压2h,压力降不得超过0.03MPa,连接处不得渗漏。
6.2.2热水供应管道应尽量利用自然弯补偿热伸缩,直线段过长则应设置补偿器。
补偿器型式、规格、位置应符合设计要求,并按有关规定进行预拉伸。
检验方法:对照设计图纸检查。
6.2.3热水供应系统竣工后必须进行冲洗。
检验方法:现场观察检查。
一般项目6.2.4管道安装坡度应符合设计规定。
检验方法:水平尺、拉线尺量检查。
6.2.5温度控制器及阀门应安装在便于观察和维护的位置。
检验方法:观察检查。
6.2.6热水供应管道和阀门安装的允许偏差按本规范表4.2.8的规定。
6.2.7热水供应系统管道应保温(浴室内明装管道除外),保温材料、厚度、保护壳等应符合设计规定。
保温层厚度和平整度的允许偏差应符合本规范表4.4.8的规定。
注:本表由施工项目专业质量检查员填写,专业监理工程师(建设单位项目专业技术负责人)组织项目专业质量(技术)负责人等进行验收。
室内热水供应管道及配件安装检验批质量验收记录一、项目概述热水供应是室内生活中不可或缺的一个环节,为了保证热水供应的正常运行,需要对热水供应管道及配件进行质量验收。
本项目为室内热水供应管道及配件的安装工程,旨在确保热水供应的安全、可靠和高效。
下面是本次工程的质量验收记录。
二、质量验收内容本次质量验收的内容包括:室内热水供应管道及配件的安装情况、管道的封堵和保温情况、配件的固定与连接、工程的清洁以及验收所需文件的齐全。
三、质量验收结果1.热水供应管道及配件的安装情况:(1)检查管道布局是否符合设计要求,是否保持水平、竖直、整齐、稳固。
(2)检查管道安装是否按照标准施工,包括管道的安装间距、固定件的安装和紧固。
(3)检查管道的精封处理情况,是否存在渗漏。
(4)验收使用的管道材质是否符合要求,是否存在明显缺陷。
2.管道的封堵和保温情况:(1)检查管道的封堵情况,是否符合设计要求。
(2)检查管道的保温材料的安装情况,是否严密、牢固。
3.配件的固定与连接:(1)检查配件的选择是否合适,连接是否紧固、固定是否牢固。
(2)检查配件的加工质量是否符合要求,是否存在明显缺陷。
4.工程的清洁:(1)清理工程现场,清除杂物和垃圾。
(2)检查工程设备是否清理干净,无油污、尘土等。
5.验收所需文件的齐全:(1)提供工程图纸和设计文件。
(2)提供材料合格证明和产品检验报告等。
四、质量验收结论经过对热水供应管道及配件的安装质量进行全面检查和验收,结果如下:1.管道及配件的安装情况良好,符合设计要求。
2.管道的封堵和保温情况良好,符合设计要求。
3.配件的固定与连接牢固可靠,符合要求。
4.工程现场清洁整洁,无杂物和垃圾。
5.所需验收文件齐全,包括图纸、设计文件、材料合格证明和产品检验报告等。
综上所述,本次室内热水供应管道及配件安装工程质量符合要求,可以顺利验收通过。
五、质量验收意见和建议1.维持管道及配件的良好状态,定期检查和保养,确保其正常运行。
吕梁市城南、城北集中供热管网整合扩容工程报验申请表
工艺管道安装工程检验批质量验收记录表
GB50242-2002
(Ⅱ)
隐蔽工程检查验收记录
年月日
探槽·验槽记录表
砂垫层和砂石垫层检验批质量验收记录表
GB50209-2002
(Ⅲ)
管道系统清洗(冲洗或吹扫)记录
试验日期:年月日编号:。
9
管道强度及严密性试验记录
试验日期:年月日编号:。
10
管道强度及严密性试验记录
试验日期:年月日编号:
欢迎您的下载,
资料仅供参考!
致力为企业和个人提供合同协议,策划案计划书,学习资料等等
打造全网一站式需求。
集中供热管道检验批表
格汇总
YKK standardization office【 YKK5AB- YKK08- YKK2C- YKK18】
吕梁市城南、城北集中供热管网整合扩容工程报验申请表工程名称:吕梁市城南、城北集中供热管网整合扩容编号:
08004
土方开挖工程检验批质量验收记录表
GB50242-2002 (Ⅱ)
隐蔽工程检查验收记录
年月日
探槽·验槽记录表
年月日
砂垫层和砂石垫层检验批质量验收记录表
GB50209-2002
(Ⅲ)
管道系统清洗(冲洗或吹扫)记录
试验日期:年月日编号:
管道强度及严密性试验记录
试验日期:年月日编号:
管道强度及严密性试验记录
试验日期:年月日编号:。
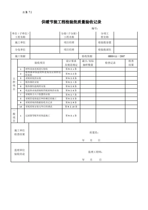
表 B.1.12 室内供暖管道及配件安装检验批报验表工程名称XX(XX包装车间编号05-05-B.1.12-1致:长春XX 监理有限责任公司(项目监理机构)我方已完成A-C轴供暖管道安装工作,经自检合格,请予以审查或验收。
附件:室内采暖管道及配件安装工程质量验收记录现场验收检查原始记录施工项目经理部(盖章)项目经理(签字)2017年月日审查或验收意见:项目监理机构(盖章)监理工程师(签字)年月日表 B.7.1 室内采暖管道及配件安装工程质量验收记录编号: 05-05-B.7.1-1表B .5.3现场验收检查原始记录单位(子单位)分部(子分建筑给水排水分项工供暖管道及配XX(XX 包装车间部)工程名工程名称及供暖程名称件安装称施工单位中国 XX 有限公司项目经理XX 检验批容量150m 分包单位/ 项目经理/ 检验批部位A-C 轴施工依据《建筑给水排水及采暖工程施工质量验收规范》验收依据GB50242-2002验收项目设计要求最小 / 实际检查记录检查及规范规定抽样数量结果主 1 管道安装坡度第 8.2.1 条 3 符合要求合格控 2 采暖系统水压试验第 8.6.1 条 3 符合要求合格项3 采暖系统冲洗、试运行和调试第 8.6.2 条、第8.6.3 条 3 符合要求合格目4 补偿器的制作、安装及预拉伸第 8.2.2 条、第8.2.5 条1 符合要求合格第 8.2.6 条5 平衡阀、调节阀、减压阀安装第 8.2.3 条、第 8.2.4 条/ / /1 热量表、疏水器、除污器、等安装第 8.2.7 条/ / /2 钢管焊接第 8.2.8 条3 符合要求合格3 采暖入口及分户计量入户装置安装第 8.2.9 条/ / /4管道连接及散热器支管安装8.2.10,8.2.11,8.2.12,8.2.3 符合要求合格13,8.2.14,8.2.155 管道及金属支架的防腐第 8.2.16 条 3 符合要求合格6 横管道纵、横方每 m 管径≤ 100mm 1 3 符合要求合格向弯曲( mm )管径 >100mm 1.5 3 管符合要求合格一管径≤ 100mm ≯13 3 符合要求合格道全长(25m以上)般管径 >100mm ≯25 3 符合要求合格安项装立管垂直度( mm)每m 2 3 符合要求合格目允全长( 5m 以上)≯10 / / / 许管径≤ 100mm 10% 3 符合要求合格偏椭圆率差管径 >100mm 8% / / / 弯管折皱不平度管径≤ 100mm 4 3 符合要求合格(mm) 管径 >100mm 5 / / /7厚度+0.1δ3 符合要求合格管道保温允许-0.05δ卷材 5 3 符合要求合格偏差表面平整度 (mm)涂料10 / / / 主控项目全部合格,一般项目满足施工规范规定要求。