SY4203-2016站内实用工艺管道工程检验批表格
- 格式:doc
- 大小:377.68 KB
- 文档页数:13
站内工艺管道工程5 基本规定基本规定 5.1 一般规定一般规定5.1.1 站内工艺管道工程的分部工程、分项工程与检验批的划分应按表1执行。
执行。
表1 站内工艺管道分部工程、分项工程、检验批划分表站内工艺管道分部工程、分项工程、检验批划分表分部工程分部工程分项工程分项工程 检验批检验批 站内工艺管道站内工艺管道钢管下料和管件加工钢管下料和管件加工钢管下料和管件加工钢管下料和管件加工管道安装管道安装 管道安装管道安装 管道组对和焊接管道组对和焊接管道组对管道组对管道焊接管道焊接 管沟开挖、下沟和回填管沟开挖、下沟和回填 管沟开挖管沟开挖 管道下沟和管沟回填管道下沟和管沟回填 管道系统吹扫和试压管道系统吹扫和试压 管道吹扫和试压管道吹扫和试压 管道防腐和保温管道防腐和保温管道防腐管道防腐 管道保温管道保温5.1.2 检验工程质量使用的器具应符合附录A 的规定。
的规定。
5.1.3 站内工艺管道工程质量控制质量核查记录按附录B 记录。
记录。
5.1.4 检验批质量验收记录由施工单位项目专业质量检查员填写,监理工程师(建设单位项目代表)组织施工单位项目专业质量检查员等进行验收,并按附录C 记录和作出验收结论。
验收结论。
5.2 管道组成件的检验管道组成件的检验 5.2.1 一般规定一般规定 5.2.1.1 所有管道组成件在使用前应按设计要求核对其规格,材质和型号。
所有管道组成件在使用前应按设计要求核对其规格,材质和型号。
5.2.1.2 管道组成件应具有产品质量证明书、出厂合格证与说明说。
对质量若有疑问时,应按供货合同和产品标准进行复检,其性能指标应符合现行国家标准或行业标准有关规定。
按供货合同和产品标准进行复检,其性能指标应符合现行国家标准或行业标准有关规定。
5.2.1.3 管道组成件在使用前应进行外观检查,其表面质量应符合设计或制造标准的有关规定。
定。
5.2.2 管材管材工程中所使用的各种规格的管材应满足设计规格书的要求。
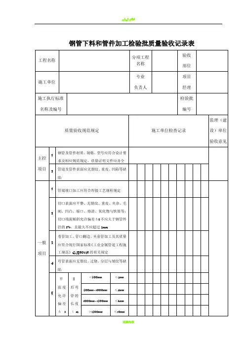
石油天然气建设工程施工质量验收规范站内工艺管道工程》SY4203-2019检验批表格钢管下料和管件加工检验批质量验收记录表工程名称:施工单位:施工执行标准名称及编号:质量验收规范规定:钢管及管件材质、规格、型号应符合设计要求。
管道及管件表面应无裂纹、重皮、凹陷等缺陷。
分项工程:名称专业负责人验收部位项目经理检验批编号监理(建设)单位验收意见施工单位检查记录主控项目1.求及相应规范规定,质量证明文件应齐全。
2.管端坡口加工应符合焊接工艺规程规定。
切口表面应平整、无裂纹、重皮、夹杂、毛刺、凹凸、缩口、熔渣、氧化物与铁屑等。
切口端面倾斜允许偏差Δ1不应大于钢管外径的1%,且最大不应超过3mm。
3.卷管加工、管口翻边、夹套管加工及其质量应符合现行国家标准《工业金属管道工程施工规范》GB的有关规定。
4.弯管表面应无裂纹、过烧、分层与皱纹等缺陷。
形弯管的长度<500mm应平面度允许偏差Δ2≤3mm;500mm~1000mm应平面度允许偏差Δ2≤4mm;1000mm~1500mm应平面度允许偏差Δ2≤6mm;>1500mm应平面度允许偏差Δ2≤10mm一般。
5.XXX采用骑坐式连接时,母管的开孔直径应比支管内径小2mm。
6.支管与鞍口的角度β为90°,坡口角度α~根部间隙为105°,b(mm)接头夹角钝边p(mm)应比支管内径小2mm。
管XXX采用骑坐式连接时,母管的开孔直径应比支管内径小2mm。
支管与鞍口的角度β为105°,坡口角度α~根部间隙为150°,b(mm)接头夹角钝边p(mm)为45°~60°,1.5~2.5≤p(mm)≤1.5.7.骑坐式管子坡口及角接接头应符合表C.0.1的规定。
8.管汇在母管上开孔并加工坡口采用插入式连接。
支管插入坡口角度应为45°~60°,其允许偏差±2.5°;孔与管外径间隙0.5mm~2mm。
SY4203-2007石油天然气建设工程施工质量验收规范站内工艺管道工程检验批质量验收记录表格
SY4203-2007石油天然气建设工程施工质量验收规范站内工艺管道工
程检验批质量验收记录表格
目录
1、表C.1 钢管下料和管件加工检验批质量验收记录 (2)
2、表C.2 管道安装检验批质量验收记录 (4)
3、表C.3 管道组对检验批质量验收记录 (6)
4、表C.4 管道焊接检验批质量验收记录 (7)
5、表C.5 管沟开挖检验批质量验收记录 (8)
6、表C.6 管道下沟和管沟回填检验批质量验收记录 (9)
7、表C.7 管道吹扫、试压和干燥检验批质量验收记录 (10)
8、表C.8 防腐检验批质量验收记录 (11)
9、表C.9 保温检验批质量验收记录 (12)
10、表B.1 站内工艺管道工程质量控制资料核查记录 (13)
11、表A.1 检验工程质量使用的器具 (14)
表C.1 钢管下料和管件加工检验批质量验收记录
表C.1 钢管下料和管件加工检验批质量验收记录(续)
表C.2 管道安装检验批质量验收记录
表C.2 管道安装检验批质量验收记录(续)
表C.3 管道组对检验批质量验收记录
表C.4 管道焊接检验批质量验收记录
表C.5 管沟开挖检验批质量验收记录
表C.6 管道下沟和管沟回填检验批质量验收记录表C.7 管道吹扫、试压和干燥检验批质量验收记录表C.8 防腐检验批质量验收记录
表C.9 保温检验批质量验收记录
表B.1 站内工艺管道工程质量控制资料核查记录表A.1 检验工程质量使用的器具。
钢管下料和管件加工查验批质量查收记录表之司秆蘸矗创作工程名称分项工程查收名称部位施工单位专业项目负责人经理施工履行尺度查验批名称及编号编号监理(建质量查收规范规定施工单位检查记录设)单位查收建议钢管及管件材质、规格、型号应切合设计主控 1 要求及相应规范规定,质量证明文件应齐全项目管道及管件概略应无裂纹、重皮、凹陷等2 缺点1 管端坡口加工应切合焊接工艺规程规定一般项目切口概略应平坦、无裂纹、重皮、夹杂、毛刺、凹凸、缩口、熔渣、氧化物与铁屑2等;切口端面倾斜同意误差 1 不应大于钢管外径的1%,且最大不应高出3mm卷管加工、管口翻边、夹套管加工及其质3量应切合现行国家尺度《工业金属管道工程施工规范》 GB50235 的相关规定弯管概略应无裂纹、过烧、分层与皱纹等4缺点平Ⅱ 形<500mm ≤3mm面度弯管500mm~1000mm ≤4mm 允许的长1000mm~1500mm ≤6mm 5 偏差度2( m( m >1500mm ≤10mmm)m)管汇宜采纳骑坐式连结时,母管的开孔直6径应比支管内径小2mm骑坐式管接子坡头7口及夹角接角接头支管与鞍口的角度β90°坡吵嘴度α~根部空隙105°b(mm)钝边 p(mm)支管与鞍口105 °的角度β~坡吵嘴度α150°根部空隙b(mm)45°45°~ 60°45°~ 60°60°钝边 p(mm)表钢管下料和管件加工查验批质量查收记录表(续)分项工程查收工程名称部位名称专业项目施工单位经理负责人施工履行尺度查验批名称及编号编号监理(建质量查收规范规定施工单位检查记录设)单位查收建议在母管上开孔并加工坡口管汇采8取拔出坡吵嘴度应为 45°~ 60°,其同意误差式连结±°孔与管外径空隙 0.5mm~2mm.支管拔出深度不得高出母管内壁汇管组对的允9许偏差( mm)母管总长支管间距支管与母管两中心线的相对偏移支管法兰接收长度法兰水支管直平度或径 mm垂直度母管直母管公线度( L±3mm±1mm±±≤300 ≤1>300≤ 2≤L/1000,≤100最大 15mm称直径为母管长度)mm >100≤ 2L/1000,最大 15mm施工单位项目专业质量检查员:年月日检查查收结果监理(建设)监理工程师:单位(建设单位项目代表)年月日查收结论管道装置查验批质量查收记录表工程名称分项工程查收名称部位施工单位专业项目负责人经理施工履行尺度查验批名称及编号编号质量查收规范规定施工单位检查记录监理(建设)单位查收建议主钢管及管件材质、规格、型号应切合设1 计文件要求及相应规范规定,质量证明控 文件应齐备项目2安全阀调校应切合设计文件要求“Ⅱ”形和“ Ω”管道补偿器装置前,应1按设计规定进行预拉伸(预压缩),其同意误差为± 10mm管道支架、托架、吊架及管卡 的种类、规格应切合设计文件 要求管道支架、吊架装置方向、标 高应正确,装置应平坦、牢 固,与管道接触优秀管 道 导向支架或滑动支架的滑动面应干净平坦,不应有倾斜和卡支、吊2 涩现象架的装 一置 般管道与支吊架焊接时,焊缝外项形应平坦丰满,不应有咬边、 目烧穿想象滑动支架应担保沿轴向滑动无 阻,且不发生横向偏移暂时支架焊接不应伤及主材法兰密封面应与管子中心垂直。