普通轿车车身涂装车间设计
- 格式:doc
- 大小:133.05 KB
- 文档页数:13
4.钢结构工程4。
1 钢结构概况本工程涂装车间为二层钢框架房屋,局部三层框架结构,建筑面积98907m2,高度(室外地面至主要屋面板的板顶)为24.040m 和30.940,平面尺寸为360m*120m,一层跨度为10*12=120m,二层跨度为10*12=120m,三层跨度为8*12=96m,柱距为12m。
4.2 编制依据4。
2.1 文件依据4。
2对于本工程的施工除按本工程设计说明要求外,尚应严格按照国家现行的有关标准、规范、规程、规定执行,具体如下:4。
3.1 指导思想一汽-大众汽车有限公司长春工厂一厂结构更新项目一期涂装车间工程施工以质量为中心,以工期为目标,精心组织、科学管理,确保高速优质安全地完成预定施工任务。
4。
3。
2 项目的质量、进度、安全及服务目标我公司将集中本公司多年钢结构专业施工积累的优势,抽调一批具有丰富的制作经验强、年富力强、责任心强的专业人员,组成“一汽-大众汽车有限公司长春工厂一厂结构更新项目一期涂装车间工程项目部”,代表我公司直接对钢结构工程进行统一管理,统筹组织本工程的深化设计和加工、运输、现场安装以及售后服务等工作。
与此同时,我公司将在人力、机械、材料、资金等方面对本工程给予重点支持,确保施工的需要。
为加强施工控制,我公司针对工程质量、施工进度、安全、现场标准化管理、服务等控制要素制订了管理目标.4。
3。
3 建设方针适应市场,信守合同。
项目管理,科学组织。
按序施工,质量创优.确保安全,工地文明。
提前建成,实现目标。
4.3.4 质量目标1)工程总体质量目标本工程质量标准确保一次性验收合格.2)过程质量目标:分部、分项、检验批质量检验、评定、报验合格率100%;货物制作加工记录、工程技术资料等按部位、供货进度收集及时、准确、完整、归档率、合格率100%;进场材料、成品、半成品合格率100%,检查验收率100%;进场原材料检验与实验率100%,按规定时间检验、实验率100%,准确率100%;计量、检测、实验、等设备、器具的送检、检定率和合格率100%;专业人员持证上岗率100%。
涂装设备设计文件客车喷漆房设备设计方案二○一四年四月涂装设备设计文件一、设计依据:1、工件尺寸:12000× 2500× 3800mm2、工件重量:12000Kg3、工艺方式:喷漆房4、选配件:升降平台 1 台二、工艺概述1、设计思想本套设备主要承担工件的油漆喷漆、油漆等涂装任务。
设备为间歇式生产,设备设计时严格按照国家有关安全、卫生、消防及环保等方面的标准执行,整个设计以用户方的要求为依据,结合涂装工艺要求作相应调整。
2、设计原则:(1)、本次设计在耐腐蚀性、装饰性、机械性能等方面符合中国 GB11380-89 汽车车身优质装饰保护性涂层的技术要求。
(2)、喷漆采用上送风下排风的干式喷漆室。
(3)、对易产生噪声的涂装设备采用防噪声措施(在送排风机座内填岩棉,送风机采用空调双进风离心风机),使设备在车间内的噪声控制在80dB( A)以下。
(4)、所有配套件、材料及电器元件均选择技术先进、质量优良的产品,其中关键设备和材料如:顶部过滤棉、关键电器元件均选用优质名牌原装器件,以保证设备的整体性能和可靠性。
(5)、在保证设备使用性能的前提下,尽量减少基础投资。
(6)、在喷漆室内有明显的穿好工作服、戴好口罩、严禁吸烟的标志。
3、工作原理:3. 1、喷漆工作原理:喷漆时,外部空气经进风口初级过滤棉过滤后由送风机送入到喷漆房内送风管道,再经二次过滤分流后进入漆房作业空间,气流在工件周围形成风幕。
这时漆房内有载风速可达 0.3m/s 以上,喷漆时产生的漆雾不会在操作者呼吸带处停留,而随气流迅速下降,之后在排风机的作用下,通过地下风道的一级过滤系统初步过滤、再经过排风机底部的二级过滤装置再次过滤后,气流经底部环保处理(活性碳吸附)后由排风道高空排放,并且排出的气体符合GB16297-1996《大气污染物综合排放标准》。
三、设备主要技术说明:设备技术主要参数涂装设备设计文件序号名称单数值备注位1室体内径尺寸(长×宽×高):mm 15000×5000× 50002室内平均有载风速m/s≥ 0.33送风量m3/h701204漆雾处理方式玻璃纤维吸附5排风量m3/h655066送风机功率Kw 5.5 ×4=227排风机功率Kw11×2=228平均光照度Lux8009总电功率Kw482、室体2.1. 室体结构:整个室体结构采用钢架结构焊接联成一体,并经过防锈处理;墙板采用彩钢夹芯板,整体为拼装结构,周遍使用U 形槽插口对设备室体加固,所有墙板接缝均匀涂抹密封胶;喷漆室包角为电锌板整体折弯成型内外喷涂两遍乳白色环氧树脂漆,包角板与室体骨架与墙板用拉铆钉固定,拉铆钉间距误差不大于5mm,确保外观整齐。
汽车工厂涂装车间建筑设计优化探讨摘要:涂装车间是在轿车四大车间,冲压车间、焊接车间、涂装车间、总装车间中的主要组成部分,在现代化工业中越来越突出,本文主要介绍了某涂装车间建筑设计。
关键词:涂装车间; 建筑设计;工业建筑abstract: the painting workshop in car four workshop, punching workshop, welding parts shop, paint shop, assembly shop of in modern industry, more and more prominent, this paper mainly introduces the architectural design of a painting workshop.keywords: painting workshop; architecture design; industrial buildings中图分类号:tu2文献标识码:a文章编号:0前言随着时代的发展和科技的进步。
人们的要求也不断发展,对工艺建筑设计也提出了更高的要求。
现代建筑设计应当是注入了认人的思想和理念的过程,厂房车间不单单是工业厂房那么简单,它已经融入了人们的生活。
建筑师只有将上述发展趋势融入到自己的设计中现代工业厂房的艺术美,这是现代工业厂房的必由之路去。
才能创造出于时代相适应的工业厂房来,让人们享受现代工业厂房的艺术美,这是现代工业厂房的必由之路。
1结构形式涂装车间的结构形式一般有: 门式刚架、钢筋砼柱排架形式, 钢柱钢梁框架结构形式以及钢筋砼框架结构形式。
门式刚架,厂房为单层钢筋混凝土柱弯曲的形状,涂层工艺的要求不是很高。
多层厂房钢柱钢梁结构,通常有三层,以满足更高的技术要求,是乘用车和商用车可选的一种形式。
但此种钢框架结构成本较高,通常会少一些。
钢筋砼框架结构形式比全钢框架较经济,用于较高工艺要求的轿车和商务车的涂装厂房。
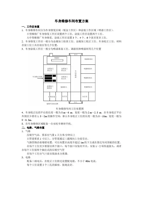
车身维修车间布置方案
一、工作区布置
1.车身维修车间分为车身修复区域(钣金工作区)和涂装工作区域(喷漆工作区)。
小型维修厂车身修复工作区设置两个工位,涂装工作区设置两个工位。
大中型维修厂车身修复、涂装工作区设置3个、4个、6个甚至更多工位。
2.车身修复工作区一般分为金属加工检查工位、金属加工校正工位、车身校正工位、材料存放工位工具存放区等几个位置,
3.车身涂装工作区一般分为喷漆准备工位、调漆间和喷漆间等几个位置
车身维修车间工位布置图
4.车身校正仪的平台的长度一般为5 m~6 m,宽度一般为2 m~2.5 m,在车身校正平台外围至少要有1.5~2m的操作空间,那么车身校正工位的长度一般为8~10m,宽度一般为5~6.5m。
5.在车身维修区域配备一台双柱车辆举升机。
二、电路、气路布置
1.气路
压缩空气站,要求出气量1立方米/分钟以上
主管道要求1寸以上,分管道通过三通阀向上分流引出。
气路管路沿着墙壁布置,可以布置在高度不超过1m的下方或在靠近车间顶板的位置。
在每个工位至少要留出两个接口,每个接口安装有开关,安装1~2母快速接头,或者在每个工位留两个抽拉式的压缩空气管
在每个工位出气口前安装油水分离器。
3、电路
配备三相电压,在校正工位附近设置配电箱,不小于60A电流。
每个工位设置2个三孔的插座,接地良好。
目录前言-------------------------------------------------------------------------------------------------------------1 1 设计前提---------------------------------------------------------------------------------------------------1 1.1 生产能力、车身尺寸和输送方式------------------------------------------------------------1 1.2车身涂层质量要求---------------------------------------------------------------------------------12 涂装线的生产能力和输送速度--------------------------------------------------------------------13 涂装工艺流程及参数--------------------------------------------------------------------------------14 涂装设备的设计---------------------------------------------------------------------------------------1 4.1前处理设备-------------------------------------------------------------------------------------------1 4.2电泳线--------------------------------------------------------------------------------------------------1 4.3烘干设备-----------------------------------------------------------------------------------------------1 4.4水性底色漆闪干室---------------------------------------------------------------------------------1 4.5车底喷涂线-------------------------------------------------------------------------------------------1 4.6喷漆线及配套设备---------------------------------------------------------------------------------15 涂装主要设备的计算--------------------------------------------------------------------------------1 5.1电泳槽-----------------------------------------------------------------------------------------------------15.2喷漆室-----------------------------------------------------------------------------------------------------16 结语--------------------------------------------------------------------------------------------------------1参考文献-------------------------------------------------------------------------------------------------------1普通轿车车身涂装车间设计0 前言随着汽车涂装技术的发展和环保要求的逐步提高,国内汽车涂装线已越来越重视环保节能型涂装新材料、新工艺的应用。
涂装车间规划1. 背景介绍涂装车间是汽车制造工厂中的重要环节之一,负责对汽车进行表面涂装和防腐处理。
为了提高涂装质量和生产效率,合理规划涂装车间是必不可少的。
本文档旨在对涂装车间进行规划,确保其能够满足生产需求,并提供良好的工作环境。
2. 车间布局2.1 主要区域涂装车间主要包括施工区、准备区、烘干区和辅助区。
- 施工区:用于进行涂装作业,包括喷涂工位和涂装设备。
每个工位需要有足够的空间,以保证喷涂操作的安全和效果。
- 准备区:用于准备涂装材料和工具,包括色漆准备区和工具准备区。
准备区应设置在施工区附近,方便工人取用和补给材料。
- 烘干区:用于干燥已经喷涂的车辆或零件。
烘干区需要有足够的通风设施和温度控制系统,以保证车辆能够快速干燥并达到质量要求。
- 辅助区:用于存放涂装车间所需的工具和材料,以及员工更衣室和洗手间等辅助设施。
2.2 流程优化为了提高生产效率,涂装车间的车辆流程需要进行优化。
可以采取以下措施:- 在施工区设置流水线或按照工艺顺序排列车辆,使车辆能够顺序流转,减少等待时间。
- 在准备区设置合理的工作台和材料存放架,使工人能够快速取用所需的涂装材料和工具。
- 在烘干区设置足够的烘干设备,并合理安排车辆的存放位置,以确保车辆能够迅速干燥。
- 在辅助区设置合理的存储空间,使工人能够方便地存放和取用涂装车间所需的工具和材料。
3. 环境要求为了保证涂装质量和工人的健康安全,涂装车间需要满足一些环境要求。
3.1 通风设施涂装车间需要安装足够的通风设施,以保证空气流通和有害气体的排出。
通风设施可以采用自然通风或机械通风的方式,根据车间的实际情况选择。
3.2 照明设施涂装车间需要安装足够的照明设施,以确保工人在进行涂装作业时能够看清车辆的表面和细节。
照明设施可以采用天然光或人工光的方式,根据车间的实际情况选择。
3.3 温度控制涂装车间需要保持适宜的温度,以确保涂装材料和喷涂车辆的质量。
可以通过空调、加热设备或冷却设备等方式进行温度控制。
喷涂车间工程设计方案一、工厂概况本工厂是一家专业制造汽车零部件的工厂,拥有先进的生产设备和技术,产品远销国内外。
为提升产品品质和生产效率,决定新建一座喷涂车间。
二、工程设计目标1. 良好的通风排气系统,确保喷涂房内空气质量符合国家标准;2. 全自动化喷涂系统,提高生产效率;3. 安全可靠的设备和工艺流程,保障员工健康和生产安全;4. 合理的空间布局,充分利用场地,并考虑将来扩建的可能性;5. 环保节能,尽可能减少对环境的影响。
三、车间布局设计新建的喷涂车间占地面积3000平方米,考虑到未来可能的扩建,设计时应充分考虑场地的可利用性。
根据生产流程和设备布局,车间分为喷涂区、通风排气区、配料区、办公区和人员休息区。
1. 喷涂区喷涂区应采用局部排风系统,防止喷漆气体外泄,保证室内空气清洁。
并安装喷涂设备、烘干设备、输送装置、喷涂房和烘干房等设施,确保喷涂作业顺利进行。
2. 通风排气区通风排气区应设置风机和排气管道,将喷涂区和烘干区内的有害气体排除。
排气口应设置在车间周边,以保证车间内空气质量。
3. 配料区配料区设备应满足喷涂所需的颜料配制设备和其它辅助设备的要求,配合生产需求布置,方便喷涂作业。
4. 办公区办公区应包括办公室、会议室、洗手间等,方便管理人员日常办公和生活。
5. 人员休息区人员休息区应设置员工餐厅、浴室、更衣室等设施,保证员工的休息和生活条件。
四、设备选型1. 喷涂设备喷涂设备应选择一流品牌,考虑到未来的生产需求,应选择自动化程度高、稳定性好的设备,以提高生产效率。
2. 通风排气系统应选择大风量、低噪音、高效率的通风排气设备,确保车间内空气清洁。
3. 配料设备配料设备应选择高精度、可靠性强的设备,以保证喷涂涂料的质量稳定。
4. 照明设备车间内的照明设备应选用节能型灯具,并保证整个车间内的照明充足。
五、环保与安全1. 废气处理喷涂车间产生的废气应经过处理后排放,采用尾气净化设备,保证排放的废气符合国家相关标准。
上汽通用五菱涂装车间BIM设计上汽通用五菱第三基地(重庆)工程建设项目位于重庆市两江新区龙兴镇,总占地面积152.61公顷,包括冲压车间、车身车间、涂装车间、总装车间、发动机车间及其他生产与生活辅助用房,总建筑面积255100m2。
本项目的实施将为实现上汽通用五菱汽车股份有限公司“成为微小型汽车领域国内领先,国际上具有竞争力的汽车公司”搭建优良的平台。
项目整体如图1所示。
图1 项目整体该基地于2013年初开工建设,一期投资66亿元,严格遵循通用汽车全球制造体系和标准建设,2015年建成投产,建成后将具备40万辆整车和发动机生产能力。
其中涂装车间总建筑面积42100m2,主体厂房两层,为工艺生产区;局部3层,为空调机房区。
建筑物总长300m,宽68m,为钢筋混凝土框架结构,轻钢屋面。
涂装车间建筑模型如图2所示。
图2 涂装车间建筑模型工程特点和难点本项目是工艺及厂房一体化设计的大型工业项目,其中涂装车间是汽车工厂中自动化程度最高、工艺流程最复杂、洁净度要求最严格、火灾危险性最大的生产车间,管线排布及工艺设备复杂,常规手段难以保证设计质量。
BIM应用目标BIM技术在本项目的应用主要在设计阶段,包括工艺及土建公用方案设计、工艺仿真分析、建筑性能分析、三维协同设计、管线综合分析、管线工程量统计等,力求以BIM技术解决二维设计难以实现的设计质量提升问题。
实施方案在本项目实施开始前,先行制定了完整的BIM实施方案;涂装专业按照40万辆整车生产纲领进行工艺设计,确定土建框架资料后提交下游专业,使用Inventor进行设备模型创建,并导入企业自主开发的参数化设备模型库,快速拼装工艺生产线。
建筑、结构设计人员根据工艺框架资料,使用Revit软件同步进行BIM设计,机电设计人员根据工艺及建筑需求组织设计方案,计算公用耗量,使用Revit建立中心文件并分工作集进行干管快速布置。
本项目首次尝试土建机电专业与工艺设备专业协同的三维协调,通过欧特克公司BIM软件平台以及自主研发的插件的配合下进行协同,实现BIM信息的顺畅流转。
汽车涂装车间建筑设计标准
汽车涂装车间建筑设计需要考虑以下几个方面的标准:
1. 布局:车间内需要合理划分不同功能区域,包括喷涂区、烘干区、准备区、涂装区、配料区等,以满足生产流程的需要。
喷涂区和烘干区通常需要设有排风系统和空气过滤系统,保证空气质量和员工健康。
2. 空间要求:汽车涂装车间需要具备足够的高度和宽度,以容纳汽车的大小和操作空间。
建议车间层高不少于6米,并设有适当数量的进出口通道和消防通道。
3. 照明设计:车间内需要充足的照明,以确保操作人员的工作安全和效率。
建议采用天窗、天然光和合适的照明设备来提供均匀的光照。
4. 通风系统:汽车涂装车间需要具备良好的通风系统,以排除废气和有害气体,并保持室内空气清新。
通风系统需要满足对工人和周围环境的要求,如过滤器、换气扇和空气净化设备等。
5. 环境控制:涂装车间需要控制温度和湿度,以确保涂装质量和操作者的舒适度。
建议采用恒温、恒湿等设备进行控制,并定期检测和调整环境参数。
6. 安全标准:车间设计应符合相关的安全标准和规定,包括消防安全、电气安全、防爆安全等。
应设有紧急出口和逃生通道,并配备消防设备和安全设施。
7. 环保要求:涂装车间需要采取一系列措施来减少对环境的污染和损害,包括废气处理设备、废液处理设备、噪声控制设备等,以确保车间运营符合环保要求。
总结起来,汽车涂装车间建筑设计应考虑到布局合理、空间充足、照明适当、通风良好、环境可控、安全可靠和环保等要求,从而为车间生产提供良好的工作环境和保障。
车辆喷涂生产线设计方案概述随着汽车工业的不断发展,为了提高汽车生产效率和降低成本,汽车厂商开始采用自动化生产线生产车辆。
而车辆喷涂生产线是其中一个重要的生产线。
本文将介绍车辆喷涂生产线的设计方案。
设计要求车辆喷涂生产线的设计要求如下:1.喷涂质量高,颜色均匀,没有漏喷和刷痕;2.生产效率高,能够满足汽车厂商的生产要求;3.可调节性强,能够适应不同车型的生产要求;4.安全可靠,保证操作人员的安全。
设计方案车辆喷涂生产线的设计方案如下:1. 设计流程首先,将需要喷涂的车型送至清洗工位,对车体进行清洗,确保表面没有油污和灰尘。
然后将车型送至喷涂工位层,进行底漆喷涂、面漆喷涂和涂装干燥。
最后,将车型送往检验工位,检验喷涂质量。
2. 设计要点车辆喷涂生产线的设计要点如下:1.清洗工位:在车辆进入生产线前,需要对车体进行清洗,以确保表面没有杂物。
同时,在车辆进入喷漆工位前,需要对车身进行草皮处理,以增加颜色的均匀性。
2.喷涂工位:喷涂工位的设计需要注意颜料的精度和均匀性。
可以采用四涂两干燥的喷涂工艺,确保涂料颜色的一致性。
要注意将喷漆过程容易产生空气压缩和热量,需要保证车间通风和油漆消毒。
3.检验工位:检验工位包含人工检验和机器检验两个部分。
人工检验主要是检查喷涂质量,而机器检验则可以检查涂料、厚度和整体外观。
设计优化为了进一步优化车辆喷涂生产线的效率和质量,还有以下几点设计需要优化:1.涂装配件的自动化生产:自动喷涂设备的使用,涂装顺序和覆盖面积的变化,可以让整个生产过程更加自动化。
2.涂层质量的控制和监控:涂层的性能包括保护覆盖、漂亮度和抗磨损程度。
这些性能可以通过质量控制和监控来不断调整和改进。
3.喷漆工艺的改变:通过不同的喷漆工艺,例如喷雾、流涂和气流刷,不断提升喷涂效率和品质。
结论车辆喷涂生产线是汽车厂商生产流程中一个重要的环节,设计方案需要考虑到喷涂质量、生产效率、可调节性和安全可靠等要求。
在设计上,需要注意清洗工位的设计、喷涂工位的设计和检验工位的设计要点,同时考虑采用自动化生产、涂层质量的控制和监控以及优化喷漆工艺等优化措施。
第 1 页大返修、贴膜报交、喷蜡、双组份发泡胶等生产工艺。
工厂设计初期应用先进技术,采用了特殊设计如下:4.为满足公司“百搭”的战略需求,套色线预留设计,满足百搭车的生产;5.车间各烘干系统采用废气焚烧集中供热系统,用于汽车涂装的表面烘干,减少废气的直接排放并考虑了废气余热再利用系统;7.小修室采用线体结构布置,节省设备投资;8.为降低运行成本,对人工作业线与喷漆线的排风分别设计了循环风回用方案;(色漆1回风→空中风管→进风管→色漆2号空调和清漆5号空调;色漆2回风→空中风管→进风管→色漆8号空调和清漆11号空调)各车型生产纲领及主要参数表:产品质量(kg)生产纲领(万台/年)面漆通过能力按照最大挂件(或最大装车件)尺寸为4900 mm×2100 mm(带面漆工装)×1600 mm设计最大质量为620 kg (治具状态);最大电泳涂装面积120 ㎡;最大喷漆涂装面积为19 ㎡(其中外板喷涂面积为13 ㎡,内板喷涂面积为6 ㎡)。
液态阻尼材料最大喷涂面积为2.5 ㎡,厚度2.0~4.0 mm ;1、前处理设备:1.1 设备通过尺寸:5100×2200×1600(mm )1.2 设备组成:手工预清理500Lx 槽容积(m 3)热水洗(入槽洪流喷+半浸+出槽喷淋)40白车身CHB121 4553×1911×1740 4303×1825×1378整 车 4511×1852×1419约470.51690~1790 4581×1860×17021690~1790整 车一、任务及生产纲领徐水三期涂装车间位于厂区中部,为独立设计的厂房,总长度343 m ,宽度为116 m (主厂房宽95 m+北侧辅房宽11m+南侧CHB121、CH171为代表的车身并涂以防护装饰性涂层,预计第一款车SOP 时间为2016年11月15日。
涂装车间工艺设计说明涂装车间工艺设计说明目录一、设计前提 (1)二、设计总则 (1)1、生产纲领、年时基数及产品参数 (1)2、输送方式 (1)3、车身工艺过程 (2)4、能源及工作方式 (4)5、厂房条件 (5)6、涂层标准 (5)三、设备分项技术要求 (5)3.1、前处理 (5)3.2、前处理装置 (5)3.3、阴极电泳装置及冲洗、电泳后封闭间 (7)3.4、喷漆设备 (12)3.5、设备空调 (14)3.6、漆泥处理装置 (15)3.7、擦净室 (16)3.8、流平室 (16)3.9、洁净间 (16)3.10、电泳打磨室、中涂打磨室、检查修饰、面漆抛光修补室、大修打磨室 (17)3.11、电泳检查/钣金修整工位、刮腻子/涂密封胶工位、AUDIT 工位 (17)3.12、喷胶室 (17)3.13、点修补室 (18)3.14滑撬清理间 (18)3.15、电泳、胶、中涂、面漆烘干室及面漆流平闪干室 (18)3.16、强冷室 (20)四、物流传递机械化部分 (20)4.1、前处理、电泳线自动葫芦输送机 (20)4.2、PVC自行葫芦输送机 (21)4.3、地面滑撬输送系统 (21)五、供胶系统部分 (24)5.1、焊缝密封胶 (24)5.2、PVC喷涂系统(设备) (25)六、输调漆系统部分 (27)七、塑件油漆线 (28)7.1、塑件油漆线采用3C1B的生产工艺方式 (28)7.2、塑件油漆线包括擦净、除静电室、网链输送机、底漆喷涂室、面漆喷涂室、罩光喷涂室、网链式烘干炉、压缩空气系统和各流平室。
流平室要封闭。
(28)7.3.所有喷漆室采用水帘式喷漆室,每个喷漆室设两个工位,压缩空气系统也按两个工位布置。
(28)7.4.喷漆室及烘干室的废气排放都从烟囱排放。
(28)7.5.网链两头接件位置均设急停开关。
(28)7.6塑件油漆输送线(包括各漆房至烘干室的输送),采用网链输送形式。
(28)八、废水处理站 (28)8.1、废水处理站的运行工艺为物化+生化法处理。
一实习概况我所实习的单位是西安比亚迪汽车有限公司,位于西安高新区亚迪路2号。
我被分到了公司11事业部的涂装车间。
在车间主要是负责车间修正工作,学到了不少知识,那现在我将就对这3个月的实习做一个工作总结二. 涂装车间生产状况及实习总结初识流水线1 涂装车间概述1.1涂装车间布局环境1.2安全事项2.涂装车间生产线工艺流程和工艺方法2.1 涂装工艺2.2几种重要的涂装工艺2.3电泳涂装2.4. PVC喷涂2.5.中涂喷涂2.6.面漆喷涂2.7打磨、抛光2.8涂装工艺法2.93.车间修正线主要职责、工作方法初识流水线流水线,是在一定的线路上连续输送货物搬运机械,又称输送线或者输送机。
按照输送系列产品大体可以分为:皮带流水线、板链线、倍数链线、插件线、网带线、悬挂线及滚筒流水线这七类流水线。
一般包括牵引件、承载构件、驱动装置、张紧装置、改向装置和支承件等。
流水线输送能力大,运距长,还可在输送过程中同时完成若干工艺操作,所以应用十分广泛。
以前,总是在别人口中或者电视上看到“流水线”这个名词。
而这次,在西安比亚迪汽车厂里,第一次见到了真正意义上的流水线。
我们涂装车间里的流水线大部分都是那种滚轮(大约直径15-20厘米)上面放上梯形铁架子,然后把车子放上面就行了。
不得不提到的是,在这里面工作,一定要多注意安全。
1.涂装车间概述涂装是工程机械产品的表面制造工艺中的一个重要环节。
防锈、防蚀涂装质量是产品全面质量的重要方面之一。
产品外观质量不仅反映了产品防护、装饰性能 ,而且也是构成产品价值的重要因素。
而真正意义上汽车企业的涂装车间,包含了诸多工艺,比如前处理、电泳及水洗、密封线、中涂喷涂、面漆喷涂等等。
1.1涂装车间布局环境进入涂装车间内部,就是成片连成的流水线和一台台的大型机器设备,但是却发现不像一般小型机械厂那样杂乱不堪,而是非常的整齐,那绿色安全通道也会给人一种惬意的感觉。
汽车制造主要以金属为主,但金属材料普遍存在腐蚀问题,这种腐蚀在汽车上轻则影响您爱车的花容月貌,重则就成为重大的安全隐患,所以汽车油漆涂层的质量评价指标就分为两大类:一类是性能指标,这类指标和油漆层的防腐蚀性能密切相关,如附着力、硬度、耐酸碱性等;另一类指标就是装饰性指标,也就是指是否好看,如色差、光亮度、鲜艳度等。
车间工艺课程设计题目:普通轿车车身涂装车间设计院:化学化工学院专业:应用化学班级: 1181 学号: 15 学生姓名:苏韬导师姓名:易翔老师完成日期:2014.6.3-2014.6.15目录前言-------------------------------------------------------------------------------------------------------------1 1 设计前提---------------------------------------------------------------------------------------------------1 1.1 生产能力、车身尺寸和输送方式------------------------------------------------------------11.2车身涂层质量要求---------------------------------------------------------------------------------12 涂装线的生产能力和输送速度--------------------------------------------------------------------13 涂装工艺流程及参数--------------------------------------------------------------------------------14 涂装设备的设计---------------------------------------------------------------------------------------1 4.1前处理设备- ------------------------------------------------------------------------------------------1 4.2电泳线- -------------------------------------------------------------------------------------------------1 4.3烘干设备-----------------------------------------------------------------------------------------------1 4.4水性底色漆闪干室---------------------------------------------------------------------------------1 4.5车底喷涂线- ------------------------------------------------------------------------------------------14.6喷漆线及配套设备---------------------------------------------------------------------------------15 涂装主要设备的计算--------------------------------------------------------------------------------1 5.1 电泳槽-----------------------------------------------------------------------------------------------------15.2 喷漆室-----------------------------------------------------------------------------------------------------16 涂装三废处理---------------------------------------------------------------------------------------------- 1 6.1 大气污染---------------------------------------------------------------------------------------------------16.2 水质污染---------------------------------------------------------------------------------------------------17 总结--------------------------------------------------------------------------------------------------------1参考文献-------------------------------------------------------------------------------------------------------1普通轿车车身涂装车间设计0 前言随着汽车涂装技术的发展和环保要求的逐步提高,国内汽车涂装线已越来越重视环保节能型涂装新材料、新工艺的应用。
设计汽车涂装线时,涂装设备的工作原理和参数必须与之相匹配;同时,为了追求涂装线的高精益化和高柔性化,设备选型应尽可能多地采用国产设备,通过加强设备维护来提高整个生产线的开动率,从而降低生产线的建设费用;还要充分了解和预测新车型的开发,新涂装线应能满足多品种共线生产,使后续车型投产时对生产线的停产改造时间尽可能短。
现在,根据设计任务的要求,设计一个年产10万辆普通轿车的车身涂装车间,选用典型的3C3B涂装工艺。
工艺选定后,根据所采用的工艺及年生产纲领的要求,进行工艺的设计及计算。
工艺的设计包括工艺流程的确定、各工序采用的工艺规范等。
选择和计算各工序所采用的前处理槽的尺寸及数量,选择车间所需的主要设备等。
设备选型与计算完毕后,设计车间平面布置图、阴极电泳槽图、以及喷漆室的设计图。
最后对所设计的内容进行评述。
1 设计前提1.1 生产能力、车身尺寸和输送方式被涂物尺寸(长×宽×高):4.8m×1.7m×1.4m生产纲领:10万台/年净生产能力:300台/d,工作时间:23 h/d。
输送方式:前处理、电泳线采用摆杆输送机;车底喷涂采用反向滑橇;中涂、面漆喷涂线及其他部分采用滑橇输送系统。
1.2车身涂层质量要求满足中、高级轿车的涂层质量要求。
电泳底漆、中涂漆和面漆的涂膜厚度的要求不一样,电泳漆:外表面≥18μm,内部空腔≥1lμm;中涂:外表面30~40μm,内表而15~20μm;面漆:金属底色漆12~20μm或素色漆20—25μm,清漆35~50μm。
2 涂装线的生产能力和输送速度根据设计前提的要求,综合考虑各线设备利用率、返工率和交换件生产需求,确定涂装线的产能和输送速度,见表1。
每年计算时间:335天(扣除一个月检修期)生产方式为流水线生产。
生产节奏为T =t•k/M式中:t —工时基数,min;M —生产纲领;k —设备有效利用率工人总数=输送链速度:v=L/T式中:v —链速,m/min;L—挂距,m;T —生产节奏,min/辆;表1序号生产线线数(条)设备利用率(%)挂距(m)生产节奏(min/辆)输送速度(m/min)返修5%(台/日)1 2 3 4 5 6 7 8 9 10 11前处理电泳电泳烘干电泳打磨车底喷涂中涂中涂烘干中涂打磨面漆喷涂面漆烘干检查1111111111190909095959090909090956.06.05.06.06.06.25.06.06.25.06.04.154.154.154.374.374.154.153.943.943.944.161.451.451.201.371.371.491.201.521.571.271.44———————151515153 涂装工艺流程及参数根据所用涂装材料和工艺的要求,确定的涂装工艺流程及参数见表2。
表2序号工序名称处理方式工艺参数区段长度/m备注时间/min温度/℃1 22.1 2.22.3 2.4 2.52.62.7 2.8 2.92.10 2.11滑橇锁紧/检查+预清理挂转至前处理输送链前处理热水洗预脱脂脱脂水洗水洗(浸入即出)表调(浸入即出)磷化水洗水洗(浸入即出)钝化水洗自动+手动喷喷浸喷浸浸浸喷浸浸喷约120.50.5~1.030.510s10s30.510sRT50±550±550±5RTRTRT40±5RTRTRTRT约17.4推杆悬连一般不带滑橇如采用旋转送机,设备长度可缩短约20%2.122.13 3 44.1 4.2 4.3 4.44.5 4.65 67891011 循环纯水洗洁净纯水洗沥干电泳涂装阴极电泳(含0次UF液洗)用循环UF液洗用循环UF液洗洁净UF液洗循环DI水洗洁净DI水洗沥干电泳烘干,强制冷却所有缝隙处涂密封车底喷涂去遮蔽,擦净车身外表面电泳打磨喷中涂浸喷自动浸喷浸喷浸喷热风对流压涂或喷涂高压无气喷涂手工手工手工或10s0.510s0.253.0~4.00.510s0.1~0.210s0.1~0.230RTRT28±1RTRTRTRTRT175±5RTRTRTRT20~25约8.743.2可溢流至2.9工序纯水电导≤10μS如采用旋转送机,设备长度可缩短约20%补加4.3工序的槽液布置在4.3工序的出口布置在4.5工序的出口20min为车身保温时间121314 14.114.214.314.4 14.514.614.7151617中涂烘干,强制冷却中涂打磨喷面漆手工喷涂底色漆自动喷涂底色漆检查补喷底色漆晾干手工喷涂罩光清漆自动喷涂罩光清漆检查补喷罩光清漆晾干面漆烘干,强冷检查,报交自动热风对流手工手工自动手工手工自动手工热风对流手工303330140RT≥20≥20≥20≥20≥20≥20≥20140≥2043.245.720min为车身保温时间4 涂装设备的设计涂装设备的设计,包括工区的布置、处理方式、工艺时间和温度等。
均要符合表2的要求。
4.1前处理设备采用以摆杆输送机为输送设备的连续通过式结构,前处理分为脱脂、水洗、磷化、水洗等部分,全部采用喷浸结合式。