起重吊装钢丝绳的选用
- 格式:docx
- 大小:20.91 KB
- 文档页数:10
吊装钢丝绳的选用
(1)选用一般用途钢丝绳,结构要求与基本参数应符合现行国家标准《钢丝绳通用技术条件》GB/T 20118-2017的有关规定,一般用于机械、建筑、矿业、货运索道等行业的圆股钢丝绳;
(2)选用重要用途钢丝绳,结构要求与基本参数应符合现行国家标准《重要用途钢丝绳》GB/T 8918-2006的有关规定,采用的标准级别较GB/T 20118-2017高。
一般用于矿井提升、高炉卷扬、大型浇铸、石油钻井、大型吊装、繁忙起重、索道、地面缆车、船舶、海上设施等用途的圆股钢丝绳和异形股钢丝绳;
(3)选用粗直径钢丝绳,结构要求与基本参数应符合现行国家标准《粗直径钢丝绳》GB/T 20067-2017的有关规定;一般用于直径60~192mm的各种重要用途粗直径钢丝绳。
吊装钢丝绳选用标准吊装钢丝绳是一种用于起重、吊装和牵引的重要工具,其选用标准直接关系到吊装作业的安全和效率。
在选择吊装钢丝绳时,需要考虑多种因素,包括工作环境、起重物体的重量、长度和直径等。
本文将从吊装钢丝绳的选用标准出发,为大家详细介绍吊装钢丝绳的选择要点。
首先,吊装钢丝绳的选用应符合国家标准和行业规范。
国家标准对吊装钢丝绳的材质、结构、强度等性能进行了详细规定,而行业规范则根据不同的工作环境和起重要求,对吊装钢丝绳的选用提出了具体要求。
因此,在选择吊装钢丝绳时,首先要参照国家标准和行业规范,确保所选用的钢丝绳符合相应的要求。
其次,根据起重物体的重量和长度,选择合适的吊装钢丝绳直径。
一般来说,起重物体的重量越大,所需的钢丝绳直径也越大。
此外,起重物体的长度也会影响钢丝绳的选择,长物体需要更长的钢丝绳来进行吊装。
因此,在选择吊装钢丝绳时,要充分考虑起重物体的重量和长度,选择合适直径的钢丝绳。
另外,根据工作环境和使用条件,选择适合的吊装钢丝绳材质和结构。
不同的工作环境对吊装钢丝绳的要求也不同,有些环境可能会受到腐蚀和高温等影响,因此需要选择耐腐蚀、耐高温的钢丝绳材质。
同时,钢丝绳的结构也会影响其使用效果,有些工作环境需要柔软的钢丝绳来适应复杂的吊装场景,而有些需要更坚固的钢丝绳来应对高强度的工作要求。
因此,在选择吊装钢丝绳时,要根据具体的工作环境和使用条件,选择适合的材质和结构。
最后,对吊装钢丝绳的使用寿命和安全系数进行评估。
吊装钢丝绳在使用过程中会受到各种力的作用,因此需要对其使用寿命和安全系数进行评估。
一般来说,吊装钢丝绳的使用寿命应符合国家标准的要求,同时要根据具体的使用情况,对其安全系数进行评估,确保在吊装作业中能够安全可靠地使用。
总之,吊装钢丝绳的选用标准涉及多方面的因素,需要综合考虑工作环境、起重物体的重量和长度、材质和结构以及使用寿命和安全系数等方面的要求。
只有在充分考虑这些因素的基础上,才能选择到合适的吊装钢丝绳,确保吊装作业的安全和高效进行。
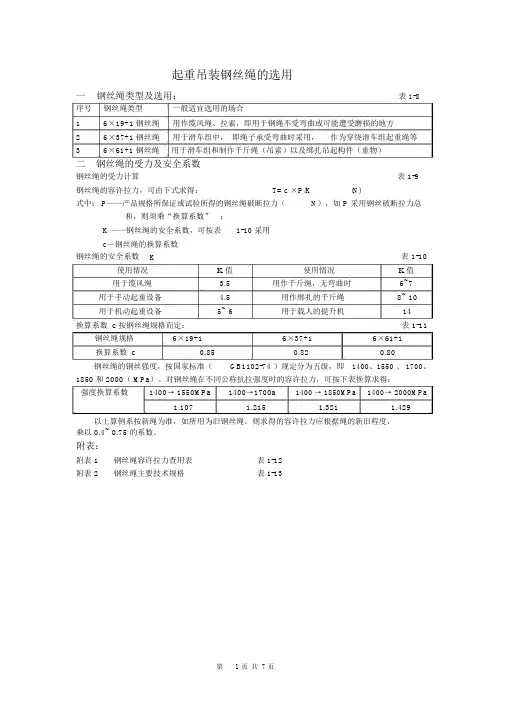
起重吊装钢丝绳的选用一钢丝绳类型及选用:表 1-8 序号钢丝绳类型一般适宜选用的场合1 6×19+1 钢丝绳用作缆风绳、拉索,即用于钢绳不受弯曲或可能遭受磨损的地方2 6×37+1 钢丝绳用于滑车组中,即绳子承受弯曲时采用,作为穿绕滑车组起重绳等36×61+1 钢丝绳用于滑车组和制作千斤绳(吊索)以及绑扎吊起构件(重物)二钢丝绳的受力及安全系数钢丝绳的受力计算表 1-9钢丝绳的容许拉力,可由下式求得:T= c ×P/K (N)式中: P——产品规格所保证或试验所得的钢丝绳破断拉力(N),如 P 采用钢丝破断拉力总和,则须乘“换算系数” ;K ——钢丝绳的安全系数,可按表1-10 采用c—钢丝绳的换算系数钢丝绳的安全系数K 表 1-10 使用情况K 值使用情况K 值用于缆风绳 3.5 用作千斤绳,无弯曲时6~7 用于手动起重设备 4.5 用作绑扎的千斤绳8~ 10 用于机动起重设备5~ 6 用于载人的提升机14换算系数 c 按钢丝绳规格而定:表 1-11 钢丝绳规格6×19+1 6×37+1 6×61+1换算系数 c 0.85 0.82 0.80钢丝绳的钢丝强度,按国家标准(GB1102-74 )规定分为五级,即1400、1550 、 1700、1850 和 2000( MPa)。
对钢丝绳在不同公称抗拉强度时的容许拉力,可按下表换算求得:强度换算系数1400→ 1550MPa 1400→1700a 1400 → 1850MPa 1400→ 2000MPa1.107 1.215 1.321 1.429以上算例系按新绳为准,如所用为旧钢丝绳,则求得的容许拉力应根据绳的新旧程度,乘以 0.4~ 0.75 的系数。
附表:附表 1 钢丝绳容许拉力查用表表 1-12附表 2 钢丝绳主要技术规格表 1-13附表: 1钢丝绳容许拉力查用表表 1-126×19+1 钢丝绳容许拉力直径( mm)钢丝总断参考质钢丝绳公称抗拉强度为1400MPa 时面积量 (kg/ 破断拉力( kN )安全系数 K 在下列数值时的容( mm2)100m) 许拉力( kN )钢丝绳钢丝钢丝破断整根绳的K=3.5 K=5 K=8 K=10拉力总和破断拉力6.2 0.4 14.32 13.53 20.0 17.0 4.9 3.4 2.1 1.77.7 0.5 22.37 21.14 31.3 26.6 7.6 5.3 3.3 2.79.3 0.6 32.22 30.45 45.1 38.3 10.9 7.7 4.8 3.811.0 0.7 43.85 41.44 61.3 52.1 14.9 10.4 6.5 5.212.5 0.8 57.27 54.12 80.1 68.1 19.5 13.6 8.5 6.814.0 0.9 72.49 68.50 101.0 85.8 24.5 17.2 10.7 8.615.5 1.0 89.49 84.57 125.0 106.3 30.4 21.3 13.3 10.717.0 1.1 108.28 102.3 151.5 128.8 36.8 25.8 16.1 12.918.5 1.2 128.87 121.8 180.0 153.0 43.7 30.6 19.1 15.320.0 1.3 151.24 142.9 211.5 179.8 51.4 36.0 22.5 18.021.5 1.4 175.40 165.8 245.5 208.6 59.6 41.7 26.1 20.923.0 1.5 201.35 190.3 281.5 239.3 68.4 47.9 29.9 23.924.5 1.6 229.09 216.5 320.5 272.4 77.8 54.5 34.1 27.2 26.0 1.7 258.63 244.4 362.0 307.7 87.9 61.5 38.5 30.8 28.0 1.8 289.95 274.0 405.5 344.7 98.5 68.9 43.1 34.5 31.0 2.0 357.96 338.3 501.0 425.9 121.7 85.2 53.2 42.6 34.0 2.2 433.13 409.3 606.0 515.1 147.2 103.0 64.4 51.5 37.0 2.4 515.46 487.1 721.5 613.3 175.2 122.7 76.7 61.3 40.0 2.6 604.95 571.7 846.5 719.5 205.6 143.9 89.9 72.0 43.0 2.8 701.60 653.0 982.0 834.7 238.5 166.9 104.3 83.5 46.0 3.0 805.41 761.1 1125.0 956.3 273.2 191.3 119.5 95.6续上表6×37 +1 钢丝绳容许拉力直径( mm)钢丝总断参考质钢丝绳公称抗拉强度为1400MPa 时面积量 (kg/ 破断拉力( kN )安全系数 K 在下列数值时的容( mm2)100m) 许拉力( kN )钢丝绳钢丝钢丝破断整根绳的K=3.5 K=5 K=8 K=10拉力总和破断拉力8.7 0.4 27.88 26.21 39.0 32.0 9.1 6.4 4.0 3.2 11.0 0.5 43.59 40.96 60.9 49.9 14.3 10.0 6.2 5.0 13.0 0.6 62.74 58.98 87.8 72.0 20.6 14.4 9.0 7.2 15.0 0.7 85.39 80.27 119.5 98.0 28.0 19.6 12.3 9.8 17.5 0.8 111.53 104.8 156.0 127.9 36.6 25.6 16.0 12.8 19.5 0.9 141.16 132.7 197.5 161.9 46.3 32.4 20.2 16.2 21.5 1.0 174.27 163.8 243.5 199.7 57.1 39.9 25.0 20.0 24.0 1.1 210.87 198.2 295.0 241.9 69.1 48.4 30.2 24.2 26.0 1.2 250.95 235.9 351.0 287.8 82.2 57.6 36.0 28.8 28.0 1.3 294.52 276.8 412.0 337.8 96.5 67.6 42.2 33.8 30.0 1.4 341.57 321.1 478.0 391.9 112.0 78.4 49.0 39.2 32.5 1.5 392.11 368.6 548.5 449.8 128.5 89.9 56.2 45.0 34.5 1.6 446.13 419.4 624.5 512.1 146.3 102.4 64.0 51.2 36.5 1.7 503.64 473.4 705.0 578.1 163.2 115.6 72.3 57.8 39.0 1.8 564.63 530.8 790.0 647.8 185.1 129.6 81.0 64.8 43.0 2.0 697.08 655.3 975.5 799.9 228.5 150.0 99.9 80.0 47.5 2.2 843.47 792.9 1180.0 967.6 276.5 193.5 121.0 96.8 52.0 2.4 1003.80 943.6 1405.0 1152.1 329.2 230.4 144.0 115.2 56.0 2.6 1178.07 1107.4 1645.0 1348.9 385.5 269.8 168.6 134.9 60.5 2.8 1366.28 1284.3 1910.0 1566.2 447.5 313.2 195.8 156.6 65.0 3.0 1568.43 1474.3 2195.0 1799.9 514.3 359.9 225.0 180.0续上表6×61 +1 钢丝绳容许拉力直径( mm)钢丝总断参考质钢丝绳公称抗拉强度为1400MPa 时面积量 (kg/ 破断拉力( kN )安全系数 K 在下列数值时的容( mm2)100m) 许拉力( kN )钢丝绳钢丝钢丝破断整根绳的K=3.5 K=5 K=8 K=10拉力总和破断拉力11.0 0.4 45.97 43.21 64.3 51.4 14.7 12.3 6.4 5.1 14.0 0.5 71.83 67.52 100.5 80.4 22.9 16.1 10.1 8.0 16.5 0.6 103.43 97.22 144.5 115.6 33.0 23.1 14.5 11.6 19.5 0.7 140.78 132.3 197.0 157.6 45.0 31.6 19.7 15.8 22.0 0.8 183.88 172.8 257.0 205.6 58.7 41.1 25.7 20.6 25.0 0.9 232.72 218.8 325.5 261.4 74.4 52.1 32.6 26.0 27.5 1.0 287.31 270.1 402.0 321.6 91.9 64.3 40.2 32.2 30.5 1.1 347.65 326.8 486.5 389.2 111.2 77.8 48.7 38.9 33.0 1.2 413.73 388.9 579.0 463.2 132.3 92.6 57.9 46.3 36.0 1.3 485.55 456.4 679.5 543.6 155.3 108.7 68.0 54.4 38.5 1.4 563.13 529.3 788.0 630.4 180.1 126.1 78.8 63.1 41.5 1.5 646.45 607.7 905.0 724.0 206.9 144.8 90.5 72.4 44.0 1.6 735.51 691.4 1025.0 820.0 234.3 164.0 102.5 82.0 47.0 1.7 830.33 780.5 1160.0 928.0 265.1 185.6 116.0 92.8 50.0 1.8 930.88 875.0 1300.0 1040.0 297.1 208.0 130.0 104.0 55.5 2.0 1149.24 1080.3 1605.0 1284.0 366.9 256.8 160.5 128.4 61.0 2.2 1390.58 1307.1 1945.0 1556.0 444.6 311.2 194.5 155.6 66.5 2.4 1654.91 1555.6 2315.0 1852.0 529.1 370.4 231.5 185.2 72.0 2.6 1942.22 1825.7 2715.0 2172.0 620.6 434.4 271.5 217.2 77.5 2.8 2252.51 2117.4 3150.0 2520.0 720.0 504.0 315.0 252.0 83.0 3.0 2535.79 2430.6 3620.0 2896.0 827.4 579.2 362.0 289.6附表 2钢丝绳主要技术规格表 1-136×19+1 钢丝绳直径( mm)钢丝总参考钢丝绳公称抗拉强度(MPa)断面积质量( kg/ 1400 1550 1700 1850 2000 钢丝绳钢丝( mm 2)100m)钢丝破断拉力总和(Kn )≤6.2 0.4 14.32 13.53 20.0 22.1 24.3 26.4 28.67.7 0.5 22.37 21.14 31.3 34.6 38.0 41.3 44.79.3 0.6 32.22 30.45 45.1 49.9 54.7 59.6 64.411.0 0.7 43.85 41.44 61.3 67.9 74.5 81.1 87.712.5 0.8 57.27 54.12 80.1 86.7 97.3 105.5 114.514.0 0.9 72.49 68.50 101.0 112.0 123.0 134.0 144.515.5 1.0 89.49 84.57 125.0 138.5 152.0 165.5 178.517.0 1.1 108.28 102.3 151.5 167.5 184.0 200.0 216.518.5 1.2 128.87 121.8 180.0 199.5 219.0 238.0 257.520.0 1.3 151.24 142.9 211.5 234.0 257.0 279.5 302.021.5 1.4 175.40 165.8 245.5 271.5 298.0 324.0 350.523.0 1.5 201.35 190.3 281.5 312.0 342.0 372.0 402.524.5 1.6 229.09 216.5 320.5 355.0 389.0 423.5 458.0 26.0 1.7 258.63 244.4 362.0 400.5 439.5 478.0 517.0 28.0 1.8 289.95 274.0 405.5 449.0 492.5 536.0 579.5 31.0 2.0 357.96 338.3 501.0 554.5 608.5 662.0 715.5 34.0 2.2 433.13 409.3 606.0 671.0 736.0 801.037.0 2.4 515.46 487.1 721.5 798.5 876.0 953.540.0 2.6 604.95 571.7 846.5 937.5 1025.0 1115.043.0 2.8 701.60 653.0 982.0 1085.0 1190.0 1295.046.0 3.0 805.41 761.1 1125.0 1245.0 1365.0 1490.0钢丝绳主要技术规格序上表6×37+1 钢丝绳直径( mm)钢丝总参考钢丝绳公称抗拉强度(MPa)断面积质量( kg/ 1400 1550 1700 1850 2000 钢丝绳钢丝( mm 2)100m)钢丝破断拉力总和(Kn )≤8.7 0.4 27.88 26.21 39.0 43.2 43.7 51.5 55.7 11.0 0.5 43.59 40.96 60.9 67.5 74.0 80.6 87.1 13.0 0.6 62.74 58.98 87.8 97.2 106.5 116.0 125.0 15.0 0.7 85.39 80.27 119.5 132.0 145.0 157.5 170.5 17.5 0.8 111.53 104.8 156.0 172.5 189.5 206.0 223.0 19.5 0.9 141.16 132.7 197.5 218.5 239.5 261.0 282.0 21.5 1.0 174.27 163.8 243.5 270.0 296.0 322.0 348.5 24.0 1.1 210.87 198.2 295.0 326.5 358.0 390.0 421.5 26.0 1.2 250.95 235.9 351.0 388.5 426.5 464.0 501.5 28.0 1.3 294.52 276.8 412.0 456.5 500.5 544.5 589.0 30.0 1.4 341.57 321.1 478.0 529.0 580.5 631.5 683.0 32.5 1.5 392.11 368.6 548.5 607.5 666.5 725.0 784.0 34.5 1.6 446.13 419.4 624.5 691.5 758.0 825.0 892.0 36.5 1.7 503.64 473.4 705.0 780.5 856.0 931.5 1005.0 39.0 1.8 564.63 530.8 790.0 875.0 959.5 1040.0 1125.0 43.0 2.0 697.08 655.3 975.5 1080.0 1185.0 1285.0 1390.0 47.5 2.2 843.47 792.9 1180.0 1305.0 1430.0 1560.052.0 2.4 1003.80 943.6 1405.0 1555.0 1705.0 1855.056.0 2.6 1178.07 1107.4 1645.0 1825.0 2000.0 2175.060.5 2.8 1366.28 1284.3 1910.0 2115.0 2320.0 2525.065.0 3.0 1568.43 1474.3 2195.0 2430.0 2665.0 2900.0钢丝绳主要技术规格序上表6×61+1 钢丝绳直径( mm)钢丝总参考钢丝绳公称抗拉强度(MPa)断面积质量( kg/ 1400 1550 1700 1850 2000 钢丝绳钢丝( mm 2)100m)钢丝破断拉力总和(Kn )≤11.0 0.4 45.97 43.21 64.3 71.2 78.1 85.0 91.9 14.0 0.5 71.83 67.52 100.5 111.0 122.0 132.5 143.5 16.5 0.6 103.43 97.22 144.5 160.0 175.5 191.0 206.5 19.5 0.7 140.78 132.3 197.0 218.0 239.0 260.0 281.5 22.0 0.8 183.88 172.8 257.0 285.0 312.5 340.0 367.5 25.0 0.9 232.72 218.8 325.5 360.5 395.5 430.5 465.0 27.5 1.0 287.31 270.1 402.0 445.0 488.0 531.5 574.5 30.5 1.1 347.65 326.8 486.5 538.5 591.0 643.0 695.0 33.0 1.2 413.73 388.9 579.0 641.0 703.0 765.0 827.0 36.0 1.3 485.55 456.4 679.5 752.5 825.0 898.0 971.0 38.5 1.4 563.13 529.3 788.0 872.5 957.0 1040.0 1125.0 41.5 1.5 646.45 607.7 905.0 1000.0 1095.0 1195.0 1290.0 44.0 1.6 735.51 691.4 1025.0 1140.0 1250.0 1360.0 1470.0 47.0 1.7 830.33 780.5 1160.0 1285.0 1410.0 1535.0 1660.0 50.0 1.8 930.88 875.0 1300.0 1440.0 1580.0 1720.0 1860.0 55.5 2.0 1149.24 1080.3 1605.0 1780.0 1950.0 2125.0 2295.0 61.0 2.2 1390.58 1307.1 1945.0 2155.0 2360.0 2570.066.5 2.4 1654.91 1555.6 2315.0 2565.0 2810.0 3060.072.0 2.6 1942.22 1825.7 2715.0 3010.0 3300.0 3590.077.5 2.8 2252.51 2117.4 3150.0 3490.0 3825.0 4165.083.0 3.0 2535.79 2430.6 3620.0 4005.0 4395.0 4780.0注:表1-13 中粗线左侧,可供应光面或镀锌钢丝绳;右侧只供应光面钢丝绳。
钢丝绳的性能、现场起吊时钢丝绳直径的选择一、钢丝绳的用途及性能钢丝绳又叫“钢索”广泛用于起重运输作业中,它既是起重机械的重要组成部分,又可在起重作业中作为索具单独使用。
与其它绳索相比,钢丝绳具有以下优点:(1)强度高,耐磨损,弹性大,能承受冲击载荷。
(2)挠性的,易弯曲,使用灵活。
(3)在高速运行中没有噪声。
(4)安全性能好,钢丝绳在破断前有断丝的预兆,容易发现,整根钢丝绳在使用前,不会立即折断,便于采取防范措施。
纲丝绳是由高强度的优质碳素钢丝制成,帮刚性较大,在与卷筒或滑轮配合使用时,如果卷筒或滑轮过小,钢丝绳容易断丝损坏,缩短其使用寿命。
二、钢丝绳的构造与规格1、钢丝绳的构造及种类钢丝绳是由很多根直径为0.3-3mm的钢丝绕着中心钢丝先拧成股,再把若干个股围绕着芯子拧成绳的。
起重作业中多采用互捻,一般为右交互捻。
因为这种钢丝绳扭转力互相抵消,不易卷曲扭结,悬吊重物时不会发生施旋转,使用方便。
按钢丝绳芯材料分钢丝绳按绳芯材料分类特点麻芯(棉芯)石棉芯金属芯优点较柔软、易弯曲、浸油后能对钢丝绳油润较柔软,易弯曲,可在高温下使用耐重压,可在高温下使用缺点不能在高温下使用,不能受重压不能受重压太硬、不易弯曲在起重作业中,多采用麻芯或棉芯钢丝绳。
按每股丝数分,起重作业中所用钢丝绳为6股,每股丝数有19丝,37丝及61丝三种,以37丝应用较多。
钢丝绳的规格钢丝绳所用钢丝的抗拉强度,按国家标准规定分为1400MPa、1550MPa、1700MPa、1850MPa和2000MPa等五个等级,所制成的钢丝绳的最小破断拉力也不相同。
在起重作业中,经常使用的钢丝绳有6×61+1等几种规格。
这里,表示钢丝绳规格的三个数字分别代表三种含义,如6×37+1表示6股,每股37丝,1根油浸剑麻或棉纱芯。
三、钢丝绳的计算与选用。
1、钢丝绳破断拉力的计算钢丝绳是由若干根钢丝捻制而成的,理论上,钢丝绳的破断拉力应为所有钢丝破断拉力之和。
起重吊装钢丝绳的选用
钢丝绳的受力计算表1-9
钢丝绳的容许拉力,可由下式求得:T= c×P/K (N)
式中:P——产品规格所保证或试验所得的钢丝绳破断拉力(N),如P采用钢丝破断拉力总和,则须乘“换算系数”;
K——钢丝绳的安全系数,可按表1-10采用
c—钢丝绳的换算系数
换算系数c按钢丝绳规格而定:表1-11
钢丝绳的钢丝强度,按国家标准(GB1102-74)规定分为五级,即1400、1550、1700、
以上算例系按新绳为准,如所用为旧钢丝绳,则求得的容许拉力应根据绳的新旧程度,乘以0.4~0.75的系数。
附表:
附表1 钢丝绳容许拉力查用表表1-12
附表2 钢丝绳主要技术规格表1-13
附表:1
续上表
附表2
注:表1-13中粗线左侧,可供应光面或镀锌钢丝绳;右侧只供应光面钢丝绳。
起重设备钢丝绳的正确选用钢丝绳是起重机械及起重运输、吊装捆绑作业不可缺少的主要零部件,被广泛地应用作为起升绳、变幅绳、牵引绳、吊装绳等。
不论作为哪一种用途的钢丝绳,如果选用类型不当、使用方法不合理,缺乏安全检查、又不重视保养,更为严重的是已达报废还继续使用,都有可能发生因钢丝绳的损伤或破断而产生的重大事故。
笔者通过多年的工作实践经验,对钢丝绳的正确选用推荐几种方法:(1)吊运熔化或炽热金属的钢丝绳,应采用石棉芯等耐高温的钢丝绳。
(2)工作在露天、潮湿、腐蚀等环境中应选用镀锌钢丝绳。
(3)绕经滑轮和卷筒机构的钢丝绳,应优先选用线接触钢丝绳。
由于线接触钢丝绳钢丝间接触应力小、磨损小、绕性好、钢丝绳使用寿命相对较长。
(4)起升较大或钢丝绳多层卷绕的起重机,宜采用不旋转、无松散倾向的右交互捻钢丝绳。
这种钢丝绳股与绳的扭转趋势互相抵消,起吊重物时不易旋转和松散。
(5)起升机构和变幅机构,不得使用编结接长的钢丝绳。
使用其它方法接长钢丝绳时,必须保证接头连接强度不小于钢丝绳砍断拉力的90%。
(6)选用钢丝绳的强度不宜过高,一般不应超过1700N/mm2。
对于单层缠绕的不旋转锅丝绳,右旋绳槽的卷筒选用左旋钢丝绳,反之,左长绳糟的卷筒选用右旋钢丝绳,否则容易导致钢丝绳结构的永久变形。
多层绕卷筒的钢丝绳相互间摩擦力及受到的挤压力都较大,易产生乱绳现象,因此应选用直径略小于绳槽节距和绳槽直径的钢丝绳,以增加钢丝绳与卷筒间的接触面积,减少相邻钢丝绳间的摩擦力。
从而提高钢丝绳的寿命。
实践证明,钢丝绳的直径比绳槽节距小1%,有助于排绳紧密,有效消除爬绳、乱绳现象,在相同直径下,钢丝绳外股数目越多直径则越细,单根钢丝就越细,这种钢丝绳的挠性好,能很好的克服锅丝绳多次进出卷筒时受到的反向弯折力,穿绳也容易。
而较粗的外股,其钢丝也较粗,则能更好的抵抗磨损、机械损伤、腐蚀和挤压力。
因此,只有将两种优点很好的结合起来,才是真正高性能的优质钢丝绳。
起重吊装常用钢丝绳使用便携手册1. 钢丝绳选用及计算方法1.1 钢丝绳类型:常用钢丝绳根据绳股与绳的捻向可分为交捻绳、顺捻绳和混合捻绳。
1)交捻绳: 钢丝捻成股方向与股捻成绳的方向相反。
特点是钢丝绳不会扭转和松散,吊装重物后不会转动。
起重吊装作业中优先使用交捻绳。
2)顺捻绳:钢丝捻成股与股捻成绳的方向相同。
特点是挠性较好,但容易自行松散和具有扭转的倾向,在自由悬挂重物的吊装作业中不宜采用。
3)混合捻钢丝绳:综合顺捻和交捻的综合捻法,钢丝绳中相邻两股或两层股的钢丝捻绕方向相反,具有顺捻和交检两种钢丝绳的优点,因制造困难、价格高,很少使用。
交捻顺捻混合捻1.2 钢丝绳常用规格起重吊装作业常用钢丝绳有6×19+1、6×37+1、6×61+1三种。
其中:数字6—表示钢丝绳由6股组成,数字19、37、61表示每股由19、37、61根钢丝组成(同直径钢丝绳,钢丝越多挠性越好,但耐磨性下降),数字1—表示1股麻芯或钢芯。
6×19+1:绕性差,常用作拉索、缆风绳及制作起重索具。
6×37+1:绕性比6×19+1钢丝绳好,适用于要求绳索严重受弯情况下使用。
常用于起重吊装作业中捆扎、设备及穿绕滑车组及制作起重吊。
制作吊索应采用交捻6×37+1型麻芯钢丝绳。
6×61+1:绕性好易于弯曲,用于绑扎各类物件。
但耐磨性差,常见于受载不大的情况下使用。
钢丝绳标记:例6×37-20-1700表示6股、每股37丝、钢丝绳直径为Ф20mm、钢丝绳抗拉强度为1700MPa。
起重吊装作业中,一般采用GB/T8918-1996《钢丝绳》中6×19和6×37钢丝绳,常用规格及性能参数见表 1和表2。
表1:6×19钢丝绳破断拉力表 2:6×37钢丝绳破断拉力1.3 起重吊装作业中,钢丝绳要求破断拉力T计算T =( P×K1×K2×K )/Ψ式中:T为钢丝绳破断拉力(查表),P为钢丝绳实际需要承受的吊装载荷。
钢丝绳的选用、检查、维护及保养钢丝绳是起重机械及起重设备、吊装捆绑作业不可缺少的主要零部件,被广泛地应用作为起升绳、变幅绳、牵引绳、吊装绳等。
不论作为哪一种用途的钢丝绳.如果选用类型不当、使用方法不合理。
缺乏安全检查、又不重视保养,更为严重的是已达报废还继续使用.都有可能发生因钢丝绳的损伤或破断而产生的重大事故。
一、对起重设备钢丝绳的正确选用推荐几种方法:(1)吊运熔化或炽热金属的钢丝绳,应采用石棉芯等耐高温的钢丝绳。
(2)工作在露天、潮湿、腐蚀等环境中应选用镀锌钢丝绳(3)绕经滑轮和起重配件卷筒机构的起重设备钢丝绳,应优先选用线接触钢丝绳。
由于线接触钢丝绳钢丝间接触应力小、磨损小、绕性好、钢丝绳使用寿命相对较长。
(4)起升较大或起重设备钢丝绳多层卷绕的起重机,宜采用不旋转、无松散倾向的右交互捻钢丝绳。
这种钢丝绳股与绳的扭转趋势互相抵消.起吊重物时不易旋转和松散。
二、钢丝绳的检查钢丝绳从投入使用之后,其性能就开始减低。
所以,在其使用历程中,应对全长各个部位进行检查。
由于客观上要对整条钢丝绳进行检查十分困难,但是,对那些经过实践证明容易损坏的部位必需进行频繁、仔细检查,因为一旦这些部位严重损坏不能被及时发现,将有可能产生灾祸性的后果。
在钢丝绳遭到突加负载后,应特别对进入和离开滑轮、绳槽和卷筒部门的钢丝绳进行仔细检查。
1.钢丝绳外部检查直径检查:直径是钢丝绳极其重要的参数。
通过对直径测量,可以反映该处直径的变化速度、钢丝绳是否承遭到过较大的冲击载荷、捻制时股绳张力是否均匀一致、绳芯对股绳是否保持了足够的支撑能力。
检查方法是用卡尺量取钢丝绳外层股顶部轮廓园的直径。
在要测量的钢丝绳部位间隔1m左右选取三点,每一点在水平和垂直方向各测量一直径值,取平均。
测量的三点直径值取最小的代表此部位的直径或将这三点别离记载。
磨损检查:钢丝绳在使用历程中产生磨损现象不可避免。
通过对钢丝绳磨损检查,可以反映出钢丝绳与般配轮槽的接触状况,在无法随时进行性能试验的环境下,按照钢丝磨损程度的大小猜测钢丝绳实际承载能力。
吊装钢丝绳选用及计算吊装钢丝绳的选用及计算一、引言吊装钢丝绳是一种常用的起重装备,在各种工业和建筑领域广泛应用。
正确选用和计算吊装钢丝绳的参数对于保证吊装的安全性和效率至关重要。
本文将介绍吊装钢丝绳的选用原则及计算方法。
二、吊装钢丝绳的选用原则1. 载荷要求:根据吊装工件的重量和尺寸确定所需的吊装钢丝绳的承载能力。
一般情况下,吊装钢丝绳的承载能力应大于吊装工件的重量。
2. 工作环境:根据吊装工作的环境条件选择合适的吊装钢丝绳。
例如,对于在高温环境下工作的吊装,需要选用耐高温的钢丝绳。
3. 使用寿命:根据吊装工作的频率和使用寿命要求选择耐磨性和耐腐蚀性良好的吊装钢丝绳。
4. 安全系数:根据吊装的安全要求选择适当的安全系数。
一般情况下,吊装钢丝绳的安全系数应大于1.5。
三、吊装钢丝绳的计算方法1. 吊装钢丝绳的截面积计算:根据吊装工件的重量和安全系数,计算所需的吊装钢丝绳的截面积。
吊装钢丝绳的截面积与其承载能力成正比。
2. 吊装钢丝绳的拉伸强度计算:根据吊装工件的重量和安全系数,计算所需的吊装钢丝绳的拉伸强度。
吊装钢丝绳的拉伸强度与其截面积和材料强度有关。
3. 吊装钢丝绳的长度计算:根据吊装工作的高度和安全系数,计算所需的吊装钢丝绳的长度。
吊装钢丝绳的长度应大于吊装工作的高度。
4. 吊装钢丝绳的绳径计算:根据吊装工件的重量和安全系数,计算所需的吊装钢丝绳的绳径。
吊装钢丝绳的绳径与其截面积和绳的材料有关。
四、案例分析假设需要吊装一块重量为10吨的工件,工作环境为常温,使用寿命要求为3年,安全系数为2。
根据以上要求,我们可以进行如下计算:1. 根据载荷要求,选择承载能力大于10吨的吊装钢丝绳。
2. 根据工作环境要求,选择耐常温的钢丝绳。
3. 根据使用寿命要求,选择耐磨性和耐腐蚀性良好的钢丝绳。
4. 根据安全系数要求,选择安全系数大于2的钢丝绳。
五、总结吊装钢丝绳的选用和计算是吊装工作中至关重要的一环。
正确选用和计算吊装钢丝绳的参数可以保证吊装的安全性和效率。
吊装作业钢丝绳选用计算书.常用起重索具和吊具计算一、钢丝绳计算1.钢丝绳实际受力计算当被起吊物体重量固定时,钢丝绳与铅垂线的夹角a越大,吊索所受的拉力越大。
或者说,吊索所受的拉力固定时,起重量随着夹角a的增大而降低。
P=Qncosa (1-1)其中,P表示每根钢丝绳所受的拉力(N);Q表示起重设备的重力(N);n表示使用钢丝绳的根数;a表示钢丝绳与铅垂线的夹角。
2.钢丝绳绳径选择选择钢丝绳直径时,一般可以根据钢丝绳受到的拉力(即许用拉力P),求出钢丝破断拉力总和ΣS,再查表找出相应的钢丝绳直径。
如果使用的是旧钢丝绳,则上述许用拉力P应根据绳的新旧程度,乘以0.4~0.7的系数。
详见下表1.钢丝绳的容许拉力可以按下式计算:P=aΣS/K (1-2)其中,P表示钢丝绳的容许拉力(kN);ΣS表示钢丝绳的钢丝破断拉力总和(kN);a表示考虑钢丝绳之间荷载不均匀系数,对6×19、6×37、6×61钢丝绳,a分别取0.85、0.82、0.80;K表示钢丝绳使用安全系数。
见下表2.表1 钢丝绳合用程度判断表类别判断方法Ⅰ新钢丝绳和曾使用过的钢丝绳,但各股钢丝绳的位置未有变动,无绳股凹凸现象,磨损轻微①各股钢丝已有变位、压扁及凹凸现象,但未露绳芯Ⅱ②钢丝绳个别部位有轻微锈蚀③钢丝绳表面有尖刺现象(即断丝),每米长度内尖刺数目不多于总丝数的3%①钢丝绳表面有尖刺现象,每米长度内尖刺数目不多于总丝数的10%Ⅲ②个别部位有明显的锈痕③绳股凹凸不太严重,绳芯未露出①绳股有明显的扭曲,绳股和钢丝有部分变位,有明显的凹凸现象Ⅳ②钢丝绳有锈痕,将锈痕刮去后,钢丝绳留有凹痕③钢丝绳表面上的尖刺现象,每米长度内尖刺数目不多于总丝数的25%表2 钢丝绳的安全系数使用情况安全系数K缆风绳用 3.5用于手动起重设备 4.5用于机动起重设备 5~6用作吊索,无弯曲 6~7用作绑扎吊索 8~10用于载人的升降机 143.钢丝绳的选用钢丝绳的挠性和耐磨损性是由股内钢丝数量和钢丝直径决定的。
桥式起重机钢丝绳选择标准选择桥式起重机钢丝绳时,可以考虑以下标准:
1. 承载能力:根据起重机的设计工作负荷和使用条件,选择承载能力适合的钢丝绳。
需确保钢丝绳的额定承载能力能够满足实际工作中的需求。
2. 钢丝绳结构:根据起重机的使用环境和工作条件,选择合适的钢丝绳结构。
常见的钢丝绳结构包括单层、多层、平行绳芯等。
不同的结构具有不同的特点和适用范围,在选择时要考虑到起重机的工作性质和使用环境。
3. 钢丝绳材质:选择耐磨损、抗拉强度高的钢丝绳材质,以确保其使用寿命和安全性能。
常见的钢丝绳材质包括普通碳素钢丝绳、合金钢丝绳等。
4. 钢丝绳绳径:根据起重机的设计要求和使用条件,选择合适的钢丝绳绳径。
绳径越大,承载能力越高,但相应地重量也会增加。
需要综合考虑起重机的设计工况和使用环境,选择适当的绳径。
5. 钢丝绳使用寿命:了解钢丝绳的使用寿命和检查周期,并进行相应的维护保养。
及时更换老化、磨损或损坏的钢丝绳,确保起重机的安全运行。
起重吊装常用钢丝绳使用便携手册1. 钢丝绳选用及计算方法钢丝绳类1.1 型:钢丝绳绳与绳为绳顺绳绳常用根据股的捻向可分交捻、捻和混合捻。
钢丝绳会扭转与成的方向相反绳。
特点是不和1)交捻绳: 钢捻成股丝方向股捻会转动起重吊装作业中优先使用交捻绳。
松散,吊装重物后不。
挠较,但容易自行钢丝与绳。
特点是性好2)捻:顺绳捻成股股捻成的方向相同业。
悬重物的吊 装作中不宜采用扭转倾,在自由挂松散和具有的向钢丝绳邻两两层股的顺综,中相股或综捻和交捻的合捻法3)混合捻钢丝绳:合顺检两种钢丝绳优因制造困、价格高,很少难捻方向相反钢丝绕,具有捻和交的点,使用。
顺混合捻交捻捻钢丝绳规1.2 常用格钢丝绳6×19+1、6×37+1、6×61+1三。
种起重吊装作业常用有钢丝绳6股成,字组数19、37、61其中:字数6—表示由表示每股由19、37、61根成(同直,越多钢丝组径钢丝绳钢丝钢挠数1—表示1股麻芯或芯。
性越好,但耐磨性下降),字绕缆风绳及制作起重索具。
6×19+1:性差,常用作拉索、严绳重绕6×19+1好,钢丝绳适用于要求索6×37+1:性比业设备绕车况用于起重吊装作中捆扎、及穿滑受弯情下使用。
常组及制作起重吊。
制作吊索应采用交捻6×37+1型麻芯钢丝绳。
绑类但耐磨性差,常见于受载不大弯,用于扎各物件。
绕易于曲6×61+1:性好况的情下使用。
丝钢丝绳径为Ф20mm、钢钢丝绳标记6×37-20-1700表示6股、每股37、直:例丝绳为1700MPa。
抗拉强度钢丝绳6×19和6×37钢丝绳,起重吊装作业中,一般采用GB/T8918-1996《》中参数见 1和表2。
规及性能表常用格表1:6×19 钢丝绳破断拉力表 2:6×37钢丝绳破断拉力计业钢丝绳断T算1.3 起重吊装作中,要求破拉力T =( P×K1×K2×K )/Ψ为钢丝绳实际载式中:T破拉力(表),为钢丝绳断查P需要承受的吊装荷。
钢丝绳选型指南(场景版)钢丝绳是一种常见的起重和吊装工具,广泛应用于建筑、矿山、港口、造船等行业。
钢丝绳的选型对于保证作业安全和效率至关重要。
本文将为您详细介绍钢丝绳的选型方法,帮助您在不同场景下选择合适的钢丝绳。
一、钢丝绳的分类钢丝绳按结构可分为以下几种:1.1线接触钢丝绳:线接触钢丝绳的绳股内钢丝呈直线排列,相邻钢丝之间留有间隙。
这种钢丝绳具有较高的柔韧性和抗挤压性能,适用于提升和牵引作业。
1.2面接触钢丝绳:面接触钢丝绳的绳股内钢丝呈面接触排列,相邻钢丝之间紧密贴合。
这种钢丝绳具有较高的强度和耐磨性能,适用于重载和高速运行的场合。
1.3线面接触钢丝绳:线面接触钢丝绳的绳股内钢丝既有线接触又有面接触排列。
这种钢丝绳综合了线接触和面接触钢丝绳的优点,具有较高的柔韧性和强度,适用于复杂多变的作业环境。
二、钢丝绳的规格和性能2.1规格:钢丝绳的规格通常由钢丝直径、绳股直径和钢丝绳直径组成。
例如,6×19S-IWR-20表示钢丝绳由6股、每股19根钢丝组成,钢丝直径为1.2mm,钢丝绳直径为20mm。
2.2性能:钢丝绳的性能主要包括强度、柔韧性、耐磨性、抗挤压性等。
不同类型的钢丝绳在性能方面有所差异,应根据实际需求进行选择。
三、钢丝绳选型方法3.1确定作业场景:首先,明确钢丝绳的使用场景,如建筑工地、矿山、港口等。
不同场景对钢丝绳的性能要求不同,需根据实际情况进行选型。
3.2计算载荷:根据作业场景,计算所需承受的最大载荷。
钢丝绳的破断拉力应大于等于计算载荷的5倍以上。
3.3选择钢丝绳类型:根据作业场景和载荷,选择合适的钢丝绳类型。
如提升和牵引作业可选用线接触钢丝绳,重载和高速运行场合可选用面接触钢丝绳。
3.4确定钢丝绳规格:根据计算载荷和钢丝绳类型,确定钢丝绳的规格。
可参考钢丝绳规格表进行选择。
3.5检验和验收:购买钢丝绳后,应对其外观、尺寸、强度等进行检验,确保符合要求。
在使用过程中,定期对钢丝绳进行检查和维护,确保作业安全。
钢丝绳规格及吊重引言钢丝绳是一种用于承载和吊运重物的重要工具。
它由多股细钢丝编织而成,具有高强度、耐腐蚀等优点,被广泛应用于各个领域,如建筑工程、航运、挖掘机械等。
在使用钢丝绳进行吊运时,了解钢丝绳的规格及其吊重能力是至关重要的。
本文将介绍钢丝绳的常见规格和吊重能力。
常见的钢丝绳规格钢丝绳的规格通常由细钢丝的数量、直径和结构组成。
这些规格直接影响着钢丝绳的强度和承载能力。
以下是常见的钢丝绳规格:1. 6 × 7+FC:6股绞合,每股7根细钢丝,带有纤维芯。
这种规格的钢丝绳通常用于小型起重设备和悬挂装置,其直径一般在6mm至32mm之间。
2. 6 × 19+FC:6股绞合,每股19根细钢丝,带有纤维芯。
这种规格的钢丝绳适用于吊桥、起重机和铁路车辆等设备,其直径一般在8mm至36mm 之间。
3. 6 × 37+FC:6股绞合,每股37根细钢丝,带有纤维芯。
这种规格的钢丝绳广泛用于吊装起重设备、油井等场合,其直径一般在10mm至52mm 之间。
除了上述常见规格外,还有其他一些特殊的钢丝绳规格,如平行绞合、猛溅绞合等。
这些规格根据具体的使用需求和环境选择。
钢丝绳的吊重能力钢丝绳的吊重能力取决于多个因素,包括钢丝绳的规格、长度、工作环境等。
一般来说,吊重能力会根据所选用的规格不同而有所差别。
以下是钢丝绳吊重能力的一些常见标准:1.钢丝绳的承载能力是指钢丝绳可以承受的最大静态拉力。
它通常以吨或千克为单位来表示。
吊重能力取决于钢丝绳的直径和材质,一般在3吨至1000吨之间。
2.钢丝绳的工作载荷限制是指钢丝绳在使用时所允许的最大承载能力。
它是根据标准化的试验和计算方法确定的,通常在钢丝绳的细节表格中可以找到。
3.钢丝绳的安全系数是指工作载荷限制与钢丝绳实际使用时所承受的荷载之间的比值。
安全系数通常在5至8之间,这意味着钢丝绳的实际承载能力是其工作载荷限制的五到八倍。
请注意,在实际使用中,应根据具体情况选择适当的钢丝绳规格和合理的工作载荷,以确保吊运过程的安全性。
起重吊装规范钢丝绳简介起重吊装规范是指在起重作业过程中,必须遵守的一系列安全操作规范。
其中,钢丝绳作为起重吊装工作中最常用的组件之一,其选择和使用需要遵循相关规范以确保安全性和可靠性。
本文将围绕起重吊装规范中钢丝绳的选择、安装和维护等方面进行详细介绍。
钢丝绳的选择在选择钢丝绳时,需要考虑以下几个因素:材质常见的钢丝绳材质包括普通钢丝绳、镀锌钢丝绳和不锈钢丝绳。
根据不同的工作环境和使用要求,选择合适的材质是确保钢丝绳安全可靠的重要因素。
直径钢丝绳的直径决定了其承载能力和灵活性。
根据起重吊装的需求,选择合适的钢丝绳直径至关重要。
结构钢丝绳的结构包括钢丝绳的捻制方式和绳芯结构。
常见的结构有6×19和6×37。
选择合适的结构可以提高起重吊装的效率和安全性。
强度等级钢丝绳的强度等级是指其能够承受的最大拉力。
根据实际需求,选择合适的强度等级是保证起重吊装安全的关键因素。
钢丝绳的安装和使用在安装和使用钢丝绳时,需要遵守以下规范:准备工作在安装钢丝绳之前,需要检查起重设备的状态和安全性,确保其能够正常运行。
同时,需要对钢丝绳进行检查,并清理污垢和缺陷,确保其完好无损。
安装过程在安装钢丝绳时,应根据实际需求进行正确的固定和连接。
在连接时,应确保连接牢固,并使用适当的连接方式和工具。
使用注意事项在使用钢丝绳时,需要注意以下几点:•钢丝绳在使用过程中应避免过度拉伸和扭曲,以免影响其使用寿命和安全性。
•定期检查钢丝绳的磨损和断丝情况,及时更换磨损严重的部分。
•钢丝绳应保持干燥和清洁,避免接触腐蚀性物质以及高温和火焰等,以免影响其材质和性能。
钢丝绳的维护与保养钢丝绳的维护和保养对于延长其使用寿命和保证起重吊装安全至关重要。
以下是一些常见的维护与保养措施:定期检查定期检查钢丝绳的磨损、断丝和变形情况。
如发现问题,应及时采取相应措施,如更换磨损严重的钢丝绳。
润滑定期对钢丝绳进行润滑,以减少磨损和摩擦。
润滑剂的选择应根据工作环境和要求来确定。
起重吊装钢丝绳的选用 Document serial number【KKGB-LBS98YT-BS8CB-BSUT-BST108】
起重吊装钢丝绳的选用
1-8
钢丝绳的受力计算表1-9
钢丝绳的容许拉力,可由下式求得: T= c×P/K (N)
式中:P——产品规格所保证或试验所得的钢丝绳破断拉力(N),如P采用钢丝破断拉力总和,则须乘“换算系数”;
K——钢丝绳的安全系数,可按表1-10采用
c—钢丝绳的换算系数
钢丝绳的安全系数K 表
表
、1700、
1850和2000(MPa)。
对钢丝绳在不同公称抗拉强度时的容许拉力,可按下表换算求
度,
乘以~的系数。
附表:
附表1 钢丝绳容许拉力查用表表1-12
附表2 钢丝绳主要技术规格表1-13
附表:1
钢丝绳容许拉力查用表表1-
1-13
序上
钢丝绳主要技术规格序上。
起重吊装钢丝绳规范起重吊装钢丝绳规范是指在起重吊装作业中使用钢丝绳时应遵守的标准和要求。
以下是起重吊装钢丝绳规范的一些内容,总计约1000字。
1. 钢丝绳的选择(1) 根据起重物的重量和用途选择合适的钢丝绳。
一般来说,大吨位的起重作业应选择直径较大的钢丝绳,并考虑受力情况和环境条件。
(2) 钢丝绳的材质要符合国家标准,并具有足够的强度和耐久性,能够承受起重作业所需的载荷。
(3) 每根钢丝绳都应有明显的标识,包括生产厂家、批次号和绳径等信息。
标识应清晰可见,并不会影响钢丝绳的使用。
2. 钢丝绳的检查和维护(1) 钢丝绳在使用前应进行外观检查,确保没有明显的损伤和裂纹。
特别是关注钢丝绳节点和绞结处是否存在断裂或变形。
(2) 定期检查钢丝绳的使用状态,包括钢丝绳的磨损情况、弯曲、扭结等,以及钢丝绳固定部位的磨损情况。
(3) 钢丝绳磨损超过规定的限值时,应及时更换。
若发现断丝或断根,应立即停止使用,并进行维修或更换。
(4) 在使用过程中,应避免钢丝绳受到强酸、碱、盐等腐蚀性物质的侵蚀。
避免钢丝绳与尖锐物体接触和摩擦。
起重吊装作业结束后,应将钢丝绳存放在干燥通风的地方,避免阳光直射和潮湿。
3. 钢丝绳的使用(1) 检查吊车或起重设备的起吊和固定设施是否完好。
挂钩、安全锁等部件应正常可靠,以确保起重物的安全。
(2) 吊装前应仔细核对起吊物的重量,合理确定钢丝绳的使用数量和排列结构。
起吊前,应确保吊车或起重设备处于稳定状态,并保证吊点与起吊物垂直。
(3) 在起吊过程中,钢丝绳应保持拉直,在起吊物开始提升后,应逐渐加速,并保持匀速提升,避免急剧抬升或下降。
(4) 吊装物不得与人员或其它设备发生碰撞或摩擦。
起吊过程中,应有专人指挥,并使用信号标准进行指挥操作。
起重吊装钢丝绳规范是保证起重作业安全和有效进行的基础。
在起重作业中,操作人员应遵守以上规范,并进行必要的培训和操作指导,以确保起重吊装工作的顺利进行。
同时,钢丝绳的选用、检查和维护也是关键,以确保钢丝绳的正常运行和寿命。
起重吊装钢丝绳的选用
一钢丝绳类型及选用:表1-8
二钢丝绳的受力及安全系数
钢丝绳的受力计算表1-9 钢丝绳的容许拉力,可由下式求得:T= c×P/K (N)
式中:P——产品规格所保证或试验所得的钢丝绳破断拉力(N),如P采用钢丝破断拉力总和,则须乘“换算系数”;
K——钢丝绳的安全系数,可按表1-10采用
c—钢丝绳的换算系数
钢丝绳的安全系数K
表
1-10
换算系数c按钢丝绳规格而定:表1-11
钢丝绳的钢丝强度,按国家标准(GB1102-74)规定分为五级,即1400、1550、1700、1850和2000(MPa)。
对钢丝绳在不同公称抗拉强度时的容许拉力,可按下表换算求得:
以上算例系按新绳为准,如所用为旧钢丝绳,则求得的容许拉力应根据绳的新旧程度,乘以0.4~0.75的系数。
附表:
附表1 钢丝绳容许拉力查用表表1-12
附表2 钢丝绳主要技术规格表1-13
附表:1
钢丝绳容许拉力查用表表1-12
续上表
续上表
附表2
钢丝绳主要技术规格表1-13
钢丝绳主要技术规格序上表
钢丝绳主要技术规格序上表
注:表1-13中粗线左侧,可供应光面或镀锌钢丝绳;右侧只供应光面钢丝绳。