三菱触摸屏GOT与变频器485通讯
- 格式:ppt
- 大小:940.00 KB
- 文档页数:5
变频器与PLC通讯的精简设计1、引言在工业自动化控制系统中,最为常见的是PLC和变频器的组合应用,并且产生了多种多样的PLC控制变频器的方法,其中采用RS-485通讯方式实施控制的方案得到广泛的应用:因为它抗干扰能力强、传输速率高、传输距离远且造价低廉。
但是,RS-485的通讯必须解决数据编码、求取校验和、成帧、发送数据、接收数据的奇偶校验、超时处理和出错重发等一系列技术问题,一条简单的变频器操作指令,有时要编写数十条PLC梯形图指令才能实现,编程工作量大而且繁琐,令设计者望而生畏。
本文介绍一种非常简便的三菱FX系列PLC通讯方式控制变频器的方法:它只需在PLC主机上安装一块RS-485通讯板或挂接一块RS-485通讯模块;在PLC的面板下嵌入一块造价仅仅数百元的“功能扩展存储盒”,编写4条极其简单的PLC梯形图指令,即可实现8台变频器参数的读取、写入、各种运行的监视和控制,通讯距离可达50m或500m。
这种方法非常简捷便利,极易掌握。
本文以三菱产品为范例,将这种“采用扩展存储器通讯控制变频器”的简便方法作一简单介绍。
2、三菱PLC采用扩展存储器通讯控制变频器的系统配置2.1 系统硬件组成如图1~图3所示。
图1 三菱PLC采用扩展存储器通讯控制变频器的系统配置图2 FX2N-485-BD通讯板外形图图3 三菱变频器 PU插口外形及插针号(从变频器正面看)•FX2N系列PLC(产品版本V 3.00以上)1台(软件采用FX-PCS/WIN-C V 3.00版);•FX2N-485-BD通讯模板1块(最长通讯距离50m);•或FX0N-485ADP通讯模块1块+FX2N-CNV-BD板1块(最长通讯距离500m);•FX2N-ROM-E1功能扩展存储盒1块(安装在PLC本体内);•带RS485通讯口的三菱变频器8台(S500系列、E500系列、F500系列、F700系列、A500系列、V500系列等,可以相互混用,总数量不超过8台;三菱所有系列变频器的通讯参数编号、命令代码和数据代码相同。
三菱FX-PLC与三菱变频器的RS-485通讯经常看到大家有时会提到三菱PLC和变频器的通讯问题,现在将自己做过的写出来同大家一起研究。
谢谢。
三菱FX-PLC与三菱变频器的RS-485通讯摘要:本文介绍了三菱FX系列PLC与三菱变频器之间RS-485通讯控制及数据格式,详细分析了通讯控制调速系统与一般模拟量控制调速系统相比的优越性。
并给出了应用实例及其PLC程序。
关键词:PLC 变频器通讯协议一引言在现代工业控制系统中,PLC和变频器的综合应用最为普遍。
比较传统的应用一般是使用PLC的输出接点驱动中间继电器控制变频器的启动、停止或是多段速;更为精确一点的一般采用PLC加D/A扩展模块连续控制变频器的运行或是多台变频器之间的同步运行。
但是对于大规模自动化生产线,一方面变频器的数目较多,另一方面电机分布的距离不一致。
采用D/A扩展模块做同步运动控制容易受到模拟量信号的波动和因距离不一致而造成的模拟量信号衰减不一致的影响,使整个系统的工作稳定性和可靠性降低。
而使用RS-485通讯控制,仅通过一条通讯电缆连接,就可以完成变频器的启动、停止、频率设定;并且很容易实现多电机之间的同步运行。
该系统成本低、信号传输距离远、抗干扰性强。
二系统硬件组成和连接系统硬件组成如图1 所示,主要由下列组件构成;图1 :系统硬件组成1、 FX2N-32MT-001为系统的核心组成。
2、 FX2N-485-BD为FX2N系统PLC的通讯适配器,主要用于PLC和变频器之间的数据的发送和接收。
3、 SC09电缆用于PLC和计算机之间的数据传送。
4、通讯电缆采用五芯电缆自行制作。
下文介绍通讯电缆的制作方法和连接方式:变频器端的PU接口用于RS485通讯时的接口端子排定义如下图2所示:(从变频器下面看)图2:变频器接口端子排定义图3:PLC和变频器的通讯连接示意图用户自行按图3所示定义五芯电缆线的一端接FX2N-485BD,而另一端(如图2)用专用接口压接五芯电缆接变频器的PU口。
三菱plc与变频器485通讯程序实例
本例⼦是三菱PLC主机上装RS-485BD通讯适配器与变频器的485PU⼝相连接,通过三菱PLC 和三菱变频器之间的RS485半双⼯串⾏通讯来实现电动机的变频调速。
三菱PLC和三菱变频器之间进⾏通讯,通讯规格必须在变频器的初始化中设定,如果没有进⾏设定或有⼀个错误的设定,数据将不能进⾏通讯。
且每次参数设定后,需复位变频器。
确保参数的设定⽣效,设定好参数后按如下协议进⾏数据通讯。
该过程分5个阶段:
1、计算机发出通讯请求;
2、变频器处理等待;
3、变频器作出应答;
4、计算机处理等待;
5、计算机作出应答。
根据不同的通讯要求完成相应的过程,如写变频器启、停控制命令时则只需完成1-3三个过程;监视变频器运⾏频率时则需完成1-5五个过程。
不论是写数据还是读数据,均有PLC发出请求,变频器只是被动接受请求并作出应答。
每个阶段的数据格式均有差别。
现只列出较为常⽤的三种格式:
要实现三菱PLC对三菱变频器的通讯控制,必须对三菱PLC进⾏编程;通过程序实现PLC对变频器的各种运⾏控制和数据的采集。
三菱PLC程序⾸先应完成FX2N-485BD通讯适配器的初始化、控制命令字的组合、代码转换和变频器应答数据的处理⼯作。
PLC通过RS-485通讯控制变频器可以完成⼀台乃⾄多台变频器的启动、停⽌、频率设定。
硬件连接如图5所⽰。
由于每台变频器的通讯编程⽅法基本相似,唯⼀的不同之处就是变频器的站号设置不同。
三菱FX3U与三菱D700变频器利用MODBUSRTU协议通过RS485通信的设置方法及配套程序三菱FX3U通过RS485与三菱D700变频器可以利用三菱变频器专用协议通信,也可以利用MODBUSRTU方式通信。
网上有很多程序,但程序经网间转载有的不完整,有的程序没有经过验证,看似可以实际不行;再者要想成功通信还要对变频器正确设置,并根据设置确定PLC的通信格式字,稍有差错则通信不成功。
本文对变频器的设置和PLC程序均通过实际验证,切实可行。
本文就变频器设置方法及三菱FX3U配套程序及二者的485通信接线方法加以说明。
一、FX3UPLC与三菱D700变频器的接法:4线2线均可,接线方法如下:1、2线制接法配图:2、4线制接法配图(实为半双工,多台通信时要设置变频器站号不同,且要触摸屏中加入些站号程序,本例一台通信):二、三菱FX3U与三菱D700变频器利用MODBUSRTU协议通信控制电动机正转、反转、停止、写入频率、读取变频器输出频率、电流、电压变频器的设置方法:1、Pr117=1,一号从站2、Pr118=192,波特率192003、Pr119=0,8位数据,停止位1位4、Pr120=2,偶校验5、Pr121=9999,通信错误无报警6、Pr122=9999,通信效验终止7、Pr123=9999,由通信数据确立8、Pr124=0,无CR无LF9、Pr549=1,MODBUSRTU协议10、Pr551=9999,参数单元自动识别11、Pr338=0,通信运行指令权通信12、Pr339=0,通信速率指令权通信13、Pr340=10,网络运行模式,可通过操作面板切换网络运行与PU运行14、Pr79=0。
15、PLC中通信格式字D8120设置为:H0C96.16、PLC中M8161=1:8位数据模式。
三、FX3U PLC通信格式字、数据模式设置与变频器参数设置配套,该程序按通信格式字D8120设置为:H0C96. 数据模式设置为M8161=1,即8位数据模式。
三菱FX2NPLC利用485BD与三菱变频器通讯的真例之阳早格格创做一、硬件交线1、FX2N-485 BD与三菱FR-A540变频器的通讯交线图2、用电缆按如下通讯过程图把电脑、PLC、变频器连交起去二、按下表设定佳变频器的参数PU交心通疑参数设定值备注变频器站号0 00号站变频器通疑速度192停止位少度/字少 1 8位数据,停止位为2位奇奇校验是/可 2 奇校验通讯沉试次数9999 通疑再试次数通疑查看时间隔断9999等待时间树立20 变频器设定CR,LF是/可采用0 无CR,无LF支配模式 1 估计机通讯模式注:变频器设参数一定要搁正在第一步去干,其余设定佳参数后要断电再上电复位办法举止变频器的复位,如出有举止复位,通讯出有克出有及举止.三、正在电脑中利用博用硬件编写梯形图四、步调阐明(沉面为PLC串止通疑指令与要领、传递数据的要领与定义)1、M8161=1,表示为8位处理模式.2、通过[MOV H009F D8120]去决定PLC的通疑要领,H009F是十六进造的数,如变换成二造的数与表白的意义睹下表B0B15 B14 B13 B12 B11 B10 B9 B8 B7 B6 B5 B4 B3 B2 B10 0 0 0 0 0 0 0 1 0 0 1 1 1 1 1使用RS 指令 保留 收支战交支 保 留无起初位 无停止位 2位停止位 奇数 8位数据3、 上一语句也可改用[MOV H0C96 D8120]去决定PLC 的通疑要领,H0C96也是十六进造的数,如变换成二造的数与表白的意义睹下表B15 B14 B13 B12 B11B10 B9 B8 B7 B6 B5 B4 B3 B2 B 1 B0 0 0 00 1 1 0 0 1 0 0 1 0 1 1 0 使用RS 指令 保留 收支战交支 保 留无起初位 无停止位 1位停止位 奇数 7位数据4、 [RS D200 K9 D500 K5]语句的意义:(1) R S 指令是PLC 举止收支战交支串止数据的指令,数据的要领不妨通过特殊数据寄存器D8120设定,并要与变频器的数据要领典型真足对于应;通过PLC 传递指令把通讯数据拆到D200启初的连绝单元中.(2) 收支数据的尾天面是D200,收支的字节数为9字节;交支数据尾天面是D500,交支的字节数为5字节.(3) 变频器通讯协议的要领A ‘的含意 要领A‘1 2 34 5 6 7 8 9 10 11 字符数由于*5等待时间 通过变频器参数 Pr.123=20 去设定,所以不妨少一字节;加上*4表白的意义是是可采与CR 战LF ,果为本例出有需要使用CR 战LF ,并通过变频器设定参数 Pr.124=0 去表白末尾一个字*3 ENQ 变频器 站号 指令代码 *5 等待时间 数据 总战校验 *4节也可出有必,所以本例收支的要领为A‘,字节数为9字节.5、[MOV H05 D200]含意为通疑哀供ENQ,H05为ASCⅡ码,它占上表隐现的要领A‘的第一个字节.6、[MOV H30 D201]、[MOV H30 D202]的含意是决定变频器的站号为00号,H30是ASCⅡ码,它占上表隐现的要领A‘的第二、第三字节.7、[MOV H46 D203]、[MOV H41 D204 ]的含意是决定指令代码,它的ASCⅡ码为HFA,查变频器用户脚册可得知指令意义为运止,它占上表隐现的要领A‘的第四、第五字节.8、由于等待的时间由变频器的参数Pr.123去设定,所以上表的第6字节出用到,但是上表的第七与第八字节便形成本质上的第六与第七字节.9、[MOV H30 D205]、[MOV H32 D206 ]的含意是交着上述的第7条补充证明指令代码的数据真质,它的ASCⅡ码是H02,查变频器用户脚册可得知指令意义为正转运止.根据上述第8条的意义,它占上表隐现的要领A‘的第六、第七字节.10、[MOV H34 D207]、[MOV H39 D208 ]的含意是从站号启初至数据止,将所有的ASCⅡ码动做十六进造相加,放弃其下8位,仅与矮8位,再按位变换成2 个ASCⅡ码后动做总战考验代码.对于本例去便是用:H30+H30+H46+H41+H30+H32=H0149将后二位数变换成ASCⅡ代码便是H34与H39,而后把那二个ASCⅡ代码动做总战考验代码,占上表隐现的要领A‘的第八、第九字节(本本应占第九、第十字节,但是由于上述第8条所证明的本例的第6字节出用,故今后里的字节位背前逆移一位).11、总战考验码的自动供解要领:上述第10条所采与的是人为估计总战校验码的要领,正在本质应用中出有但是贫苦而且简单堕落.如果每改换一次数据的真质,便要脚动沉新估计一次总战考验码.为了办理那个问题,可采与PLC指令自动供解总战考验码.如下图正在[MOV H34 D207]、[MOV H39 D208 ]指令加进底下二条指令便可真止自动供解总战考验码.[CCD D201 D150 K6] 的含意是将从D201启初的连绝6位寄存器(从D201至D206)中的ASCⅡ代码动做十六进造相加并搁进D150.[ASCI D150 D207 K2]的含意是将D150中的数的后二位形成ASCⅡ代码搁进到从D207启初的连绝二位寄存器(既D207、D208)中.那样当建改了数据的真质时,出有必脚动估计总战考验码.12、(T0 K1)为计时0.1秒,用去断启[RS D200 K9 D500 K5]指令,果为[RS D200 K9 D500 K5]指令是用去启机对于PLC初初化及决定PLC 举止收支战交支串止数据通讯要领的,过一会(0.1秒)应断电.13、[SET M8122]的含意是收支数据时使用脉冲真止办法.五、运止与监控1、将梯形图传递给PLC,而后正在(PLC)菜单中采用遥控运止.2、正在(监控/尝试)菜单中采用启初监控.3、正在(监控/尝试)菜单中采用强造 ON/OFF 出现如下图示时,采用对于元件X0举止强造 ON4、如果变频器交佳了电效果便能使电效果正转起去.5、如果念使电效果反转则需正在遥控运止时的监控状态,正在线建改D206的值.如下图所示将H32改为H34(果为正转时数据真质的ASCⅡ代码为H02,反转时数据真质的ASCⅡ代码为H04,0出有需改,只需将2改4)6、而后再沉复上述第3条中的正在(监控/尝试)菜单中采用强造 ON/OFF ,采用对于元件X0举止强造 ON,则电效果反转.7、要念使电效果停止,如果念使电效果反转则需正在遥控运止时的监控状态,正在线建改D206的值.如下图所示将H32改为H30(果为正转时数据真质的ASCⅡ代码为H02,停止时数据真质的ASCⅡ代码为H00)8、要运止,只消沉复上述第3条中的正在(监控/尝试)菜单中采用强造ON/OFF ,采用对于元件X0举止强造ON,则电效果将会停止运止.综上所述,只消搞懂RS-485通讯协议、传递数据的要领与定义、PLC串止通疑指令与要领,精确交线战设定变频器的参数,便能精确完毕PLC 通过485BD与变频器的通讯,进而达到利用PLC统造变频器运止的脚段.参照文件:《新颖电工新技能教程》梁耀光、余文杰主编三菱FX2N PLC用户脚册三菱FR A540 变频器用户脚册刊登于《科技与企业》200年第8期上。
三菱FX2N与三菱D700变频器利用MODBUSRTU协议通过RS485通信的设置
方法及配套程序
三菱FX2N通过RS485与三菱D700变频器可以利用三菱变频器专用协议通信,也可以利用MODBUSRTU方式通信。
网上有很多程序,但程序经网间转载有的不完整,有的程序没有经过验证,看似可以实际不行;再者要想成功通信还要对变频器正确设置,并根据设置确定PLC的通信格式字,稍有差错则通信不成功。
本文对变频器的设置和PLC程序均通过实际验证,切实可行。
变频器设置方法及配套程序如下:
一、三菱FX2N与三菱D700变频器利用MODBUSRTU协议通信控制电动机正转、反转、停止、写入频率、读取变频器输出频率、电流、电压变频器的设置方法:
1、Pr117=1,一号从站
2、Pr118=192,波特率19200
3、Pr119=0,8位数据,停止位1位
4、Pr120=2,偶校验
5、Pr121=9999,通信错误无报警
6、Pr122=9999,通信效验终止
7、Pr123=9999,由通信数据确立
8、Pr124=0,无CR无LF
9、Pr549=1,MODBUSRTU协议。
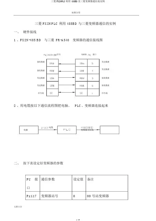
三菱FX2NPLC 利用485BD 与三菱变频器通讯的实例一、 硬件接线1、FX2N-485 BD 与三菱FR-A540变频器的通讯接线图2、用电缆按如下通讯流程图把电脑、PLC 、变频器连接起来二、 按下表设定好变频器的参数信号发送数据发送数据接收数据接收数据信号地接收数据接收数据发送数据发送数据信号地变频器接口注:变频器设参数一定要放在第一步来做,另外设定好参数后要断电再上电复位方式进行变频器的复位,如不进行复位,通讯不能进行。
三、在电脑中利用专用软件编写梯形图四、程序解释(重点为PLC串行通信指令与格式、传送数据的格式与定义)1、M8161=1,表示为8位处理模式。
2、通过[MOV H009F D8120]来确定PLC的通信格式,H009F是十六进制的数,如转换成二制的数与表达的意义见下表3、上一语句也可改用[MOV H0C96 D8120]来确定PLC的通信格式,H0C96也是十六进制的数,如转换成二制的数与表达的意义见下表4、 [RS D200 K9 D500 K5]语句的意思:(1)R S指令是PLC 进行发送和接收串行数据的指令,数据的格式可以通过特殊数据寄存器D8120设定,并要与变频器的数据格式类型完全对应;通过PLC传送指令把通讯数据装到D200开始的连续单元中。
(2)发送数据的首地址是D200,发送的字节数为9字节;接收数据首地址是D500,接收的字节数为5字节。
(3)变频器通讯协议的格式A‘的含义格式A‘1 2 3 4 5 6 7 8 9 10 11 字符数由于*5等待时间通过变频器参数 Pr.123=20 来设定,所以可以少一字节;加上*4表达的意思是是否采用CR和LF,因为本例不需要使用CR和LF,并通过变频器设定参数 Pr.124=0 来表达最后一个字节也可不用,所以本例发送的格式为A‘,字节数为9字节。
5、[MOV H05 D200]含义为通信请求ENQ,H05为ASCⅡ码,它占上表显示的格式A‘的第一个字节。
变频器与PLC通讯的精简设计1、引言在工业自动化控制系统中,最为常见的是PLC和变频器的组合应用,并且产生了多种多样的PLC控制变频器的方法,其中采用RS-485通讯方式实施控制的方案得到广泛的应用:因为它抗干扰能力强、传输速率高、传输距离远且造价低廉。
但是,RS-485的通讯必须解决数据编码、求取校验和、成帧、发送数据、接收数据的奇偶校验、超时处理和出错重发等一系列技术问题,一条简单的变频器操作指令,有时要编写数十条PLC梯形图指令才能实现,编程工作量大而且繁琐,令设计者望而生畏。
本文介绍一种非常简便的三菱FX系列PLC通讯方式控制变频器的方法:它只需在PLC主机上安装一块RS-485通讯板或挂接一块RS-485通讯模块;在PLC的面板下嵌入一块造价仅仅数百元的“功能扩展存储盒”,编写4条极其简单的PLC梯形图指令,即可实现8台变频器参数的读取、写入、各种运行的监视和控制,通讯距离可达50m或500m。
这种方法非常简捷便利,极易掌握。
本文以三菱产品为范例,将这种“采用扩展存储器通讯控制变频器”的简便方法作一简单介绍。
2、三菱PLC采用扩展存储器通讯控制变频器的系统配置2.1 系统硬件组成如图1~图3所示。
图1 三菱PLC采用扩展存储器通讯控制变频器的系统配置图2 FX2N-485-BD通讯板外形图图3 三菱变频器 PU插口外形及插针号(从变频器正面看)•FX2N系列PLC(产品版本V 3.00以上)1台(软件采用FX-PCS/WIN-C V 3.00版);•FX2N-485-BD通讯模板1块(最长通讯距离50m);•或FX0N-485ADP通讯模块1块+FX2N-CNV-BD板1块(最长通讯距离500m);•FX2N-ROM-E1功能扩展存储盒1块(安装在PLC本体内);•带RS485通讯口的三菱变频器8台(S500系列、E500系列、F500系列、F700系列、A500系列、V500系列等,可以相互混用,总数量不超过8台;三菱所有系列变频器的通讯参数编号、命令代码和数据代码相同。
三菱PLC采用RS485控制变频器(实例)需要的硬件:三菱FX3G型PLC,485通讯模块(FX3G-485BD), 变频器一台英威腾,触摸屏(MT6071IP)。
需要了解内容:PLC通信协议,发送指令,变频器通信参数设置。
一、接线接线较为简单,将FX3G-485-BD模块插在PLC上,将SDB和RDB短接,SDA和RDA短接,在变频器上485+端子引出导线接到模块的SDA和RDA上,在变频器上485-端子引出导线接到模块的SDB 和RDB上,采用RS485接口工作半双工,它的意思就是信号的读取和写入不能同时发送,发送的时候不能读取。
▼接线图二、变频器参数设置将变频器的运行指令和频率指令都改成MODBUS通信设定,在P00组内,P00.01运行指令通道改为:“2:通讯运行指令通道(缺省值0)”,P00.07B频率指令选择:“8:MODBUS通讯设定(缺省2)”,P00.09设定源组合方式:“1:B,当前频率设定为B频率指令”。
通讯参数的设置,在P14组,P14.00将变频器的站号设为1,P14.01波特率设为9600,P14.02数据位校验设为无校验(N, 7, 2)for ASCII。
三、PLC通讯参数的设定PLC参数的设定有两种方法:1、是在软件(GX-Works2)里设置:点击导航中的参数→PLC参数→PLC的系统设置(2):▼ PLC系统参数设置PLC设定为00主站,通讯格式与变频器一致。
2、采用程序设定:▼梯形图参数设置M8161=1,为8位运算,意思就是忽略高8位只传送数据的低8位,为什么这么做后面会说到。
MOV H0C88 D8210是指定通讯格式,它是怎么算出来的,我们看下D8120内容:▼ D8120内容D8210是一个16位的数据,根据设定的参数来算计算,比如上述程序的H0C88是怎么来的,看下通讯方式是,波特率9600,7位数据长度,无奇偶校验,停止位是2,控制线是无协议的调制解调器模式(RS485接口):▼通讯参数计算四、相关指令串行数据发送RS,16进制转换为ASCII码ASCI,ASCII码转换为16进制数HEX.RS:该指令是用于通过安装在基本单元上的RS-232C或RS-485串行通信口进行无协议通信,从而执行数据的发送和接收的指令。
标准合用三菱 FX2NPLC 利用 485BD 与三菱变频器通信的实例一、硬件接线1 、FX2N-485 BD与三菱FR-A540变频器的通信接线图信号变频器接口接收数据发送数据发送数据接收数据发送数据接收数据发送数据接收数据信号地信号地2 、用电缆按以下通信流程图把电脑、PLC、变频器连接起来电缆电脑变频器双绞线二、按下表设定好变频器的参数PU接通信参数设定值备注口Pr.117 变频器站号000 号站变频器通信速度192通信波特率为停止位长度 / 字长18 位数据,停止位为 2 位奇偶校验是 / 否2偶校验通信重试次数9999通信再试次数通信检查时间间隔9999等待时间设置20变频器设定CR,LF 是/ 否选择0无 CR,无 LF操作模式1计算机通信模式注:变频器设参数必然要放在第一步来做,别的设定好参数后要断电再上电复位方式进行变频器的复位,如不进行复位,通信不能够进行。
三、在电脑中利用专用软件编写梯形图四、程序讲解(重点为PLC 串行通信指令与格式、传达数据的格式与定义)1、M8161=1,表示为8位办理模式。
2、经过[MOV H009F D8120] 来确定 PLC 的通信格式, H009F 是十六进制的数,如变换成二制的数与表达的意义见下表B1B1B1B1B11B10B9B8B7B6B5B4B3B B B0 543221 0000000010011111使用 RS 指令保发送保无初步位波特率为2位偶数8 位留和接留无停止位停止数收位据3、上一语句也可改用[MOV H0C96 D8120] 来确定PLC 的通信格式,H0C96 也是十六进制的数,如变换成二制的数与表达的意义见下表B1B1B1B1B11B10B9B8B7B6B5B4B3B B B0 543221 0000110010010110使用 RS 指令保发送保无初步位波特率为1位偶数7 位留和接留无停止位停止数收位据4、[RS D200 K9 D500 K5]语句的意思:(1) RS 指令是 PLC 进行发送和接收串行数据的指令,数据的格式能够通过特别数据寄存器D8120设定,并要与变频器的数据格式种类完好对应;经过 PLC 传达指令把通信数据装到D200 开始的连续单元中。
三菱FX2NPLC利用485BD与三菱变频器通讯的实例一、硬件接线1、FX2N-485BD与三菱FR-A540变频器的通讯接线图信号变频器接口接收数据发送数据发送数据接收数据发送数据接收数据发送数据接收数据信号地信号地2、用电缆按如下通讯流程图把电脑、PLC、变频器连接起来电缆电脑变频器双绞线二、按下表设定好变频器的参数PU接口通信参数设定值备注Pr.117变频器站号000号站变频器Pr.118通信速度192通信波特率为19.2KPr.119停止位长度/字长18位数据,停止位为2位Pr.120奇偶校验是/否2偶校验Pr.121通讯重试次数9999通信再试次数Pr.122通信检查时间间隔9999Pr.123等待时间设置20变频器设定Pr.124CR,LF是/否选择0无CR,无LFPr.79操作模式1计算机通讯模式注:变频器设参数一定要放在第一步来做,另外设定好参数后要断电再上电复位方式进行变频器的复位,如不进行复位,通讯不能进行。
三、在电脑中利用专用软件编写梯形图四、程序解释(重点为PLC串行通信指令与格式、传送数据的格式与定义)1、M8161=1,表示为8位处理模式。
32、通过[MOVH009FD8120]来确定PLC 的通信格式,H009F 是十六进制的数,如转换成二制的数与表达的意义见下表B15B14B13B12B11B10B9B8B7B6B5B4B3B2BB010000000010011111使用RS 指令保波特率为19.2K2位偶数8位发送保无起始位留和接留无停止位停止数收位据3、上一语句也可改用[M OV H 0C 96D 81]确定PLC 的通信格式,H0C96 也是十六进制的数,如转换成二制的数与表达的意义见下表B15B14B13B12B11B10B9B8B7B6B5B4B3B2BB0 10000110010010110使用RS 指令保波特率为19.2K1位偶数7位 发送保无起始位 留和接留无停止位停止数 收位据 4、[RSD200K9D500K5]语句的意思:(1)R S 指令是PLC 进行发送和接收串行数据的指令,数据的格式可以通过 特殊数据寄存器D8120设定,并要与变频器的数据格式类型完全对应;通过PLC 传送指令把通讯数据装到D200开始的连续单元中。
变频器与三菱P L C实现通讯CKBOOD was revised in the early morning of December 17, 2020.变频器与PLC通讯的精简设计1、引言在工业自动化控制系统中,最为常见的是PLC和变频器的组合应用,并且产生了多种多样的PLC控制变频器的方法,其中采用RS-485通讯方式实施控制的方案得到广泛的应用:因为它抗干扰能力强、传输速率高、传输距离远且造价低廉。
但是,RS-485的通讯必须解决数据编码、求取校验和、成帧、发送数据、接收数据的奇偶校验、超时处理和出错重发等一系列技术问题,一条简单的变频器操作指令,有时要编写数十条PLC梯形图指令才能实现,编程工作量大而且繁琐,令设计者望而生畏。
本文介绍一种非常简便的三菱FX系列PLC通讯方式控制变频器的方法:它只需在PLC主机上安装一块RS-485通讯板或挂接一块RS-485通讯模块;在PLC的面板下嵌入一块造价仅仅数百元的“功能扩展存储盒”,编写4条极其简单的PLC梯形图指令,即可实现8台变频器参数的读取、写入、各种运行的监视和控制,通讯距离可达50m或500m。
这种方法非常简捷便利,极易掌握。
本文以三菱产品为范例,将这种“采用扩展存储器通讯控制变频器”的简便方法作一简单介绍。
2、三菱PLC采用扩展存储器通讯控制变频器的系统配置2.1 系统硬件组成如图1~图3所示。
图1 三菱PLC采用扩展存储器通讯控制变频器的系统配置图2 FX2N-485-BD通讯板外形图图3 三菱变频器 PU插口外形及插针号(从变频器正面看)FX2N系列PLC(产品版本V 3.00以上)1台(软件采用FX-PCS/WIN-C V 3.00版);FX2N-485-BD通讯模板1块(最长通讯距离50m);或FX0N-485ADP通讯模块1块+FX2N-CNV-BD板1块(最长通讯距离500m);FX2N-ROM-E1功能扩展存储盒1块(安装在PLC本体内);带RS485通讯口的三菱变频器8台(S500系列、E500系列、F500系列、F700系列、A500系列、V500系列等,可以相互混用,总数量不超过8台;三菱所有系列变频器的通讯参数编号、命令代码和数据代码相同。
MODBUS-RTU协议是目前工业控制中最常用的规约标准,市面上的触摸屏及485温度采集、温度控制模块基本上都支持此协议,选用成熟稳定的触摸屏和485温度采集控制模块组合温度控制系统,既简单又可提升产品性能,同时还可连接更上层的网络组成联网控制。
一、触摸屏设置
触摸屏选用信捷TH765为例,此款触摸屏具有2个独立的485接口。
其参数设置如下(PLC用于与485温度模块联机,
下载口可用于多屏控制或者上传参数给远方遥控主机):
二、根据规约信息表(485温度模块厂家提供)建立监控对象,可参考触摸屏厂家提供的
软件使用说明书。
三、设置485温度模块通信地址
有2种设置方案:
1、通过配置软件设置
M6001T/M6001R/M6002 加载YOTON提供的驱动程序,即可实现在线模块地址配置。
3、联接系统
YOTON 485温度模块属于多通道输入输出模块,自动PID控温输出接口,设置
完控制目标,接入传感器、执行元器(固态、加热器等)即可组网进行控制了。