三菱FX2NPLC与三菱变频器ModbusRTU协议通讯应用
- 格式:doc
- 大小:277.00 KB
- 文档页数:6
三菱FX2NPLC与三菱变频器ModbusRTU协议通讯应用Modbus 是 Modicon 公司为其 PLC 与主机之间通讯而发明串行通讯协议。
其物理层采用 RS232 、485 等异步串行标准。
其开放性而被大量 PLC 及 RTU 厂家采用。
Modbus 通讯方式采用主从方式查询-相应机制,主站发出查询时,从站才能给出响应,从站不能主动发送数据。
主站可以向某一个从站发出查询,也可以向所有从站广播信息。
从站只响应单独发给它查询,而不响应广播消息。
MODBUS 通讯协议有两种传送方式:RTU 方式和 ASCII 方式。
三菱 700 系列变频器能够从 RS-485 端子使用 ModbusRTU 通讯协议,进行通讯运行和参数设定。
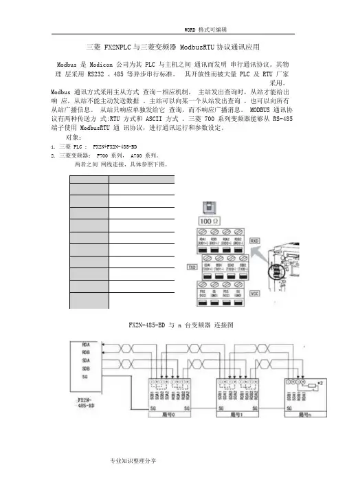
对象:1. 三菱PLC :FX2N+FX2N-485-BD2. 三菱变频器:F700 系列,A700 系列。
两者之间网线连接,具体参照下图。
FX2N-485-BD 与 n 台变频器连接图.三菱变频器设置PLC 与变频器之间进行通讯时,通讯规格必须变频器中进行设定,每次参数初始化设定后,需复位变频器或通断变频器电源。
参数号名称设定值说明Pr331 通讯站号 1 设定变频器站号为 1Pr332 通讯速度96 设定通讯速度为9600bpsPr334 奇偶校验停止位长 2 偶校验,停止位长 1 位Pr539 通讯校验时间9999 不进行通讯校验Pr549 协议选择 1 ModbusRTU 协议Pr551 PU 模式操作权选择 2 PU 运行模式操作权作为PU 接口进行ModbusRTU 协议通讯时,Pr551 必须设置为 2 ,Pr340 设置为除0 以外值,Pr79 设置为0 或2或6。
RS-485 进行ModbusRTU 协议通讯时,必须NET 网络模式下运行。
二.三菱 PLC 设置对通讯格式D8120 进行设置D8120 设置值为0C87 ,即数据长度为8 位,偶校验停止位 1 位,波特率9600pbs ,无标题符和终结符修改D8120 设置后,确保通断PLC 电源一次。
三菱700系列变频器使用ModbusRTU通讯协议与三菱PLC进行通讯运行和参数设定Modbus是Modicon公司为其PLC与主机之间的通讯而发明的串行通讯协议。
其物理层采用RS232、485等异步串行标准。
由于其开放性而被大量的PLC及RTU厂家采用。
Modbus通讯方式采用主从方式的查询-相应机制,只有主站发出查询时,从站才能给出响应,从站不能主动发送数据。
主站可以向某一个从站发出查询,也可以向所有从站广播信息。
从站只响应单独发给它的查询,而不响应广播消息。
MODBUS通讯协议有两种传送方式:RTU方式和ASCII方式。
三菱700系列变频器能够从RS-485端子使用M odbusRTU通讯协议,进行通讯运行和参数设定。
对象:1. 三菱PLC:FX2N+FX2N-485-BD2. 三菱变频器:F700系列,A700系列。
两者之间通过网线连接,具体参照下图。
上图为:FX2N-485-BD与n台变频器的连接图一.三菱变频器的设置PLC与变频器之间进行通讯时,通讯规格必须在变频器中进行设定,每次参数初始化设定后,需复位变频器或通断变频器电源。
参数号名称设定值说明Pr331 通讯站号 1 设定变频器站号为1Pr332 通讯速度 96 设定通讯速度为9600bpsPr334 奇偶校验停止位长 2 偶校验,停止位长1位Pr539 通讯校验时间 9999 不进行通讯校验Pr549 协议选择 1 ModbusRTU协议Pr551 PU模式操作权选择 2 PU运行模式操作权作为PU接口进行ModbusRTU协议通讯时,Pr551必须设置为2,Pr340设置为除0以外的值,Pr79设置为0或2或6。
通过RS-485端子进行ModbusRTU协议通讯时,必须在NET网络模式下运行。
二.三菱PLC的设置对通讯格式D8120进行设置: D8120设置值为0C87,即数据长度为8位,偶校验停止位1位,波特率9600pbs,无标题符和终结符。
三菱FX系列PLC与三菱变频器通讯在应用方面的实例
对象:①三菱PLC:FX2N+FX2N-485-BD②三菱变频器:A500系列、E500系列、F500系列、F700系列、S500系列两者之间通过网线连接(网线的RJ45插头和变频器的PU插座接),使用两对导线连接,即将变频器的SDA与PLC通讯板(FX2N-485-BD)的RDA接,变频器的SDB与PLC通讯板(FX2N-485-BD)的RDB接,变频器的RDA与PLC通讯板(FX2N-485-BD)的SDA接,变频器的RDB 与PLC通讯板(FX2N-485-BD)的SDB接,变频器的SG与PLC通讯板(FX2N-485-BD)的SG
对象:
① 三菱PLC:FX2N + FX2N-485-BD
② 三菱变频器:A500系列、E500系列、F500系列、F700系列、S500系列
两者之间通过网线连接(网线的RJ45插头和变频器的PU插座接),使用两对导线连接,即将变频器的SDA与PLC通讯板(FX2N-485-BD)的RDA接,变频器的SDB与PLC通讯板(FX2N-485-BD)的RDB接,变频器的RDA 与PLC通讯板(FX2N-485-BD)的SDA接,变频器的RDB与PLC通讯板(FX2N-485-BD)的SDB接,变频器的SG与PLC通讯板(FX2N-485-BD)的SG接。
A500、F500、F700系列变频器PU端口:
E500、S500系列变频器PU端口:。
三菱FX2N系列PLC与三菱700系列变频器ModbusRTU协议通讯应用
深圳壮盈科技有限公司张金波2006-11-2
Modbus是Modicon公司为其PLC与主机之间的通讯而发明的串行通讯协议。
其物理层采用RS232、485等异步串行标准。
由于其开放性而被大量的PLC及RTU厂家采用。
Modbus通讯方式采用主从方式的查询-相应机制,只有主站发出查询时,从站才能给出响应,从站不能主动发送数据。
主站可以向某一个从站发出查询,也可以向所有从站广播信息。
从站只响应单独发给它的查询,而不响应广播消息。
MODBUS通讯协议有两种传送方
式:RTU方式和ASCII方式。
三菱700系列变频器能够从RS-485端子使用ModbusRTU通讯协议,进行通讯运行和参数设定。
对象:
1.三菱PLC:FX2N+FX2N-485-BD
2.三菱变频器:F700系列,A700系列。
两者之间通过网线连接,具体参照下图。
FX2N-485-BD与n台变频器的连接图
一.三菱变频器的设置
PLC与变频器之间进行通讯时,通讯规格必须在变频器中进行设定,每次参数初始化设定后,需复位变频器或通断变频器电源。
四.程序说明:
1.当X1接通一次后,变频器进入正转状态。
2.当X2接通一次后,写入变频器运行频率60HZ。
3.当X3接通一次后,变频器进入停止状态。
4.当指令中,变频器指令地址为0时,为广播指令,所有从站变频器只接受PLC发出指令,不向主机发送响应信息。
三菱FX系列PLC与三菱变频器通讯应用实例(RS485)三菱电机自动化(上海)巢晓阳 2005-01-10对象:①三菱PLC:FX2N + FX2N-485-BD②三菱变频器:A500系列、E500系列、F500系列、F700系列、S500系列两者之间通过网线连接(网线的RJ45插头和变频器的PU插座接),使用两对导线连接,即将变频器的SDA与PLC通讯板(FX2N-485-BD)的RDA接,变频器的SDB与PLC通讯板(FX2N-485-BD)的RDB接,变频器的RDA与PLC通讯板(FX2N-485-BD)的SDA 接,变频器的RDB与PLC通讯板(FX2N-485-BD)的SDB接,变频器的SG与PLC通讯板(FX2N-485-BD)的SG接。
A500、F500、F700系列变频器PU端口:E500、S500系列变频器PU端口:一.三菱变频器的设置PLC和变频器之间进行通讯,通讯规格必须在变频器的初始化中设定,如果没有进行初始设定或有一个错误的设定,数据将不能进行传输。
注:每次参数初始化设定完以后,需要复位变频器。
如果改变与通讯相关的参数后,变频器没有复位,通讯将不能进行。
参数号名称设定值说明Pr.117 站号 0 设定变频器站号为0Pr.118 通讯速率 96 设定波特率为9600bpsPr.119 停止位长/数据位长 11 设定停止位2位,数据位7位Pr.120 奇偶校验有/无 2 设定为偶校验Pr.121 通讯再试次数 9999 即使发生通讯错误,变频器也不停止Pr.122 通讯校验时间间隔 9999 通讯校验终止Pr.123 等待时间设定 9999 用通讯数据设定Pr.124 CR,LF有/无选择 0 选择无CR,LF对于122号参数一定要设成9999,否则当通讯结束以后且通讯校验互锁时间到时变频器会产生报警并且停止(E.PUE)。
对于79号参数要设成1,即PU操作模式。
注:以上的参数设置适用于A500、E500、F500、F700系列变频器。
三菱FX2NPLC与三菱变频器ModbusRTU协议通讯应用Modbus是Modicon公司为其PLC与主机之间的通讯而发明的串行通讯协议。
其物理层采用RS232、485等异步串行标准。
由于其开放性而被大量的PLC及RTU厂家采用。
Modbus通讯方式采用主从方式的查询-相应机制,只有主站发出查询时,从站才能给出响应,从站不能主动发送数据。
主站可以向某一个从站发出查询,也可以向所有从站广播信息。
从站只响应单独发给它的查询,而不响应广播消息。
MODBUS通讯协议有两种传送方式:RTU方式和ASCII方式。
三菱700系列变频器能够从RS-485端子使用ModbusRTU通讯协议,进行通讯运行和参数设定。
对象:1. 三菱PLC:FX2N+FX2N-485-BD2. 三菱变频器:F700系列,A700系列。
两者之间通过网线连接,具体参照下图。
FX2N-485-BD与n台变频器的连接图1.三菱变频器的设置PLC与变频器之间进行通讯时,通讯规格必须在变频器中进行设定,每次参数初始化设定后,需复位变频器或通断变频器电源。
参数号名称设定值说明Pr331 通讯站号 1 设定变频器站号为1Pr332 通讯速度 96 设定通讯速度为9600bpsPr334 奇偶校验停止位长 2 偶校验,停止位长1位Pr539 通讯校验时间 9999 不进行通讯校验Pr549 协议选择 1 ModbusRTU协议Pr551 PU模式操作权选择 2 PU运行模式操作权作为PU接口进行ModbusRTU协议通讯时,Pr551必须设置为2,Pr340设置为除0以外的值,Pr79设置为0或2或6。
通过RS-485端子进行ModbusRTU协议通讯时,必须在NET网络模式下运行。
2.三菱PLC的设置对通讯格式D8120进行设置D8120设置值为0C87,即数据长度为8位,偶校验停止位1位,波特率9600pbs,无标题符和终结符。
修改D8120设置后,确保通断PLC电源一次。
三菱FX2NPLC与三菱变频器ModbusRTU协议通讯应用Modbus是Modicon公司为其PLC与主机之间通讯而发明串行通讯协议。
其物理层采用RS232、485等异步串行标准。
其开放性而被大量PLC及RTU厂家采用。
Modbus通讯方式采用主从方式查询-相应机制,主站发出查询时,从站才能给出响应,从站不能主动发送数据。
主站可以向某一个从站发出查询,也可以向所有从站广播信息。
从站只响应单独发给它查询,而不响应广播消息。
MODBUS通讯协议有两种传送方式:RTU方式和ASCII方式。
三菱700系列变频器能够从RS-485端子使用ModbusRTU通讯协议,进行通讯运行和参数设定。
对象:1. 三菱PLC:FX2N+FX2N-485-BD2. 三菱变频器:F700系列,A700系列。
两者之间网线连接,具体参照下图。
FX2N-485-BD与n台变频器连接图一.三菱变频器设置PLC与变频器之间进行通讯时,通讯规格必须变频器中进行设定,每次参数初始化设定后,需复位变频器或通断变频器电源。
参数号名称设定值说明Pr331 通讯站号1 设定变频器站号为1Pr332 通讯速度96 设定通讯速度为9600bpsPr334 奇偶校验停止位长2 偶校验,停止位长1位Pr539 通讯校验时间9999 不进行通讯校验Pr549 协议选择1 ModbusRTU协议Pr551 PU模式操作权选择2 PU运行模式操作权作为PU接口进行ModbusRTU协议通讯时,Pr551必须设置为2,Pr340设置为除0以外值,Pr79设置为0或2或6。
RS-485进行ModbusRTU协议通讯时,必须NET网络模式下运行。
二.三菱PLC设置对通讯格式D8120进行设置D8120设置值为0C87,即数据长度为8位,偶校验停止位1位,波特率9600pbs,无标题符和终结符。
修改D8120设置后,确保通断PLC电源一次。
三.通讯程序采用ModbusRTU协议与变频器通讯部分PLC程序如下:四:程序说明:1.当X1接通一次后,变频器进入正转状态。
Modbus是Modicon公司为其PLC与主机之间通讯而发明串行通讯协议。
其物理层采用RS232、485等异步串行标准。
其开放性而被大量PLC及RTU厂家采用。
Modbus通讯方式采用主从方式查询-相应机制,主站发出查询时,从站才能给出响应,从站不能主动发送数据。
主站可以向某一个从站发出查询,也可以向所有从站广播信息。
从站只响应单独发给它查询,而不响应广播消息。
MODBUS通讯协议有两种传送方式:RTU方式和ASCII方式。
三菱700系列变频器能够从RS-485端子使用ModbusRTU通讯协议,进行通讯运行和参数设定。
对象:1. 三菱PLC:FX2N+FX2N-485-BD2. 三菱变频器:F700系列,A700系列。
两者之间网线连接,具体参照下图。
FX2N-485-BD与n台变频器连接图一.三菱变频器设置PLC与变频器之间进行通讯时,通讯规格必须变频器中进行设定,每次参数初始化设定后,需复位变频器或通断变频器电源。
参数号名称设定值说明Pr331 通讯站号 1 设定变频器站号为1Pr332 通讯速度 96 设定通讯速度为9600bpsPr334 奇偶校验停止位长 2 偶校验,停止位长1位Pr539 通讯校验时间 9999 不进行通讯校验Pr549 协议选择 1 ModbusRTU协议Pr551 PU模式操作权选择 2 PU运行模式操作权作为PU接口进行ModbusRTU协议通讯时,Pr551必须设置为2,Pr340设置为除0以外值,Pr79设置为0或2或6。
RS-485进行ModbusRTU协议通讯时,必须NET网络模式下运行。
二.三菱PLC设置对通讯格式D8120进行设置D8120设置值为0C87,即数据长度为8位,偶校验停止位1位,波特率9600pbs,无标题符和终结符。
修改D8120设置后,确保通断PLC电源一次。
三.通讯程序采用ModbusRTU协议与变频器通讯部分PLC程序如下:四:程序说明:1.当X1接通一次后,变频器进入正转状态。
三菱FX2N与三菱D700变频器利用MODBUSRTU协议通过RS485通信的设置
方法及配套程序
三菱FX2N通过RS485与三菱D700变频器可以利用三菱变频器专用协议通信,也可以利用MODBUSRTU方式通信。
网上有很多程序,但程序经网间转载有的不完整,有的程序没有经过验证,看似可以实际不行;再者要想成功通信还要对变频器正确设置,并根据设置确定PLC的通信格式字,稍有差错则通信不成功。
本文对变频器的设置和PLC程序均通过实际验证,切实可行。
变频器设置方法及配套程序如下:
一、三菱FX2N与三菱D700变频器利用MODBUSRTU协议通信控制电动机正转、反转、停止、写入频率、读取变频器输出频率、电流、电压变频器的设置方法:
1、Pr117=1,一号从站
2、Pr118=192,波特率19200
3、Pr119=0,8位数据,停止位1位
4、Pr120=2,偶校验
5、Pr121=9999,通信错误无报警
6、Pr122=9999,通信效验终止
7、Pr123=9999,由通信数据确立
8、Pr124=0,无CR无LF
9、Pr549=1,MODBUSRTU协议。
三菱FX系列PLC与三菱变频器通讯应用对象:①三菱PLC:FX2N + FX2N-485-BD②三菱变频器:A500系列、E500系列、F500系列、F700系列、S500系列两者之间通过网线连接(网线的RJ45插头和变频器的PU插座接),使用两对导线连接,即将变频器的SDA与PLC通讯板(FX2N-485-BD)的RDA接,变频器的SDB与PLC通讯板(FX2N-485-BD)的RDB接,变频器的RDA与PLC通讯板(FX2N-485-BD)的SDA接,变频器的RDB与PLC通讯板(FX2N-485-BD)的SDB接,变频器的SG与PLC通讯板(FX2N-485-BD)的SG接。
A500、F500、F700系列变频器PU端口:E500、S500系列变频器PU端口:一.三菱变频器的设置PLC和变频器之间进行通讯,通讯规格必须在变频器的初始化中设定,如果没有进行初始设定或有一个错误的设定,数据将不能进行传输。
注:每次参数初始化设定完以后,需要复位变频器。
如果改变与通讯相关的参数后,变频器没有复位,通讯将不能进行。
参数号名称设定值说明Pr.117站号 0 设定变频器站号为0Pr.118通讯速率 96 设定波特率为9600bpsPr.119停止位长/数据位长 11 设定停止位2位,数据位7位Pr.120奇偶校验有/无 2 设定为偶校验Pr.121通讯再试次数 9999 即使发生通讯错误,变频器也不停止Pr.122通讯校验时间间隔 9999 通讯校验终止Pr.123等待时间设定 9999 用通讯数据设定Pr.124 CR,LF有/无选择 0 选择无CR,LF对于122号参数一定要设成9999,否则当通讯结束以后且通讯校验互锁时间到时变频器会产生报警并且停止(E.PUE)。
对于79号参数要设成1,即PU操作模式。
注:以上的参数设置适用于A500、E500、F500、F700系列变频器。
当在F500、F700系列变频器上要设定上述通讯参数,首先要将Pr.160设成0。
Modbus是Modicon公司为其PLC与主机之间的通讯而发明的串行通讯协议。
其物理层采用RS232、485等异步串行标准。
由于其开放性而被大量的PLC及RTU厂家采用。
Modbus通讯方式采用主从方式的查询-相应机制,只有主站发出查询时,从站才能给出响应,从站不能主动发送数据。
主站可以向某一个从站发出查询,也可以向所有从站广播信息。
从站只响应单独发给它的查询,而不响应广播消息。
MODBUS通讯协议有两种传送方式:RTU方式和ASCII方式。
三菱700系列变频器能够从RS-485端子使用ModbusRTU 通讯协议,进行通讯运行和参数设定。
对象:1. 三菱PLC:FX2N+FX2N-485-BD2. 三菱变频器:F700系列,A700系列。
两者之间通过网线连接,具体参照下图。
FX2N-485-BD与n台变频器的连接图一.三菱变频器的设置PLC与变频器之间进行通讯时,通讯规格必须在变频器中进行设定,每次参数初始化设定后,需复位变频器或通断变频器电源。
参数号名称设定值说明Pr331 通讯站号 1 设定变频器站号为1Pr332 通讯速度 96 设定通讯速度为9600bpsPr334 奇偶校验停止位长 2 偶校验,停止位长1位Pr539 通讯校验时间 9999 不进行通讯校验Pr549 协议选择 1 ModbusRTU协议Pr551 PU模式操作权选择 2 PU运行模式操作权作为PU接口进行ModbusRTU协议通讯时,Pr551必须设置为2,Pr340设置为除0以外的值,Pr79设置为0或2或6。
通过RS-485端子进行ModbusRTU协议通讯时,必须在NET网络模式下运行。
一.三菱PLC的设置对通讯格式D8120进行设置D8120设置值为0C87,即数据长度为8位,偶校验停止位1位,波特率9600pbs,无标题符和终结符。
修改D8120设置后,确保通断PLC电源一次。
二.通讯程序采用ModbusRTU协议与变频器通讯的部分PLC程序如下:三:程序说明:1.当X1接通一次后,变频器进入正转状态。
Modbus是Modicon公司为其PLC与主机之间的通讯而发明的串行通讯协议。
其物理层采用RS232、485等异步串行标准。
由于其开放性而被大量的PLC及RTU厂家采用。
Modbus通讯方式采用主从方式的查询-相应机制,只有主站发出查询时,从站才能给出响应,从站不能主动发送数据。
主站可以向某一个从站发出查询,也可以向所有从站广播信息。
从站只响应单独发给它的查询,而不响应广播消息。
MODBUS通讯协议有两种传送方式:RTU方式和ASCII方式。
三菱700系列变频器能够从RS-485端子使用ModbusRTU 通讯协议,进行通讯运行和参数设定。
对象:1. 三菱PLC:FX2N+FX2N-485-BD2. 三菱变频器:F700系列,A700系列。
两者之间通过网线连接,具体参照下图。
FX2N-485-BD与n台变频器的连接图一.三菱变频器的设置PLC与变频器之间进行通讯时,通讯规格必须在变频器中进行设定,每次参数初始化设定后,需复位变频器或通断变频器电源。
参数号名称设定值说明Pr331 通讯站号 1 设定变频器站号为1Pr332 通讯速度 96 设定通讯速度为9600bpsPr334 奇偶校验停止位长 2 偶校验,停止位长1位Pr539 通讯校验时间 9999 不进行通讯校验Pr549 协议选择 1 ModbusRTU协议Pr551 PU模式操作权选择 2 PU运行模式操作权作为PU接口进行ModbusRTU协议通讯时,Pr551必须设置为2,Pr340设置为除0以外的值,Pr79设置为0或2或6。
通过RS-485端子进行ModbusRTU协议通讯时,必须在NET网络模式下运行。
一.三菱PLC的设置对通讯格式D8120进行设置D8120设置值为0C87,即数据长度为8位,偶校验停止位1位,波特率9600pbs,无标题符和终结符。
修改D8120设置后,确保通断PLC电源一次。
二.通讯程序采用ModbusRTU协议与变频器通讯的部分PLC程序如下:三:程序说明:1.当X1接通一次后,变频器进入正转状态。
之阳早格格创做Modbus是Modicon公司为其PLC与主机之间的通讯而收明的串止通讯协议.其物理层采与RS232、485等同步串止尺度.由于其启搁性而被洪量的PLC及RTU厂家采与.Modbus通讯办法采与主从办法的查询-相映体造,惟有主站收出查询时,从站才搞给出赞同,从站没有克没有及主动收收数据.主站不妨背某一个从站收出查询,也不妨背所有从站广播疑息.从站只赞同单独收给它的查询,而没有赞同广播消息.MODBUS通讯协议有二种传递办法:RTU办法战ASCII办法.三菱700系列变频器不妨从RS-485端子使用ModbusRTU通讯协议,举止通讯运止战参数设定.对于象:1. 三菱PLC:FX2N+FX2N-485-BD2. 三菱变频器:F700系列,A700系列.二者之间通过网线连交,简直参照下图.FX2N-485-BD与n台变频器的连交图1.三菱变频器的树立PLC与变频器之间举止通讯时,通讯规格必须正在变频器中举止设定,屡屡参数初初化设定后,需复位变频器或者通断变频器电源.参数号称呼设定值证明Pr331 通讯站号 1 设定变频器站号为1Pr332 通讯速度 96 设定通讯速度为9600bpsPr334 奇奇校验停止位少 2 奇校验,停止位少1位Pr539 通讯校验时间 9999 没有举止通讯校验Pr549 协议采用 1 ModbusRTU协议Pr551 PU模式支配权采用 2 PU运止模式支配权动做PU交心举止ModbusRTU协议通讯时,Pr551必须树立为2,Pr340树立为除0以中的值,Pr79树立为0或者2或者6.通过RS-485端子举止ModbusRTU协议通讯时,必须正在NET搜集模式下运止.2.三菱PLC的树立对于通讯圆法D8120举止树立D8120树立值为0C87,即数据少度为8位,奇校验停止位1位,波特率9600pbs,无题目符战末结符.建改D8120树立后,保证通断PLC电源一次.3.通讯步调采与ModbusRTU协议与变频器通讯的部分PLC步调如下:4.步调证明:1.当X1交通一次后,变频器加进正转状态.2.当X2交通一次后,写进变频器运止频次60HZ.3.当X3交通一次后,变频器加进停止状态.当指令中,变频器指令天点为0时,为广播指令,所有从站变频器只交受PLC收出指令,没有背主机收收赞同疑息.。
三菱FX2N与三菱D700变频器利用MODBUSRTU协议通过RS485通信的设置方法及配套程序三菱FX2N通过RS485与三菱D700变频器可以利用三菱变频器专用协议通信,也可以利用MODBUSRTU方式通信。
网上有很多程序,但程序经网间转载有的不完整,有的程序没有经过验证,看似可以实际不行;再者要想成功通信还要对变频器正确设置,并根据设置确定PLC的通信格式字,稍有差错则通信不成功。
本文对变频器的设置和PLC程序均通过实际验证,切实可行。
变频器设置方法及配套程序如下:一、三菱FX2N与三菱D700变频器利用MODBUSRTU协议通信控制电动机正转、反转、停止、写入频率、读取变频器输出频率、电流、电压变频器的设置方法:1、Pr117=1,一号从站2、Pr118=192,波特率192003、Pr119=0,8位数据,停止位1位4、Pr120=2,偶校验5、Pr121=9999,通信错误无报警6、Pr122=9999,通信效验终止7、Pr123=9999,由通信数据确立8、Pr124=0,无CR无LF9、Pr549=1,MODBUSRTU协议10、Pr551=9999,参数单元自动识别11、Pr338=0,通信运行指令权通信12、Pr339=0,通信速率指令权通信13、Pr340=10,网络运行模式,可通过操作面板切换网络运行与PU运行14、Pr79=0。
15、PLC中通信格式字D8120设置为:H0C96.16、PLC中M8161=1:8位数据模式。
二、FX2N变频器通信格式字、数据模式设置与变频器参数设置配套,该程序按通信格式字D8120设置为:H0C96. 数据模式设置为M8161=1,即8位数据模式。
三、PLC与变频器的接法:4线2线均可,接线方法如下1、4线制接法配图(实为半双工):2、2线制接法配图:四、配套程序:程序说明:1、显示:用昆仑通态7062KD显示变频器输出的频率、电流、电压,用按钮或触摸屏控制运转,用触摸屏输入频率或控制频率增减。
PLC的Modbus通信使用手册Modbus通信协议作为标准的工业通信协议已经被广泛地应用在各个领域,正电PLC的RS485通信接口已支持了这种通信协议,使PLC能方便地与具有Modbus通信协议的设备进行通信,例如变频器、温湿度模块、组态网路、各种传感器等。
Modbus通信协议分为两种串行通信模式,A SCII 和 RTU 通信模式。
在配置每台PLC时,用户须选择通信模式以及RS485串行口的通信参数。
(波特率,奇偶校验等),在Modbus 总线上的所有设备应具有相同的通信模式和串行通信参数。
使用Modbus通信,必须在梯形图中对每台PLC的相关特殊元件进行设置。
D8120通信参数选择寄存器:b15 b14 b13 b12 b11 b10b9b8b7b6b5b4b3 b2 b1 b0b0 数据长度0:7位1:8位b2b1 奇偶性00:None无01:Odd奇11:Even偶b3 停止位0:1位1:2位b7b6b5b4 波特率0100:600bps 0111:4800bps0101:1200bps 1000:9600bps0110:2400bps 1001:19200bpsb8 与Modbus无关b9 与Modbus无关b11b10 与Modbus无关b12 与Modbus无关b13 Modbus通信模式0:RTU1:ASCIIb14 启动通信协议0:使用编程口协议或按RS指令通信1:使用Modbus协议通信b15 PLC主从机选择0:从机1:主机D8121从机站号寄存器:范围1-247。
当PLC作为Modbus通信从机时,必须有一个站号,在梯形图里对D8121进行设定。
D8126发送前的延时寄存器:范围0-1000,单位ms。
让接收设备有个准备时间,可以适当选择5-20ms。
1,当PLC为主机时读取从机数据指令示例:RD3A K1 H0 D0RD3A原来是模拟量模块读取指令,原指令功能不能使用。
三菱FX2NPLC与三菱变频器ModbusRTU协议通讯
应用
Modbus是Modicon公司为其PLC与主机之间的通讯而发明的串行通讯协议。
其物理层采用RS232、485等异步串行标准。
由于其开放性而被大量的PLC及RTU厂家采用。
Modbus通讯方式采用主从方式的查询-相应机制,只有主站发出查询时,从站才能给出响应,从站不能主动发送数据。
主站可以向某一个从站发出查询,也可以向所有从站广播信息。
从站只响应单独发给它的查询,而不响应广播消息。
MODBUS通讯协议有两种传送方式:RTU方式和ASCII方式。
三菱700系列变频器能够从RS-485端子使用ModbusRTU通讯协议,进行通讯运行和参数设定。
对象:
1. 三菱PLC:FX2N+FX2N-485-BD
2. 三菱变频器:F700系列,A700系列。
两者之间通过网线连接,具体参照下图。
FX2N-485-BD与n台变频器的连接图
1.三菱变频器的设置
PLC与变频器之间进行通讯时,通讯规格必须在变频器中进行设定,每次参数初始化设定后,需复位变频器或通断变频器电源。
参数号名称设定值说明
Pr331 通讯站号1 设定变频器站号为1
Pr332 通讯速度96 设定通讯速度为9600bps
Pr334 奇偶校验停止位长 2 偶校验,停止位长1位
Pr539 通讯校验时间9999 不进行通讯校验
Pr549 协议选择1 ModbusRTU协议
Pr551 PU模式操作权选择2 PU运行模式操作权作为PU接口
进行ModbusRTU协议通讯时,Pr551必须设置为2,Pr340设置为除0以外的值,Pr79设置为0或2或6。
通过RS-485端子进行ModbusRTU协议通讯时,必须在NET网络模式下运行。
2.三菱PLC的设置
对通讯格式D8120进行设置
D8120设置值为0C87,即数据长度为8位,偶校验停止位1位,波特率9600pbs,无标题符和终结符。
修改D8120设置后,确保通断PLC电源一次。
3.通讯程序
采用ModbusRTU协议与变频器通讯的部分PLC程序如下:
4.程序说明:
1.当X1接通一次后,变频器进入正转状态。
2.当X2接通一次后,写入变频器运行频率60HZ。
3.当X3接通一次后,变频器进入停止状态。
当指令中,变频器指令地址为0时,为广播指令,所有从站变频器只接受PLC发出指令,不向主机发送响应信息。