三菱PLC与变频器通讯ModbusRTU协议
- 格式:doc
- 大小:262.00 KB
- 文档页数:6
三菱FX2NPLC与三菱变频器ModbusRTU协议通讯应用Modbus是Modicon公司为其PLC与主机之间通讯而发明串行通讯协议。
其物理层采用RS232、485等异步串行标准。
其开放性而被大量PLC及RTU厂家采用。
Modbus 通讯方式采用主从方式查询-相应机制,主站发出查询时,从站才能给出响应,从站不能主动发送数据。
主站可以向某一个从站发出查询,也可以向所有从站广播信息。
从站只响应单独发给它查询,而不响应广播消息。
MODBUS通讯协议有两种传送方式:RTU方式和ASCII方式。
三菱700系列变频器能够从RS-485端子使用ModbusRTU通讯协议,进行通讯运行和参数设定。
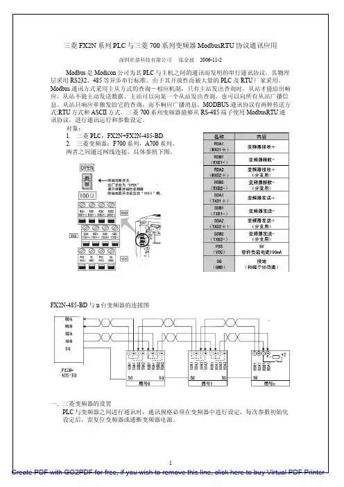
对象:1. 三菱PLC:FX2N+FX2N-485-BD2. 三菱变频器:F700系列,A700系列。
两者之间网线连接,具体参照下图。
FX2N-485-BD与n台变频器连接图一.三菱变频器设置PLC与变频器之间进行通讯时,通讯规格必须变频器中进行设定,每次参数初始化设定后,需复位变频器或通断变频器电源。
参数号名称设定值说明Pr331 通讯站号 1 设定变频器站号为1Pr332 通讯速度 96 设定通讯速度为9600bpsPr334 奇偶校验停止位长 2 偶校验,停止位长1位Pr539 通讯校验时间 9999 不进行通讯校验Pr549 协议选择 1 ModbusRTU协议Pr551 PU模式操作权选择 2 PU运行模式操作权作为PU接口进行ModbusRTU协议通讯时,Pr551必须设置为2,Pr340设置为除0以外值,Pr79设置为0或2或6。
RS-485进行ModbusRTU协议通讯时,必须NET网络模式下运行。
二.三菱PLC设置对通讯格式D8120进行设置D8120设置值为0C87,即数据长度为8位,偶校验停止位1位,波特率9600pbs,无标题符和终结符。
修改D8120设置后,确保通断PLC电源一次。
三.通讯程序采用ModbusRTU协议与变频器通讯部分PLC程序如下:四:程序说明:1.当X1接通一次后,变频器进入正转状态。
三菱700系列变频器使用ModbusRTU通讯协议与三菱PLC进行通讯运行和参数设定Modbus是Modicon公司为其PLC与主机之间的通讯而发明的串行通讯协议。
其物理层采用RS232、485等异步串行标准。
由于其开放性而被大量的PLC及RTU厂家采用。
Modbus通讯方式采用主从方式的查询-相应机制,只有主站发出查询时,从站才能给出响应,从站不能主动发送数据。
主站可以向某一个从站发出查询,也可以向所有从站广播信息。
从站只响应单独发给它的查询,而不响应广播消息。
MODBUS通讯协议有两种传送方式:RTU方式和ASCII方式。
三菱700系列变频器能够从RS-485端子使用M odbusRTU通讯协议,进行通讯运行和参数设定。
对象:1. 三菱PLC:FX2N+FX2N-485-BD2. 三菱变频器:F700系列,A700系列。
两者之间通过网线连接,具体参照下图。
上图为:FX2N-485-BD与n台变频器的连接图一.三菱变频器的设置PLC与变频器之间进行通讯时,通讯规格必须在变频器中进行设定,每次参数初始化设定后,需复位变频器或通断变频器电源。
参数号名称设定值说明Pr331 通讯站号 1 设定变频器站号为1Pr332 通讯速度 96 设定通讯速度为9600bpsPr334 奇偶校验停止位长 2 偶校验,停止位长1位Pr539 通讯校验时间 9999 不进行通讯校验Pr549 协议选择 1 ModbusRTU协议Pr551 PU模式操作权选择 2 PU运行模式操作权作为PU接口进行ModbusRTU协议通讯时,Pr551必须设置为2,Pr340设置为除0以外的值,Pr79设置为0或2或6。
通过RS-485端子进行ModbusRTU协议通讯时,必须在NET网络模式下运行。
二.三菱PLC的设置对通讯格式D8120进行设置: D8120设置值为0C87,即数据长度为8位,偶校验停止位1位,波特率9600pbs,无标题符和终结符。
三菱700系列变频器使用ModbusRTU通讯协议与三菱PLC进行通讯运行和参数设定Modbus是Modicon公司为其PLC与主机之间的通讯而发明的串行通讯协议。
其物理层采用RS232、485等异步串行标准。
由于其开放性而被大量的PLC及RTU厂家采用。
Modbus通讯方式采用主从方式的查询-相应机制,只有主站发出查询时,从站才能给出响应,从站不能主动发送数据。
主站可以向某一个从站发出查询,也可以向所有从站广播信息。
从站只响应单独发给它的查询,而不响应广播消息。
MODBUS通讯协议有两种传送方式:RTU方式和ASCII方式。
三菱700系列变频器能够从RS-485端子使用ModbusRTU通讯协议,进行通讯运行和参数设定。
对象:1. 三菱PLC:FX2N+FX2N-485-BD2. 三菱变频器:F700系列,A700系列。
两者之间通过网线连接,具体参照下图。
上图为:FX2N-485-BD与n台变频器的连接图一.三菱变频器的设置PLC与变频器之间进行通讯时,通讯规格必须在变频器中进行设定,每次参数初始化设定后,需复位变频器或通断变频器电源。
参数号名称设定值说明Pr331 通讯站号 1 设定变频器站号为1Pr332 通讯速度 96 设定通讯速度为9600bpsPr334 奇偶校验停止位长 2 偶校验,停止位长1位Pr539 通讯校验时间 9999 不进行通讯校验Pr549 协议选择 1 ModbusRTU协议Pr551 PU模式操作权选择 2 PU运行模式操作权作为PU接口进行ModbusRTU协议通讯时,Pr551必须设置为2,Pr340设置为除0以外的值,Pr79设置为0或2或6。
通过RS-485端子进行ModbusRTU协议通讯时,必须在NET网络模式下运行。
二.三菱PLC的设置对通讯格式D8120进行设置: D8120设置值为0C87,即数据长度为8位,偶校验停止位1位,波特率9600pbs,无标题符和终结符。
三菱700系列变频器使用ModbusRTU通讯协议与三菱PLC进行通讯运行和参数设定Modbus是Modicon公司为其PLC与主机之间的通讯而发明的串行通讯协议。
其物理层采用RS232、485等异步串行标准。
由于其开放性而被大量的PLC及RTU厂家采用。
Modbus通讯方式采用主从方式的查询-相应机制,只有主站发出查询时,从站才能给出响应,从站不能主动发送数据。
主站可以向某一个从站发出查询,也可以向所有从站广播信息。
从站只响应单独发给它的查询,而不响应广播消息。
MODBUS通讯协议有两种传送方式:RTU方式和ASCII方式。
三菱700系列变频器能够从RS-485端子使用M odbusRTU通讯协议,进行通讯运行和参数设定。
对象:1. 三菱PLC:FX2N+FX2N-485-BD2. 三菱变频器:F700系列,A700系列。
两者之间通过网线连接,具体参照下图。
上图为:FX2N-485-BD与n台变频器的连接图一.三菱变频器的设置PLC与变频器之间进行通讯时,通讯规格必须在变频器中进行设定,每次参数初始化设定后,需复位变频器或通断变频器电源。
参数号名称设定值说明Pr331 通讯站号 1 设定变频器站号为1Pr332 通讯速度 96 设定通讯速度为9600bpsPr334 奇偶校验停止位长 2 偶校验,停止位长1位Pr539 通讯校验时间 9999 不进行通讯校验Pr549 协议选择 1 ModbusRTU协议Pr551 PU模式操作权选择 2 PU运行模式操作权作为PU接口进行ModbusRTU协议通讯时,Pr551必须设置为2,Pr340设置为除0以外的值,Pr79设置为0或2或6。
通过RS-485端子进行ModbusRTU协议通讯时,必须在NET网络模式下运行。
二.三菱PLC的设置对通讯格式D8120进行设置: D8120设置值为0C87,即数据长度为8位,偶校验停止位1位,波特率9600pbs,无标题符和终结符。
三菱FX2N系列PLC与三菱700系列变频器ModbusRTU协议通讯应用
深圳壮盈科技有限公司张金波2006-11-2
Modbus是Modicon公司为其PLC与主机之间的通讯而发明的串行通讯协议。
其物理层采用RS232、485等异步串行标准。
由于其开放性而被大量的PLC及RTU厂家采用。
Modbus通讯方式采用主从方式的查询-相应机制,只有主站发出查询时,从站才能给出响应,从站不能主动发送数据。
主站可以向某一个从站发出查询,也可以向所有从站广播信息。
从站只响应单独发给它的查询,而不响应广播消息。
MODBUS通讯协议有两种传送方
式:RTU方式和ASCII方式。
三菱700系列变频器能够从RS-485端子使用ModbusRTU通讯协议,进行通讯运行和参数设定。
对象:
1.三菱PLC:FX2N+FX2N-485-BD
2.三菱变频器:F700系列,A700系列。
两者之间通过网线连接,具体参照下图。
FX2N-485-BD与n台变频器的连接图
一.三菱变频器的设置
PLC与变频器之间进行通讯时,通讯规格必须在变频器中进行设定,每次参数初始化设定后,需复位变频器或通断变频器电源。
四.程序说明:
1.当X1接通一次后,变频器进入正转状态。
2.当X2接通一次后,写入变频器运行频率60HZ。
3.当X3接通一次后,变频器进入停止状态。
4.当指令中,变频器指令地址为0时,为广播指令,所有从站变频器只接受PLC发出指令,不向主机发送响应信息。
Modbus是Modicon公司为其PLC与主机之间的通讯而发明的串行通讯协议。
其物理层采用RS232、485等异步串行标准。
由于其开放性而被大量的PLC及RTU厂家采用。
Modbus通讯方式采用主从方式的查询-相应机制,只有主站发出查询时,从站才能给出响应,从站不能主动发送数据。
主站可以向某一个从站发出查询,也可以向所有从站广播信息。
从站只响应单独发给它的查询,而不响应广播消息。
MODBUS通讯协议有两种传送方式:RTU方式和ASCII方式。
三菱700系列变频器能够从RS-485端子使用ModbusRTU 通讯协议,进行通讯运行和参数设定。
对象:1. 三菱PLC:FX2N+FX2N-485-BD2. 三菱变频器:F700系列,A700系列。
两者之间通过网线连接,具体参照下图。
FX2N-485-BD与n台变频器的连接图一.三菱变频器的设置PLC与变频器之间进行通讯时,通讯规格必须在变频器中进行设定,每次参数初始化设定后,需复位变频器或通断变频器电源。
参数号名称设定值说明Pr331 通讯站号 1 设定变频器站号为1Pr332 通讯速度 96 设定通讯速度为9600bpsPr334 奇偶校验停止位长 2 偶校验,停止位长1位Pr539 通讯校验时间 9999 不进行通讯校验Pr549 协议选择 1 ModbusRTU协议Pr551 PU模式操作权选择 2 PU运行模式操作权作为PU接口进行ModbusRTU协议通讯时,Pr551必须设置为2,Pr340设置为除0以外的值,Pr79设置为0或2或6。
通过RS-485端子进行ModbusRTU协议通讯时,必须在NET网络模式下运行。
一.三菱PLC的设置对通讯格式D8120进行设置D8120设置值为0C87,即数据长度为8位,偶校验停止位1位,波特率9600pbs,无标题符和终结符。
修改D8120设置后,确保通断PLC电源一次。
二.通讯程序采用ModbusRTU协议与变频器通讯的部分PLC程序如下:。
三菱FX2NPLC与三菱变频器ModbusRTU协议通讯应用Modbus是Modicon公司为其PLC与主机之间通讯而发明串行通讯协议。
其物理层采用RS232、485等异步串行标准。
其开放性而被大量PLC及RTU厂家采用。
Modbus通讯方式采用主从方式查询-相应机制,主站发出查询时,从站才能给出响应,从站不能主动发送数据。
主站可以向某一个从站发出查询,也可以向所有从站广播信息。
从站只响应单独发给它查询,而不响应广播消息。
MODBUS通讯协议有两种传送方式:RTU方式和ASCII方式。
三菱700系列变频器能够从RS-485端子使用ModbusRTU通讯协议,进行通讯运行和参数设定。
对象:1. 三菱PLC:FX2N+FX2N-485-BD2. 三菱变频器:F700系列,A700系列。
两者之间网线连接,具体参照下图。
FX2N-485-BD与n台变频器连接图一.三菱变频器设置PLC与变频器之间进行通讯时,通讯规格必须变频器中进行设定,每次参数初始化设定后,需复位变频器或通断变频器电源。
参数号名称设定值说明Pr331 通讯站号1 设定变频器站号为1Pr332 通讯速度96 设定通讯速度为9600bpsPr334 奇偶校验停止位长2 偶校验,停止位长1位Pr539 通讯校验时间9999 不进行通讯校验Pr549 协议选择1 ModbusRTU协议Pr551 PU模式操作权选择2 PU运行模式操作权作为PU接口进行ModbusRTU协议通讯时,Pr551必须设置为2,Pr340设置为除0以外值,Pr79设置为0或2或6。
RS-485进行ModbusRTU协议通讯时,必须NET网络模式下运行。
二.三菱PLC设置对通讯格式D8120进行设置D8120设置值为0C87,即数据长度为8位,偶校验停止位1位,波特率9600pbs,无标题符和终结符。
修改D8120设置后,确保通断PLC电源一次。
三.通讯程序采用ModbusRTU协议与变频器通讯部分PLC程序如下:四:程序说明:1.当X1接通一次后,变频器进入正转状态。
Modbus是Modicon公司为其PLC与主机之间通讯而发明串行通讯协议。
其物理层采用RS232、485等异步串行标准。
其开放性而被大量PLC及RTU厂家采用。
Modbus通讯方式采用主从方式查询-相应机制,主站发出查询时,从站才能给出响应,从站不能主动发送数据。
主站可以向某一个从站发出查询,也可以向所有从站广播信息。
从站只响应单独发给它查询,而不响应广播消息。
MODBUS通讯协议有两种传送方式:RTU方式和ASCII方式。
三菱700系列变频器能够从RS-485端子使用ModbusRTU通讯协议,进行通讯运行和参数设定。
对象:1. 三菱PLC:FX2N+FX2N-485-BD2. 三菱变频器:F700系列,A700系列。
两者之间网线连接,具体参照下图。
FX2N-485-BD与n台变频器连接图一.三菱变频器设置PLC与变频器之间进行通讯时,通讯规格必须变频器中进行设定,每次参数初始化设定后,需复位变频器或通断变频器电源。
参数号名称设定值说明Pr331 通讯站号 1 设定变频器站号为1Pr332 通讯速度 96 设定通讯速度为9600bpsPr334 奇偶校验停止位长 2 偶校验,停止位长1位Pr539 通讯校验时间 9999 不进行通讯校验Pr549 协议选择 1 ModbusRTU协议Pr551 PU模式操作权选择 2 PU运行模式操作权作为PU接口进行ModbusRTU协议通讯时,Pr551必须设置为2,Pr340设置为除0以外值,Pr79设置为0或2或6。
RS-485进行ModbusRTU协议通讯时,必须NET网络模式下运行。
二.三菱PLC设置对通讯格式D8120进行设置D8120设置值为0C87,即数据长度为8位,偶校验停止位1位,波特率9600pbs,无标题符和终结符。
修改D8120设置后,确保通断PLC电源一次。
三.通讯程序采用ModbusRTU协议与变频器通讯部分PLC程序如下:四:程序说明:1.当X1接通一次后,变频器进入正转状态。
Modbus是Modicon公司为其PLC与主机之间的通讯而发明的串行通讯协议。
其物理层采用RS232、485等异步串行标准。
由于其开放性而被大量的PLC及RTU厂家采用。
Modbus通讯方式采用主从方式的查询-相应机制,只有主站发出查询时,从站才能给出响应,从站不能主动发送数据。
主站可以向某一个从站发出查询,也可以向所有从站广播信息。
从站只响应单独发给它的查询,而不响应广播消息。
MODBU通S讯协议有两种传送方式:RTU方式和ASCII方式。
三菱700系列变频器能够从RS-485端子使用ModbusRTU通讯协议,进行通讯运行和参数设定。
对象:1.三菱PLC:FX2N+FX2N-485-BD2.三菱变频器:F700系列,A700系列。
两者之间通过网线连接,具体参照下图。
FX2N-485-BD与n台变频器的连接图1.三菱变频器的设置PLC与变频器之间进行通讯时,通讯规格必须在变频器中进行设定,每次参数初始化设定后,需复位变频器或通断变频器电源。
参数号名称设定值说明Pr331通讯站号1设定变频器站号为1Pr332通讯速度96设定通讯速度为9600bpsPr334奇偶校验停止位长2偶校验,停止位长1位Pr539通讯校验时间9999不进行通讯校验Pr549协议选择1ModbusRTU协议Pr551PU模式操作权选择2PU运行模式操作权作为PU接口进行ModbusRTU协议通讯时,Pr551必须设置为2,Pr340设置为除0以外的值,Pr79设置为0或2或6。
通过RS-485端子进行ModbusRTU协议通讯时,必须在NET网络模式下运行。
2.三菱PLC的设置对通讯格式D8120进行设置D8120设置值为0C87,即数据长度为8位,偶校验停止位1位,波特率9600pbs,无标题符和终结符。
修改D8120设置后,确保通断PLC电源一次。
3.通讯程序采用ModbusRTU协议与变频器通讯的部分PLC程序如下:4.程序说明:1.当X1接通一次后,变频器进入正转状态。
Modbus是Modicon公司为其PLC与主机之间的通讯而发明的串行通讯协议。
其物理层采用RS232、485等异步串行标准。
由于其开放性而被大量的PLC及RTU厂家采用。
Modbus通讯方式采用主从方式的查询-相应机制,只有主站发出查询时,从站才能给出响应,从站不能主动发送数据。
主站可以向某一个从站发出查询,也可以向所有从站广播信息。
从站只响应单独发给它的查询,而不响应广播消息。
MODBUS通讯协议有两种传送方式:RTU方式和ASCII方式。
三菱700系列变频器能够从RS-485端子使用ModbusRTU 通讯协议,进行通讯运行和参数设定。
对象:1.?????? 三菱PLC:FX2N+FX2N-485-BD2.?????? 三菱变频器:F700系列,A700系列。
两者之间通过网线连接,具体参照下图。
FX2N-485-BD与n台变频器的连接图一.三菱变频器的设置PLC与变频器之间进行通讯时,通讯规格必须在变频器中进行设定,每次参数初始化设定后,需复位变频器或通断变频器电源。
参数号????????????名称???????????????????????设定值????????????????????? 说明Pr331?????????????通讯站号?????????????????????1??????????????????????? 设定变频器站号为1Pr332?????????????通讯速度?????????????????????96??????????????????????设定通讯速度为9600bpsPr334??????????????奇偶校验停止位长?????????? 2??????????????????????? 偶校验,停止位长1位Pr539??????????????通讯校验时间???????????????9999??????????????????不进行通讯校验Pr549???????????????协议选择????????????????????1??????????????????????? ModbusRTU协议Pr551???????????????PU模式操作权选择????? ?? 2??????????????????????? PU运行模式操作权作为PU接口进行ModbusRTU协议通讯时,Pr551必须设置为2,Pr340设置为除0以外的值,Pr79设置为0或2或6。
Modbus是Modicon公司为其PLC与主机之间的通讯而发明的串行通讯协议。
其物理层采用RS232、485等异步串行标准。
由于其开放性而被大量的PLC及RTU厂家采用。
Modbus通讯方式采用主从方式的查询-相应机制,只有主站发出查询时,从站才能给出响应,从站不能主动发送数据。
主站可以向某一个从站发出查询,也可以向所有从站广播信息。
从站只响应单独发给它的查询,而不响应广播消息。
MODBUS通讯协议有两种传送方式:RTU方式和ASCII方式。
三菱700系列变频器能够从RS-485端子使用ModbusRTU 通讯协议,进行通讯运行和参数设定。
对象:1. 三菱PLC:FX2N+FX2N-485-BD2. 三菱变频器:F700系列,A700系列。
两者之间通过网线连接,具体参照下图。
FX2N-485-BD与n台变频器的连接图一.三菱变频器的设置PLC与变频器之间进行通讯时,通讯规格必须在变频器中进行设定,每次参数初始化设定后,需复位变频器或通断变频器电源。
参数号名称设定值说明Pr331 通讯站号 1 设定变频器站号为1Pr332 通讯速度 96 设定通讯速度为9600bpsPr334 奇偶校验停止位长 2 偶校验,停止位长1位Pr539 通讯校验时间 9999 不进行通讯校验Pr549 协议选择 1 ModbusRTU协议Pr551 PU模式操作权选择 2 PU运行模式操作权作为PU接口进行ModbusRTU协议通讯时,Pr551必须设置为2,Pr340设置为除0以外的值,Pr79设置为0或2或6。
通过RS-485端子进行ModbusRTU协议通讯时,必须在NET网络模式下运行。
一.三菱PLC的设置对通讯格式D8120进行设置D8120设置值为0C87,即数据长度为8位,偶校验停止位1位,波特率9600pbs,无标题符和终结符。
修改D8120设置后,确保通断PLC电源一次。
二.通讯程序采用ModbusRTU协议与变频器通讯的部分PLC程序如下:三:程序说明:1.当X1接通一次后,变频器进入正转状态。
Modbus是Modicon公司为其PLC与主机之间的通讯而发明的串行通讯协议。
其物理层采用RS232、485等异步串行标准。
由于其开放性而被大量的PLC及RTU厂家采用。
Modbus通讯方式采用主从方式的查询-相应机制,只有主站发出查询时,从站才能给出响应,从站不能主动发送数据。
主站可以向某一个从站发出查询,也可以向所有从站广播信息。
从站只响应单独发给它的查询,而不响应广播消息。
MODBUS通讯协议有两种传送方式:RTU方式和ASCII方式。
三菱700系列变频器能够从RS-485端子使用ModbusRTU 通讯协议,进行通讯运行和参数设定。
对象:1. 三菱PLC:FX2N+FX2N-485-BD2. 三菱变频器:F700系列,A700系列。
两者之间通过网线连接,具体参照下图。
FX2N-485-BD与n台变频器的连接图一.三菱变频器的设置PLC与变频器之间进行通讯时,通讯规格必须在变频器中进行设定,每次参数初始化设定后,需复位变频器或通断变频器电源。
参数号名称设定值说明Pr331 通讯站号 1 设定变频器站号为1Pr332 通讯速度 96 设定通讯速度为9600bpsPr334 奇偶校验停止位长 2 偶校验,停止位长1位Pr539 通讯校验时间 9999 不进行通讯校验Pr549 协议选择 1 ModbusRTU协议Pr551 PU模式操作权选择 2 PU运行模式操作权作为PU接口进行ModbusRTU协议通讯时,Pr551必须设置为2,Pr340设置为除0以外的值,Pr79设置为0或2或6。
通过RS-485端子进行ModbusRTU协议通讯时,必须在NET网络模式下运行。
一.三菱PLC的设置对通讯格式D8120进行设置D8120设置值为0C87,即数据长度为8位,偶校验停止位1位,波特率9600pbs,无标题符和终结符。
修改D8120设置后,确保通断PLC电源一次。
二.通讯程序采用ModbusRTU协议与变频器通讯的部分PLC程序如下:三:程序说明:1.当X1接通一次后,变频器进入正转状态。
Modbus是Modicon公司为其PLC与主机之间的通讯而发明的串行通讯协议。
其物理层采用RS232、485等异步串行标准。
由于其开放性而被大量的PLC及RTU厂家采用。
Modbus通讯方式采用主从方式的查询-相应机制,只有主站发出查询时,从站才能给出响应,从站不能主动发送数据。
主站可以向某一个从站发出查询,也可以向所有从站广播信息。
从站只响应单独发给它的查询,而不响应广播消息。
MODBUS通讯协议有两种传送方式:RTU方式和ASCII方式。
三菱700系列变频器能够从RS-485端子使用ModbusRTU 通讯协议,进行通讯运行和参数设定。
对象:1. 三菱PLC:FX2N+FX2N-485-BD2. 三菱变频器:F700系列,A700系列。
两者之间通过网线连接,具体参照下图。
FX2N-485-BD与n台变频器的连接图一.三菱变频器的设置PLC与变频器之间进行通讯时,通讯规格必须在变频器中进行设定,每次参数初始化设定后,需复位变频器或通断变频器电源。
参数号名称设定值说明Pr331 通讯站号 1 设定变频器站号为1Pr332 通讯速度 96 设定通讯速度为9600bpsPr334 奇偶校验停止位长 2 偶校验,停止位长1位Pr539 通讯校验时间 9999 不进行通讯校验Pr549 协议选择 1 ModbusRTU协议Pr551 PU模式操作权选择 2 PU运行模式操作权作为PU接口进行ModbusRTU协议通讯时,Pr551必须设置为2,Pr340设置为除0以外的值,Pr79设置为0或2或6。
通过RS-485端子进行ModbusRTU协议通讯时,必须在NET网络模式下运行。
一.三菱PLC的设置对通讯格式D8120进行设置D8120设置值为0C87,即数据长度为8位,偶校验停止位1位,波特率9600pbs,无标题符和终结符。
修改D8120设置后,确保通断PLC电源一次。
二.通讯程序采用ModbusRTU协议与变频器通讯的部分PLC程序如下:三:程序说明:1.当X1接通一次后,变频器进入正转状态。
FX5U和三菱变频器基于RS485 Modbus-RTU通讯控制本次实验主要是测试FX5U PLC与三菱变频器,通过RS485接口进行moudbus通讯控制,运行频率和监控频率,电压电流等通过通讯控制;运转信号通过两种方式来控制:1、外部信号PLC接线输出控制,2、通讯给出信号控制一、配置PLC: FX5U-32MT/ES变频器:FR-E740-3.7K-CHT电机:三相异步电机线缆:RJ45网线;一头带RJ45接头,另一头散线二、接线1、PLC端:FX5U有内置458接口变频器:PU接口2、接线方式①1对配线:②2对配线这里采用的是2对配线,不同配线方式,设置终端电阻不同采用外部信号控制:PLC输出信号Y0来控制变频器运转启动变频器:接线对应:PLC 0V----COM0Y0---- STFPLC 24V----PC三、参数设置PLC端:参数---模块参数---485串口变频器:Pr.117,118,119,120对应PLC设置注意:119设定的停止位长Pr.121=9999 (9999 即使发生通讯错误变频器也不会跳闸)Pr.122=9999 (9999 不进行通讯校验(断线检测))Pr.338=0或1 (0:启动指令权通讯;1:启动指令权外部)Pr.340=1 (1 网络运行模式)Pr.79=0 (外部/PU切换模式)Pr.549=1 (1 Modbus-RTU协议)四、程序设置这里FX5U采用ADPRW命令与从站进行通信该命令可通过主站所对应的功能代码,与从站进行通信(数据的读取/写入)。
1、写入运行频率从站地址:01H功能代码:06HMODBUS地址:0DH访问点数:0(固定)读取数据存储软元件起始:D0输出通信执行状态的起始位软元件编号:M0H1:对应变频器站号(这里设置为1号站)H6:功能代码(保持寄存器写入)H0D:modbus地址,这里为频率写入,对应下表为40014,还需减去40001,为13,16进制换算为0DK0:访问点数,为固定的0,D0:数据存储软元件起始地址,这里是写入频率的值(单位:0.01HZ),要想设为转速,变频器参数Pr.37 的设定,可切换频率和转速,转速单位为(1r/min)M10:输出通信执行状态的起始位软元件编号2、监控数据从站地址:01H功能代码:03HMODBUS地址:0C8H访问点数:3(运行频率,电流,电压)读取数据存储软元件起始:D100输出通信执行状态的起始位软元件编号:M303、这里根据使用情况,运转信号采用外部控制还是通讯控制①外部控制:导通Y0即可②通讯给启动:从站地址:01H功能代码:06HMODBUS地址:8H (40009-40001H)访问点数:0(固定)读取数据存储软元件起始:D10输出通信执行状态的起始位软元件编号:M20给信号方式:对应下表比如我们给正转信号,对应位1置位,0000 0000 0000 0010,对应D10给的值即为2写入频率后,D10赋值=2,执行该程序,即可启动读取相关状态同上五、其他系列变频器的比较1、接口D700和E700,E800系列:PU接口A700,F700和A800,F800系列:PU接口,和RS485端子D700和E700系列只有PU一个接口,当连接多台时,使用分配器,这里需要注意的是,多台连接时变频器间不要连接②,⑧其他用法相同。
三菱FX2NPLC与三菱变频器ModbusRTU协议通讯应用Modbus是Modicon公司为其PLC与主机之间通讯而发明串行通讯协议。
其物理层采用RS232、485等异步串行标准。
其开放性而被大量PLC及RTU厂家采用。
Modbus通讯方式采用主从方式查询-相应机制,主站发出查询时,从站才能给出响应,从站不能主动发送数据。
主站可以向某一个从站发出查询,也可以向所有从站广播信息。
从站只响应单独发给它查询,而不响应广播消息。
MODBUS通讯协议有两种传送方式:RTU方式和ASCII方式。
三菱700系列变频器能够从RS-485端子使用ModbusRTU通讯协议,进行通讯运行和参数设定。
对象:1. 三菱PLC:FX2N+FX2N-485-BD2. 三菱变频器:F700系列,A700系列。
两者之间网线连接,具体参照下图。
FX2N-485-BD与n台变频器连接图一.三菱变频器设置PLC与变频器之间进行通讯时,通讯规格必须变频器中进行设定,每次参数初始化设定后,需复位变频器或通断变频器电源。
参数号名称设定值说明Pr331 通讯站号1 设定变频器站号为1Pr332 通讯速度96 设定通讯速度为9600bpsPr334 奇偶校验停止位长2 偶校验,停止位长1位Pr539 通讯校验时间9999 不进行通讯校验Pr549 协议选择1 ModbusRTU协议Pr551 PU模式操作权选择2 PU运行模式操作权作为PU接口进行ModbusRTU协议通讯时,Pr551必须设置为2,Pr340设置为除0以外值,Pr79设置为0或2或6。
RS-485进行ModbusRTU协议通讯时,必须NET网络模式下运行。
二.三菱PLC设置对通讯格式D8120进行设置D8120设置值为0C87,即数据长度为8位,偶校验停止位1位,波特率9600pbs,无标题符和终结符。
修改D8120设置后,确保通断PLC电源一次。
三.通讯程序采用ModbusRTU协议与变频器通讯部分PLC程序如下:四:程序说明:1.当X1接通一次后,变频器进入正转状态。
Modbus是Modicon公司为其PLC与主机之间的通讯而发明的串行通讯协议。
其物理层采用RS232、485等异步串行标准。
由于其开放性而被大量的PLC及RTU厂家采用。
Modbus通讯方式采用主从方式的查询-相应机制,只有主站发出查询时,从站才能给出响应,从站不能主动发送数据。
主站可以向某一个从站发出查询,也可以向所有从站广播信息。
从站只响应单独发给它的查询,而不响应广播消息。
MODBUS通讯协议有两种传送方式:RTU方式和ASCII方式。
三菱700系列变频器能够从RS-485端子使用ModbusRTU 通讯协议,进行通讯运行和参数设定。
对象:
1. 三菱PLC:FX2N+FX2N-485-BD
2. 三菱变频器:F700系列,A700系列。
两者之间通过网线连接,具体参照下图。
FX2N-485-BD与n台变频器的连接图
一.三菱变频器的设置
PLC与变频器之间进行通讯时,通讯规格必须在变频器中进行设定,每次参数初始化设定后,需复位变频器或通断变频器电源。
参数号名称设定值说明
Pr331 通讯站号 1 设定变频器站号为1
Pr332 通讯速度 96 设定通讯速度为9600bps
Pr334 奇偶校验停止位长 2 偶校验,停止位长1位
Pr539 通讯校验时间 9999 不进行通讯校验
Pr549 协议选择 1 ModbusRTU协议
Pr551 PU模式操作权选择 2 PU运行模式操作权作为PU接口进行ModbusRTU协议通讯时,Pr551必须设置为2,Pr340设置为除0以外的值,Pr79设置为0或2或6。
通过RS-485端子进行ModbusRTU协议通讯时,必须在NET网络模式下运行。
一.三菱PLC的设置
对通讯格式D8120进行设置
D8120设置值为0C87,即数据长度为8位,偶校验停止位1位,波特率9600pbs,无标题符和终结符。
修改D8120设置后,确保通断PLC电源一次。
二.通讯程序
采用ModbusRTU协议与变频器通讯的部分PLC程序如下:
三:程序说明:
1.当X1接通一次后,变频器进入正转状态。
2.当X2接通一次后,写入变频器运行频率60HZ。
3.当X3接通一次后,变频器进入停止状态。
当指令中,变频器指令地址为0时,为广播指令,所有从站变频器只接受PLC发出指令,不向主机发送响应信息。