三菱PLC与变频器通讯演示
- 格式:ppt
- 大小:803.50 KB
- 文档页数:25
FXPLC与三菱变频器之间网线连接
变频器SDA与PLCRDA连接
变频器SDB与PLCRDB连接
变频器RDA与PLCSDA连接
变频器RDB与PLCSDA连接
变频器SG与PLCSG连接
通讯工具是FX2n-485-BD板
M10正转 D106 命令
M11反转 D150 指定速度
M12停止 D151上次速度
M13加速 D199 接收个数
M14减速 D200 接收区
M15读取频率 V0 指针
M16启/停操作标志
M17读取频率标志
D97校验数
D98检验数
D99发送个数
D100开始符(RS指令发送表开始地址)
D101站
D102号
三菱变频器的设置
PLC和变频器之间进行通讯,通讯规格必须在变频器的初始化中设定,如果没有进行初始设定或有一个错误的设定,数据将不能进行传输。
注:每次参数初始化设定完以后,需要复位变频器。
如果改变与通讯相关的参数后,变频器没有复位,通讯将不能进行。
参数号名称设定值说明
操作模数 1
站号 0设定变频器站号为0
通讯速率96设定波特率为9600bps
停止位长/数据位长11设定停止位2位,数据位7位
奇偶校验有/无2设定为偶校验
通讯再试次数9999即使发生通讯错误,变频器也不停止
通讯校验时间间隔9999通讯校验终止
等待时间设定9999用通讯数据设定
CR,LF有/无选择0选择无CR,LF。
三菱plc与变频器485通讯程序实例
本例⼦是三菱PLC主机上装RS-485BD通讯适配器与变频器的485PU⼝相连接,通过三菱PLC 和三菱变频器之间的RS485半双⼯串⾏通讯来实现电动机的变频调速。
三菱PLC和三菱变频器之间进⾏通讯,通讯规格必须在变频器的初始化中设定,如果没有进⾏设定或有⼀个错误的设定,数据将不能进⾏通讯。
且每次参数设定后,需复位变频器。
确保参数的设定⽣效,设定好参数后按如下协议进⾏数据通讯。
该过程分5个阶段:
1、计算机发出通讯请求;
2、变频器处理等待;
3、变频器作出应答;
4、计算机处理等待;
5、计算机作出应答。
根据不同的通讯要求完成相应的过程,如写变频器启、停控制命令时则只需完成1-3三个过程;监视变频器运⾏频率时则需完成1-5五个过程。
不论是写数据还是读数据,均有PLC发出请求,变频器只是被动接受请求并作出应答。
每个阶段的数据格式均有差别。
现只列出较为常⽤的三种格式:
要实现三菱PLC对三菱变频器的通讯控制,必须对三菱PLC进⾏编程;通过程序实现PLC对变频器的各种运⾏控制和数据的采集。
三菱PLC程序⾸先应完成FX2N-485BD通讯适配器的初始化、控制命令字的组合、代码转换和变频器应答数据的处理⼯作。
PLC通过RS-485通讯控制变频器可以完成⼀台乃⾄多台变频器的启动、停⽌、频率设定。
硬件连接如图5所⽰。
由于每台变频器的通讯编程⽅法基本相似,唯⼀的不同之处就是变频器的站号设置不同。
Modbus是Modicon公司为其PLC与主机之间的通讯而发明的串行通讯协议。
其物理层采用RS232、485等异步串行标准。
由于其开放性而被大量的PLC及RTU厂家采用。
Modbus通讯方式采用主从方式的查询-相应机制,只有主站发出查询时,从站才能给出响应,从站不能主动发送数据。
主站可以向某一个从站发出查询,也可以向所有从站广播信息。
从站只响应单独发给它的查询,而不响应广播消息。
MODBUS通讯协议有两种传送方式:RTU方式和ASCII方式。
三菱700系列变频器能够从RS-485端子使用ModbusRTU通讯协议,进行通讯运行和参数设定。
对象:1. 三菱PLC:FX2N+FX2N-485-BD2. 三菱变频器:F700系列,A700系列。
两者之间通过网线连接,具体参照下图。
FX2N-485-BD与n台变频器的连接图1.三菱变频器的设置PLC与变频器之间进行通讯时,通讯规格必须在变频器中进行设定,每次参数初始化设定后,需复位变频器或通断变频器电源。
参数号名称设定值说明Pr331 通讯站号 1 设定变频器站号为1Pr332 通讯速度 96 设定通讯速度为9600bpsPr334 奇偶校验停止位长 2 偶校验,停止位长1位Pr539 通讯校验时间 9999 不进行通讯校验Pr549 协议选择 1 ModbusRTU协议Pr551 PU模式操作权选择 2 PU运行模式操作权作为PU接口进行ModbusRTU协议通讯时,Pr551必须设置为2,Pr340设置为除0以外的值,Pr79设置为0或2或6。
通过RS-485端子进行ModbusRTU协议通讯时,必须在NET网络模式下运行。
2.三菱PLC的设置对通讯格式D8120进行设置D8120设置值为0C87,即数据长度为8位,偶校验停止位1位,波特率9600pbs,无标题符和终结符。
修改D8120设置后,确保通断PLC电源一次。
3.通讯程序采用ModbusRTU协议与变频器通讯的部分PLC程序如下:4.程序说明:1.当X1接通一次后,变频器进入正转状态。
三菱F系列P L C与变频器通讯应用实例R S 公司标准化编码 [QQX96QT-XQQB89Q8-NQQJ6Q8-MQM9N]①三菱PLC:FX2N + FX2N-485-BD②三菱变频器:A500系列、E500系列、F500系列、F700系列、S500系列两者之间通过网线连接(网线的RJ45插头和变频器的PU插座接),使用两对导线连接,即将变频器的SDA与PLC通讯板(FX2N-485-BD)的RDA接,变频器的SDB与PLC通讯板(FX2N-485-BD)的RDB接,变频器的RDA与PLC通讯板(FX2N-485-BD)的SDA接,变频器的RDB与PLC通讯板(FX2N-485-BD)的SDB接,变频器的SG与PLC通讯板(FX2N-485-BD)的SG接。
A500、F500、F700系列变频器PU端口:E500 、 S500 系列变频器 PU 端口:一.三菱变频器的设置PLC和变频器之间进行通讯,通讯规格必须在变频器的初始化中设定,如果没有进行初始设定或有一个错误的设定,数据将不能进行传输。
注:每次参数初始化设定完以后,需要复位变频器。
如果改变与通讯相关的参数后,变频器没有复位,通讯将不能进行。
参数号名称设定值说明站号 0 设定变频器站号为0通讯速率 96 设定波特率为9600bps停止位长/数据位长 11 设定停止位2位,数据位7位奇偶校验有/无 2 设定为偶校验通讯再试次数 9999 即使发生通讯错误,变频器也不停止通讯校验时间间隔 9999 通讯校验终止等待时间设定 9999 用通讯数据设定CR,LF有/无选择 0 选择无CR,LF对于122号参数一定要设成9999,否则当通讯结束以后且通讯校验互锁时间到时变频器会产生报警并且停止()。
对于79号参数要设成1,即PU操作模式。
注:以上的参数设置适用于A500、E500、F500、F700系列变频器。
当在F500、F700系列变频器上要设定上述通讯参数,首先要将设成0。
①三菱PLC:FX2N + FX2N-485-BD②三菱变频器:A500系列、E500系列、F500系列、F700系列、S500系列两者之间通过网线连接(网线的RJ45插头和变频器的PU插座接),使用两对导线连接,即将变频器的SDA与PLC通讯板(FX2N-485-BD)的RDA接,变频器的SDB与PLC通讯板(FX2N-485-BD)的RDB接,变频器的RDA与PLC通讯板(FX2N-485-BD)的SDA接,变频器的RDB与PLC通讯板(FX2N-485-BD)的SDB接,变频器的SG与PLC通讯板(FX2N-485-BD)的SG接。
A500、F500、F700系列变频器PU端口:E500 、S500 系列变频器PU 端口:一.三菱变频器的设置PLC和变频器之间进行通讯,通讯规格必须在变频器的初始化中设定,如果没有进行初始设定或有一个错误的设定,数据将不能进行传输。
注:每次参数初始化设定完以后,需要复位变频器。
如果改变与通讯相关的参数后,变频器没有复位,通讯将不能进行。
参数号名称设定值说明Pr.117 站号0 设定变频器站号为0Pr.118 通讯速率96 设定波特率为9600bpsPr.119 停止位长/数据位长11 设定停止位2位,数据位7位Pr.120 奇偶校验有/无2 设定为偶校验Pr.121 通讯再试次数9999 即使发生通讯错误,变频器也不停止Pr.122 通讯校验时间间隔9999 通讯校验终止Pr.123 等待时间设定9999 用通讯数据设定Pr.124 CR,LF有/无选择0 选择无CR,LF对于122号参数一定要设成9999,否则当通讯结束以后且通讯校验互锁时间到时变频器会产生报警并且停止(E.PUE)。
对于79号参数要设成1,即PU操作模式。
注:以上的参数设置适用于A500、E500、F500、F700系列变频器。
当在F500、F700系列变频器上要设定上述通讯参数,首先要将Pr.160设成0。
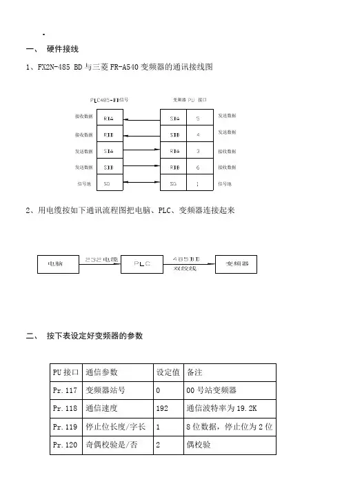
三菱FX2NPLC 利用485BD 与三菱变频器通讯的实例一、 硬件接线1、FX2N-485 BD 与三菱FR-A540变频器的通讯接线图2、用电缆按如下通讯流程图把电脑、PLC 、变频器连接起来二、 按下表设定好变频器的参数信号发送数据发送数据接收数据接收数据信号地接收数据接收数据发送数据发送数据信号地变频器接口注:变频器设参数一定要放在第一步来做,另外设定好参数后要断电再上电复位方式进行变频器的复位,如不进行复位,通讯不能进行。
三、在电脑中利用专用软件编写梯形图四、程序解释(重点为PLC串行通信指令与格式、传送数据的格式与定义)1、M8161=1,表示为8位处理模式。
2、通过[MOV H009F D8120]来确定PLC的通信格式,H009F是十六进制的数,如转换成二制的数与表达的意义见下表3、上一语句也可改用[MOV H0C96 D8120]来确定PLC的通信格式,H0C96也是十六进制的数,如转换成二制的数与表达的意义见下表4、 [RS D200 K9 D500 K5]语句的意思:(1)R S指令是PLC 进行发送和接收串行数据的指令,数据的格式可以通过特殊数据寄存器D8120设定,并要与变频器的数据格式类型完全对应;通过PLC传送指令把通讯数据装到D200开始的连续单元中。
(2)发送数据的首地址是D200,发送的字节数为9字节;接收数据首地址是D500,接收的字节数为5字节。
(3)变频器通讯协议的格式A‘的含义格式A‘1 2 3 4 5 6 7 8 9 10 11 字符数由于*5等待时间通过变频器参数 Pr.123=20 来设定,所以可以少一字节;加上*4表达的意思是是否采用CR和LF,因为本例不需要使用CR和LF,并通过变频器设定参数 Pr.124=0 来表达最后一个字节也可不用,所以本例发送的格式为A‘,字节数为9字节。
5、[MOV H05 D200]含义为通信请求ENQ,H05为ASCⅡ码,它占上表显示的格式A‘的第一个字节。
三菱PLC(FX3U)与两台变频器的通讯三菱PLC(FX3U)与两台三菱变频器的通讯一、任务目的1、掌握变频器的RS485通讯原理2、掌握PLC的RS485通讯原理3、掌握PLC结合触摸屏进行控制技术二、任务实施的设备仪器①变频器D700 2台;②PLC(FX3U)1台;③昆仑通态触摸屏1台④电脑1台三、任务实训要求1、使用PLC,通过RS485总线,实现两台变频器控制电机正转、反转、停止;在运行中可直接改变变频器的运行任意频率,比如10Hz、20Hz、30Hz、40Hz或50Hz。
2、通过触摸屏画面进行上述控制和操作。
四、任务步骤1、设置以下变频参数设置D700变频参数注:当变频器不能恢复出厂时,需要设置变频器Pr.551=9999,然后将变频器的电源关闭,再接上,否则无法通讯。
2、下载PLC的程序,并设置PLC的参数PLC参考程序设置PLC参数3、PLC和变频器的RS485连线①拆下变频器的参数盖板②将变频器与PLC的通讯线RJ45网口接入变频器,另一头接入PLC的RS485通讯模块4、制作触摸屏画面,实现触摸屏控制变频器的正转、反转、停止功能、输出频率监视和任意频率输出。
①打开MCGSE嵌入版组态软件,新建工程,选择相对应的触摸屏类型按确定下一步②点击设备窗口,双击“设备组态”进行组态③鼠标左键点击打开设备工具箱,分别双击“通用串口父设备”和“FX系列编程口”,后点击确定即可④组态完成后关闭当前窗口保存,点击“用户窗口”新建三个窗口,然后打开“窗口0”。
⑤点击“标准按钮”,然后按住鼠标左键在“动画组态窗口”画出按钮⑥双击打开“1号变频器按钮”可以更改按钮名称⑦打开操作属性勾选打开用户窗口,选择窗口1点击确定,这样当按钮按下时就可以切换到窗口1(即1号变频器)。
⑧关闭窗口0并保存,打开窗口1⑨在窗口1新建一个按钮“变频器选择”双击打开操作属性勾选打开用户窗口选择“窗口0”,这样就可以实现来回之间切换⑩在窗口1分别新建1号变频器按钮正转、反转、停止、频率更改。
.一、 硬件接线1、FX2N-485 BD 与三菱FR-A540变频器的通讯接线图2、用电缆按如下通讯流程图把电脑、PLC 、变频器连接起来二、 按下表设定好变频器的参数信号发送数据发送数据接收数据接收数据信号地接收数据接收数据发送数据发送数据信号地变频器接口注:变频器设参数一定要放在第一步来做,另外设定好参数后要断电再上电复位方式进行变频器的复位,如不进行复位,通讯不能进行。
三、在电脑中利用专用软件编写梯形图四、程序解释(重点为PLC串行通信指令与格式、传送数据的格式与定义)1、M8161=1,表示为8位处理模式。
2、通过[MOV H009F D8120]来确定PLC的通信格式,H009F是十六进制的数,如转换成二制的数与表达的意义见下表3、 上一语句也可改用[MOV H0C96 D8120]来确定PLC 的通信格式,H0C96也是十六进制的数,如转换成二制的数与表达的意义见下表4、 [RS D200 K9 D500 K5]语句的意思:(1) R S 指令是PLC 进行发送和接收串行数据的指令,数据的格式可以通过特殊数据寄存器D8120设定,并要与变频器的数据格式类型完全对应; 通过PLC 传送指令把通讯数据装到D200开始的连续单元中。
(2) 发送数据的首地址是D200,发送的字节数为9字节;接收数据首地址是D500,接收的字节数为5字节。
(3) 变频器通讯协议的格式A ‘的含义 格式A ‘ 1 2 3 4 5 6 7 8 9 10 11 字符数 由于*5等待时间 通过变频器参数 Pr.123=20 来设定,所以可以少一字节;加上*4表达的意思是是否采用CR 和LF ,因为本例不需要使用CR 和LF ,并通过变频器设定参数 Pr.124=0 来表达最后一个字节也可不用,所以本例发送的格式为A ‘,字节数为9字节。
5、[MOV H05 D200]含义为通信请求ENQ ,H05为ASC Ⅱ码,它占上表显示的格式A ‘的第一个字节。
Modbus是Modicon公司为其PLC与主机之间的通讯而发明的串行通讯协议。
其物理层采用RS232、485等异步串行标准。
由于其开放性而被大量的PLC及RTU厂家采用。
Modbus通讯方式采用主从方式的查询-相应机制,只有主站发出查询时,从站才能给出响应,从站不能主动发送数据。
主站可以向某一个从站发出查询,也可以向所有从站广播信息。
从站只响应单独发给它的查询,而不响应广播消息。
MODBUS通讯协议有两种传送方式:RTU方式和ASCII方式。
三菱700系列变频器能够从RS-485端子使用ModbusRTU通讯协议,进行通讯运行和参数设定。
对象:1. 三菱PLC:FX2N+FX2N-485-BD2. 三菱变频器:F700系列,A700系列。
两者之间通过网线连接,具体参照下图。
FX2N-485-BD与n台变频器的连接图1.三菱变频器的设置PLC与变频器之间进行通讯时,通讯规格必须在变频器中进行设定,每次参数初始化设定后,需复位变频器或通断变频器电源。
参数号名称设定值说明Pr331 通讯站号 1 设定变频器站号为1Pr332 通讯速度 96 设定通讯速度为9600bpsPr334 奇偶校验停止位长 2 偶校验,停止位长1位Pr539 通讯校验时间 9999 不进行通讯校验Pr549 协议选择 1 ModbusRTU协议Pr551 PU模式操作权选择 2 PU运行模式操作权作为PU接口进行ModbusRTU协议通讯时,Pr551必须设置为2,Pr340设置为除0以外的值,Pr79设置为0或2或6。
通过RS-485端子进行ModbusRTU协议通讯时,必须在NET网络模式下运行。
2.三菱PLC的设置对通讯格式D8120进行设置D8120设置值为0C87,即数据长度为8位,偶校验停止位1位,波特率9600pbs,无标题符和终结符。
修改D8120设置后,确保通断PLC电源一次。
3.通讯程序采用ModbusRTU协议与变频器通讯的部分PLC程序如下:4.程序说明:1.当X1接通一次后,变频器进入正转状态。
三菱FX2NPLC利用485BD与三菱变频器通讯的实例一、硬件接线1、FX2N-485BD与三菱FR-A540变频器的通讯接线图信号变频器接口接收数据发送数据发送数据接收数据发送数据接收数据发送数据接收数据信号地信号地2、用电缆按如下通讯流程图把电脑、PLC、变频器连接起来电缆电脑变频器双绞线二、按下表设定好变频器的参数PU接口通信参数设定值备注Pr.117变频器站号000号站变频器Pr.118通信速度192通信波特率为19.2KPr.119停止位长度/字长18位数据,停止位为2位Pr.120奇偶校验是/否2偶校验Pr.121通讯重试次数9999通信再试次数Pr.122通信检查时间间隔9999Pr.123等待时间设置20变频器设定Pr.124CR,LF是/否选择0无CR,无LFPr.79操作模式1计算机通讯模式注:变频器设参数一定要放在第一步来做,另外设定好参数后要断电再上电复位方式进行变频器的复位,如不进行复位,通讯不能进行。
三、在电脑中利用专用软件编写梯形图四、程序解释(重点为PLC串行通信指令与格式、传送数据的格式与定义)1、M8161=1,表示为8位处理模式。
32、通过[MOVH009FD8120]来确定PLC 的通信格式,H009F 是十六进制的数,如转换成二制的数与表达的意义见下表B15B14B13B12B11B10B9B8B7B6B5B4B3B2BB010000000010011111使用RS 指令保波特率为19.2K2位偶数8位发送保无起始位留和接留无停止位停止数收位据3、上一语句也可改用[M OV H 0C 96D 81]确定PLC 的通信格式,H0C96 也是十六进制的数,如转换成二制的数与表达的意义见下表B15B14B13B12B11B10B9B8B7B6B5B4B3B2BB0 10000110010010110使用RS 指令保波特率为19.2K1位偶数7位 发送保无起始位 留和接留无停止位停止数 收位据 4、[RSD200K9D500K5]语句的意思:(1)R S 指令是PLC 进行发送和接收串行数据的指令,数据的格式可以通过 特殊数据寄存器D8120设定,并要与变频器的数据格式类型完全对应;通过PLC 传送指令把通讯数据装到D200开始的连续单元中。