C++接口使用说明
- 格式:pdf
- 大小:572.68 KB
- 文档页数:13
方法二:手动安装注意:1. 不要重复安装软件。
2. 手动安装功能必须先执行完成未进入系统前的自动安装步骤,在提示是否继续自动安装的对话框中选择“取消”后,2.3一键恢复主要功能:1. 从初始备份恢复:a. 如果你的电脑在出厂时预装有Windows 操作系统,分区)恢复至出厂时的状态。
b. 如果你的电脑在出厂时没有预装Windows(C分区)恢复至用户创建的初始备份状态(创建初始备份的方法参见相关描述注意:在此操作中,系统分区中现有的数据将全部丢失,磁盘上其他分区不变。
为了确保您的重要数据不会丢失,请您在做执行操作前一定做好备份。
拯救系统的恢复文件和相关数据保存在服务分区中,如果服务分区被非联想维修人员进行的操作删除或损坏,联想将不对由此而导致的任何损失承担责任。
注意:本章节所提供图形界面仅供参考,请以实际显示为准。
2.2驱动与随机软件安装方法拯救系统中的驱动与软件安装功能提供给用户一个方便的安装驱动和标配的随机软件的途径。
本程序能自动安装全部的驱动和随机软件,也可以根据用户的要求,有选择性的安装部分驱动和软件。
方法一:自动安装第三章:常见问题处理注意:本章节所提供图形界面仅供参考,请以实际显示为准。
3.1 显示1. 显示器屏幕黑屏,没有图像检查屏幕开关是否打开,如果没有,则应按下按钮,打开显示器。
如不能解决,请咨询售2. 边角界面切换和工具栏使用方法Windows 8提供了点击界面边角空白区域进行不同界面以及应用的切换功能。
并且,添加了工具栏功能。
ս Ҋ ӹԶ3. 桌面左下角快捷菜单5. Windows 8关机方法关于Windows 8 更多详细信息,请点击键盘“文档中查询。
3.7安装其他操作系统的BIOS设置3.4光驱和硬盘1. 光驱读不出光盘内容请检查操作系统的“计算机”或“我的电脑”中是否有光驱盘符的图标,如果没有,请重新启动计算机,如果仍然没有,请您与联想服务部门联系• 请检查光盘是否放好,如果没有,请重新放好光盘。
1.接口方式使用SPI,工作模式为(0,0)或(1,1),共2Mbit,这算共256KBYTE,因此需要按字节进行访问时,地址线为18根,但芯片访问需要24位地址,因此有效的18位地址占用24位中的低18位,高6为不用管。
地址范围为00000H到3FFFFH
每页为256个字节,可以按单字节方式写,也可以按页方式写。
2.命令:共有6条命令,其中
06H为写允许命令,
04H为不允许写命令,
05H为读状态寄存器命令,
01h为写状态寄存器命令,
03为读数据命令,
02为写数据命令
3.引脚说明:CS片选信号,低电平有效,SI数据输入,SO数据输出,SCK工作时钟,WP写保护,不用就接高电平,hold 写中断,不用就接高电平。
4.状态寄存器:不考虑写保护的问题,只需要WEL和RDY两位,其中WEL通过写入WREN 命令,置位,表示写允许。
RDY为只读位,为1表示芯片忙,正在处理写任务,为0表示可以写下一个数据。
5.写字节操作:先写入06h,写允许命令,第2步,然后发送写数据命令02h,第3步写入24位地址,第4步写入8位数据;如果再写单字节,重复2—4即可。
6写页数据:假设,已经写允许命令了。
第1步,发送写数据命令02H,写24位地址,连续发送8位的数据,地址自动变化。
7.读数据:写入读允许命令03H,然后发送地址,然后就读回一个字节的数据
8写状态寄存器
9读状态寄存器:发送读状态命令05h,然后读8位数据。
SURE签名验证服务器客户端接口手册(C版)山东确信信息产业股份有限公司2013年11月目录1 引言 (1)1.1概述 (1)1.2相关概念 (1)1.3使用方法 (1)2 接口说明 (3)2.1<客户端连接初始化接口> (3)2.2<客户端连接释放接口> (3)2.3<获取连接信息接口> (4)2.4<获取证书链数量接口> (5)2.5<获取本地证书信息接口> (5)2.6<获取服务端证书信息接口> (8)2.7<生成随机数接口> (9)2.8<数据/文件签名接口> (10)2.9<数据/文件验证签名接口> (12)2.10<数据签名初始化接口> (13)2.11<数据签名更新接口> (16)2.12<数据签名完成接口> (17)2.13<数据验证签名初始化接口> (17)2.14<数据验证签名更新接口> (18)2.15<数据验证签名完成接口> (18)2.16<数据签名句柄释放接口> (19)2.17<数据验证句柄释放接口> (19)2.18<PKCS7签名接口> (19)2.19<PKCS7验证接口> (21)2.20<封装数字信封接口> (22)2.21<解封数字信封接口> (25)2.22<验证证书有效性接口> (26)2.23<对称算法运算接口> (27)2.24<XML签名接口> (29)2.25<XML验证接口> (31)3 错误码定义 (31)1引言1.1概述SURE签名验证服务器客户端接口实现签名验证服务器所有功能的调用。
所有的功能性调用,都需要在初始化客户端连接之后进行,当不再使用服务器的时候,需要调用连接释放连接资源。
mysqlc语言接口中文说明MySQL C API 是 MySQL 数据库的 C 语言接口,它允许开发者在 C 或C++ 程序中直接使用 MySQL 数据库。
以下是一些基本的 MySQL C API 的中文说明:1. 初始化 MySQL 连接`MYSQL mysql_init(MYSQL con)`:使用已有的连接初始化一个新的连接,或如果 con 为 NULL,则初始化一个新的连接并将其返回。
2. 连接到 MySQL 服务器`my_bool mysql_real_connect(MYSQL con, const char host, const char user, const char passwd, const char db, unsigned int port, const char unix_socket, unsigned long clientflag)`:尝试连接到 MySQL 服务器。
3. 关闭 MySQL 连接`void mysql_close(MYSQL con)`:关闭与 MySQL 服务器的连接。
4. 执行 SQL 查询`MYSQL_RES mysql_query(MYSQL con, const char q)`:对 SQL 查询进行执行。
5. 获取结果集`MYSQL_RES mysql_store_result(MYSQL con)`:获取查询结果并存储在结果集中。
`MYSQL_RES mysql_use_result(MYSQL con)`:获取查询结果并立即开始读取。
6. 获取结果集中的数据`unsigned int mysql_num_rows(MYSQL_RES res)`:返回结果集中的行数。
`char mysql_fetch_row(MYSQL_RES res)`:获取结果集中的下一行。
7. 获取字段数据`unsigned int mysql_num_fields(MYSQL_RES res)`:返回结果集中的字段数。
C接口使用说明书1.1 C接口所需控件注册:在运行C接口程序之前,必须先注册数据库组件:MADO.DLL。
注册方法:运行->” regsvr32 MADO文件所在目录\MADO.DLL”->确定例:1.2 C接口---接入为了保证我司SC业务台能够透明的处理异构信息,并且不影响我司已有的SS 功能,对每一个异构的SS(LSC) 在我司SC 侧均建立一个“伪SS 数据库”,其数据库格式和我司SS 数据库完全相同。
通过配置通讯服务器的初始化文件,一个接入代理服务器接入一个异构SS 的能力。
建立接入库:在数据库里建立一个接入库,刷入PSMS439PLUS动环SS的脚本,在数据库中依次刷入PLUS动环SS的脚本:TABLE_439Plus_SS.sql -→ PROCEDURE_439Plus_SS.sql-→ TRIGGER_439Plus_SS.sql在刷完动环脚本后,开始依次刷入C接口接入脚本,顺序为:PSMS_C_439Plus_Table.sql→PSMS_C_439Plus_Procedure.sql→ PSMS_C_439Plus_Trigger.sqlC接口接入脚本刷完后,接入库准备工作结束,当第一次运行C接口程序时,还没有相应的配置文件,设置C接口接入配置:C接口程序主界面:点击设置后选择接入:1)数据源:数据源框要填写伪SS数据库的数据源名称,数据源的建立可以在“控制面板”-〉“管理工具”-〉“数据源(ODBC)”工具中添加,或在 Sybase 的“ODBC Data Source Administrator”中添加。
2}用户:在数据库中建立的用户。
3)口令:在数据库中建立的用户相对应的密码。
4)数据库:填写建立的伪SS的数据库名称。
5)自动校时时间间隔:自动校时时间间隔的设置,较时间隔不宜太短,至少大于300秒,一般在1 ~ 3个小时比较合适。
6)LSC ID: 当前异构系统的端局的ID,注意:ID一定要避免出现冲突,例如:如果我系统端局ID为:1 ~ 20,第一个异构的起始ID至少从21开始,假设第一个异构系统中局站数不超过M个,第二个异构的起始ID至少从(21+M)开始…以此类推,ID号分配可以出现间隔,但一定不能出现重叠。
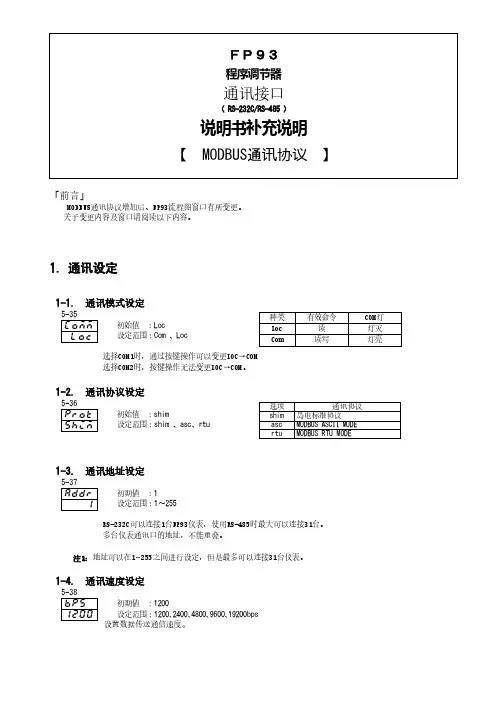
「前言」MODBUS 通讯协议增加后、FP93流程图窗口有所变更。
关于变更内容及窗口请阅读以下内容。
1.通讯设定1-1. 通讯模式设定初始值 :Loc设定范围:Com 、Loc选择COM1时,通过按键操作可以变更LOC →COM 选择COM2时,按键操作无法变更LOC →COM 。
1-2.通讯协议设定初始值 :shim设定范围:shim 、asc 、rtu1-3. 通讯地址设定初期値 :1设定范围:1~255RS-232C 可以连接1台FP93仪表,使用RS-485时最大可以连接31台。
多台仪表通讯口的地址,不能重叠。
注1:地址可以在1~255之间进行设定,但是最多可以连接31台仪表。
1-4. 通讯速度设定初期値 :1200设定范围:1200、2400、4800、9600、19200bps 设置数据传送通信速度。
1-5. 通讯数据格式设定初始值:7E1设定范围:下表8种1-6. 起始字符设定初始值:STX设定范围:STX,ATT本参数仅在使用Shimaden标准通讯协议时有效。
1-7. BCC运算/协议类型设置初始值:1设定范围:1~4通过选择BCC运算类型,同时选择通讯协议。
1-8. 延迟时间设置初始值:20设定范围:1~100设置通讯从接收状态转到传送状态的延迟时间。
延迟时间(msec)=设定值(数值)x0.512(msec)注1:在使用RS-485时,线路转换器因3-态控制会引起一定延迟,在某些情况下会发生信号冲突。
这可以通过增加延迟时间来避免。
在通讯速度比较慢时(1200/2400 bps等等)需特别注意。
注2:从通讯指令接收到传送的真实延迟时间是延迟时间加上软件处理指令的时间。
特别是在写指令时,可能需要40 0毫秒的时间去处理指令。
1-9. 通讯存储方式设置初始值:EEP设定范围:EEP,Ram,r_E写周期是由FP93系列使用的非易失性存储器的(EEPROM)决定的,如果SV数据经常被通讯替换,EEPROM的寿命将被缩短。
USB-C(USB Type-C)脚位说明管脚及信号的定义USB Type-C接口有24个管脚,插座和插头在管脚信号的定义上有一点点的不同,分别如下:A1 A2 A3 A4 A5 A6 A7 A8 A9 A10 A11 A12 GND TX1+ TX1- V BUS CC1D+ D- SBU1V BUS RX2- RX2+ GNDGND RX1+ RX1- V BUS SBU2D- D+ CC2V BUS TX2- TX2+ GNDB12 B11 B10 B9 B8 B7 B6 B5 B4 B3 B2 B1表格1:USB Type-C Receptacle Interface (Front View)A12 A11 A10 A9 A8 A7 A6 A5 A4 A3 A2 A1 GND RX2+ RX2- V BUS SBU1D- D+ CC V BUS TX1- TX1+ GNDGND TX2+ TX2- V BUS V CONN SBU2V BUS RX1- RX1+ GND B1 B2 B3 B4 B5 B6 B7 B8 B9 B10 B11 B12 表格2:USB Full-Featured Type-C Plug Interface (Front View)以上信号按照功能可以分为5类:1)Power有关的信号,包括a)V BUS,USB线缆的bus power(和我们通常意义上V BUS保持一致)。
b)V CONN(只有在插头上才会有该信号),用于向插头供电(由此可以推测出有些插头中可能会有电路)。
c)GND,接地。
2)USB 2.0数据线,D+/D-。
它们在插头端只有一对,和旧的USB 2.0规范一致。
但为了支持正反随意插。
在插座端定义了两组,这样插座端可以根据实际情况进行合适的mapping。
3)USB3.1数据线,TX+/-和RX+/-,用于高速的数据传输。
插头和插座端都有两组,用于支持正反随意插。
typec6pin手册
Type-C 6Pin 的手册可能包含以下内容:
1. 引脚定义:Type-C 6Pin 接口通常包含 VBUS、GND、CC1 和 CC2 这四类引脚。
其中,CC1 和 CC2 引脚用于 USB-PD 协议,用于识别和协商供电设备。
2. 性能特点:Type-C 6Pin 支持 USB 或 USB (即 USB Gen1)标准,以及其他第三方协议,如 HDMI。
3. 使用场景:这种接口通常用于带充电、音频和 USB (包括 USB )通信的设备。
4. 连接方式:母座与公头连接时,接口可以翻转,方便使用。
5. 注意事项:在使用 Type-C 6Pin 接口时,需要注意正反插都可以,但主板的 CC1、CC2 和 SBU1、SBU2 必须连接到一起,否则不能正常工作。
具体的手册内容可能会根据不同品牌和型号的设备有所不同,建议查阅具体设备的 Type-C 6Pin 接口手册或用户手册以获取更详细的信息。
TYPE-C工作原理一、Type-C简介以及历史自1998年以来,USB发布至今,USB已经走过20个年头有余了。
在这20年间,USB-IF组织发布N种接口状态,包括A口、B口、MINI-A、MINI-B、Micro-A、Micro-B等等接口形态,由于各家产品的喜好不同,不同产品使用不同类型的插座,因此悲剧来了,我们也要常备N中不明用途的接口转接线材。
图1 USB协议发布时间节点而对于Type-C来说,看起来USB标准化组织也是意识到统一和标准化问题,在定义标准时,除了硬件接口定义上,还增加了一部分“个性化”特点。
分别是什么呢?1.1 定义了全新的接口形态接口大小跟Micro USB相近,约为8.3mm x 2.5mm,支持正反插,同时也规范了对应的线材,接口定义如下(线材端只有一对USB2.0 DATA):在插座定义上,定义了如下两种插座:a)全功能的Type-C插座,可以用于支持USB2.0、USB3.1、等特性的平台和设备。
b)USB 2.0 Type-C插座,只可以用在支持USB2.0的平台和设备上。
在插头定义上,定义了如下三种插头:a)全功能的Type-C插头,可以用于支持USB2.0、USB3.1、等特性的平台和设备。
b)USB 2.0 Type-C插头,只可以用在支持USB2.0的平台和设备上。
c)USB Type-C Power-Only插头,用在那些只需要供电设备上(如充电器)。
在线缆定义上,定义了如下三种线缆:a)两端都是全功能Type-C插头的全功能Type-C线缆。
b)两端都是USB 2.0 Type-C插头的USB 2.0 Type-C线缆。
c)只有一端是Type-C插头(全功能Type-C插头或者USB 2.0 Type-C插头)的线缆。
还定义了N种为了兼容旧设备的线缆:a)一种线缆,一端是全功能的Type-C插头,另一端是USB 3.1 Type-A插头。
b)一种线缆,一端是USB 2.0 Type-C插头,另一端是USB 2.0 Type-A插头。
Type-C数据线综合测试仪使用说明书YG-620更新日期:2018.08.28开发天地 用心设计主机YG-620【简介】2015年CES大展上,Intel联合USB实施者论坛向公众展示了USB 3.1的威力,具体搭配的接口是USB Type C,能够正反随便插,大小也与micro-USB相差无几。
理论上,USB 3.0 Type C的传输速度能够达到10Gbps。
Type-C是USB接口的一种连接介面,不分正反两面均可插入,大小约为8.3mm×2.5mm,和其他介面一样支持USB标准的充电、数据传输、显示输出等功能。
Type-C由USB Implementers Forum制定,在2014年获得苹果、谷歌、英特尔、微软等厂商支持后开始普及。
随着Type-C接口的普及,对Type-C数据线的需求日益增多,我们适时推出这款专用的测试仪器,用于产品量产检测用,以帮助广大厂商提高生产效率,控制好产品质量。
【功能特点】1、采用32位ARM高速处理器设计。
2、支持带E-Marker芯片的Type-C数据线测试。
3、支持各种版本Type-C转接线的测试:Type-C转Type-C、C转A公2.0/3.0、C转A母2.0/3.0、C转B公2.0/3.0、C转Micro公2.0/3.0、A公转B公2.0/3.0、A公转Micro公2.0/3.0等。
4、支持Ra、Rd(5.1K)、Rp(10K、22K、56K)电阻的测试,双56K,两头56K或5.1K对裁线,一头56K、另一头5.1K线。
5、支持所有E-MARKER芯片读码对比数据,部分品牌识别IC型号。
6、因为Type-C有多条电源线,仪器可以单独检测每一条电源线是否接通,也可以设定部分接通即可通过。
7、可检测线材通断、错线、内阻、漏电阻(绝缘电阻)并根据设定参考值判定是否合格。
8、可检测线材额定电流、电源线滤波电容大小。
9、支持带灯线的点亮测试。
10、LCD显示屏,可以脱离电脑使用。
©版权所有用户手册昱能能量通信器ECU-C请用手机浏览器扫描二维码下载APP1.前言 (3)2.接口说明 (4)接口位置 (4)2.1交流输入端口 (5)2.2直流输入端口 (5)2.3RJ45网口 (5)2.4RJ45信号口(仅限澳大利亚) (5)2.5AP (6)2.6电源 (6)2.7Reset键 (6)2.8天线接口 (6)2.9LED (6)3安装 (7)3.1准备 (7)3.2选择合适位置 (7)3.3电缆连接 (9)3.4RJ45网口连接 (9)3.5网络连接 (9)3.6电流互感器接口 (11)3.7接触器连接 (12)4.基本操作 (13)4.1恢复出厂设置操作 (13)5.昱能云管 (14)5.1通过本地无线连接到ECU-C (14)5.2添加UID (15)5.3历史ID (15)5.4删除UID (16)5.5电网配置 (16)5.6ECU时间配置 (17)5.7电表设置 (17)5.8Modbus设置 (20)5.9ECU-C网络配置 (22)5.10检查ECU-C的状态 (24)5.11组件 (25)5.12数据 (26)5.13逆变器连接进度 (27)5.14自检 (27)5.15ECU热点配置 (28)5.16DIY用户注册 (28)5.17设置 (29)6.能量通信器本地界面 (30)6.1通过本地无线连接到ECU-C (30)6.2主页 (30)6.3实时数据 (32)6.4系统管理 (32)6.5高级设置 (35)7.远程ECU-C管理(EMA) (38)7.1ECU设置/ECU状态页 (39)7.2设置ECU-C时区 (40)7.3管理逆变器ID和更新逆变器ID列表 (40)8.技术参数 (43)昱能能量通信器是逆变器的信息门户,可以有效的与任何昱能逆变器通讯,在系统监测中提供最新的光伏系统设备信息。
昱能能量通信器支持手机APP,允许以最简单、最灵活的方式被用户访问。
Type-C接口定义说明1. 概述Type-C接口是一种全新的通用连接标准,由USB Implementers Forum(USB-IF)制定。
它采用了可逆插拔设计,可以在两个方向上插入,解决了传统USB接口插入方向不统一的问题。
Type-C接口不仅支持传输数据和电源供应,还可以传输音频、视频和其他信号。
它被广泛应用于手机、平板电脑、笔记本电脑、显示器等设备中。
2. 特点2.1 可逆插拔设计Type-C接口采用了与苹果的Lightning接口类似的可逆插拔设计,用户无需再费力去辨别插头的正反面。
这种设计大大提高了用户的使用便利性,并减少了因错误插入造成的损坏。
2.2 支持高速数据传输Type-C接口支持USB 3.1标准,可以实现最高10Gbps的数据传输速度。
相比传统USB接口的5Gbps,速度提升了一倍。
这使得文件传输更加快捷高效。
2.3 支持多种功能除了数据传输外,Type-C接口还支持电源供应、音频输出、视频输出等功能。
通过一个Type-C接口,可以连接外部显示器、音响、充电器等多种设备,实现了一线多用。
2.4 小巧便携Type-C接口相比传统USB接口更加小巧紧凑,可以使设备更轻薄。
这对于移动设备来说尤为重要,用户可以更方便地携带和使用。
2.5 兼容性强Type-C接口与传统的USB-A接口兼容,通过适配器可以实现两者之间的互通。
这意味着用户不需要购买新的设备,只需使用适配器即可享受到Type-C接口带来的好处。
3. 接口规范3.1 物理规范Type-C接口采用24个引脚设计,其中12个用于数据传输和电源供应,另外12个用于信号传输。
引脚分为上行通道(UFP)和下行通道(DFP),上行通道用于连接设备,下行通道用于连接主机。
3.2 电源规范Type-C接口支持最高100W的功率传输。
它可以通过电源适配器向连接设备提供电力,并支持快速充电技术。
此外,它还支持双向供电功能,即连接两台支持Type-C接口的设备时,可以互相为对方充电。
RS-232-C串口、串口线的使用说明串行接口简称串口,也称串行通信接口(通常指COM 接口),是采用串行通信方式的扩展接口。
串口按接口来分类的话,有RS-232、RS-422 和RS- 485 几种,其中RS-232 串口是最常用的一种串行通讯接口,也称标准串口。
其全名是数据终端设备(DTE)和数据通讯设备(DCE)之间串行二进制数据交换接口技术标准。
传统的RS-232-C 接口标准有22 根线,采用标准25 芯D 型插头座(DB25),后来使用简化为9 芯D 型插座(DB9),现在应用中25 芯插头座已很少采用。
好了,串口的简介到此为止了,在此我关注的是串口在软件开发过程的实际应用。
一、RS-232-C DB9 针脚定义针脚简写DTE[公]针脚DCE[母]针脚功能描述(英文)功能描述(中文)信号方向DCD11Data Carrier Detect 载波检测InRXD23Received Data 接收数据DTE DCEDTR44Data Terminal Ready 数据终端准备好DTE -> DCEGND55Signal Ground 信号地GNDDSR66Data Set Ready 数据准备好DTE DCECTS88Clear to Send 清除发送请求DTE DCE■DTE:Data Terminal Equipment(数据终端设备),设备/公,带针脚。
■DCE:Data Communications Equipment(数据通信设备),设备/母,带针孔。
二、公母串口线RS232 DB-9 针公母口延长线(左母右公)RS232 DB-9 针双母口延长线三、直连串口线与交叉串口线的区分1、万用表测试法◆若两头的2 与2 通、3 与3 通,则为直连串口线。
◆若2 与另一头的3 通、3 与另一头的2 通,则为交叉串口线。
使用说明书通用型C 型相机座连接筒(0.5倍)U-TV0.5XC-3 光学显微镜附件U-TV0.5XC-3是带有C-接口的通用型C 型相机座连接筒(0.5倍),能够使用数码成像装置(比如数码照相机)拍摄广视场的图像。
因为本产品采用远心光学系统,有助于降低周边区域光量不足的发生概率。
此外,红外频带的透射性也提高到1000nm 。
1. 系统图(注意事项1)带有2/3英寸以下的C-接口的照相机● 照相机 ● 显微镜数码照相机* 本产品可以安装在UIS2系列三筒镜筒的直形光学镜筒上或IX3系列显微镜的侧面端口上。
注意事项1)照相机上的限制● 不能使用C-接口安装部凹进照相机主体表面的照相机。
● 如果从光轴起的侧面尺寸超过了68 mm ,则照相机可能会妨碍显微镜操作。
● 如果使用具有比指定更大的图像传感器的照相机,在视野周边可能会发生光量不足或部分图像被切掉。
● 如果所用的照相机是高灵敏度或无自动调光功能的,可能会图像曝光过度。
在此情况下,务请降低显微镜照明光量。
注意事项2)废弃本产品时,请务必按照当地政府的法律和规定处理。
U-TV0.5XC-3外形尺寸 直径60mm ×50mm 重量 约270g2. 装配图1图21. 将本产品①安装到C-接口照相机②,并拧紧。
(图1)2. 使用显微镜附随的六角螺丝刀拧松直形光学镜筒的固定螺丝③,然后将相机座连接筒的安装燕尾槽④装入三筒镜筒的直形光学镜筒安装孔⑤。
(图2)★ 为方便齐焦性调节,设置通用型C 型相机座连接筒(0.5倍),使LOCK(锁定)和FOCUS (对焦)螺丝面朝侧面。
3. 拧紧固定螺丝③。
(图2)直形光学镜筒 通用型C 型相机座连接筒(0.5倍) U-TV0.5XC-3 UIS2三筒镜筒*3. 操作图3调节显微镜1.打开显微镜的光源,并调节显微镜的相应部件,准备观察。
2.将UIS三筒镜筒的光路设置到相机光路。
调节照相机和显示器参考照相机和显示器的使用说明书,完成调节,比如色彩调节。
LBZD-A中西文终端机使用说明书宏光青岛电子技术部2003年3月LBZD-A中西文终端机操作说明一、功能介绍LBZD-A型中西文终端机是我部为民航各型自动转报机研制的配套设备。
该终端机完全满足了民航通讯的要求,并充分考虑了民航用户的使用习惯和特点,博采众长,具有技术先进、功能强、界面友善、噪音小、系统稳定可靠等一系列特点。
其主要功能如下:1、通信接口功能LBZD-A型终端机配置两个通讯接口,•这两个通讯接口可以通过命令菜单或硬件方便快捷的设置速率、码制、工作方式和工作状态。
通讯口1(COM1) 可以工作在RS-232和双流(±24V•、4MA)工作状态,原则上通讯口1与自动转报机相连,也可以与具有类似通讯接口的其它设备相连。
通讯口2(COM2)符合RS-232C标准,可以通过通讯口2直接与其它设备的RS-232C 口相连,•也可以通过调制解调器(MODEM) 与电话网相连。
在与电话网相连时,•又有专线和拔号两种方式。
本终端机通过MODEM与电话网相连时,采用LAMP点对点错误控制协议,确保实现数据的无错传输。
两个通讯口的灵活配置使该终端机具有明显的优点:首先,如果因不可预测的原因使转报机的某路端口中断,2那么待发的电报可以通过本终端机的通讯口2拨通电话网实现通信,使通信不中断;其次,在夜间或人手紧张时,可以把电报转到另一个有人值守的终端机上,这样可以节省人力;再次,还可以把电报转发到需要的地方去,供它用或对数据通道进行监视。
•两个通讯口的配置如下:┎RS-232C(三线)┎COM1┃┃┗双流工作方式串行接口┃┃┎RS-232C┗COM2┃┗MODEM方式2、电报编辑功能LBZD-A型终端机具有非常丰富的电报编辑功能。
有自动报头、自动流水号、自动发报时间、自动报尾等功能。
对常用的指令报(测试报、定检报、开启电路、关闭电路、重要一份报,重要多份报等)能自动进行编辑;本终端机还为用户设置了常用电报存储功能,用户可以用“保存”功能进行定义,用“打开”功能进行调用;除此以外,还有两个控制键分别用于形成AFTN报(F11)和S1TA报(F12)的发电地址行;另外还给用户留有24个自定义键,用户可以3用于定义收电地址以及其它内容。
rabbitmq-c接⼝参数说明⽂档关于rabbitmq-c消息队列接⼝参数发布端amqp_new_connection()声明⼀个新的 amqp_connection,简称为 connamqp_tcp_socket_new(conn)创建⼀个 TCP socket:conn 为先前声明的 amqp_conneciton,函数返回值记为 socketamqp_socket_open(socket, hostname, port)打开 TCP socket,获取 socket 值为 status。
其中:socket — 为先前创建的 TCP;hostname — 为rabbitmq server 主机;port — 为其监听端⼝amqp_login(amqp_connection_state_t state, char const vhost, int channel_max, int frame_max, int heartbeat, int sasl_method, …)⽤于登录rabbitmq sever,主要⽤于进⾏权限管理:state — 如前⽂ conn(amqp_connection);vhost — 虚拟主机;chnnel_max — 最⼤连接数;frame_max — 和客户端通信时允许的最⼤帧数, 默认值131072(↑提⾼吞吐,↓降低时延);heartbeat — ⼼跳帧,两次⼼跳间的秒数,heartbeat超时值定义了RabbitMQ及其client库在多久之后认为TCP连接不可到达。
默认为0;sasl_method — SSL认证;amqp_channel_open(amqp_connection_state_t state, amqp_channel_t channel)⽤于关联 conn 和 channel:state — conn(amqp_connection);channel — 进⾏RPC的通道;amqp_basic_publish( amqp_connection_state_t state, amqp_channel_t channel, amqp_bytes_t exchange,amqp_bytes_t routing_key, amqp_boolean_t mandatory, amqp_boolean_t immediate, structamqp_basic_properties_t_ const properties, amqp_bytes_t body)发布消息到代理(通过 routing key 发布消息到 exchange 上):state — conn;channel — 通道标识符;exchange — 代理上被发布消息的 exchange;routing_key — 发布消息时需要使⽤的路由密匙;mandatory — 此标志指⽰服务器如果⽆法将消息路由到队列,该如何反应。