位置控制与自动往返控制线路实训教(学)案
- 格式:doc
- 大小:114.00 KB
- 文档页数:11
实验四位置控制和自动往返控制线路一、组织教学:1、提前10分钟进入课室绘制电路图,准备好演示所用的安装板、导线、仪表、电工工具等。
2、〔课前安全纪律教育〕(5分钟)(1)清点学生出勤情况填写考勤记录,巡查学生工作服、鞋等是否符合安全要求。
(2)强调课堂纪律,安装时佩带好电工工具。
(3)不允许用电工工具开玩笑。
(4)通电时电工工具要放好,手不允许乱指。
(5)通电完毕后,检查所有开关断开后方可离开。
3、宣布今天的实习内容:位置控制和自动往返控制线路4、工时:安装接线4小时,检修1小时。
5、需选用工具:“一”字起选规格150、50mm,“十”字选6~8mm。
万用表选500型,使用时注意选择档次。
二、教学回顾(5分钟)上课题学过的按钮、接触器双重联锁正反转控制的内容,对实习操作的具体情况进行总结,表扬或鼓励做得较好的,讲出好在什么地方,并指出上课题问题, 应如何改进。
检查学生实习进度,是否按文明生产要求清扫现场地。
三、入门指导[导入新课题](10分钟)1、结合上课题讲解新课题位置控制和自动往返控制。
2、在生产过程中,常遇到一些生产机械运动部件的行程要受到限制,如行车升降机等就经常有这样的控制要求。
那么实现这种控制要求所依靠的主要电器就是位置开关。
这种控制线路就是位置控制线路。
3、用行程开关进行自动往返控制有些生产机械,如万能铣床等要求工作台在一定距离内能自动往返,以便对工件连续加工四、目的要求:使学生了解、掌握位置控制和自动往返控制控制线路的工作原理、安装步骤及接线方法。
五、重点难点:1、掌握识图、绘图、安装接线工艺2、位置控制和自动往返控制过程和原理3、检修第一部分位置控制一、用提问法:(10分钟)1、什么是位置开关?它的结构由几部分组成?它的用途是什么?2、车间里的行车,每当走到轨道尽头时,都象长了眼睛一样能自动停下来,而不会朝墙撞上去。
这是为什么?二、电路特点:(10分钟)位置控制电路图如下(图一),工厂车间里的行车升降机常采用这种线路,右下角是行车运动示意图,行车的两头终点处各安装了一个位置开关SQ1和SQ2,将这两个位置开关的常闭触头分别串接在正转控制电路和反转控制电路中。
中等专业学校2023-2024-1教案
环节
教学内容在生产实际中, 有些生产机械(如磨床) 的工作台要求在一定行程内自动往返运动,以便实现对工件的连续加工, 提高生产效率。
这就需要电气控制线路能控制电动机实现自动换接正反转。
(1)合上电源开关QS
(2)按下SB2,KM1线圈得电
KM1动合辅助触头闭合,对KM1自锁
动合主触头闭合
电机正转
KM1动断触头断开
对KM2联锁
(3)挡铁碰SQ1,
SQ1动断触头断开
KM1线圈失电
KM1动合主触头断开,电机停转
KM1动合触头断开
解除对KM1自锁
KM1动断触头闭合
解除对KM2联锁
环节
教学内容(9)按下SB1,
各开关复位
电机停转
【布置作业】课后习题。
画原理图,分析工作原理。
板
书
设
计
教后札记。
教案2015 ~2016学年度上学期课程名称:《电力拖动控制线路》授课教师:xxx课程所属系(部):机电工程系《位置控制与自动往返控制线路》课程教案如图1所示行车运行示意图,如何用电动机拖动行车向前和向后运行?利用接触器联锁正反转控制线路来拖动行车的向前和向后运动,电路图如下图2所示::提出问题:如果操作者失误,在行车运行到两端的极限位置时未能及时按下停止按钮,会出现什么结果?如何避免出现这一现象?【讲授新课】位置开关:定义:将机械信号转换为电气信号以控制运动部件位置或行程的控制电器。
位置控制就是利用生产机械运动部件上的挡铁与行程位置开关碰撞,使其触头动作来接通或断开电路,以实现对生产机械运动部件的位置或行程的一种方法称为位置控制,又称为行程控制或限位控制图位置开关在行车的两端终点处各安装一个行程开关SQ1和SQ2,行车前后各装有挡铁1和挡铁2指出利用行程开关,可以使行车在到达两端极限位置时自动停下来。
想一想:请同学们在接触器联锁正反转控制线路基础之上动手绘制可以对生产机械的运动部件实现位置控制的电路图。
提示:行程开关SQ1和SQ2的常闭触头应分别接入到接触器联锁正反转控制线路的哪部分?图位置控制线路线路的工作原理:先合上电源开关QS.1.行车向前运动:此时,如果按下SB1,由于SQ1常闭触头已分断,接触器KM1线圈也不会得电,保证了行车不会超过SQ1所在的位置。
2.行车向后运动:停车时只需按下SB3即可。
小组互评:让学生观看和点评他人作品。
教师点评:对存在的共性问题专门强调。
对各组任务的完成情况进行总体评价。
【导入新课】 提出问题:1、若想提高生产效率,实现对工件的连续加工,需要行车在一定行程内能自动往复运动,那么如何满足要求?2、当行车上的挡铁撞击行程开关使其停止向前运行后,这时再按下启动按钮SB1,行车会不会继续前行?为什么?))图自动往返行程控制线路线路的工作原理如下:先合上电源开关QS,停止时,按下SB3 整个控制电路失电 KM1(或KM2)枯藤老树昏鸦,小桥流水人家,古道西风瘦马。
位置控制与自动往返控制线路实训教案一、实训目的1. 理解位置控制和自动往返控制的工作原理。
2. 学会使用相关元器件进行位置控制与自动往返控制线路的搭建与调试。
3. 培养学生的动手能力、观察能力和问题解决能力。
二、实训原理1. 位置控制:通过位置传感器(如限位开关、编码器等)检测设备或物料的位置,根据预设的位置信号,控制执行元件(如电机、气缸等)的动作,以实现对位置的精确控制。
2. 自动往返控制:利用控制电路和定时器等元器件,实现执行元件在两个指定位置之间的自动往复运动。
三、实训内容1. 学习并理解位置控制与自动往返控制的基本原理。
2. 学习使用限位开关、编码器等位置传感器。
3. 学习使用电机、气缸等执行元件。
4. 学习使用定时器、控制电路等元器件进行自动往返控制。
5. 完成位置控制与自动往返控制线路的搭建与调试。
四、实训步骤1. 学习并理解实训原理,明确实训目标。
2. 学习并掌握相关元器件的功能和接线方法。
3. 根据实训要求,设计并搭建位置控制与自动往返控制线路。
4. 进行线路调试,观察并分析现象,调整参数,直至达到预期效果。
五、实训要求1. 了解并掌握位置控制与自动往返控制的基本原理。
2. 能够正确使用限位开关、编码器等位置传感器。
3. 能够正确使用电机、气缸等执行元件。
4. 能够正确使用定时器、控制电路等元器件进行自动往返控制。
5. 能够独立完成线路的搭建与调试,解决问题。
六、实训安全注意事项1. 确保实训环境安全,穿戴好个人防护装备。
2. 在操作电气设备时,确保断开电源,防止触电。
3. 使用工具时,要小心谨慎,防止受伤。
4. 实训过程中,不得擅自离开工作岗位,确保实训设备的安全运行。
5. 如遇到问题,及时报告教师,不得擅自解决。
七、实训评价1. 评价学生对位置控制与自动往返控制原理的理解程度。
2. 评价学生对相关元器件的功能和接线方法的掌握程度。
3. 评价学生对线路搭建与调试的能力。
4. 评价学生的安全意识和团队协作能力。
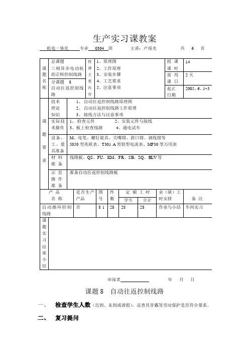
生产实习课教案机电一体化专业0304 班主讲:卢瑶光共 6 页审阅者年月日课题8 自动往返控制线路一、检查学生人数(迟到、未到或请假),巡查其穿戴等劳动保护是否符合要求。
二、复习提问1、按钮、接触器双重联锁正反转控制线路的原理图2、按钮、接触器双重联锁正反转控制线路工作原理有些生产机械,要求工作台在一定的行程内能自动往返运动,以便实现对工件的连续加工,提高生产效率。
这就需要电气控制线路能对电动机实现自动转换正反转控制。
三、讲授新课(入门指导)——自动往返控制线路重点难点:1、自动往返控制线路原理图75898-1 自动循环控制线路2、工作原理:首先合上电源开关QSKM1联锁触头分断对KM2联锁按下SB2 KM1主触头闭合KM1电动机M正转工作台左移至限定位置挡铁1碰撞SQ1停止正转KM2线圈得电KM2 联锁触头分断对KM1联锁KM2KM2电动机M反转工作台右移(SQ1复位)至限定位置挡铁2碰SQ2常闭先断开KM1联锁触头分断对KM2联锁KM1KM1KM1电动机M又正转工作台又左移(SQ2复位)……以后重复上述过程,工作台就在限定的行程内自动往返运动。
停止时,按下SB1 整个控制电路失电KM1(KM2)主触头分断电动机M失电停转工作台停止运动。
四、技能训练1、目的要求——掌握自动循环控制线路的安装和检修。
2、工具、仪表及器材⑴工具电笔、螺钉旋具、尖嘴钳、斜口钳、剥线钳、等⑵仪表5050型兆欧表、T301-A型钳形电流表、MF30型万用表⑶器材①控制板一块(500mm×400mm×20mm)②导线规格:主电路用BV1.5mm2和BVR1.5mm2(黑色)控制电路用BV1mm2(红色)接地线用BVR1.5mm2(黄绿色)按扭线用BVR0.75mm2(红色)3、安装步骤⑴识读电路图,明确元件及其作用,熟悉线路工作原理。
⑵配齐元件并检查。
⑶安装元件,并贴文字符号⑷布线,套编码管。
⑸检查布线的正确性。
位置控制与自动往返控制线路实训教案一、实训教材:位置控制与自动往返控制线路实训教材。
二、实训内容:1.理论知识讲解:a.位置控制的基本概念和原理;b.自动往返控制的基本概念和原理;c.位置控制和自动往返控制的应用领域。
2.实训设备准备:a.位置控制系统实验组件;b.自动往返控制系统实验组件;c.控制器和传感器。
3.实训步骤:a.熟悉实验设备组件的功能和操作方法;b.连接实验设备和控制器;c.完成位置控制实验,包括控制电机的运动并将其停止到预定位置;d.完成自动往返控制实验,包括控制电机自动进行往返运动;e.分析实验结果并记录。
4.实训总结:a.回顾实验步骤和操作过程;b.总结位置控制和自动往返控制的关键技术和注意事项;c.探讨实验结果和可能存在的问题;d.提出改进方案。
三、实训考核方式:1.实验操作能力考核:根据实训步骤和操作要求进行考核,包括对实验设备的正确连接和操作、对控制器和传感器的使用。
2.实验效果评估:根据实验结果和分析提供的写实评估,包括位置控制和自动往返控制的准确度和稳定性。
3.实训报告撰写:根据实训内容和要求撰写实训报告,包括实验目的、实验步骤、实验结果和分析等。
四、实训要求:1.理论知识掌握:了解位置控制和自动往返控制的基本概念和原理,以及其应用领域。
2.实验操作技能掌握:熟悉实验设备的组件和操作方法,能够正确连接和操作实验设备、控制器和传感器。
3.分析和解决问题能力:能够分析实验结果和可能存在的问题,并提出改进方案。
4.实训报告撰写能力:能够按照实训要求撰写实训报告,表述清晰、准确。
五、实训教材参考:1.《电气自动化与PLC技术实践指导》六、实训总结:通过本次实训,学习者将了解到位置控制和自动往返控制的基本概念和原理,并通过实验操作掌握其具体应用方法。
同时,通过分析实验结果和解决问题的能力提升,学习者将在实训中不断进步。
实训结束后,学习者将撰写实训报告,对本次实训进行总结和归纳,以便进一步深入理解该知识点和应用。
湖南省技工学校实习教学教案FU1 熔断器RL1-60/25 10A、配熔体25A 3 FU2 熔断器RL1-15/2 15A、配熔体2A 2 KM1KM2接触器CJ10-20 20A、线圈电压380V 2 FR 热继电器JR16-20/3 三极、20A、整定电流8.8A 1 SQ1~SQ4 位置开关JLXK1-111 单轮旋转式 4 SB1~SB3 按钮LA10-3H 保护式、按钮数3 1 XT 端子板JD0-1020 380V、10A、20节 1主电路导线BVR-1.5 1.5mm2(7*0.52mm) 若干控制电路导线BVR-1.0 1 mm2 (7*0.43mm) 若干按钮线BVR-0.75 0.75 mm2若干接地线BVR-1.5 1.5 mm2若干控制板500mm*400mm*20mm 1¸ …三.自动循环控制线路1. 自动循环控制线路,如图10—1所示图10—1 工作台自动往返行程控制线路2..线路工作原理先合上QS.→电动机M正转→工作台左移→至限定位置挡铁1碰SQ1→→工作台右移(SQ1触头复位)→至限定位置挡铁2碰SQ2→→→工作台又左移(SQ2触头复位)→→······以后重复上述过程,工作台就在限定的行程内自动往返运动停止时,按下SB3→→整个控制电路失电→→KM1(或KM2)主触头分断→→电动机M失电停转→→工作台停止运动。
这里SB1、SB2分别作为正转启动按钮和反转启动按钮,若启动时工作台在左边,则应按下SB2进行启动。
四、安装训练1.安装步骤及工艺要求(1).按表10-1配齐所用电器元件,并检验元件质量。
(2).在控制板上按图安装电器元件,并贴上醒目的文字符合,安装布线时应做到横平竖直、排列整齐匀称,安装牢固和便于走线等。
(3).按电路图十进行配线,并在导线端部套编码套管和冷压接线头。
配线的工艺要求是:1)所有导线面积在等于或大于0.5mm2时,采用软线。
位置控制与自动往返控制线路实训教案第一章:位置控制原理概述1.1 学习目标:了解位置控制的基本原理,掌握位置控制系统的组成及工作原理。
1.2 教学内容:1.2.1 位置控制的概念1.2.2 位置控制系统的组成1.2.3 位置控制系统的分类1.2.4 位置控制技术在工业中的应用1.3 实训项目:认识位置控制元件(如限位开关、编码器等)第二章:自动往返控制原理2.1 学习目标:了解自动往返控制的基本原理,掌握自动往返控制系统的组成及工作原理。
2.2 教学内容:2.2.1 自动往返控制的概念2.2.2 自动往返控制系统的组成2.2.3 自动往返控制系统的分类2.2.4 自动往返控制技术在工业中的应用2.3 实训项目:搭建一个简单的自动往返控制线路第三章:位置控制与自动往返控制线路的设计3.1 学习目标:掌握位置控制与自动往返控制线路的设计方法,能够独立设计并搭建相应的控制系统。
3.2 教学内容:3.2.1 位置控制与自动往返控制线路的设计原则3.2.2 位置控制与自动往返控制线路的设计步骤3.2.3 常见位置控制与自动往返控制线路的案例分析3.3 实训项目:设计并搭建一个具有位置控制和自动往返功能的控制线路第四章:位置控制与自动往返控制线路的调试与维护4.1 学习目标:掌握位置控制与自动往返控制线路的调试方法,了解其维护保养知识。
4.2 教学内容:4.2.1 位置控制与自动往返控制线路的调试方法4.2.2 位置控制与自动往返控制线路的维护保养知识4.3 实训项目:对设计搭建的控制线路进行调试,并对其进行维护保养第五章:位置控制与自动往返控制线路的应用案例分析5.1 学习目标:了解位置控制与自动往返控制线路在实际工程中的应用,掌握其设计要点。
5.2 教学内容:5.2.1 位置控制与自动往返控制线路在实际工程中的应用案例5.2.2 案例分析方法及技巧5.3 实训项目:第六章:传感器在位置控制与自动往返控制中的应用6.1 学习目标:理解传感器在位置控制与自动往返控制系统中的重要性,熟悉不同类型的传感器及其应用。
[复习旧课]:提问1:用接触器联锁的正反转控制线路图(图1),并指定学生讲述其工作原理。
针对在讲述中出现的问题,进行分析纠正,使学生进一步理解正反转控制线路的工作原理。
图1 接触器联锁的正反转控制线路提问2:什么是位置开关?它的用途是什么?[导入新课]:车间里的行车,每当走到轨道尽头时,都象长了眼睛一样能自动停下来,而不会朝着墙撞上去。
这是为什么呢?在生产过程中,常遇到一些生产机械运动部件的行程要受到限制,如行车等就经常有这样的控制要求。
那么实现这种控制要求所依靠的主要电器就是位置开关。
这种控制线路就是位置控制线路。
[讲授新课]:位置控制线路与自动往返控制线路一、位置控制(又称行程控制或限位控制)的概念位置开关:是一种将机械信号转换成电气信号,以控制运动部件位置或行程的自动控制电器。
符号:SQ位置控制:就是利用生产机械运动部件上的挡铁与位置开关碰撞,使其触头动作来接通或断开电路,达到控制生产机械运动部件的位置或行程的自动控二、位置控制线路工作原理行车的控制线路就是一个典型的位置控制线路。
行车向前、向后运行,是由电动机正转和反转驱动的,其控制线路的主体就是正反转控制线路。
接触器联锁的正反转控制工作原理就是行车向前、向后的控制原理。
演示1:用正反转模拟线路板和三相异步电动机,演示电动机的正反转控制过程。
1)按下正向起动按钮,电动机正向运转。
2)按下停止按钮,电动机停转。
3)按下反向起动按钮,电动机反向运转。
4)按下停止按钮,电动机停转。
提问3:为了防止由于操纵者失误(未及时按停止按钮),使行车超越两端的极限位置将发生什么现象?利用什么装置,使行车在到达两端的极限位置时自动停下来呢?总结出改进方法:在行车的两头终点处,各安装一个位置开关SQ1和SQ2,将它们的常闭触头分别串接在正转控制电路和反转控制电路中。
行车前后装有挡铁1、挡铁2,行车的行程位置可通过移动位置开关的安装位置来调节。
〈一〉位置控制线路组成:电动机正反转控制线路,位置开关。
位置控制与自动往返控制线路2012年全市技工教育和职业培训参评教案参评组别:B专业分类:电工电子课程名称:电力拖动位置控制与自动往返控制线路教案首页授课班级:2010级机电3班学科电工电子课型新授课课时4课时课题《位置控制与自动往返控制线路》教材全国中等职业学校电工类通用教材,中国劳动社会保障出版社出版《电力拖动控制线路与技能训练》(第四版)教学目标知识目标1、掌握位置控制线路和自动往返控制线路的构成和工作原理2、掌握限位保护和终端超程保护的功能能力目标通过接位置控制和自动往返控制线路,逐步培养学生自主学习能力和创新设计能力,观察分析能力和交流协作能力。
技能目标通过理实一体化课堂学习,使学生在具备必要知识的基础上获得较强的动手实践能力。
情感目标通过创设情境,实物演示,激发学生的好奇心和求知欲;通过自主完成电路的接线,增强学生的自信心和成就感; 通过项目教学,培养学生互助合作的团队精神。
教学重点自动往返控制线路的工作原理。
教学难点自动往返控制线路安装、调试和维修。
教法项目教学法、研究性学习、创设情境法、启发引导法、评估总结法学法问题引导法、分段调试法、实践导向法、直观分析法教学准备1、分组 2、准备学案附页教学环节教师活动学生活动设计意图(一)项目认识创设情境提问:在车间的行车,每当走到轨道尽头时,都象长了眼睛一样能自动停下来,而不会朝着墙撞上去,这是为什么?一、位置控制线路说明行车要向前和向后两个相反方向的运动。
提问:如何用电机拖动行车向前向后运行呢?结论:接触器联锁的正反转控制工作原理就是行车向前、向后的控制原理。
提问:如果操作者失误,在行车运行到两端的极限位置时未能及时按下停止按钮,会出现什么现象?如何去避免出现这一现象?学生看两个视频学生观察行车的运动状态观看视频,引导学生复习旧知。
激发学习热情,为进入课堂做基础。
引出复习内容:正反转控制线路、位置开关。
重温知识点:1行程开关的电气符号2动作特性学生会想到“脱轨”现象的发生。
论《位置控制与自动往返控制线路》教学设计1 课题说明《位置控制与自动往返控制线路》是劳动版《电力拖动控制线路与技能训练》第四版教材中第二单元课题三的内容。
这个课题可在正反转控制线路基础上引申出来,而且其应用也很广泛,所以只要学好接触器连锁正反转控制线路,学习本节将不会感到困难。
1.1 教学目标根据教学大纲对知识传授、能力培养、思想教育三者的统一要求,加上本人对教材的分析和对技校学生的了解,我将本节课的教学目标定为三大方面。
(1)知识目标:理解行程开关的用途;了解位置控制与自动往返控制线路的电路特点;掌握位置控制与自动往返控制线路的控制原理。
(2)能力目标:进一步学习综合分析控制原理的方法和步骤。
(3)思想目标:培养学生严谨认真的职业工作态度。
增强学生用辩证唯物主义观点来发现问题、认识问题、解决问题。
1.2 重点和难点(1)重点:行程开关在位置控制与自动往返控制线路中的作用;掌握位置控制与自动往返控制线路的控制原理。
(2)难点:自动往返控制线路电路特点及工作原理分析方法。
1.3 课题处理我在处理这个课题时本着这样的指导思想:一是注意思路清晰,使教材知识系统化;二是符合普遍认知规律,方便学生记忆。
由于本节课的重点和难点是行程开关的作用及位置控制与自动往返控制线路的工作原理,我们将在接触器连锁正反转控制线路的基础上来发现和分析位置控制线路,再从位置控制线路导引和分析出自动往返控制线路,采用发现问题、提出问题、分析问题、解决问题等四步走的方法来处理电路,这样有利于学生循序渐进的接受新知识,变“难点”为“趣点”,变无序为有序,使学生感到难点不难,重点突出。
2 教学方法设计第一,以激发学生学习动机为目的,充分运用现代化的教学手段,以视频的形式创设情景,并采取提问、讨论等多种形式,激发学生的学习兴趣,调动学生的非智力因素。
第二,在电动机正反转线路的基础上采用探究式教学的方法进行学习,将以往的读图发展成为识图、绘图、填图和说图,进而形成“启、绘、议、说”的四字教学模式。
《位置控制与自动往返控制线路》教学设计发表时间:2020-06-23T12:00:28.003Z 来源:《基础教育参考》2020年6月作者:代画画赵坤[导读] 自动装配线用于大部分流水线设备的制造过程中,广泛应用于五金、汽车制造、电动车生产、机械制造等行业。
位置控制在自动装配线的运行过程中得到了广泛应用,对一些生产机械运动部件的位置或行程进行终端限位控制。
代画画赵坤乳山市职业中等专业学校电工一组【摘要】自动装配线用于大部分流水线设备的制造过程中,广泛应用于五金、汽车制造、电动车生产、机械制造等行业。
位置控制在自动装配线的运行过程中得到了广泛应用,对一些生产机械运动部件的位置或行程进行终端限位控制。
【关键字】位置控制、自动往返、教学设计、任务驱动、教师活动、学生活动中图分类号:G652.2 文献标识码:A 文章编号:ISSN1672-1128 (2020)06-151-01下面,我将以《电力拖动控制线路与技能训练》课程中的《位置控制与自动往返控制线路》课题为例,从教学分析,教学设计,教学过程,教学反思四个方面进行阐述教学设计。
一、教学分析:(1)教学内容:本课题选自《电力拖动控制线路与技能训练》,参考了中职类十二五规划教材,依据人才培养方案,立足本地区对电工人才的需求,结合学校现有设备优势,将教学内容确定为电动机的基本控制线路及其安装、调试与维修,共十三个课题,本次设计选自课题三,共需2个学时。
(2)教学对象:我面对的是电工专业二年级的学生,正值青春期的他们,信息的来源非常广泛,对手机,电脑,网络充满好奇和热情。
而传统的教学方法学习内容封闭,资源相对匮乏,过于抽象枯燥,对中职学生早已过时。
因此,本节课将学生熟悉和喜欢的信息化教学方式融入其中,让学生在快乐中学习,以达到最好的教学效果。
(3)教学目标:根据教学内容和学生已有的知识与能力,确定了如下教学目标。
并始终把培养学生善于思考和分析问题的能力,以及团队合作精神等职业基本素养贯穿于整个教学过程。
《位置控制和自动往返控制电路》课程教案接触器联锁的正反转控制电路工作原理?电梯门的开关,电梯的上升和下降,铣床工作台的左右运行,每当走到轨道尽头时,都像长了眼睛一样能自动停下来。
这是为什么呢?一、位置控制电路1.思考:如何用电机拖动工作台向左向右运行呢?结论:接触器联锁的正反转控制工作原理就是工作台向左、向右的控制原理。
2.思考:如果操作者失误,在工作台运行到两端的极限位置时未能及时按下停止按钮,会出现什么现象?如何去避免出现这一现象?(1)位置控制:就是利用生产机械运动部件上的挡铁与行程开关碰撞,使其触头动作来接通或断开电路,达到控制生产机械运动部件的位置或行程的自动控制。
(2)行程开关:是一种将机械信号转换成电气信号,以控制运动部件位置或行程的自动控制电器。
电气符号:(3)提示:如何在接触器联锁正反转控制线路的基础上进行改进,利用行程开关对生产机械的运动部件实现位置控制?(4)结论:在工作台的两端终点处,各安装一个行程开关SQ3和SQ4,将它们的常闭触头分别串接在正转控制电路和反转控制电路中。
二、自动往返控制电路1.问题:若想提高生产效率,实现对工件的连续加工,需要工作台在一定行程内能自动往返运动,即要求工作台到达指定位置时,不但要求工作台停止原方向运动,而且还要求它自动改变方向,向相反的方向运动。
那么如何满足要求?(1)提示:控制工作台在指定位置停车,用行程开关的常闭触头可以实现,再反向起动又该如何控制呢?引导:“行程开关除了常闭触头还有有常开触头”“常开触头应如何接入向左接触器KM2的线圈回路?串联还是并联”“并联于何处”等。
(2)结论:将行程开关SQ1和SQ2的常闭触头串入相对应的接触器线圈回路中,将常开触头并联在相反方向的启动按钮两端。
三、位置控制和自动往返控制电路1.电气原理图2.元件作用(1)SQ1和SQ2元件作用:用来自动切换电动机正反转控制电路,实现工作台的自动往返行程学生思考、动手绘制电路图学生思考问题并尝试画原理图积极参与,培养学生思考、归纳总结的能力控制。
湖南省技工学校实习教学教案
FU1 熔断器RL1-60/25 10A、配熔体25A 3 FU2 熔断器RL1-15/2 15A、配熔体2A 2 KM1
KM2
接触器CJ10-20 20A、线圈电压380V 2 FR 热继电器JR16-20/3 三极、20A、整定电流8.8A 1 SQ1~SQ4 位置开关JLXK1-111 单轮旋转式 4 SB1~SB3 按钮LA10-3H 保护式、按钮数3 1 XT 端子板JD0-1020 380V、10A、20节 1
主电路导线BVR-1.5 1.5mm2(7*0.52mm) 若
干
控制电路导线BVR-1.0 1 mm2 (7*0.43mm) 若
干
按钮线BVR-0.75 0.75 mm2若
干接地线BVR-1.5 1.5 mm2若
干控制板500mm*400mm*20mm 1
¸ …
三.自动循环控制线路
1. 自动循环控制线路,如图10—1所示
图10—1 工作台自动往返行程控制线路
2..线路工作原理
先合上QS.
→电动机M正转→工作台左移→至限定位置挡铁1碰SQ1→
→工作台右移(SQ1触头复位)→至限定位置挡铁2碰SQ2→
→→工作台又左移(SQ2触头复位)→→······以后重复上述过程,工作台就在限定的行程内自动往返运动
停止时,按下SB3→→整个控制电路失电→→KM1(或KM2)主触头分断→→电动机M失电停转→→工作台停止运动。
这里SB1、SB2分别作为正转启动按钮和反转启动按钮,若启动时工作台在左边,则应按下SB2进行启动。
四、安装训练
1.安装步骤及工艺要求
(1).按表10-1配齐所用电器元件,并检验元件质量。
(2).在控制板上按图安装电器元件,并贴上醒目的文字符合,安装布线时应做到横平竖直、排列整齐匀称,安装牢固和便于走线等。
(3).按电路图十进行配线,并在导线端部套编码套管和冷压接线头。
配线的工艺要求是:
1)所有导线面积在等于或大于0.5mm2时,采用软线。
最小截面积在控制箱外为1mm2,在控制箱内为0.75 mm2。