地铁施工危险源辨识及处理措施(全)
- 格式:doc
- 大小:244.50 KB
- 文档页数:17
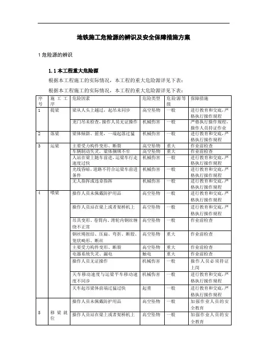
地铁施工危险源的辨识及安全保障措施方案1危险源的辨识1.1本工程重大危险源根据本工程施工的实际情况,本工程的重大危险源详见下表:根据本工程施工的实际情况,本工程的重大危险源详见下表:2主要机械设备安全操作规程2.1提梁机安全操作规程⑴驾驶人员应经过体检合格,受过安全教育和起重机专门培训,经有关部门考试合格,持有特殊工种操作证后,方可进行操作。
⑵起重机工作时,禁止任何人停留起重机上和小车上。
⑶在主开关接电以前,司机必须将所有控制器手柄置于0位,关好司机室门。
起重机起升重物或放下吊具总成时,司机不得离开。
⑷起重机在每次运转时,必须先发出警告信号,作业人员听到警告后迅速撤离危险区域。
⑸起重机每次操作前都要检查操作系统是否灵活可靠;制动器是否可靠;固定钢丝绳的装置是否松动;吊具、滑轮、卷筒有无故障。
⑹门式提梁机吊梁作业时用遥控器统一控制,确保各机构运行同步;吊梁运行时,箱梁必须高于运行线路上最高障碍的0.5m以上;空车运行时吊具总成必须升起超过一个人的高度;严禁吊运重物从人头上越过。
⑺操作手柄时用力应恰当,严禁施重力或敲打,以免造成不必要的损坏;⑻起重机检修时必须切断总电源,等到所有变频器上的电源指示灯完全熄灭后,才能对电气控制系统进行检修。
⑼禁止利用限位开关作为正常操作下的停电,限位开关只是在操作设备意外不良或司机操作疏忽时让它起作用。
⑽当风力大于六级时,应停止作业;起重机不工作时,必须用夹轨器将起重机可靠固定;作业前将夹轨器全部打开。
⑾工作完毕后,吊具应上升到上极限位置,使控制器处在0位,并断开总电源。
⑿下班前做好清扫检查工作,做好交接记录,并将操作中出现的问题报告接班司机和有关部门。
2.2运梁车安全操作规程1、运梁车运梁作业运梁车在制梁场提梁设备配合下装好预制梁后要缓慢启动,逐渐加速,从制梁场通过运梁通道、路基及已架桥梁将待架梁运送至架桥机尾部换装位置。
运梁车运梁最高速度控制在5km/h,平均速度控制在3km/h。
地铁施工危险源辨识及安全保障措施方案一、危险源辨识1.地下管线。
施工过程中,地下管线是最大的危险源之一。
我们要对施工区域内的管线进行详细调查,了解管线分布、走向、埋深等信息,确保施工过程中不损坏管线。
2.地下空洞。
地铁施工过程中,可能会遇到地下空洞,如溶洞、废弃矿井等。
这些空洞可能导致地面塌陷,威胁施工安全。
我们要采用地质雷达、声波探测等技术,提前发现并处理地下空洞。
3.土体位移。
地铁施工过程中,土体位移是难以避免的。
我们要对施工区域周边的建筑物、道路等进行监测,及时发现异常情况,采取措施防止土体位移造成安全事故。
4.施工设备。
地铁施工过程中,各类设备的使用也是危险源之一。
我们要对设备进行定期检查、维修,确保设备处于良好状态,降低事故风险。
5.人员伤亡。
施工过程中,人员伤亡是最严重的危险源。
我们要加强安全教育,提高施工人员的安全意识,严格遵循操作规程,降低人员伤亡风险。
二、安全保障措施1.建立健全安全管理体系。
我们要制定完善的安全管理制度,明确责任分工,确保安全管理体系的正常运行。
2.加强安全培训。
对施工人员进行安全培训,提高他们的安全意识和操作技能,使他们能够应对各种突发情况。
3.采用先进技术。
利用地质雷达、声波探测等先进技术,提前发现潜在危险源,采取措施进行防范。
4.施工现场监控。
在施工现场安装摄像头,对施工过程进行实时监控,发现问题及时处理。
5.设置安全警示标志。
在施工现场设置醒目的安全警示标志,提醒施工人员注意安全。
6.定期检查设备。
对施工设备进行定期检查、维修,确保设备处于良好状态。
7.制定应急预案。
针对可能发生的危险源,制定相应的应急预案,确保在突发事件发生时能够迅速应对。
8.加强沟通协调。
与施工各方保持密切沟通,协调解决问题,确保施工顺利进行。
9.严格执行法律法规。
遵循国家法律法规,确保施工过程中的安全与合规。
10.建立激励机制。
对表现突出的施工人员给予奖励,激发他们的安全意识和工作积极性。
地铁站施工危险源辨识及控制措施1.1危险源辨识对本工程影响范围内的建(构)筑物及管线进行详细调查的前提下,结合本工程的地理位置、工程地质、水文等特点,按照住建部(建质【2009】87号文)《危险性较大的分部分项工程安全管理办法》与x地铁公司(成地铁建【2016】100号文)《x地铁建设工程重大危险源安全管理办法》的要求,识别出深基坑施工时存在的主要危险源有:(1)深基坑工程;(2)降水井工程;(3)4号线暗挖区间;(4)4号线既有换乘节点;(5)既有4号线1#出入口(6)周边建构(筑)物;(7)周边管线;(8)一环路(9)起重吊装;(10)高空作业;(11)临时用电;(12)机械伤害;(13)动火作业;(14)场内交通;(15)雨季汛期。
1.2危险源分析1.2.1车站深基坑工程地铁站基坑深度为25.1m~26.3m,车站围岩主要为砂卵石层。
施工过程中地下水位不能得到有效控制和有效的进行支护极易造成基坑坍塌、土体塌方。
1.2.2基坑降水施工范围地质为砂卵石地层,在降水井施工过程中,出砂率超标,可能引起周边建筑开裂、倾斜、倒塌及地面不均匀沉降,路面坍塌、管线破坏、隧道坍塌造成人员伤亡。
1.2.3紧邻紧邻4号线暗挖区间基坑开挖过程中,扰动土体,可能对既有4号线运营造成安全影响,停运、甚至造成人身安全。
1.2.4紧邻既有4号线车站基坑开挖过程中,扰动土体,可能对既有4号线运营造成安全影响,停运、甚至造成人身安全。
1.2.5紧邻既有4号线1#出入口基坑开挖过程中,扰动土体,造成1号出入口主体结构破坏,造成人身伤害。
1.2.6周边建构(筑)物基坑开挖及降水过程中,支护结构变形或含砂率严重超标,导致周边建构(筑)物,发生沉降、倾斜、裂隙,甚至导致人身伤害。
1.2.7周边管线基坑开挖及降水过程中,支护结构变形或含砂率严重超标,导致基坑发生坍塌,造成周边管线断裂;或保护措施不到位,造成周边管线损坏,造成断电、通讯中断,雨污水倒灌现象。
地铁施工危险源分析以及防范措施第一节重大危险源控制要点1、施工危险源车站基坑施工危险源序号危险源发生原因防范措施1基坑变形、坍塌1.未严格按照经专家论证的深基坑专项方案施工;2.基坑支护不及时,轴力数据采集不准确;3.基坑支护体系拆除时未按拆除方案进行施工;4.基坑临边堆放过载;5.汛期基坑积水抽排不及时;6.基坑变形引起周边管线、构筑物及道路不均匀沉降。
1.按专家审查意见补充完善深基坑专项施工方案并严格执行;2.每天对基坑支护进行检查,加强轴力数据监测采集,进行数据分析;3、严格执行拆除方案;4、及时卸载周边过载物;5、配备足够防汛物资,及时抽排积水;6、对基坑周边管线、构筑物进行沉降监测,及时采取预防措施。
2 高处坠落1.施工时发生的意外人体坠落;2.安全网材质不符合要求;3.高处作业未系挂安全带或未高挂低用或违章作业;4.网喷施工时,架体支撑不牢固;5.“四口、五临边”防护不及时、不到位。
1.基坑围栏高度不低于1.2米,严禁人员在钢支撑上行走;2.选用合格的安全密目网及时进行封闭;3.严格按操作规程施工;4.架体验收合格后,方能允许网喷施工;5.对“四口、五临边” 及时防护到位。
3模板、脚手架工程1.未按经专家论证的脚手架、模板施工方案进行施工,未经验收投入使用;2.未使用持证架子工搭设脚手架、模板工程;3.架管、架板、模板等材质不合格;4.未对操作人员进行安全技术交底。
1.严格按经专家论证的脚手架、模板施工方案进行施工,经验收合格后方能投入使用;2.架子工持证上岗,定期对证件进行复审;3.架管、架板、模板等材质必须符合要求;4.施工前对操作人员进行安全技术交底,班前进行安全教育;5.禁止模板、支架上集中堆放过载。
4 中、小型机械的使用1.机械设备状况不良,安全防护装置缺失;2.无证人员操作机械设备或操作人员违章作业;3.维护保养不及时。
1.定期检查机械设备,禁止带病作业,检测安全防护装置,保证其安全有效;2.坚持持证上岗,严格按操作规程施工;3.加强日常巡查,做好其维修保养。
地铁施工危险源辨识及处理措施全【建筑施工资料】(可以直接使用,可编辑优秀版资料,欢迎下载)346附图七347348349350351地下连续墙施工危险源辩识与控制352353XXXXXXXXXX工程地基处理工程施工危险源风险评估及控制措施XXXXXXXXXX公司XXXX。
XX。
XX危险源风险评估及控制措施根据本工程地质水文条件、自然环境特征、施工方法及特点、安全和技术措施、机械设备特性,建立风险识别体系,确定重大危险源,并根据危险源的分布实际情况,确定管理人员、操作人员的危险辩识职责,定时、定向、定人、交叉进行检查,以便及时发现重大危险源的突显特征.1、风险识别法对本工程采用作业风险性评价法(LEC法),即:D = LEC。
(1) 发生事故的可能性大小(用L值表示);(2) 暴露于潜在危险环境的频率(用E值表示);(3) 可能出现的结果(用C值表示)。
发生事故的可能性大小(用L值表示)表1—1暴露于危险环境的频繁程度(E)表1-2第1页发生事故产生的后果(C)表1-3危险等级划分(D)表1-4综上所述,D = LEC,在确定重要危险源的D值划分可以确定风险等级的取值定性分析,当D≥70时,即确认为重大危险源。
2、险风识别及控制本工程预计重大危险源94个,风险识别及控制详见危险源风险评价表2-1表2-1危险源风险评价表第3页第4页第5页第6页第7页第8页第9页第一节重大危险源控制要点1、施工危险源车站基坑施工危险源区间浅埋暗挖施工危险源盾构施工危险源第二节安全监理措施1、施工用电安全的监理措施1.1重点、难点分析市政工程施工机械设备多,操作复杂;电气设备和装置多,用电量大,施工机械操作和施工用电安全是本工程安全监理重点。
1。
2监理措施(1)要求承包商编制施工现场用电专项施工组织设计,并经主管部门批准后实施。
(2)要求承包商施工现场临时用电按有关要求建立安全技术档案。
(3)用电由具备相应专业资质的持证专业人员管理。
轨道交通某号线危险源辨识及预防措施一、危险源的辨识、评价与管理1.危险源的辨识建筑施工现场危险源是指导致事故发生的根源,是具有可能意外释放的能量和(或)危险有害物质的生产装置、设施或场所(包括各种专项施工)。
1.1、危险源辨识的依据各种安全法律法规和标准是进行危险源辨识的重要依据。
要进行危险源辨识,首先应收集与本组织的活动、人员、设施有关的安全法律法规?口标准。
1.2、危险源辨识小组要做好危险源的辨识,还应组建好辨识小组。
辨识小组各专业人员都应有人参与。
如安全、消防、动力、电气、设备、土建等专业。
这样,辨识时可以尽量将各专业中存在的危险源辨识完全。
1.3、危险源辨识要求a考虑常规和非常规的活动;b考虑所有进入施工现场及生活区的人员(包括合同人员和访问者)的活动;c考虑施工现场及生活区的设施;d考虑三种状态:正常(如生产)、异常(如停机检修)和紧急(如火灾)状态;e考虑过去出现并一直持续到现在的(如由于技术、资源不足仍未解决的或停止不用但其危险依然存在)、现在的和将来可能出现的危害情况2、辨识方法2.1、直接经验法,对照有关标准、法规、安全检查表(可以采用《安全性评价表》、《建筑施工安全检查标准(JGJ59-2011)》)或依靠分析人员的观察分析能力,借助于经验和判断能力直观地评价对象危险性和危害性的方法。
经验法是辨识中常用的方法,其优点是简便、易行,其缺点是受辨识人员知识、经验和占有资料的限制,可能出现遗漏。
为弥补个人判断的不足,常采取专家会议的方式来相互启发、交换意见、集思广益,使危险、危害因素的辨识更加细致、具体。
2.2、系统安全分析方法;即应用系统安全工程评价方法的部分方法进行危害辨识。
系统安全分析方法常用于复杂系统、没有事故经验的新开发系统。
常用的系统安全分析方法有事件树(ETA)、事故树(FTA)等。
3、辨识类别3.1、根据本企业及施工现场的特点,将危险源产生的事件或事故分为以下类别:坍塌、物体打击、机械伤害、高处坠落、触电、火灾、爆炸、中毒、粉尘、噪声、振动、车辆伤害等。
地铁站施工危险源辨识及控制措施1.1危险源辨识对本工程影响范围内的建(构)筑物及管线进行详细调查的前提下,结合本工程的地理位置、工程地质、水文等特点,按照住建部(建质【2009】87号文)《危险性较大的分部分项工程安全管理办法》与x地铁公司(成地铁建【2016】100号文)《x地铁建设工程重大危险源安全管理办法》的要求,识别出深基坑施工时存在的主要危险源有:(1)深基坑工程;(2)降水井工程;(3)4号线暗挖区间;(4)4号线既有换乘节点;(5)既有4号线1#出入口(6)周边建构(筑)物;(7)周边管线;(8)一环路(9)起重吊装;(10)高空作业;(11)临时用电;(12)机械伤害;(13)动火作业;(14)场内交通;(15)雨季汛期。
1.2危险源分析1.2.1车站深基坑工程地铁站基坑深度为25.1m~26.3m,车站围岩主要为砂卵石层。
施工过程中地下水位不能得到有效控制和有效的进行支护极易造成基坑坍塌、土体塌方。
1.2.2基坑降水施工范围地质为砂卵石地层,在降水井施工过程中,出砂率超标,可能引起周边建筑开裂、倾斜、倒塌及地面不均匀沉降,路面坍塌、管线破坏、隧道坍塌造成人员伤亡。
1.2.3紧邻紧邻4号线暗挖区间基坑开挖过程中,扰动土体,可能对既有4号线运营造成安全影响,停运、甚至造成人身安全。
1.2.4紧邻既有4号线车站基坑开挖过程中,扰动土体,可能对既有4号线运营造成安全影响,停运、甚至造成人身安全。
1.2.5紧邻既有4号线1#出入口基坑开挖过程中,扰动土体,造成1号出入口主体结构破坏,造成人身伤害。
1.2.6周边建构(筑)物基坑开挖及降水过程中,支护结构变形或含砂率严重超标,导致周边建构(筑)物,发生沉降、倾斜、裂隙,甚至导致人身伤害。
1.2.7周边管线基坑开挖及降水过程中,支护结构变形或含砂率严重超标,导致基坑发生坍塌,造成周边管线断裂;或保护措施不到位,造成周边管线损坏,造成断电、通讯中断,雨污水倒灌现象。
中铁一局长沙市轨道交通3号线一期工程月湖公园北站土建施工重大风险源辨识表编制单位:中铁一局长沙市轨道交通3号线一期工程月湖公园北站编制时间:2015年08月中铁一局长沙市轨道交通3号线一期工程月湖公园北站土建施工重大风险源辨识表编制单位:中铁一局长沙市轨道交通3号线一期工程月湖公园北站编制时间:2015年08月中铁一局长沙市轨道交通3号线一期工程月湖公园北站土建施工重大风险源辨识表编制单位:中铁一局长沙市轨道交通3号线一期工程月湖公园北站编制时间:2015年08月中铁一局长沙市轨道交通3号线一期工程月湖公园北站土建施工重大风险源辨识表编制单位:中铁一局长沙市轨道交通3号线一期工程月湖公园北站编制时间:2015年08月中铁一局长沙市轨道交通3号线一期工程月湖公园北站土建施工重大风险源辨识表编制单位:中铁一局长沙市轨道交通3号线一期工程月湖公园北站编制时间:2015年08月中铁一局长沙市轨道交通一号线一期工程月湖公园北站土建施工重大风险源辨识表编制单位:中铁一局长沙市轨道交通3号线一期工程月湖公园北站编制时间:2015年08月中铁一局长沙市轨道交通一号线一期工程月湖公园北站土建施工重大风险源辨识表编制单位:中铁一局长沙市轨道交通3号线一期工程月湖公园北站编制时间:2015年08月中铁一局长沙市轨道交通一号线一期工程月湖公园北站土建施工重大风险源辨识表编制单位:中铁一局长沙市轨道交通3号线一期工程月湖公园北站编制时间:2015年08月中铁一局长沙市轨道交通一号线一期工程月湖公园北站土建施工重大风险源辨识表编制单位:中铁一局长沙市轨道交通3号线一期工程月湖公园北站编制时间:2015年08月中铁一局长沙市轨道交通一号线一期工程月湖公园北站土建施工重大风险源辨识表编制单位:中铁一局长沙市轨道交通3号线一期工程月湖公园北站编制时间:2015年08月中铁一局长沙市轨道交通一号线一期工程月湖公园北站土建施工重大风险源辨识表编制单位:中铁一局长沙市轨道交通3号线一期工程月湖公园北站编制时间:2015年08月中铁一局长沙市轨道交通一号线一期工程月湖公园北站土建施工重大风险源辨识表编制单位:中铁一局长沙市轨道交通3号线一期工程月湖公园北站编制时间:2015年08月中铁一局长沙市轨道交通一号线一期工程月湖公园北路站土建施工重大风险源辨识表编制单位:中铁一局长沙市轨道交通3号线一期工程月湖公园北站编制时间:2015年08月中铁一局长沙市轨道交通一号线一期工程月湖公园北路站土建施工重大风险源辨识表编制单位:中铁一局长沙市轨道交通3号线一期工程月湖公园北站编制时间:2015年08月中铁一局长沙市轨道交通一号线一期工程月湖公园北路站土建施工重大风险源辨识表编制单位:中铁一局长沙市轨道交通3号线一期工程月湖公园北站编制时间:2015年08月。
地铁施工危险源辨识及处理措施地铁施工是城市发展的必然趋势,但施工中也存在着许多危险源。
为了确保施工过程中的安全,必须对危险源进行辨识并采取相应的处理措施。
本文将从施工危险源的辨识和处理措施两个方面进行讨论。
首先,施工危险源的辨识。
地铁施工过程中存在着许多危险源,包括高处作业、电气设备、机械设备、化学品等。
因此,首先要对危险源进行辨识,确定可能导致事故的因素。
具体而言,可以通过以下几个步骤进行辨识:1.工序分析:对施工过程进行全面分析,确定各个工序中存在的危险源。
例如,地铁隧道施工中,可能存在爆破、挖掘、注浆等工序,而这些工序都存在着一定的安全风险。
2.工艺流程图:通过绘制工艺流程图,清晰地展示施工过程中各个环节的连续性和依赖性。
在分析过程中,可以发现一些之前未注意到的危险源。
3.现场勘察:实地勘察施工现场,观察各个设备和材料的摆放及使用情况,发现潜在的安全隐患。
4.专家评审:请相关领域的专家参与评审,对施工过程中的危险源进行评估和辨识。
其次,施工危险源的处理措施。
一旦辨识出施工过程中的危险源,就需要采取相应的处理措施来降低风险。
以下是一些常见的处理措施:1.安全警示标识:在施工现场的危险区域设置明显的安全警示标识,提醒工人和过往人员注意安全。
2.高标准建设:按照相关的建设规范和标准进行设计和施工,确保工程的质量和安全性。
3.人员培训:对施工人员进行安全培训,提高他们的安全意识和应急处理能力。
4.安全防护设备:为施工人员配备必要的安全防护设备,如安全帽、防护鞋、防护眼镜等,减少工伤事故的发生。
5.定期检查:定期对施工现场进行检查和维护,及时发现和处理潜在的安全隐患。
6.紧急预案:制定紧急预案,明确各种紧急情况下的处理程序和责任人,确保危险情况能够得到及时、有效的处理。
总之,地铁施工中存在着许多危险源,需要对其进行辨识和处理,以确保施工过程的安全。
通过工序分析、工艺流程图、现场勘察和专家评审等方法可以辨识出危险源,然后可以采取安全警示标识、高标准建设、人员培训、安全防护设备、定期检查和紧急预案等处理措施来降低风险。
浅析地铁施工危险源识别及安全对策导言:地铁作为快速、高效、便捷、经济的运输工具,在城市公共交通系统中发挥着重要的作用。
近年来我国地铁事故频发,安全管理形势严峻,如何在保证地铁项目建设速度的同时,为施工和运营期间的建设和使用安全提供保障,已日益受到关注。
地铁项目是一个庞大的系统工程,对其安全的管理应贯穿项目的始终。
然而,目前对地铁安全管理的研究往往割裂了设计、施工和运营阶段的联系,大部分研究仅停留在施工阶段或运营阶段,为解决此问题。
1、地铁施工的安全问题的产生原因1.1地铁项目自身结构的安全问题地铁项目在建造过程中有很多复杂化的施工工作,地下工作量较大因此会遇到很多有关地下掘进技术的问题。
地铁施工项目本身所用的材料较多,涉及到众多的高技术难度的机械等。
地铁项目本身结构的复杂性以及操作过程中的技术性要求,在一定程度上导致了地铁项目的安全隐患。
1.2地铁项目的环境问题地铁项目的施工环境十分复杂,有众多的地下施工工作。
而地下水文地质情况比较复杂,且城市地下有复杂的信号管线、强电弱电等线路、煤气管道以及给排水管道等。
地上也存在着很多建筑物,更增加了地铁施工的难度。
如果在施工过程中对地下环境情况不加以了解,则极易造成水管爆裂和电线电缆损坏的情况。
严重时甚至造成地面的塌陷或是下陷,从而造成极大的安全问题。
1.3地铁项目的施工方案问题地铁的施工方案在设计时必须考虑到项目的实际要求以及具体的环境情况,在此基础上选择合理的施工方案。
因此,若施工方案的选择存在问题,则极有可能导致地铁施工的安全事故。
如地铁在施工期间,准备好既定的挖掘方案采用暗挖、盾构等各种挖掘手法进行基面或隧道的挖掘时易发生不均匀沉降、地面塌陷或隆起的现象。
这主要是由于施工之前并未对地质的情况以及受力進行合理的分析,岩土的应力变化和施工过程中的影响将导致其受到扰动或剪贴破坏,进而导致地面的塌陷或是凸起等问题。
1.4地铁施工人员的安全意识问题人员的安全意识对于地铁施工的整体安全有着重要的影响。
地铁施工危险源辨识及处理措施全随着城市建设不断发展,地铁作为一种主要的公共交通工具也得到了不断的扩展和完善。
然而,在地铁建设及运营中,安全问题是必须要考虑的重点问题之一。
地铁施工时存在的危险源对地铁运营和乘客的安全隐患极大,因此采取辨识并采取相应的处理措施对于保障地铁建设及运营的安全至关重要。
一、地铁施工危险源辨识在地铁施工过程中会出现许多危险源,需要及时的进行识别和控制。
常见的地铁施工危险源有:1. 高处作业危险地铁施工中必须高空作业,当操作人员没有得到足够的安全保障时很容易发生意外。
例如在高空悬挂起重物或者进行高空焊接等等操作。
为了防止这种危险,需要加装脚手架、安全网、固定支架或者使用乘车式起重机械等各种安全装置。
2. 电气危险在地铁施工过程中,电气危险是不可避免的,因为地铁中有大量的电线、电缆、变电站等。
这些电器设备在施工过程中不加控制很容易造成漏电、感电等安全隐患。
需要根据具体情况,采取相应的安全措施,如避免重载或过电流等风险,安排专人进行维护,维护过程中一定要断电措施等。
3. 消防安全地铁施工中消防安全也是必须重视的,因为地铁隧道空间相对封闭且有较多的可燃物。
如果没有进行有效的消防措施,一旦发生火灾会很难扑灭,可能会造成巨大损失。
为了避免火灾,需要加装火警探测器和灭火器,定期进行消防检查等。
4. 岩体崩塌等施工现场安全问题在地铁施工的隧道开挖过程中,岩体崩塌或地层沉降等都是常见的问题。
岩体崩塌会导致隧道结构的破坏和人员受伤甚至死亡的风险。
为了避免这种危害,需要进行破碎钻进、喷浆加固等措施。
同时进行监测,如发现有岩体变化及时给出应对方案。
二、地铁施工危险源控制对于发现的地铁施工危险源需要采取控制措施进行控制和消除。
主要包括以下几方面:1. 采用适当的施工程序地铁施工需要加强技术管理,从施工过程的每一个细节入手,满足相应的卫生标准。
例如,施工人员要严格按照工艺及规程操作,利用先进的设备进行协调统一的操作,防止疏漏出现。
地铁工程主要危险源及管控措施地铁工程是一项复杂而危险的建筑工程,主要危险源包括地铁隧道施工风险、高空坠落、电气安全、有害气体和物质以及火灾风险。
下面将从这些方面介绍主要的危险源以及相应的管控措施。
地铁隧道施工风险是地铁工程中最主要的危险源之一、在隧道施工过程中,可能会发生地面沉降、地面塌陷和坍塌等情况,造成严重伤亡。
为了管控这一危险源,首先需要进行地质勘察和地质预测,以了解地下的地质情况。
同时,还需要合理设计隧道结构和施工工艺,采用合适的排土方式和支护措施,确保施工工程的稳定和安全。
高空坠落是与地铁工程施工密切相关的另一个危险源。
在施工过程中,建筑工人需要在高处进行作业,一旦不慎滑倒或者失去平衡,就会发生高空坠落事故。
为了避免这种危险,必须建立严格的安全操作规程,减少高处作业的时间和频率,并使用合适的安全设备,如安全带和脚手架等。
电气安全是地铁工程中另一个重要的危险源。
在地铁系统的建设和维护过程中,需要处理大量的电气设备和电缆。
一旦操作不当或者电气设备出现故障,就有可能发生触电和火灾事故。
为了管控这一危险源,必须进行全面的电气设备检查和定期维护,确保设备的正常运行和安全性。
此外,还需要提供必要的电气安全培训,确保工作人员具备相应的安全操作技能。
有害气体和物质是地铁工程中可能遇到的另一个危险源。
在地铁施工和运营过程中,可能会产生大量的有害气体和粉尘,如烟尘、甲醛和苯等。
这些有害物质会对工人的健康和安全造成严重威胁。
为了管控这一危险源,必须建立可行的通风系统和防护设施,确保施工现场和车站的空气质量符合安全标准。
此外,也需要提供必要的防护装备和培训,确保工作人员能够正确使用个人防护装备。
火灾风险也是地铁工程中不可忽视的危险源。
在地铁隧道和车站中,可能发生火灾事故,给工人和乘客的生命安全带来严重危害。
为了管控这一危险源,必须建立完善的消防设施和应急预案,确保在火灾发生时能够及时报警、疏散和灭火。
此外,还需要进行火灾防控方面的培训,提高工作人员和乘客的火灾安全意识。
8MASTER MANAGEMENT地铁车站基坑开挖施工危险源辨识及管控举措孙成山 中电建南方建设投资有限公司[摘 要] 地铁车站基坑开挖因具备涉及范围广、作业环境复杂、施工难度大、不确定因素多等诸多特点,使得其开挖作业中无可规避的会面临众多危险因素。
如何切实做好相应的危险源辨识与管控,对于减少乃至规避事故的发生意义重大。
文章以深圳城市轨道交通12号线某车站基坑开挖为例,对地铁车站基坑开挖施工中的众多危险源进行了细致辨识分析,然后结合笔者多年的实践管控经验提出了一系列的有效管控举措,以期可对众地铁施工同仁有所启发与帮助。
[关键词] 地铁车站;基坑开挖;危险源辨识;管控举措中图分类号:TU753 文献标识码:A一、工程概况深圳市城市轨道交通12号线某车站,为地下室二层岛式站台,第一层为站厅、第二层为站台,站台有效长度140 m、站台宽度11 m,车站总长为219.5 m,地下二层结构物均采用单柱双跨钢筋砼框架标准段结构形式。
本车站位置途径建筑物较少,但周边有建筑群,如西侧与湖景居距离19.5 m,距远大事业公司和审计局仅14 m,距中国光大银行15 m。
并且,站场范围内有一些重要管线,如雨水管埋深约3.4 m,污水管埋深约2.6 m,燃气管埋深约1.6 m,军用光缆(空管)埋深约0.5 m,可采用永久改迁或临时悬吊保护。
该车站为海相堆积原始地貌、地势总体较平缓,地下水主要有基岩裂隙水和第四系孔隙水,地层存在渗透性差异,基岩中的水稍有承压性,基岩含水层基本由第四系地层孔隙水垂直补给,与排泄通道保持一致,开挖时会向基坑内或者隧道排泄。
该车站标准段基坑长219.5 m、宽20.1 m,开挖深度约为18.4~20.0 m,开挖较深,采取明挖法施工、配以咬合桩支护方式,工程开挖土层为素填土—淤泥质粉质黏土—砂砾—砂质黏土—全风化花岗岩—强风化花岗岩,地质复杂,施工中基坑极易出现隆起、四周沉降,从而导致周边建筑物发生沉降或开裂等问题。