180mm厚楼板模板支架计算书
- 格式:doc
- 大小:50.50 KB
- 文档页数:9
扣件钢管楼板模板支架计算书一、编制依据教学楼、实验楼设计图纸及地质资料等,《建筑地基基础设计规范》(GB50007-2002),《建筑施工扣件式钢管脚手架安全技术规范》(JGJ130-2001),《建筑结构荷载规范》(GB50009-2001),《建筑施工安全检查标准》(JGJ59-99)。
二、工程概况教学楼工程分为东、西教学楼,建筑面积12926m2/栋,预应力框架结构,建筑高度为19.5m,建筑层数5层,标准层高3.9m,开间9.5×7.8m,外走廊宽度尺寸为3m,底层平面尺86.9m×97.2m。
每栋教学楼由3个单体建筑在9~10轴由连廊连接组成,在教学楼的1轴线设计3个阶梯教室。
预应力板厚180mm,梁尺寸为300×750 mm。
教学楼约135根柱子,其中500×500mm约30根,600×600mm约100根。
实验楼工程为预应力框架结构,建筑面积12070m2,建筑层数为地下1层,地上6层,标准层层高3.9m,建筑高度为25.2m,总尺寸为85m×44×25.2m。
开间尺寸12×8.5m。
其地下室用作车库。
预应力板厚2000mm,梁尺寸为400×760 mm。
实验楼约100根柱子,其中实验楼500×500mm约50根,600×600mm约22根,550×800mm约25根,1500×1000mm 10根,500×1600mm4根。
圆弧处立杆的纵距 b=0.6米,横距L=0.6米,步距h=1.20米。
C~D(P~Q)/9~11轴结构体系选用几何不可变杆系结构支架。
模板支架的计算参照第四版《建筑施工手册》,选用结构体系为非几何不可变杆系结构支架。
模板支架搭设高度为3.7米,采用的钢管类型为Ф48×3.5。
搭设尺寸为:立杆的纵距 b=0.9米,横距L=0.9米,步距 h=1.20米,且立杆下垫150×150(长×宽)的木工板。
(二)、采用七夹板与扣件式钢管支撑相结合的支撑方案设计计算:模板及其支架计算的荷载标准值及荷载分项系数表以下对模板进行验算。
一)楼板模板计算:按普通胶合板(1830×915×18)验算,龙骨间距600,按三跨连续梁计算。
1、荷载设计值1)模板自重:300N/m2×0.915m×1.2=329.4N/m2)新浇砼重:24000N/m3×0.10m×0.915m×1.2=2635.2N/m3)钢筋自重:1100N/m3×0.915m×0.10m×1.2=120.78N/m合计:329.4+2635.2+120.78=3085.38N/m4)施工工人及设备重量:2500N/m2×0.915m×1.4=3201N/m2、弯矩设计值M=(-0.10)×3085.38×(0.6)2+(-0.117)×3201×(0.6)2=245.89N·M另考虑集中荷载F=2500N,由两块模板分别承担。
F1=1250NM1=0.08×3085.38×(0.6)2+0.213×1250×0.6=248.61 N·M3、承载力验算W=bh2/6=915×182/6=49410mm3δm=M max/w=2.48×105/49410=5.02N/mm<[ ]=15.21N/mm2满足要求4、挠度验算W=k·f·q·l4/100EI=0.677×3085.38×10-3×6004/(100×9×103×915×183/12)=0.68<[L/250]=2.4mm满足要求.二)模板的龙骨验算采用50×100松木龙骨·600,水平钢管间距1000(即龙骨的跨度),按三跨连续梁计算1、荷载1)模板:300N/m2×0.6m×1.2=216N/m2)砼24000N/m3×0.6m×0.10m×1.2=1728N/m3)1100N/m3×0.6m×0.10m×1.2=79.2N/m合计:216+1728+79.2=2023.2N/m4)施工荷载:2500N/m2×0.6m×1.4=2100N/m2、弯距M=(-0.10)×2023.2×1.02+(-0.117)×2100×1.02=-448.02N·M另考虑集中荷载F=2500NM1=0.08×2023.2×1.02+0.213×2500×1.02=694.36 N·M3、承载力验算W=bh2/6=50×1002/6=0.833×105δm=M/W=694360/0.833×1.05=8.33N/m2<14.95N/m24、挠度验算W= k·f·q·l4/100EI=0.677×2023.2×10-3×10004/(100×9×103×50×1003/12)0.37mm <[W]=L/250=4mm满足要求. 三)水平钢管采用¢48×3.5焊接钢管,间距1000mm,跨度1000,按五跨连续梁计算。
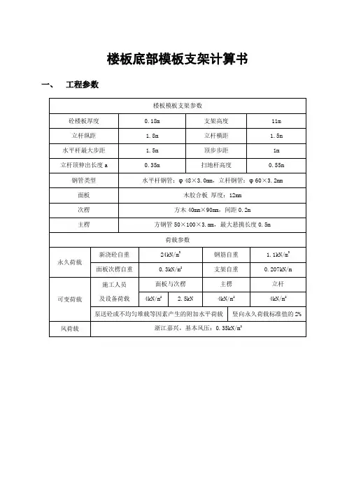
楼板底部模板支架计算书一、工程参数二、模板面板验算面板采用木胶合板,厚度为12mm ,取主楞间距1.5m的面板作为计算宽度。
面板的截面抵抗矩W= 1500×12×12/6=36000mm3;截面惯性矩I= 1500×12×12×12/12=216000mm4;(一)强度验算1、面板按三跨连续梁计算,其计算跨度取支承面板的次楞间距,L=0.2m。
2、荷载计算取均布荷载或集中荷载两种作用效应考虑,计算结果取其大值。
均布线荷载设计值为:q1=[1.2×(24×0.18+1.1×0.18+0.3)+1.4×4]×1.5=17.072kN/mq1=[1.35×(24×0.18+1.1×0.18+0.3)+1.4×0.7×4]×1.5= 15.636kN/m 根据以上两者比较应取q1= 17.072kN/m作为设计依据。
集中荷载设计值:模板自重线荷载设计值q2=1.2×1.5×0.3=0.540 kN/m跨中集中荷载设计值P=1.4×2.5= 3.500kN3、强度验算施工荷载为均布线荷载:M 1=0.1q1l2=0.1× 17.072×0.22=0.068kN·m施工荷载为集中荷载:M 2=0.08q2l2+0.213Pl=0.08× 0.540×0.22 +0.213× 3.500×0.2=0.151kN·m取Mmax=0.151KN·m验算强度。
面板抗弯强度设计值f=15N/mm2;σ= Mmax=0.151×106=4.19N/mm2 < f=15N/mm2 W 36000面板强度满足要求!(二)挠度验算挠度验算时,荷载效应组合取永久荷载+施工均布荷载,分项系数均取1.0。
扣件钢管楼板模板支架计算书模板支架的计算参照《建筑施工扣件式钢管脚手架安全技术规范》(JGJ130-2001)。
模板支架搭设高度为4.2米,搭设尺寸为:立杆的纵距 b=0.80米,立杆的横距 l=0.80米,立杆的步距 h=1.50米。
图1 楼板支撑架立面简图图2 楼板支撑架荷载计算单元采用的钢管类型为48×3.5。
一、模板面板计算面板为受弯结构,需要验算其抗弯强度和刚度。
模板面板的按照三跨连续梁计算。
静荷载标准值 q1 = 25.000×0.180×0.800+0.350×0.800=3.880kN/m活荷载标准值 q2 = (1.500+1.000)×0.800=2.000kN/m面板的截面惯性矩I和截面抵抗矩W分别为:本算例中,截面惯性矩I和截面抵抗矩W分别为:W = 80.00×1.80×1.80/6 = 43.20cm3;I = 80.00×1.80×1.80×1.80/12 = 38.88cm4;(1)抗弯强度计算f = M / W < [f]其中 f ——面板的抗弯强度计算值(N/mm2);M ——面板的最大弯距(N.mm);W ——面板的净截面抵抗矩;[f] ——面板的抗弯强度设计值,取15.00N/mm2;M = 0.100ql2其中 q ——荷载设计值(kN/m);经计算得到 M = 0.100×(1.2×3.880+1.4×2.000)×0.300×0.300=0.067kN.m经计算得到面板抗弯强度计算值 f = 0.067×1000×1000/43200=1.553N/mm2面板的抗弯强度验算 f < [f],满足要求!(2)抗剪计算 [可以不计算]T = 3Q/2bh < [T]其中最大剪力 Q=0.600×(1.2×3.880+1.4×2.000)×0.300=1.342kN截面抗剪强度计算值 T=3×1342.0/(2×800.000×18.000)=0.140N/mm2截面抗剪强度设计值 [T]=1.40N/mm2抗剪强度验算 T < [T],满足要求!(3)挠度计算v = 0.677ql4 / 100EI < [v] = l / 250面板最大挠度计算值 v = 0.677×3.880×3004/(100×6000×388800)=0.091mm面板的最大挠度小于300.0/250,满足要求!二、模板支撑木方的计算木方按照均布荷载下连续梁计算。
板模板(盘扣式)计算书计算依据:1、《建筑施工承插型盘扣式钢管支架安全技术规程》JGJ231-20102、《建筑施工模板安全技术规范》JGJ162-20083、《混凝土结构设计规范》GB 50010-20104、《建筑结构荷载规范》GB 50009-20125、《钢结构设计规范》GB 50017-2003一、工程属性模板设计平面图纵向剖面图横向剖面图四、面板验算面板类型覆面木胶合板面板厚度t(mm) 15面板抗弯强度设计值[f](N/mm2) 16.83 面板抗剪强度设计值[τ](N/mm2) 1.4面板弹性模量E(N/mm2) 9350 面板计算方式三等跨连续梁W=bh2/6=1000×15×15/6=37500mm3,I=bh3/12=1000×15×15×15/12=281250mm4承载能力极限状态q1=[1.2×(G1k +(G2k+G3k)×h)+1.4×Q1k]×b=[1.2×(0.1+(24+1.1)×0.15)+1.4×3]×1=8.838kN/m q1静=[γG(G1k +(G2k+G3k)h)]b = [1.2×(0.1+(24+1.1)×0.15)]×1=4.638kN/mq1活=(γQ×Q1k)×b=(1.4×3)×1=4.2kN/m正常使用极限状态q=(γG(G1k+(G2k+G3k)×h)+γQ×Q1k)×b =(1×(0.1+(24+1.1)×0.15)+1×3)×1=6.865kN/m计算简图如下:1、强度验算M max=0.1q1静L2+0.117q1活L2=0.1×4.638×0.32+0.117×4.2×0.32=0.086kN·mσ=M max/W=0.086×106/37500=2.292N/mm2≤[f]=16.83N/mm2满足要求!2、挠度验算νmax=0.677ql4/(100EI)=0.677×6.865×3004/(100×9350×281250)=0.143mmνmax=0.143mm≤min{300/150,10}=2mm满足要求!五、小梁验算小梁类型矩形木楞小梁截面类型(mm) 40×90小梁抗弯强度设计值[f](N/mm2) 12.87 小梁抗剪强度设计值[τ](N/mm2) 1.386小梁截面抵抗矩W(cm3) 54 小梁弹性模量E(N/mm2) 8415小梁截面惯性矩I(cm4) 243 小梁计算方式三等跨连续梁11k2k3k1k=2.723kN/m因此,q1静=1.2×(G1k +(G2k+G3k)×h)×b=1.2×(0.3+(24+1.1)×0.15)×0.3=1.463kN/m q1活=1.4×Q1k×b=1.4×3×0.3=1.26kN/m计算简图如下:1、强度验算M1=0.1q1静L2+0.117q1活L2=0.1×1.463×0.92+0.117×1.26×0.92=0.238kN·mM2=q1L12/2=2.723×0.12/2=0.014kN·mM max=max[M1,M2]=max[0.238,0.014]=0.238kN·mσ=M max/W=0.238×106/54000=4.406N/mm2≤[f]=12.87N/mm2满足要求!2、抗剪验算V1=0.6q1静L+0.617q1活L=0.6×1.463×0.9+0.617×1.26×0.9=1.49kNV2=q1L1=2.723×0.1=0.272kNV max=max[V1,V2]=max[1.49,0.272]=1.49kNτmax=3V max/(2bh0)=3×1.49×1000/(2×40×90)=0.621N/mm2≤[τ]=1.386N/mm2满足要求!3、挠度验算q=(γG(G1k+(G2k+G3k)×h)+γQ×Q1k)×b=(1×(0.3+(24+1.1)×0.15)+1×3)×0.3=2.119kN/m挠度,跨中νmax=0.677qL4/(100EI)=0.677×2.119×9004/(100×8415×243×104)=0.46mm≤[ν]=min(L/150,10)=min(900/150,10)=6mm;悬臂端νmax=ql14/(8EI)=2.119×1004/(8×8415×243×104)=0.001mm≤[ν]=min(2×l1/150,10)=min(2×100/150,10)=1.333mm满足要求!六、主梁验算q1=[1.2×(G1k+(G2k+G3k)×h)+1.4×Q1k]×b=[1.2×(0.5+(24+1.1)×0.15)+1.4×3]×0.3=2.795kN/mq1静=1.2×(G1k +(G2k+G3k)×h)×b=1.2×(0.5+(24+1.1)×0.15)×0.3=1.535kN/mq1活=1.4×Q1k×b =1.4×3×0.3=1.26kN/mq2=(γG(G1k+(G2k+G3k)×h)+γQ×Q1k)×b=(1×(0.5+(24+1.1)×0.15)+1×3)×0.3=2.179kN/m承载能力极限状态按三等跨连续梁,R max=(1.1q1静+1.2q1活)L=1.1×1.535×0.9+1.2×1.26×0.9=2.881kN按悬臂梁,R1=q1l1=2.795×0.1=0.28kN主梁2根合并,其主梁受力不均匀系数=0.6R=max[R max,R1]×0.6=1.729kN;正常使用极限状态按三等跨连续梁,R'max=1.1q2L=1.1×2.179×0.9=2.158kN按悬臂梁,R'1=q2l1=2.179×0.1=0.218kNR'=max[R'max,R'1]×0.6=1.295kN;计算简图如下:主梁计算简图一2、抗弯验算主梁弯矩图一(kN·m)σ=M max/W=0.441×106/4490=98.287N/mm2≤[f]=205N/mm2满足要求!3、抗剪验算主梁剪力图一(kN)τmax=2V max/A=2×2.796×1000/424=13.187N/mm2≤[τ]=125N/m m2满足要求!4、挠度验算主梁变形图一(mm)跨中νmax=0.546mm≤[ν]=min{900/150,10}=6mm悬挑段νmax=0.142mm≤[ν]=min(2×150/150,10)=2mm满足要求!5、支座反力计算承载能力极限状态图一支座反力依次为R1=4.12kN,R2=5.389kN,R3=5.389kN,R4=4.12kN七、可调托座验算荷载传递至立杆方式可调托座可调托座承载力容许值[N](kN) 30满足要求!八、立杆验算立杆钢管截面类型(mm) Ф48×3.2立杆钢管计算截面类型(mm) Ф48×3钢材等级Q235 立杆截面面积A(mm2) 424 立杆截面回转半径i(mm) 15.9 立杆截面抵抗矩W(cm3) 4.49 抗压强度设计值[f](N/mm2) 205 支架自重标准值q(kN/m) 0.15 支架立杆计算长度修正系数η 1.2 悬臂端计算长度折减系数k 0.71、长细比验算l01=hˊ+2ka=1200+2×0.7×450=1830mml0=ηh=1.2×1800=2160mmλ=max[l01,l0]/i=2160/15.9=135.849≤[λ]=150满足要求!2、立杆稳定性验算顶部立杆段:λ1=l01/i=1830.000/15.9=115.094查表得,φ=0.483不考虑风荷载:N1 =Max[R1,R2,R3,R4]/0.6=Max[4.12,5.389,5.389,4.12]/0.6=8.982kN f=N1/(ΦA)=8982/(0.483×424)=43.859N/mm2≤[f]=205N/mm2满足要求!非顶部立杆段:λ=l0/i=2160.000/15.9=135.849查表得,φ1=0.371不考虑风荷载:N=Max[R1,R2,R3,R4]/0.6+γG×q×H=Max[4.12,5.389,5.389,4.12]/0.6+1.2×0.15×3.325=9.5 8kNf=N/(φ1A)=9.58×103/(0.371×424)=60.901N/mm2≤[σ]=205N/mm2满足要求!九、高宽比验算根据《建筑施工承插型盘扣式钢管支架安全技术规范》JGJ231-2010 第6.1.4: 对长条状的独立高支模架,架体总高度与架体的宽度之比不宜大于3H/B=3.325/30=0.111≤3满足要求!十、抗倾覆验算混凝土浇筑前,倾覆力矩主要由风荷载产生,抗倾覆力矩主要由模板及支架自重产生M T=ψc×γQ(ωk L1Hh2+Q3k L1h1)=1×1.4×(0.076×40×3.325×3.2+0.55×40×3.2)=143.844kN·mM R=γG(G1k+0.15H/(l a l b))L1B12/2=0.9×(0.5+0.15×3.325/(0.9×0.9))×40×302/2=18075kN·mM T=143.844kN·m≤M R=18075kN·m满足要求!混凝土浇筑时,倾覆力矩主要由泵送、倾倒混凝土等因素产生的水平荷载产生,抗倾覆力矩主要由钢筋、混凝土、模板及支架自重产生M T=ψc×γQ(Q2k L1H2+Q3k L1h1)=1×1.4×(1×40×3.3252+0.55×40×3.2)=717.675kN·mM R=γG[(G2k+G3k)×h0+(G1k+0.15H/(l a l b))]L1B12/2=0.9×[(24+1.1)×0.15+(0.5+0.15×3.325/ (0.9×0.9))]×40×302/2=79068kN·mM T=717.675kN·m≤M R=79068kN·m满足要求!十一、立杆支承面承载力验算11、受冲切承载力计算根据《混凝土结构设计规范》GB50010-2010第6.5.1条规定,见下表h t0u m =2[(a+h0)+(b+h0)]=1000mmF=(0.7βh f t+0.25σpc,)ηu m h0=(0.7×1×0.829+0.25×0)×1×1000×100/1000=58.03kN≥F1=9.58kNm满足要求!2、局部受压承载力计算根据《混凝土结构设计规范》GB50010-2010第6.6.1条规定,见下表c cβl=(A b/A l)1/2=[(a+2b)×(b+2b)/(ab)]1/2=[(400)×(300)/(200×100)]1/2=2.449,A ln=ab=20000mm2F=1.35βcβl f c A ln=1.35×1×2.449×8.294×20000/1000=548.534kN≥F1=9.58kN满足要求!。
施工方案-模板支架计算书模板支架是建筑施工中使用比较广泛的一种工具,它主要用于支撑模板和支撑混凝土,在建筑施工中起到了关键的作用。
在使用模板支架时,必须根据实际情况进行计算和设计,以确保其能够支撑施工所需的重量和力量,并且稳定可靠。
本文将介绍模板支架计算书的内容和方法。
一、模板支架的基本参数模板支架的基本参数包括支撑高度、支撑架数、支撑板宽度、支撑板材料、支撑板表面附加荷载等。
这些参数需要根据实际施工情况进行确认和选择,以确保支撑系统的稳定性和可靠性。
二、荷载计算在进行模板支架的荷载计算时,需要考虑到以下几个方面:1.支撑板荷载支撑板荷载是指模板支架上支撑板所承受的荷载,主要来源于模板和混凝土重量、施工人员和设备的重量以及其它附加荷载。
在计算时,需要考虑到支撑板的面积和材料,以及支撑板之间的间距。
2.支撑架荷载支撑架荷载是指支撑架自身所承受的荷载,包括支撑架的自重、附加荷载以及风荷载等。
在计算时,需要考虑到支撑架的高度、数量、材料以及排列方式等因素。
3.水平荷载在进行模板支架计算时,还需要考虑到水平荷载的影响。
水平荷载主要有两种,一种是地震荷载,另一种是风荷载。
地震荷载是指地震期间产生的水平力,风荷载则是指风力对建筑物造成的水平力。
三、稳定性计算在使用模板支架时,稳定性计算是非常关键的。
稳定性主要包括垂直稳定性和水平稳定性。
垂直稳定性是指支撑板垂直方向的稳定,在计算时需要考虑支撑板与地面的夹角、支撑板之间的距离等因素;水平稳定性是指支撑架在水平方向上的稳定,在计算时需要考虑支撑架的数量、位置、高度等因素。
四、模板支架设计方案在进行模板支架计算后,需要根据实际情况进行设计方案。
设计方案主要包括支撑板的数量和位置、支撑架的数量和位置、支撑板和支撑架的材料、支撑板和支撑架之间的连接方式等。
五、施工方案最后,需要根据设计方案制定详细的施工方案。
施工方案主要包括模板支架的具体施工步骤、施工顺序、施工技术要求、安全措施等,以确保施工过程中的安全和高效。
模板支架一、概况:现浇钢筋砼楼板,板厚(max=160mm ),最大梁截面为300x 600 mm,沿梁方向梁下立 杆间距为800 mm,最大层高4.7 m,施工采用①48 x 3.5 mm 钢管搭设滿堂脚手架做模板支 撑架,楼板底立杆纵距、横距相等,即la = lb = 1000mm ,步距为1.5m ,模板支架立杆伸出 顶层横杆或模板支撑点的长度 a = 100 mm 。
剪力撑脚手架除在两端设置,中间隔12m - 15m 设置。
应支3-4根立杆,斜杆与地面夹角45° — 60°。
搭设示意图如下:二、荷载计算:1. 静荷载楼板底模板支架自重标准值:0.5KN/ m 3楼板木模板自重标准值:0.3KN/m 2楼板钢筋自重标准值:1.1KN/ m 3浇注砼自重标准值:24 KN/ m 32. 动荷载施工人员及设备荷载标准值:1.0 KN/ m 2掁捣砼产生的荷载标准值:2.0 KN/ m 2架承载力验算: 大横向水平杆按三跨连续梁计算,计算简图如下:OC|CC J■QOC0.□C300 |'00010001000q1000 1000 1000模板支架立杆的计算长度l o= h + 2a= 1.5+ 2X 0.1= 1.7 m取长度系数卩二1.5入=l o/l = K 卩l o/i取K = 1,入=1.5X 170/1.58= 161.39V〔入〕=210,滿足要求取K = 1.155 入=1.155X 1.5X 170/1.58= 186.4W= 0.207验算支架立杆稳定性,即N/WA = 11.34X 103/0.207X 489= 112. 03N/ mm2v205 N/ mm2= f,滿足要求5.梁下立杆强度计算(计算1.6 m范围,其下为4根立杆)荷载计算静荷载:梁下钢模板自重标准值:0.5KN/ m2 梁钢筋自重标准值:1.1 KN/ m2 新浇筑砼自重标准值:24 KN/ m2 动荷载:施工人员及设备荷载标准值:1.0 KN/ m2 掁捣砼产生的荷载标准值:2.0 KN/ m2qK1=0.3X1.6X0.3+1.1X1.6X0.3X2+24X1.6X0.3X2=0.24+1.056+23.04=24.34KN/m q1=1.2XqK1=1.2X24.34=29.21=29.21KN/mqK2=1X1.6X0.3+2X1.6X0.3=1.44KN/m q2= 1.2X qK2= 1.4X 1.44= 2.02KN/m 每根立杆受力(29.21+2.02)/4=7.812KN/m(2)模板支架立杆的计算长度l0=h+2a=1.5+2X0.1=1.7 m取长度系数卩=1.5入=I。
扣件钢管楼板模板支架计算书依据规范:《建筑施工模板安全技术规范》JGJ 162-2008《建筑结构荷载规范》GB50009-2012《钢结构设计规范》GB50017-2003《混凝土结构设计规范》GB50010-2010《建筑地基基础设计规范》GB50007-2011《建筑施工木脚手架安全技术规范》JGJ 164-2008计算参数:钢管强度为205.0 N/mm2,钢管强度折减系数取1.00。
模板支架搭设高度为7.0m,立杆的纵距 b=0.80m,立杆的横距 l=0.80m,立杆的步距 h=1.50m。
面板厚度18mm,剪切强度1.4N/mm2,抗弯强度15.0N/mm2,弹性模量6000.0N/mm2。
木方50×80mm,间距200mm,木方剪切强度1.6N/mm2,抗弯强度13.0N/mm2,弹性模量9000.0N/mm2。
梁顶托采用双钢管φ48×3.25mm。
模板自重0.20kN/m2,混凝土钢筋自重25.10kN/m3。
倾倒混凝土荷载标准值0.00kN/m2,施工均布荷载标准值2.50kN/m2。
扣件计算折减系数取1.00。
图1 楼板支撑架立面简图图2 楼板支撑架荷载计算单元按照模板规范4.3.1条规定确定荷载组合分项系数如下:由可变荷载效应控制的组合S=1.2×(25.10×0.18+0.20)+1.40×2.50=9.162kN/m2由永久荷载效应控制的组合S=1.35×25.10×0.18+0.7×1.40×2.50=8.549kN/m2由于可变荷载效应控制的组合S最大,永久荷载分项系数取1.2,可变荷载分项系数取1.40 采用的钢管类型为φ48×3.25。
钢管惯性矩计算采用 I=π(D4-d4)/64,抵抗距计算采用 W=π(D4-d4)/32D。
一、模板面板计算面板为受弯结构,需要验算其抗弯强度和刚度。
一、工程参数二、模板面板验算面板采用木胶合板,厚度为12mm ,取主楞间距1.8m的面板作为计算宽度。
面板的截面抵抗矩W= 1800×12×12/6=43200mm3;截面惯性矩I= 1800×12×12×12/12=259200mm4;(一)强度验算1、面板按三跨连续梁计算,其计算跨度取支承面板的次楞间距,L=0.2m。
2、荷载计算取均布荷载或集中荷载两种作用效应考虑,计算结果取其大值。
均布线荷载设计值为:q1=[1.2×(24×0.18+1.1×0.18+0.3)+1.4×4]×1.8=20.487kN/mq1=[1.35×(24×0.18+1.1×0.18+0.3)+1.4×0.7×4]×1.8= 18.764kN/m 根据以上两者比较应取q1= 20.487kN/m作为设计依据。
集中荷载设计值:模板自重线荷载设计值q2=1.2×1.8×0.3=0.648 kN/m跨中集中荷载设计值P=1.4×2.5= 3.500kN3、强度验算施工荷载为均布线荷载:M 1=0.1q1l2=0.1× 20.487×0.22=0.082kN·m施工荷载为集中荷载:M 2=0.08q2l2+0.213Pl=0.08× 0.648×0.22 +0.213× 3.500×0.2=0.151kN·m取Mmax=0.151KN·m验算强度。
面板抗弯强度设计值f=15N/mm2;σ= Mmax=0.151×106=3.50N/mm2 < f=15N/mm2 W 43200面板强度满足要求!(二)挠度验算挠度验算时,荷载效应组合取永久荷载+施工均布荷载,分项系数均取1.0。
承插型盘扣式楼板模板支架计算书依据规范:《建筑施工承插型盘扣式钢管支架安全技术规程》JGJ231-2010《建筑施工模板安全技术规范》JGJ 162-2008《建筑结构荷载规范》GB50009-2012《钢结构设计规范》GB50017-2003《混凝土结构设计规范》GB50010-2010《建筑地基基础设计规范》GB50007-2011《建筑施工扣件式钢管脚手架安全技术规范》JGJ130-2011计算参数:盘扣式脚手架立杆钢管强度为300N/mm2,水平杆钢管强度为205.0 N/mm2,钢管强度折减系数取0.90。
模板支架搭设高度为6.0m,立杆的纵距 b=0.90m,立杆的横距 l=0.90m,脚手架步距 h=1.50m。
立杆钢管类型选择:Bs-LG-3000(Φ48×2.7×3000);横向水平杆钢管类型选择:A-SG-900(Φ48×2.5×840);纵向水平杆钢管类型选择:A-SG-900(Φ48×2.5×840);横向跨间水平杆钢管类型选择:A-SG-900(Φ48×2.5×840);面板厚度15mm,剪切强度1.4N/mm2,抗弯强度12.0N/mm2,弹性模量4200.0N/mm2。
木方40×80mm,间距200mm,木方剪切强度1.3N/mm2,抗弯强度15.0N/mm2,弹性模量9000.0N/mm2。
梁顶托采用双钢管φ48×2.8mm。
模板自重0.20kN/m2,混凝土钢筋自重25.10kN/m3。
倾倒混凝土荷载标准值1.00kN/m2,施工均布荷载标准值3.00kN/m2。
图盘扣式楼板支撑架立面简图图楼板支撑架立杆稳定性荷载计算单元钢管惯性矩计算采用 I=π(D4-d4)/64,抵抗距计算采用 W=π(D4-d4)/32D。
一、模板面板计算面板为受弯结构,需要验算其抗弯强度和刚度。
特大梁模板支撑计算书工程名称:1工程单位:1.计算参数结构楼板厚180mm,梁宽b=2000mm,梁高h=1200mm,层高5.00m, 结构表面考虑隐蔽;模板材料为:夹板底模厚度18mm,侧模厚度18mm;梁边至板支撑的距离0.60m;板弹性模量E=6000N /mm2,木材弹性模量E=9000N/mm2,抗弯强度f m=13.00N/mm2 ,抗剪强度f v=1.40N/mm2 ;梁下采用6支撑,横向间距600mm,纵向间距600mm,支架立杆的步距h=1.50m;钢管直径48mm;壁厚4mm;截面积4.89cm2;回转半径i=1.58cm;钢管重量0.0368kN/m。
钢材弹性模量 E=206000N/mm2,抗弯强度f=205.00N/mm2,抗剪强度f v=125.00 N/mm2。
2.梁底模验算(1)梁底模及支架荷载计算荷载类型标准值单位梁宽(m) 梁高(m) 系数设计值①底、侧模自重0.3 kN/m2×(2.00 + 2.04 ) ×1.2 = 1.45 kN/m②砼自重 24.0 kN/m3× 2.00 × 1.20 × 1.2 = 69.12 kN/m③钢筋荷载 1.5 kN/m3× 2.00 × 1.20 × 1.2 = 4.32 kN/m④振捣砼荷载 2.0 kN/m2× 2.00 × 1.4 = 5.60 kN/m梁底模计算组合①+②+③+④ q1 = 80.49 kN/m梁底模和龙骨挠度验算计算组合(①+②+③)/1.2 q2 = 62.41 kN/m(2)梁底模板验算第一层龙骨间距L=300mm,计算跨数5跨。
底模厚度h=18mm,板模宽度b=2000mm;W=bh2 /6= 2000×182/6=108000mm3,I=bh3/12=2000×183/12=972000mm4。
模板及支模架计算书一、荷载及荷载组合1、荷载计算模板及支架的荷载,分为荷载标准值和荷载设计值,后者是荷载标准值乘以相应的荷载分项系数得出的。
(1)荷载标准值模板工程的荷载标准值包括新浇混凝土自重、施工人员及设备荷载、振捣混凝土时产生的荷载和倾倒混凝土时产生的荷载,对柱、梁、墙等构件,还应考虑新浇混凝土对模板侧面的压力。
1)新浇混凝土自重标准值对普通钢筋混凝土,采用25N/m3,对其他混凝土,可根据实际重力密度确定。
2)施工人员及设备荷载标准值(表4—1):施工人员及设备荷载标准值表4—13)振捣混凝土时产生的荷载标准值(表4—2)振捣混凝土时产生的荷载标准值表4—23)新浇筑混凝土对模板侧面的压力标准值——采用内部振捣器时,可按以下两式计算,并取其较小值:F=y c H (4—2)其中:F———新浇筑混凝土对模板的最大侧压力,KN/m2y c———混凝土的重力密度,KN/m2t0———新浇筑混凝土的初凝时间,h,可按实确定;缺乏试验资料时,可采用t0=200/(T+15)计算,T为混凝土的温度,0C V———混凝土的浇筑速度,一般取2m/hH———混凝土侧压力计算位置处至新浇筑混凝土顶面的总高度,m β1———外加剂影响修正系数,不掺外加剂时取1.0;掺具有缓凝作用的外加剂时取1.2β2———混凝土坍落度影响修正系数,当坍落度小于30时,取0.85;50—90mm时,取1.0;110—150mm时,取1.155)倾倒混凝土时产生的荷载(表4—3)倾倒混凝土时产生的荷载表4—3(2)荷载设计值荷载设计值为荷载标准值乘以相应的荷载分项系数,表4—4是荷载分项系数。
荷载分项系数表4—42、荷载组合荷载组合表表4—5二、模板结构的强度和挠度要求目前施工现场的模板和大小楞以木模板为主,支架多采用钢管架。
其强度和钢度应满足表4—6的要求。
模板允许强度和允许刚度表4—6注:L0———模板的计算长度。
三、模板结构构件的计算理论1模板计算模板结构中的面板、大小楞等均属于受弯构件,而支架为受压构件,可按简支梁或连续梁计算。
模板及支撑计算书一、楼板模板计算楼板厚度200mm 和100mm ,模板板面采用12mm 高强度竹木模板,次龙骨采用50×100mm ,E=104 N/mm 2,I=bh 3/12=50×1003/12=4.16×104mm 4,方木主龙骨采用100×100方木。
1、 荷载计算:模板及支架自重标准值: 0.3KN/m 2混凝土标准值: 24KN/m 2钢筋自重标准值: 1.1 KN/m 2施工人员及设备荷载标准值: 2.5 KN/m 2楼板按100mm 厚计算荷载标准值: F 1= 0.3+24×0.1+1.1+2.5=6.3KN荷载标准值: F 2=(0.3+24×0.1+1.1)×1.2+2.5×1.4=8.06KN楼板按200mm 厚计算荷载标准值: F 3= 0.3+24×0.2+1.1+2.5=8.7KN荷载标准值: F 4= (0.3+24×0.2+1.1)×1.2+2.5×1.4=10.94KN2、 计算次龙骨间距:新浇筑的混凝土均匀作用在胶合板上,单位宽度的面板可以视为梁,次龙骨作为梁支点按三跨连续考虑,梁宽取200mm 。
(1)板厚按200mm 算:按抗弯强度验算M=1/8q 1l 2 1 σ=M/W ≤f m式中:M ——弯距设计值(N •mm )q 1____作用在顶板模板上的均布荷载(N/mm )q 1=F 4×0.2=10.94×0.2=2.19KN/ml ——次龙骨间距σ——受弯应力设计值(N/mm 2)W ——截面抵抗矩=1/6bh 2f m ——模板的抗弯强度设计值(N/mm 2)取11 N/mm 2σ=M/W ≤f m1 8q 1l 211 6bh 22l 1按模板的刚度要求,最大变形值为模板设计跨度的1250ω= 0.667×ql 4 ≤1 250100EIq ——作用在模板上的均布荷载(N/mm )E ——模板的弹性模量(N/mm 2),E=1×104 N/mm 2I ——模板的惯性截面矩,I= 1 12bh 2=5.62×104mm 4100×5.62×104×104 0.677×2.38×200取抗弯承载力,刚度要求计算的小值,l=519mm 。
扣件钢管楼板模板支架计算书计算依据《建筑施工模板安全技术规范》(JGJ162-2019)。
计算参数:钢管强度为205.0 N/mm2,钢管强度折减系数取1.00。
模板支架搭设高度为5.0m,立杆的纵距 b=0.80m,立杆的横距 l=0.80m,立杆的步距 h=1.50m。
面板厚度18mm,剪切强度1.4N/mm2,抗弯强度15.0N/mm2,弹性模量6000.0N/mm2。
木方50×100mm,间距300mm,木方剪切强度1.6N/mm2,抗弯强度13.0N/mm2,弹性模量9000.0N/mm2。
模板自重0.20kN/m2,混凝土钢筋自重25.10kN/m3,施工活荷载2.50kN/m2。
扣件计算折减系数取1.00。
图1 楼板支撑架立面简图图2 楼板支撑架荷载计算单元按照模板规范4.3.1条规定确定荷载组合分项系数如下:由可变荷载效应控制的组合S=1.2×(25.10×0.18+0.20)+1.40×2.50=9.162kN/m2由永久荷载效应控制的组合S=1.35×25.10×0.18+0.7×1.40×2.50=8.549kN/m2由于可变荷载效应控制的组合S最大,永久荷载分项系数取1.2,可变荷载分项系数取1.40 采用的钢管类型为φ48×2.8。
一、模板面板计算面板为受弯结构,需要验算其抗弯强度和刚度。
模板面板的按照三跨连续梁计算。
考虑0.9的结构重要系数,静荷载标准值q1 = 0.9×(25.100×0.180×0.800+0.200×0.800)=3.397kN/m考虑0.9的结构重要系数,活荷载标准值q2 = 0.9×(0.000+2.500)×0.800=1.800kN/m 面板的截面惯性矩I和截面抵抗矩W分别为:本算例中,截面惯性矩I和截面抵抗矩W分别为:W = 80.00×1.80×1.80/6 = 43.20cm3;I = 80.00×1.80×1.80×1.80/12 = 38.88cm4;(1)抗弯强度计算f = M / W < [f]其中 f ——面板的抗弯强度计算值(N/mm2);M ——面板的最大弯距(N.mm);W ——面板的净截面抵抗矩;[f] ——面板的抗弯强度设计值,取15.00N/mm2;M = 0.100ql2其中 q ——荷载设计值(kN/m);经计算得到M = 0.100×(1.20×3.397+1.40×1.800)×0.300×0.300=0.059kN.m经计算得到面板抗弯强度计算值 f = 0.059×1000×1000/43200=1.374N/mm2面板的抗弯强度验算 f < [f],满足要求!(2)抗剪计算T = 3Q/2bh < [T]其中最大剪力Q=0.600×(1.20×3.397+1.4×1.800)×0.300=1.187kN截面抗剪强度计算值T=3×1187.0/(2×800.000×18.000)=0.124N/mm2截面抗剪强度设计值 [T]=1.40N/mm2面板抗剪强度验算 T < [T],满足要求!(3)挠度计算v = 0.677ql4 / 100EI < [v] = l / 250面板最大挠度计算值v = 0.677×3.397×3004/(100×6000×388800)=0.080mm面板的最大挠度小于300.0/250,满足要求!(4) 2.5kN集中荷载作用下抗弯强度计算经过计算得到面板跨中最大弯矩计算公式为 M = 0.2Pl+0.08ql2面板的计算宽度为1200.000mm集中荷载 P = 2.5kN考虑0.9的结构重要系数,静荷载标准值q = 0.9×(25.100×0.180×1.200+0.200×1.200)=5.095kN/m面板的计算跨度 l = 300.000mm经计算得到M = 0.200×0.9×1.40×2.5×0.300+0.080×1.20×5.095×0.300×0.300=0.233kN.m经计算得到面板抗弯强度计算值 f = 0.233×1000×1000/43200=5.394N/mm2面板的抗弯强度验算 f < [f],满足要求!二、模板支撑木方的计算木方按照均布荷载计算。
楼梯模板计算书一、参数信息1.模板支架参数横向间距或排距(m):1.00;纵距(m):1.00;步距(m):1.50;立杆上端伸出至模板支撑点长度(m):0.10;模板支架搭设高度(m):4.7;采用的钢管(mm):Φ48×3.5 ;板底支撑连接方式:方木支撑;立杆承重连接方式:双扣件;2.荷载参数模板与木板自重(kN/m2):0.500;混凝土与钢筋自重(kN/m3):24.000;施工均布荷载标准值(kN/m2):2.000;3.材料参数面板采用胶合面板,厚度为15mm;板底支撑采用方木;面板弹性模量E(N/mm2):4200;面板抗弯强度设计值(N/mm2):12;木方弹性模量E(N/mm2):8415.000;木方抗弯强度设计值(N/mm2):15.44;木方抗剪强度设计值(N/mm2):1.66;木方的间隔距离(mm):250.000;木方的截面宽度(mm):60.00;木方的截面高度(mm):80.00;二、模板面板计算模板面板为受弯构件,按三跨连续梁对面板进行验算其抗弯强度和刚度模板面板的截面惯性矩I和截面抵抗矩W分别为:W=bh2/6=1000×15×15/6=37500mm3I=bh3/12=1000×15×15×15/12=281250mm4模板面板的按照三跨连续梁计算。
1、荷载计算(1)静荷载为钢筋混凝土楼板和模板面板的自重(kN/m):钢筋混凝土梯段板厚度为120mm,踏步高度为150mm,宽度为280mm,每一梯段板的踏步数为14步。
钢筋混凝土梯段板自重为: 1/2×0.15×24+0.12×24/0.858 = 5.157 kN/㎡ 其中:αcos = 3920/2223503920+= 0.858 q 1 = 5.157×1+0.5×1 = 5.675 kN/m ; (2)活荷载为施工人员及设备荷载(kN/m): q 2 = 2×1= 2 kN/m ; 2、强度计算 计算公式如下: M=0.1ql 2其中:q 为垂直与面板的均布荷载,q=(1.2×5.675+1.4×2)×αcos = 8.245kN/m 最大弯矩M=0.1×8.245×2502= 51533.6 N ·mm ;面板最大应力计算值σ =M/W= 51533.6/37500 = 1.374 N/mm 2; 面板的抗弯强度设计值[f]=12N/mm 2;面板的最大应力计算值为1.374 N/mm 2 小于面板的抗弯强度设计值12 N/mm 2,满足 要求! 3、挠度计算 挠度计算公式为:ν=0.677ql 4/(100EI)≤[ν]=l/250其中q =q 1= 5.675×αcos = 5.675×0.858 = 4.869 kN/m面板最大挠度计算值ν= 0.677×4.869×2504/(100×8145×281250)=0.056 mm ; 面板最大允许挠度[ν]=250/ 250=1 mm ;面板的最大挠度计算值0.056mm 小于面板的最大允许挠度1 mm,满足要求! 三、模板支撑方木的计算方木按照三跨连续梁计算,截面惯性矩I 和截面抵抗矩W 分别为: W=b ×h 2/6=6×8×8/6 = 64.0 cm 3; I=b ×h 3/12=6×8×8×8/12 = 256 cm 4;1.荷载的计算(1)静荷载为钢筋混凝土楼板和模板面板自重垂直于方木的分力(kN/m):q 1= 4.869×0.25×αcos = 4.869×0.25×0.858 = 1.044 kN/m ;(2)活荷载为施工人员及设备荷载垂直于方木的分力(kN/m):q 2 = 2×0.25 ×αcos = 2×0.25 ×0.858 = 0.429 kN/m;2.强度验算计算公式如下: M=0.1ql2均布荷载q = 1.2 × q1+ 1.4 ×q2= 1.2×1.044+1.4×0.429 = 1.853 kN/m;最大弯矩M = 0.1ql2 = 0.1×1.853×12 = 0.185 kN·m;方木最大应力计算值σ= M /W = 0.185×106/64000 =2.891N/mm2;方木的抗弯强度设计值[f]=13.000 N/mm2;方木的最大应力计算值为2.891N/mm2小于方木的抗弯强度设计值12 N/mm2,满足要求!3.抗剪验算截面抗剪强度必须满足:τ = 3V/2bhn < [τ]其中最大剪力: V = 0.6×1.853×1 = 1.112 kN;方木受剪应力计算值τ = 3 ×1.112×103/(2 ×60×80) = 0.348 N/mm2;方木抗剪强度设计值[τ] = 1.66 N/mm2;方木的受剪应力计算值0.348N/mm2小于方木的抗剪强度设计值1.66 N/mm2,满足要求!4.挠度验算计算公式如下:ν=0.677ql4/(100EI)≤[ν]=l/250均布荷载q = q1= 1.044kN/m;最大挠度计算值ν= 0.677×1.044×10004 /(100×8145×256×104)= 0.339mm;最大允许挠度[ν]=1000/ 250=4 mm;方木的最大挠度计算值0.339 mm 小于方木的最大允许挠度4 mm,满足要求!四、板底支撑钢管计算支撑钢管按照集中荷载作用下的简支梁计算;主梁类型钢管主梁截面类型(mm) Φ48×3.5主梁计算截面类型(mm) Φ48×3.0 主梁抗弯强度设计值[f](N/mm2)205主梁抗剪强度设计值[τ](N/mm2)125 主梁截面抵抗矩W(cm3) 5.08 主梁弹性模量E(N/mm2) 206000 主梁截面惯性矩I(cm4) 12.19 主梁计算方式简支梁可调托座内主梁根数 1集中荷载P取板底方木支撑传递力:P=(1.2×5.675×0.25+ 1.4×2×0.25)×1 = 2.403 kN;计算简图如下:1、抗弯验算σ=Mmax/W=0.60×106/5080=118.11N/mm2≤[f]=205N/mm2满足要求!2、抗剪验算τmax=2Vmax/A=2×3.60×1000/489=14.7N/mm2≤[τ]=125N/mm2满足要求!3、挠度验算跨中νmax=1.8mm≤[ν]=1000/400=2.5mm满足要求!4、支座反力计算支座反力依次为R1=8.40kN,R2=8.40kN五、扣件抗滑移验算荷载传递至立柱方式双扣件扣件抗滑移折减系数k1c按上节计算可知,扣件N=8.40kN≤R c=k c×12=1×12=12kN满足要求!六、楼梯支顶计算《建筑施工模板及作业平台钢管支架构造安全技术规范》DB/45T618-2009,对楼梯板进行支顶,验算楼梯板强度时按照最不利情况考虑,楼梯板承受的荷载按照面荷载均布考虑。
板模板(木支撑)计算书模板支架采用木顶支撑,计算根据《木结构设计规范》(GB50005-2003)、《混凝土结构设计规范》(GB50010-2002)、《建筑结构荷载规范》(GB 50009-2001)、《建筑施工计算手册》江正荣著、建筑施工手册》(第四版)等编制。
一、参数信息1、模板支架参数横向间距或排距(m): 1.000;纵距(m): 1.000;立柱长度(m): 3.000;立柱采用方木;立柱方木截面宽度(mm): 80.000;立柱方木截面高度(mm): 100.000;斜撑截面宽度(mm):30.000;斜撑截面高度(mm):40.000;帽木截面宽度(mm):60.000;帽木截面高度(mm):80.000;斜撑与立柱连接处到帽木的距离(mm): 600.000;板底支撑形式:方木支撑;方木的间隔距离(mm):300.000;方木的截面宽度(mm):40.000;方木的截面高度(mm):60.000;2、荷载参数模板与木板自重(kN/m2):0.350;混凝土与钢筋自重(kN/m3):25.000;施工均布荷载标准值(kN/m2):2.000;3、楼板参数钢筋级别:二级钢HRB 335(20MnSi);楼板混凝土强度等级:C35;每层标准施工天数:8;每平米楼板截面的钢筋面积(mm2):1440.000;楼板的计算跨度(m):4.000;楼板的计算宽度(m):4.500;楼板的计算厚度(mm):120.000;施工期平均气温(℃):25.000;4、板底方木参数板底方木选用木材:杉木;方木弹性模量E(N/mm2):9000.000;(N/mm2):11.000;方木抗弯强度设计值fm方木抗剪强度设计值f(N/mm2):1.400;v5、帽木方木参数帽木方木选用木材:杉木;方木弹性模量E(N/mm2):9000.000方木抗弯强度设计值f(N/mm2):11.000;m(N/mm2):1.400;方木抗剪强度设计值fv6、斜撑方木参数斜撑方木选用木材:杉木;方木弹性模量E(N/mm2):9000.000;(N/mm2):11.000;方木抗压强度设计值fv7、立柱方木参数立柱方木选用木材:杉木;方木弹性模量E(N/mm2):9000.000;(N/mm2):10.000;方木抗压强度设计值fv二、模板底支撑方木的验算:本工程模板板底采用方木作为支撑,方木按照简支梁计算;方木截面惯性矩I 和截面抵抗矩W分别为:W = b×h2/6 = 4.000×6.0002 = 144.000 cm3;I = b×h3/12 = 4.000×6.0003/12 = 72.000 cm4;木楞计算简图1、荷载的计算:(1)钢筋混凝土板自重线荷载(kN/m):q1= 25.000×0.120×0.300 = 0.900 kN/m;(2)模板的自重线荷载(kN/m):q2= 0.350×0.300 = 0.105 kN/m;(3)活荷载为施工荷载标准值(kN):p1= 2.000×1.000×0.300 = 0.600 kN;2、抗弯强度验算:最大弯矩考虑为静荷载与活荷载的计算值最不利分配的弯矩之和,计算公式如下:均布荷载 q = 1.2×(q1+q2) = 1.2×(0.900+0.105) = 1.206 kN/m;集中荷载 P = 1.4×p1= 1.4×0.600 = 0.840 kN;最大弯距 M = P×l/4+q×l2/8 = 0.840×1.000/4+1.206×1.0002/8= 0.361 kN;最大支座力 N = P/2+q×l/2 = 0.840+1.206×1.000/2 = 1.023 kN ;截面应力σ = M/W = 0.361/0.144 = 2.505 N/mm2;方木的最大应力计算值为2.505N/mm2,小于方木抗弯强度设计值11.000N/mm2,满足要求!3、抗剪强度验算:最大剪力的计算公式如下:截面抗剪强度必须满足下式:其中最大剪力:V = 1.206×1.000/2+0.840/2 = 1.023 kN;截面受剪应力计算值:T = 3×1.023×103/(2×40.000×60.000) = 0.639 N/mm2;] = 1.400 N/mm2;截面抗剪强度设计值:[fv方木的最大受剪应力计算值为0.639N/mm2,小于方木抗剪强度设计值1.400N/mm2,满足要求!4、挠度验算:最大挠度考虑为静荷载与活荷载的计算值最不利分配的挠度和,按规范规定,挠度验算取荷载标准值,计算公式如下:均布荷载 q = q1+q2 = 0.900+0.105 = 1.005 kN/m;集中荷载 p = 0.600 kN最大变形ω = 5×1.005×1.000×1012/(384×9000.000×72.000×104) +0.600×1.000×109/(48×9000.000×72.000×104)= 2.021 mm;方木的最大挠度为2.021mm,小于最大容许挠度4.000mm,满足要求!三、帽木验算:支撑帽木按照集中以及均布荷载作用下的两跨连续梁计算;集中荷载P取纵向板底支撑传递力:P = 1.206×1.000+0.840 = 2.046 kN;均布荷载q取帽木自重:q = 1.000×0.060×0.080×3.870 = 0.019 kN/m;截面抵抗矩:W = b×h2/6 = 6.000×8.0002/6 = 64.000 cm3;截面惯性矩:I = b×h3/12= 6.000×8.0003/12 = 256.000 cm4;帽木受力计算简图经过连续梁的计算得到帽木剪力图(kN)帽木弯矩图(kN.m)帽木变形图(mm)经过连续梁的计算得到各支座对支撑梁的支撑反力由左至右分别为: R[1] = 2.426 kN;R[2] = 4.169 kN;R[3] = 1.608 kN;最大弯矩 M= 0.222 kN.m;max最大变形ωmax = 0.118 mm;最大剪力 Vmax= 2.494 kN;截面应力σ = 3.462 N/mm2。
(180mm厚)扣件式钢管支架楼板模板安全计算书一、计算依据1、《建筑施工扣件式钢管脚手架安全技术规范》JGJ 130-20112、《混凝土结构设计规范》GB50010-20103、《建筑结构荷载规范》GB 50009-20124、《钢结构设计规范》GB 50017-20035、《建筑施工临时支撑结构技术规范》JGJ300-2013二、计算参数简图:(图1)平面图(图2)纵向剖面图1(图3)横向剖面图2三、面板验算根据规范规定面板可按简支跨计算,根据施工情况一般楼板面板均搁置在梁侧模板上,无悬挑端,故可按简支跨一种情况进行计算,取b=1m单位面板宽度为计算单元。
W=bh2/6=1000×182/6=54000mm3, I=bh3/12=1000×183/12=486000mm41、强度验算A.当可变荷载Q1k为均布荷载时:由可变荷载控制的组合:q1=1.2[G1k+(G2k+G3k)h]b+1.4Q1k b=1.2×(0.3+(24+1.1)×180/1000)×1+1.4×2.5×1=9.282kN/m由永久荷载控制的组合:q2=1.35[G1k+(G2k+G3k)h]b+1.4×0.7Q1k b=1.35×(0.3+(24+1.1)×180/1000)×1+1.4×0.7×2.5×1=8.954kN/m取最不利组合得:q=max[q1,q2]= max(9.282,8.954)=9.282kN/m(图4)可变荷载控制的受力简图1B.当可变荷载Q1k为集中荷载时:由可变荷载控制的组合:q3=1.2[G1k+(G2k+G3k)h]b=1.2×(0.3+(24+1.1)×180/1000)×1=5.782kN/m p1=1.4Q1k=1.4×2.5=3.5kN(图5)可变荷载控制的受力简图2由永久荷载控制的组合:q4=1.35[G1k+(G2k+G3k)h]b=1.35×(0.3+(24+1.1)×180/1000)×1=6.504kN/mp2=1.4×0.7Q1k=1.4×0.7×2.5=2.45kN取最不利组合得:(图6)永久荷载控制的受力简图(图7)面板弯矩图M max= 0.148kN·mσ=M max/W=0.148×106/54000=2.732N/mm2≤[f]=25N/mm2满足要求2、挠度验算q k=(G1k+(G3k+G2k)×h)×b=(0.3+(24+1.1)×180/1000)×1=4.818kN/m(图8)正常使用极限状态下的受力简图(图9)挠度图ν=0.008mm≤[ν]=150/400=0.375mm满足要求四、次梁验算当可变荷载Q1k为均布荷载时:计算简图:(图10)可变荷载控制的受力简图1 由可变荷载控制的组合:q1=1.2[G1k+(G2k+G3k)h]a+1.4Q1k a=1.2×(0.3+(24+1.1)×180/1000)×150/1000+1.4×2.5×150/1000=1.392kN/m 由永久荷载控制的组合:q2=1.35[G1k+(G2k+G3k)h]a+1.4×0.7Q1k a=1.35×(0.3+(24+1.1)×180/1000)×150/1000+1.4×0.7×2.5×150/1000=1.343kN/m 取最不利组合得:q=max[q1,q2]= max(1.392,1.343)=1.392kN/m当可变荷载Q1k为集中荷载时:由可变荷载控制的组合:q3=1.2[G1k+(G2k+G3k)h]a=1.2×(0.3+(24+1.1)×180/1000)×150/1000=0.867kN/m p1=1.4Q1k=1.4×2.5=3.5kN(图11)可变荷载控制的受力简图2由永久荷载控制的组合:q4=1.35[G1k+(G2k+G3k)h]a=1.352×(0.3+(24+1.1)×180/1000)×150/1000=0.977kN/m p2=1.4×0.7Q1k=1.4×0.7×2.5=2.45kN(图12)永久荷载控制的受力简图1、强度验算(图13)次梁弯矩图(kN·m)M max= 0.535kN·mσ=M max/W=0.535×106/(83.333×103)=6.417N/mm2≤[f]=13N/mm2满足要求2、抗剪验算(图14)次梁剪力图(kN)V max= 3.63kNτmax=V max S/(Ib0)=3.63×103×62.5×103/(416.667×104×5×10)=1.089N/mm2≤[τ]= 1.4N/mm2满足要求3、挠度验算挠度验算荷载统计,q k=(G1k+(G3k+G2k)×h)×a=(0.3+(24+1.1)×180/1000)×150/1000=0.723kN/m(图15)正常使用极限状态下的受力简图(图16)次梁变形图(mm)νmax=0.114mm≤[ν]=1×1000/400=2.5 mm满足要求五、主梁验算在施工过程中使用的木方一般为4m长,型钢的主梁也不超过4m,简化为四跨连续梁计算,即能满足施工安全需要,也符合工程实际的情况。
承插型盘扣式楼板模板支架计算书依据规范:《建筑施工承插型盘扣式钢管支架安全技术规程》JGJ231-2010《建筑施工模板安全技术规范》JGJ 162-2008《建筑结构荷载规范》GB50009-2012《钢结构设计规范》GB50017-2003《混凝土结构设计规范》GB50010-2010《建筑地基基础设计规范》GB50007-2011《建筑施工扣件式钢管脚手架安全技术规范》JGJ130-2011计算参数:盘扣式脚手架立杆钢管强度为300N/mm2,水平杆钢管强度为205.0 N/mm2,钢管强度折减系数取0.90。
模板支架搭设高度为6.0m,立杆的纵距 b=0.90m,立杆的横距 l=0.90m,脚手架步距 h=1.50m。
立杆钢管类型选择:Bs-LG-3000(Φ48×2.7×3000);横向水平杆钢管类型选择:A-SG-900(Φ48×2.5×840);纵向水平杆钢管类型选择:A-SG-900(Φ48×2.5×840);横向跨间水平杆钢管类型选择:A-SG-900(Φ48×2.5×840);面板厚度15mm,剪切强度1.4N/mm2,抗弯强度12.0N/mm2,弹性模量4200.0N/mm2。
木方40×80mm,间距200mm,木方剪切强度1.3N/mm2,抗弯强度15.0N/mm2,弹性模量9000.0N/mm2。
梁顶托采用双钢管φ48×2.8mm。
模板自重0.20kN/m2,混凝土钢筋自重25.10kN/m3。
倾倒混凝土荷载标准值1.00kN/m2,施工均布荷载标准值3.00kN/m2。
图盘扣式楼板支撑架立面简图图楼板支撑架立杆稳定性荷载计算单元钢管惯性矩计算采用 I=π(D4-d4)/64,抵抗距计算采用 W=π(D4-d4)/32D。
一、模板面板计算面板为受弯结构,需要验算其抗弯强度和刚度。
模板面板的按照简支梁计算。
静荷载标准值q1 = 25.100×0.180×0.900+0.200×0.900=4.246kN/m活荷载标准值q2 = (1.000+3.000)×0.900=3.600kN/m面板的截面惯性矩I和截面抵抗矩W分别为:W=33.750cm3 I=25.312cm4(1)抗弯强度计算f = M / W < [f]其中 f ——面板的抗弯强度计算值(N/mm2);M ——面板的最大弯距(N.mm);W ——面板的净截面抵抗矩;[f] ——面板的抗弯强度设计值,取12.00N/mm2;M = 0.125ql2其中 q ——荷载设计值(kN/m);经计算得到M = 0.125×(1.20×4.246+1.40×3.600)×0.200×0.200=0.051kN.m 经计算得到面板抗弯强度计算值 f = 0.051×1000×1000/33750=1.502N/mm2面板的抗弯强度验算 f < [f],满足要求!(2)挠度计算v = 5ql4 / 384EI < [v] = l / 400面板最大挠度计算值v = 5×4.246×2004/(384×4200×253125)=0.083mm面板的最大挠度小于200.0/250,满足要求!二、支撑木方的计算木方按照均布荷载计算。
1.荷载的计算(1)钢筋混凝土板自重(kN/m):q11= 25.100×0.180×0.200=0.904kN/m(2)模板的自重线荷载(kN/m):q12= 0.200×0.200=0.040kN/m(3)活荷载为施工荷载标准值与振捣混凝土时产生的荷载(kN/m):经计算得到,活荷载标准值 q2= (3.000+1.000)×0.200=0.800kN/m静荷载q1 = 1.20×0.904+1.20×0.040=1.132kN/m活荷载q2 = 1.40×0.800=1.120kN/m计算单元内的木方集中力为(1.120+1.132)×0.900=2.027kN 2.木方的计算按照三跨连续梁计算,计算公式如下:均布荷载 q = P/l = 2.027/0.900=2.252kN/m最大弯矩 M = 0.1ql2=0.1×2.25×0.90×0.90=0.182kN.m 最大剪力Q=0.6ql = 0.6×0.900×2.252=1.216kN最大支座力N=1.1ql = 1.1×0.900×2.252=2.230kN龙骨的截面力学参数为本算例中,截面惯性矩I和截面抵抗矩W分别为:截面抵抗矩 W = 42.67cm3;截面惯性矩 I = 170.67cm4;(1)龙骨抗弯强度计算抗弯计算强度 f = M/W =0.182×106/42666.7=4.28N/mm2龙骨的抗弯计算强度小于15.0N/mm2,满足要求!(2)龙骨抗剪计算最大剪力的计算公式如下:Q = 0.6ql截面抗剪强度必须满足:T = 3Q/2bh < [T]截面抗剪强度计算值T=3×1216/(2×40×80)=0.570N/mm2截面抗剪强度设计值 [T]=1.30N/mm2龙骨的抗剪强度计算满足要求!(3)龙骨挠度计算挠度计算按照规范要求采用静荷载标准值,均布荷载通过变形受力计算的最大支座力除以龙骨计算跨度(即龙骨下小横杆间距)得到q=0.944kN/m最大变形v=0.677ql4/100EI=0.677×0.944×900.04/(100×9000.00×1706667.0)=0.273mm 龙骨的最大挠度小于900.0/400(木方时取250),满足要求!三、托梁的计算托梁按照集中与均布荷载下多跨连续梁计算。
集中荷载取次龙骨的支座力 P= 2.230kN均布荷载取托梁的自重 q= 0.075kN/m。
托梁计算简图0.915托梁弯矩图(kN.m)变形的计算按照规范要求采用静荷载标准值,受力图与计算结果如下:托梁变形计算受力图0.035经过计算得到最大弯矩 M= 0.914kN.m经过计算得到最大支座 F= 11.118kN经过计算得到最大变形 V= 0.515mm顶托梁的截面力学参数为截面抵抗矩 W = 8.50cm3;截面惯性矩 I = 20.39cm4;(1)顶托梁抗弯强度计算抗弯计算强度 f = M/W =0.914×106/1.05/8496.0=102.46N/mm2顶托梁的抗弯计算强度小于205.0N/mm2,满足要求!(2)顶托梁挠度计算最大变形 v = 0.515mm顶托梁的最大挠度小于900.0/400,满足要求!四、立杆的稳定性计算荷载标准值作用于模板支架的荷载包括静荷载、活荷载和风荷载。
1.静荷载标准值包括以下内容:(1)脚手架钢管的自重(kN):N G1= 0.099×6.010=0.594kN钢管的自重计算参照《盘扣式规范》附录A 。
(2)模板的自重(kN):N G2= 0.200×0.900×0.900=0.162kN(3)钢筋混凝土楼板自重(kN):N G3= 25.100×0.180×0.900×0.900=3.660kN经计算得到,静荷载标准值 N G = (N G1+N G2) = 4.415kN。
2.活荷载为施工荷载标准值与振捣混凝土时产生的荷载。
经计算得到,活荷载标准值 N Q= (3.000+1.000)×0.900×0.900=3.240kN 3.不考虑风荷载时,立杆的轴向压力设计值计算公式N = 1.20N G + 1.40N Q五、立杆的稳定性计算不考虑风荷载时,立杆的稳定性计算公式其中 N ——立杆的轴心压力设计值,N = 9.83kNφ——轴心受压立杆的稳定系数,由长细比 l0/i 查表得到;i ——计算立杆的截面回转半径 (cm);i = 1.60A ——立杆净截面面积 (cm2); A = 3.84W ——立杆净截面抵抗矩(cm3);W = 4.12σ ——钢管立杆抗压强度计算值 (N/mm2);[f] ——钢管立杆抗压强度设计值,[f] = 270.00N/mm2;l0——计算长度 (m);参照《盘扣式规范》2010,由公式计算顶部立杆段:l0 = h'+2ka (1)非顶部立杆段:l0 = ηh (2)η——计算长度修正系数,取值为1.200;k ——计算长度折减系数,可取0.7;a ——立杆上端伸出顶层横杆中心线至模板支撑点的长度;a = 0.20m;l0=1.800m;λ=1800/16.0=112.189, φ=0.393σ=9834/(0.393×384.2)=51.144N/mm2,立杆的稳定性计算σ< [f],满足要求! 考虑风荷载时,立杆的稳定性计算公式为:风荷载设计值产生的立杆段弯矩 M W依据扣件脚手架规范计算公式5.2.9M W=0.9×1.4W k l a h2/10其中 W k——风荷载标准值(kN/m2);W k=u z×u s×w0= 0.300×1.000×0.126=0.038kN/m2h ——立杆的步距,1.50m;l a——立杆迎风面的间距,0.90m;l b——与迎风面垂直方向的立杆间距,0.90m;风荷载产生的弯矩 M w=0.9×1.4×0.038×0.900×1.500×1.500/10=0.010kN.m;N w——考虑风荷载时,立杆的轴心压力最大值;立杆N w=1.200×4.415+1.400×3.240+0.9×1.400×0.010/0.900=9.848kNl0=1.8m;λ=1800/16.0=112.189, φ=0.393σ=9848/(0.393×384.2)+10000/4121=53.112N/mm2,立杆的稳定性计算σ< [f],满足要求!模板承重架应尽量利用剪力墙或柱作为连接连墙件,否则存在安全隐患。
六、盘扣式模板支架整体稳定性计算盘扣式模板支架架体高度小于8m,依据规范不需要进行整体抗倾覆验算。