箱涵模板支架计算书
- 格式:docx
- 大小:46.85 KB
- 文档页数:10
K12+550—K19+605.4德商高速公路TJ-4合同段箱涵通模板计算书计算:复核:审核:中交一公局第三工程有限公司德商项目部2013年01月27日目录1设计依据 (2)2、用料说明 (2)3、模板焊接要求 (2)4、模板组装、运输、拆卸说明 (2)5、模板受力计算 (3)5.1混凝土侧压力计算 (3)5.2面板验算: (3)6模板竖向变形计算: (4)7横向变形计算 (4)8连接螺栓强度校核: (5)9拉杆强度 (5)1设计依据《钢结构设计规范》GB50017-2003《建筑工程大模板计算规程》JGJ74-2003《刚结构设计手册》中国建筑工业出版社第三版《建筑施工计算手册》中国建筑工业出版社第二版《建筑工程模板设计与安装》中国建筑工业出版社第一版《刚结构设计计算》中国机械工业出版社第二版《工程力学》、《结构力学》化学工业出版社第一版建设单位、监理单位下发的模板准入的文件要求德商高速【2012】25号《关于实行模板准用证制度的通知》德商高速【2013】4号《关于德州至商丘高速公路范县段建设项目模板准入单位的通知》2、用料说明面板采用δ5mm,面板分格间距375mm*375mm范围内;背肋采用双8#【,布置间距750mm 范围内;边肋采用-80*12扁钢。
横肋采用8#【,橫肋最大间距400mm;连接边肋孔为ψ18,采用M16螺栓,螺栓间距200mm左右1个;对拉杆采用ψ16拉杆,配用ψ20PPC管,模板钻孔ψ22;拉杆间距控制在750mm*750mm范围内;模板顶模考虑圆管、丝杠支撑间距控制,在750mm*750mm范围内。
3、模板焊接要求边肋:满焊,焊道高度5mm,焊道宽度10mm,焊道长度35-45mm,到达国家二级焊接标准芯料与竖肋:十字交叉焊接,焊道高度5mm,焊道宽度10mm,焊道长度25-35mm,达到国家二级焊接标准。
4、模板组装、运输、拆卸说明4.1施工现场组装拼接时需按组装时的编号进行拼组,此编号是组装时已调试过的。
附件雨水箱涵支架模板设计计算书1、工程概况本项目位于昆明市五华区及翠湖片区,涉及雨水箱涵路段及箱涵结构尺寸如下:序号道路名称管道尺寸1茭菱路4m*2m;4m*1.5m2西园北路4m*2m3东风西路南段3m*2m4青云街2m*1.5m5翠湖北路 2.5m*1.7m6翠湖南路2m*1.4m7翠湖西路 2.5m*1.7m/1.8m*1.7m2、计算依据:1、《建筑施工扣件式钢管脚手架安全技术标准》T/CECS699-20202、《建筑施工脚手架安全技术统一标准》GB51210-20163、《建筑施工扣件式钢管脚手架安全技术规范》JGJ130-20114、《建筑施工模板安全技术规范》JGJ162-20085、《混凝土结构设计规范》GB50010-20106、《建筑结构荷载规范》GB50009-20127、《钢结构设计标准》GB50017-20173、设计计算说明及技术参数3.1、设计计算说明本支架模板体系设计适用于五华区排水管网清污分流及综合管廊配套工程(第一标段)所有雨水箱涵,按照最不利工况组合进行结构设计。
根据本工程箱涵尺寸确定以茭菱路及西园北路4m*2m雨水箱涵作为结构设计的标准断面。
各类型雨水箱涵及结构尺寸如下:3.2参数信息3.2.1支架参数计算支架形式为满布扣件式钢管脚手架,搭设最大高度为2米,立杆采用单立管。
搭设尺寸为:立杆纵距l a =0.9米(轴向),立杆横距l b =1米(横向),立杆步距h=1.2米,钢管上设U 形托支撑,下设垫木。
采用的钢管类型为Φ48.3×3.6(根据市场实际情况计算按壁厚2.8,余同)。
木楞(次梁)采用10cm ×5cm 的A-3型松木(针叶林),间距0.9m ;主梁采用双钢管,间距1m 。
模板采用1.5cm 覆面木胶合板,拉杆采用M14螺杆采用竖向0.5m ,纵向0.8m 布局。
具体布置如下:3.2.2工程属性3.2.3荷载设计注:脚手架位于基坑内,风荷载忽略不计。
箱涵模板支架计算书目录一、计算依据 (2)二、支架总体布置 (2)三、荷载计算 (3)四、结构验算 (2)五、侧模板检算 (7)六、地基检算 (11)《建筑施工模板安全技术规范》 JGJ162—2008《钢结构设计规范》 GB 50017—2003《木结构设计规范》 GB 50005—2003《建筑施工碗扣式钢管脚手架安全技术规范》 JGJ166-2016鹤山市滨江路工程两阶段施工图设计(修编稿)二、支架总体布置本涵洞为钢筋混凝土箱涵,内空尺寸为4*6m,两边侧墙厚度50cm,顶板、底板厚度60cm,侧墙顶板采用满堂支架法现浇施工,支架采用普通碗扣式满堂支架,碗扣式支架间距为90×90cm,横杆步距为120cm,横向每3排立杆设一道剪刀撑,剪刀撑与地面成45°~60°角,搭接长度不小于1m,且不少于两个转角扣件。
支架顶端设置顶托,顶托上按照支架纵向间距设置两根Φ48mm、壁厚3.5mm钢管作为横梁,横梁上布置10×10cm方木作为纵梁,纵梁横向方木中心间距30cm。
顶模板和边墙模板采用竹胶板,长2.44m,宽1.22m,厚20mm。
模板支架示意图如下:图1 模板支架示意图1、荷载组合(1) 模板及支架自重标准值G 1k =0.5 kN/m 2(2) 新浇筑混凝土自重标准值G 2k ,混凝土容重取26 kN/m 3 (3) 钢筋自重标准值G 3k =1.5kN/m 2(4) 新浇筑混凝土对侧面模板的压力标准值G 4k (5) 施工人员和施工设备荷载标准值Q 1k =2.5 kN/m 2 (6) 振捣混凝土时产生的荷载标准值Q 2k水平模板取2 kN/m 2;垂直模板取4 kN/m 2(7) 倾倒混凝土时产生的水平荷载标准值Q 3k =2 kN/m 2 顶板模板以及支架等计算强度用(1)+(2)+(3)+(6)组合,荷载选用设计值; 刚度用(1)+(2)+(3)组合,荷载选用标准值。
#NAME?3、涵台侧模面板验算3.1、由于跨度大于三跨,计算时按三跨连续梁考虑,计算跨度取1000mm 3.2、计算简图如右:附件:K195+025.00 通道涵模板、支架计算一、工程概况该涵洞中心桩号K195+025.00,交角120°,为单跨(跨径6.0m )钢筋砼盖板涵(暗涵)。
洞身尺寸为6.0x4.0m ;涵长47.76m ,分为8个施工节段施工。
整体式基础、涵台及梯形盖板采用立模现浇工艺,模板采用木模板。
二、涵台侧模计算1、涵台侧模布置涵台侧模采用木模。
面板采用1.5cm竹胶板;横肋采用10*10cm方木,间距30cm;竖向对拉肋为2根10*10cm方木,间距120cm;对拉杆纵向间距120cm。
布置图如下。
新浇混凝土对模板的侧压力:#NAME?#NAME?12122000.22T 15c f v γββ==+()c h γ=2/,c KN m f r h >。
2/KN m 2/,cKN m r 2/KN m 2/KN m 。
303030q A DCB#NAME?挠度满足要求5、涵台侧模对拉肋验算#NAME?5.1、强度验算:#NAME?4.1、强度验算:#NAME?#NAME?#NAME?4.2、挠度验算:#NAME?#NAME?#NAME?3.5、挠度验算:#NAME?#NAME?挠度满足要求4、涵台侧模横肋验算#NAME?3.3、荷载计算:#NAME?3.4、强度验算:#NAME?210.08M ql ==26bh W ==3mm 1M W σ==22/12/N mm fm N mm <= 强度满足要求312bh I ==4mm 120120120qA D CB 210.08M ql ==26bh W ==3mm 1M Wσ==212/fm N mm σ<= 强度满足要求2/N mm 312bh I ==4mm 210.08M ql ==4max 0.677*100ql f EI ==4max 0.677*100ql f EI ==#NAME?#NAME?2.4、强度验算:模板重量:g 2=41.5*0.02*0.6*10=4.98KN钢筋混凝土重 g 3= 41.5*0.7*26= 775.3KN施工荷载与其他荷载 g 4=20 KN2、盖板底模面板计算:2.1、由于跨度大于三跨,计算时按三跨连续梁考虑, 取1m 宽的板条作为计算单元。
第九章计算书及相关说明一计算说明本模板支架工程在箱涵结构底板施工完成的前提下进行,支架立杆直接支承在框架结构钢筋混凝土底板上,不需检算立杆地基承载力。
1、材料的物理力学性能指标材料的物理力学性能指标详见“第9页材料的力学性能指标”。
2、计算依据《建筑施工碗扣式钢管脚手架安全技术规范》(JGJ166-2008);《建筑施工模板安全技术规范》(JGJ162-2008)。
二箱梁顶板荷载分析计算1、荷载计算模板及模板支撑架荷载Q1:1.1、内模(包括支撑架):取q1-1=1.0KN/m2;1.2、侧模:取q1-2=0.8KN/m2;1.3、底模:取q1-3=0.6KN/ m2;1.4、碗扣脚手架荷载:按支架搭设高度8.2米计算(含剪刀撑)q1=3.0KN/m2。
-4(2)箱梁混凝土荷载Q2:2暗梁处荷载Q2暗=1×1×1.7×2.4×1.12×10=45.6kN/m2(取底板跨中处荷载Q2中=1×1×(0.22+0.4)×2.4×1.12×10=16.6kN/m最厚处)(3)施工荷载Q3:施工人员及设备荷载取q3-1=1.0KN/m2。
查《建筑施工碗口式钢管脚手架安全技术规范》4.2.5条取值水平模板的砼振捣荷载,取q3-2=2 KN/m2,查《建筑施工碗口式钢管脚手架安全技术规范》4.2.5条取值。
(4) 水平模板的混凝土振捣荷载,取q4=2 KN/m2、立杆受力计算单肢立杆轴向力:计算公式:N=(1.2Q1 + 1.4Q 活)×Lx×Ly+1.2×Q2×Lx×Ly式中:Lx、Ly ——单肢立杆纵向及横向间距。
Q1——模板支撑架自重标准值Q活——施工活荷载标准值Q2——新浇筑混凝土和钢筋荷载标准值(1)在跨端暗梁断面位置,最大分布荷载:N=(1.2Q1 +1.4Q活)×Lx×Ly +1.2 ×Q2×Lx×Ly=[1.2×3.6+1.4×3] ×0.6×0.6+1.2×45.6×0.6×0.6=22.8KNLx、Ly ——单肢立杆纵向及横向间距,立杆分布纵向0.6m,横向0.6m,立杆步距1.2m ,则单根立杆受力:N=22.8KN<[N]=40 KN(步距1.2m )(2)跨中底板位置立杆计算:N=(1.2Q1 +1.4Q活)×Lx×Ly+1.2 Q2×Lx×Ly=[1.2(q1-1+q1-2+q1-3+q1-4)+1.4q活] ×Lx×Ly +1.2×q2×Lx×Ly=[1.2×5.4+1.4×3] ×0.9×0.9+1.2×16.6×0.9×0.9=24.8KNLx、Ly ——单肢立杆纵向及横向间距,立杆分布纵向0.9m,横向0.9m,立杆步距)1.2m.则单根立杆受力:N=24.8KN<[N]=30 KN (1.2m步距)2、地基承载力验算地基处理采用10cmC20混凝土加30㎝3:7灰土,上垫10×10㎝方木,根据力的扩散原则,计算人工回填重型压实土层荷载。
一、主要材料及计算参数1.1支架立杆:ф48×t:3.2mm Q345A fc =300N/mm2 E=2.06×105N/mm2截面积A=450mm2惯性距I=11.36cm4抵抗距W=4.73 cm4回转半径i=15.9mm每米长自重G=5.3kg1.2木材容许应力及弹性模量按中华人民共和国交通部标准《公路桥涵钢结构及木结构设计规范》(JTJ025-86)标准。
落叶松,容重:γ=8.33KN/m3,顺纹弯应力[σw]=12MPa,弹性模量E=11×103MPa1.3竹胶板容许应力及弹性模量容重:γ=8KN/m3,弯应力:[σw]=35MPa,弹性模量:弹性模量E=12.0×103Mpa。
二、结构计算施工荷载包括:盖板钢筋混凝土自重,梁模板自重,支架自重,方木自重,施工人员及设备重量,砼浇筑及振捣时产生的荷载等。
计算时盖板自重及支架自重均按恒载考虑组合系数1.2,施工荷载按活载考虑组合系数1.4。
C30钢筋混凝土重力密度取25KN/m³。
根据本盖板涵的结构特点,在施工过程中将涉及到以下荷载形式:①模板及支架自重:a=0.16kN/m2+5.62kN/m2=5.78kN/m2②钢筋混凝土自重:b1=h×γ=0.5×25=12.5kN/m2③方木自重:b3=8.33×0.1=0.833kN/m2④型钢自重b4=2.27/0.048=0.473kN/m2⑤施工人员及机具:c=2.5kN/m2⑥振捣混凝土产生的荷载:d=2.0kN/m2 。
⑦倾倒混凝土时产生的竖向荷载:e=2.0kN/m2 。
2.1脚手架验算1.立杆稳定性计算盖板下部纵向立杆间距90cm,横向立杆间距60cm,步距1.5m布置进行计算:W=1.2×(5.78+12.5+0.833+0.473)+1.4×(2.5+2.0+2.0)=32.6kN/m2脚手架布设为60cm×90cm×150cm每根立杆承荷载为:P=qA=32.6×0.9×0.6=17.6kN根据《建筑施工承插型盘扣件钢管支架安全技术规程》有关模板支架立杆的稳定性计算公式:N/ΦA≤fN—钢管所受的垂直荷载,同前计算所得;f—钢材的抗压强度设计值,f=300MPa参考《建筑施工承插型盘扣件钢管支架安全技术规程》附录C得;A—φ48mm×2.5㎜钢管的截面积,取3.57cm2;Φ—轴心受压杆件的稳定系数,根据长细比λ(λ=l0/i)查表即可求得Φ;i—截面的回转半径;l0—立杆计算长度。
箱涵模板支架计算书一、方案选择1、通道涵施工顺序通道涵分三次浇筑,第一次浇至底板内壁以上500mm,第二次浇至顶板以下500mm,第三次浇筑剩余部分。
2、支模架选择经过分析,本通道涵施工决定采用满堂式模板支架,采用扣件式钢筋脚手架搭设。
顶板底模选用18㎜厚九层胶合板,次楞木为50×100,间距为300㎜,搁置在水平钢管ø48×3.5上,水平钢管通过直角扣件把力传给立柱ø48×3.5,立柱纵、横向间距均为500×500㎜,步距1.8m。
侧壁底模为18㎜九层胶合板,次楞木50×100,间距为200㎜,主楞采用ø48×3.5钢管,间距为400mm。
螺栓采用ø12,间距400mm。
满堂支架图如下:具体计算如下。
二、顶板底模计算顶板底模采用18mm厚胶合板,木楞采用50×100mm,间距为300mm。
按三跨连续梁计算1.荷载钢筋砼板自重:0.6×25×1.2=18KN/㎡(标准值17.85KN/㎡)模板重:0.3×1.2=0.36KN/㎡(标准值0.30 KN/㎡)人与设备荷载:2.5×1.4=3.50KN/㎡合计:q=21.9KN/㎡2.强度计算弯矩:M==0.1×21.9×0.32=0.197KN·mq: 均布荷载l:次楞木间距弯曲应力:f ==(0.197×106)/(×1000×182)=3.64 N/mm2M: 弯矩W: 模板的净截面抵抗矩,对矩截面为bh2b: 模板截面宽度,取1mh: 模板截面高度,为18mm因此f<13.0 N/mm2 ,符合要求。
3.挠度计算W==(0.677×(17.85+0.3)×3004)/(100×9.5×103×1000×183/12) <=0.216㎜<300/400=0.75㎜,符合要求.q:均布荷载标准值E: 模板弹性模量,取9.5×103I:模板的截面惯性矩,取三、顶板下楞计算楞木采用50×100mm,间距为300,支承楞木、立柱采用ø48×3.5钢管,立柱间距为500mm。
箱涵满堂支架计算一、工程概况:本项目线路东西两侧穿越规划路有两段箱涵,箱涵长为31米,宽度为4.5米,高为5.4米,箱涵墙身厚为0.5米,底板厚0.5米。
混凝土采用C35混凝土。
施工时分两段明挖现浇施工,先施工底板,墙身与顶板一块浇筑。
顶板浇注时采用搭设满堂支架施工。
二、支架结构箱涵顶板浇注采用满堂支架法施工,满堂支架采用φ48×3.2mm 的钢管,纵横向间距采用90cm,步距为1米。
顶端设置可以调节的顶托,下面设置垫块,防止应力集中。
钢管顶托焊接10[a槽钢,槽钢开口向上,在槽钢上布置φ48×3.2mm的钢管,长度为3.1m,在该横向钢管上设置间距60cm长度4.4m的φ48×3.2mm钢管,第二层钢管上平铺1.2×1.5米的钢模板,钢模板面板厚度为5mm。
三、荷载计算1、箱涵混凝土容重按照26KN/m3计算。
混凝土总重为0.5×3.5×31÷2×26=705.25KN。
单位面积荷载为26×0.5=13KN/m2。
2、模板自重:钢板自重为174kg, 单位面积荷载为174÷1.5÷1.2÷100=0.97KN/m2。
3、施工荷载按2KN/㎡计算。
4、混凝土振捣荷载按2KN/㎡计算。
5、倾倒混凝土产生的荷载按5KN/㎡计算。
6、恒载分项系数1.2,活载分项系数1.4。
四、受力计算箱涵支架受力按照均布荷载计算:恒载分项系数1.2,活载分项系数1.4。
Q=1.2×(13+0.97)+1.4×(2+2+5)=29.36KN/m 2。
1、钢模板受力计算钢模板支撑在间距为60cm 的钢管上,受力按照连续梁考虑,计算简图如下:内力图如下:x弯矩图x-5.54剪力图内力计算: 根据结构力学求解器求得,最大弯矩M=1.12KN.m最大剪力V=10.67KN钢模板受力通过面板后面的[8承受,其[8的截面抵抗矩W=25.3c m 3, σ=M/W=1.12×106/(25.3×103)=44.3MPa<[σ0]=235 MPa 满足要求。
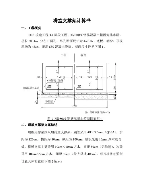
满堂支撑架计算书一、工程概况S343改建工程A4标段工程,K59+019钢筋混凝土箱涵为排水涵,总长28.4m,分左右两孔,单孔断面尺寸为4m×3m,底板、涵身、顶板厚均为45cm,采用C30混凝土浇筑。
断面尺寸详见下图1。
注:图中标注均以cm计;图1 K59+019钢筋混凝土箱涵断面尺寸二、顶板支撑架方案综述顶板支撑架拟采用满堂支撑架,钢管采用,48×3.5mm(Q35A),步距为120cm,横距为80cm,纵距为100cm。
模板采用15mm厚木胶合板,模板支撑主梁采用10cm×10cm方木,间距80cm(无悬挑),次梁采用10cm×5cm方木,间距30cm(最大悬挑40cm)。
剪刀撑按普通型设置具体布置如下图2所示:注:图中标注均以cm计;图2-1 断面尺寸图注:图中标注均以cm计;图2-2 立面布置图三、计算依据1、《建筑施工模板安全技术规范》JGJ162-20082、《混凝土结构设计规范》GB50010-20103、《建筑结构荷载规范》GB 50009-20124、《钢结构设计规范》GB 500 17-2003四、荷载施工人员及设备荷载标准值根据《建筑施工模板安全技术规范》页15取值,模板及其支架自重标准值按《建筑施工模板安全技术规范》页14取值,其中模板支拆均不考虑风荷载。
具体取值详见表1表1 荷载标准值取值表五、面板验算按《建筑施工模板安全技术规范》表A.5.2取面板抗弯强度设计值为12MPa,弹性模量为4200MPa。
根据《建筑施工模板安全技术规范》5.2.1“面板可按简支跨计算”的规定,另据实楼板面板搁置在梁侧模板上,因此按简支梁计算,取1m 单位宽度计算。
计算简图如下:截面抵抗距W=bh2/6=1000×15×15/6=37500mm3,截面惯性矩I=bh3/12=1000×15×15×15/12=281250mm41、强度验算q1=0.9max[1.2(G1k+ (G3k+G2k)×h)+1.4Q1k,1.35(G1k+ (G3k+G2k)×h)+1.4×0.7Q1k]×b=0.9max[1.2×(0.1+(1.1+24)×0.45)+1.4×2.5,1.35×(0.1+(1.1+24)×0.45)+1.4×0.7×2.5] ×1=16.05kN/mq2=0.9×1.35×G1K×b=0.9×1.35×0.1×1=0.122kN/mp=0.9×1.4×0.7×Q1K=0.9×1.4×0.7×2.5=2.205kNM max=max[q1l2/8,q2l2/8+pl/4]=max[16.05×0.32/8,0.122×0.32/8+2.205×0.3/4]= 0.181kN·m最大应力:σ=M max/W=0.181×106/37500=4.815N/mm2≤[f]=12N/mm2满足要求!2、挠度验算取面板自重标准值为0.1KN/m2;最大自重下均布荷载:q=(G1k+(G3k+G2k)×h)×b=(0.1+(1.1+24)×0.45)×1=11.395kN/m挠度:ν=5ql4/(384EI)=5×11.395×3004/(384×4200×281250)=1.017mm≤[ν]=l/250=300/250=1.2mm满足要求!六、小梁验算按《建筑施工模板安全技术规范》附录表A.3.1-3取小梁抗弯强度设计值为11MPa,抗剪强度设计值为1.8MPa,弹性模量为9000MPa。
涵洞模板支架计算(一)、箱涵侧模板承受水平推力1、新浇混凝土对箱涵侧模板的最大水平压力计算(1)箱涵最大浇筑高度:3+0.34-0.5=2.84m(2)箱涵每段第二次浇筑工程量(混凝土):(4.14×0.34+2.5×0.32×2+0.052×2)×24=53.1m3(3)箱涵采用商品混凝土浇筑,其浇筑能力20m3/h,考虑53.1÷20≈3h浇筑完成。
故浇筑速度:2.84÷3=0.9m/h(4)由于在冬季施工,地区按5℃气温考虑。
(5)新浇混凝土对箱涵侧模板的最大水平压力根据《路桥施工计算手册》当混凝土浇筑速度在6m/h以下时作用于侧面模板的最大压力P m按下式计算:P1=K×γ×h当v/T≤0.035时:h=0.22+24.9v/T当v/T >0.035时:h=1.53+3.8v/T式中:P 1—新浇混凝土对侧面模板的最大压力,kPa ; h —有效压头高度,m ;T —混凝土入模时的温度,℃m ;K —外加剂影响修正系数,不加时,K =1;掺缓凝外加剂时,K =1.2 v —混凝土的浇筑速度,m/h ; r —钢筋混凝土容重,取25KN/m 3当0.9/5=0.18>0.035时,新浇混凝土有效压头高度h=1.53+3.8×0.18=2.21(m )故P 1=1.2×25×2.21=66.3kPa2、采用插入式振捣器振捣混凝土,其侧面模板的水平压力取P 2=4.0kPa3、箱涵侧模板承受水平推力P =P 1+P 2=66.3+4=70.3kPa (二)墙体模板计算墙体外模板均采用1.2×2.4m 竹胶板,横向、竖向肋板采用10×10cm 方木,墙体两侧模板采用对拉杆固定。
1.横向肋板间距计算:根据《路桥施工计算手册》当墙侧采用木模板时支撑在楞上一般按三跨连续梁计算,按强度和刚度要求确定:取1m 宽的模板,则作用于模板上的线荷载: q=70.3×1=70.3KN/m①按强度要求时的横肋间距:式中:l —横肋间距,mmh —竹胶板厚度,20mm ; b —侧板宽度,取1000mm ; q —作用在模板上的侧压力,N/mm ; ②按刚度要求时的横肋间距:mmq b h l 3513.7010002065.465.4=⨯⨯==取两者式中:l —横肋间距,mmh —竹胶板厚度,20mm ; b —侧板宽度,取1000mm ;q —作用在模板上的侧压力,N/mm ; 两者取较小值,l=323mm ,用320mm 。
箱涵支架计算书集团文件发布号:(9816-UATWW-MWUB-WUNN-INNUL-DQQTY-龙口至青岛公路莱西至城阳段第二合同段箱涵支架设计计算书编号:版本号:发放编号:编制:复核:审核:批准:有效状态:生效日期:中铁四局集团有限公司龙青高速土建二标段项目经理部涵洞支架设计计算书一、支架设计我标段内涵洞支架均采用φ48×3.5mm的钢管进行搭设,支架从上至下依次为1.5~2cm的竹胶板+横向方木(10×10cm,间距45cm)+纵向方木(10×10cm,间距80cm)+钢管支架(纵向间距80cm×横向间距80cm),大小横杆步距均取1.2m,顶层横杆采取双扣件滑移。
底托直接坐立于C25涵洞底板混凝土上,扫地杆距地高度为20cm。
二、、计算依据1、《钢结构设计规范》GB50017-20032、《建筑施工模板安全技术规范》JGJ162-20083、《建筑施工碗扣式脚手架安全技术规范》JGJ166-2008 三三、计算参数1、Q235钢材抗拉、抗压、抗弯强度设计值215MPa,抗剪强度设计值fv=125MPa,弹性模量E=206GPa。
2、脚手架布距1.2m时,单根立杆设计荷载40KPa,立杆延米重取60KN/m,HG-60横杆每根重29N。
3、木材容重:6KN/m3,抗弯强度设计值11MPa,顺纹抗剪强度设计值fv=1.3MPa,弹性模量E=7GPa。
4、2cm竹胶板重:20kg/m25、钢筋混凝土容重:26kN/m36、施工人员及设备荷载标准值:2.5kN/m27、振捣混凝土荷载标准值:2.0kN/m28、倾倒混凝土产生荷载标准值:2.0kN/m29、荷载分项系数:恒载1.2,活载1.4,为偏于安全,计算时将所有荷载按恒载和活载进行叠加组合。
四、荷载标准值计算计算模型取我标段内标准涵节跨径6m×6m,厚度0.6m的顶板进行验算。
盖板区内荷载标准值计算:1、方木重量G1=0.1×6=0.6kN/m22、竹胶板重量G2=0.2kN/m23、支架重量G3=3kN/m24、钢筋砼自重G4=0.6*26=15.6 kN/m2 荷载总重:0.6+0.2+3+15.6=19.4 kN/m2五、横向方木分配梁验算参数计算:I= bh3/12=0.1×0.13/12=8.33×10-6m4W= bh2/6=0.1×0.12/6=1.67×10-4m3横向方木为10×10cm,间距45cm。
钢筋砼框架箱涵模板及支撑计算书以管段内DK55+164.52 1-6.0×5.3m 钢筋砼框架箱涵为例进行模板及支撑系统设计。
1.荷载计算1.1竖向荷载(1)模板及支架自身的重力模板及支架自重按1kN/m 2计。
(2)钢筋砼自重钢筋砼自重按25×1.5kN/m 3×0.5m=18.75 kN/m 2计。
(3)施工人员及机具设备的重力施工人员及机具设备的重力按1 kN/m 2计。
1.2水平荷载(1)新浇砼作用于模板的最大侧压力采用插入式振捣棒时,新浇筑混凝土对模板的侧压力按下列二式进行计算,并取二式中的较小值:2121022.0V t r F c ββ=H r F c = 式中F ------ 新浇筑混凝土对模板的侧压力(kN/m 2);c r ------ 混凝土的重力密度(kN/m 3),取c r =25 kN/m 3;0t ------ 新浇筑混凝土的初凝时间(h ),)15(2000+=T t ,取T=25,0t =5h ; V ------ 混凝土浇筑速度(m/h ),取V =1.0 m/h ; H ------ 混凝土侧压力计算位置处至新浇混凝土顶面的总高度(m ),取H =5.6m 。
1β------ 外加剂影响修正系数;取1β=1.2。
2β------ 混凝土坍落度影响修正系数,取2β=1.15。
2121022.0V t r F c ββ==0.22×25×5×1.2×1.15×1=37.95kN/m 2H r F c ==25×5.6=140 kN/m 2取以上二式中的较小值,F =37.95kN/m 2。
(2)倾倒砼时因冲击产生的荷载倾倒砼时因冲击产生的水平荷载按2.0 kN/m 2计。
1.3荷载组合(1)荷载分项系数模板及支架自重荷载分项系数i γ=1.2;钢筋砼自重荷载分项系数i γ=1.2;施工人员及机具设备荷载分项系数i γ=1.4;新浇筑砼对模板侧面的荷载分项系数i γ=1.2;倾倒砼时产生的荷载分项系数i γ=1.4;(2)竖向荷载组合计算承载能力时荷载组合:1×1.2+18.75×1.2+1×1.4=25.1 kN/m 2。
箱涵满堂支架计算一、工程概况:本项目线路东西两侧穿越规划路有两段箱涵,箱涵长为31米,宽度为4.5米,高为5.4米,箱涵墙身厚为0.5米,底板厚0.5米。
混凝土采用C35混凝土。
施工时分两段明挖现浇施工,先施工底板,墙身与顶板一块浇筑。
顶板浇注时采用搭设满堂支架施工。
二、支架结构箱涵顶板浇注采用满堂支架法施工,满堂支架采用φ48×3.2mm 的钢管,纵横向间距采用90cm,步距为1米。
顶端设置可以调节的顶托,下面设置垫块,防止应力集中。
钢管顶托焊接10[a槽钢,槽钢开口向上,在槽钢上布置φ48×的钢管,长度为,在该横向钢管上设置间距60cm长度的φ48×钢管,第二层钢管上平铺×米的钢模板,钢模板面板厚度为5mm。
三、荷载计算1、箱涵混凝土容重按照26KN/m3计算。
混凝土总重为××31÷2×26=。
单位面积荷载为26×=13KN/m2。
2、模板自重:钢板自重为174kg, 单位面积荷载为174÷÷÷100=m2。
3、施工荷载按2KN/㎡计算。
4、混凝土振捣荷载按2KN/㎡计算。
5、倾倒混凝土产生的荷载按5KN/㎡计算。
6、恒载分项系数,活载分项系数。
四、受力计算箱涵支架受力按照均布荷载计算:恒载分项系数,活载分项系数。
Q=×(13++×(2+2+5)=m 2。
1、钢模板受力计算钢模板支撑在间距为60cm 的钢管上,受力按照连续梁考虑,计算简图如下:内力图如下:x 123456( 1 )( 2 )( 3 )( 4 )( 5 )( 6 )-1.12-1.12-0.820.35-0.82-0.900.46-0.90-0.870.44-0.87-0.900.44-0.900.52弯矩图 x123456( 1 )( 2 )( 3 )( 4 )( 5 )( 6 )6.959.31-8.318.67-8.948.85-8.768.76-8.869.14剪力图内力计算: 根据结构力学求解器求得,最大弯矩M=最大剪力V=钢模板受力通过面板后面的[8承受,其[8的截面抵抗矩W=, σ=M/W=×106/×103)=<[σ0]=235 MPa满足要求。
支架模板计算书一、计算依据 (1)二、支架总体布置 (1)三、荷载计算 (2)四、结构验算 (2)五、侧模板检算 (7)六、地基检算 (11)、计算依据《建筑施工脚手架使用手册》 相关设计图纸及规范 二、支架总体布置本框架桥总体布置为6孔(8+8+( 2-16.5)+8+8)m 框架中桥, 两侧8m 跨顶板边墙厚均为70cm 中孔顶板边墙厚度为135cm 顶板 边墙采用满堂支架法现浇施工,支架采用普通碗扣式满堂支架,碗扣式支架间距为60X 60cm 立杆步距为120cm 横向每6排立杆设一道 剪刀撑,剪刀撑与地面成 45°〜60°角,搭接长度不小于1m 且不 少于两个转角扣件。
支架顶端设置顶托,顶托上按照支架纵向间距设 置两根①48mm 壁厚3.5mm 钢管作为横梁,横梁上布置 10X 10cm 方 木作为纵梁,纵梁横向桥方木中心间距20cm 顶模板采用竹胶板,长2.44m,宽1.22m ,厚15mm 边墙模板采用1.2x1.5m 钢模。
三、 荷载计算《建筑施工模板安全技术规范》 JTJ162 —2008 《钢结构设计规范》 《木结构设计规范》GB 50017 —2003 GB 50005—20031、荷载组合(1) 模板及支架自重标准值G k=0.5 kN/m2(2) 新浇筑混凝土自重标准值G k,混凝土容重取25 kN/m3(3) 钢筋自重标准值G k=1.5kN/m2(4) 新浇筑混凝土对侧面模板的压力标准值G k(5) 施工人员和施工设备荷载标准值Q k=2.5 kN/m2(6) 振捣混凝土时产生的荷载标准值Q2k水平模板取2 kN/m2;垂直模板取4 kN/m2(7) 倾倒混凝土时产生的水平荷载标准值Q3k=2 kN/m2顶板模板以及支架等计算强度用(1)+(2)+(3)+(6) 组合,荷载选用设计值;冈“度用(1)+(2)+(3)组合,荷载选用标准值。
2、荷载系数荷载分项系数,永久荷载为1.2,可变荷载为1.4四、结构验算取最不利截面进行验算取中孔16.5m跨两孔箱涵计算,顶板厚度为135cm箱身正长10m 1、顶板位置顶板下支架横向间距60cm,纵向间距60cm顶板下混凝土面荷载:G2k=1 X 1.35 X 25=33.75kN/m2荷载设计值:q设=1.2 (G ik G2k - Gk) 1.4 Q?k=1.2X( 0.5+33.75+1.5 ) +1.4 X 2=45.7kN/m2何载标准值:q标七你■ G2k ' G3k2= 0.5+33.75+1.5=35.75kN/m①模板检算模板采用15mm竹胶板,按(0.2+0.2+0.2 ) m三跨连续梁计算。
K12+550—K19+605.4德商高速公路TJ-4合同段箱涵通模板计算书计算:复核:审核:中交一公局第三工程有限公司德商项目部2013年01月27日目录1设计依据 (2)2、用料说明 (2)3、模板焊接要求 (2)4、模板组装、运输、拆卸说明 (2)5、模板受力计算 (3)5.1混凝土侧压力计算 (3)5.2面板验算: (3)6模板竖向变形计算: (4)7横向变形计算 (4)8连接螺栓强度校核: (5)9拉杆强度 (5)1设计依据《钢结构设计规范》GB50017-2003《建筑工程大模板计算规程》JGJ74-2003《刚结构设计手册》中国建筑工业出版社第三版《建筑施工计算手册》中国建筑工业出版社第二版《建筑工程模板设计与安装》中国建筑工业出版社第一版《刚结构设计计算》中国机械工业出版社第二版《工程力学》、《结构力学》化学工业出版社第一版建设单位、监理单位下发的模板准入的文件要求德商高速【2012】25号《关于实行模板准用证制度的通知》德商高速【2013】4号《关于德州至商丘高速公路范县段建设项目模板准入单位的通知》2、用料说明面板采用δ5mm,面板分格间距375mm*375mm范围内;背肋采用双8#【,布置间距750mm 范围内;边肋采用-80*12扁钢。
横肋采用8#【,橫肋最大间距400mm;连接边肋孔为ψ18,采用M16螺栓,螺栓间距200mm左右1个;对拉杆采用ψ16拉杆,配用ψ20PPC管,模板钻孔ψ22;拉杆间距控制在750mm*750mm范围内;模板顶模考虑圆管、丝杠支撑间距控制,在750mm*750mm范围内。
3、模板焊接要求边肋:满焊,焊道高度5mm,焊道宽度10mm,焊道长度35-45mm,到达国家二级焊接标准芯料与竖肋:十字交叉焊接,焊道高度5mm,焊道宽度10mm,焊道长度25-35mm,达到国家二级焊接标准。
4、模板组装、运输、拆卸说明4.1施工现场组装拼接时需按组装时的编号进行拼组,此编号是组装时已调试过的。
箱涵模板支架计算书一、计算依据1、重庆保税区一期基础设施项目——空港功能区道理及综合管网工程设计文件;2、重庆保税区一期基础设施项目——空港功能区道路及综合管网工程设计涵洞(K0+000~K0+310)施工方案;3、《公路桥涵施工技术规范》(JTJ041-2000)、《路桥施工技术手册》;4、我国现行的有关设计、施工规范的有关规定和安全法规。
二、计算说明1、K0+000~K0+310段涵洞,其流水断面尺寸为3.5×3.5m,钢筋混凝土断面(顶、底板及墙身)厚度有三种规格,分别为50cm,55cm,70cm。
本计算采用最大断面计算。
2、根据施工方案,在一个流水段内,结构分垫层、底板(带60cm高墙体)、墙体顶板三次完成。
3、箱涵墙体外模板采用1.5×1.5m大型组合钢模板,内模板及顶模采用厚14mm胶合板。
墙体侧模背5×10cm木枋,外模背钢管作为大小楞并设拉杆。
内支架采用碗扣搭设支承顶板荷载,设顶底托抄两层分配枋(管)。
4、模板、支架属于临时结构,其强度设计计算按容许应力法计算。
三、箱涵侧模板系统计算(一)、箱涵侧模板承受水平推力1、新浇混凝土对箱涵侧模板的最大水平压力计算(1)箱涵最大浇筑高度:3.5+0.7-0.6=3.6(m)(2)箱涵每段第二次浇筑工程量(混凝土):{(4.9+2.9×2)×0.7+0.25×0.25}×9.1=70.8(m3)(3)箱涵采用商品混凝土浇筑,其浇筑能力25m3/h,考虑70.8÷25≈3(h)浇筑完成。
故浇筑速度:3.6÷3=1.2(m/h)(4)由于在夏季施工,重庆地区按30℃气温考虑。
(5)新浇混凝土对箱涵侧模板的最大水平压力P1按P=K1K2rh公式计算(路桥施工计算手册)式中:K1——外加剂影响系数,取1.2K2——混凝土拌合物的稠度影响系数,取K2=1.25r——钢筋混凝土容重,取26KN/m3当 1.2/30=0.04>0.035时,新浇混凝土有效压头高度h=1.53+3.8×0.04=1.68(m)故P1=1.2×26×1.68=52.42(KN/㎡)2、采用插入式振捣器振捣混凝土,其侧面模板的水平压力取P2=4.0KN/㎡3、箱涵侧模板承受水平推力P=P1+P2=56.42KN/㎡(二)墙体模板计算1、墙体外模采用1.5×1.5m大型组合钢模,模板之间连接采用U形卡或螺栓连接,竖向按间距0.75m设置双φ48×3钢管,其模板跨径在600~1050mm 之间,水平双普通钢管作支承加固。
箱涵模板支架计算书一、方案选择1、通道涵施工顺序通道涵分三次浇筑,第一次浇至底板内壁以上500mm,第二次浇至顶板以下500mm,第三次浇筑剩余部分。
2、支模架选择经过分析,本通道涵施工决定采用满堂式模板支架,采用扣件式钢筋脚手架搭设。
顶板底模选用18㎜厚九层胶合板,次楞木为50×100,间距为300㎜,搁置在水平钢管ø48×3.5上,水平钢管通过直角扣件把力传给立柱ø48×3.5,立柱纵、横向间距均为500×500㎜,步距 1.8m。
侧壁底模为18㎜九层胶合板,次楞木50×100,间距为200㎜,主楞采用ø48×3.5钢管,间距为400mm。
螺栓采用ø12,间距400mm。
满堂支架图如下:具体计算如下。
二、顶板底模计算顶板底模采用18mm厚胶合板,木楞采用50×100mm,间距为300mm。
按三跨连续梁计算1.荷载钢筋砼板自重:0.6×25×1.2=18KN/㎡(标准值17.85KN/㎡)模板重:0.3×1.2=0.36KN/㎡(标准值0.30 KN/㎡)人与设备荷载:2.5×1.4=3.50KN/㎡合计:q=21.9KN/㎡2.强度计算弯矩:M==0.1×21.9×0.32=0.197KN·mq: 均布荷载l:次楞木间距弯曲应力:f ==(0.197×106)/(×1000×182)=3.64 N/mm2M: 弯矩W: 模板的净截面抵抗矩,对矩截面为bh2b: 模板截面宽度,取1mh: 模板截面高度,为18mm因此f<13.0 N/mm2 ,符合要求。
3.挠度计算W==(0.677×(17.85+0.3)×3004)/(100×9.5×103×1000×183/12) <=0.216㎜<300/400=0.75㎜,符合要求.q:均布荷载标准值E: 模板弹性模量,取9.5×103I:模板的截面惯性矩,取三、顶板下楞计算楞木采用50×100mm,间距为300,支承楞木、立柱采用ø48×3.5钢管,立柱间距为500mm。
楞木线荷载:q=21.9×0.3=6.57KN/㎡(标准值18.15×0.3=5.45N/mm2)(1)、强度计算弯矩:M==0.1×6.57×0.52=0.164KN·m: 楞木截面宽度弯曲应力:f ==(0.164×106)/(×50×1002)=1.968N/mm2因此f<13.0 N/mm2,符合要求。
(2)、挠度计算W==(0.677×(17.85+0.3)×5004)/(100×9.5×103×1000×183/12) <=0.194㎜<500/400=1.25㎜,符合要求.四、支承顶板楞木水平钢管计算顶板支承钢管线荷载:q=25.28×0.5=12.64KN/㎡(标准值18.15×0.5=9.1N/mm2)(1)强度计算弯矩:M=0.107×12.64×0.52=0.338KN.m弯曲应力:f=0.338×106/(5.08×103)=66.5N/mm2<205 N/mm2,符合要求。
(2)挠度计算W=(0.677×9.1×5004)/(100×2.06×105×12.19×104)=0.153㎜<500/400=1㎜,可以。
经计算,模板、楞木及水平支承钢管的强度和挠度均满足要求,下面核算一下扣件的抗滑承载力:立柱纵、横向间距分别为500mm和500mm,则一个扣件承受外力为21.9×0.5×0.5=5.475KN<10 KN,安全。
施工时保证扣件质量与扣件螺栓拧紧力矩(≥40Nm,≤65Nm)。
五、顶板模架立柱强度计算1、立柱所承受荷载上述计算中均未计及满堂架及脚手板的荷载,高 5.3m,步距为1.8m,共3步。
立柱N1: 5.3×0.0384×1.2=0.244KN纵横水平杆取N2:(2+1)×2×0.5×0.0384×1.2= 0.138 KN 剪刀撑N3: (5.3×1.414×4)×0.0384×1.2÷3= 0.460 KN扣件N4:[10×2+15/4+15×1.41×2×2/(5×4)+15×1.41×2/(5×2.5)]×0.0146×1.2=0.549 KN脚手板N5(2层): 0.5×0.5×2×0.35×1.2=0.21KN施工活载N6(1层):0.5×0.5×3×1.4=1.05KN脚手架荷载N7:N7=N1+N2+N3+N4+N5+N6= 2.647 KN板传来荷载N8:0.5×0.5×21.9=5.475 KN共计:一根立柱底部最大轴向压力N=N7+N8=2.647 + 5.475 = 8.122 KN2、立柱稳定性计算立柱步距1.8m,其计算长度l0,参照脚手架立柱取用:l0=1.155×1.5×180=311.85λ=311.85/1.59=196.132总的允许轴向承载压力设计值[N]1=18.55KN,大于实有轴向力 N=8.122 KN,可以。
六、立柱基础计算满堂架立柱支承在600mm厚C30钢筋混凝土底板上。
浇筑顶板混凝土时将至少在底板混凝土浇筑后7天。
立柱基础能达到要求。
七、箱涵侧壁模板计算侧模采用18mm厚胶合板,楞木采用50×100mm,间距200mm,外楞采用ø48×3.5钢管,对拉螺栓采用ø12,间距400mm。
1、荷载箱涵侧壁模板受侧压力取下列二式的较小值:F1=0.22×γc×200/(T+15) ×β1×β2×F2=γc·H式中:γc =24 KN/m3 (混凝土的重力密度)T=25℃(砼入模温度)β1=1.2β2=1.2V=6m/h (砼浇筑速度)H=4.3m (混凝土侧压力计算位置处至新浇筑混凝土顶面的总高度)F1=0.22×24×200/(25+15)×1.2×1.2×=78.83KN/㎡F2=24×4.3=103.2KN/㎡>F1=93.1KN/㎡倾倒混凝土时产生的荷载:取 4 KN/㎡(向模板内供料方法为溜槽、串筒或导管)总荷载:q=93.1×1.2+ 4 ×1.4=117.32KN/㎡2、模板计算按三跨连续梁计算(3)强度计算竖放50×100楞木间距200㎜,模板为18㎜胶合板。
弯矩: M= M==117.32×0.22/10=0.469 KN·m弯曲应力:f= = (0.469×106×6)/(1000×182)=8.685 N/mm2因此f<13.0 N/mm2,符合要求。
(4)挠度计算W==(0.677×(93.1×2004×12)/(100×9500×1000×183)= 0.218 ㎜<200/400=0.5㎜,可以。
3、楞木计算楞木采用50×100mm,间距200mm,外楞采用ø48×3.5钢管,间距400mm.楞木计算线荷载q=117.32×0.2=23.46 KN/㎡(标准值93.1×0.2=18.62 KN/㎡)按三跨连续梁计算(1)、强度计算弯矩: M==0.10×23.46×0.42=0.375 KN·m弯曲应力:f == (0.375×106×6)/(50×1002)=4.5 N/mm2因此f<13.0 N/mm2,符合要求。
(2)、挠度计算W==(0.677×(18.62×4004×12)/(100×9500×50×1003)=0.082 ㎜<400/400=1㎜,可以。
4、外楞计算外楞采用ø48×3.5钢管,对拉螺栓采用ø12,间距400mm外楞计算线荷载q=117.32×0.4=46.93KN/㎡(标准值93.1×0.4=37.24KN/㎡)按三跨连续梁计算(5)强度计算弯矩:M==0.10×46.93×0.42=0.751 KN·m弯曲应力:f == (0.751×106)/(5.08×103)=147 N/mm2<205 N/mm2,符合要求(6)挠度计算W==(0.677×(37.24×4004)/(150×2.06×105×12.19×104)=0.171 ㎜<400/400=1㎜,可以。
5、对拉螺栓计算对拉螺栓采用ø12,间距400mm对拉螺栓:N=0.4×0.4×117.32=18.77KN允许值:[N]=113.1×0.170=19.23KN>18.77 KN 可以八、支承体系满堂模板支架侧向稳定性,主要靠其支撑来保证。
JGJ130规范对满堂模板支架的支撑设置作如下规定:1、满堂模板支架四边与中间每隔四排支架立杆应设置一道纵向剪刀撑,由底至顶连续设置;2、高于4m的模板支架,其两端与中间每隔4排立杆从顶层开始向下每隔2步设置一道水平剪刀撑。
3、每道剪刀撑跨越立杆的根数,不应小于4跨,且不小于6m,跨越立杆最多根数,当斜杆与立杆交角为45°时,不多于7根;当为50°时,不多于6根;当为60°时,不多于5根。
4、剪刀撑斜杆的接长,采用搭接,搭接长不小于1m,应采用不小于2个旋转扣件固接。
施工时应按规范要求实施,能保证整个支架体系符合设计要求,使荷载做到垂直传递,不产生偏心、歪斜;确保立柱计算长度的取值等。