板模板脚手架计算书
- 格式:doc
- 大小:132.50 KB
- 文档页数:9
箱梁模板支架计算书弄广别离立交桥为3-22m等宽截面,根据箱梁截面特点,即取:一、横梁及实腹板段底模板支架计算计算参数:模板支架搭设高度为,立杆的纵距,立杆的横距,立杆的步距。
面板厚度12mm,剪切强度,抗弯强度,弹性模量。
木方100×100mm,间距200mm,剪切强度,抗弯强度,弹性模量。
梁顶托采用100×150mm木方。
模板自重,混凝土钢筋自重,施工活荷载。
采用的钢管类型为48×。
1、模板面板计算面板为受弯结构,需要验算其抗弯强度和刚度。
模板面板的按照三跨连续梁计算。
静荷载标准值×××活荷载标准值q2 = (0.000+2.500)×面板的截面惯性矩I和截面抵抗矩W分别为:本算例中,截面惯性矩I和截面抵抗矩W分别为:××;×××;(1)抗弯强度计算f = M / W < [f]其中f ——面板的抗弯强度计算值(N/mm2);M ——面板的最大弯距(N.mm);W ——面板的净截面抵抗矩;[f] ——面板的抗弯强度设计值,取;其中q ——荷载设计值(kN/m);经计算得到×××1.500)××经计算得到面板抗弯强度计算值×1000×面板的抗弯强度验算f < [f],满足要求!(2)抗剪计算[可以不计算]T = 3Q/2bh < [T]其中最大剪力×××1.500)×截面抗剪强度计算值T=3×3440.0/(2××截面抗剪强度设计值抗剪强度验算T < [T],满足要求!(3)挠度计算v = 0.677ql4 / 100EI < [v] = l / 250面板最大挠度计算值××2004/(100×9000×面板的最大挠度小于400,满足要求!2、模板支撑木方的计算木方按照均布荷载计算。
300x800坡屋面斜梁模板钢管支撑架计算书坡屋面支模荷载计算说明:该坡屋面坡度i=0.283,tanα=0.283 水平面夹角α=15.8°荷载增大系数k=1/cos15.8°=1.04。
以下利用专业软件计算坡屋面结构支模中,大梁及楼板截面高度、模板自重、砼内钢筋含量、每平方米施工荷载等,均乘以1.04后再进行计算。
模板支架搭设高度为17.20米,基本尺寸为:梁截面 B×D=300mm×830mm,梁两侧楼板厚度125mm,梁支撑立杆的横距(跨度方向) l=0.45米,立杆的步距 h=1.50米,梁底布置3道龙骨,梁底小横杆间距0.450m,梁底增加2道承重立杆。
梁顶托采用单钢管: 48×3.0。
立杆上端伸出至模板支撑点长度:0.30米。
采用的钢管类型为48×3.0,采用扣件连接方式。
梁模板支撑架立面简图一、模板面板计算使用模板类型为:胶合板。
面板为受弯结构,需要验算其抗弯强度和刚度。
模板面板按照多跨连续梁计算。
(1)钢筋混凝土板自重(kN/m):q11 = 26.500×0.830×0.450=9.898kN/m(2)模板的自重线荷载(kN/m):q12 = 0.520×0.450×(2×0.830+0.300)/0.300=1.529kN/m(3)活荷载为施工荷载标准值(kN/m):q13 = 2.600×0.450=1.170kN/m均布线荷载标准值为:q = 26.500×0.830×0.450+0.520×0.450×(2×0.830+0.300)/0.300=11.427kN/m均布线荷载设计值为:q1 = 1.0×[1.35×(9.898+1.529)+1.4×0.9×1.170]=16.900kN/m 面板的截面惯性矩I和截面抵抗矩W分别为:本算例中,截面抵抗矩W和截面惯性矩I分别为:W = 45.00×1.50×1.50/6 = 16.88cm3;I = 45.00×1.50×1.50×1.50/12 = 12.66cm4;施工荷载为均布线荷载:计算简图剪力图(kN)弯矩图(kN.m)经过计算得到从左到右各支座力分别为N1=0.951kNN2=3.169kNN3=0.951kN最大弯矩 M1 = 0.048kN.m(1)抗弯强度计算经计算得到面板抗弯强度计算值 f = 0.048×1000×1000/16875=2.817N/mm2面板的抗弯强度设计值 [f],取12.00N/mm2;面板的抗弯强度验算 f < [f],满足要求!(2)挠度计算验算挠度时不考虑可变荷载值,仅考虑永久荷载标准值,故采用均布线荷载标准值q = 11.43kN/m为设计值。
附件雨水箱涵支架模板设计计算书1、工程概况本项目位于昆明市五华区及翠湖片区,涉及雨水箱涵路段及箱涵结构尺寸如下:序号道路名称管道尺寸1茭菱路4m*2m;4m*1.5m2西园北路4m*2m3东风西路南段3m*2m4青云街2m*1.5m5翠湖北路 2.5m*1.7m6翠湖南路2m*1.4m7翠湖西路 2.5m*1.7m/1.8m*1.7m2、计算依据:1、《建筑施工扣件式钢管脚手架安全技术标准》T/CECS699-20202、《建筑施工脚手架安全技术统一标准》GB51210-20163、《建筑施工扣件式钢管脚手架安全技术规范》JGJ130-20114、《建筑施工模板安全技术规范》JGJ162-20085、《混凝土结构设计规范》GB50010-20106、《建筑结构荷载规范》GB50009-20127、《钢结构设计标准》GB50017-20173、设计计算说明及技术参数3.1、设计计算说明本支架模板体系设计适用于五华区排水管网清污分流及综合管廊配套工程(第一标段)所有雨水箱涵,按照最不利工况组合进行结构设计。
根据本工程箱涵尺寸确定以茭菱路及西园北路4m*2m雨水箱涵作为结构设计的标准断面。
各类型雨水箱涵及结构尺寸如下:3.2参数信息3.2.1支架参数计算支架形式为满布扣件式钢管脚手架,搭设最大高度为2米,立杆采用单立管。
搭设尺寸为:立杆纵距l a =0.9米(轴向),立杆横距l b =1米(横向),立杆步距h=1.2米,钢管上设U 形托支撑,下设垫木。
采用的钢管类型为Φ48.3×3.6(根据市场实际情况计算按壁厚2.8,余同)。
木楞(次梁)采用10cm ×5cm 的A-3型松木(针叶林),间距0.9m ;主梁采用双钢管,间距1m 。
模板采用1.5cm 覆面木胶合板,拉杆采用M14螺杆采用竖向0.5m ,纵向0.8m 布局。
具体布置如下:3.2.2工程属性3.2.3荷载设计注:脚手架位于基坑内,风荷载忽略不计。
隧道二衬拱顶模板支架计算书轨行区模板脚手架施做二衬支撑体系结构计算书(1)支模设计模板采用P3015标准组合钢模板,钢架采用工16工字钢弯制而成,钢架纵 向间距750mm,支架采用048x3mm 钢管搭设,横向步距900mm,纵向步距为 750mm,竖向步距起拱线上部为600mm,下部为900mm,支架下方采用15cmxl5cm 的方木作为纵向内楞,具体数据详见下图;工字钢拱架大样示意图标准断面二衬拱架、模板、脚手架支撑示意图4、横向剪刀撑每3米设1501脚手架俯视图(2)二衬的安全计算书①脚手架计算:模板与架的荷载(1.5m)工16工字钢的自重:弧长二11. 363m环向长度二11. 365*2二22. 73m工16工字钢20. 5Kg/m合计20. 5*22. 73二466. OKg方木自重:长度=1. 5*10=15m15cmxl5cm 方木:7KN/m3合计:0. 15*0. 15*15*7=2. 3625KN二2362. 5N 钢模板的自重:弧长11- 774m内模板数量二11. 774/0. 3=40块单块重14. 9Kg合计14. 9*40=596Kg脚手架底部跨度8. 65m ;按长度1. om计算模板与钢架的荷载二((466+596)*10+2362. 5)/(1. 5*8. 65)=1000. 58N/m2 钢管脚手架自重荷载(1.5m):选用048、t二3.0mm的钢管作脚手架,其单位重量3. 3Kg./m横向、竖向脚手架长度二126. 3m*2二253. 0m纵向脚手架长度二1. 5*76=98. 8m剪刀撑脚手架长度二22. 02+58. 65=80. 7m合计432. 5m合计重量二 3. 3*432. 5=1427. 25Kg钢管脚手架的荷载=1427. 25*10/(1. 5*8. 65)=1100 N/m2新浇混凝土自重荷载(1.5m内拱部折算):混凝土自重:混凝土体积V=12. 116*0. 6*1. 5=10. 9 m3密度为2500Kg/ m3自重二10. 9*2500=27250Kg混凝土荷载=27250*10/(1. 5*8. 65)二21001. 9N/m2施工荷载取2500N/m:合计总荷载为25602. 5 N/m2脚手架每区格的面积为0. 9*0. 75=0. 675,为两根钢管受力,每根钢管立柱受力二0. 675*25602. 5/2二8640. 8N选用048、t二3.0mm的钢管作脚手架,有A二424mm2钢管的回转半径i=15. 9mm按强度计算,钢管支柱的受压应力:o = N/A=8640. 8/424=20. 4N/ mm2<f=215 N/ mm2,即钢管脚手架强度满足要求。
盘扣式脚手架计算书计算依据:1、《建筑施工承插型盘扣式钢管支架安全技术规程》 JGJ231-20102、《建筑地基基础设计规范》GB50007—20113、《建筑结构荷载规范》GB50009—20124、《钢结构设计规范》GB50017—2003一、脚手架参数二、荷载设计稳定性)风荷载体型系数μs1。
02搭设示意图盘扣式脚手架剖面图盘扣式脚手架立面图盘扣式脚手架平面图三、横向横杆验算横向横杆钢管类型A-SG-1500 横向横杆自重G khg(kN)0。
05单跨间横杆根数n jg 2 间横杆钢管类型B—SG-1500 间横杆自重G kjg(kN)0。
043 纵向横杆钢管类型B—SG-1500横向横杆抗弯强度设计值(f)(N/mm2205纵向横杆自重G kzg(kN)0.043)横向横杆截面惯性矩I(mm4) 92800 横向横杆弹性模量E(N/mm2)206000横向横杆截面抵抗矩W(mm3)3860承载力使用极限状态q=1.2×(G khg/l b+G kjb×l a/(n jg+1))+1.4×Q kzj × l a /( n jg +1)=1.2×(0。
050/0.9+0.35×1。
8/(2+1))+1。
4×2。
0×1。
8/(2+1)=1.999kN/m 正常使用极限状态q'=(G khg/l b+G kjb×l a/(n jg+1) )+Q kzj × l a /( n jg +1)=(0。
050/0.9+0.35×1。
8/(2+1))+2。
0×1。
8/(2+1)=1。
466kN/m 计算简图如下1、抗弯验算M max=ql b2/8=1。
999×0。
92/8=0.202kN·mσ=M max/W=0。
202×106/3860=52。
43N/mm2≤[f]=205N/mm2满足要求。
板模板(扣件式)计算书计算依据:1、《建筑施工模板安全技术规范》JGJ162-20082、《建筑施工扣件式钢管脚手架安全技术规范》JGJ 130-20113、《混凝土结构设计规范》GB50010-20104、《建筑结构荷载规范》GB 50009-20125、《钢结构设计规范》GB 50017-2003一、工程属性设计简图如下:模板设计平面图模板设计剖面图(楼板长向)模板设计剖面图(楼板宽向)四、面板验算的规定,另据现实,楼板面板应搁置在梁侧模板上,因此本例以简支梁,取1m单位宽度计算。
计算简图如下:W=bh2/6=1000×15×15/6=37500mm3,I=bh3/12=1000×15×15×15/12=281250mm41、强度验算q1=0.9max[1.2(G1k+ (G3k+G2k)×h)+1.4Q1k,1.35(G1k+ (G3k+G2k)×h)+1.4×0.7Q1k]×b=0.9max[1.2×(0.1+(1.1+24)×0.12)+1.4×2.5,1.35×(0.1+(1.1+24)×0.12)+1.4×0.7×2.5] ×1=6.51kN/mq2=0.9×1.2×G1k×b=0.9×1.2×0.1×1=0.11kN/mp=0.9×1.4×Q1K=0.9×1.4×2.5=3.15kNM max=max[q1l2/8,q2l2/8+pl/4]=max[6.51×0.22/8,0.11×0.22/8+3.15×0.2/4]= 0.16kN〃mσ=M max/W=0.16×106/37500=4.21N/mm2≤[f]=15N/mm2满足要求!2、挠度验算q=(G1k+(G3k+G2k)×h)×b=(0.1+(1.1+24)×0.12)×1=3.11kN/mν=5ql 4/(384EI)=5×3.11×2004/(384×10000×281250)=0.02mm ≤[ν]=l/400=200/400=0.5mm 满足要求! 五、小梁验算 小梁类型方木 小梁材料规格(mm) 60×80 小梁抗弯强度设计值[f](N/mm 2)15.44小梁抗剪强度设计值[τ](N/mm 2)1.78小梁弹性模量E(N/mm 2) 9350 小梁截面抵抗矩W(cm 3) 64小梁截面惯性矩I(cm 4) 256因[L/l a ]取整=[8000/900]取整=8,按四等跨连续梁计算,又因小梁较大悬挑长度为200mm ,因此需进行最不利组合,计算简图如下:1、强度验算q 1=0.9max[1.2(G 1k +(G 3k +G 2k )×h)+1.4Q 1k ,1.35(G 1k +(G 3k +G 2k )×h)+1.4×0.7Q 1k ]×b=0.9×max[1.2×(0.3+(1.1+24)×0.12)+1.4×2.5,1.35×(0.3+(1.1+24)×0.12)+1.4×0.7×2.5]×0.2=1.35kN/m因此,q1静=0.9×1.2(G1k+(G3k+G2k)×h)×b=0.9×1.2×(0.3+(1.1+24)×0.12)×0.2=0.72kN/mq1活=0.9×1.4×Q1k×b=0.9×1.4×2.5×0.2=0.63kN/mM1=0.107q1静L2+0.121q1活L2=0.107×0.72×0.92+0.121×0.63×0.92=0.12kN〃mq2=0.9×1.2×G1k×b=0.9×1.2×0.3×0.2=0.06kN/mp=0.9×1.4×Q1k=0.9×1.4×2.5=3.15kNM2=max[0.077q2L2+0.21pL,0.107q2L2+0.181pL]=max[0.077×0.06×0.92+0.21×3.15×0.9,0.107×0.06×0.92+0.181×3.15×0.9]=0.6kN〃mM3=max[q1L12/2,q2L12/2+pL1]=max[1.35×0.22/2,0.06×0.22/2+3.15×0.2]=0.63kN〃mM max=max[M1,M2,M3]=max[0.12,0.6,0.63]=0.63kN〃m σ=M max/W=0.63×106/64000=9.86N/mm2≤[f]=15.44N/mm2满足要求!2、抗剪验算V1=0.607q1静L+0.62q1活L=0.607×0.72×0.9+0.62×0.63×0.9=0.74kNV2=0.607q2L+0.681p=0.607×0.06×0.9+0.681×3.15=2.18kN V3=max[q1L1,q2L1+p]=max[1.35×0.2,0.06×0.2+3.15]=3.16kN V max=max[V1,V2,V3]=max[0.74,2.18,3.16]=3.16kN τmax=3V max/(2bh0)=3×3.16×1000/(2×80×60)=0.99N/mm2≤[τ]=1.78N/mm2满足要求!3、挠度验算q=(G1k+(G3k+G2k)×h)×b=(0.3+(24+1.1)×0.12)×0.2=0.66kN/m 跨中νmax=0.632qL4/(100EI)=0.632×0.66×9004/(100×9350×2560000)=0.11mm≤[ν]=l/400=900/400=2.25mm悬臂端νmax=qL4/(8EI)=0.66×2004/(8×9350×2560000)=0.01mm ≤[ν]=l1/400=200/400=0.5mm满足要求!六、主梁验算Q1k=1.5kN/m2q1=0.9max[1.2(G1k+ (G3k+G2k)×h)+1.4Q1k,1.35(G1k+(G3k+G2k)×h)+1.4×0.7Q1k]×b=0.9max[1.2×(0.5+(1.1+24)×0.12)+1.4×1.5,1.35×(0.5+(1.1+24)×0.12)+1.4×0.7×1.5]×0.2=1.14kN/mq1静=0.9×1.2(G1k+ (G3k+G2k)×h)×b=0.9×1.2×(0.5+(1.1+24)×0.12)×0.2=0.76kN/mq1活=0.9×1.4×Q1k×b=0.9×1.4×1.5×0.2=0.38kN/mq2=(G1k+ (G3k+G2k)×h)×b=(0.5+(1.1+24)×0.12)×0.2=0.7kN/m承载能力极限状态按四跨连续梁,R max=(1.143q1静+1.223q1活)L=1.143×0.76×0.9+1.223×0.38×0.9=1.2kN按悬臂梁,R1=q1l=1.14×0.2=0.23kNR=max[R max,R1]=1.2kN;正常使用极限状态按四跨连续梁,R max=1.143q2L=1.143×0.7×0.9=0.72kN 按悬臂梁,R1=q2l=0.7×0.2=0.14kNR=max[R max,R1]=0.72kN;2、抗弯验算计算简图如下:主梁弯矩图(kN〃m)M max=0.45kN〃mσ=M max/W=0.45×106/5080=88.69N/mm2≤[f]=205N/mm2满足要求!3、抗剪验算主梁剪力图(kN)V max=2.9kNτmax=2V max/A=2×2.9×1000/489=11.85N/mm2≤[τ]=125N/mm2 满足要求!4、挠度验算主梁变形图(mm)νmax=0.37mm跨中νmax=0.37mm≤[ν]=900/400=2.25mm悬挑段νmax=0.1mm≤[ν]=200/400=0.5mm满足要求!七、立柱验算立杆稳定性计算依据《建筑施工扣件式钢管脚手架安全技术规范》JGJ130-2011剪刀撑设置加强型立杆顶部步距h d(mm) 1500 立杆伸出顶层水平杆中心线至支撑点的长度a(mm)200顶部立杆计算长度系数μ1 1.386 非顶部立杆计算长度系数μ21.755钢管类型Ф48×3 立柱截面面积A(mm2) 424立柱截面回转半径i(mm)15.9 立柱截面抵抗矩W(cm3) 4.49抗压强度设计值[f](N/mm2)2051、长细比验算顶部立杆段:l01=kμ1(h d+2a)=1×1.386×(1500+2×200)=2633.4mm 非顶部立杆段:l02=kμ2h =1×1.755×1800=3159mmλ=l0/i=3159/15.9=198.68≤[λ]=210长细比满足要求!2、立柱稳定性验算顶部立杆段:l01=kμ1(h d+2a)=1.155×1.386×(1500+2×200)=3041.577mmλ1=l01/i=3041.577/15.9=191.294,查表得,φ1=0.197 M w=0.92×1.4ωk l a h2/10=0.92×1.4×0.18×0.9×1.82/10=0.06kN〃mN w=0.9[1.2ΣN Gik+0.9×1.4Σ(N Qik+M w/l b)]=0.9×[1.2×(0.5+(24+1.1)×0.12)+0.9×1.4×1]×0.9×0.9+0.92×1.4×0.06/0.9=4.07kNf= N w/(φA)+ M w/W=4065.83/(0.2×424)+0.06×106/4490=61.93N/mm2≤[f]=205N/mm2满足要求!非顶部立杆段:l02=kμ2h =1.155×1.755×1800=3648.645mm λ2=l02/i=3648.645/15.9=229.475,查表得,φ2=0.139 非顶部立杆段:l02=kμ2h =1.155×1.755×1800=3648.645mm λ2=l02/i=3648.645/15.9=229.475,查表得,φ2=0.139 M w=0.92×1.4ωk l a h2/10=0.92×1.4×0.18×0.9×1.82/10=0.06kN〃mN w=0.9[1.2ΣN Gik+0.9×1.4Σ(N Qik+M w/l b)]=0.9×[1.2×(0.75+(24+1.1)×0.12)+0.9×1.4×1]×0.9×0.9+0.92×1.4×0.06/0.9=4.28kNf= N w/(φA)+ M w/W=4284.53/(0.14×424)+0.06×106/4490=85.95N/mm2≤[f]=205N/mm2满足要求!八、可调托座验算满足要求!九、立柱地基基础验算f 42.85kPa≤f ak=70kPa满足要求!。
一、编制依据1、《建筑施工模板安全技术规范》JGJ162-20082、《混凝土结构设计规范》GB50010-20103、《建筑结构荷载规范》GB50009-20124、《钢结构设计规范》GB50017-20035、《建筑施工临时支撑结构技术规范》JGJ300-20136、《施工手册》(第五版)二、工程概况三、施工部署a)技术准备1)根据施工图纸要求计算模板配制数量,确定每个部位模板施工方法,编制模板设计施工方案。
2)项目技术负责人及主管工长对操作班组做好岗前培训,明确模板加工、安装标准及要求。
3)根据施工进度,主管工长提前制定模板加工计划。
b)生产准备四、模板选型及质量要求模板设计及加工质量的标准按清水混凝土质量标准实施,清水混凝土外观要求应达到:表面平整光滑,线条顺直,几何尺寸准确(在允许偏差以内),色泽一致,无蜂窝、麻面、露筋、夹渣和明显的汽泡,模板拼缝痕迹有规律性,结构阴阳角方正且无损伤,上下楼层的连接面平整搭接,表面无需粉刷或仅需涂料罩面即可达到相当于中级抹灰的质量标准。
模板设计及加工在满足模板施工及质量要求的前提下,尽量考虑经济,施工效率等成本因素。
根据本工程施工工期较短、质量标准高的特点,同时考虑经济效益及现场实际情况,模板综合选型如下:柱模板15厚木胶板覆面模板;50×100木方作次龙骨,间距为250。
按柱截面和净高制成定型模板,用钢管柱箍,间距600,φ14螺栓对拉,钢管斜撑固定。
梁模板15mm厚竹胶板梁模板采用15厚木胶板作面板,底面次龙骨采用50×100木方间距150,主龙骨选用φ48×3.5钢管,间距600; 侧模采用15厚木胶板作面板,侧模次龙骨:50×100木方间距250;短钢管作竖楞,间距600。
顶板模板本工程地下室现浇楼板模板采用15mm 厚木胶板,次龙骨选用50×100木方间距250,主龙骨为100×100间距1200,支撑系统采用φ48×3.5满堂扣件式钢管脚手架,支撑间距为1200×1200。
箱梁模板支架计算书弄广分离立交桥为3-22m等宽截面,根据箱梁截面特点,即取:一、横梁及实腹板段底模板支架计算计算参数:模板支架搭设高度为,立杆的纵距b=,立杆的横距l=,立杆的步距h=。
面板厚度12mm,剪切强度mm2,抗弯强度mm2,弹性模量mm2。
木方100×100mm,间距200mm,剪切强度mm2,抗弯强度mm2,弹性模量mm2。
梁顶托采用100×150mm木方。
模板自重m2,混凝土钢筋自重m3,施工活荷载m2。
采用的钢管类型为48×。
1、模板面板计算面板为受弯结构,需要验算其抗弯强度和刚度。
模板面板的按照三跨连续梁计算。
静荷载标准值q1 = ××+×=m活荷载标准值q2 = +×=m面板的截面惯性矩I和截面抵抗矩W分别为:本算例中,截面惯性矩I和截面抵抗矩W分别为:W = ××6 = ;I = ×××12 = ;(1)抗弯强度计算f = M / W < [f]其中f ——面板的抗弯强度计算值(N/mm2);M ——面板的最大弯距;W ——面板的净截面抵抗矩;[f] ——面板的抗弯强度设计值,取mm2;M =其中q ——荷载设计值(kN/m);经计算得到M = ××+×××= 经计算得到面板抗弯强度计算值 f = ×1000×1000/14400=mm2面板的抗弯强度验算f < [f],满足要求!(2)抗剪计算[可以不计算]T = 3Q/2bh < [T]其中最大剪力Q=××+××=截面抗剪强度计算值T=3×(2××=mm2截面抗剪强度设计值[T]=mm2抗剪强度验算T < [T],满足要求!(3)挠度计算v = / 100EI < [v] = l / 250面板最大挠度计算值v = ××2004/(100×9000×86400)=面板的最大挠度小于400,满足要求!2、模板支撑木方的计算木方按照均布荷载计算。
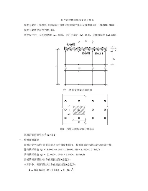
扣件钢管楼板模板支架计算书模板支架的计算参照《建筑施工扣件式钢管脚手架安全技术规范》(JGJ130-2001)。
模板支架搭设高度为25.0米,搭设尺寸为:立杆的纵距 b=1.50米,立杆的横距 l=1.50米,立杆的步距 h=1.50米。
图1 楼板支撑架立面简图图2 楼板支撑架荷载计算单元采用的钢管类型为48×3.5。
一、模板面板计算面板为受弯结构,需要验算其抗弯强度和刚度。
模板面板的按照三跨连续梁计算。
静荷载标准值 q1 = 5.000×0.100×1.500+0.350×1.500=1.275kN/m活荷载标准值 q2 = (0.010+1.000)×1.500=1.515kN/m面板的截面惯性矩I和截面抵抗矩W分别为:本算例中,截面惯性矩I和截面抵抗矩W分别为:W = 150.00×1.80×1.80/6 = 81.00cm3;I = 150.00×1.80×1.80×1.80/12 = 72.90cm4;(1)抗弯强度计算f = M / W < [f]其中 f ——面板的抗弯强度计算值(N/mm2);M ——面板的最大弯距(N.mm);W ——面板的净截面抵抗矩;[f] ——面板的抗弯强度设计值,取15.00N/mm2;M = 0.100ql2其中 q ——荷载设计值(kN/m);经计算得到 M = 0.100×(1.2×1.275+1.4×1.515)×0.300×0.300=0.033kN.m经计算得到面板抗弯强度计算值 f = 0.033×1000×1000/81000=0.406N/mm2面板的抗弯强度验算 f < [f],满足要求!(2)抗剪计算 [可以不计算]T = 3Q/2bh < [T]其中最大剪力 Q=0.600×(1.2×1.275+1.4×1.515)×0.300=0.657kN截面抗剪强度计算值 T=3×657.0/(2×1500.000×18.000)=0.037N/mm2截面抗剪强度设计值 [T]=1.40N/mm2抗剪强度验算 T < [T],满足要求!(3)挠度计算v = 0.677ql4 / 100EI < [v] = l / 250面板最大挠度计算值 v = 0.677×1.275×3004/(100×6000×729000)=0.016mm面板的最大挠度小于300.0/250,满足要求!二、模板支撑木方的计算木方按照均布荷载下连续梁计算。
濮阳宏业生物质热电2000m2冷却塔扣件钢管楼板模板支架计算书编制人:审核人:批准人:日期:编制单位:嘉泰建设发展有限公司扣件钢管楼板模板支架计算书依据规范:《建筑施工模板安全技术规范》JGJ 162-2008《建筑结构荷载规范》GB50009-2012《钢结构设计规范》GB50017-2003《混凝土结构设计规范》GB50010-2010《建筑地基基础设计规范》GB50007-2011《建筑施工木脚手架安全技术规范》JGJ 164-2008计算参数:钢管强度为 N/mm2,钢管强度折减系数取。
模板支架搭设高度为,立杆的纵距 b=,立杆的横距 l=,立杆的步距 h=。
面板厚度18mm,剪切强度mm2,抗弯强度mm2,弹性模量mm2。
木方50×80mm,间距300mm,木方剪切强度mm2,抗弯强度mm2,弹性模量mm2。
梁顶托采用100×100mm木方。
模板自重m2,混凝土钢筋自重m3。
倾倒混凝土荷载标准值m2,施工均布荷载标准值m2。
扣件计算折减系数取。
图1 楼板支撑架立面简图图2 楼板支撑架荷载计算单元按照模板规范条规定确定荷载组合分项系数如下:由可变荷载效应控制的组合S=××++×=m2由永久荷载效应控制的组合S=××+××=m2由于可变荷载效应控制的组合S最大,永久荷载分项系数取,可变荷载分项系数取采用的钢管类型为φ48×。
钢管惯性矩计算采用I=π(D4-d4)/64,抵抗距计算采用W=π(D4-d4)/32D。
一、模板面板计算面板为受弯结构,需要验算其抗弯强度和刚度。
模板面板的按照三跨连续梁计算。
考虑的结构重要系数,静荷载标准值q1 = ×××+×=m考虑的结构重要系数,活荷载标准值q2 = ×+×=m面板的截面惯性矩I和截面抵抗矩W分别为:本算例中,截面惯性矩I和截面抵抗矩W分别为:截面抵抗矩 W = bh2/6 = ××6 = ;截面惯性矩 I = bh3/12 = ×××12 = ;式中:b为板截面宽度,h为板截面高度。
脚手架结构的设计规定和计算方法摘要:《编制建筑施工脚手架安全技术标准的统一规定》(修订稿)对建筑脚手架的荷载计算、设计表达式等计算方法作出了规定。
脚手架的主要验算项目应包括单、双排脚手架的整体稳定性验算,非单、双排脚手架结构和单肢立杆的稳定性验算及水平杆件的强度验算、连墙件验算等。
关键词:脚手架;技术标准;设计规定;计算方法;稳定性验算摘自:建筑技术.1999.第8期1993 年制订并下发的《编制建筑施工脚手架安全技术标准的统一规定》(建标[1993] 062 号,以下简称《统一规定》),对涉及风荷载计算、实用设计表达式等脚手架设计计算方法的有关问题作出了规定。
经4 年的应用和研究,1997年通过并下发了该规定的修订稿,基本上形成了脚手架设计计算方法的框架,成为即将陆续颁布实施的各种建筑施工脚手架安全技术规范的指导性文件。
由脚手架杆(构)件和连接件搭设而成的各种形式的脚手架、支撑架和其他用途架子所形成的脚手架结构,具有其自身的特点,不同于工程结构,不能完全套用钢结构的计算方法,应依据《统一规定》确定的方法和要求进行设计和计算。
1 《统一规定》对脚手架结构设计计算方法的规定1.1 对设计方法和设计要求的规定1.1.1 规定脚手架结构一律采用以概率理论为基础的极限状态设计法(简称概率极限状态设计法,即目前我国工程结构设计采用的方法)进行设计。
1.1.2 规定脚手架结构为临时工程结构,其结构重要性系数γ0取0.9。
1.1.3 对脚手架结构设计可靠度的要求,考虑到无足够统计数据积累的情况,确定其采用概率极限状态设计的结果,应与我国的历史使用经验相一致,即若采用单一系数法进行设计时,其单一安全系数应满足:强度计算时的K1≥1.5;稳定计算时的K2≥2.0 。
为此,在计算式中引人材料强度附加分项系数γ0’或抗力附加分项系数γ’R,γ’R =γ0γ’m=0.9γ’m。
1.1.4 规定钢管脚手架结构归人薄壁型钢结构,在涉及设计焊接连接、选用轴心受压杆件的稳定系数φ时,应使用《冷弯薄壁型钢结构技术规范》(GBJ18-87)。
一、梁模板计算满堂脚手架支撑高度为层高,保险起见支撑高度以顶标高计,不扣除梁高,按照《扣件式钢管模板高支撑架设计和使用安全》中的部分内容验算。
选取梁段: 综合楼,最大梁350×850,该梁是FWKL,支撑高度较小,而且下有混凝土板。
(1)、模板支撑及构造参数梁截面宽度 B(m):0.35;梁截面高度 H(m):0.85m。
立杆纵距(沿梁跨度方向间距)La(m):1.0;脚手架步距(m):1.20;梁两侧立柱间距(m):1.4;采用的钢管类型为Φ48×3.50;扣件连接方式:单扣件,考虑扣件质量及保养情况,取扣件抗滑承载力折减系数:0.80;(2)、荷载参数模板自重(kN/m2):0.41;钢筋自重(kN/m3):1.50;施工均布荷载标准值(kN/m2):2.5;倾倒混凝土时产生的水平荷载标准值(kN/m2):4.0;振捣混凝土荷载标准值(kN/m2):对水平模板可采用2.0;对垂直面模板可采用4.0新浇注混凝土对模板侧面压力标准值:(3)、材料参数木材品种:松木;(或杉树),强度等级按TC13,木材弹性模量E(N/mm2):10000.0;木材抗弯强度设计值fm(N/mm2):13.0;木材抗剪强度设计值fv(N/mm2):1.4;面板类型:胶合面板;面板弹性模量E(N/mm2):9500;面板抗弯强度设计值fm(N/mm2):15.0;(4)、梁底模板参数梁底模板主楞的间距(mm):300.0;面板厚度(mm):120.0;(5)、梁侧模板参数次龙骨间距:400mm,材料为40*60木楞。
穿梁螺栓水平间距(mm):400;主楞(外楞)间距(mm);不等,见下面分析。
穿梁螺栓竖向间距(mm):不等,见下面分析;穿梁螺栓直径(mm):M14;主楞龙骨材料:φ48×3.5钢管;强度验算要考虑新浇混凝土侧压力和振捣混凝土时产生的荷载;不考虑倾倒混凝土时产生的水平荷载,挠度验算只考虑新浇混凝土侧压力。
板模板(套扣式)计算书计算依据:1、《建筑地基基础设计规范》GB50007-20112、《建筑施工承插型套扣式钢管脚手架安全技术规程》DBJ15-98-20143、《建筑施工承插盘扣式钢管支架安全技术规范》JGJ 231-20104、《混凝土结构设计规范》GB 50010-20105、《建筑结构荷载规范》GB 50009-20126、《钢结构设计规范》GB 50017-2003一、工程属性二、荷载设计三、模板体系设计设计简图如下:模板设计平面图纵向剖面图横向剖面图四、面板验算按三等跨连续梁,取1m单位宽度计算。
W=bh2/6=1000×20×20/6=66666.667mm3,I=bh3/12=1000×20×20×20/12=666666.667mm4承载能力极限状态根据《建筑施工承插型套扣式钢管脚手架安全技术规程》DBJ15-98-2014 第4.3节规定可知:q1=1×max[1.2(G1k+(G2k+G3k)×h)+1.4×Q1k,1.35(G1k +(G2k+G3k)×h)+1.4×0.9×Q1k]×b=1×max[1.2×(0.1+(24+1.1)×0.15)+1.4×2.5,1.35×(0.1+(24+1.1)×0.15)+1.4×0.9×2.5] ×1=8.368kN/mq1静=1×[γG(G1k +(G2k+G3k)×h)×b] = 1×[1.35×(0.1+(24+1.1)×0.15)×1]=5.218kN/m q1活=1×(γQφc Q1k)×b=1×(1.4×0.9×2.5)×1=3.15kN/m正常使用极限状态q=(γG(G1k+(G2k+G3k)×h)+γQ×Q1k)×b =(1×(0.1+(24+1.1)×0.15)+1×2.5)×1=6.365kN/m计算简图如下:1、强度验算M max=0.1q1静L2+0.117q1活L2=0.1×5.218×0.352+0.117×3.15×0.352=0.109kN·m σ=M max/W=0.109×106/66666.667=1.636N/mm2≤[f]=16.83N/mm2满足要求!2、挠度验算νmax=0.677ql4/(100EI)=0.677×6.365×3504/(100×9350×666666.667)=0.104mmνmax=0.104mm≤min{350/150,10}=2.333mm满足要求!五、小梁验算根据《建筑施工承插型套扣式钢管脚手架安全技术规程》DBJ15-98-2014 第4.3节规定可知:q1=1×max[1.2(G1k+ (G2k+G3k)×h)+1.4Q1k, 1.35(G1k +(G2k+G3k)×h)+1.4×0.9×Q1k]×b=1×max[1.2×(0.3+(24+1.1)×0.15)+1.4×2.5,1.35×(0.3+(24+1.1)×0.15)+1.4×0.9×2.5]×0.35=3.023kN/m因此,q1静=1×1.35×(G1k +(G2k+G3k)×h)×b=1×1.35×(0.3+(24+1.1)×0.15)×0.35=1.921kN/mq1活=1×1.4×0.9×Q1k×b=1×1.4×0.9×2.5×0.35=1.103kN/m 计算简图如下:1、强度验算M1=0.125q1静L2+0.125q1活L2=0.125×1.921×0.92+0.125×1.103×0.92=0.306kN·mM2=q1L12/2=3.023×0.12/2=0.015kN·mM max=max[M1,M2]=max[0.306,0.015]=0.306kN·mσ=M max/W=0.306×106/64000=4.783N/mm2≤[f]=12.87N/mm2满足要求!2、抗剪验算V1=0.625q1静L+0.625q1活L=0.625×1.921×0.9+0.625×1.103×0.9=1.701kNV2=q1L1=3.023×0.1=0.302kNV max=max[V1,V2]=max[1.701,0.302]=1.701kNτmax=3V max/(2bh0)=3×1.701×1000/(2×60×80)=0.531N/mm2≤[τ]=1.386N/mm2满足要求!3、挠度验算q=(γG(G1k+(G2k+G3k)×h)+γQ×Q1k)×b=(1×(0.3+(24+1.1)×0.15)+1×2.5)×0.35=2.298kN/m挠度,跨中νmax=0.521qL4/(100EI)=0.521×2.298×9004/(100×8415×256×104)=0.365mm≤[ν]=min(L/150,10)=min(900/150,10)=6mm;悬臂端νmax=ql14/(8EI)=2.298×1004/(8×8415×256×104)=0.001mm≤[ν]=min(2×l1/150,10)=min(2×100/150,10)=1.333mm满足要求!六、主梁验算1、小梁最大支座反力计算q1=1×max[1.2(G1k+(G2k+G3k)×h)+1.4Q1k, 1.35(G1k +(G2k+G3k)×h)+1.4×0.9×Q1k]×b=1×max[1.2×(0.5+(24+1.1)×0.15)+1.4×2.5,1.35×(0.5+(24+1.1)×0.15)+1.4×0.9×2.5]×0.35=3.118kN/mq1静=1×1.35×(G1k+(G2k+G3k)×h)×b=1×1.35×(0.5+(24+1.1)×0.15)×0.35=2.015kN/mq1活=1×1.4×0.9×Q1k×b =1×1.4×0.9×2.5×0.35=1.103kN/mq2=(γG(G1k+(G2k+G3k)×h)+γQ×Q1k)×b=(1×(0.5+(24+1.1)×0.15)+1×2.5)×0.35=2.368kN/m承载能力极限状态按二等跨连续梁,R max=1.25q1L=1.25×3.118×0.9=3.507kN按二等跨连续梁按悬臂梁,R1=(0.375q1静+0.437q1活)L +q1l1=(0.375×2.015+0.437×1.103)×0.9+3.118×0.1=1.426kN主梁2根合并,其主梁受力不均匀系数=0.6R=max[R max,R1]×0.6=2.104kN;正常使用极限状态按二等跨连续梁,R'max=1.25q2L=1.25×2.368×0.9=2.664kN按二等跨连续梁悬臂梁,R'1=0.375q2L +q2l1=0.375×2.368×0.9+2.368×0.1=1.036kNR'=max[R'max,R'1]×0.6=1.598kN;采用集中力按中均分布置及作用梁端两种计算模型分析,按三等跨连续梁计算简图如下:主梁计算简图一主梁计算简图二2、抗弯验算主梁弯矩图一(kN·m)主梁弯矩图二(kN·m)σ=M max/W=0.512×106/4490=113.956N/mm2≤[f]=205N/mm2 满足要求!3、抗剪验算主梁剪力图一(kN)主梁剪力图二(kN)τmax=2V max/A=2×3.409×1000/424=16.082N/mm2≤[τ]=125N/mm2 满足要求!4、挠度验算主梁变形图一(mm)主梁变形图二(mm)跨中νmax=0.827mm≤[ν]=min{900/150,10}=6mm悬挑段νmax=0.314mm≤[ν]=min(2×100/150,10)=1.333mm满足要求!5、支座反力计算承载能力极限状态图一支座反力依次为R1=4.087kN,R2=5.635kN,R3=5.926kN,R4=3.288kN 图二支座反力依次为R1=3.68kN,R2=5.788kN,R3=5.788kN,R4=3.68kN 七、可调托座验算按上节计算可知,可调托座受力N=5.926/0.6=9.877kN≤[N]=40kN 满足要求!八、立柱验算1、长细比验算l01=hˊ+2a=1200+2×500=2200mml0=ηh=1.1×1800=1980mmλ=max[l01,l0]/i=2200/15.9=138.365≤[λ]=150满足要求!2、立柱稳定性验算顶部立柱段:λ1=l01/i=2200.000/15.9=138.365查表得:φ=0.357不考虑风荷载:N1 =Max[R1,R2,R3,R4]/0.6=Max[4.087,5.788,5.926,3.68]/0.6=9.877kN f=N1/(ΦA)=9877/(0.357×424)=65.252N/mm2≤[f]=205N/mm2满足要求!考虑风荷载:M w=γ0×γQφcωk×l a×h2/10=1×1.4×0.9×0.169×0.9×1.82/10=0.062kN·mN1w=Max[R1,R2,R3,R4]/0.6+M w/l b=Max[4.087,5.788,5.926,3.68]/0.6+0.062/0.9=9.946kN f=N1w/(φA)+ M w/W=9946/(0.357×424)+0.062×106/4490=79.515N/mm2≤[f]=205N/mm2满足要求!非顶部立柱段:λ=l0/i=1980.000/15.9=124.528查表得,φ1=0.428不考虑风荷载:N=Max[R1,R2,R3,R4]/0.6+1×γG×q×H=Max[4.087,5.788,5.926,3.68]/0.6+1×1.35×0.15×6 =11.092kNf=N/(φ1A)=11.092×103/(0.428×424)=61.122N/mm2≤[σ]=205N/mm2满足要求!考虑风荷载:M w=γ0×γQφcωk×l a×h2/10=1×1.4×0.9×0.169×0.9×1.82/10=0.062kN·mN w=Max[R1,R2,R3,R4]/0.6+1×γG×q×H+M w/l b=Max[4.087,5.788,5.926,3.68]/0.6+1×1.35×0. 15×6+0.062/0.9=11.161kNf=N w/(φ1A)+M w/W=11.161×103/(0.428×424)+0.062×106/4490=75.311N/mm2≤[σ]=205N/mm2满足要求!九、高宽比验算根据《建筑施工承插型套扣式钢管脚手架安全技术规程》DBJ15-98-2014第6.1.5:模板支撑架的高宽比不宜大于3H/B=6/30=0.2≤3满足要求,不需要进行抗倾覆验算!。
模板支撑方案及计算书目录1、编制依据 (1)2、工程概况 (1)3、模板及支撑设计.......................................... 1-44、验算书................................................. 4-834.4地下室大梁模板计算书5、模板支撑架的构造要求.................................. 83-846、模板及支撑的安装...................................... 84-857、模板及支撑的拆除...................................... 85-868、安全注意事项 (88)9、应急预案.............................................. 86-9110、施工图 ........................................................................... .................................... 91-9711、检测报告???????????????????????98模板支撑系统专项方案1.编制依据 1.1施工图纸图纸名称 1.2主要规范、规程规范、规程名称砼结构施工质量验收规范建筑施工模板安全技术规范建筑施工扣件式钢管脚手架安全技术规范 1.3施工组织设计施工组织设计名称编制日期编制人规范、规程编号GB50204―2002 J GJ 162-2021 JGJ130-2001 设计单位 2.工程概况本工程位于 ****************************************工程为地下一层、地上二~三层,地上部分建筑高度9.5米。
本工程的主要高大模板部位为:①、第一层24~27轴/G~N轴中庭,高度为10.9m,梁截面最大为350×1300 mm,板厚为100mm。
濮阳宏业生物质热电2000m2冷却塔扣件钢管楼板模板支架计算书编制人:审核人:批准人:日期:编制单位:嘉泰建设发展有限公司扣件钢管楼板模板支架计算书依据规范:《建筑施工模板安全技术规范》JGJ 162-2008《建筑结构荷载规范》GB50009-2012《钢结构设计规范》GB50017-2003《混凝土结构设计规范》GB50010-2010《建筑地基基础设计规范》GB50007-2011《建筑施工木脚手架安全技术规范》JGJ 164-2008计算参数:钢管强度为205.0 N/mm2,钢管强度折减系数取1.00。
模板支架搭设高度为8.8m,立杆的纵距 b=0.90m,立杆的横距 l=0.90m,立杆的步距 h=1.50m。
面板厚度18mm,剪切强度1.4N/mm2,抗弯强度15.0N/mm2,弹性模量6000.0N/mm2。
木方50×80mm,间距300mm,木方剪切强度1.3N/mm2,抗弯强度15.0N/mm2,弹性模量9000.0N/mm2。
梁顶托采用100×100mm木方。
模板自重0.20kN/m2,混凝土钢筋自重25.10kN/m3。
倾倒混凝土荷载标准值0.00kN/m2,施工均布荷载标准值2.50kN/m2。
扣件计算折减系数取1.00。
图1 楼板支撑架立面简图图2 楼板支撑架荷载计算单元按照模板规范4.3.1条规定确定荷载组合分项系数如下:由可变荷载效应控制的组合S=1.2×(25.10×0.15+0.20)+1.40×2.50=8.258kN/m2由永久荷载效应控制的组合S=1.35×25.10×0.15+0.7×1.40×2.50=7.533kN/m2由于可变荷载效应控制的组合S最大,永久荷载分项系数取1.2,可变荷载分项系数取1.40采用的钢管类型为φ48×3.0。
钢管惯性矩计算采用I=π(D4-d4)/64,抵抗距计算采用W=π(D4-d4)/32D。
濮阳宏业生物质热电2000m2冷却塔扣件钢管楼板模板支架计算书编制人:审核人:批准人:日期:编制单位:嘉泰建设发展有限公司扣件钢管楼板模板支架计算书依据规范:《建筑施工模板安全技术规范》JGJ 162—2008《建筑结构荷载规范》GB50009—2012《钢结构设计规范》GB50017—2003《混凝土结构设计规范》GB50010-2010《建筑地基基础设计规范》GB50007—2011《建筑施工木脚手架安全技术规范》JGJ 164-2008计算参数:钢管强度为205。
0 N/mm2,钢管强度折减系数取1.00.模板支架搭设高度为8。
8m,立杆的纵距 b=0.90m,立杆的横距 l=0。
90m,立杆的步距 h=1.50m。
面板厚度18mm,剪切强度1。
4N/mm2,抗弯强度15。
0N/mm2,弹性模量6000.0N/mm2. 木方50×80mm,间距300mm,木方剪切强度1.3N/mm2,抗弯强度15.0N/mm2,弹性模量9000.0N/mm2。
梁顶托采用100×100mm木方。
模板自重0.20kN/m2,混凝土钢筋自重25。
10kN/m3.倾倒混凝土荷载标准值0.00kN/m2,施工均布荷载标准值2.50kN/m2。
扣件计算折减系数取1.00.图1 楼板支撑架立面简图图2 楼板支撑架荷载计算单元按照模板规范4。
3.1条规定确定荷载组合分项系数如下:由可变荷载效应控制的组合S=1。
2×(25。
10×0。
15+0。
20)+1.40×2.50=8。
258kN/m2由永久荷载效应控制的组合S=1.35×25.10×0。
15+0。
7×1.40×2.50=7.533kN/m2由于可变荷载效应控制的组合S最大,永久荷载分项系数取1。
2,可变荷载分项系数取1。
40 采用的钢管类型为φ48×3.0。
钢管惯性矩计算采用I=π(D4—d4)/64,抵抗距计算采用W=π(D4-d4)/32D.一、模板面板计算面板为受弯结构,需要验算其抗弯强度和刚度。
120mm板(标高8.05m)模板(盘扣式)计算书计算依据:1、《建筑施工模板安全技术规范》JGJ162-20082、《建筑施工承插型盘扣式钢管脚手架安全技术标准》JGJ/T 231-20213、《混凝土结构设计规范》GB 50010-20104、《建筑结构荷载规范》GB 50009-20125、《钢结构设计标准》GB 50017-2017一、工程属性二、荷载设计三、模板体系设计设计简图如下:模板设计平面图纵向剖面图横向剖面图四、面板验算面板类型覆面木胶合板面板厚度t(mm) 12面板抗弯强度设计值[f](N/mm2) 12.5 面板抗剪强度设计值[τ](N/mm2) 1.25面板弹性模量E(N/mm2) 4500 面板计算方式简支梁按简支梁,取1m单位宽度计算。
W=bh2/6=1000×12×12/6=24000mm3,I=bh3/12=1000×12×12×12/12=144000mm41、荷载计算面板承受的单位宽度线荷载设计值:q1=γ0×[1.3×(G1k+(G2k+G3k)×h)+1.5×Q1k]×b=1.1×[1.3×(0.1+(24+1.1)×0.12)+1.5×2.5]×1 =8.575kN/m计算简图如下:2、强度验算M max=q1l2/8=8.575×0.32/8=0.096kN·mσ=M max/W=0.096×106/24000=4.02N/mm2≤[f]/γR=12.5/1=12.5N/mm2满足要求!3、挠度验算面板承受的单位宽度线荷载标准值:q=(1×(G1k+(G2k+G3k)×h)+1×Q1k)×b =(1×(0.1+(24+1.1)×0.12)+1×2.5)×1=5.612kN/mνmax=5ql4/(384EI)=5×5.612×3004/(384×4500×144000)=0.913mmνmax=0.913mm≤min{300/150,10}=2mm满足要求!五、小梁验算小梁类型方木小梁截面类型(mm) 40×70小梁抗弯强度设计值[f](N/mm2) 15.444 小梁抗剪强度设计值[τ](N/mm2) 1.782小梁截面抵抗矩W(cm3) 32.667 小梁弹性模量E(N/mm2) 9350小梁截面惯性矩I(cm4) 114.333 小梁计算方式二等跨连续梁小梁间距s(mm) 3001、荷载计算小梁承受的线荷载设计值:q1=γ0×[1.3×(G1k+(G2k+G3k)×h)+1.5×Q1k]×s=1.1×[1.3×(0.3+(24+1.1)×0.12)+1.5×2.5]×0.3=2.658kN/m计算简图如下:2、强度验算q1静=γ0×1.3×(G1k+(G2k+G3k)×h)×s=1.1×1.3×(0.3+(24+1.1)×0.12)×0.3=1.421kN/m q1活=γ0×1.5×Q1k×s=1.1×1.5×2.5×0.3=1.238kN/mM1=0.125q1静L2+0.125q1活L2=0.125×1.421×0.92+0.125×1.238×0.92=0.269kN·mM2=q1L12/2=2.658×0.3252/2=0.14kN·mM max=max[M1,M2]=max[0.269,0.14]=0.269kN·mσ=M max/W=0.269×106/32667=8.239N/mm2≤[f]/γR=15.444/1=15.444N/mm2 满足要求!3、抗剪验算V1=0.625q1静L+0.625q1活L=0.625×1.421×0.9+0.625×1.238×0.9=1.495kN V2=q1L1=2.658×0.325=0.864kNV max=max[V1,V2]=max[1.495,0.864]=1.495kNτmax=3V max/(2bh0)=3×1.495×1000/(2×40×70)=0.801N/mm2≤[τ]/γR=1.782/1=1.782N/mm2满足要求!4、挠度验算小梁承受的线荷载标准值q:q=(1×(G1k+(G2k+G3k)×h)+1×Q1k)×s=(1×(0.3+(24+1.1)×0.12)+1×2.5)×0.3=1.744kN/m挠度,跨中νmax=0.521qL4/(100EI)=0.521×1.744×9004/(100×9350×114.333×104)=0.558mm≤[ν]=min(L/150,10)=min(900/150,10)=6mm;悬臂端νmax=ql14/(8EI)=1.744×3254/(8×9350×114.333×104)=0.227mm≤[ν]=min(2×l1/150,10)=min(2×325/150,10)=4.333mm满足要求!5、支座反力计算承载能力极限状态中间支座的最大支座反力设计值:R max=1.25q1L=1.25×2.658×0.9=2.991kN 边支座的最大支座反力设计值:R1=(0.375q1静+0.437q1活)L+q1l1=(0.375×1.421+0.437×1.238)×0.9+2.658×0.325=1.83kN正常使用极限状态中间支座的最大支座反力标准值:R'max=1.25qL=1.25×1.744×0.9=1.962kN 边支座的最大支座反力标准值:R'1=0.375qL+ql1=0.375×1.744×0.9+1.744×0.325=1.155kN六、主梁验算承载能力极限状态主梁2根合并,其主梁受力不均匀系数=0.6单根主梁所受小梁支座反力设计值:R=max[R max,R1]×0.6=max[2.991,1.83]×0.6=1.794kN;单根主梁自重设计值:q=1.1×1.3×0.03=0.043kN/m正常使用极限状态单根主梁所受小梁支座反力标准值:R'=max[R'max,R'1]×0.6=max[1.962,1.155]×0.6=1.177kN;单根主梁自重标准值:q'=1×0.03=0.03kN/m计算简图如下:主梁计算简图一1、抗弯验算主梁弯矩图一(kN·m)σ=M max/W=0.54×106/4120=131.144N/mm2≤[f]/γR=205/1=205N/mm2 满足要求!2、抗剪验算主梁剪力图一(kN)τmax=2V max/A=2×2.052×1000/384=10.687N/mm2≤[τ]/γR=125/1=125N/mm2满足要求!3、挠度验算主梁变形图一(mm)跨中νmax=0.444mm≤[ν]=min{900/150,10}=6mm悬挑段νmax=0.987mm≤[ν]=min(2×300/150,10)=4mm满足要求!4、支座反力计算承载能力极限状态图一支座反力依次为R1= 5.652kN,R2= 5.183kN,R3= 5.182kN,R4= 5.653kN 主梁2根合并,其主梁受力不均匀系数=0.6,因此主梁传递至立杆的集中力:R max=Max[R1,R2,R3,R4]/0.6=5.653/0.6=9.421kN七、可调托座验算按上节计算可知,可调托座受力N=R max=9.421kN≤[N]/γR=100/1=100kN满足要求!八、立杆验算1、长细比验算l01=βHγh'+2ka=1.05×0.9×1000+2×0.6×650=1725mml0=βHηh=1.05×1.05×1500=1653.75mmλ=max[l01,l0]/i=1725/16=107.812≤[λ]=150满足要求!2、立杆稳定性验算根据《建筑施工承插型盘扣式钢管脚手架安全技术标准》JGJ/T 231-2021公式5.3.1-2,考虑风荷载时,可变荷载需考虑0.9组合系数:小梁验算q1=γ0×[1.3×(G1k+(G2k+G3k)×h)+1.5×0.9×Q1k]×s=1.1×[1.3×(0.3+(24+1.1)×0.12)+1.5×0.9×2.5]×0.3 = 2.535kN/m同上四~六步计算过程,可得:R1=5.392kN,R2=4.945kN,R3=4.944kN,R4=5.393kNR max=Max[R1,R2,R3,R4]/0.6=5.393/0.6=8.988kN顶部立杆段:λ1=l01/i=1725.000/16=107.812查表得,φ=0.424不考虑风荷载:N1=R max=9.421kNf=N1/(ΦA)=9421.219/(0.424×384)=57.864N/mm2≤[f]/γR=300/1=300N/mm2 满足要求!考虑风荷载:M w=γ0×γQφcωk×l a×h2/10=1.1×1.5×0.9×0.15×0.9×1.52/10=0.045kN·mN1w=R max+M w/l b=8.988+0.045/0.9=9.038kNf=N1w/(φA)+M w/W=9038/(0.424×384)+0.045×106/4120=66.433N/mm2≤[f]/γR=300/1=300N/mm2满足要求!非顶部立杆段:λ=l0/i=1653.750/16=103.359查表得,φ1=0.452不考虑风荷载:N=N1+γ0×γG×q×H=9.421+1.1×1.3×0.15×8.2=11.18kNf=N/(φ1A)=11.18×103/(0.452×384)=64.413N/mm2≤[f]/γR=300/1=300N/mm2 满足要求!考虑风荷载:M w=γ0×γQφcωk×l a×h2/10=1.1×1.5×0.9×0.15×0.9×1.52/10=0.045kN·mN w=R max+γ0×γG×q×H+M w/l b=8.988+1.1×1.3×0.15×8.2+0.045/0.9=10.797kN f=N w/(φ1A)+M w/W=10.797×103/(0.452×384)+0.045×106/4120=73.126N/mm2≤[f]/γR=300/1=300N/mm2满足要求!九、高宽比验算根据《建筑施工承插型盘扣式钢管脚手架安全技术标准》JGJ/T 231-2021 第6.2.1: 支撑架的高宽比宜控制在3以内H/B=8.2/40=0.205≤3满足要求!十、抗倾覆验算混凝土浇筑前,倾覆力矩主要由风荷载产生,抗倾覆力矩主要由模板及支架自重产生M T=γ0×φcγQ(ωk LH2/2)=1.1×1×1.5×(0.15×47.3×8.22/2)=393.581kN·mM R=γG(G1k+0.15H/(l a l b))LB2/2=0.9×(0.5+0.15×8.2/(0.9×0.9))×47.3×402/2=68742.66 7kN·mM T=393.581kN·m≤M R=68742.667kN·m满足要求!混凝土浇筑时,倾覆力矩主要由泵送、倾倒混凝土等因素产生的水平荷载产生,抗倾覆力矩主要由钢筋、混凝土、模板及支架自重产生M T=γ0×φcγQ(Q2k LH2)=1.1×1×1.5×(0.07×47.3×8.22)=367.342kN·mM R=γG[(G2k+G3k)×h0+(G1k+0.15H/(l a l b))]LB2/2=0.9×[(24+1.1)×0.12+(0.5+0.15×8.2/( 0.9×0.9))]×47.3×402/2=171319.339kN·mM T=367.342kN·m≤M R=171319.339kN·m满足要求!十一、立杆地基基础验算根据规范要求,地基承载力计算荷载应取标准值。
板模板(扣件钢管架)计算书 模板支架的计算依据《建筑施工扣件式钢管脚手架安全技术规范》(JGJ130-2001)、《混凝土结构设计规范》GB50010-2002、《建筑结构荷载规范》(GB 50009-2001)、《钢结构设计规范》(GB 50017-2003)等规范编制。 一、参数信息:
1.模板支架参数 横向间距或排距(m):1.10;纵距(m):1.10;步距(m):1.50; 立杆上端伸出至模板支撑点长度(m):0.10;模板支架搭设高度(m):3.90; 采用的钢管(mm):Φ48×3.5 ;板底支撑连接方式:方木支撑; 立杆承重连接方式:双扣件,取扣件抗滑承载力系数:0.80; 2.荷载参数 模板与木板自重(kN/m2):0.350;混凝土与钢筋自重(kN/m3):25.000; 施工均布荷载标准值(kN/m2):1.000; 3.楼板参数 楼板的计算厚度(mm):120.00; 4.材料参数 面板采用胶合面板,厚度为18mm;板底支撑采用方木; 面板弹性模量E(N/mm2):9500;面板抗弯强度设计值(N/mm2):13; 木方弹性模量E(N/mm2):9500.000;木方抗弯强度设计值(N/mm2):13.000; 木方抗剪强度设计值(N/mm2):1.400;木方的间隔距离(mm):300.000; 木方的截面宽度(mm):60.00;木方的截面高度(mm):80.00;
图2 楼板支撑架荷载计算单元
二、模板面板计算:
面板为受弯构件,需要验算其抗弯强度和刚度,取单位宽度1m的面板作为计算单元 面板的截面惯性矩I和截面抵抗矩W分别为: W = 100×1.82/6 = 54 cm3; I = 100×1.83/12 = 48.6 cm4; 模板面板的按照三跨连续梁计算。
面板计算简图 1、荷载计算 (1)静荷载为钢筋混凝土楼板和模板面板的自重(kN/m): q1 = 25×0.12×1+0.35×1 = 3.35 kN/m; (2)活荷载为施工人员及设备荷载(kN/m): q2 = 1×1= 1 kN/m; 2、强度计算 最大弯矩考虑为静荷载与活荷载的计算值最不利分配的弯矩和,计算公式如下:
其中:q=1.2×3.35+1.4×1= 5.42kN/m
最大弯矩M=0.1×5.42×0.32= 0.049 kN·m; 面板最大应力计算值 σ= 48780/54000 = 0.903 N/mm2; 面板的抗弯强度设计值 [f]=13 N/mm2; 面板的最大应力计算值为 0.903 N/mm2 小于面板的抗弯强度设计值 13 N/mm2,满足要求! 3、挠度计算 挠度计算公式为
其中q = 3.35kN/m
面板最大挠度计算值 v = 0.677×3.35×3004/(100×9500×48.6×104)=0.04 mm; 面板最大允许挠度 [V]=300/ 250=1.2 mm; 面板的最大挠度计算值 0.04 mm 小于 面板的最大允许挠度 1.2 mm,满足要求! 三、模板支撑方木的计算:
方木按照两跨连续梁计算,截面惯性矩I和截面抵抗矩W分别为: W=6×8×8/6 = 64 cm3; I=6×8×8×8/12 = 256 cm4;
方木楞计算简图(mm) 1.荷载的计算: (1)钢筋混凝土板自重(kN/m): q1= 25×0.3×0.12 = 0.9 kN/m; (2)模板的自重线荷载(kN/m): q2= 0.35×0.3 = 0.105 kN/m ; (3)活荷载为施工荷载标准值与振倒混凝土时产生的荷载(kN/m): p1 = 1×0.3 = 0.3 kN/m; 2.强度验算: 最大弯矩考虑为静荷载与活荷载的计算值最不利分配的弯矩和,计算公式如下:
均布荷载 q = 1.2 × (q1 + q2)+ 1.4 ×p1 = 1.2×(0.9 + 0.105)+1.4×0.3 = 1.626
kN/m; 最大弯距 M = 0.125ql2 = 0.125×1.626×1.12 = 0.246 kN·m; 方木最大应力计算值 σ= M /W = 0.246×106/64000 = 3.843 N/mm2; 方木的抗弯强度设计值 [f]=13.000 N/mm2; 方木的最大应力计算值为 3.843 N/mm2 小于方木的抗弯强度设计值 13 N/mm2,满足要求! 3.抗剪验算: 截面抗剪强度必须满足: τ = 3V/2bhn < [τ] 其中最大剪力: V= 0.625×1.626×1.1 = 1.118 kN; 方木受剪应力计算值 τ = 3 ×1.118×103/(2 ×60×80) = 0.349 N/mm2; 方木抗剪强度设计值 [τ] = 1.4 N/mm2; 方木的受剪应力计算值 0.349 N/mm2 小于 方木的抗剪强度设计值 1.4 N/mm2,满足要求! 4.挠度验算: 最大挠度考虑为静荷载与活荷载的计算值最不利分配的挠度和,计算公式如下:
均布荷载 q = q1 + q2 = 1.005 kN/m;
最大挠度计算值 ν= 0.521×1.005×11004 /(100×9500×2560000)= 0.315 mm; 最大允许挠度 [V]=1100/ 250=4.4 mm; 方木的最大挠度计算值 0.315 mm 小于 方木的最大允许挠度 4.4 mm,满足要求! 四、板底支撑钢管计算:
支撑钢管按照集中荷载作用下的三跨连续梁计算; 集中荷载P取纵向板底支撑传递力,P = 2.236 kN;
支撑钢管计算简图 支撑钢管计算弯矩图(kN·m) 支撑钢管计算变形图(mm) 支撑钢管计算剪力图(kN) 最大弯矩 Mmax = 0.909 kN·m ; 最大变形 Vmax = 2.849 mm ; 最大支座力 Qmax = 8.957 kN ; 最大应力 σ= 909141.438/5080 = 178.965 N/mm2; 支撑钢管的抗压强度设计值 [f]=205 N/mm2; 支撑钢管的最大应力计算值 178.965 N/mm2 小于 支撑钢管的抗压强度设计值 205 N/mm2,满足要求! 支撑钢管的最大挠度为 2.849mm 小于 1100/150与10 mm,满足要求! 五、扣件抗滑移的计算:
按照《建筑施工扣件式钢管脚手架安全技术规范培训讲座》刘群主编,P96页,双扣件承载力设计值取16.00kN,按照扣件抗滑承载力系数0.80,该工程实际的旋转双扣件承载力取值为12.80kN 。 纵向或横向水平杆与立杆连接时,扣件的抗滑承载力按照下式计算(规范5.2.5): R ≤ Rc 其中 Rc -- 扣件抗滑承载力设计值,取12.80 kN; R-------纵向或横向水平杆传给立杆的竖向作用力设计值; 计算中R取最大支座反力,R= 8.957 kN; R < 12.80 kN,所以双扣件抗滑承载力的设计计算满足要求! 六、模板支架立杆荷载标准值(轴力):
作用于模板支架的荷载包括静荷载和活荷载。 1.静荷载标准值包括以下内容: (1)脚手架的自重(kN): NG1 = 0.129×3.9 = 0.503 kN; (2)模板的自重(kN): NG2 = 0.35×1.1×1.1 = 0.424 kN; (3)钢筋混凝土楼板自重(kN): NG3 = 25×0.12×1.1×1.1 = 3.63 kN; 静荷载标准值 NG = NG1+NG2+NG3 = 4.557 kN; 2.活荷载为施工荷载标准值与振倒混凝土时产生的荷载。 活荷载标准值 NQ = (1+2 ) ×1.1×1.1 = 3.63 kN; 3.立杆的轴向压力设计值计算公式 N = 1.2NG + 1.4NQ = 10.55 kN; 七、立杆的稳定性计算:
立杆的稳定性计算公式
其中 N ---- 立杆的轴心压力设计值(kN) :N = 10.55 kN;
φ---- 轴心受压立杆的稳定系数,由长细比 Lo/i 查表得到; i ---- 计算立杆的截面回转半径(cm) :i = 1.58 cm; A ---- 立杆净截面面积(cm2):A = 4.89 cm2; W ---- 立杆净截面模量(抵抗矩)(cm3):W=5.08 cm3; σ-------- 钢管立杆受压应力计算值 (N/mm2); [f]---- 钢管立杆抗压强度设计值 :[f] =205 N/mm2; L0---- 计算长度 (m); 如果完全参照《扣件式规范》,由下式计算: l0 = h+2a a ---- 立杆上端伸出顶层横杆中心线至模板支撑点的长度;a = 0.1 m; 得到计算结果: 立杆计算长度 L0 = h + 2a = 1.5+2×0.1 = 1.7 m ; L0 / i = 1700 / 15.8=108 ; 由长细比 lo/i 的结果查表得到轴心受压立杆的稳定系数φ= 0.53 ; 钢管立杆受压应力计算值;σ=10550.388/(0.53×489) = 40.708 N/mm2; 立杆稳定性计算 σ= 40.708 N/mm2 小于 钢管立杆抗压强度设计值 [f]= 205 N/mm2,满足要求! 八、立杆的地基承载力计算:
立杆基础底面的平均压力应满足下式的要求 p ≤ fg 地基承载力设计值: fg = fgk×kc = 120×1=120 kpa; 其中,地基承载力标准值:fgk= 120 kpa ; 脚手架地基承载力调整系数:kc = 1 ; 立杆基础底面的平均压力:p = N/A =10.55/0.25=42.202 kpa ; 其中,上部结构传至基础顶面的轴向力设计值 :N = 10.55 kN; 基础底面面积 :A = 0.25 m2 。 p=42.202 ≤ fg=120 kpa 。地基承载力满足要求!