400X850梁模板支架计算书
- 格式:doc
- 大小:146.00 KB
- 文档页数:12
梁模板支架工程施工方案计算书工程名称:模板支架验算施工单位:某建设集团编制人: ##日期:目录一、编制依据 (1)二、工程参数 (1)三、新浇砼对模板侧压力标准值计算 (3)四、梁侧模板面板验算 (4)五、梁侧模板次楞验算 (5)六、梁侧模板主楞验算 (6)七、对拉螺栓验算 (8)八、梁底模板面板验算 (8)九、梁底模板次楞验算 (10)十、梁底模板主楞验算 (12)十一、可调托撑承载力验算 (13)十二、风荷载计算 (13)十三、立杆稳定性验算 (14)十四、支撑结构地基承载力验算 (16)一、编制依据1、工程施工图纸及现场概况2、《建筑施工脚手架安全技术统一标准》GB51210-20163、《建筑施工碗扣式钢管脚手架安全技术规范》JGJ166-20164、《建筑施工临时支撑结构技术规范》JGJ300-20135、《建筑结构可靠性设计统一标准》GB50068-20186、《建筑结构荷载规范》GB50009-20127、《混凝土结构工程施工规范》GB50666-20118、《建筑施工模板安全技术规范》JGJ162-20089、《混凝土结构设计规范》GB50010-2010(2015年版)10、《钢结构设计标准》GB50017-201711、《冷弯薄壁型钢结构技术规范》GB50018-200212、《木结构设计规范》GB50005-201713、《混凝土模板用胶合板》GB/T17656-201814、《危险性较大的分部分项工程安全管理规定》住建部令第37号15、《建设工程高大模板支撑系统施工安全监督管理导则》建质[2009]254 号二、工程参数三、 新浇砼对模板侧压力标准值计算依据《砼结构工程施工规范GB50666-2011》,浇筑速度大于10m/h ,或砼坍落度大于180mm 时,新浇筑砼对模板的侧压力标准值,按下列公式计算:H F c γ==24×1.2=28.8 kN/m 2其中 γc -- 混凝土的重力密度,取24kN/m 3;H -- 混凝土侧压力计算位置处至新浇混凝土顶面总高度,取1.2m ;四、梁侧模板面板验算面板采用木胶合板,厚度为15mm,验算跨中最不利抗弯强度和挠度。
.模板支架计算书;..一、概况:现浇钢筋砼检查井,板厚(max=200mm),最大满包截面为300×600 mm,沿梁方向梁下立杆间距为800 mm,最大层高4.7 m,施工采用Ф48×3.5 mm钢管搭设滿堂脚手架做模板支撑架,楼板底立杆纵距、横距相等,即la=lb=1000mm,步距为1.5m,模板支架立杆伸出顶层横杆或模板支撑点的长度a=100 mm。
剪力撑脚手架除在两端设置,中间隔00。
搭设示意图如下:-根立杆,斜杆与地面夹角3-44560设置。
应支12m-15m二、荷载计算:1.静荷载3 0.5KN/ m楼板底模板支架自重标准值:2 0.3KN/m楼板木模板自重标准值:31.1KN/ m楼板钢筋自重标准值:3 24 KN/ m浇注砼自重标准值:2.动荷载2 1.0 KN/ m施工人员及设备荷载标准值:2 2.0 KN/ m掁捣砼产生的荷载标准值:架承载力验算:大横向水平杆按三跨连续梁计算,计算简图如下:;..作用大横向水平杆永久荷载标准值:4.32 KN/m0.16=×1××+1.1×10.16+24qK1=0.3×1作用大横向水平杆永久荷载标准值:5.184 KN/m4.32==1.2×q=1.2 qK11作用大横向水平杆可变荷载标准值:3KN/m=2×11qK=1×+2作用大横向水平杆可变荷载设计值:4.2 KN/m=1.4×3q=1.4 qK=22大横向水平杆受最大弯矩2222 =1.01 KN/m×11+0.117×=0.1qIbIb+0.117q4.2=0.1×5.184×M216322=f205N/ m/5.08×10滿足要求=198.82N/ m <抗弯强度:σ=M/W=1.01×104×(0.667 q+10.99 qK)/100EI挠度:V=2145410××12.19)/100×2.06×10=1+×(0.667×5.1840.99×3=2.6 mm<5000/1000=5 mm滿足要求3.扣件抗滑力计算大横向水平杆传给立杆最大竖向力R=1.1qIb+1.2qIb=1.1×5.184×1+1.2×4.2×1=10.74KN>8KN,不能滿足,应采取措21施,紧靠立杆原扣件下立端,增设一扣件,在主节点处立杆上为双扣件,即R=10.74KN<16KN,滿足要求。
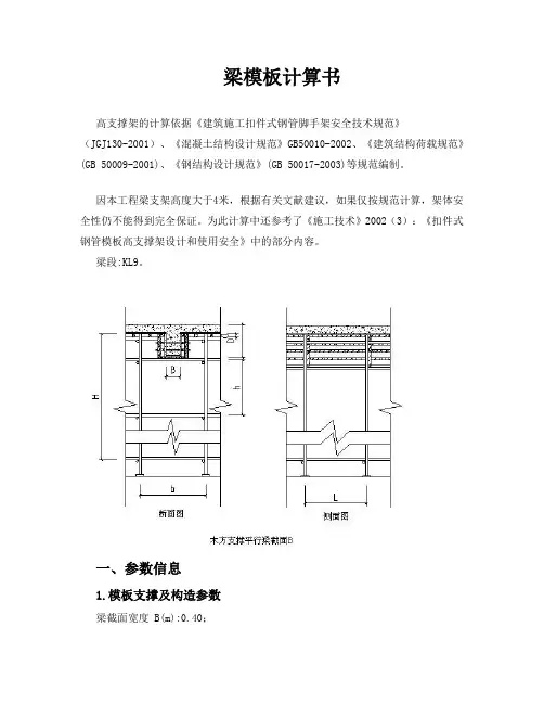
梁模板计算书高支撑架的计算依据《建筑施工扣件式钢管脚手架安全技术规范》(JGJ130-2001)、《混凝土结构设计规范》GB50010-2002、《建筑结构荷载规范》(GB 50009-2001)、《钢结构设计规范》(GB 50017-2003)等规范编制。
因本工程梁支架高度大于4米,根据有关文献建议,如果仅按规范计算,架体安全性仍不能得到完全保证。
为此计算中还参考了《施工技术》2002(3):《扣件式钢管模板高支撑架设计和使用安全》中的部分内容。
梁段:KL9。
一、参数信息1.模板支撑及构造参数梁截面宽度 B(m):0.40;梁截面高度 D(m):0.85混凝土板厚度(mm):0.12;立杆纵距(沿梁跨度方向间距)La(m):0.40;立杆上端伸出至模板支撑点长度a(m):0.10;脚手架步距(m):1.50;梁支撑架搭设高度H(m):6.00;梁两侧立柱间距(m):0.60;承重架支设:木方支撑平行梁截面B;立杆横向间距或排距Lb(m):0.40;采用的钢管类型为Φ48×3.00;扣件连接方式:单扣件,考虑扣件质量及保养情况,取扣件抗滑承载力折减系数:0.80;2.荷载参数模板自重(kN/m2):0.35;钢筋自重(kN/m3):1.50;施工均布荷载标准值(kN/m2):2.5;新浇混凝土侧压力标准值(kN/m2):18.0;倾倒混凝土侧压力(kN/m2):2.0;振捣混凝土荷载标准值(kN/m2):2.03.材料参数木材品种:东北落叶松;木材弹性模量E(N/mm2):10000.0;木材抗弯强度设计值fm(N/mm2):17.0;木材抗剪强度设计值fv(N/mm2):1.6;面板类型:胶合面板;钢材弹性模量E(N/mm2):210000.0;钢材抗弯强度设计值fm(N/mm2):205.0;面板弹性模量E(N/mm2):9500.0;面板抗弯强度设计值fm(N/mm2):13.0;4.梁底模板参数梁底模板支撑的间距(mm):200.0;面板厚度(mm):16.0;5.梁侧模板参数主楞间距(mm):500;次楞间距(mm):300;穿梁螺栓水平间距(mm):500;穿梁螺栓竖向间距(mm):600;穿梁螺栓直径(mm):M12;主楞龙骨材料:木楞,,宽度40mm,高度80mm;主楞龙骨材料:木楞,,宽度40mm,高度60mm;二、梁模板荷载标准值计算1.梁侧模板荷载强度验算要考虑新浇混凝土侧压力和倾倒混凝土时产生的荷载;挠度验算只考虑新浇混凝土侧压力。
梁木模板与支撑计算书一、梁模板基本参数梁截面宽度 B=400mm,梁截面高度 H=800mm,H方向对拉螺栓2道,对拉螺栓直径14mm,对拉螺栓在垂直于梁截面方向距离(即计算跨度)900mm。
梁模板使用的木方截面38×80mm,梁模板截面侧面木方距离300mm。
梁底模面板厚度h=15mm,弹性模量E=6000N/mm2,抗弯强度[f]=15N/mm2。
梁侧模面板厚度h=15mm,弹性模量E=6000N/mm2,抗弯强度[f]=15N/mm2。
二、梁模板荷载标准值计算模板自重 = 0.200kN/m2;钢筋自重 = 1.500kN/m3;混凝土自重 = 24.000kN/m3;施工荷载标准值 = 2.500kN/m2。
强度验算要考虑新浇混凝土侧压力和倾倒混凝土时产生的荷载设计值;挠度验算只考虑新浇混凝土侧压力产生荷载标准值。
新浇混凝土侧压力计算公式为下式中的较小值:其中γc——混凝土的重力密度,取24.000kN/m3;t ——新浇混凝土的初凝时间,为0时(表示无资料)取200/(T+15),取5.714h;T ——混凝土的入模温度,取20.000℃;V ——混凝土的浇筑速度,取2.500m/h;H ——混凝土侧压力计算位置处至新浇混凝土顶面总高度,取1.200m;β——混凝土坍落度影响修正系数,取0.850。
根据公式计算的新浇混凝土侧压力标准值 F1=28.800kN/m2考虑结构的重要性系数0.90,实际计算中采用新浇混凝土侧压力标准值:F1=0.90×28.800=25.920kN/m2考虑结构的重要性系数0.90,倒混凝土时产生的荷载标准值:F2=0.90×6.000=5.400kN/m2。
三、梁底模板木楞计算梁底木方的计算在脚手架梁底支撑计算中已经包含!四、梁模板侧模计算面板直接承受模板传递的荷载,应该按照均布荷载下的连续梁计算,计算如下作用在梁侧模板的均布荷载q=(1.2×25.92+1.40×5.40)×0.80=30.931N/mm面板的截面惯性矩I和截面抵抗矩W分别为:本算例中,截面惯性矩I和截面抵抗矩W分别为:截面抵抗矩 W = bh2/6 = 80.00×1.80×1.80/6 = 43.20cm3;截面惯性矩 I = bh3/12 = 80.00×1.80×1.80×1.80/12 = 38.88cm4;式中:b为板截面宽度,h为板截面高度。
400厚混凝土楼板模板支撑计算书工程名称计算部位400mm厚板计算参数计算依据《建筑施工模板安全技术规范》(JGJ162-2008)。
模板支架搭设高度为3.9m搭设尺寸为:立杆的纵距 b=0.70米,立杆的横距 l=0.70米,立杆的步距 h=1.50米。
采用的钢管类型为φ48×3.2。
计算简图材料特性面板的厚度18.00mm,面板剪切强度设计值 1.40N/mm2,面板抗弯强度设计值15.0N/mm2,面板的弹性模量6000N/mm2;木方抗剪强度设计值1.30N/mm2;木方抗弯强度设计值13.0N/mm2;木方的弹性模量9500N/mm2序号计算要点详细计算过程结论计算过程及结论模板面板计算1. 抗弯计算强度f=M/W=0.11×106/37800.0=2.911N/mm2面板的抗弯强度验算 f < [f]满足要求!2.抗剪强度计算T=3×2.20/(2×700.0×18.0)=0.262N/mm2截面抗剪强度设计值 [T]=1.40N/mm满足要求!3.挠度验算v= 0.68×6.5300.04/(100×6000.00×340200.0)=0.175mm面板的最大挠度小于300.0/250满足要求!支撑木方的计算1. 木方抗弯计算强度f=M/W=0.29×106/64000.0=4.458N/mm2木方的抗弯计算强度小于13.00N/mm2满足要求!2抗剪强度计算T=3×2445.41/(2×60.0×80.0)=0.764N/mm2截面抗剪强度设计值 [T]=1.30N/mm满足要求!3.挠度验算v=0.677×3.10×700.04/(100×9500.00×2560000.0)=0.207mm木方的最大挠度小于700.0/250满足要求!横向支撑钢管计算1.抗弯计算强度f=M/W=0.747×106/4729.0=157.877N/mm2抗弯计算强度小于205N/mm2满足要求!。
扣件式梁支架、模板安全计算书一、计算依据1、《建筑施工扣件式钢管脚手架安全技术规范》JGJ130-20112、《混凝土结构设计规范》GB50010-20103、《建筑结构荷载规范》GB50009-20124、《钢结构设计规范》GB50017-20035、《建筑施工临时支撑结构技术规范》JGJ300-20131、计算参数2、施工简图(图1)剖面图1(图2)剖面图2二、面板验算根据规范规定面板可按简支跨计算,根据施工情况一般楼板面板均搁置在梁侧模板上,无悬挑端,故可按简支跨一种情况进行计算,取b=1m单位面板宽度为计算单元。
W=bh2/6=1000×152/6=37500mm3I=bh3/12=1000×153/12=281250mm41、强度验算由可变荷载控制的组合:q 1=0.9×{1.2[G1k+(G2k+G3k)h]b+1.4Q1kb}=0.9×(1.2×(0.5+(24+1.5)×800/1000)×1+1.4×2.5×1)=25.722kN/m 由永久荷载控制的组合:q 2=0.9×{1.35[G1k+(G2k+G3k)h]b+1.4×0.7Q1kb}=0.9×(1.35×(0.5+(24+1.5)×800/1000)×1+1.4×0.7×2.5×1)=27.599kN/m 取最不利组合得:q=max[q1,q2]=max(25.722,27.599)=27.599kN/m(图3)面板简图(图4)面板弯矩图M max=0.061kN·mσ=M max/W=0.061×106/37500=1.635N/mm2≤[f]=37N/mm2满足要求2、挠度验算q k=(G1k+(G3k+G2k)×h)×b=(0.5+(24+1.5)×800/1000)×1=20.9kN/m(图5)简图(图6)挠度图ν=0.029mm≤[ν]=400/((4-1)×400)=0.333mm满足要求三、次梁验算由可变荷载控制的组合:q1=0.9×{1.2[G1k+(G2k+G3k)h]a+1.4Q1k a}=0.9×(1.2×(0.5+(24+1.5)×800/1000)×400/ 1000/(4-1)+1.4×2.5×400/1000/(4-1))=3.43kN/m由永久荷载控制的组合:q2=0.9×{1.35[G1k+(G2k+G3k)h]a+1.4×0.7Q1k a}=0.9×(1.35×(0.5+(24+1.5)×800/1000 )×400/1000/(4-1)+1.4×0.7×2.5×400/1000/(4-1))=3.68kN/m取最不利组合得:q=max[q1,q2]=max(3.43,3.68)=3.68kN/m计算简图:(图7)简图1、强度验算(图8)次梁弯矩图(kN·m) M max=0.444kN·mσ=M max/W=0.444×106/(166.667×1000)=2.665N/mm2≤[f]=17N/mm2 满足要求2、抗剪验算(图9)次梁剪力图(kN)V max=2.323kNτmax=V max S/(Ib)=2.323×103×62.5×103/(833.333×104×5×10)=0.348N/mm2≤[τ]=1.7N/mm2满足要求3、挠度验算挠度验算荷载统计,q k=(G1k+(G3k+G2k)×h)×a=(0.5+(24+1.5)×800/1000)×400/1000/(4-1)=2.787kN/m(图10)变形计算简图(图11)次梁变形图(mm)νmax=0.257mm≤[ν]=1.1×1000/400=2.75mm满足要求四、主梁验算梁侧楼板的立杆为梁板共用立杆,立杆与水平钢管扣接属于半刚性节点,为了便于计算统一按铰节点考虑,偏于安全。
400 mm×850 mm梁模板支架计算书&&&湖酒店工程;工程建设地点:kkk;属于kkk结构;地上3层;地下1层;建筑高度:20m;标准层层高:0m ;总建筑面积:0平方米;总工期:0天。
本工程由hjkg投资建设,lhjl设计,;jnk地质勘察,hjl监理,组织施工;由kkk 担任项目经理,kk担任技术负责人。
一、参数信息本算例中,取lkl作为计算对象。
梁的截尺寸为400 mm×850 mm,支撑长度为6.3 m。
根据工程实际情况及公司现有施工工艺采用梁底支撑小楞平行梁跨方向的支撑形式。
(一)支撑参数及构造梁两侧楼板混凝土厚度(mm):250;立杆纵距l a(m):0.6;立杆上端伸出至模板支撑点长度a(m):0.3;立杆步距h(m):1.5;板底承重立杆横向间距或排距l(m):0.8;梁支撑架搭设高度H(m):15.9;梁两侧立杆间距l b(m):0.8;(二)材料参数面板类型为木面板,梁底支撑采用方木。
竖向力传递通过双扣件。
木方截面为60mm×80mm,梁底支撑钢管采用Ф48×3.0钢管,钢管的截面积为A=4.24×102mm2,截面模量W=4.49×103mm3,截面惯性矩为I=1.08×105 mm4。
木材的抗弯强度设计值为f m=13 N/mm2,抗剪强度设计值为f v=1.3 N/mm2,弹性模量为E=12000 N/mm2,面板的抗弯强度设计值为f m=13 N/mm2,抗剪强度设计值为f v=1.3 N/mm2,面板弹性模量为E=9000 N/mm2。
荷载首先作用在梁底模板上,按照"底模→底模小楞→水平钢管→扣件/可调托座→立杆→基础"的传力顺序,分别进行强度、刚度和稳定性验算。
(三)荷载参数梁底模板自重标准值为0.3kN/m2;梁钢筋自重标准值为1.5kN/m3;施工人员及设备荷载标准值为1kN/m2;振捣混凝土时产生的荷载标准值为2kN/m2;新浇混凝土自重标准值:24kN/m3。
墙模板计算书一、墙模板基本参数计算断面宽度400mm ,高度800mm ,两侧楼板厚度200mm 。
模板面板采用普通胶合板。
内龙骨间距200mm ,内龙骨采用38×80mm 木方,外龙骨采用双钢管48mm×2.8mm。
对拉螺栓布置1道,在断面内水平间距400mm ,断面跨度方向间距600mm ,直径14mm 。
面板厚度15mm ,剪切强度1.4N/mm 2,抗弯强度15.0N/mm 2,弹性模量6000.0N/mm 2。
木方剪切强度1.3N/mm 2,抗弯强度15.0N/mm 2,弹性模量9000.0N/mm 2。
模板组装示意图二、墙模板荷载标准值计算强度验算要考虑新浇混凝土侧压力和倾倒混凝土时产生的荷载设计值;挠度验算只考虑新浇混凝土侧压力产生荷载标准值。
新浇混凝土侧压力计算公式为下式中的较小值:其中 γc —— 混凝土的重力密度,取24.000kN/m 3;t —— 新浇混凝土的初凝时间,为0时(表示无资料)取200/(T+15),取5.714h ; T —— 混凝土的入模温度,取20.000℃; V —— 混凝土的浇筑速度,取2.500m/h ;800mmH —— 混凝土侧压力计算位置处至新浇混凝土顶面总高度,取1.200m ; β—— 混凝土坍落度影响修正系数,取0.850。
根据公式计算的新浇混凝土侧压力标准值 F1=28.800kN/m 2考虑结构的重要性系数1.00,实际计算中采用新浇混凝土侧压力标准值: F1=1.00×27.000=27.000kN/m 2考虑结构的重要性系数1.00,倒混凝土时产生的荷载标准值: F2=1.00×4.000=4.000kN/m 2。
三、墙模板面板的计算面板为受弯结构,需要验算其抗弯强度和刚度。
模板面板的按照连续梁计算。
面板的计算宽度取0.60m 。
荷载计算值 q = 1.2×27.000×0.600+1.40×4.000×0.600=22.800kN/m 面板的截面惯性矩I 和截面抵抗矩W 分别为: 本算例中,截面惯性矩I 和截面抵抗矩W 分别为:截面抵抗矩 W = bh 2/6 = 60.00×1.50×1.50/6 = 22.50cm 3;截面惯性矩 I = bh 3/12 = 60.00×1.50×1.50×1.50/12 = 16.88cm 4; 式中:b 为板截面宽度,h 为板截面高度。
梁式支架计算书一、编制依据(1)三金潭立交道路工程设计图纸及地质资料(2)《路桥施工计算手册》(3)《钢结构设计规范》(GB50017-2003)(4)《建筑施工模板安全技术规范》(JGJ162-2008)二、荷载计算1、混凝土自重箱梁钢筋混凝土自重属均布荷载,直接作用于底模及侧模,根据设计图可得箱梁各部分自重荷载:1、箱梁钢筋混凝土容重取:3/26m kN =γ。
跨中截面m kN q /88.6126138.21=⨯⨯=跨中墩顶截面m kN q /74.10326199.31=⨯⨯=墩顶2、模板取q 2=0.5kN/m23、施工机具及人员荷载q 3=2.5kN/m24、倾倒混凝土产生的荷载q 4=2.0kN/m25、振捣砼产生的荷载q 5=2.0kN/m2三、结构验算1、分配梁1验算分配梁1为横桥向间距45cm 布置工10,按五等跨连续梁计算。
(1)截面特性48410245245m cm I -⨯==363104949m cm W -⨯==[]MPa w 215=σ[]MPa125=τ245/1006.21006.2cm kN MPa E ⨯=⨯=(2)弯曲强度验算ml l q M 206.1078.020max ==m kN q q q q q q /188.134)225.2(4.1)5.074.103(2.1)(4.1)(2.154321=++⨯++⨯=++++=墩顶qq 45.00=解得mkN M ⋅=855.6max MPa MPa W M 2159.1391000)1049(855.6/6max <=÷⨯÷==-σ,满足要求(3)剪切强度验算kNl q Q 14.44206.139.60606.0606.00max =⨯⨯==MPa MPa Ib S Q 1255.710)104.58(1014.44)/(643max <=÷⨯÷⨯==-τ,满足要求(4)挠度验算[]mm L mm EI l q 015.3400/68.1101024510206100206.11038.60664.0100664.03894340max==<=⨯⨯⨯⨯⨯⨯⨯⨯==-ωω满足要求2、分配梁2验算分配梁2采用H588(1)截面特性48410118000118000m cm I -⨯==3631040204020m cm W -⨯==[]MPa w 215=σ[]MPa125=τ245/1006.21006.2cm kN MPa E ⨯=⨯=m kN q q q S q q /56.16)(*4.1)5.02*26(*2.1543151=++++==mkN q q q S S q q /264.28)(*4.1)5.02*26(*2.15432142=+++++==m kN q q q S S q /1.33)(*4.1)5.02*26(*2.1543223=+++++=(2)弯曲强度验算ml m a la ql M 85.0)41(81222max ==-=分配梁1荷载最大值为q 3=33.1kN/m 解得mkN M ⋅=66.260max MPa MPa W M 21585.641000)104020(66.260/6max <=÷⨯÷==-σ,满足要求(3)剪切强度验算0015.0q a q Q ==002421q l q Q ==kNq Q Q 4.132401max ===MPa MPa d I S Q x x 12521012.01085.1132831045.2154104.132863max <=⨯⨯⨯⨯⨯==--τ,满足要求(4)挠度验算[]mm L mm l a EI l q 4.19400/72453842240max==<=⎪⎪⎭⎫⎝⎛-=ωω,满足要求3、分配梁3验算分配梁3采用双拼工32a (1)截面特性4841011080211080m cm I -⨯⨯==363106922692m cm W -⨯⨯==mmd 5.9=cmS I x x 5.27:=[]MPa w 215=σ[]MPa125=τ245/1006.21006.2cm kN MPa E ⨯=⨯=(2)受力计算分配梁3承受荷载kNl q F F 52.7429*56.162*151====kNl q F F 2.12729*264.282*242====kNl q F 95.14829*1.332*33===结构力学计算器输出如下单元码轴力剪力弯矩轴力剪力弯矩--------------------------------------------------------------------------------------------10.000000000.00000000-0.000000000.000000000.000000000.0000000020.00000000-74.5200000-0.000000000.00000000-74.5200000-76.457520030.00000000199.853934-76.45752000.00000000199.853934-41.682935440.0000000072.6539340-41.68293540.0000000072.653934045.501785450.00000000-76.296065945.50178540.00000000-76.2960659-46.053493760.00000000-203.496065-46.05349370.00000000-203.496065-77.798880070.0000000074.5200000-77.79888000.0000000074.52000000.0000000080.00000000-0.000000000.000000000.00000000-0.00000000-0.00000000M max =77.8kN/m,Q max =203.5N[]MPa MPa W M w 210561069221085.75263max =<=⨯⨯⨯==-σσMPa MPa It S Q 1259.38105.9105.272105.203323max <=⨯⨯⨯⨯⨯==--τ,满足要求四、钢管立柱验算活恒总F F F 4.12.1+=kN G 18.271010291513=⨯⨯⨯⨯=-分ⅡkNG 92.81010423.47.523=⨯⨯⨯⨯=-分ⅢkNF 95.8029)225.2(4.1)92.818.279)373.05.088.61((2.1=⨯++⨯+++⨯++⨯=总支架采用Q235钢管,φ=325mm,壁厚t=6mm,长度L=4.5m,截面积A=60.13cm 2钢管立柱承压验算钢管长细比i uL=λ其中钢管视为两端铰支,故0.1取μcm A I i 28.1113.6033.7651===计算得89.39=λ查表得钢管轴心受压构件稳定系数942.0=ϕ考虑最不利工况即三根钢管承受全部荷载则单根钢管承压:MPa A F p 4.351013.60942.04/1095.8024/43max=⨯⨯⨯==-)(总ϕ小于单根钢管允许承压215MPa满足要求。
400宽800高梁计算书计算依据:1、《建筑结构荷载规范》GB 50009-20122、《混凝土结构设计规范》GB50010-20103、《钢结构设计规范》GB 50017-20034、《建筑施工扣件式钢管模板支架技术规程》DB33/1035-2006一、工程概况模板设计立面图模板设计平面图三、荷载设计W=bh2/6=1000×142/6=32666.667mm3,I=bh3/12=1000×143/12=228666.667mm4 q=γGΣq Gk+1.4Σq Qk=1.35×[0.3+(24+1.5)×0.8]×1.0+1.4×(1+2)×1.0=32.145kN/m q`=Σq Gk+Σq Qk=[0.3+(24+1.5)×0.8]×1.0+(1+2)×1.0=23.7kN/m1、抗弯验算M max=0.1ql2=0.1×32.145×0.1332=0.057kN·mσmax=M max/W=0.057×106/32666.667=1.741N/mm2≤[f]=15N/mm2符合要求!2、抗剪验算Q max=0.6ql=0.6×32.145×0.133=2.565kNτmax=3Q max/(2bh)=3×2.565×103/(2×1000×14)=0.275N/mm2≤[τ]=1.4N/mm2符合要求!3、挠度验算νmax=0.677q`l4/(100EI)=0.677×23.7×1334/(100×6000×228666.667)=0.037mmνmax=0.037mm≤[ν]=min[L/150,10]=min[133/150,10]=0.887mm符合要求!4、支座反力R1=R4=0.4ql=1.71kN,R2=R3=1.1ql=4.703kNR`1=R`4=0.4q`l=1.261kN,R`2=R`3=1.1q`l=3.467kN五、次楞验算1G梁左侧楼板传递给次楞荷载:q2=γGΣN Gk+1.4ΣN Qk=[1.35×(0.3+(24+1.1)×0.12)+1.4×(1+2)]×(0.4-0.4/2)/2=0.867kN/m梁右侧楼板传递给次楞荷载:q3=γGΣN Gk+1.4ΣN Qk=[1.35×(0.3+(24+1.1)×0.12)+1.4×(1+2)]×(0.8-0.4-0.4/2)/2=0.867kN/m梁左侧模板传递给次楞的荷载:q4=γGΣN Gk=1.35×0.5×(0.8-0.12)=0.459kN/m 梁右侧模板传递给次楞的荷载:q5=γGΣN Gk=1.35×0.5×(0.8-0.12)=0.459kN/mq=max[1.71/1.0+0.013+0.867+0.459,4.703/1.0+0.013,1.71/1.0+0.013+0.867+0.459]=4.716kN/mq`=max[1.261/1.0+0.01+0.631+0.34,3.467/1.0+0.01,1.261/1.0+0.01+0.631+0.34]=3. 477kN/m计算简图如下:1、强度验算M max=0.125ql2=0.125×4.716×0.22=0.024kN·mσmax=M max/W=0.024×106/42667=0.553N/mm2≤[f]=13N/mm2符合要求!2、抗剪验算Q max=0.625ql=0.625×4.716×0.2=0.59kNτmax=3Q max/(2bh0)=3×0.59×1000/(2×40×80)=0.276N/mm2τmax=0.276N/mm2≤[τ]=1.3N/mm2符合要求!3、挠度验算νmax=0.521q`l4/(100EI)=0.521×3.477×2004/(100×9000×1706670)=0.002mmνmax=0.002mm≤[ν]=min[L/150,10]=min[200/150,10]=1.333mm符合要求!4、支座反力计算梁底次楞依次最大支座反力为:R1=1.25×(1.71+0.013+0.867+0.459)×0.2=0.762kNR2=1.25×(4.703+0.013)×0.2=1.179kNR3=1.25×(4.703+0.013)×0.2=1.179kNR4=1.25×(1.71+0.013+0.867+0.459)×0.2=0.762kNR`1=1.25×(1.261+0.01+0.631+0.34)×0.2=0.561kNR`2=1.25×(3.467+0.01)×0.2=0.869kNR`3=1.25×(3.467+0.01)×0.2=0.869kNR`4=1.25×(1.261+0.01+0.631+0.34)×0.2=0.561kN 六、主楞(横向水平钢管)验算1G计算简图如下:1、强度验算主楞弯矩图(kN·m) M max=0.549kN·mσmax=M max/W=0.549×106/4550=120.769N/mm2≤[f]=205N/mm2符合要求!2、抗剪验算主楞剪力图(kN)Q max=1.96kNτmax=2Q max/A=2×1.96×1000/427=9.18N/mm2τmax=9.18N/mm2≤[τ]=125N/mm2符合要求!3、挠度验算主楞变形图(mm)νmax=1.157mm≤[ν]=min[L/150,10]=min[800/150,10]=5.333mm 符合要求!4、支座反力支座反力依次为R1=1.96kN,R2=1.96kN支座反力依次为R`1=1.443kN,R`2=1.443kN七、纵向水平钢管验算计算简图如下:1、强度验算纵向水平钢管弯矩图(kN·m)M max=0.591kN·mσmax=M max/W=0.591×106/4550=129.88N/mm2≤[f]=205N/mm2 符合要求!2、抗剪验算纵向水平钢管剪力图(kN)Q max=3.697kNτmax=2Q max/A=2×3.697×103/427=17.317N/mm2τmax=17.317N/mm2≤[τ]=125N/mm2符合要求!3、挠度验算纵向水平钢管变形图(mm)νmax=0.866mm≤[ν]=min[L/150,10]=min[800/150,10]=5.333mm符合要求!4、支座反力支座反力依次为R1=4.18kN,R2=8.615kN,R3=8.615kN,R4=4.18kN八、扣件抗滑验算max1.05×R max=1.05×8.615=9.046kN,9.046kN≤1×12.0=12kN在扭矩达到40~65N·m的情况下,双扣件能满足要求!九、模板支架整体高宽比验算根据《建筑施工扣件式钢管模板支架技术规程》DB33/1035-2006第6.4.4:模板支架的高宽比不应大于5H/L b=8.98/25.6=0.351<5符合要求!十、立杆验算h/l a'=1800/800=2.25,h/l b'=1800/800=2.25,查附录D,得k=1.163,μ=1.272l0=max[kμh,h+2a]=max[1.163×1.272×1800,1800+2×500]=2800mmλ=l0/i=2800/16.1=174≤[λ]=210长细比符合要求!查《浙江省模板支架规程》附录C得 φ=0.2352、风荷载验算1) 模板支架风荷载标准值计算ωk=0kN/m22) 整体侧向力标准值计算ωk=0.7μzμsω0=0.7×1×1×0.3=0.21kN/m23、稳定性验算K H=1/[1+0.005×(8.98-4)]=0.9761) 不组合风荷载时立杆从左到右受力为(N ut=γG∑N Gk+1.4∑N Qk):R1=8.615+[1.2×(0.3+(24+1.1)×0.12)×0.8+1.4×(1+2)×0.8]×(0.8/2+(0.4-0.4/2)/2)+1.35×0.15×8.98=13.704kNR2=8.615+[1.2×(0.3+(24+1.1)×0.12)×0.8+1.4×(1+2)×0.8]×(0.8/2+(0.8-0.4-0.4/2)/2) +1.35×0.15×8.98=13.704kNN ut=max[R1,R2]=max[13.704, 13.704]=13.704kN1.05N ut/(φAK H)=1.05×13.704×103/(0.235×427×0.976)=146.964N/mm2≤[f]=205N/mm2符合要求!2) 组合风荷载时立杆从左到右受力为(N ut=γG∑N Gk+0.85×1.4∑N Qk):R1=13.312kN, R2=13.312kNN ut=max[R1,R2]=max[13.312, 13.312]=13.312kNM w=0.85×1.4ωk l a h2/10=0.85×1.4×0×0.8×1.82/10=0kN·m1.05N ut/(φAK H)+M w/W=1.05×13.312×103/(0.235×427×0.976)+0×106/(4.55×103)=142.767N/mm2≤[f]=205N/mm2符合要求!4、整体侧向力验算F k a aN1=3FH/[(m+1)L b]=3×0.114×8.98/[(34+1)×25.6]=0.003kNσ=(1.05N ut+N1)/(φAK H)=(1.05×13.312+0.003)×103/(0.235×427×0.976)=142.802N/mm2≤[f]=205N/mm2符合要求!。
梁模板(扣件式,梁板立柱共用)计算书计算依据:1、《建筑施工脚手架安全技术统一标准》GB51210-20162、《建筑施工扣件式钢管脚手架安全技术规范》JGJ 130-20113、《建筑施工模板安全技术规范》JGJ162-20084、《混凝土结构设计规范》GB 50010-20105、《建筑结构荷载规范》GB 50009-20126、《钢结构设计标准》GB 50017-2017一、工程属性平面图立面图四、面板验算面板类型覆面木胶合板面板厚度t(mm) 18面板抗弯强度设计值[f](N/mm2) 15 面板抗剪强度设计值[τ](N/mm2) 1.5面板弹性模量E(N/mm2) 5400 验算方式三等跨连续梁截面抵抗矩:W=bh2/6=400×18×18/6=21600mm3,截面惯性矩:I=bh3/12=400×18×18×18/12=194400mm4q1=γ0×max[1.2(G1k+(G2k+G3k)×h)+1.4Q1k,1.35(G1k+(G2k+G3k)×h)+1.4φc Q1k]×b=1×max[1.2×(0.1+(24+1.5)×0.9)+1.4×3,1.35×(0.1+(24+1.5)×0.9)+1.4×0.7×3]×0.4=13.623kN/mq1静=γ0×1.35×[G1k+(G2k+G3k)×h]×b=1×1.35×[0.1+(24+1.5)×0.9]×0.4=12.447kN/mq1活=γ0×1.4×0.7×Q1k×b=1×1.4×0.7×3×0.4=1.176kN/mq2=[1×(G1k+(G2k+G3k)×h)]×b=[1×(0.1+(24+1.5)×0.9)]×0.4=9.22kN/m简图如下:1、抗弯验算M max=0.1q1静L2+0.117q1活L2=0.1×12.447×0.22+0.117×1.176×0.22=0.055kN·mσ=M max/W=0.055×106/21600=2.56N/mm2≤[f]=15N/mm2满足要求!2、挠度验算νmax=0.677q2L4/(100EI)=0.677×9.22×2004/(100×5400×194400)=0.095mm≤[ν]=L/250=200/250=0.8mm满足要求!3、支座反力计算设计值(承载能力极限状态)R max=1.1q1静L+1.2q1活L=1.1×12.447×0.2+1.2×1.176×0.2=3.021kN标准值(正常使用极限状态)R'max=1.1q2L=1.1×9.22×0.2=2.028kN五、小梁验算小梁类型钢管小梁截面类型(mm) Φ48.3×3.0小梁计算截面类型(mm) Φ48×2.8 小梁抗弯强度设计值[f](N/mm2) 205小梁抗剪强度设计值[τ](N/mm2) 125 小梁截面抵抗矩W(cm3) 4.25小梁弹性模量E(N/mm2) 206000 小梁截面惯性矩I(cm4) 10.19面板传递给小梁q1=3.021/0.4=7.551kN/m小梁自重q2=1×1.35×(0.3-0.1)×0.2=0.054kN/m梁左侧楼板及侧模传递给小梁荷载F1=1×max[1.2 ×(0.5+(24+1.1)×0.25)+1.4×3,1.35 ×(0.5+(24+1.1)×0.25)+1.4×0.7×3]×(0.4-0.4/2)/2×0.2+1×1.35×0.5×(0.9-0.25)×0.2=0.334kN梁右侧楼板及侧模传递给小梁荷载F2=1×max[1.2 ×(0.5+(24+1.1)×0.25)+1.4×3,1.35×(0.5+(24+1.1)×0.25)+1.4×0.7×3]×((0.8-0.4)-0.4/2)/2×0.2+1×1.35×0.5×(0.9-0.25)×0.2=0.334kN正常使用极限状态:面板传递给小梁q1=2.028/0.4=5.071kN/m小梁自重q2=1×(0.3-0.1)×0.2=0.04kN/m梁左侧楼板及侧模传递给小梁荷载F1=(1×0.5+1×(24+1.1)×0.25)×(0.4-0.4/2)/2×0.2+1×0.5×(0.9-0.25)×0.2=0.201kN 梁右侧楼板及侧模传递给小梁荷载F2=(1×0.5+1×(24+1.1)×0.25)×((0.8-0.4)-0.4/2)/2×0.2+1×0.5×(0.9-0.25)×0.2=0.201kN 计算简图如下:承载能力极限状态正常使用极限状态1、抗弯验算小梁弯矩图(kN·m)σ=M max/W=0.038×106/4250=8.972N/mm2≤[f]=205N/mm2 满足要求!2、抗剪验算小梁剪力图(kN)V max=1.011kNτmax=2V max/A=2×1.011×1000/398=5.083N/mm2≤[τ]=125N/mm2满足要求!3、挠度验算小梁变形图(mm)νmax=0.005mm≤[ν]=L/250=267/250=1.068mm满足要求!4、支座反力计算承载能力极限状态R1=0.012kN,R2=1.854kN,R3=1.854kN,R4=0.012kN正常使用极限状态R'1=0.004kN,R'2=1.227kN,R'3=1.227kN,R'4=0.004kN六、主梁验算主梁类型钢管主梁截面类型(mm) Φ48.3×3.0 主梁计算截面类型(mm) Φ48×2.8 主梁抗弯强度设计值[f](N/mm2) 205主梁抗剪强度设计值[τ](N/mm2) 125 主梁截面抵抗矩W(cm3) 4.25主梁弹性模量E(N/mm2) 206000 主梁截面惯性矩I(cm4) 10.19主梁计算方式三等跨连续梁可调托座内主梁根数 2主梁受力不均匀系数0.6由上节可知P=max[R2,R3]×0.6=1.112kN,P'=max[R2',R3']×0.6=0.736kN主梁计算简图一1、抗弯验算主梁弯矩图一(kN·m)σ=M max/W=0.289×106/4250=68N/mm2≤[f]=205N/mm2满足要求!2、抗剪验算主梁剪力图一(kN)V max=1.751kNτmax=2V max/A=2×1.751×1000/398=8.799N/mm2≤[τ]=125N/mm2满足要求!3、挠度验算主梁变形图一(mm)跨中νmax=0.244mm≤[ν]=L/250=800/250=3.2mm满足要求!悬臂端νmax=0.014mm≤[ν]=2l2/250=2×200/250=1.6mm满足要求!4、支座反力计算图一:R max=4.531kN用小梁的支座反力分别代入可得:承载能力极限状态图一立杆2:R2=4.531kN,立杆3:R3=4.531kN立杆所受主梁支座反力依次为:立杆2:P2=4.531/0.6=7.552kN,立杆3:P3=4.531/0.6=7.552kN七、纵向水平钢管验算钢管截面类型(mm) Φ48.3×3.0 钢管计算截面类型(mm) Φ48×2.8钢管截面面积A(mm2) 398 钢管截面回转半径i(mm) 16钢管弹性模量E(N/mm2) 206000 钢管截面惯性矩I(cm4) 10.19 钢管截面抵抗矩W(cm3) 4.25 钢管抗弯强度设计值[f](N/mm2) 205 钢管抗剪强度设计值[τ](N/mm2) 1251414纵向水平钢管计算简图一1、抗弯验算纵向水平钢管弯矩图一(kN·m)σ=M max/W=0.003×106/4250=0.706N/mm2≤[f]=205N/mm2满足要求!2、抗剪验算纵向水平钢管剪力图一(kN)V max=0.019kNτmax=2V max/A=2×0.019×1000/398=0.095N/mm2≤[τ]=125N/mm2 满足要求!3、挠度验算纵向水平钢管变形图一(mm)跨中νmax=0.001mm≤[ν]=L/250=800/250=3.2mm满足要求!悬臂端νmax=0mm≤[ν]=2l2/250=2×200/250=1.6mm满足要求!4、支座反力计算图一:R max=0.049kN用小梁两侧的支座反力分别代入可得:承载能力极限状态图一:立杆1:R1=0.049kN,立杆4:R4=0.049kN八、可调托座验算两侧立杆最大受力N=max[R1,R4]=max[0.049,0.049]=0.049kN≤0.85×8=6.8kN 单扣件在扭矩达到40~65N·m且无质量缺陷的情况下,单扣件能满足要求!2、可调托座验算可调托座最大受力N=max[P2,P3]=7.552kN≤[N]=30kN满足要求!九、立杆验算顶部立杆段:l01=kμ1(h d+2a)=1×1.386×(750+2×200)=1594mm非顶部立杆段:l02=kμ2h =1×1.755×1500=2632mmλ=max[l01,l02]/i=2632/16=164.5≤[λ]=210长细比满足要求!顶部立杆段:l01=kμ1(h d+2a)=1.155×1.386×(750+2×200)=1841mm非顶部立杆段:l02=kμ2h =1.155×1.755×1500=3041mmλ=max[l01,l02]/i=3041/16=190.062查表得:φ=0.1992、风荷载计算M wd=γ0×φc×γQ×Mωk=γ0×φc×γQ×(ζ2×ωk×l a×h2/10)=1×0.6 ×1.4×(1×0.031×0.8×1.52/10)=0.005kN·m3、稳定性计算R1=0.049kN,P2=7.552kN,P3=7.552kN,R4=0.049kN梁两侧立杆承受楼板荷载:左侧楼板传递给梁左侧立杆荷载:N边1=1×max[1.2×(0.5+(24+1.1)×0.25)+1.4×3,1.35×(0.5+(24+1.1)×0.25)+0.7×1.4×3]×(0.8+0.4-0.4/2)/2×0.8=4.932kN右侧楼板传递给梁右侧立杆荷载:N边2=1×max[1.2×(0.5+(24+1.1)×0.25)+1.4×3,1.35×(0.5+(24+1.1)×0.25)+0.7×1.4×3]×(0.8+0.8-0.4-0.4/2)/2×0.8=4.932kNN d=max[R1+N边1,P2,P3,R4+N边2]+1×1.35×0.15×(3.6-0.9)=max[0.049+4.932,7.552,7.552,0.049+4.932]+0.547=8.099kNf d=N d/(φA)+M wd/W=8099.106/(0.199×398)+0.005×106/4250=103.435N/mm2≤[f]=205N/mm2满足要求!十、高宽比验算根据《建筑施工脚手架安全技术统一标准》GB51210-2016 第8.3.2条: 支撑脚手架独立架体高宽比不应大于3.0H/B=3.6/71=0.051≤3满足要求!十一、架体抗倾覆验算支撑脚手架风线荷载标准值:q wk=l'a×ωfk=0.8×0.674=0.539kN/m:风荷载作用在支架外侧模板上产生的水平力标准值:F wk= l'a×H m×ωmk=0.8×1×0.259=0.207kN支撑脚手架计算单元在风荷载作用下的倾覆力矩标准值M ok:M ok=0.5H2q wk+HF wk=0.5×3.62×0.539+3.6×0.207=4.24kN.m参考《规范》GB51210-2016 第6.2.17条:B2l'a(g k1+ g k2)+2ΣG jk b j≥3γ0M okg k1——均匀分布的架体面荷载自重标准值kN/m2g k2——均匀分布的架体上部的模板等物料面荷载自重标准值kN/m2G jk——支撑脚手架计算单元上集中堆放的物料自重标准值kNb j——支撑脚手架计算单元上集中堆放的物料至倾覆原点的水平距离mB2l'a(g k1+ g k2)+2ΣG jk b j =B2l'a[qH/(l'a×l'b)+G1k]+2×G jk×B/2=712×0.8×[0.15×3.6/(0.8×0.8)+0.5]+2×1×71/2=5490.075kN.m≥3γ0M ok =3×1×4.24=12.72kN.M满足要求!十二、立杆地基基础计算地基土类型素填土地基承载力特征值f ak(kPa) 140立杆垫木地基土承载力折减系数m f 1 垫板底面面积A(m2) 0.15立杆底垫板的底面平均压力p=N/(m f A)=8.099/(1×0.15)=53.994kPa≤γu f ak=1.363×140 =190.82kPa满足要求!。
梁模板碗扣钢管高支撑架计算书依据规范:《建筑施工碗扣式钢管脚手架安全技术规范》JGJ166-2008《建筑施工模板安全技术规范》JGJ 162-2008《建筑结构荷载规范》GB50009-2012《钢结构设计规范》GB50017-2003《混凝土结构设计规范》GB50010-2010《建筑地基基础设计规范》GB50007-2011《建筑施工木脚手架安全技术规范》JGJ 164-2008计算参数:钢管强度为205.0 N/mm2,钢管强度折减系数取1.00。
模板支架搭设高度为6.2m,梁截面B×D=400mm×850mm,立杆的纵距(跨度方向) l=0.45m,立杆的步距 h=1.20m,梁底增加2道承重立杆。
面板厚度15mm,剪切强度1.4N/mm2,抗弯强度15.0N/mm2,弹性模量9000.0N/mm2。
木方40×80mm,剪切强度1.6N/mm2,抗弯强度13.0N/mm2,弹性模量10000.0N/mm2。
梁底支撑顶托梁长度 0.70m。
梁顶托采用80×80mm木方。
梁底按照均匀布置承重杆2根计算。
模板自重0.50kN/m2,混凝土钢筋自重25.50kN/m3,施工活荷载7.00kN/m2。
扣件计算折减系数取1.00。
615图1 梁模板支撑架立面简图采用的钢管类型为φ48×3.0。
钢管惯性矩计算采用 I=π(D 4-d 4)/64,抵抗距计算采用 W=π(D 4-d 4)/32D 。
一、模板面板计算面板为受弯结构,需要验算其抗弯强度和刚度。
模板面板的按照多跨连续梁计算。
作用荷载包括梁与模板自重荷载,施工活荷载等。
1.荷载的计算:(1)钢筋混凝土梁自重(kN/m):q 1 = 25.500×0.850×0.450=9.754kN/m(2)模板的自重线荷载(kN/m):q 2 = 0.500×0.450×(2×0.850+0.400)/0.400=1.181kN/m(3)活荷载为施工荷载标准值与振捣混凝土时产生的荷载(kN):经计算得到,活荷载标准值 P 1 = (5.000+2.000)×0.400×0.450=1.260kN均布荷载 q = 1.20×9.754+1.20×1.181=13.122kN/m 集中荷载 P = 1.40×1.260=1.764kN面板的截面惯性矩I 和截面抵抗矩W 分别为: 本算例中,截面惯性矩I 和截面抵抗矩W 分别为: W = 45.00×1.50×1.50/6 = 16.88cm 3; I = 45.00×1.50×1.50×1.50/12 = 12.66cm 4;A计算简图0.066弯矩图(kN.m)剪力图(kN)变形的计算按照规范要求采用静荷载标准值,受力图与计算结果如下:10.93kN/mA变形计算受力图变形图(mm)经过计算得到从左到右各支座力分别为 N 1=0.984kN N 2=5.045kN N 3=0.984kN 最大弯矩 M = 0.065kN.m 最大变形 V = 0.081mm (1)抗弯强度计算经计算得到面板抗弯强度计算值 f = M/W = 0.065×1000×1000/16875=3.852N/mm 2 面板的抗弯强度设计值 [f],取15.00N/mm 2; 面板的抗弯强度验算 f < [f],满足要求!(2)抗剪计算截面抗剪强度计算值 T=3Q/2bh=3×1640.0/(2×450.000×15.000)=0.364N/mm 2截面抗剪强度设计值 [T]=1.40N/mm 2 面板抗剪强度验算 T < [T],满足要求!(3)挠度计算面板最大挠度计算值 v = 0.081mm面板的最大挠度小于200.0/250,满足要求!二、梁底支撑木方的计算梁底木方计算按照三跨连续梁计算,计算公式如下:均布荷载 q = 5.045/0.450=11.210kN/m最大弯矩 M = 0.1ql2=0.1×11.21×0.45×0.45=0.227kN.m 最大剪力Q=0.6×0.450×11.210=3.027kN最大支座力N=1.1×0.450×11.210=5.549kN木方的截面力学参数为本算例中,截面惯性矩I和截面抵抗矩W分别为: W = 4.00×8.00×8.00/6 = 42.67cm3;I = 4.00×8.00×8.00×8.00/12 = 170.67cm4;(1)木方抗弯强度计算抗弯计算强度 f = M/W =0.227×106/42666.7=5.32N/mm2木方的抗弯计算强度小于13.0N/mm2,满足要求!(2)木方抗剪计算最大剪力的计算公式如下:Q = 0.6ql截面抗剪强度必须满足:T = 3Q/2bh < [T]截面抗剪强度计算值T=3×3027/(2×40×80)=1.419N/mm2截面抗剪强度设计值 [T]=1.60N/mm2木方的抗剪强度计算满足要求!(3)木方挠度计算挠度计算按照规范要求采用静荷载标准值,均布荷载通过变形受力计算的最大支座力除以木方计算跨度(即木方下小横杆间距) 得到q=6.075kN/m最大变形v=0.677ql 4/100EI=0.677×6.075×450.04/(100×10000.00×1706667.0)=0.099mm 木方的最大挠度小于450.0/250,满足要求!三、托梁的计算托梁按照集中与均布荷载下多跨连续梁计算。
梁模板扣件钢管支撑架计算书依据标准:《建筑施工脚手架平安技术统一标准》GB51210-2016《建筑施工扣件式钢管脚手架平安技术标准》JGJ 130-2020《建筑施工模板平安技术标准》JGJ 162-2020《建筑结构荷载标准》GB50009-2021《钢结构设计标准》GB50017-2003《混凝土结构设计标准》GB50010-2020《建筑地基基础设计标准》GB50007-2020《建筑施工木脚手架平安技术标准》JGJ 164-2020计算参数:钢管强度为N/mm2,钢管强度折减系数取。
模板支架搭设高度为,梁截面B×D=800mm×600mm,立杆的纵距(跨度方向) l=,立杆的步距h=,梁底增加3道繁重立杆。
面板厚度15mm,剪切强度mm2,抗弯强度mm2,弹性模量mm2。
内龙骨采纳40.×木方。
木方剪切强度mm2,抗弯强度mm2,弹性模量mm2。
梁底支撑龙骨长度。
顶托梁采纳双钢管:Φ48×。
梁底繁重杆依照布置间距250,350,350mm计算。
模板自重m2,混凝土钢筋自重m3。
振捣混凝土荷载标准值m2,施工均布荷载标准值m2。
其中:施工均布荷载标准值,最大楼板跨度:2(楼板长)×1(楼板宽)×(楼板厚)×(钢筋混凝土自重)×(平安系数)=。
扣件计算折减系数取。
图1 梁模板支撑架立面简图依照GB51210标准条规定确信荷载组合分项系数如下:由可变荷载效应操纵的组合S=××++×=m2由永久荷载效应操纵的组合S=××+××=m2由于可变荷载效应操纵的组合S最大,永久荷载分项系数取,可变荷载分项系数取采纳的钢管类型为φ48×。
钢管惯性矩计算采纳I=π(D4-d4)/64,抗击距计算采纳W=π(D4-d4)/32D。
一、模板面板计算面板为受弯结构,需要验算其抗弯强度和刚度。
梁木模板与支撑计算书、梁模板基本参数梁截面宽度B=300mm, 梁截面高度H=1000mm,H 方向对拉螺栓1道,对拉螺栓直径 20mm 对拉螺栓在垂直于梁截面方向距离 (即计算跨度)400mn 。
梁模板使用的方木截面 50 x 100mm梁模板截面底部方木距离 300mm 梁模板截面侧面方木距离 400mm 梁底模面板厚度h=18mm 弹性模量E=6000N/mn 2 ,抗弯强度 梁侧模面板厚度h=18mm 弹性模量E=6000N/mn 2,抗弯强度梁底模板、梁模板荷载标准值计算模板自重 =0.340kN/m 钢筋自重 =1.500kN/m混凝土自重=24.000kN/m 施工荷载标准值 =2.500kN/m 2强度验算要考虑新浇混凝土侧压力和倾倒混凝土时产生的荷载;挠度验算只考虑新浇混凝土侧压力。
新浇混凝土侧压力计算公式为下式中的较小值:F = 0.2即注0]爲亦 F-rH其中I : 'I ―― 混凝土的重力密度,取 24.000kN/m 3;t ―― 新浇混凝土的初凝时间,为 0时(表示无资料)取200/(T+15),取2.000h ; T ―― 混凝土的入模温度,取 35.000 °C ; V ―― 混凝土的浇筑速度,取 2.500m/h ;H――混凝土侧压力计算位置处至新浇混凝土顶面总高度,取'■ 1―― 外加剂影响修正系数,取 1.000 ;[f]=15N/mm[f]=15N/mm1.200m ;R''2 混凝土坍落度影响修正系数,取0.850F1=0.22*24*2*1*0.85*1.58=14.19 kN/m F2=24*1.2=28.8 kN/m2根据公式计算的新浇混凝土侧压力标准值 实际计算中采用新浇混凝土侧压力标准值三、梁模板底模计算本算例中,截面惯性矩I 和截面抵抗矩V 分别为W = 30.00 X 1.80 X 1.80/6 = 16.20cm 3; I = 30.00X 1.80 X 1.80 X 1.80/12 = 14.58cm4;梁底模板面板按照三跨度连续梁计算,计算简图如下梁底模面板计算简图其中f ――梁底模板的抗弯强度计算值(N/mm 2);M ―― 计算的最大弯矩 (kN.m); q ――作用在梁底模板的均布荷载(kN/m);q=1.2X [0.34 X 0.30+24.00 X 0.30 X 1.00+1.50 X 0.30 X 1.00]+1.4 X 2.50 X0.30=10.35kN/m最大弯矩计算公式如下M=-0.10 X 10.35 X 0.300 2=0.093kN.m f=0.093 X 106/16200.0=5.74N/mm 2梁底模面板抗弯计算强度小于15.00N/mm 2,满足要求2. 抗剪计算最大剪力的计算公式如下:Q = 0.6ql截面抗剪强度必须满足:F1=14.190kN/m 2 F1=14.190kN/m 2倒混凝土时产生的荷载标准值F2= 28.8.000kN/m300300 30B1.抗弯强度计算 抗弯强度计算公式要求:f = M/W < [f]T = 3Q/2bh < [T]其中最大剪力Q=0.6 X 0.300 X 10.35=1.863kN 截面抗剪强度计算值截面抗剪强度设计值T=3 X 10.35/(2 X 300 X 18)=0.2875N/mm 2[T]=1.40N/mm 2面板的抗剪强度计算满足要求3. 挠度计算最大挠度计算公式如下其中q = 0.34 X 0.30+24.00 X 0.30 X 1.00+1.50 X 0.30 X 1.00=7.75N/mm三跨连续梁均布荷载作用下的最大挠度v = 0.677 X 7.75 X 300.0 4/(100 X 6000.00 X 145800.0)=0.4858mm 梁底模板的挠度计算值:v = 0.4858mm 小于[v] = 300/250=2.057, 满足要求四、梁模板底方木计算梁底方木的计算在脚手架梁底支撑计算中已经包含!五、梁模板侧模计算梁侧模板按照三跨连续梁计算,计算简图如下22.63kN/mr、L I 1 \1、!■i h i P冃 1 ■■I-、F A r R _400 400 : 400 _图梁侧模板计算简图1. 抗弯强度计算抗弯强度计算公式要求: f = M/W < [f]其中f ――梁侧模板的抗弯强度计算值(N/mm2);M ―― 计算的最大弯矩(kN.m);q——作用在梁侧模板的均布荷载(N/mm);q=(1.2 X 14.19+1.4 X 4.00) X 1.00=22.628N/mm最大弯矩计算公式如下:%八畀X 22.628 X 0.400 2=-0.362kN.mM=-0.10。
梁模板(扣件式,梁板立柱共用)计算书计算依据:1、《建筑施工脚手架安全技术统一标准》GB51210-20162、《建筑施工扣件式钢管脚手架安全技术规范》JGJ 130-20113、《建筑施工模板安全技术规范》JGJ162-20084、《混凝土结构设计规范》GB 50010-20105、《建筑结构荷载规范》GB 50009-20126、《钢结构设计标准》GB 50017-2017一、工程属性平面图立面图四、面板验算面板类型覆面木胶合板面板厚度t(mm) 18面板抗弯强度设计值[f](N/mm2) 15 面板抗剪强度设计值[τ](N/mm2) 1.5面板弹性模量E(N/mm2) 5400 验算方式三等跨连续梁截面抵抗矩:W=bh2/6=400×18×18/6=21600mm3,截面惯性矩:I=bh3/12=400×18×18×18/12=194400mm4q1=γ0×max[1.2(G1k+(G2k+G3k)×h)+1.4Q1k,1.35(G1k+(G2k+G3k)×h)+1.4φc Q1k]×b=1×max[1.2×(0.1+(24+1.5)×0.8)+1.4×3,1.35×(0.1+(24+1.5)×0.8)+1.4×0.7×3]×0.4=12.246kN/mq1静=γ0×1.35×[G1k+(G2k+G3k)×h]×b=1×1.35×[0.1+(24+1.5)×0.8]×0.4=11.07kN/mq1活=γ0×1.4×0.7×Q1k×b=1×1.4×0.7×3×0.4=1.176kN/mq2=[1×(G1k+(G2k+G3k)×h)]×b=[1×(0.1+(24+1.5)×0.8)]×0.4=8.2kN/m简图如下:1、抗弯验算M max=0.1q1静L2+0.117q1活L2=0.1×11.07×0.22+0.117×1.176×0.22=0.05kN·mσ=M max/W=0.05×106/21600=2.305N/mm2≤[f]=15N/mm2满足要求!2、挠度验算νmax=0.677q2L4/(100EI)=0.677×8.2×2004/(100×5400×194400)=0.085mm≤[ν]=L/250=200/250=0.8mm满足要求!3、支座反力计算设计值(承载能力极限状态)R max=1.1q1静L+1.2q1活L=1.1×11.07×0.2+1.2×1.176×0.2=2.718kN标准值(正常使用极限状态)R'max=1.1q2L=1.1×8.2×0.2=1.804kN五、小梁验算小梁类型钢管小梁截面类型(mm) Φ48.3×3.0小梁计算截面类型(mm) Φ48×2.8小梁抗弯强度设计值[f](N/mm2) 205小梁抗剪强度设计值[τ](N/mm2) 125 小梁截面抵抗矩W(cm3) 4.25小梁弹性模量E(N/mm2) 206000 小梁截面惯性矩I(cm4) 10.19面板传递给小梁q1=2.718/0.4=6.794kN/m小梁自重q2=1×1.35×(0.3-0.1)×0.2=0.054kN/m梁左侧楼板及侧模传递给小梁荷载F1=1×max[1.2 ×(0.5+(24+1.1)×0.25)+1.4×3,1.35 ×(0.5+(24+1.1)×0.25)+1.4×0.7×3]×(0.4-0.4/2)/2×0.2+1×1.35×0.5×(0.8-0.25)×0.2=0.321kN梁右侧楼板及侧模传递给小梁荷载F2=1×max[1.2 ×(0.5+(24+1.1)×0.25)+1.4×3,1.35×(0.5+(24+1.1)×0.25)+1.4×0.7×3]×((0.8-0.4)-0.4/2)/2×0.2+1×1.35×0.5×(0.8-0.25)×0.2=0.321kN正常使用极限状态:面板传递给小梁q1=1.804/0.4=4.51kN/m小梁自重q2=1×(0.3-0.1)×0.2=0.04kN/m梁左侧楼板及侧模传递给小梁荷载F1=(1×0.5+1×(24+1.1)×0.25)×(0.4-0.4/2)/2×0.2+1×0.5×(0.8-0.25)×0.2=0.191kN 梁右侧楼板及侧模传递给小梁荷载F2=(1×0.5+1×(24+1.1)×0.25)×((0.8-0.4)-0.4/2)/2×0.2+1×0.5×(0.8-0.25)×0.2=0.191kN 计算简图如下:承载能力极限状态正常使用极限状态1、抗弯验算小梁弯矩图(kN·m)σ=M max/W=0.035×106/4250=8.166N/mm2≤[f]=205N/mm2 满足要求!2、抗剪验算小梁剪力图(kN)V max=0.911kNτmax=2V max/A=2×0.911×1000/398=4.577N/mm2≤[τ]=125N/mm2满足要求!3、挠度验算小梁变形图(mm)νmax=0.005mm≤[ν]=L/250=267/250=1.068mm满足要求!4、支座反力计算承载能力极限状态R1=0.015kN,R2=1.687kN,R3=1.687kN,R4=0.015kN正常使用极限状态R'1=0.006kN,R'2=1.103kN,R'3=1.103kN,R'4=0.006kN六、主梁验算主梁类型钢管主梁截面类型(mm) Φ48.3×3.0主梁计算截面类型(mm) Φ48×2.8主梁抗弯强度设计值[f](N/mm2) 205主梁抗剪强度设计值[τ](N/mm2) 125 主梁截面抵抗矩W(cm3) 4.25主梁弹性模量E(N/mm2) 206000 主梁截面惯性矩I(cm4) 10.19主梁计算方式三等跨连续梁可调托座内主梁根数 2主梁受力不均匀系数0.6由上节可知P=max[R2,R3]×0.6=1.012kN,P'=max[R2',R3']×0.6=0.662kN主梁计算简图一1、抗弯验算主梁弯矩图一(kN·m)σ=M max/W=0.263×106/4250=61.882N/mm2≤[f]=205N/mm2满足要求!2、抗剪验算主梁剪力图一(kN)V max=1.594kNτmax=2V max/A=2×1.594×1000/398=8.01N/mm2≤[τ]=125N/mm2满足要求!3、挠度验算主梁变形图一(mm)跨中νmax=0.219mm≤[ν]=L/250=800/250=3.2mm满足要求!悬臂端νmax=0.012mm≤[ν]=2l2/250=2×200/250=1.6mm满足要求!4、支座反力计算图一:R max=4.124kN用小梁的支座反力分别代入可得:承载能力极限状态图一立杆2:R2=4.124kN,立杆3:R3=4.124kN立杆所受主梁支座反力依次为:立杆2:P2=4.124/0.6=6.873kN,立杆3:P3=4.124/0.6=6.873kN七、纵向水平钢管验算钢管截面类型(mm) Φ48.3×3.0钢管计算截面类型(mm) Φ48×2.8钢管截面面积A(mm2) 398 钢管截面回转半径i(mm) 16钢管弹性模量E(N/mm2) 206000 钢管截面惯性矩I(cm4) 10.19 钢管截面抵抗矩W(cm3) 4.25 钢管抗弯强度设计值[f](N/mm2) 205 钢管抗剪强度设计值[τ](N/mm2) 1251414纵向水平钢管计算简图一1、抗弯验算纵向水平钢管弯矩图一(kN·m)σ=M max/W=0.004×106/4250=0.941N/mm2≤[f]=205N/mm2满足要求!2、抗剪验算纵向水平钢管剪力图一(kN)V max=0.024kNτmax=2V max/A=2×0.024×1000/398=0.119N/mm2≤[τ]=125N/mm2 满足要求!3、挠度验算纵向水平钢管变形图一(mm)跨中νmax=0.002mm≤[ν]=L/250=800/250=3.2mm满足要求!悬臂端νmax=0mm≤[ν]=2l2/250=2×200/250=1.6mm满足要求!4、支座反力计算图一:R max=0.061kN用小梁两侧的支座反力分别代入可得:承载能力极限状态图一:立杆1:R1=0.061kN,立杆4:R4=0.061kN八、可调托座验算两侧立杆最大受力N=max[R1,R4]=max[0.061,0.061]=0.061kN≤0.85×8=6.8kN 单扣件在扭矩达到40~65N·m且无质量缺陷的情况下,单扣件能满足要求!2、可调托座验算可调托座最大受力N=max[P2,P3]=6.873kN≤[N]=30kN满足要求!九、立杆验算顶部立杆段:l01=kμ1(h d+2a)=1×1.386×(750+2×200)=1594mm非顶部立杆段:l02=kμ2h =1×1.755×1500=2632mmλ=max[l01,l02]/i=2632/16=164.5≤[λ]=210长细比满足要求!顶部立杆段:l01=kμ1(h d+2a)=1.155×1.386×(750+2×200)=1841mm非顶部立杆段:l02=kμ2h =1.155×1.755×1500=3041mmλ=max[l01,l02]/i=3041/16=190.062查表得:φ=0.1992、风荷载计算M wd=γ0×φc×γQ×Mωk=γ0×φc×γQ×(ζ2×ωk×l a×h2/10)=1×0.6 ×1.4×(1×0.031×0.8×1.52/10)=0.005kN·m3、稳定性计算R1=0.061kN,P2=6.873kN,P3=6.873kN,R4=0.061kN梁两侧立杆承受楼板荷载:左侧楼板传递给梁左侧立杆荷载:N边1=1×max[1.2×(0.5+(24+1.1)×0.25)+1.4×3,1.35×(0.5+(24+1.1)×0.25)+0.7×1.4×3]×(0.8+0.4-0.4/2)/2×0.8=4.932kN右侧楼板传递给梁右侧立杆荷载:N边2=1×max[1.2×(0.5+(24+1.1)×0.25)+1.4×3,1.35×(0.5+(24+1.1)×0.25)+0.7×1.4×3]×(0.8+0.8-0.4-0.4/2)/2×0.8=4.932kNN d=max[R1+N边1,P2,P3,R4+N边2]+1×1.35×0.15×(3.6-0.8)=max[0.061+4.932,6.873,6.873,0.061+4.932]+0.567=7.44kNf d=N d/(φA)+M wd/W=7440.188/(0.199×398)+0.005×106/4250=95.116N/mm2≤[f]=205N/mm2满足要求!十、高宽比验算根据《建筑施工脚手架安全技术统一标准》GB51210-2016 第8.3.2条: 支撑脚手架独立架体高宽比不应大于3.0H/B=3.6/33=0.109≤3满足要求!十一、架体抗倾覆验算支撑脚手架风线荷载标准值:q wk=l'a×ωfk=0.8×0.586=0.469kN/m:风荷载作用在支架外侧模板上产生的水平力标准值:F wk= l'a×H m×ωmk=0.8×1×0.259=0.207kN支撑脚手架计算单元在风荷载作用下的倾覆力矩标准值M ok:M ok=0.5H2q wk+HF wk=0.5×3.62×0.469+3.6×0.207=3.784kN.m参考《规范》GB51210-2016 第6.2.17条:B2l'a(g k1+ g k2)+2ΣG jk b j≥3γ0M okg k1——均匀分布的架体面荷载自重标准值kN/m2g k2——均匀分布的架体上部的模板等物料面荷载自重标准值kN/m2G jk——支撑脚手架计算单元上集中堆放的物料自重标准值kNb j——支撑脚手架计算单元上集中堆放的物料至倾覆原点的水平距离mB2l'a(g k1+ g k2)+2ΣG jk b j =B2l'a[qH/(l'a×l'b)+G1k]+2×G jk×B/2=332×0.8×[0.15×3.6/(0.8×0.8)+0.5]+2×1×33/2=1203.675kN.m≥3γ0M ok =3×1×3.784=11.351kN.M满足要求!十二、立杆地基基础计算地基土类型素填土地基承载力特征值f ak(kPa) 140立杆垫木地基土承载力折减系数m f 1 垫板底面面积A(m2) 0.15立杆底垫板的底面平均压力p=N/(m f A)=7.44/(1×0.15)=49.601kPa≤γu f ak=1.363×140 =190.82kPa满足要求!。
梁支撑架计算书高支撑架的计算参照《建筑施工扣件式钢管脚手架安全技术规范》(JGJ130-2001)、《混凝土结构设计规范》GB50010-2002、《建筑结构荷载规范》(GB 50009-2001)、《钢结构设计规范》(GB 50017-2003)等规范。
支撑高度在4米以上的模板支架被称为扣件式钢管高支撑架,对于高支撑架的计算规范存在重要疏漏,使计算极容易出现不能完全确保安全的计算结果。
本计算书还参照《施工技术》2002.3.《扣件式钢管模板高支撑架设计和使用安全》,供脚手架设计人员参考。
梁底增加3道承重立杆。
图1 梁模板支撑架立面简图采用的钢管类型为Φ48×3.00。
一、参数信息:梁段信息:L1;1.脚手架参数立柱梁跨度方向间距l(m):0.60;立杆上端伸出至模板支撑点长度a(m):0.30;脚手架步距(m):1.00;脚手架搭设高度(m):7.50;梁两侧立柱间距(m):0.60;承重架支设:多根承重立杆,木方垂直梁截面;梁底增加承重立杆根数:3;2.荷载参数模板与木块自重(kN/m2):0.350;梁截面宽度B(m):0.700;混凝土和钢筋自重(kN/m3):25.000;梁截面高度D(m):2.000;倾倒混凝土荷载标准值(kN/m2):2.000;施工均布荷载标准值(kN/m2):2.000;3.木方参数木方弹性模量E(N/mm2):9500.000;木方抗弯强度设计值(N/mm2):13.000;木方抗剪强度设计值(N/mm2):1.300;木方的间隔距离(mm):300.000;木方的截面宽度(mm):80.00;木方的截面高度(mm):100.00;4.其他采用的钢管类型(mm):Φ48×3.0。
扣件连接方式:双扣件,扣件抗滑承载力系数:0.80;二、梁底支撑的计算作用于支撑钢管的荷载包括梁与模板自重荷载,施工活荷载等。
1.荷载的计算:(1)钢筋混凝土梁自重(kN/m):q1 = 25.000×2.000×0.600=30.000 kN/m;(2)模板的自重线荷载(kN/m):q2 = 0.350×0.600×(2×2.000+0.700)/ 0.700=1.410 kN/m;(3)活荷载为施工荷载标准值与振倒混凝土时产生的荷载(kN):经计算得到,活荷载标准值 P1= (2.000+2.000)×0.700×0.600=1.680 kN;2.木方楞的支撑力计算均布荷载 q = 1.2×30.000+1.2×1.410=37.692 kN/m;集中荷载 P = 1.4×1.680=2.352 kN;木方计算简图经过计算得到从左到右各木方传递集中力[即支座力]分别为:N1=2.573 kN;N2=7.447 kN;N3=8.461 kN;N4=7.649 kN;N5=2.573 kN;木方按照简支梁计算。
400 mm×850 mm梁模板支架计算书&&&湖酒店工程;工程建设地点:kkk;属于kkk结构;地上3层;地下1层;建筑高度:20m;标准层层高:0m ;总建筑面积:0平方米;总工期:0天。
本工程由hjkg投资建设,lhjl设计,;jnk地质勘察,hjl监理,组织施工;由kkk 担任项目经理,kk担任技术负责人。
一、参数信息本算例中,取lkl作为计算对象。
梁的截尺寸为400 mm×850 mm,支撑长度为6.3 m。
根据工程实际情况及公司现有施工工艺采用梁底支撑小楞平行梁跨方向的支撑形式。
(一)支撑参数及构造梁两侧楼板混凝土厚度(mm):250;立杆纵距l a(m):0.6;立杆上端伸出至模板支撑点长度a(m):0.3;立杆步距h(m):1.5;板底承重立杆横向间距或排距l(m):0.8;梁支撑架搭设高度H(m):15.9;梁两侧立杆间距l b(m):0.8;(二)材料参数面板类型为木面板,梁底支撑采用方木。
竖向力传递通过双扣件。
木方截面为60mm×80mm,梁底支撑钢管采用Ф48×3.0钢管,钢管的截面积为A=4.24×102mm2,截面模量W=4.49×103mm3,截面惯性矩为I=1.08×105 mm4。
木材的抗弯强度设计值为f m=13 N/mm2,抗剪强度设计值为f v=1.3 N/mm2,弹性模量为E=12000 N/mm2,面板的抗弯强度设计值为f m=13 N/mm2,抗剪强度设计值为f v=1.3 N/mm2,面板弹性模量为E=9000 N/mm2。
荷载首先作用在梁底模板上,按照"底模→底模小楞→水平钢管→扣件/可调托座→立杆→基础"的传力顺序,分别进行强度、刚度和稳定性验算。
(三)荷载参数梁底模板自重标准值为0.3kN/m2;梁钢筋自重标准值为1.5kN/m3;施工人员及设备荷载标准值为1kN/m2;振捣混凝土时产生的荷载标准值为2kN/m2;新浇混凝土自重标准值:24kN/m3。
所处城市为杭州市,基本风压为W0=0.45kN/m2;风荷载高度变化系数为μz=0.74,风荷载体型系数为μs=0.355。
二、梁底模板强度和刚度验算面板为受弯结构,需要验算其抗弯强度和挠度。
计算的原则是按照模板底支撑的间距和模板面的大小,以梁底小横杆之间的距离宽度的面板作为计算单元进行计算。
本工程中,面板的截面惯性矩I和截面抵抗矩W分别为:W = 200.00×50.00×50.00/6 = 8.33×104mm3;I = 200.00×50.00×50.00×50.00/12 =2.08×106mm4;1、荷载计算模板自重标准值:x1=0.30×0.20=0.06kN/m;新浇混凝土自重标准值:x2=0.85×24.00×0.20=4.08kN/m;梁钢筋自重标准值:x3=0.85×1.50×0.20=0.25kN/m;施工人员及设备活荷载标准值:x4=1.00×0.20=0.20kN/m;振捣混凝土时产生的荷载标准值:x5=2.00×0.20=0.40kN/m。
以上1、2、3项为恒载,取分项系数1.35;4、5项为活载,取分项系数1.4,则底模的荷载设计值为:q=1.35×(x1+x2+x3)+1.4×(x4+x5)=1.35×(0.06+4.08+0.25)+1.4×(0.20+0.40)=6.77k N/m;荷载标准值为:q k =x1+x2+x3+x4+x5=0.06+4.08+0.25+0.20+0.40=4.99kN/m;2、抗弯强度验算按以下公式进行面板抗弯强度验算:梁底模板承受的最大弯矩计算公式如下:M max=0.125ql2=0.125×6.77×0.40×0.40=0.135kN·m;支座反力为R1=R2=0.5ql=1.355 kN;最大支座反力R=0.5ql=1.355 kN;σ =1.35×105/8.33×104=1.626N/mm2;面板计算应力σ =1.63 N/mm2小于梁底模面板的抗弯强度设计值f m=13N/mm2,满足要求!3、抗剪强度验算面板承受的剪力为Q=1.355 kN,抗剪强度按照下面的公式计算:τ =3×1.355×1000/(2×1000×50)=0.041N/mm2;=1.30N/mm2,满足要求。
面板受剪应力计算值τ =0.04小于fv4、挠度验算根据《建筑施工计算手册》刚度验算采用荷载标准值,根据JGJ130-2001,刚度验算时采用荷载短期效应组合,取荷载标准值计算,不乘分项系数,因此梁底模板的变形计算如下:最大挠度计算公式如下:其中,l--计算跨度(梁底支撑间距): l =400.00mm;面板的最大挠度计算值:ν = 5×4.995×400.004/(384×9000.00×2.08×106)=0.089mm;面板的最大挠度计算值ν =0.09mm 小于面板的最大允许挠度值[v] =min(400.00 / 150,10)mm,满足要求!三、梁底纵向支撑小楞的强度和刚度验算本工程中,支撑小楞采用方木,方木的截面惯性矩I 和截面抵抗矩W分别为: W=60.00×80.00×80.00/6 =6.40×104 mm3;I=60.00×80.00×80.00×80.00/12 = 2.56×106 mm4;1、荷载的计算按照三跨连续梁计算,支撑小楞承受由面板支座反力传递的荷载。
最大弯矩取恒荷载和活荷载最不利布置的弯矩之和。
荷载计算如下:q=1.355/0.200=6.773kN/m。
2、抗弯强度验算最大弯矩考虑为静荷载与活荷载的设计值最不利分配的弯矩和,计算公式如下:最大弯矩M =0.1×6.773×0.202= 0.027 kN·m;最大剪力Q =0.617×6.773×0.20= 0.836kN;最大受弯应力σ = M / W = 2.71×104/6.40×104 = 0.423 N/mm2;支撑小楞的最大应力计算值σ = 0.423 N/mm2小于支撑小楞的抗弯强度设计=13.000 N/mm2,满足要求!值fm3、抗剪强度验算截面最大抗剪强度必须满足:支撑小楞的受剪应力值计算:τ = 3×8.36×102/(2×60.00×80.00) = 0.261 N/mm2;支撑小楞的抗剪强度设计值f v =1.300N/mm2;支撑小楞的受剪应力计算值τ = 0.261 N/mm2小于支撑小楞的抗剪强度设计值f v= 1.30 N/mm2,满足要求!4、挠度验算最大挠度考虑为静荷载的计算值最不利分配的挠度和,计算公式如下:支撑小楞的最大挠度计算值ν = 0.677×6.773×200.004/(100×12000.00×2.56×106)=0.002mm;支撑小楞的最大挠度计算值ν = 0.002 mm 小于支撑小楞的最大允许挠度[v] =min(200.00/ 150,10) mm,满足要求!四、梁底横向支撑钢管的强度验算梁底横向支撑承受梁底木方传递的集中荷载。
对支撑钢管的计算按照集中荷载作用下的简支梁进行计算。
计算简图如下:1 、荷载计算梁底支撑小横杆的间距为0.600/(2+1)=0.200 m。
荷载为板模板下的小楞对其产生的支座反力。
作用在小横杆上的力分别为(从左到右):N1 = 1.35 kN,N2 = 1.35 kN。
计算简图(kN)变形图(mm)弯矩图(kN·m)经过连续梁的计算得到:支座反力R A = R B=1.355 kN;最大弯矩M max=0.271 kN·m;最大挠度计算值νmax=0.895 mm;最大受弯应力σ = M / W = 2.71×105/4.49×103 = 60.341 N/mm2;梁底支撑小横杆的最大应力计算值σ = 60.341 N/mm2小于梁底支撑小横杆的抗弯强度设计值f m =205.000 N/mm2,满足要求!梁底横向支撑小楞的最大挠度:ν =0.895 mm;梁底支撑小横杆的最大挠度计算值ν = 0.895 mm 小于梁底支撑小横杆的最大允许挠度[v] =min(600.00/ 150,10) mm,满足要求!五、梁跨度纵向支撑钢管计算作用于支撑钢管的荷载包括梁与模板自重荷载,施工活荷载等,通过方木的集中荷载传递。
1、梁两侧支撑钢管的强度计算支撑钢管按照集中荷载作用下的三跨连续梁计算;集中力P=1.355 kN。
支撑钢管计算简图支撑钢管计算弯矩图(kN·m)支撑钢管计算变形图(mm)支撑钢管计算剪力图(kN)最大弯矩M max = 0.217 kN·m ;最大变形νmax = 0.251 mm ;最大支座力R max = 4.425 kN ;最大应力σ = 0.217×106 /(4.49×103 )=48.291 N/mm2;支撑钢管的抗弯强度设计值f m =205 N/mm2;支撑钢管的最大应力计算值σ = 48.291 N/m m2小于支撑钢管的抗弯强度设计值f m=205 N/mm2,满足要求!支撑钢管的最大挠度ν=0.251mm小于最大允许挠度[v]=min(600/150,10)mm,满足要求!六、扣件抗滑移的计算纵向或横向水平杆与立杆连接时,扣件的抗滑承载力按照下式计算(规范1.05R ≤Rc其中Rc -- 扣件抗滑承载力设计值,取12.00 kN;R -- 纵向或横向水平杆传给立杆的竖向作用力设计值;计算中R取最大支座反力,根据前面计算结果得到R=4.425 kN;1.05R < 12.00 kN,所以双扣件抗滑承载力的设计计算满足要求!七、不组合风荷载时,立杆的稳定性计算1、立杆荷载根据《规程》,支架立杆的轴向力设计值N ut指每根立杆受到荷载单元传递来的最不利的荷载值。
其中包括上部模板传递下来的荷载及支架自重,显然,最底部立杆所受的轴压力最大。
上部模板所传竖向荷载包括以下部分:通过支撑梁的顶部扣件的滑移力(或可调托座传力)。