制程检验标准
- 格式:doc
- 大小:81.00 KB
- 文档页数:4
1.概述本标准规定了公司生产制程中质量控制的检验标准,它适用于本公司生产过程中的质量控制。
2.制程检验方式2.1.首件检验,指新产品投产或停产8小时后,再重新生产时每个工位工人生产的前3-5个件的检验。
首检不合格,无相关人员同意,不能投入量产。
2.2.过程巡检,指在生产过程中,巡检人员每隔60分钟一次的生产巡视检验,一般抽查2-8个件。
过程巡检不合格的,责成操作工人立即改正,并且不合格品返回上一道工序。
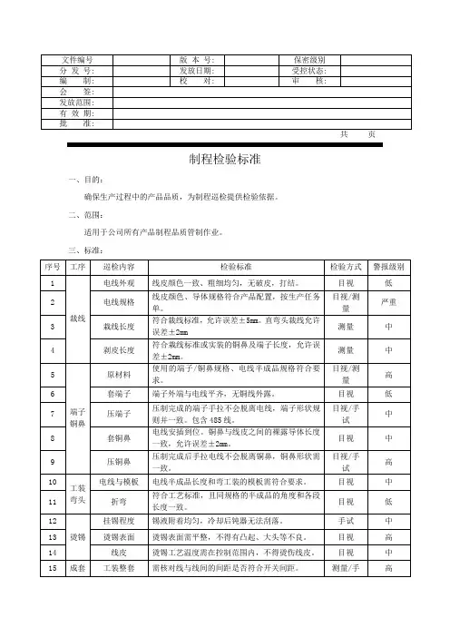
3.制程检验标准3.1.P CB贴板的检查根据工艺人员提供的贴板图或样片,阻焊纸正确贴到指定的区域内。
不符合要求的须返工。
3.2.插件的检查根据工艺人员提供的PCB装配图或样板,检查插件员工是否把元器件插入PCB板正确的元件位置,是否有插错、漏插元件,元件是否插放整齐,且所有元件必须插到底部。
IC、电容、二极管、三极管插件的检验时,要检查元件的方向正确与否。
不符合要求的须返工3.3.浸焊的检查浸焊时,所有元件必须压到底部方可上助焊剂,浸焊时间不得超过5秒钟,PCB离炉2秒后方可放到洗板水中冷却。
3.4.切脚的检查PCB板元件脚贴着PCB板切割整齐,不符合要求的须返工。
3.5.补焊的检查根据工艺人员提供的PCB装配图或样板,检查元件是否焊到PCB正确元件位置,是否有虚焊、连焊、漏焊、错焊。
洗板后第二次补焊,PCB上不能残留松香污迹,不符合要求的须返工。
3.6.洗板的检查超声波洗涤,根据清洗机的容量,洗板水的液面刚好能浸没PCB板,每次清洗时间为3-5分钟。
3.7.烘干的检查烘箱温度约为60℃(不超过70℃),烘干时间为15-30分钟。
3.8.装配的检查根据工艺人员提供的《作业指导书》,检查操作人员是否按《作业指导书》进行标准操作。
3.9.功能的检验(初调/复调)所有功能检查工位调试后流出的坏机,经相应修理工位修理后,须从功能检查的第一个工位开始重测,相应修理工位须做好坏机修理记录。
3.9.1.电阻(Ω)的检验接入规定的标准电阻,根据相应被测表型号的调试检验卡,输入规定的电阻值,被测表相应电阻值的读数,在误差范围内。
hj431熔炼焊剂制程检验标准
HJ431熔炼焊剂制程检验标准是针对焊接行业中使用的HJ431型号的熔炼焊剂制定的一套检验标准。
该标准主要包括以下几个方面的内容:
1. 外观检查:对焊剂的颜色、形状、粒度等进行检验,确保其符合规定的要求。
2. 化学成分分析:对焊剂中各种元素的含量进行分析,确保其符合设计要求和国家标准。
3. 物理性能测试:包括熔点、粘度、密度、粒度分布等指标的测试,以评估焊剂的性能是否符合要求。
4. 机械性能测试:包括强度、硬度、韧性等指标的测试,以评估焊剂的力学性能是否符合要求。
5. 工艺试验:通过模拟实际焊接过程,对焊剂的使用效果进行评估,包括焊缝质量、焊接速度等方面。
HJ431熔炼焊剂制程检验标准的制定旨在保证焊接行业的生产质量和安全,提高产品的竞争力和市场占有率。
同时,该标准的执行也能够促进企业技术创新和管理升级,推动整个行业的发展。
********有限公司制程检验标准一、目的:为规范生产基地深/再加工过程检验标准化特制定本制度。
二、职责:生产基地负责编写、修改、完善本制度,并实施执行日常生产送检。
资源配置部总监负责监查制度执行情况,并提出完善提议。
生产基地检验人员负责依据制度检验,确保无漏检、无错检、无误检,并有相关记录。
三、范围:适用于生产基地屠宰、深/再加工生产、仓库出货前全过程检验。
四、内容:一)制程检验控制点:1.养殖场羊源:在待宰期间12H静养观察和个体检查2.牧企联盟收购羊源:羊源检疫检查和相关证明出具的齐全性2.1疫况检查:2.1.1按照国家规定进行强制免疫,并在有效保护期内。
2.1.2养殖档案相关记录和畜禽标识符合规定。
2.1.3临床检查健康。
2.1.4本规程规定需进行实验室疫病检测的,检测结果合格。
2.2查验相关资料及畜禽标识(此项工作由羊产品资源人员负责,由其出具相关表单,随批次羊只一并到生产基地则可)2.2.1对于饲养场应查验养殖档案,了解饲养场生产、免疫、监测、诊疗、消毒、无害化处理等情况,确认饲养场近期疫病发生情况,确认受检动物已进行规定疫病的强制免疫接种,并在有效保护期内。
2.2.2对于省内调运种用、乳用反刍动物的饲养场,还应查验《种畜禽生产经营许可证》和《动物防疫条件合格证》,确认证件有效;查验养殖档案,确认饲养场近6个月内未发生相关动物疫情。
2.2.3对于散养户应查验防疫档案,确认受检动物已进行规定疫病的强制免疫接种,并在有效保护期内。
二)检疫对象:羊只是否有口蹄疫、布鲁氏菌病、小反刍兽疫、绵羊痘和山羊痘、炭疽、传染性胸膜肺炎。
三)羊源批次检查:3.1群体检查:从静态、动态和食态等方面进行检查。
主要检查群体的精神状况、外貌、呼吸状态,运动状态、饮水饮食、反刍状态、排泄物状态等。
3.2个体检查。
通过视诊、触诊、听诊等方法进行检查。
主要检查动物个体的精神状况、体温、呼吸、皮肤、被毛、可视黏膜、胸廓、腹部及体表淋巴结,排泄动作及排泄物等情况。
深圳市锐军塑胶制品厂制程检验标准SHENZHEN RUIJUN PLASTIC PRODUCTS FACTORY1.0 目的:用于台车(机壳)的尺寸结构、外观及特殊性能检验。
2.0适用范围:适用于公司对材料出仓到出货前的半成品生产制程控制(IPQC)。
注: 若产品出现新问题,本标准中未涉及到,应修正本标准。
3.0缺陷级别定义:注:下表所列各项缺陷均按其程度在所对应行后方框中打“×”标识其类别。
下表所列缺陷之外的有可能影响产品质量的缺陷限度以承认样品为限。
表面分类:A面:在使用过程中,直接在近处观看且暴露的主要面(正常观察时台车机壳的正表面)。
B面:在使用过程中,直接在近处观看且暴露的次要面(台车机壳的外侧面和背面)。
C面:在使用过程中,很少见或看不见的面(台车机壳的内表面)。
D面:在使用过程中,看不见的面(台车机壳底部)。
4.0抽检方式:产品抽检方式:外观全检,关键尺寸/孔径必须全检,其它制程过程巡检随机抽5-10个,发现严重缺陷须采取措施进行处理。
5.0开料缺陷检查标准。
6.0结构尺寸缺陷检查标准。
圳 市 锐 军 塑 胶 制 品 厂SHENZHEN RUIJUN PLASTIC PRODUCTS FACTORY7.0粘接缺陷检查标准8.0组装缺陷检验标准9.0 披灰打磨缺陷检验标准深 圳 市 锐 军 塑 胶 制 品 厂SHENZHEN RUIJUN PLASTIC PRODUCTS FACTORY10.0 油漆丝印缺陷检验标准11.0 总装缺陷检验标准圳 市 锐 军 塑 胶 制 品 厂SHENZHEN RUIJUN PLASTIC PRODUCTS FACTORY12.0 物性试验检验标准。
1). 喷涂主要为达到美观而对外壳的外表面进行喷涂(油漆或其他涂料)。
2). 外表面喷涂的主要测试项目:附着性试验(百格试验),耐磨性试验,耐溶剂性试验,硬度试验。
3). 粘接测试主要项目:拉力测试。
为确保前各制程工序之品质,以保证成品之品质符合客户要求,作为IPQC质检及生产工人自检的依据,特制定本文件。
2 使用范围本文件遵照GB/T3325-1995《金属家具通用技术条件》标准制定,适用于产品前制程各工序之品质检验和控制过程。
3 检验环境一致无方向性的自然光或40W日光灯下。
4 抽样标准不采用抽样标准,按抽查的方式进行,发现不良品后采取全检。
5 参考物件5.1 工件设计开发图`样品`生产单图纸。
5.2 工程更改通知(ECN)。
5.3 相应的作业指导书及行业标准。
6 缺陷定义6.1 压印:工件开料`冲床`折弯时因模具不洁或材料表面不洁,冲压时在产品的表面留下凹陷的痕迹。
6.2 变形:产品冲压未放到位或搬运时挤压`碰撞使产品发生形体移位。
6.3 刮伤:工件表面受到坚硬的物体划过所留下的痕迹。
6.4 模痕:产品在冲压`折弯成型时,同模具磨擦时呈现的一条条拉痕6.5 披锋:剪料`冲料时,材料的边缘被刀口或模具拉伸(压延)的部分。
6.6 断裂:产品在折弯成型时,发生折边裂开的现象。
6.7 缺角:产品在剪` 冲料过程中,未达到图示的完整。
6.8 生锈(氧化):工件表面保护层被损,裸露于空气中,表面呈现出黑色`白色或褐色斑纹(颗粒)。
6.9 碰伤:工件表面受到坚硬物体猛烈撞击而留下的痕迹,它与压痕的区别在于压痕为局部。
6.10 漏工序:在控制程序中因前面的工序未完成就进入下一道工序的控制程序,这种现象叫漏工序。
6.11 卷边:图纸上不要折起的边或折边。
7 检验项目及分类7.1 材质7.1.1 钢板图纸中未标注具体型号的(如单光板、Q235A、钢板等)均选用GB708-88冷扎钢板,钢板的精度按GB710-88 2级。
7.1.2 不锈钢图纸中未标注具体型号的,采用1Cr18Ni9Ti表面亚光的板材;对柜体采用表面拉丝的进口不锈钢板,并需提供样板经设计确认。
7.1.3 铝合金板图纸中未标注具体型号的,采用LY12-GB3194-82的材料(需折弯加工的采用软铝合金板,不需折弯加工的采用硬铝合金板)。
一、目的:为确保制程中各阶段产品品质符合规定标准,必须于制程中规划适当之检验作业,并确保唯有检验合格的产品才能移交下一制程及客户,故制定本程序。
二、范围:1.本程序规定产品于制程中检验中检验的规范,制程检测作业检验结果判定,不合格的处理等等。
2.本标准适用本公司固定电阻器制程中之检测作业。
三、职责:1.品保课负责本程序之制订与维护。
2.生产部各作业员负责首件检验,自主抽验及成品自动全选之检验作业。
3.品保课负责制程品质稽核作业。
四、作业内容:1.品保课与生产部参与制程规划时,即针对产品特性客户之需求,而规划制程中之检验活动,含作业者自主检查,品管稽核抽验等。
2.制程检验中之允收标准。
均达到国家标准,客户标准、出货标准为高,以确保出货成品均获得客户允收。
有关产品品质特性制程中规格列如下表所示:3.自主检验生产中规划作业人员自行确认作业之符合性,以达人人品管自负品质责任之境界,自主检验又分:(1)首件检验:指每日开机时,机台维修后更换规格时作业者调试机台后,作业员及QC应参照下表抽样确认产品特性。
(2)自主检查生产中作业人员必须定时巡回各机台,约1小时1次确认生产状态,检查项目参照各部门外观检查标准及作业标准书实施。
4.焊接制程之[焊点是否牢固]一项,是为确定抗拉力强度为求效率。
均以尖咀钳代替拉力计,每一次取样5PCS/台,试验方法如下:以尖咀钳夹住导线焊接点处,向本体弯曲90度,焊接点不得有脱落情形。
(1)焊接端子拉力强度判断标准:《使用工具东京120拉力计》1/2W:4kg以上1/4W:3kg以上1/6W:2.5kg以上1W : 4.5kg以上2W : 5kg以上5.有关自主检验各制程检查项目品质判定标准,参考工作区外观检查标准及各站作业标准书。
五、自动全数筛选:电阻器产品于加电压(短时间过负荷)后及涂装完成后,必须经阻值100%自动选别测试,将阻值误差高于设定标准的检出予以剔除。
六、品管稽核抽验1.除以上检验与筛选外,制程中又安排品管人员执行品管稽核抽验对切割作业,焊接作业及涂装作业等三个重要制程作抽样检验。
被芯枕芯制程检验标准
没有现成的,可以仿照别人的
一、质量标准
1.1芯料质量
(1)外观质量:应无毛刺、悬棱等缺陷,且无明显污渍;其表面应均匀、蓬松,无断缝、鼓包、折痕等。
(2)芯料垂直性:枕芯由上至下应无明显变形。
(3)厚度均匀性:枕芯表面应均匀,边角处不得凸起,且枕芯厚度无明显差异。
(4)耐用性:枕芯竖立6小时后无明显变形。
1.2封边质量
(1)缝纫质量:线头、拉链等缝纫均勒紧,线迹均匀,无断线、漏线等缺陷。
(2)封边紧实性:抓住枕芯边缘任意两侧,封边应紧实,无松动现象,且无明显褶皱。
1.3气味:枕芯内应无异物气味,无过敏性气味,且不得有刺激性气味。
二、检测方法
2.1芯料检测
(1)外观质量:将枕芯放平,用明光源对枕芯表面进行正向检查,
仔细检查枕芯表面无毛刺、悬棱等缺陷,且无明显污渍、断缝、鼓包、折
痕等。
(2)芯料垂直性:竖直放置枕芯,从上往下检查枕芯是否有明显变形。
(3)厚度均匀性:放置枕芯,从上往下检查枕芯是否有明显均匀性、边角是否凸起,以及枕芯厚度有无。
生效日期1.0目的为了使制程中的半成品检验时,品质判定有据可依、有序可循,以保证产品质量。
若所定标准与顾客标准有异依双方约定为准。
2.0适应范围适用于本公司外发加工之半成品来料检验和测试之品质判定。
3.0定义3.1致命缺陷(Critical defect):指该缺陷能导致产品的功能完全丧失,或对人体能造成危害的缺陷均属之。
(简称为:CR)3.2严重缺陷(Major defect):指该缺陷能导致产品的功能故障、适用性能或影响装配等缺陷均属之。
(简称为:MA)3.3轻微缺陷(Minor defect):反映该缺陷不影响功能适用性和装配的一般外观性缺陷均属之。
(简称为:MI)3.4接触角(θ):角焊缝与焊盘图形端接头之间的浸润角。
接触角通过画一条与角焊缝相切的直线来测量,该直线应通过处在角焊缝与端接头或焊盘图形之间的相交平面上的原点。
≤90°的接触角(正浸润角)是合格的,>90°的接触角(负接触角)则是不合格的。
3.5立碑:元器件的一端离开焊盘而向上斜立或直立。
3.6短路(桥接、连焊):两个或两个以上不应相连的焊点之间的焊料相连,或焊点的焊料与相邻的导线相连。
3.7偏位:元件在焊盘的平面内横向(水平)、纵向(垂直)或旋转方向偏离预定位置(以元件的中心线和焊盘的中心线为基准)。
3.7.1横向(水平)偏位—元件沿焊盘中心线的垂直方向移动为横向偏位;3.7.2纵向(垂直)偏位—元件沿焊盘中心线的平行方向移动为纵向偏位;3.7.3旋转偏位—元件中心线与焊盘中心线呈一定的夹角(θ)为旋转偏位。
3.8漏焊:焊盘上未沾锡,未将零件与焊盘焊接在一起。
3.9零件脱落:焊锡作业或贴过回流焊之后,零件因为外力或红胶工艺时,胶材选择或点胶作业不当)而不在 应有的位置上。
生效日期生效日期平行浮起制程检验标准机型:适合公司所有的PCBA(客户特定要求除外)文件编号版本页次生效日期深圳瑞斯康达科技发展有限公司上锡生效日期生效日期制程检验标准机型:适合公司所有的PCBA(客户特定要求除外)文件编号版本页次生效日期深圳瑞斯康达科技发展有限公司摆 放制程检验标准机型:适合公司所有的PCBA(客户特定要求除外)文件编号版本页次生效日期深圳瑞斯康达科技发展有限公司为纵向偏位;)为旋转偏位。
1、目的:
为确保本1ED总装工序的质量控制、指导公司检验人员进行检验和生产车间进行过程产品质量控制特制订本标准;
2、适用范围:
本规程适用于本公司(1ED生产品)总装工序质量检验工作。
3、术语定义,
Critica1(致命缺陷)会导致个体在使用及保存产品时存在不安全状况,或会对商业利益造成极大损害。
Major(重要缺陷)指除CR缺陷外,会导致产品失效或者其他失效,以及会实际上减少产品可用性或者构成严重外观不良:Minor (次要缺陷)除了重要缺陷外,构成与产品预期时间外观的偏离。
4、职责:
检验人员:依据检验标准及抽样方案进行产品检验及结果判定,并填写相应的检验记录。
及时反馈发现的品质问题;
5、作业程序
5.1首件检验:。
广津机电设备有限公司备注:以上各道工序不允许出现碰伤现象6.3.2尺寸检验本公司尺寸及零配件加工尺寸检验按公司技术图纸或客户图纸要求执行。
编制审核批准7、抽样计划7.1产品批量上线前,要求质检员做好首检、日常巡检工作由质检员填写《首件确认记录表》进行检测,如首检确认不合格必须采取相应措施解决问题,整改合格后重新确认直至合格后方可进行批量生产。
7.2对于生产批量小于10件的产品或客户对质量有特殊要求的产品公司规定必须全检。
7.3对于批量大于10件,且生产能力满足精度要求的实施抽样检验。
7.4制程检验过程中出现不合格品时,必须按要求做好待处理或不合格品、返工、返修,报废件的状态标识牌,并进行隔离。
7.5巡检按每隔1—2小时抽检1件~5件,如出现异常情况可加大抽检比例,并填写《巡检记录表》。
7.6半成品入库抽样计划依据抽样标准,正常检验单次抽样计划,并填写《成品检验报告单》。
7.7公司规定半成品入库检验标准,重要缺失及主要缺失AQL按0.65级,次要缺失AQL按4.0级,检验按照II级检验标准。
8、检验记录8.1检验员将检验结果填写在《首件确认记录表》、《巡检记录表》、《成品(零部件)检验报告单》、《成品(支架)》与《成品(主驱动)自检表》上。
8.2《首件确认记录表》、《巡检记录表》、《成品(零部件)检验报告单》、《成品(支架)》与《成品(主驱动)自检表》,每月底汇总交品质部品质保存,限期1年。
8.3制程检验过程中出现不合格时,经车间质量主管确认后按《不合格控制程序》执行。
9、相关文件9.1《监视和测量控制程序》9.2《不合格品控制程序》9.3国标及其它标准9.4抽样计划按抽样标准正常检验单次抽样计划。
编制审核批准。
制定:罗光保审核:批准:
1.0目的
为确保生产过程能在有效的管制状态下执行,确保产品品质稳定符合客户要求,有效预防和控制不良品的发生,特制订本标准。
2.0定义:
自检:操作员在生产操作过程中,对自已操作的加工好的配件或半成品按照《作业指导书》与IPQC的要求进行检查,合格品后转入下工序,不合格品挑拣出来或者自已返工。
主检:是指操作员对上工序流入本工序加工的半成品按照《作业指导书》与IPQC的要求进行检查,合格品继续加工,不合格品退回给上工序返工。
3.0 职责
3.1 物料上线时的确认。
3.2 负责首件确认及制程中的巡回检验。
3.3 品质、安全异常时开出异常反馈单,并跟进措施的执行情况。
4.0 内容
4.1 产前准备
4.1.1 检查检验所需仪器、设备,治、工、夹具的运行情况是否符合检验要求,作好仪器、设备的点检、标识与保养工作,并将结果记录于《仪器日常保养记录表》中。
4.1.2 收集、整理、查核所交报表内容记录的准确性、报表签核完整无遗漏。
4.1.3 提前准备检验所需的《检验规范》、工程样品、ECN、BOM、包装资料、特别出货(样品)说明等检验所必须之工程资料;根据生产历史记录,提前查阅相关异常、客诉、自己的工作日志以能及时掌握检验要点、重点项目及检验技巧。
4.1.4 制造部在生产前, 领取物料后, IPQC员根据工程样品、BOM等工程资料,提前核对生产线所领用物料的规格、型号是否符合产品工程要求;若发现异常,及时反馈给生产线现场管理人员予以改善,同时向上级反馈;并跟踪其改善结果;同时注意特采、限收物料的生产品质情况。
4.2 首件检查
4.2.1 生产人员应在更换机种时、更换材料时或停机后恢复使用时实施首件检查(含:每批首件、更换材料、模具修改、机台调整、工程变更等之首件)。
4.2.2 生产线应在转位或换产品的前1小时制作好首件,填写制程首件检验报表连同首件经生产组长确认审核后一起交由品管IPQC进行检验确认。
4.2.3 IPQC进行首件确认时应依相关资料(如BOM清单、生产任务单、工艺变更单、其他联络单、图纸、样品等)进行核对,并根据相关检验/测试标准对样品进行外观与性能等检验。
制定:罗光保审核:批准:
4.2.4 首件由IPQC检验合格后方可正式投入批量生产;首件若判定不合格,经品质经理及以上人员确认后需退回生产单位,由其重新进行首件制作并重新送检,并追溯生产开始至首件检验完这一时段的产品。
4.2.5 对于新产品,其生产前三批之首件若经IPQC检验发现不合格时,必须呈交生产总监及以上审核确认,判定检验结果并裁定处理方法。
4.3 生产单位操作员要做好“自检、主检”相结合的自主检查;
4.3.1 生产单位在生产过程中﹐应依据相关作业指导书或检验规范逐一进行自主检查,并于重要工位留下记录备查(如全检全测之工序)。
4.3.2 在自主检查或各全检工序中若发现不合格品时需依《不合格品控制管理程序》对不合格品进行处理。
4.3.3 为加强品质管控,作业人员除本身需对产品进行“自检”外,还需对上工序流下之产品进行“主检”动作。
4.4 巡回检查
4.4.1 生产线正常生产时,IPQC员进行制程中巡检,在巡检过程中,IPQC员必须核对生产作业人员是否按《作业指导书》要求进行作业;生产工艺是否符合产品工艺要求;生产物料是否符合工程资料要求.确认准确无误后,IPQC员根据生产流程之顺序, 不定时对生产线每一道工序进行巡回检验,对关键工序、重要工序、品质容易出现问题的工序,将进行岗位定点抽检检验,以监控产品品质,防止大批量的不合格品的发生。
并每两小时必须随机抽测生产线的5--10PCS产品进行检验测试, 同时将测试结果记录于《巡检记录表》中。
4.4.2 巡回检查中的控制点依相关工序确定,所有控制点的检查项目及其检查结果必须记录于相关制程巡检记录表内,呈品质组长签核。
生产过程中因人员、场所变更时,需确保操作人员能了解作业要求,同时对现场一些孤立的作业场所、孤立的作业人员,IPQC需作重点监控.
4.4.3 生产过程中由于零件缺损或其他原因造成材料短缺而需补尾数时,须在生产拉不生产其他产品的情况下进行补尾数作业,且其材料上线前须经实施全检,并通知IPQC确认合格后方可投入生产,IPQC需对尾数的生产进行全程跟进,并在验证尾数合格后签名确认。
4.4.4巡回检查中如发现不合格品时需依《不合格品控制程序》处理,如发生品质异常时则需开立《异常跟踪表》,要求相关部门解决。
4.4.5 对于检验中发现不合格且经品管判定需重工处理时,由生产单位进行返工,IPQC全程跟进返工状况并对返工品进行复检。
4.4.6巡回检查中IPQC需对生产单位作业指导书及相关测试标准之悬挂状况进行管控,并需对操作人员之作业动作进行监督,对于违规作业者须及时提出纠正并视具体情况作其他相应处理。
4.5 异常处理
4.5.1 当在巡检过程中,若出现重大品质异常,不良率超过20%,导致大批量不良品或无法生产时,IPQC员必须及时知会生产线现场管理人员和PE/QE或项目工程师予以现场处理,并根据实际情况,提出停拉申请, 并知会相关部门
制定:罗光保审核:批准:
责任人员解决;待问题改善后,通知生产线复产,并跟踪改善效果。
4.6.2 其它异常参照《不合格处理程序》执行。
4.7 退料检查
4.7.1 良品退料:经过外观及性能检验合格,标识准确无误的良品物料,将贴上“良品退料”的合格标贴后,IPQC 员在生产线开具的《退料单》上确认签字后,予以良品退料。
4.7.2 不良品退料: 经过外观及性能检验不合格,标识准确无误的不良品物料,将贴上“不良品退料”的不合格标贴标识清楚,不同供应商的不良品退料要用不同的外卡通包装,且须分析其不良原因与《不良品退料单》上原因相符, 并判定准确无误后,IPQC员在生产线开具的《退料单》上签字(有特殊原因的须在不良原因中作特别注明)后,予以不良品退料。
4.8 数据分析及总结
4.8.1 IPQC员每天及时负责收集、整理、查核生产线《巡检记录表》品质记录报表, 经生产线管理人员签字确认后、送交品质主管审核后,进行数据分析,以便考察目标合格率完成状况,然后予以存档。
4.8.2 及时将生产过程中所发生的各种品质状况记录于工作笔记中,并将信息传达于该产品检验之相关人员知悉。
4.8.3 关闭、清点、整理检验所使用的仪器、设备,治、工、夹具,摆放在适当区域,做好6S的维护工作。
5.0 记录表单
5.1 《首检记录表》
5.2 《巡检记录表》
5.4 《品质异常处理单》
6.0对首件进行如下各个项目检查。
制定:罗光保审核:批准:。