满水实验预留洞口及防水套管临时封堵技术交底
- 格式:doc
- 大小:54.50 KB
- 文档页数:4
给排水堵洞技术交底
1. 吊洞前应清理洞边所有杂物,浇水后才能浇砼必须按步棸实施,封堵前洞孔内壁必须剔毛,排水管道轴线与管洞轴线基本重合,用细铁丝固定模板(模板不准采用苯板、挤塑板及薄木板)。
2.浇细石混凝土(强度要求С35,内参膨胀剂),要分两次浇注,并用钢钎捣固密实。
第一次浇筑深度是洞口深度的一半。
第一次浇筑完毕,等待凝固后拆掉模板,并把细铁丝剪断并抽出,再进行第二次浇筑,第二次浇筑完毕,要使浇筑面略低于地平面,最后刷一遍水不漏或堵漏灵。
楼板下表面如果不平整,需要重新涂抹掺108胶的水泥,此涂抹层必须保证不开裂。
浇筑时必须将水对于卫生间穿楼板管洞吊模施工来说,宜采用细石混凝土加膨胀剂填实。
管保护膜撕掉,严禁将水管保护膜浇筑进去。
5.对成品要进行养护及保护。
6.必须严格按项目部要求实行。
7. 楼内施工时必须佩戴安全帽及其他劳保工具,禁止吸烟随处大小便。
要安全用电,不准违规操作,注意安全。
3.拆模后必须保证底面要光不能出现空洞现象,在拆模时一定要及时修补。
4.拆完模必须把卫生打扫干净,做到当天垃圾当天清。
予留洞口封堵技术交底
一、材料
细石5-10,中砂,普通425水泥,膨胀剂。
二、施工要求
因施工要求,所以在结构施工阶段有很多予留洞口,对于这些予留洞口的封堵要求很高稍有不慎就会造成渗漏,对工程质量造成影响。
为此考虑从砼本身的技术要求和施工工艺两方面进行控制以达到质量要求。
对于砼的要求,采用不低于板面砼本身标号的砼进行浇筑,并且在砼中掺入膨胀剂,掺量为水泥重量万分之三的铝粉。
三施工工艺
1、首先将予留洞口的洞壁用錾子剔毛,并形成上大下小的喇叭口状,并用钢丝刷刷净浮灰,然后用水冲洗干净并充分湿润。
2、吊模。
吊模要求务必使模板与洞口下板面密封严实,以达到不漏浆的目的。
3 、当予留洞口大于200时,应用φ10@150钢筋做成钢筋网片以达到加固目的。
4、浇注细石砼。
浇筑细石砼方法如下:先浇筑洞壁的2/3高度,用钢筋棒充分振捣密实并养护一天。
第二天再浇筑剩余的1/3高度,充分振捣密实,并及时加以养护。
交底人:被交底人:
年月日。
洞口封堵技术交底记录一、引言洞口封堵技术作为一项重要的工程技术,广泛应用于建筑、地质勘探、矿山开采等领域。
本文旨在详细介绍洞口封堵技术的原理、操作步骤以及相关注意事项,以期为相关从业人员提供参考和指导。
二、原理洞口封堵技术是指利用各种材料对洞口进行封堵,以防止土石流、水灾等灾害发生或阻止有害气体、液体泄露的一种技术。
根据洞口封堵的需求和具体情况,可采用不同的材料,如水泥、聚合物等,来实现封堵的目的。
三、操作步骤1. 洞口检查:首先需要对洞口进行全面的检查,了解洞口的尺寸、形状和周围环境等情况,以便选择合适的封堵材料和工具。
2. 封堵材料准备:根据洞口的具体情况,准备好相应的封堵材料,如水泥、聚合物等。
同时,还需要准备好相应的工具,如搅拌机、刮板等。
3. 封堵材料混合:根据封堵材料的使用说明,将材料按照一定比例混合均匀,以确保封堵效果。
4. 封堵操作:用刮板将混合好的封堵材料均匀涂抹在洞口上,并确保封堵材料与洞口周围的土壤或墙体紧密结合,以增强封堵效果。
5. 封堵效果检查:封堵完成后,需要对封堵效果进行检查。
检查时可通过观察封堵材料表面是否均匀、是否有开裂等情况来评估封堵效果。
6. 封堵记录:封堵完成后,需对封堵过程进行记录,包括洞口尺寸、封堵材料的使用量、封堵材料的配比等信息,以备日后参考和总结。
四、注意事项1. 在进行洞口封堵之前,需对洞口周围进行必要的清理和加固,以确保封堵材料能够充分附着在洞口周围的土壤或墙体上。
2. 在封堵过程中,需注意封堵材料的使用量和配比,以免造成封堵效果不佳或材料浪费。
3. 封堵材料的质量和施工工艺都会影响封堵效果,因此,在选择封堵材料和进行封堵操作时,应尽量选择质量可靠的材料和专业的施工人员。
4. 封堵过程中应注意安全,避免发生意外事故,如材料溅射、坍塌等。
同时,还需注意环境保护,尽量减少对周围环境的影响。
五、结论洞口封堵技术是一项重要的工程技术,通过合理选择封堵材料和施工工艺,可以有效防止洞口相关灾害的发生。
工程名称建设单位交底部位施工单位交底人签字接收人签字(分包管交底日期理人员)1.3混凝土浇注时,必须派专人值守,防止预留件移位或损坏,混凝土浇注完毕后6小时取出预留件,并清理预留洞。
1.4洞的留设平面位置详见预留预埋图。
1.5在结构拆模后,需对预埋套管所留下的钉子等杂物进行清理。
1.6给水管井按照预埋图预留方洞。
2、UPVC管穿楼板直埋管件直埋2.1首先根据结施、建施、水施绘制出排水管穿楼板预留位置定位图,特别注意上下结构剪力墙及梁的尺寸变化,综合考虑保温、抹灰及面砖等厚度从而预留管道支架安装位置。
2.2在首层楼板模板施工完成后,根据排水管穿楼板定位图,将直埋管件按照定位图尺寸固定于模板上,并用袋装锯末封堵严实。
在二层模板施工完成后,定位图再将直埋管件固定,并在套管中心位置处模板上开一个孔,通过孔吊线检查是否与一层直埋管件中心对准。
以此类推保证所有楼层预埋管件中心位置在一条直线上。
2.3浇筑混凝土安排专人值班,保证直埋管件不被破坏,不发生位移,确保管件内清洁无混凝土。
工程名称建设单位交底部位施工单位交底人签字接收人签字(分包管交底日期理人员)工程名称建设单位交底部位施工单位交底人签字接收人签字(分包管交底日期理人员)砌体套管的直埋4.3砖墙上的套管长度应根据墙体厚度加上抹灰层的厚度及保温的厚度。
4.4必须对土建抹灰班组进行交底,提醒其抹灰时不得遮盖套管同时班组也要进行复核,发现有遮盖的套管要及时清掏。
留短了的套管应在抹灰过程中交代抹灰工人用和套管同样规格的短管做模具,确保预留洞口的尺寸。
5、穿楼板给水套管安装5.1 给水管道穿楼板时应设置钢套管,其顶部应高出装饰地面20mm,并应有防水措施;地面找平层按30mm考虑,装饰地面按30mm考虑。
5.2 套管封堵、打口时必须有机械固定措施保证管道位于套管正中,穿楼板套管可先打口再吊洞以保证同心度。
穿楼板套管打口时先填打油麻时,要少填多打,每次填灰1/3,共三次,每次打两遍,最后用填灰找平,打两次。
技术交底记录第1页(共4页)工程名称交底日期2014年11月 7 日施工单位分项工程名称安装工程交底提要防水套管施工工艺交底内容:一、施工准备1.材料要求所用主材、辅材已运至施工现场,规格、型号符合图纸要求,数量满足现场需要。
2.套管要求(1) 根据设计和规范要求制作套管,焊接防水套管时,防水翼环要严格按标准图集加工制作,要严格要求焊缝质量,焊缝饱满,不得有裂纹和砂眼而且不得焊穿套管。
(2) 刚性防水套管的选择,小于DN150的选择大二号的套管,大于DN150的选择大一号的套管。
3.作业条件(1)管道穿地下室外墙、混凝土水池壁、屋面板时,配合土建工程预埋刚性防水套管。
(2)各层水平线和墙厚度线弹好,配合土建施工;(3)墙体预埋套管,在土建墙面钢筋绑扎完毕,浇注砼之前进行。
二、施工要求1. 预留预埋阶段,应按设计及规范要求,配合土建进度完成。
2. 施工班组应熟悉图纸,熟悉所有预留孔洞、预埋套管的位置、规格,以确保准确无误地预留预埋。
3. 防水套管加工完毕后,应在端部显著位置涂写清晰可见的标记,内容包括制造厂或厂标、产品名称或型号、公称直径、材料等4. 根据设计和规范要求制作套管,防水翼环的焊接应按标准图集严格要求焊缝的质量。
预埋时应作好定位处理,在土建封模板前,应对套管位置进行复核,若有偏移应及时调整,并重新定位,以保证预留准确。
5. 预埋套管不得与与结构主筋直接焊在一起,应用附加钢筋固定后焊接或绑扎牢固。
在预留过程中,以钢筋上的结构标高线为准,根据结构标高线与建筑标高线的关系,按照图纸规定的建筑标高预留预埋;技术交底记录第2 页(共4 页)工程名称东山国际新城H1-2区一标段交底日期2014年11月 7 日施工单位中铁二局重庆工程公司分项工程名称安装工程交底提要防水套管施工工艺交底内容:6. 防水套管用于与腐蚀性介质接触时,设计人应根据介质性质及防腐要求,另行选择适用的耐腐蚀材料7.给水立管穿楼板时,应设套管,安装在楼板内的套管,其顶部应高出装饰地面20mm;安装在卫生间及厨房内的套管,其顶部高出装饰地面50mm,底部应与楼板地面相平;套管与管道之间缝隙应用阻燃密封材料和防水油膏填实,端面光滑。
预留洞、预埋套管技术交底预留洞、预埋套管技术交底记录表编号001工程名称西安市高新区木塔寨南村安置楼项目交底日期2015-5施工单位陕建九建集团分项工程名称给排水、暖通工程交底提要给排水、暖通安装前期预留预埋施工准备、工艺、质量要求技术交底预留洞、预埋套管交底内容一、施工准备1、技术准备1.1、在开工前,专业技术人员必须认真地熟悉图纸资料,认真领会图纸要求,并遵守施工规范进行施工。
1.2、预留、预埋施工人员应熟悉图纸,熟悉所有预留孔洞、预埋套管的位置、规格,以确保准确无误地预留预埋。
预留、预埋人员根据建施、水施及设施等图纸要求,绘制相关专业预留预埋图,2、材料准备根据设计图纸,按照后期管道性能要求预支或采购相应的套管。
3、主要机具钢尺、水平尺、电焊机、切割机等二、施工工艺2.1、穿楼地面的给排水管应在其相应的位置预留孔洞。
其留孔洞尺寸为:DN25及以下管道预留孔:Ф50mm~Ф100mmDN32~50 预留孔:Ф100mm~Ф150mmDN70~125 预留孔:Ф150mm~Ф200mmDN150 预留孔:Ф200mm~Ф250mmDN200 预留孔:Ф250mm~Ф300mm审核人交底人接受交底人1、本表由施工单位填写,交底单位与接受交底单位各存一份。
2、当做分项工程施工技术交底时,应填写“分项工程名称”栏,其他技术交底可不填写。
预留洞、预埋套管技术交底记录表编号002工程名称西安市高新区木塔寨南村安置楼项目交底日期2015-5施工单位陕建九建集团分项工程名称给排水、暖通工程交底提要给排水、暖通安装前期预留预埋施工准备、工艺、质量要求技术交底所有预留孔的中心座标及标高,偏移设计位置应不大于20mm。
在土建底层钢筋绑扎完后,根据施工图绘制专业予留予埋图进行预留(埋)施工,施工时要对照上、下层施工图纸,按图要求做好预留孔洞、厨厕的预留洞应注意洁具的位置以及厨厕内的线、管布置,以免在安装时损坏线管。
技术、质量交底记录技术交底内容:一、交底说明车站在xxx施工时预留孔洞,,现因施工需要将孔洞封堵,需要将车站主体设有预留钢筋接驳器凿出并连接钢筋浇筑砼进行封堵。
为此,xxx站主体结构xxx预留孔洞封堵进行交底。
二、施工工艺工艺流程:模板安装一>孔洞开凿接驳器一>钢筋安装一>浇筑砼----------―>养护一>模板拆除三、施工要求(一)模板安装1、为确保本工程孔洞封堵良好,在模板安装前检查其质量,凡有缺棱、掉角、扭曲、锈蚀的一律不用,以确保模板接缝不漏浆。
模板要求模内干净、无杂物,拼缝严密,模板接缝宽度不大于1.0mm,无漏浆缝隙。
2、模板安装必须按模板的施工设计进行,严禁任意变动。
3、模板及其支撑系统在安装过程中,要设置临时固定设施,严防倾覆。
模板必须有一定刚度,而加固支撑和连接杆必须牢固,确保结构的几何尺寸。
4、支撑要按工序进行,模板没有固定前,不得进行下道工序。
模板下方设置4根方木均匀布置,再将模板方木用6组对拉丝2组钢管固定于孔洞5、下方,模板与孔洞下方混凝土接触要密实不漏缝隙。
7、上下钢管要用对拉丝杆和蝴蝶扣固定,并保证固定牢靠。
立面图(二)孔洞开凿接驳器1、凿除车站主体侵线混凝土时,注意保护接驳器。
在凿除车站主体孔洞混凝土过程中,必须人工凿除,凿除厚度要小,多凿几层,尽可能少破坏接驳器。
2、对凿出的车站主体接驳器,进行清理、保护,预留接驳器钢筋如有弯曲,进行调直,确保后期可以与钢筋有效连接。
3、车站主体预留不合格的或者在凿除过程中破坏的不可恢复的接驳器,进行植筋处理,植筋规格与车站预留接驳器规格相同,植筋深度符合规范及技术交底要求。
(三)钢筋安装1、钢筋丝头经检验合格后应保持千净无损伤。
2、所连钢筋规格必须与连接套规格一致。
3、连接水平钢筋时,必须从一头往另一头依次连接,不得从两头往中间或中间往两端连接。
连接钢筋时,一定要先将待连接钢筋丝头拧入同规格的连接套之后,再用力矩扳手拧紧钢筋接头;连接成型后用红油漆作出标记,以防遗漏。
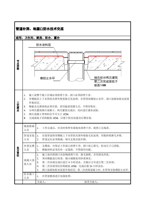
水电、消防竖管安装洞口封堵技术交底
1、上下水管等预留洞口座标位置应正确,洞口形状为上大下小。
2、管道安装前楼板板厚范围内上下水管的光滑外壁应先做毛化处理,再均匀涂一层401塑料胶然后用筛洗的中粗砂喷洒均匀。
3、现浇板顾留洞口填塞前,应将洞口清洗干净,毛化处理,涂刷加胶水泥浆作粘结层,洞口填塞分二次浇筑,先用掺入抗裂防渗剂的微膨胀细石砼浇筑至楼板厚的2/3处待砼凝固后进行4小时蓄水试验,无渗漏后,用掺入抗裂防渗剂的水泥砂浆填塞,管道安装后应在洞口处进行进行24小时蓄水试验,并做好隐蔽工程验收记录。
4、现浇板楼地面管道铺设前必须对立管、套管和地漏与楼板节点之间进行密封处理,厨房间、卫生间、阳台设置金属或塑料套管,其顶部应高出装饰地面50mm,具体要求参见《建筑给排水及采暖工程施工质量验收规范》GB50242-2002的第3.3.13条。
广厦南京分公司南苑项目部
2004年12月13日。
技术交底记录技术交底记录山东省建设工程质量监督总站监制工程名称施工单位分项工程名称交底日期交底内容:防水套管安装一、位置选择:1、详细了解图纸,确定各种管道标高、坐标。
2、在施工现场向土建技术员详细了解各种墙体的准确高度,对需要预留的孔洞及时向土建操作工讲解清楚,确保准确定位。
3、根据需要临时制作各种套管,以便在现浇钢筋混凝土中留置孔洞,最好使用钢管及钢筋焊成水桶模样做为周材使用。
二、施工准备:1、材料、焊接钢管、铁丝焊条2、机具、砂轮切割机、钢卷尺、电焊机三、施工1、埋地出户管道套管预留A、严格按图纸设计的位置确定其坐标、标高、坡度等,把钢管切割至所需要长度用绑扎或焊接法直接固定在其地梁的主筋上,固定应牢固,以免砼施工时,钢制套管移动,造成管道施工时,对预留孔洞剔凿,而使凿洞降低结构强度。
预留套管管径比管道大两号。
B、穿过楼板的套管,其顶部应高出装饰地面20mm;安装在卫生间及厨房内的套管,其顶部应高出装饰地面50mm,底部应与楼板底面相平;安装在墙壁内的套管其两端与饰面相平。
穿过楼板的套管与管道之间缝隙应用阻燃密实材料和防水油膏填实,端面光滑。
穿墙套管与管道之间缝隙应用阻燃密实材料填实,且端面应光滑。
管道的接口不得设在套管内。
C、地下室外墙有管道穿过时,应采取防水措施。
对有严格防水要求的建筑物,须采用柔性防水套管;且应进行预埋套管法施工,严禁采用安装时再打洞、凿孔的方法。
如图:图3.3.4-5 柔性穿墙防水套管示意图1.套管2.翼环3.挡圈4.橡胶条5.螺母6.双头螺栓7.法兰盘8.短管9.法兰项目专业技术负责人:交底人:接受人:山东省建设工程质量监督总站监制山东省建设工程质量监督总站监制。
一、交底目的为确保满水试验过程中的安全,明确各参与人员的安全责任和操作规程,特进行安全技术交底。
二、适用范围本交底适用于钢筋混凝土结构和砌体结构水池满水试验的施工及管理。
三、交底内容1. 试验前的安全准备- 检查试验区域是否清理干净,无杂物、障碍物。
- 检查试验设备、工具是否完好,操作人员是否熟悉设备性能。
- 确保试验区域照明充足,夜间作业时必须配备足够的照明设备。
- 检查水池结构强度是否达到设计要求,必要时进行预应力钢筋的保护措施。
2. 试验过程中的安全注意事项- 夜间作业应设充足的照明,确保作业人员视线清晰。
- 向池内注水期间和蓄水后,严禁擅自下水。
- 向下水道、河道或明渠内排水时,应先向主管单位申报,经同意后方可排放。
- 放水应安设排水管道或沟渠,将放出的水引入邻近排水管道或渠道,不得随意漫流。
- 满水试验过程中,应对池壁预应力钢筋采取保护措施,严禁用尖硬物、重物撞击钢丝。
- 水池满水试验的池壁周围应划定作业区,设防护栏杆和安全标志,非施工人员不得入内。
- 满水试验完成后应及时放水,并按照设计或施工组织设计规定的放水速度和分次放水的水位标高进行放水。
- 满水试验过程中,应设置专人随时对水池外观、预留管道和孔洞的临时封闭部位进行检查,发现渗漏或可能破坏的征兆时,应及时采取处理措施。
3. 试验后的安全工作- 试验结束后,应及时清理现场,恢复原状。
- 对试验过程中发现的问题,应进行详细记录,并及时上报相关部门。
- 检查试验设备、工具是否完好,损坏的设备应及时维修或更换。
4. 紧急情况处理- 如发生泄漏、火灾等紧急情况,应立即停止试验,采取相应措施进行处置。
- 如遇人员受伤,应立即进行现场急救,并迅速拨打急救电话。
四、安全责任1. 施工单位应负责满水试验的安全管理工作,确保试验过程安全有序。
2. 作业人员应严格遵守操作规程,确保自身安全。
3. 监理单位应负责监督试验过程,确保试验安全。
五、培训与考核1. 所有参与满水试验的人员应接受安全技术培训,并考核合格后方可上岗。