LDZ矿用锚杆拉力计使用说明书
- 格式:docx
- 大小:54.80 KB
- 文档页数:6
LDZ系列液压锚杆拉力计山东省泰安市优耐机械电子有限公司目录一、概述 (1)二、结构和工作过程 (1)三、技术特征 (2)四、设备使用常见故障及排除 (2)五、注意事项 (4)附图一 (5)附图二 (7)压力表读数和吨位对照表 (8)一、概述:LDZ100/200/300型液压锚杆拉力计是测定锚杆锚固力的一种检测工具,它对锚喷支护理论各种锚杆的研究以及工程质量的检验具有重大作用。
LDZ100/200/300型液压锚杆拉力计由手压泵和拉力缸两部分组成,具有体积小、重量轻、携带方便、操作简单、安全等特点,广泛应用于煤炭、国防、隧道及交通运输等多种坑道作业。
手压泵还可以单独作为输送小流量高压油的动力源,拉力缸还可以作为千斤顶使用。
二、结构和工作过程:1、手压泵手压泵(见附图一)主要有泵体、压杆及油筒组成,泵体内设有吸、排油阀、卸荷阀等。
2、拉力缸拉力缸(见附图二)采用空心柱塞缸形成,主要有缸体和柱塞两部分组成,所有密封均采用“O”型密封圈密封。
3、工作过程(一) 检查油量逆时针方向打开手压泵的卸荷阀,使拉力缸中的液压回到手压泵的油筒中。
拧开油筒端部的堵头,检查油量,如油不满,应加注2号锭子油或机械油。
(二)排气液压系统刚刚连接好的时候,油管、油筒中常混有空气,为了使系统正常工作,这些空气必须排掉。
排气的方法:把手压泵放在比拉力缸稍高的地方,摇动手压泵,使拉力缸活塞伸出,再打开放泄阀,使活塞缩回,连续几次即可。
注意:排气时不能加压。
(三)操作首先拧下拉力缸荷手压泵上的防尘帽,用高压胶管把拉力缸和手压泵连接起来再把压力表装上。
接着按照(一)、(二)的要求进行油量检查和排气。
然后按附图(二)所示把锚杆测力接头拧到锚杆末端,套上套,再套上拉力缸,使活塞端向外,然后拧紧螺母,顺时针拧紧放泄阀。
上下摇动手柄,用力要均匀,不要用力过猛,当压力表上的读数达到所要求的数值后,停止摇动手柄。
注意:手压泵必须摆成水平位置工作,检测完毕,逆时针方向拧动放泄阀,使压力表读数降到零,再把各部件从锚杆上卸下,卸下高压胶管,把防尘帽拧上。
锚杆拉拔仪操作规程
《锚杆拉拔仪操作规程》
一、设备检查
1. 检查锚杆拉拔仪的外观是否完好,无损坏或者变形的现象。
2. 检查设备的电源线是否完好,无破损或者裸露的情况。
3. 检查设备的控制按钮和显示屏是否正常工作。
4. 检查设备的传感器和测量仪器是否准确。
二、操作步骤
1. 将锚杆拉拔仪固定在测量点上,并调整好位置。
2. 连接电源线,并开启设备。
3. 根据需要设置测量参数,如拉拔力度、拉拔速度等。
4. 将传感器连接至需要测量的锚杆上,并校正传感器定位。
5. 通过设备上的控制按钮开始进行拉拔操作,同时观察显示屏上的数据变化。
6. 拉拔完成后,记录测量数据,并进行数据分析和比对。
三、注意事项
1. 操作人员需熟悉设备的使用说明书,并按照要求进行操作。
2. 在使用过程中要注意安全,避免发生意外事件。
3. 定期对设备进行维护和保养,确保设备的正常工作。
4. 对设备进行保险防护,避免受到外部环境的损害。
以上是关于锚杆拉拔仪的操作规程,希望能够对使用者有所帮助,确保设备的正常运行和数据的准确性。
一、试验工具和设备试验的工具与设备主要有:1、锚杆拉力计(我矿现有型号:LDZ20型,额定压力49Mpa,额定张拉力200KN)2、锚杆扭矩扳手二、锚杆的选择试验地点应尽量靠近掘进工作面,围岩较平整,顶板支护完好,未发生脱落、片帮等现象。
拉拔试验在锚杆安装后1h后进行。
三、拉拔试验1、锚杆扭矩力利用锚杆扭矩扳手检查锚杆扭矩力,被试验锚杆扭矩力应达200N.m。
2、锚杆拉拔力试验必须按以下顺序操作:①备齐机具。
②检查并处理工作地点的隐患。
③选择好要做拉拔试验的帮(顶)锚杆。
④安设导向管,并把张拉油缸套在锚杆上,使张拉油缸和锚杆同轴并拧紧螺母。
⑤人员撤开,关闭拉力计进出油液阀。
⑥张拉锚杆(试验时应缓慢均匀地操作手动泵压杆)。
⑦做测试记录,记录要详细清楚,包括:锚杆位置、拉拔试验值、锚杆是否拉动(当锚杆出现明显位移时,停止加压,记录锚杆拉力计此时的读数,即为拉拔试验值)。
⑧张拉油缸卸压,取下机具,清理现场。
3、锚杆拉拔力必须满足规定值,张拉时如发现锚固不合格,必须重新补打锚杆。
四、锚杆拉拔测试要求1、锚杆的抗拔力不小于设计值(岩巷顶帮为80KN,煤巷顶板80KN、帮部50KN)。
2、巷道每40米做一组测试。
锚杆支护巷道在顶板岩性发生变化时,必须做一组测试。
每组测试的锚杆不少于三根。
五、注意事项1、拉拔前要认真检查拉拔器械的油管连接情况,压力表是否工作正常及各部位是否灵活可靠。
2、拉拔试验要选择围岩较稳定的部位,拉拔前要对试验部位围岩进行敲帮问顶工作,及时凿掉活矸危岩,保证试验人员的安全。
3、拉拔前要将拉拔杆丝套、丝扣戴满紧固,严禁使用损坏丝扣的锚杆作试验。
4、拉拔试验的锚杆要选择密贴岩面丝扣外露不少于20mm的锚杆。
5、拉拔锚杆时,若需登梯作业时,梯子要架设稳固。
6、拉力计安装好后,在进行测试前,测试人员和工作面内其他人员必须撤至被测锚杆45°角投影范围以外并且至少3m以外的安全地点,且测试地点至迎头不得有人停留。
MA产品执行标准标号: MT/T979LDZ-200矿用锚杆拉力计使用说明书一、用途 ................................................. - 2 -二、产品构成 ............................................. - 2 -三、型号 ................................................. - 2 -四、基本参数 ............................................. - 2 -五、液压系统原理图........................................ - 3 -六、使用方法 ............................................. - 3 -七、千牛、兆帕、吨位对照表................................ - 4 -八、安全警示 ............................................. - 5 -九、保养要求 ............................................. - 5 -十、常见故障排除方法...................................... - 6 -LDZ-200煤矿用锚杆拉力计一、用途LZD200煤矿用锚杆拉力计具有体积小、重量轻、携带方便、操作简单、安全可靠的特点,广泛应用于煤矿、国防、交通等锚杆支护环境中。
二、产品构成产品结构:煤矿用锚杆拉力计由液压缸、手动泵、拉力指示表、高压胶管及各种附件构成。
三、型号拉力及型号编制方法如下L D Z200补充特征代号主参数:额定压力值,200KN(千牛)第二特征代号:S(数字显示式);Z(指针式)第一特征代号:D(单油路);S(双油路)产品类型代号:锚杆拉力计指针式拉力指示表附加特性。
锚杆拉力计参数及操作说明编辑:山东恒安概述:锚杆拉力计对锚喷支护理论,各种锚杆的研究及工程质量的检验具有大作用。
数显锚杆拉力计具有体积小、重量轻、操作简单三大优点外,还有中孔大、活塞有效行程高等特点,特别对于本质锚杆的锚固力检验、具有重大意义,广泛应用于煤矿、国防、交通运输等多种坑道作业,适用于锚固力在300KN以内的锚杆锚固力测定,手动泵还可以作为输送小流量高压油的动力源。
参数:锚杆拉力计分为三种型号,分别为MSL-100 MSL-200 MSL-300.具体参数如下:MSL—100型⑴最大拉力: 10t ;⑵额定压力: 55MPa;⑶活塞行程(加回程弹簧):20 mm;⑷活塞面积: 18.5平方厘米;⑸手摇力(达到额定压力): 25㎏;⑹重量: 约8.25㎏。
MSL—200型⑴最大拉力: 20t ;⑵额定压力: 55MPa;⑶活塞行程(加回程弹簧):20 mm;⑷活塞面积: 35平方厘米;⑸手摇力(达到额定压力):25㎏;⑹重量: 约10.25㎏。
MSL-300型⑴最大拉力:30 t;⑵额定压力:55 MPa;⑶活塞行程(加回程弹簧):20 mm;⑷活塞面积:55平方厘米;⑸手摇力(达到额定压力):25㎏;⑹重量: 约22 ㎏。
操作说明:1. 取下千斤顶、手压泵、高压胶管上的防尘帽,并用清洁布擦净各接头,防止污物进入油路内,然后再使千斤顶和手压泵柱塞降至最低位置,然后把高压胶管两端的快速接头插入千斤顶和手压泵的油孔内,并插好U形卡7,同时插上压力表12和U形卡7。
2. 拧紧手压泵上卸载阀6,再拧下贮液筒2上的注油螺钉1往贮液筒中注入20#机械油或20#液压油,注满油后拧紧注油螺钉1。
注意:第一次加油时应加满贮液筒2,连续工作时一般不应加注油,必要补充加时不要过量加油,以免造成卸载后千斤顶不能复位。
3. 将锚杆接头11紧拧到测试锚杆末端,再套上支承筒和千斤顶,(使千斤顶活塞伸出端朝外)最后拧紧螺母10。
锚杆拉力计操作规程
1、到现场后,先选取好试样,锚固抗拔承载力现场非破坏性检验可采用随机抽样办法取样;同规格、同型号、基本相同部位的锚杆组成一个检验批;抽取数量按每批锚杆总数的1%计算,且不少于3根;
2、选好试样后,选择相应的夹具,然后把加荷装置套在试样上,装好夹具,开始加荷;加荷设备应保证所施加的拉升荷载始终与锚杆的轴线一致。
加荷时可连续加荷,也可分级加荷。
连续加载时应匀速加载至设定荷载或锚固破坏,总加荷时间为2min—3min;分级加载以预计极限荷载的10%为一级,逐级加荷,每级荷载保持1min—2min,至设定荷载或锚固破坏;
3、加荷完毕,从压力表读数读处被测锚杆所受的拉力,将其记录在检测记录上;
4、使用完毕,整理仪器装入箱内。
(文件编号:****-003)共2页第1页版本/版次:D / 0 生效日期:2016-01-011. 目的为了使检测人员更好地熟悉和掌握测量仪器的操作方法,保证检测数据的科学、公正和准确性,特制定本规程。
2. 适用范围本规程适用于HC-30T锚杆拉力计对一般建筑结构、桥梁、各种砼构件中植钢筋及植锚栓抗拔检测,也可适用于隧道岩体植筋拉拔检测。
3. 仪器主要技术性能3.1 最大工作压力 63MPa3.2 手动泵质量 8kg3.3 工作能力 300kN3.4 拉力行程 60~150mm4.检测依据4.1 《混凝土结构后锚固技术规程》 JGJ145-20044.2 《锚杆喷射砼支护技术规范》 GB50086-20015. 操作方法5.1检查油量如液压缸活塞没有完全缩回到缸体内时,应首先通过油管连接至手压泵,逆时针方向拧松泵体上的卸荷阀,使千斤顶中的液压油排回到手动泵储油筒中。
拧开注油阀,检查油量,如油不满(储油筒中应留有1/5的空间),可加注N32号耐磨液压油。
5.2排气液压系统组装好后,储油筒、油管及液压缸中常混有空气,为使液压系统正常,这些空气必须排掉。
方法:拧松注油孔盖,以便储油筒内空气排出。
将手动泵放在比液压缸稍高的地方,顺时针拧紧卸荷阀,压动手动泵,使液压缸活塞伸出至最大行程,再打开卸荷阀,使活塞缩回,连续几次即可。
必要时可打开注油阀,排除储油筒内空气。
5.3数字压力表使用方法按住压力数字显示器上的电源开关键,3秒钟后仪表显示开机画面,5秒钟后显示器自动跳至主页面,当“→”指向“力值测定”时按下确定键进入力值测量状态。
然后再按下“峰值”键,仪表进入峰值测量状态,再按“清零”键将仪表数值清零后再进行加压,最大值随时保持,方便读数。
压力表的电池容量有限,每次测读完毕应立即关断电源,以延长电池使用时间。
当电量不足时应进行充电。
5.4检测锚杆将油管与千斤顶连接,按上述4.1、4.2、4.3项要求进行油量、排气及压力表检查。
LDZ—400锚杆拉力计操作规程第1条在进行锚杆预紧力抽检时,首先要对拉力器进行全面检查,在确保拉力器完好、各附件齐全的情况下,方可开始抽检。
第2条锚杆预紧力抽检工具必须有产品合格证,无产品合格证禁止使用。
第3条对锚杆进行锚固力抽检时必须由四人进行,两人负责安装拉拨器,一人负责操作,另一个负责监护。
抽检顶锚杆时,人员站在凳子上作业,必须有专人扶凳,凳上下人员要配合好,凳子上人员要防止踩空。
第4条进行锚杆涨拉时涨拉至不低于140KN方可停止拉拨试验,涨拉达不到要求时,要在附近300mm范围内补打。
第5条涨拉试验时,如站在机组上作业,必须执行以下安全技术措施:(1)机组必须停止运行,把开关打到零位,并闭锁机组且有专人看护开关,以防误动作造成人员伤害。
(2)作业人员在机组上进行涨拉时,脚一定要踩稳,防止滑下伤人。
且涨拉器具要用铁丝联在网上,以防坠落伤人。
(3)在机组上进行涨拉时,必须多人配合,相互协调,保证安全。
第6条对锚杆进行锚固力抽检时,拉拨器下方严禁有人,防止误伤自己或别人。
第7条连接拉拨器管路的U型销,必须使用标准配件,严禁用其它物品代替。
第8条拉拨器具使用完毕后,必须妥善保管好,不得乱仍乱放。
锚杆、锚索预紧力抽检工具必须具有产品合格证,无产品合格证禁止使用。
二、职业病预防措施第1条各落煤点必须安装防尘罩及自动喷雾降尘设备。
第2条工作面割煤时必须打开所有喷雾降尘设备,工作面所有作业人员必须配戴防尘口罩,采取个体防尘。
第3条每年必须对接触粉尘人员进行一次拍片检查。
第4条通风部每月必须对工作面的粉尘浓度进行2次测定,每半年至少测一次粉尘分散度。
第5条工作面的粉尘(总粉尘、呼吸粉尘)浓度应符合煤矿安全规程第739条对矿井粉尘浓度的有关规定。
第6条抽、压风机的噪声不应过大,噪声90dB(长时间常人难与忍受)时应采取相应措施来降低其噪声。
第7条所使用的职业病防护用品必须符合防治职业病的要求;不符合要求的,不得使用。
产品执行标准标号:MT/T979LDZ-200矿用锚杆拉力计使用说明书二、产品构成 (2)三、型号 (2)四、基本参数 (2)五、液压系统原理图 (3)六、使用方法 (3)七、千牛、兆帕、吨位对照表 (4)八、安全警示 (5)九、保养要求 (5)....................................................................... -6-十、常见故障排除方法LDZ-200煤矿用锚杆拉力计一、用途LZD200煤矿用锚杆拉力计具有体积小、重量轻、携带方便、操作简单、安全可靠的特点,广泛应用于煤矿、国防、交通等锚杆支护环境中。
二、产品构成产品结构:煤矿用锚杆拉力计由液压缸、手动泵、拉力指示表、高压胶管及各种附件构成。
三、型号拉力及型号编制方法如下示例:一套额定拉力为200KN,单油路指针显示夜光式煤矿用锚杆拉力计,其型号标准为LDZ200Y四、基本参数拉力计的基本参数包括额定拉力、活塞形成、液压系统工作原理、精确度等级及拉力质量。
(1)额定拉力:200千牛(LN)(2)活塞行程:60㎜(3)液压系统工作压力:55Mpa(4)拉力指示值精确度等级≥1.5级(5)拉力计质量18.3kg五、液压系统原理图1、储油管7、高压胶管2、滤油网8、快速接头3、低压进油单向阀9、手动泵4、低压限压阀2MPa10、高压出油单向阀5、低压出油单向阀11、高压限压阀61.6MPa6、手动放油阀12、液压缸液压工作原理图六、使用方法1、检查手动泵油量:拧开注油口盖,可加注N20号液压油。
2、排气:液压系统组装后,储油筒,高压胶管及液压缸中常混有空气,为使液压系统正常运行,这些空气必须排出,方法是柠松注油口盖,以便储油筒内空气排出。
首先操作手动泵,使液压缸活塞伸出至最大行程时再打开卸荷阀,使活塞连续运行几次即可。
3、检查拉力指示表:(1)在手动泵没开始工作时拉力指示表应是“0”位。
MA产品执行标准标号: MT/T979LDZ-200矿用锚杆拉力计使用说明书一、用途 ................................................. - 2 -二、产品构成 ............................................. - 2 -三、型号 ................................................. - 2 -四、基本参数 ............................................. - 2 -五、液压系统原理图........................................ - 3 -六、使用方法 ............................................. - 3 -七、千牛、兆帕、吨位对照表................................ - 4 -八、安全警示 ............................................. - 5 -九、保养要求 ............................................. - 5 -十、常见故障排除方法...................................... - 6 -LDZ-200煤矿用锚杆拉力计一、用途LZD200煤矿用锚杆拉力计具有体积小、重量轻、携带方便、操作简单、安全可靠的特点,广泛应用于煤矿、国防、交通等锚杆支护环境中。
二、产品构成产品结构:煤矿用锚杆拉力计由液压缸、手动泵、拉力指示表、高压胶管及各种附件构成。
三、型号拉力及型号编制方法如下L D Z 200补充特征代号主参数:额定压力值,200KN(千牛)第二特征代号:S(数字显示式);Z(指针式)第一特征代号:D(单油路);S(双油路)产品类型代号:锚杆拉力计指针式拉力指示表附加特性。
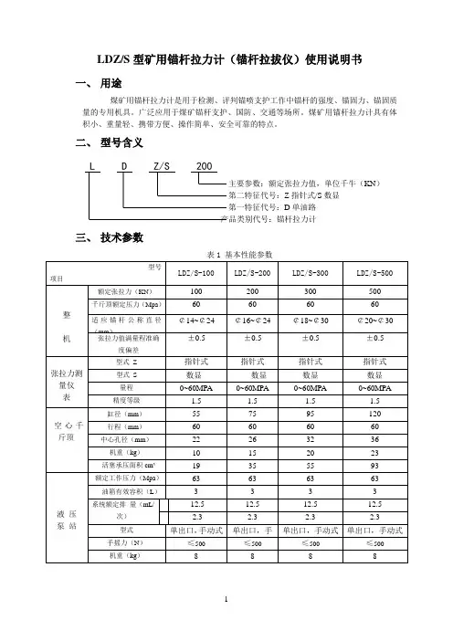
LDZ/S 型矿用锚杆拉力计(锚杆拉拔仪)使用说明书一、 用途煤矿用锚杆拉力计是用于检测、评判锚喷支护工作中锚杆的强度、锚固力、锚固质量的专用机具。
广泛应用于煤矿锚杆支护、国防、交通等场所。
煤矿用锚杆拉力计具有体积小、重量轻、携带方便、操作简单、安全可靠的特点。
二、 型号含义主要参数:额定张拉力值,单位千牛(KN ) 第二特征代号:Z 指针式/S 数显第一特征代号:D 单油路三、 技术参数四、结构原理图一、锚杆拉力计总图61、张拉千斤顶2、快速插销头3、高压胶管4、三通接头5、力值表6、液压泵站45321图二、张拉千斤顶总图1、外缸2、内缸体3、活塞4、压簧5、压盖6、底座7、拉头8、拉杆9、垫块10、快速接头座 11、螺母 12、O 型圈 13、O 型圈 14、组合垫液压泵站在开始工作时,液压油被柱塞吸入高、低压吸油单向阀,通过高、低压排油单向阀压入工作空心千斤顶,当压力升到1.5MPa时,则低压溢流阀打开,低压油溢回油箱;升压工作:在上述基础上,高压柱塞继续工作,压力逐渐升高,推动空气千斤顶工作,从而实现对锚杆的拉拔。
当压力直过63MPa 时,则高压阀打开,高压油从高压阀溢回油箱,压力始终保持在63MPa。
五、操作程序请按以下步骤进行:1、松开手动液压泵泄压阀,使空心千斤顶活塞降至最低位置,然后把高压胶管两端的接头插入千斤顶和手压泵的插孔内,并插好U型卡。
2、拧紧手动液压泵上卸载阀,再拧下贮液筒上的注油镙钉,向贮液筒中注入N32液压油,注满后拧紧注油螺钉。
注意:第一次加油时应加满注液筒,连续工作进一般不加注油,必要补充时不要过量加油,以免造成卸载后千斤顶不能复位。
3、将拉力计拉杆用拉头连接在测试锚杆末端,再套上支承筒和空心千斤顶(使空心千斤顶活塞伸出朝外),最后拧紧大螺母。
4、将手动液压泵上缷载阀拧紧,然后均匀地上下摇动手动液压泵杆,使空心千斤顶拉杆顶出并拉拔锚杆,当拉拔力达到要测数值后停止加压。
山西寿阳段王集团平安煤业有限公司锚杆拉拔力试验规程锚杆拉拔力试验1 试验目的锚杆拉拔力试验的目的是判定巷道围岩的可锚性、评价锚杆、树脂、围岩锚固系统的性能和锚杆的锚固力。
试验必须在现场进行,使用的材料和设备与巷道正常支护相同。
2 试验工具和设备试验的工具与设备主要有:(1)MQ15-120/40矿用锚索张拉机具(2)LDZ-200型煤矿用锚杆拉力计(3)扭力扳手3 准备工作3.1 地点的选择试验地点应尽量靠近掘进工作面,围岩较平整,未发生脱落、片帮等现象。
试验锚杆应避开钢带安装(尽量选择锚杆套打拉网的五花锚杆)。
3.2 锚杆、锚固剂试验用锚杆的表面应无锈、油、漆或其他污染物。
树脂锚固剂按设计选用。
3.3 锚杆安装(1)将树脂锚固剂放入孔中,用锚杆将其慢慢推到孔底;(2)用锚杆钻机将锚杆边旋转边推进到孔底,然后再旋转5s~30s 停止;(3)等待30s后,退下锚杆钻机;(4)做好标记,以备试验。
4 拉拔试验拉拔试验在锚杆安装后48小时后进行。
时间过短影响锚固剂固化后的强度,时间过长则因巷道围岩发生变形影响测量结果。
按A1图标准安设仪器,确保锚杆拉力计油缸的中心线与锚杆轴线重合。
试验前,检查手动泵的油量和各连接部位是否牢固,确认无误后再进行试验。
试验由两人完成,一人加载,一人记录。
试验时应缓慢均匀地操作手动泵压杆。
当锚杆出现明显位移时,停止加压,记录锚杆拉力计此时的读数,即为拉拔试验值。
5 锚杆拉拔测试要求煤巷每300根锚杆或掘进100米巷道,抽试三组锚杆,其中每组顶锚杆1根,帮锚杆2根。
并相应做锚索预紧力试验一组,试验3根锚索。
试验要求:(1)、顶帮锚杆锚固力32Mpa(105KN)。
(2)、顶部锚索锚固力200KN。
(3)、帮部螺纹钢锚杆预紧力60N.m;帮部树脂钢锚杆预紧力40N.m图A.1锚杆拉拔力试验示意图5 注意事项5.1 锚杆拉拔计在试验过程中应固定牢靠。
5.2 锚杆拉拔时应缓慢地逐级均匀加载,直到锚杆滑动或杆体破坏为止,并作详细记录。
拉力计使用方法及说明书拉力计这玩意儿,就像是个小大力士,能帮咱测出各种力量呢!咱先来说说怎么用它。
你拿到拉力计后,就像迎接一个新朋友一样,得先好好认识认识它。
看看它的外观,是不是精致又小巧,可别小瞧它哦,它的本事大着呢!使用的时候,你得找个合适的地方,把要测的东西准备好。
就好比你要称一头大象,总不能随便找个小秤吧,得给它找个能施展身手的地儿。
然后呢,把拉力计和要测的东西连接起来,这一步可得细心点儿,就像系鞋带一样,得系紧了,不然可测不准哦。
连接好后,慢慢施加力量,就好像你在拔河一样,不过别太用力把它给弄坏啦!你想想,要是你想知道一根绳子能承受多大的拉力,把它挂在拉力计上,然后轻轻一拉,嘿,数值就出来啦,多神奇!再来说说说明书。
说明书就像是拉力计的小秘籍,里面啥都有。
它会详细告诉你拉力计的各种参数,比如它能测多大的力呀,精度是多少呀。
就好比你买了个新手机,不看说明书,很多功能你都不知道咋用呢。
拉力计的说明书也是一样,它会告诉你怎么保养它,让它能更好地为你服务。
你可别随手就把说明书扔一边啦,那可不行!得像宝贝一样收起来,万一哪天遇到问题了,拿出来翻翻,说不定答案就在里面呢。
而且哦,使用拉力计的时候,还得注意一些小细节。
比如不能让它受到剧烈的撞击,不然它可能会闹脾气,不好好工作啦。
还有啊,要定期给它检查检查,看看有没有啥毛病。
你说,这拉力计是不是很有意思呀?它能帮我们了解各种物体的力量大小,让我们对周围的世界有更清楚的认识。
所以呀,一定要好好对待它,让它发挥出最大的作用!这不就像我们交朋友一样嘛,你对它好,它也会对你好呀!总之呢,拉力计是个很实用的小工具,学会正确使用它,能给我们带来很多便利呢!大家可别小瞧它哦!。
锚杆拉力计的操作规程
1、使用前首先要把手压泵加满油,关闭回油阀,即可加压。
2、在使千斤顶复位前,可将手压泵回油阀松开,活塞自动恢复。
3、必须始终长期保持液压油的清洁,高压油管拆装时更需要注意。
4、如长期使用,一旦出现漏油,说明漏油部位密封胶圈老化,可换上新的附带胶圈。
5、被测锚杆所受的拉力可在压力表上读出所示数(兆帕),并在换算表中查出相应的总拉力(千牛)。
6、本产品使用的是2#锭予油(或10#机械油),使用温度为+45—30℃,严禁以酒精、甘油、刹车油、普通发动机油等为液压油使用。
L D Z矿用锚杆拉力计使
用说明书
文件管理序列号:[K8UY-K9IO69-O6M243-OL889-F88688]
产品执行标准标号: MT/T979
LDZ-200矿用锚杆拉力计
使用说明书
LDZ-200煤矿用锚杆拉力计
一、用途
LZD200煤矿用锚杆拉力计具有体积小、重量轻、携带方便、操作简单、安全可靠的特点,广泛应用于煤矿、国防、交通等锚杆支护环境中。
二、产品构成
产品结构:煤矿用锚杆拉力计由液压缸、手动泵、拉力指示表、高压胶管及各种附件构成。
三、型号
拉力及型号编制方法如下
示例:一套额定拉力为200KN,单油路指针显示夜光式煤矿用锚杆拉力计,其型号标准为LDZ200Y
四、基本参数
拉力计的基本参数包括额定拉力、活塞形成、液压系统工作原理、精确度等级及拉力质量。
(1)额定拉力:200千牛(LN)(2)活塞行程:60㎜
(3)液压系统工作压力:55Mpa
(4)拉力指示值精确度等级≥1.5级(5)拉力计质量18.3kg
五、液压系统原理图
1、储油管7、高压胶管
2、滤油网8、快速接头
3、低压进油单向阀9、手动泵
4、低压限压阀2MPa10、高压出油单向阀
5、低压出油单向阀11、高压限压阀61.6MPa
6、手动放油阀12、液压缸
液压工作原理图
六、使用方法
1、检查手动泵油量:拧开注油口盖,可加注N20号液压油。
2、排气:液压系统组装后,储油筒,高压胶管及液压缸中常混有空气,为使液压系统正常运行,这些空气必须排出,方法是柠松注油口盖,以便储油筒内空气排出。
首先操作手动泵,使液压缸活塞伸出至最大行程时再打开卸荷阀,使活塞连续运行几次即可。
3、检查拉力指示表:(1)在手动泵没开始工作时拉力指示表应是“0”位。
(2)在卸荷阀关闭后,给液压缸加压,活塞全部伸出后再加压至拉力指示表显示5MPa时,说明拉力指示表和液压管路都处正常。
4、拉头的选择:我厂生产的锚杆螺纹拉头有M14、M16、M18、M20、
M22、M24等多种,在订货用户应说明自己选用的锚杆螺纹时以便配对。
七、千牛、兆帕、吨位对照表
计算公式:F=S×P。
式中:F为锚固力(KN);S为活塞面积;P为拉力指示表读数(MPa)。
计算方法:例如:拉力指示表值为55MPa则:
F=S×P=36.12cm2×55MPa×0.09806=194.8KN≈200KN(20T)
千牛、兆帕、吨位对照表
八、安全警示
1、锚杆拉力计作业时应两人操作,一人负责操作液压缸,另一人负责操作手动泵。
操作人员应熟悉该产品的结构,并阅读本说明书后方可操作。
2、液压缸下方450范围内严禁站人,防止发生意外事故。
3、高压胶管总成属安标管理部件,禁止随意更换。
九、保养要求
1、应保持液压系统清洁,液压缸用完应将活塞缩回,应经常在活塞杆内外径上加油,防止生锈,油嘴接头应注意防尘和防磕碰。
2、应经常用干净的煤油清洗液压缸及管路以保证该拉力计正常工作,延长寿命。
3、使用完毕戴上防尘帽。
4、要注意保护好接头,不要碰伤,以免影响密封和正常工作。
5、高压胶管每年要做一次打压试验,防止软管老化发生意外。
6、加注机油要干净,必须用150目过滤网过滤20#液压油。
7、工作液为20#机械油或20#液压油,严禁用酒精、水、甘油、刹车油、普通发动机油等作为工作液压油。
8、为提高拉力指示表的使用寿命,液压系统工作压力一般不超过
58MPa。
十、常见故障排除方法。