全长锚固树脂锚杆使用说明书
- 格式:doc
- 大小:162.50 KB
- 文档页数:10
MS 系列矿用树脂锚杆锚固剂产品说明书一、概述“MS系列树脂锚固剂”是煤炭行业广为使用的支护产品之一,它与金属锚杆、锚索等配套,用于矿山井巷及隧道工程的支护,具有综合成本低、操作方便、劳动强度小、支护安全可靠、安装快等诸多优点。
产品严格按照MT146.1-2002《树脂锚杆锚固剂》的技术标准组织生产,技术可靠、质量稳定。
产品按不同的参数形成系列,用户可以根据不同的岩层、顶板和所处的环境温度选用不同的树脂锚固剂。
二、工作原理树脂锚固剂的工作原理是由固化剂和树脂胶泥分装在卷形双孔塑料袋中,经搅拌混合后发生化学变化,使杆体与被锚固的煤岩粘结在一起。
三、锚固剂型号表示方法M S □□□长度:cm直径:mm类型: CK超快速 Z中速树脂锚固剂锚杆示例:MSZ 23 40 表示直径为23mm,长度为40cm的中速树脂锚固剂四、产品的规格和分类3、锚固力符合下表表三五、使用要求1、使用前要检查锚固剂是否为有效期内产品,根据产品的颜色标识选择正确的产品。
2、操作时,首先将锚杆孔用鼓风装置吹干净,孔内不能存水,检查孔深是否合适。
3、将锚固剂放入钻孔内,用锚杆将锚固剂轻轻推到孔底,然后开动电钻旋转锚杆,边搅拌边用力将锚杆推入孔底。
搅拌时间为:超快8~15s。
其它类型锚固剂为20~35s。
4、搅拌时间到立即停止搅拌,按表二中所示的凝胶时间等待凝胶后,才能松开电钻和连接装置。
并按表二中所要求的等待时间过后,上紧紧固螺母或其它装置。
六、本产品的有效期为:环境温度4~25℃,不小于3个月。
七、注意事项:1、锚固剂应在温度为4~25℃的避光防火仓库中存放,仓库要配备足够的防火器材。
2、在运输过程中,要轻搬轻放,防止摔撞,不得在阳光下曝晒与雨淋。
3、使用前必须擦干净锚固剂外部沾染的泥水脏物。
树脂锚固剂使用说明书
产品类型和技术参数
树脂锚杆安装操作工艺
1、根据钻孔直径选择树脂锚固剂的规格、型号。
2、依据设计要求的锚固剂规格和杆体长度、确定钻孔深度比杆体全长短60-80mm。
3、用压风清扫孔眼内浮尘,孔眼内严禁有泥状物。
积水留存。
4、根据设计锚固长度,用杆体将选用的锚固剂向孔底推进,启动搅拌器带动杆体旋转(按表中规
定的搅拌时间),匀速推进到孔底。
搅拌必须在凝胶时间段内完成。
5、卸下搅拌器后,及时在孔口将杆体楔住,等待时间段内不要使杆体移位或晃动,在安装顶眼时
极为重要,否则影响锚固强度。
6、根据表中规定的等待时间后即可上托板,旋紧螺母。
承载时间达到后可测试抗拉强度。
7、使用双速锚固剂时,速度快的放在里面,严禁倒装。
8、搅拌安装工具根据现场动力条件,可采用TJ-9风动锚杆搅拌机或煤电钻加连接头,紧螺母可采
用QB-16风动扳手或手动扳手,若采用锚杆钻机作业,钻孔和安装锚杆同机操作,更为方便。
产品贮存和运输
1、树脂锚固剂应在温度4-25℃的避光防火仓库中贮存。
2、在4-25℃环境温度下贮存期为3个月。
3、锚固剂的包装采用硬质纸箱,外加纺织带捆扎,搬运时注意轻搬轻放,禁止撞摔。
4、锚固剂在贮存库中码垛,平放,五层一跺。
不适应超高码放,注意防潮隔热。
5、运输时防止雨淋和暴晒。
等强螺纹钢式树脂锚杆金属杆体产品使用说明书《执行标准MT14.2—2002》1、概述1.1用途:本产品适用于煤矿井下顶板和巷道两帮的支护。
1.2品种及规格MSGLD—335/16、18、20、22 (注:MS—树脂锚杆;G—金属杆体;L—螺纹钢;D—等强;335—螺纹钢强度(Mpa);16…—杆体直径(mm))1.3型号组成及代表意义MSGLD—335 / 16 —1800杆体长度杆体直径螺纹钢强度等强螺纹钢式树脂锚杆金属杆体MSGLD—335/16、18、20、22 (注:MS—树脂锚杆;G—金属杆体;L—螺纹钢;D—等强;335—螺纹钢强度(Mpa);16…—杆体直径(mm))1.4使用环境条件:本产品正常使用的环境温度-15℃~45℃。
2、结构特征与工作原理2.1结构特征本产品螺纹钢杆体选用HRB335右旋螺纹钢,托盘选用A3钢板150*150*8的铁板冲压成蝶形,球体选用铸钢件,螺母采用精密铸钢螺母。
2.2工作原理用锚杆钻在顶板上钻孔,孔内放入树脂药卷,使用锚杆机将锚杆打入钻孔搅拌药卷,使锚杆和顶板凝固在一起,依次将托盘、球头、塑料垫带上,最后用螺母将其锁紧,利用锚杆将岩层连接在一起。
3、技术特征3.1制造标准本产品按照MT146.2—2002《树脂锚杆金属杆体及其附件》标准制造。
3.2原材料选用螺纹钢杆体选用《山东石横特钢集团有限公司》生产的HRB335右旋矿用螺纹钢,执行标准G/UF001-2001,托盘采用《安阳钢铁股份有限公司》生产的Q235、8mm厚钢板执行标准GB/T701-1997裁成150*150mm的铁板冲压成蝶形。
螺母采用六角铸钢加厚螺母执行标准GB/T6170、GB/T3098.2。
3.3主要技术参数表1 杆体规格或根据用户要求加工表2 技术参数4、包装标志、贮存4.1每根杆体配一只螺母,每5根杆体为一组,捆扎牢固挂上一张合格证,每100根杆体多送10只螺母。
4.2每10块托盘捆成一件,每50个球头捆成一件。
全长锚固树脂锚杆使用说明书执行行业标准MT146.1-2002MT146.2-2002山西焦煤集团西山支护器材开发有限责任公司公司地址:山西省太原市万柏林区西矿街河南巷6号电话传真:全长锚固树脂锚杆使用说明书1.概述1.1产品特点全长锚固树脂锚杆支护强度高、能有效防止瓦斯从锚孔外泄、锚杆断裂产生火花等现象。
全长锚固树脂锚杆锚固剂执行MT146.1─2002,全长锚固树脂锚杆金属杆体及其附件执行MT146.2─2002.。
1.2适用范围全长锚固树脂锚杆主要适用于巷道两帮、顶板支护及设备基础加固等。
1.3品种、规格全长锚固树脂锚杆锚固剂:MSCK2355/2340/2380、MSK2680、MSZ2360/2380/2680 全长锚固树脂锚杆金属杆体:MSGLW─335/(18、20、22)×(1800~2400);1.4型号的组成及其代表意义1.4.1全长锚固树脂锚杆锚固剂型号表示方法M S □□□长度,cm直径,mm类型CK超快速;K快速;Z中速;树脂锚固剂锚杆1.4. 2全长锚固树脂锚杆金属杆体型号表示方法MS G L W─335/ □×□杆体长度,mm杆体直径,mm杆体材质无纵肋螺纹钢杆体树脂锚杆1.5使用环境条件全长锚固树脂锚杆主要适用于高瓦斯矿井矿井巷道顶板、两帮支护及围岩破碎段的加强支护。
2、结构特征及支护原理2.1结构:全长锚固树脂锚杆由树脂锚固剂和金属杆体两部分组成。
树脂锚固剂由相互分隔的树脂胶泥和固化剂组成;金属杆体由杆体、托板、螺母组成。
2.2支护原理:在锚杆安装搅拌过程中,依靠杆体螺纹将树脂锚固剂推向孔底,使锚固体与煤壁或顶板形成共同受力整体,从而达到支护效果。
3、技术特性及技术参数3.1树脂锚固剂按凝胶时间的不同进行分类见表1。
表13.2产品锚固力符合表2之规定。
3.3常用树脂锚固剂尺寸要求见表3表33.4金属杆体尺寸要求见表4表43.5 锚固剂抗压强度环境温度为(22±1)℃、龄期24h条件下,用于端锚的锚固剂其抗压强度应不小于60Mpa。
等强螺纹钢式树脂锚杆金属杆体执行标准:MT146.2-2002使用说明书XXXXX 有限公司二o —年七月二^一日、产品用途及特点等强螺纹钢式树脂锚杆金属杆体产品广泛用于井下岩巷,半煤岩巷和煤巷锚杆支护,尤其适用于井下复杂条件下巷道及硐室支护。
该产品与树脂锚固剂配套使用,其特点:1、强度增长快、强度高,安装后不仅能及时承受载荷,而且锚固力大。
2、安装操作方便,工人劳动强度低,支护效率高。
3、吨煤支护成本大大降低。
本产品是依据MT164.2-2002 标准生产的。
二、产品特性及结构等强螺纹钢式树脂锚杆金属杆体主要材质优先选用屈服强度大于335 MPa螺纹钢,使搅拌树脂锚固剂和安装锚杆一体化,有利于提高安装速度和提高锚杆预紧力。
其规格型号可根据不同用途、地质条件、强度要求设计和选用。
1、等强螺纹钢式树脂锚杆金属杆体装配结构图:2厂■L'XL1.杆体2.托盘3.螺母2、型号说明MSGLD ——/ IXT体长度(mm ) T体直径(mm ) ■干体屈服强度(MPa ) ------------------------------ 等强螺纹钢式树脂锚杆如规格型号MSGLD-335/22 X2500 :表示屈服强度大于335MPa,杆体直径为22mm,杆体长度为2500mm 的等强螺纹钢式树脂锚杆。
三、产品规格型号和技术参数四、工作原理及安装使用1、工作原理:等强螺纹钢式树脂锚杆金属杆体由不同强度材质的杆体及其附件与配套树脂锚固剂一同使用。
根据设计锚固长度,将杆体插入放好锚固剂的孔洞中,经过搅拌后,锚固剂产生化学反应,在一定时间内,将杆体与煤岩粘合为一体固定在岩壁中,螺纹端加装防护网及承载托盘后,用螺母拧紧以达到支护作用,从而有效的形成高强预应力支护,能够控制顶板稳定,适应外围岩石移动,能够有效减少甚至消除离层,解决顶板垮冒,由多种支护形式和结构组成预应力支护体系,实现了机械安装,大大提高了支护的安全可靠性。
树脂锚杆锚固剂使用说明书(执行标准MT146.1-2011)一、概述1、主要用途及适用范围:主要用于井下巷道锚固支护。
通过与锚杆或锚索合理组合实现对围岩的加固,从而有效防止浮石及煤体的冒落、片帮。
2、产品特点:凝固速度快、锚固作用强、安全可靠性高、可使锚杆或锚索快速承载。
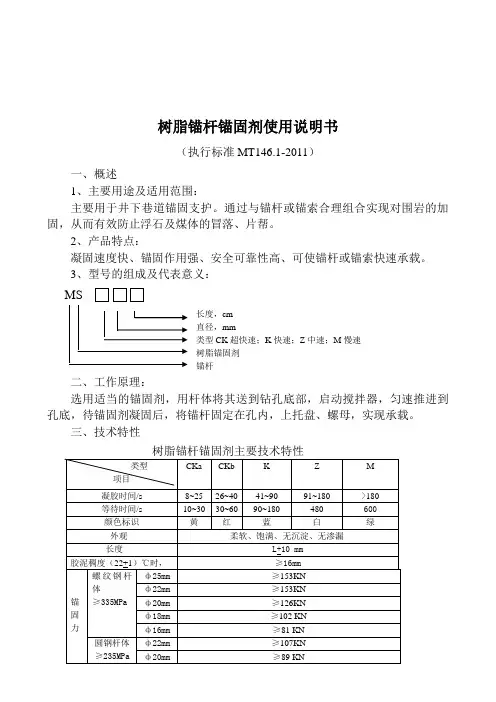
3、型号的组成及代表意义:MS长度,cm 直径,mm类型CK 超快速;K 快速;Z 中速;M 慢速 树脂锚固剂 锚杆二、工作原理:选用适当的锚固剂,用杆体将其送到钻孔底部,启动搅拌器,匀速推进到孔底,待锚固剂凝固后,将锚杆固定在孔内,上托盘、螺母,实现承载。
三、技术特性四、使用方法:1、使用树脂锚固剂,应根据施工地点的顶板岩性,围岩状况,地质构造及巷道等条件进行设计和选择锚固剂及锚杆参数及规格。
2、钻孔后应检查锚杆规格,锚杆直径,锚杆孔深度是否符合设计要求。
3、安装前,应将孔内岩粉清理干净,检查树脂锚固剂颜色和手感,柔软为好。
4、安装时,先将连接套拧在杆体尾部螺纹上,用锚杆顶住药卷送入孔底,搅拌机具按要求方向旋转,随搅拌随推进,直至将杆体推到孔底,搅拌时间:CKa(CKb)型(超快)为10~15秒,K型(快速)为20~25秒,Z型(中速)为30~40秒,M型(慢速)为40~50秒。
5、搅拌完后,立即在孔口将杆体楔牢,防止固化过程中杆体在孔中移位或松动,保护固化锚杆和孔壁之间产生良好的粘效结果。
6、超快速,快速、中速、慢速分别为10分钟、20分钟、40分钟、60分钟后测试锚固力为宜。
五、包装、标志、贮存及运输:1、本产品使用硬质纸箱包装。
2、纸箱标有生产厂名、产品名称、型号、易燃等标志,箱内有合格证及使用说明书。
3、在20~25℃保质期3个月,避光、防火贮存。
不得在日光下曝晒与雨淋。
4、装卸运输过程中,要轻搬轻放。
六、售后服务及信息反馈1、如果产品质量存在问题,请及时与我们厂联系, 我厂将及时为您提供优质服务。
2、请根据使用情况填写反馈卡,以便我厂进行跟踪服务。
关于树脂锚杆机一、树脂锚杆:英文(Resin anchor bolts)是指树脂金属杆体型锚杆以及附件。
按照杆体类型可分为三类:1、麻花式树脂锚杆(headed twist bars )在金属杆体端部加工成一定规格的左旋麻花形锚头,尾部加工成可上螺母的螺纹。
2、无纵肋螺纹钢式树脂锚杆(ribbed bars with non-longitudinal ribs )杆体由无纵肋左旋螺纹钢制成, 尾部加工成可上螺母的螺纹。
3、等强螺纹钢式树脂锚杆(fully ribbed bars )由右(或左)旋精轧螺纹钢制成,螺纹连续,全长可上螺母。
规格注1:+号表示优先选用长度。
(九鼎)型号金属杆体的型号编制麻花式树脂锚杆麻花式树脂锚杆金属杆体型号表示方法如下:M S G M –Mpa /O ×L MS:树脂锚杆G : 杆体M:麻花式Mpa:杆体屈服强度,单位为兆帕(MPa)O:公称直径,单位为毫米(mm)L:长度,单位为毫米(mm)螺纹钢式树脂锚杆螺纹钢式树脂锚杆金属杆体型号表示方法如下:M S G L W或者D –Mpa / O × A MS : 树脂锚杆G :杆体Mpa:杆体屈服强度,单位为兆帕(MPa)L:螺纹钢式W:无纵肋;D:等强O:公称直径,单位为毫米(mm)A:长度,单位为毫米(mm)示例:公称直径20mm,长度2000mm,屈服强度335MPa的无纵肋螺纹钢式树脂锚杆金属杆体,可表示为MSGLW-335 / 20×2000。
技术要求杆体材料力学性能螺纹钢式杆体优先选用屈服强度不小于335MPa的左旋无纵肋螺纹钢筋,根据需要也可选用精轧右旋(或左旋)全螺纹钢筋;麻花式树脂锚杆金属杆体选用屈服强度不小于235MPa的普通热轧圆钢,也可选用屈服强度不小于335MPa的螺纹钢筋。
钢筋混凝土用热轧光圆钢筋尺寸、屈服强度、抗拉强度应符合GB1499.1的规定;左旋无纵肋钢筋和精轧右旋(或左旋)全螺纹钢筋屈服强度、抗拉强度应符合GB1499.2的规定,但企业应对外观尺寸做出要求。
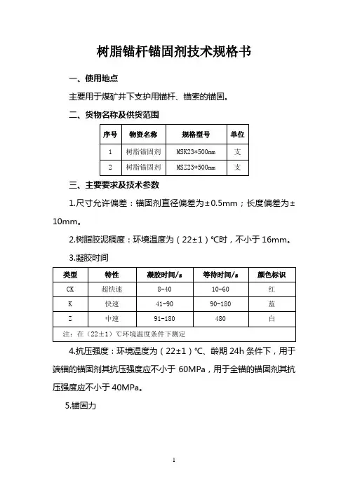
树脂锚杆锚固剂技术规格书一、使用地点主要用于煤矿井下支护用锚杆、锚索的锚固。
二、货物名称及供货范围三、主要要求及技术参数1.尺寸允许偏差:锚固剂直径偏差为±0.5mm;长度偏差为±10mm。
2.树脂胶泥稠度:环境温度为(22±1)℃时,不小于16mm。
3.凝胶时间4.抗压强度:环境温度为(22±1)℃、龄期24h条件下,用于端锚的锚固剂其抗压强度应不小于60MPa,用于全锚的锚固剂其抗压强度应不小于40MPa。
5.锚固力6.有效期:环境温度为20℃-25℃室内存放时,不小于3个月。
80℃热稳定性试验,不小于16h。
四、设计、生产、制造、安装、检验检测所需物资文件提供煤安证和第三方机构出具的检验报告。
五、适用标准MT 146.1—2002 《树脂锚杆锚固剂》六、质量及验收要求1.外观检验:目测、手捏,树脂锚固剂应装填饱满,质地柔软,颜色均匀,树脂胶泥不分层沉淀,封口严密,无渗漏。
2.直径、长度测定:按到货数量1‰抽检直径和长度,将锚固剂剖开,刮净包装袋表面胶泥,用分度值1.0mm的钢尺测量包装袋的净宽度,其宽度值除以л即为锚固剂直径;用分度值1.0mm钢尺测量锚固剂两端卡口之间距离,即为锚固剂长度。
如出现直径和长度不符合规定要求,则再抽检同型号到货数量的5‰,仍出现直径和长度不符合规定要求的,则该批次产品全部退货。
七.质保期及服务要求1.锚固剂应在温度为4℃-25℃的避光防火仓库中存放,有效期不低于3个月。
2.如出现质量问题,出卖人应在24小时内赶到产品使用人现场进行服务。
若属产品质量问题,所造成的损失由出卖人全额承担。
八、包装及运输要求1.包装1.1箱体用钙塑板或硬质纸板,内用隔层材料逐层分隔并附产品说明书。
每箱总重量一般不超过15kg。
1.2包装箱上应注明生产厂家、产品名称、型号、生产日期、有效期、数量、重量与贮存温度以及锚固剂搅拌时间、安装托板等待时间,贴上二级易燃品标志与合格证。
树脂锚杆支护操作规程一、前言树脂锚杆是一种常用的地下工程支护材料,其安装操作规范对于保障施工质量具有重要意义。
本文将介绍树脂锚杆支护的操作规程。
二、施工前准备1. 检查树脂锚杆的型号、质量和数量是否符合施工要求。
2. 确保施工现场的环境和条件满足施工要求,包括施工区域的平整度、无杂物等。
3. 确认施工人员经过相关培训,熟悉树脂锚杆的使用和操作规程。
4. 准备好所需的工具和设备,包括钻机、注浆泵、注浆管、扳手等。
三、树脂锚杆的安装操作1. 清理孔洞(1) 根据设计要求,在需要支护的地方钻孔,孔径和深度要符合要求。
(2) 清理孔洞内的杂物和土层,确保孔洞的干净和孔壁的光滑。
2. 安装树脂锚杆(1) 将树脂锚杆插入孔洞,确保树脂锚杆和孔洞的贴合度。
(2) 根据需要,可以采用角度锚杆、喷涂锚杆或者平行锚杆的方式进行支护。
(3) 安装树脂锚杆时,要确保其完全插入孔洞,同时留出适当的余量。
3. 注浆(1) 选择适当的树脂浆料,并按照说明书进行配制。
(2) 使用注浆泵将树脂浆料注入树脂锚杆中,同时注浆泵的压力和流量要适宜。
(3) 注浆过程中,要保持注浆速度稳定,同时观察注浆泵的压力和注浆杆的反应情况。
4. 固化(1) 在树脂浆料注入完毕后的适当时间内,保持锚杆静置,待树脂浆料固化。
(2) 固化时间一般按照树脂浆料的说明进行。
5. 检测(1) 树脂锚杆固化后,进行质量检测,包括抗拉强度、锚固力等。
(2) 检测结果合格后,方可进行下一步施工工序。
四、安全措施1. 施工人员必须严格按照相关安全操作规程进行操作,佩戴好防护用品。
2. 在树脂锚杆施工过程中,要及时清理孔洞内的杂物和土层,防止影响树脂浆料的注入效果。
3. 使用注浆泵时,要确保泵的压力和流量适宜,避免注浆过程中发生意外。
4. 在树脂浆料固化前,要设立警示牌和警示标志,提示周边人员注意安全。
五、施工质量控制1. 树脂锚杆支护的施工质量必须符合相关标准和要求。
树脂锚杆支护操作规程树脂锚杆是指用于在岩体中切割出的锚孔中固定锚杆,并在其中灌注树脂胶合材料以加强锚固效果的一种支护材料。
树脂锚杆的使用范围广泛,可用于岩体锚固、地质灾害治理、勘探场地稳定、地下工程支护等方面。
本文将对树脂锚杆支护的操作规程进行详细介绍,以确保树脂锚杆支护作业安全可靠。
一、操作前准备在进行树脂锚杆支护作业前,必须进行一系列的操作前准备工作。
主要包括以下内容:1.1 现场勘察在进行树脂锚杆支护作业前应先进行现场勘察,包括岩体地质情况、锚孔尺寸及位置、锚杆数量、孔壁结构和孔径等方面的情况,为后续的操作提供准确的基础数据。
1.2 工作人员在进行树脂锚杆支护作业前,必须指定专人负责此项工作,确保作业人员的工作技能和安全防护意识到位。
1.3 工具和设备进行树脂锚杆支护作业需要准备的工具和设备主要包括:树脂胶料、锚杆、锚孔钻机、压力泵、胶枪、搅拌器、清洁棒等。
在使用这些工具和设备时,必须检查其正常运行状态,并确保工具和设备符合其使用规范和要求。
1.4 现场安全保障在进行树脂锚杆支护作业前,必须对现场进行安全检查和评估,确保现场安全保障措施到位,包括开展必要的消防安全、电气安全、机械安全和通风安全措施,以确保人员、设备和材料的安全。
二、操作流程在进行树脂锚杆支护作业时,应按照以下步骤进行操作:2.1 按照锚孔要求钻孔1.根据设计或实际需要的锚孔类型、规格、间距和数量等要求,选择合适的锚杆钻机,对岩体进行打孔。
2.钻孔时按照规定的锚杆钻孔进度,逐级进行钻孔,钻孔时要做好湿式作业,对钻孔孔壁进行刻画,以便后续的树脂灌注和锚杆填筑。
3.钻孔结束后,应对锚孔进行最后一次检查,确保其规格和质量满足要求。
2.2 灌注树脂胶料1.现场组装胶枪,并将树脂胶料注入胶枪内。
2.将胶枪插入预先准备好的锚孔内,推动树脂胶料从胶枪中注入至锚孔内,碾压树脂胶料,使其充分灌注至锚杆顶头2-3cm。
3.树脂胶料灌注结束后,必须等待一定时间以便树脂胶料充分固化并与岩体表面相吻合。
一、锚杆支护材料顶锚杆一般选用螺纹钢杆体,材质为20MnSi或20MnK;顶板支护:顶板必须采用左旋无纵筋螺纹钢等强锚杆进行支护。
Ⅰ~Ⅱ类围岩顶板宜采用端头锚固,Ⅲ~Ⅴ类围岩顶板宜采用加长锚固。
顶板锚杆试验抗拔力不小于锚杆理论极限载荷的50%(一般对左旋无纵筋螺纹钢锚杆而言,Φ18㎜锚杆试验抗拔力不小于60kN,Φ20㎜锚杆试验抗拔力不小于80kN,Φ22㎜锚杆试验抗拔力不小于100kN);两帮一般选用麻花杆体或管缝锚杆,材质Q235;锚杆尾部采用滚丝工艺或采取热处理措施,杆体尾部螺纹极限强度应不小于杆体屈服强度;杆体直线度≤ 2mm/m。
金属锚杆支护参数系列见下表安装锚杆应遵守下列规定:1、宜采用快速安装工艺,即搅拌树脂卷、上托盘、拧螺母一次完成;2、拧紧螺母的扭矩不小于100N.m;3、托盘应紧贴梁或岩面,未接触部分必须楔紧垫实,对于锚杆不能与岩面垂直的,应采用调心托盘。
4、锚杆支护巷道要定期进行巡视检查,及时紧固托板松动的锚杆,如果失效,要及时补加新锚杆。
5、设计锚网支护的巷道,顶部必须采用金属网,网片规格:钢筋φ:6mm,网格规格:100mm*100mm。
6、两网搭接长度应符合设计要求(100mm);铺网时应将网拉紧,紧贴岩面。
二、螺母螺母选用标准螺母或尼龙衬垫式螺母,其强度应与设计锚固力相匹配。
应优先选用可实现快速安装工艺的扭矩螺母;采用普通螺母时,其技术条件应符合GB6170、GB3098.2的规定。
三、托盘:托盘的强度应与锚杆强度相匹配,其承载力应不小于杆体屈服强度;在金属托盘里面应加木托盘或水泥托盘。
金属托盘尺寸不小于120mmⅹ120mm,或φ 120mm。
托盘厚度不小于6mm。
表(8)四、树脂锚固剂分类(表9)锚固剂储存、安装要求:1、树脂锚固剂应装填饱满,质地柔软,颜色均匀,无渗漏。
2、锚固剂偏差为± 0.5mm;长度偏差为±10mm。
应优先采用双速树脂锚固卷。
树脂锚固剂型号及使用方法芙蓉矿务局(即:芙蓉集团)速凝剂厂座落四川南缘宜宾珙县境内,隶属于国有大型煤炭企业芙蓉矿务局,主要生产“芙蓉山”牌速凝剂、锚固剂、CAS混凝土膨胀剂、树脂锚固剂等产品。
1、我厂可生产树脂锚固剂:超快速(MSCKa,MSCK);快速(MSK);中速(MSZ);慢速(MSM)。
直径:Φ23、Φ28、Φ35及不同长度的树脂锚固剂。
2、树脂锚固剂型号表示方法:M S 类型直径mm 长度cm 其中M为锚杆,S为树脂锚固剂,类型可分为CK超快速;K快速;Z中速;M慢速。
例:MSCK2340表示直径为23mm,长度为40cm的超快速树脂锚固剂。
3、树脂锚固剂适用范围:煤矿井下的全岩巷,煤巷、半煤巷、地面铁路,公路隧道、大坝边坡,桥梁建筑基础以及边坡护坡等;适宜于灰岩、页岩、沙岩、粉沙岩以及泥岩等的锚固支护,不适宜严重渗水的岩段及松软泥土的锚固。
4、树脂锚固剂执行标准为:MT146.1—2002。
产品搅拌时间、等待时同试验确定,使用两只及以上锚固剂锚固同一根杆体时应合理选择锚固剂速度,以利共同达到搅拌要求,达到全长有效锚固的目的。
7、依据设计要求的杆体长度,建议严格控制锚杆孔的深度,一般孔深比锚杆长度短60-80mm,防止锚杆孔过深,过浅。
8、锚杆孔钻好后应用压风吹扫眼孔浮尘或积水再安装树脂锚杆为宜。
9、根据设计锚固长度,用杆体锚头端将锚固剂缓缓送入孔底,待锚固剂前端刚好接触孔底时,启动搅拌机全速旋转搅拌,并严格遵守表2的搅拌时间匀速将杆体推进到孔底。
10、锚杆安装搅拌结束卸下搅拌机前要及时在孔口将杆体楔住,在等待时间之前严禁杆体位移或晃动,安装顶板这一点尤为重要。
11、若系两种速度及以上锚固剂用于同一根杆体锚固时,速度较快的一支锚固剂应放入孔底。
12、搅拌安装机具可根据使用现场动力条件,选用气动锚杆钻机,液压锚杆钻机,气动煤钻或电煤钻,采用树脂锚杆钻机或液压锚杆钻机作业,对于岩石硬度较低的地点钻孔和树脂锚杆安装同机操作更为方便。
MT 146.1—2011树脂锚杆第1部分:锚固剂1 范围MT146的本部分规定了树脂锚杆锚固剂(以下简称锚固剂)的产品分类、技术要求、试验方法、检验规则、标志、包装、运输与贮存。
本部分适用于矿山井巷支护用的锚固剂。
井筒装备的安装、基础锚固等工程所需的锚固剂也可参照执行。
3 术语和定义下列术语和定义适用于MT146的本部分。
3.1树脂锚杆 resin anchor bolts以树脂锚固剂配以各种材质杆体及托盘、螺母等构件组成的锚杆。
3.2树脂锚固剂 resins and capsules起粘结锚固作用的材料称锚固剂。
树脂锚固剂由树脂胶泥与固化剂两部分分隔包装成卷形,混合后能使杆体与被锚固体煤、岩粘结在一起。
3.3树脂胶泥 resin putty ,resin mastic由树脂、填料和化学助剂组成的胶泥状材料。
3.4固化剂 catalyst与树脂胶泥混合后,能立即引起化学反应,使树脂胶泥凝结成固体的材料。
3.5凝胶时间 gel time从树脂胶泥与固化剂混合起,到胶泥开始变稠、温度开始上升时的时间。
3.6等待安装时间 setting time安装锚杆时,搅拌停止后到可以上托盘的时间。
3.7树脂胶泥稠度 viscosity of resin mastic表示树脂胶泥的软硬程度,以试锥1min沉入树脂胶泥的深度(mm)来表示。
3.8抗拔力 anti-pulling capacity在规定锚固长度条件下,锚固剂与杆体锚固后,拉拔试验时锚固剂所能承受的极限载荷。
3.9锚固力 anchor capacity整根锚固剂与配套杆体锚固后,拉拔试验时锚固剂所能承受的极限载荷。
4 产品分类4.1 分类产品按凝胶时间不同进行分类,见表1。
4.2 规格产品应符合表2规定。
4.3 型号锚固剂型号编制依据MT/T 154.1锚固剂型号表示方法如下:示例:直径23mm、长度35cm的快速树脂锚杆锚固剂,可表示为MSK23355 技术要求5.1 原材料产品所使用材料应符合有关国家标准、行业标准和设计要求,并有合格证明书、质量保证书。
等强螺纹钢式树脂锚杆金属杆体执行标准:MT146.2-2002使用说明书XXXXX有限公司二〇一一年七月二十一日一、产品用途及特点等强螺纹钢式树脂锚杆金属杆体产品广泛用于井下岩巷,半煤岩巷和煤巷锚杆支护,尤其适用于井下复杂条件下巷道及硐室支护。
该产品与树脂锚固剂配套使用,其特点:1、强度增长快、强度高,安装后不仅能及时承受载荷,而且锚固力大。
2、安装操作方便,工人劳动强度低,支护效率高。
3、吨煤支护成本大大降低。
本产品是依据MT164.2-2002标准生产的。
二、产品特性及结构等强螺纹钢式树脂锚杆金属杆体主要材质优先选用屈服强度大于335 MPa螺纹钢,使搅拌树脂锚固剂和安装锚杆一体化,有利于提高安装速度和提高锚杆预紧力。
其规格型号可根据不同用途、地质条件、强度要求设计和选用。
1、等强螺纹钢式树脂锚杆金属杆体装配结构图:1.杆体2.托盘3.螺母2、型号说明MSGLD——/ ×杆体长度(mm)杆体直径(mm)杆体屈服强度(MPa)等强螺纹钢式树脂锚杆如规格型号MSGLD-335/22×2500:表示屈服强度大于335MPa,杆体直径为22mm,杆体长度为2500mm的等强螺纹钢式树脂锚杆。
三、产品规格型号和技术参数四、工作原理及安装使用1、工作原理:等强螺纹钢式树脂锚杆金属杆体由不同强度材质的杆体及其附件与配套树脂锚固剂一同使用。
根据设计锚固长度,将杆体插入放好锚固剂的孔洞中,经过搅拌后,锚固剂产生化学反应,在一定时间内,将杆体与煤岩粘合为一体固定在岩壁中,螺纹端加装防护网及承载托盘后,用螺母拧紧以达到支护作用,从而有效的形成高强预应力支护,能够控制顶板稳定,适应外围岩石移动,能够有效减少甚至消除离层,解决顶板垮冒,由多种支护形式和结构组成预应力支护体系,实现了机械安装,大大提高了支护的安全可靠性。
2、安装使用(1)、根据设计选用金属杆体和锚固剂。
(2)、在标定的锚固基体上钻孔,钻孔直径、深度与锚杆规格相配套。
XXX牌树脂锚杆锚固剂产品说明书执行标准:MT146.2002出版号:A出版日期:XXXX年XX月XX日树脂锚杆锚固剂产品说明书一、概述:树脂锚固剂是由不饱和聚酯树脂、固化剂、促进剂和其它辅料,按一定比例配制而成的粘稠状锚固粘接材料,由聚酯薄膜分割包装呈药卷状,具有常温固化快,粘接强度高,锚固力可靠和耐久力好等优良性能。
与不同材质的杆体配套使用所形成的树脂锚杆是现代锚固工程中的最佳材料。
除煤矿锚网支护中应用外,在立井的装备安装、建筑物的构件连接、设备基础的锚固等均得到广泛的应用,并获得满意的技术经济效果。
产品生产执行MT146.1-2002《树脂锚杆锚固剂》标准要求。
二、产品介绍1、锚固剂型号表示方法:cmmmCK超快速;K快速;Z中速示例:MSZ 2335 表示直径为23mm,长度为35cm的中速树脂锚固剂。
2、常用规格: (其他规格可按需协商生产)表13、性能参数:表2三、主要参数1、产品凝胶时间参数(表3)2、锚固力规定值 KN(表4)四、使用方法:〈树脂锚杆安装操作工艺〉1. 根据钻孔直径按表1和表3选择树脂锚固剂的规格、型号。
2. 按设计要求的锚固剂规格和杆体长度,确定钻孔深度比杆体全长短60~ 80mm。
3. 用压风清扫眼孔浮尘。
4. 根据设计锚固长度,用杆体将选用的锚固剂送入孔底,启动搅拌器带动杆体旋转30±5秒,匀速推进到孔底。
5. 卸下搅拌器后,及时在孔口将杆体楔住,固化前不要使杆体移位或晃动,安装顶眼时尤为重要。
五、产品贮存和运输1. 树脂锚固剂应在25℃以下、无阳光照晒,远离火源的室内贮存。
2. 在25℃以下贮存期为三个月,过期产品经检查手感柔软的可继续使用。
3. 锚固剂的包装采用硬质纸箱,外加编织袋捆扎,搬运时注意轻放,禁止摔掼。
4. 铁路运输时可比照二级易燃品办理整车或零担,汽车运输时防止雨淋和曝晒。
六、包装:筒形聚酯塑料袋,外包装为纸箱。
XXXXXXX公司地址:XXXXXXXXXXXXXXX电话:13XXXXXXXX。
树脂锚固剂型号及使用方法芙蓉矿务局(即:芙蓉集团)速凝剂厂座落四川南缘宜宾珙县境内,隶属于国有大型煤炭企业芙蓉矿务局,主要生产“芙蓉山”牌速凝剂、锚固剂、CAS混凝土膨胀剂、树脂锚固剂等产品。
1、我厂可生产树脂锚固剂:超快速(MSCKa,MSCK);快速(MSK);中速(MSZ);慢速(MSM)。
直径:Φ23、Φ28、Φ35及不同长度的树脂锚固剂。
2、树脂锚固剂型号表示方法:M S 类型直径mm 长度cm 其中M为锚杆,S为树脂锚固剂,类型可分为C K超快速;K快速;Z中速;M慢速。
例:MSCK2340表示直径为23m m,长度为40c m的超快速树脂锚固剂。
3、树脂锚固剂适用范围:煤矿井下的全岩巷,煤巷、半煤巷、地面铁路,公路隧道、大坝边坡,桥梁建筑基础以及边坡护坡等;适宜于灰岩、页岩、沙岩、粉沙岩以及泥岩等的锚固支护,不适宜严重渗水的岩段及松软泥土的锚固。
4、树脂锚固剂执行标准为:M T146.1—2002。
产品搅拌时间、等待时同试验确定,使用两只及以上锚固剂锚固同一根杆体时应合理选择锚固剂速度,以利共同达到搅拌要求,达到全长有效锚固的目的。
7、依据设计要求的杆体长度,建议严格控制锚杆孔的深度,一般孔深比锚杆长度短60-80mm,防止锚杆孔过深,过浅。
8、锚杆孔钻好后应用压风吹扫眼孔浮尘或积水再安装树脂锚杆为宜。
9、根据设计锚固长度,用杆体锚头端将锚固剂缓缓送入孔底,待锚固剂前端刚好接触孔底时,启动搅拌机全速旋转搅拌,并严格遵守表2的搅拌时间匀速将杆体推进到孔底。
10、锚杆安装搅拌结束卸下搅拌机前要及时在孔口将杆体楔住,在等待时间之前严禁杆体位移或晃动,安装顶板这一点尤为重要。
11、若系两种速度及以上锚固剂用于同一根杆体锚固时,速度较快的一支锚固剂应放入孔底。
全长锚固树脂锚杆
使用说明书
执行行业标准MT146.1-2002
MT146.2-2002
焦煤集团西山支护器材开发有限责任公司公司地址:省市万柏林区西矿街巷6号
传真:0
全长锚固树脂锚杆使用说明书
1.概述
1.1产品特点
全长锚固树脂锚杆支护强度高、能有效防止瓦斯从锚孔外泄、锚杆断裂产生火花等现象。
全长锚固树脂锚杆锚固剂执行MT146.1─2002,全长锚固树脂锚杆金属杆体及其附件执行MT146.2─2002.。
1.2适用围
全长锚固树脂锚杆主要适用于巷道两帮、顶板支护及设备基础加固等。
1.3品种、规格
全长锚固树脂锚杆锚固剂:MSCK2355/2340/2380、MSK2680、MSZ2360/2380/2680 全长锚固树脂锚杆金属杆体:MSGLW─335/(18、20、22)×(1800~2400);
1.4型号的组成及其代表意义
1.4.1全长锚固树脂锚杆锚固剂型号表示方法
M S □□□
长度,cm
直径,mm
类型CK超快速;K快速;Z中速;
树脂锚固剂
锚杆
1.4. 2全长锚固树脂锚杆金属杆体型号表示方法
MS G L W─335/ □×□
杆体长度,mm
杆体直径,mm
杆体材质
无纵肋
螺纹钢
杆体
树脂锚杆
1.5使用环境条件
全长锚固树脂锚杆主要适用于高瓦斯矿井矿井巷道顶板、两帮支护及围岩破碎段的加强支护。
2、结构特征及支护原理
2.1结构:全长锚固树脂锚杆由树脂锚固剂和金属杆体两部分组成。
树脂锚固剂由相互分隔的树脂胶泥和固化剂组成;金属杆体由杆体、托板、螺母组成。
2.2支护原理:在锚杆安装搅拌过程中,依靠杆体螺纹将树脂锚固剂推向孔底,使锚固体与煤壁或顶板形成共同受力整体,从而达到支护效果。
3、技术特性及技术参数
3.1树脂锚固剂按凝胶时间的不同进行分类见表1。
表1
3.2产品锚固力符合表2之规定。
3.3常用树脂锚固剂尺寸要求见表3
表3
3.4金属杆体尺寸要求见表4
表4
3.5 锚固剂抗压强度
环境温度为(22±1)℃、龄期24h条件下,用于端锚的锚固剂其抗压强度应不小于60Mpa。
3.6 锚固剂有效期
3.6.1 环境温度为20~25℃室存放时,不小于3个月。
3.6.2 80℃热稳定性试验,不小于16h。
3.7 金属杆体延伸率应不小于15%。
3.8 金属杆体尾部螺纹极限载荷应不小于杆体屈服载荷。
3.9 应优先选用可快速安装的扭矩螺母;采用六角螺母时,其技术条件应符合GB/T6170、GB/T3098.2的规定。
3.10 优先选用碟形托盘,其承载力应不小于杆体屈服载荷,规格尺寸不小于100mm ×100mm或φ100mm。
3.11锚固力
MSGLW-335/18杆体锚固力≥85kN。
MSGLW-335/20杆体锚固力≥105kN。
MSGLW-335/22杆体锚固力≥125kN。
4、外形图
A A
1、铝扣
2、外筒
3、筒
4、固化剂
5、树脂胶泥
图1树脂锚固剂外形图
1杆体;2托盘;3螺母;
图2 无纵肋螺纹钢式金属杆体示意图
5.全长锚固技术参数选型
顶板全长锚固技术参数选型见表5,煤层帮锚全长锚固技术参数选型见表6。
6.全长锚固树脂锚杆设计安装使用方法
6.1使用锚杆支护应根据施工地点的顶板岩性、围岩状况、地质结构及巷道断面、煤质状况等条件进行设计,合理选择锚杆支护参数,制定相应的操作规程。
6.2锚杆施工人员应严格按照设计要求及有关规和操作规程进行施工。
6.3锚杆安装前,由专人检查锚杆、锚固剂、锚杆孔径、锚杆孔深、孔位、方向是否达到设计要求。
6.4使用前检查锚固剂颜色、柔软程度及保质期,发现结块、硬化、破裂、变质及过期等异常现象严禁使用;杆体应保持清洁,无油污,无锈蚀,以保证锚固效果。
6.5根据选型表将相应规格的锚固剂卷依凝固速度的快慢,按先快后慢的顺序依次放入钻孔中,然后用搅拌机具顺时针搅拌,先匀速推进搅拌时间约:20~25秒,推进到快速或超快速锚固剂时,搅拌15秒~20秒推到孔底,总搅拌时间30~35秒。
6.6搅拌完成后应采取适当措施防止杆体发生位移和转动,5分钟后方上螺母、托盘。
托板应贴紧岩壁(煤壁)面,螺母安装必须达到规定扭矩,锚固力方能真正达到设计要
求。
顶板全长锚固技术参数选型表表5
煤层帮锚全长锚固技术参数选型表表6
7.运输、贮存
7.1树脂锚固剂应按二级易燃品管理。
轻拿轻放,严禁碰撞、摔打、挤压、暴晒、雨淋,防止锚固剂破裂失效。
7.2树脂锚固剂应在通风良好、无直射、无淋水的专用防火库房中贮存,贮存温度在4℃-25℃,码放高度应不超过五层。
7.3金属杆体应以小捆方式包装,在库房存放,避免风吹雨淋产生锈蚀。
7.4搬运过程中避免野蛮装卸造成锚固剂破损及杆体弯曲。
7.5运输过程中应注意锚固剂及杆体不受损伤。
8.注意事项
8.1 选用有安全标志证书的正规合格企业的锚固剂及金属杆体,并在有效期。
8.2 金属杆体锚固段不得沾染油污,尾部螺纹段要采取保护和防锈措施。
8.3 全长锚固树脂锚杆锚固剂直径、杆体直径与钻孔直径应合理匹配,钻孔直径与锚固剂直径之差为4mm-8mm,钻孔直径与杆体直径之差应为6mm-10mm。
8.4严格按技术规和操作规程规定进行打眼、安装,药卷安装顺序不能搞混。
并合理选用安装机具。
焦煤集团西山支护器材开发有限责任公司
公司地址:省市万柏林区西矿街巷6号
联系人:树成
电话:0
传真:0
出版日期:2009年5月。