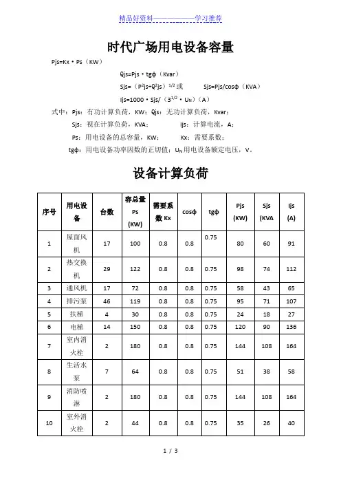
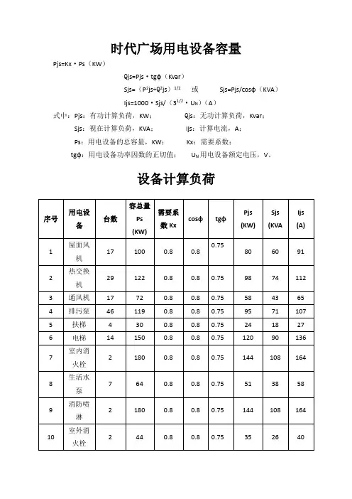
工厂供电负荷计算表模板
- 格式:xls
- 大小:16.00 KB
- 文档页数:4
、名称为各个设备组,其设备功率为额定功率乘以相对于的系数2、系数Kx,功率系数,计数系数可以参考相对于的电力设计数据3、负荷率=最后的视在功率/选型的变压器容量序需用系数计算系数号K X tgΦ1办公照明2400.30.622车间照明2800.40.623反应釜1320.30.624精馏塔1170.30.625槽型混合机930.30.626多层流化床600.30.627齐多夫定生产线600.70.628P-胸苷生产线450.70.6295-甲基尿苷生产线360.70.6212仓储系统1010.620.85100.8531.50.8525.20.85180.85420.8535.10.8527.90.851120.8539.60.8572名 称工作容量(KW )功率因数COSΦP (KW)13车间净化系统12010.6214天车27.50.30.6215气相色谱 5.250.80.6216离子色谱 6.250.30.6217标准实验箱0.50.30.6218分光光度计20.30.6219高纯度烘干箱 3.50.30.6220无尘分析室100.30.6221原子发射仪 1.20.30.6222组合空调1500.50.6223办公用电500.80.621449.2667.785同时系数KZ 0.85有功负荷系数a 0.75无功负荷系数PP^0.75~0.851449.20.831449.20.9313变压器负荷率800KVA 变压器(1台)无功补偿容量(KVar)总 计(补偿后)0.4车间干线KZ = 0.9〜1;低压母线KZ = 0.8〜0.9a-0.7 ~ 0.8 (平均负荷与计算负荷之比值)(平均负荷与计算负荷之比值)总 计(补偿前)0.660.85750.85400.8530.850.360.850.60.85 1.050.85 1.8750.850.150.858.250.85 4.20.8512084.71558备注6.211.819.537.115.629.611.221.226.049.421.841.317.332.869.4131.824.646.6S (KVA)44.684.7计算负荷P W)Q (Kvar)414.0267567.6173714527.9KH=81.6%压器(1台)121567.6227.00.8〜0.9值)567.6351.946.588.224.847.11.9 3.50.20.40.40.70.7 1.21.22.20.10.25.19.72.6 4.974.4141.2。
全厂用电负荷计算表全厂用电负荷计算表本工程用电设备容量为6810.3kW,需要用电约为4411.3kW。
详见车间变电所用电负荷计算表,车间变电所负荷及变压器选择表序号车间及各工段名称10kV伏动力380及220伏动力及照明设计视在容量(kV AR)备注动力照明(kW)设备容量(kW)需要容量设备容量(kW)需要容量(kW) (kV AR)有功(kW)无功(kV AR)1 酒精变电所1.1 粉碎工段805.6 604.2 421.7 21.2 液糖化工段541 405.8 283.2 21.3 发酵工段777 582.8 406.8 31.3 15万吨蒸馏工段210 157.5 109.9 21.4 5万吨蒸馏工段111 83.3 58.1 1 不计1.5 脱水工段95.7 71.8 50.1 11.6 罐区96.5 72.4 50.5 51.7 循环水580 435 303.6 21.8 空压站59 44.3 30.6 0.5各车间小计3164.9 2373.6 1656.5 18.5分别乘以有功系数0.9、无功同时系数0.972136.2 1606 14.2 补偿kV AR -581 cosφ=0.92 补偿后kV A 2150.4 1025 2382.21#变压器容量kV A 2500 利旧2#变压器容量kV A 800 新购2 污水、板框、DDGS变电所2.1 污水处理工序1115.6 780.9 545.1 102.2 DDGS、板框、干燥1068 747.6 521.8 8车间小计2183.6 1528.5 1066.9 18分别乘以有功系数0.9、无功同时系数0.971375.7 1034.9 15.3 补偿kV AR -374 cosφ=0.92 补偿后kV A 1391 660.7 1539变压器容量kV A 1×10001×1250 利旧3 CO2变电所3.1 CO2工段1004.8 803 560 43.2 沼气站(脱硫)346.1 276 192 3车间小计1350.9 1079 752 7分别乘以有功系数0.9、无功同时系数971 729 5.950.97补偿kV AR -264 cosφ=0.92补偿后kV A 971 465 1076变压器容量kV A 1600 新购4 发电车间变电所3.1 发电车间3.2车间小计分别乘以有功系数0.9、无功同时系数0.97补偿kV AR -00 cosφ=0.92 补偿后kV A变压器容量kV A说明:1、酒清装置各工段用电设备需要系数取0.75,有功同时系数取0.9,无功同时系数取0.97,变压器正常运行时负荷率为63.5%。