电动葫芦检查、安装检查验收标准标准表格.doc
- 格式:doc
- 大小:217.02 KB
- 文档页数:3
电动葫芦固定式工字钢轨道安装验收标准下载提示:该文档是本店铺精心编制而成的,希望大家下载后,能够帮助大家解决实际问题。
文档下载后可定制修改,请根据实际需要进行调整和使用,谢谢!本店铺为大家提供各种类型的实用资料,如教育随笔、日记赏析、句子摘抄、古诗大全、经典美文、话题作文、工作总结、词语解析、文案摘录、其他资料等等,想了解不同资料格式和写法,敬请关注!Download tips: This document is carefully compiled by this editor. I hope that after you download it, it can help you solve practical problems. The document can be customized and modified after downloading, please adjust and use it according to actual needs, thank you! In addition, this shop provides you with various types of practical materials, such as educational essays, diary appreciation, sentence excerpts, ancient poems, classic articles, topic composition, work summary, word parsing, copy excerpts, other materials and so on, want to know different data formats and writing methods, please pay attention!电动葫芦固定式工字钢轨道安装验收标准1. 引言电动葫芦在现代工业生产中扮演着重要的角色,而其安装所采用的固定式工字钢轨道的质量直接影响到其使用效果和安全性。
电动葫芦验收标准1. 外观检查:- 确保电动葫芦外观光滑、表面无明显划痕、凹陷或腐蚀现象。
- 确保电动葫芦所有连接部位无松动或裂缝。
- 检查电动葫芦壳体是否完整,电缆引线是否磨损或老化。
2. 功能测试:- 测试电动葫芦的起升功能,确保能够平稳、可靠地举升和下降。
- 测试电动葫芦的行走功能,确保能够平稳、可靠地前进和后退。
- 检查电动葫芦的变速功能,确保能够实现多档位的速度调节。
- 测试电动葫芦的停车制动功能,确保能够在停止运动后立即停稳并保持静止状态。
3. 安全性能检查:- 检查电动葫芦的紧急停车装置,确保能够在紧急情况下快速停止运动。
- 检查电动葫芦的过载保护装置,确保能够及时停机以防止超负荷操作。
- 检查电动葫芦的限位保护装置,确保能够自动停止或反转以避免超出限定范围。
- 检查电动葫芦的线路保护装置,确保在电源异常或短路情况下及时断电以保护设备和操作人员安全。
4. 操作性能测试:- 检查电动葫芦的操作按钮或遥控器是否灵敏,确保能够方便地控制葫芦的运动。
- 测试电动葫芦的起升速度和行走速度,确保符合设计要求。
- 检查电动葫芦的操作手册和说明书是否清晰易懂,确保操作人员能够正确操作。
5. 耐用性测试:- 运行电动葫芦一段时间,测试其在连续使用中的性能和稳定性。
- 检查电动葫芦的零部件及连接是否有松动或磨损迹象。
- 检查电动葫芦的电缆和电源线是否完好,无明显老化或短路现象。
以上为电动葫芦验收的基本标准,可根据具体情况进行适当调整或添加其他检查项。
在确认电动葫芦符合验收标准后,方可正式使用。
电动葫芦怎么检验?电动葫芦检验方法与标准指南来源:互联网·作者:测库头条君· 2017-12-28 14:05:58电动葫芦是一种特种起重设备,安装在天车、龙门吊之上,电动葫芦具有体积小,自重轻,操作简单,使用方便等特点,用于工矿企业,仓储,码头等场所。
电动葫芦结构紧凑,电机轴线垂直于卷筒轴线的电动葫芦采用蜗轮传动装置。
其缺点为:长度尺寸大,宽度方面尺寸大,结构粗笨,机械效率低,加工较难等。
液压系统为双重控制,溢流调节阀、磁接点压力表均可对压力进行精确的控制。
电器控制部门采用了低电压控制,增加了支配系统的安全性。
电动葫芦的质量,是通过检验来确定的。
那么电动葫芦怎么检验呢?本文将为大家详细介绍一下电动葫芦检验方法与标准,希望大家学有所成。
一、电动葫芦的基础知识1、主要特点钢丝绳电动葫芦的结构及特点:该机采用了机电一体化设计,更换不同的模具,即可压制不同规格的钢丝绳,支配简便、平安;检查、装置、维护电机方便。
其主要缺点为电机散热前提差,分组性差,供电装置、制造与装配复杂。
钢丝绳电动葫芦的分类及叙述钢丝绳电动葫芦的组成部门有:电机、传念头构、卷筒和链轮。
以电机和卷筒相互位置不同大致可分为四种类型。
压制的钢丝绳拉力大、美观、快速,压接一套钢丝绳只需几分钟即可完成,大大降低了劳动强度,提升了工作效率。
电机装在卷筒外面的电动葫芦,其优点为为分组性好、通用化程度高、改变起升高度轻易、装置检验利便。
电动葫芦的使用非常广泛,但能正确操作电动葫芦的专业人员较少,建议大家多了解电动葫芦的相关知识,进而在各个领域更好地利用各种电动葫芦。
2、主要分类电动葫芦主要分为:环链电动葫芦、钢丝绳电动葫芦(防爆葫芦)、防腐电动葫芦、双卷筒电动葫芦、卷扬机、微型电动葫芦、群吊电动葫芦、多功能提升机。
3、应用领域应用领域:提升、牵移、装卸重物,油罐倒装焊接,如各种大中型砼、钢结构及机械设备的安装和移动,适用于建筑安装公司、厂矿的土木建筑工程及桥梁施工、电力、船舶、汽车制造、建筑、公路、桥梁、冶金、矿山、边坡隧道、井道治理防护等基础建设工程的机械设备。
目次第—章总则 (1)第二章般规定 (2)第三章起重机轨道和车档 (4)第四章电动葫芦 (9)第五章手动梁式起重机和手动梁式悬挂起重机 (9)第六章电动梁式起重机和电动梁式悬挂起重机 (12)第七章通用桥式起重机 (16)第八章冶金起重机 (20)第九章通用门式起重机和装卸桥 (26)第十章壁上起重机和柱式悬臂起重机 (31)第十一章起重机的试运转 (34)第十二章工程验收 (38)附录一起重机及其轨道跨度的测量方法 (39)附录二起重机主梁上拱度和悬臂上翘度的测量方法 (44)附录三起重机车轮水平偏斜的测量方法 (50)附录凹本规范用词说明 (51)附加说明 (52)附:条文说明 (53)第一章总则为确保起重设备安装工程的质量和促进安装技术的进步,制订本规范。
本规范适用于电动葫芦、手(电)动梁式起重机、手(电)动梁式悬挂起重机、通用桥式起重机、冶金起重机、通用门式起重机与装卸桥、壁上起重机和柱式悬壁起重机的安装。
起重设备安装工程应从设备开箱起,至设备试运转合格办理工程验收为止。
对大型、特殊、复杂的起重设备的吊装,应制定完善的吊装方案;当利用建筑结构柱、梁等作为吊装的重要承力点时,应经结构汁算,并经有关部门同意后方可利用。
起重设备安装完毕,必须经负荷试运转合格办理工程验收手续后,方可投入生产使用。
起重设备安装工程施工及验收除应按本规范的规定执行外,尚应符合现行有关国家标准规范的规定。
第二章一般规定起重设备安装前,应按下列要求进行检查:一、设备技术文件应齐全;二、按设备装箱清单检查设备、材料及附件的型号、规格和数量,且应符合设计和设备技术文件的要求,并应有出厂合格证书及必要的出厂试验记录;三、机、电设备应无变形、损伤和锈蚀,其中钢丝绳不得有锈蚀、损伤、弯折、打环、扭结、裂嘴和松散的现象;四、起重机地面轨道基础、吊车梁和安装预埋件等的坐标位置、标高、跨度和表面的平面度均应符合设计和安装的要求;起重机与建筑物间的最小安全距离表2.0.1当现场装配联轴器时,其端面间隙、径向位移和轴向倾斜应符合设备技术文件的规定。
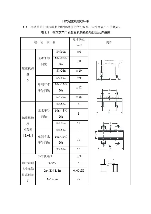
门式起重机验收标准
1.1 电动葫芦门式起重机的检验项目及允许偏差,应符合表1.1的规定。
表1.1 电动葫芦门式起重机的检验项目及允许偏差
1212
②主梁的水平弯曲,对箱形梁在距上翼缘板约100mm的大筋板处测量,对桁
架梁在主弦杆中心线处测量,对工字梁在腹板中心线处测量;
③当起重机的额定起重量小于等于50t时,主梁水平弯曲应向走台侧凸曲。
1.2 通用门式起重机的检验项目及允许偏差,应符合表1.2的规定。
表1.2 通用门式起重机的检验项目及允许偏差
12Z 1②S Z
为主梁两端始于第一块大筋板(或节间)的实测长度,在距离上翼缘板约100mm 的大筋板(或竖杆)处测量;
③当起重机的额定起重量小于等于50t 时,正轨箱形梁及半偏轨箱形梁的水平弯曲只能向走台侧凸曲;
④H 1刚性腿的长度。
1.3 小车的安装,应符合下列规定:
1在小车的全行程上,防止脱轨的安全保护装置不应与轨道产生摩擦。
2具有铰接缓冲装置的小车(图1.3)在无负荷时,车架端部上平面应向下倾斜,且倾斜量不应大于5mm 。
图1.3 铰接小车架
1—车架端部;2—缓冲装置;3—小车架;4—铰接副;5—车轮组;d —倾斜量 1.4 门式起重机安装后,应即装上夹轨器并进行试验。
试验时,夹轨器应符合下列规定:
1夹轨器各节点应转动灵活,夹钳、连杆、弹簧、螺杆和闸瓦不应有裂纹和
变形;
2夹轨器工作时,闸瓦应在轨道的两侧夹紧,钳口的开度应符合随机技术文件的规定,张开时不应与轨道相碰。
电动葫芦检查及标准
1、根据选用工字钢型号规格的不同,调整电动小车的垫圈数量,注意保证两侧轮缘与工字钢之间要有3---5mm的间隙。
2、电动葫芦所使用的工字钢轨道两端要装设防脱轨装置。
3、电动葫芦所使用的工字钢轨上应装设地线。
4、电动葫芦安装完毕后,应进行1次全面的安全性能检查应达到设计要求。
5、在操作者步行范围内和重物通过的路线上应无障碍物。
6、手控按钮上下、左右方向运行应准确灵活、电动机和减速器应无异常声响。
7、制动器应灵敏可靠,无磨擦发热、震动现象。
8、上下限位器动作应准确。
9、电动葫芦运行轨道上应无异物。
10、吊钩在水平和垂直方向转动应灵活。
11、吊钩止动螺母应紧固。
12、吊钩滑轮应转动灵活。
13、钢丝应无明显缺陷,在滚筒上排列整齐,无脱开滑轮槽迹象,导线器完整。
14、吊辅具无异常现象。
15、操纵盒完整。
有总开关,按键方向标记与实际运动方向相符。
16、电动葫芦不得旁侧吊卸重物,禁止在不允许的环境中及超负荷情况下使用。
17、电动机风扇制动轮上的制动环,不许沾有油垢,调整螺母应紧固,电动葫芦各润滑部分应及时加适量的润滑油,润滑油要清洁,不含其它杂质。
18、电动葫芦使用完毕后,应停在指定的安全地方,室外应设防雨罩。
19、有规章制度、有技术文件、司机有操作证、现场有操作规程挂牌。
20、限位器可靠、电动机运行不过电流。
21、空载试验、静载试验、动载试验、联合动作试验应全部合格,并有经过洛阳市技术监督局检测站的验收,合格发证后方能使用。
电动葫芦维护检修规程济钢炼铁运行第一章总则1、适用范围本规程适用于车间CD、MD型电动葫芦(包括防爆电动葫芦)的维护和检修。
其它类型电动葫芦可参照本规程执行。
2、结构简述电动葫芦由减速器、卷筒、钢丝绳、导绳器、起重机(CD型)或双速电机组(MD 型)吊钩、电动小车等部件组成,在工字钢轨道上运行起重。
3、技术性能常见电动葫芦的主要技术性能见表1。
第二章完好标准1、零、部件(1)主、辅机的零、部件完整齐全,质量符合要求。
(2)轨道稳固可靠,终点有安全档。
全部连接件及机座螺栓齐全、紧固。
(3)设备铭牌完整、清晰。
2、运行性能(1)润滑良好,实行“五定“、“三级过滤”。
(2)运行平稳无杂音、无颠簸现象。
(3)电动葫芦电气绝缘良好,运行速度和吊钩升降速度均符合要求。
(4)起重能力达到铭牌出力或额定能力。
3、技术资料(1)质量合格证.安装和使用说明书等出厂技术资料齐全。
(2)有设备履历卡。
(3)有检修和试验记录。
(4)有易损零配件图。
4、设备及环境(1)电动葫芦运行空间应无障碍物,轨道平整清洁,机体防腐油漆良好。
(2)减速箱无漏油现象。
第三章设备的维护1、日常维护(1)严格执行巡回检查制度,每班检查升降行走开关、钢丝绳、吊钧、制动器等,发现故障及时处理。
(2)保持设备整洁,保持设备润滑良好。
(3)电动葫芦停止工作时,严禁将重物悬在空中。
2、定期检查(1)对电动葫芦的检查每月不少于一次,发现故障应及时采取措施解决。
(2)检查内容如下:a.吊钩、钢丝绳有无摩损和腐蚀;b.制动器和限位器是否灵敏可靠;c.减速箱有无异声、过热等异常现象,润滑油位是否正常;d.各连接螺栓有无松动;e.钢丝绳端压板是否松动;f.接地线及轨道安全挡是否完好。
3、常见故障处理方法常见故障处理方法见表2。
表24、紧急情况停车遇到下列情况之一时,应紧急停车。
a.钢丝绳断裂;b.轨道严重变形;c.卷筒裂纹时;d.发现已吊载荷超载。
第四章检修周期和检修内容1、检修周期检修周期见表3电动葫芦使用环境腐蚀严重时,检修周期可适当缩短。
1总则1.1为了加强对电动葫芦定期检验工作的管理,规范定期检验的行为,提高定期检验工作质量,特制定本细则。
1.2本细则适用于电动葫芦的定期检验。
2检验依据2.1下列所列文件,通过本细则的引用而成为本细则的条文国务院令373号《特种设备安全监察条例》国质检锅【2002】第296号《起重机械监督检验规程》国家质检总局【2007】第92号令《起重机械安全监察规定》JB/T5317.2-1991 《环链电动葫芦技术条件》JB/T9008.2-1999 《钢丝绳电动葫芦技术条件》JB/T9008.4-1999 《钢丝绳电动葫芦试验方法》JB9009-1999 《钢丝绳电动葫芦安全规程》JB/T10222-2001 《防爆钢丝绳电动葫芦技术条件》2.2本细则引用标准如被修改,应依据最新版本对相应技术要求进行补充调整。
3检验前准备3.1检验时机3.1.1使用单位应提前一个月到检验单位办理定期检验申报手续,交纳相关费用,并与检验员按报检的内容约定检验日期。
3.1.2在用电动葫芦应当按照本细则规定的内容,两年进行一次定期检验。
3.2现场条件3.2.1检验检测现场环境要求3.2.1.1被检设备状况、检验现场的环境和场地条件符合相关标准及使用说明书的要求;3.2.1.2检验现场应整洁,不应有影响起重机检验无关的物品、设施和与检验无关的人员,并放置表明现场正在进行检验的警示牌。
3.2.1.3电网输入电压应正常,电压波动应在额定电压值±7%的范围内。
3.2.1.4检验露天作业的电动葫芦,风速一般不大于8.3m/s。
3.2.2检验检测现场安全要求3.2.2.1现场检验时,检验人员应当佩带和穿戴检验作业必须的个体防护用品。
3.2.2.2检验人员应当在使用单位正常维护保养的基础上进行定期检验。
3.2.2.3对于不具备现场检验条件的电动葫芦,以及继续检验可能造成安全和健康损害时,检验人员可终止检验,但必须书面说明原因。
电动葫芦检查、安装检验批施工质量验收表工程名称:起重机安装工程
分项工程名称
检验项目
制动环
电动
制动轮轴向串动
葫芦
检查减速箱
钢丝绳
滑轮及吊钩
电
动钢丝绳在卷筒上固定
葫
钢丝绳在外壳上固定
芦
检导绳器
查
行走减速齿轮
行走轮
阻进器安装
电工字钢下翼侧缘与行走
动轮缘间隙
葫吊钩在最低位
芦置时卷筒上钢
安限位
丝绳保留量
装器调
吊钩在最高位
整
置时滑轮与卷
筒外壳距离
2#焙烧车间 1#电动葫芦安装
性质单位质量标准质量检验结果结论
无破损,无油脂无破损,无油脂优良
主控mm ~ 3 2 优良
齿轮无损伤,油质符合制齿轮无损伤,油质符合制
优良
造厂要求造厂要求
无断丝及硬弯无断丝及硬弯优良
无裂纹及其他损伤,转动无裂纹及其他损伤,转动
优良
灵活灵活
压板将绳压紧,螺栓牢固压板将绳压紧,螺栓牢固优良
mm
绳头伸出楔盒下部长度绳头伸出楔盒下部长度
≥ 50,塞块楔紧≥ 50,塞块楔紧
优良
无松动,钢丝绳无卡涩无松动,钢丝绳无卡涩优良
齿轮无损伤,相对位置符齿轮无损伤,相对位置符
优良
合制造厂要求合制造厂要求
表面无损伤,转动灵活表面无损伤,转动灵活优良
限制电动葫芦不滑出轨限制电动葫芦不滑出轨
优良
道,不碰障碍物道,不碰障碍物
mm 2~ 4 4 合格
主控圈≥ 35优良
mm≥ 600650优良
验收结论:
验收单位签字
施工单位年月日总承包单位年月日监理单位年月日
电动葫芦负荷试验检验批施工质量验收表
工程名称:起重机安装工程
分项工程名称2#焙烧车间1#电动葫芦安装
检验项目性质单位质量标准质量检验结果结论空负荷时吊钩平稳,无摩擦及撞击平稳,无摩擦及撞击优良
制动器可靠可靠优良静负荷
钢丝绳主控无松脱无松脱优良试验
吊钩无变形无变形优良动负荷吊钩升降及小车行走主控平稳,无摩擦和撞击平稳,无摩擦和撞击优良试验制动后吊物下滑距离主控mm ≤ 50 ≤ 50 优良
验收结论:
验收单位签字
施工单位年月日总承包单位年月日监理单位年月日。