数控车床电路图册
- 格式:pptx
- 大小:14.62 MB
- 文档页数:35
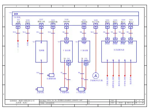
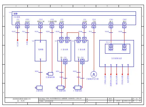
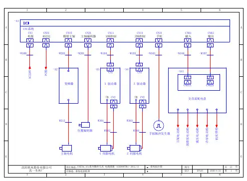
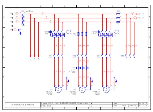
A B C D EABCDE标签完整的名称F24_002 - GB - A4结构描述结构标识符总览=DOC(文档图纸)高层代号=SCH(原理图)高层代号=REP1(接线图表)高层代号=REP2(材料表)高层代号+A电柜位置代号+B操作站位置代号+C1床身位置代号+C2拖板位置代号+E床头位置代号+F刀架位置代号+R液压站位置代号+L冷却箱位置代号+I排屑器位置代号+M尾座位置代号ABCDEABCDE开关电源电子手轮变频器主轴电机主轴编码器X 伺服电机X 驱动器Z 驱动器Z 伺服电机电动刀架AC/DC配电盘润滑油泵冷却泵机床照明GSK980TB3数控系统-XS2电源接口-XS30X 驱动接口-XS31Z 驱动接口-XS32主轴编码器-XS38手轮-XS34主轴接口-XS39输出1-XS40输入1-XS41输入2-XS42输出2A B C D EABCDE 端子图表F13_003 - GB-A4端子排功能文本线号线号目标代号目标代号短连接短连接内部目标外部目标放置=SCH(原理图)+A-X1L1L11电源L1-QF0:1+/1.1:C L2L22=L2-QF0:3+/1.1:C L3L33=L3-QF0:5+/1.1:C PE PE PE=A B C D EABCDE功能文本线号线号目标代号目标代号短连接短连接内部目标外部目标放置=SCH(原理图)+A-X2-FN1:121电柜风机2-QF7:2+/3.4:A2-X2:3+/3.5:C-FN1:202电柜风机-GD2:N+/3.3:C+B-A1-GD1:N+/4.3:C0-X2:4+/3.6:C-FN1:PE PE PE电柜风机-FN2:123=2-X2:1+/3.4:C-FN2:204=0-X2:2+/3.4:C-FN2:PE PE PE=+E-M2:U1U25主电机冷却风机U2-QM1:2+/9.2:B+E-M2:V1V26=V2-QM1:4+/9.2:BW2-QM1:6+/9.2:B+E-M2:W1W27=+E-M2:PE PE PE=U5-KM1:2+/14.1:C+F-M5:U1U58刀架电机U5-FV2+/14.1:CV5-KM1:4+/14.1:C+F-M5:V1V59刀架电机V5-FV2+/14.1:C+F-M5:W1W510刀架电机W5-KM1:6+/14.2:CW5-FV2+/14.1:CA B C D EABCDE功能文本线号线号目标代号目标代号短连接短连接内部目标外部目标放置=SCH(原理图)+A-X2+F-M5:PE PE PE刀架电机+L-M6:U1U611冷却泵电机U6-KM3:2+/16.2:B+L-M6:V1V612=V6-KM3:4+/16.2:B+L-M6:W1W613=W6-KM3:6+/16.2:B+L-M6:PE PE PE=+R-M7:114导轨润滑电机+R-M7:215=22-U3-X2:5C+/17.3:C+R-M7:PE PE=A B C D EABCDE功能文本线号线号目标代号目标代号短连接短连接内部目标外部目标放置=SCH(原理图)+A-X31系统上电L+-GD2:+24V+/3.3:C+B-SB1:21L+2=3+B-SB1:22+/4.1:A+B-SB2:1333=4+B-SB2:14+/4.1:C-KA0:14(+)44X 限位+24V-XS40A-X:11+/6.4:C+B-SB3:21+24V+24V-X3:4+/8.2:A+24V-X3:4+/7.2:A+B-SB5:13+24V4循环启动-X3:10+/8.3:A+24V+C2-SQ1-1:1175X 限位7+B-SB3:22+/7.2:B+B-SB4:137+C2-SQ1-3:32+/7.2:D6X 限位+C1-SQ2-3:3210*ESP+B-SB4:14+/7.5:C-XS40A-X:10*ESP7急停*ESP+C1-SQ2-1:11+/7.3:C8循环启动+B-SB5:14ST ST-XS40A-X:8+/8.2:D*SP-XS40A-X:7+/8.3:D9进给保持+B-SB6:22*SP+24V-X3:4+/8.2:A+C2-SQ1-2:21+24V10X 零点+24V-X3:12+/8.4:A*DECX-XS40A-X:1+/8.3:D+C2-SQ1-2:22*DECX11X 零点12Z 零点+C1-SQ2-2:21+24V+24V-X3:10+/8.3:A+C1-SQ2-2:22*DECZ13=*DECZ-XS40A-X:9+/8.4:DA B C D EABCDE功能文本线号线号目标代号目标代号短连接短连接内部目标外部目标放置=SCH(原理图)+A-X3+F-U5:+24V+24V14刀架电源+24V-XS40A-X:23+/15.2:D+F-U5:0V0V15=0V-XS40A-X:24+/15.2:D+F-U5:1T01161号刀T01-XS40A-X:6+/15.3:D+F-U5:2T02172号刀T02-XS40A-X:5+/15.4:D+F-U5:3T03183号刀T03-XS40A-X:4+/15.5:D+F-U5:4T04194号刀T04-XS40A-X:3+/15.5:D+C2-EL24V20机床照明24V-QF5:2+/2.5:D+C2-EL:x2021=0-TC2+/2.3:C-GD2:N+/3.3:CA B C D EABCDE符号地址设备标识符 PLC地址项目名称功能文本放置端子车床数控改造电路图-变频主轴(GSK980TB3)=SCH(原理图)+B-A1+/10.1:A主轴故障7+/10.2:A模拟电压10+/10.3:A0V11+/6.1:A13+/6.2:A18+/6.2:A19+/6.2:A20+/6.2:A21+/6.3:A22+/6.3:A23+/6.3:A24+/6.3:A25+/6.4:A11+/6.5:A14+/6.5:A15+/6.5:A16+/6.5:A17+/6.6:A18+/15.2:D电源23+/15.2:D0V24+/6.6:A25+/10.2:D电源11A B C D EABCDE符号地址设备标识符 PLC地址项目名称功能文本放置端子车床数控改造电路图-变频主轴(GSK980TB3)=SCH(原理图)+B-A1X1.0+/7.5:E急停10X1.1+/8.4:E Z 零点减速9X1.2+/8.2:E循环起动8X1.3+/8.3:E进给保持7X1.5+/8.3:E X 零点减速1X2.0+/15.3:D 1 号刀6X2.1+/15.4:D 2 号刀5X2.2+/15.5:D 3 号刀4X2.3+/15.5:D 4 号刀3X3.7+/10.1:D速度到达7Y5.0+/10.5:A主轴正转7Y5.1+/10.6:A主轴反转3Y5.3+/16.4:A冷却15Y5.4+/17.4:A润滑6Y6.6+/14.5:A刀架正转12Y6.7+/14.6:A刀架反转13A B C D EABCDE 元件汇总表元件代号型号描述制造商数量广州数控2伺服驱动器,20A模块,适配1~1.3kw伺服电机DA98A-20-A2广州数控2伺服驱动器,30A模块,适配1.5~1.88kw伺服电机DA98A-30-A3阿尔法2变频器,三相380V,7.5kw/11kw,17A/25A;ALPHA6000E-37R5GB/3011PB-A4广州数控1数控车床系统,横式,7寸液晶屏GSK980TB3-A11LED机床工作灯,长臂式,24V AC,12W。
去液压站脚踏开关X1 接线端子适用配置 GSK980TD-b / c / iP E U 5V 5W 5220V 0Y V 1Y V 2L -C H K +24VU 5/V 5/W 5/P E /220V /0/Y V 1/Y V 2/L -/C H K /+24V/A B C D EABCDE功能文本线号线号目标代号目标代号短连接短连接内部目标外部目标放置=+-X1+HY-X1:1U51油泵电机U5-KM5:2/1.2:C+HY-X1:2V52=V5-KM5:4/1.2:C+HY-X1:3W53=W5-KM5:6/1.2:C+HY-X1:4PE4=PE-PE/1.2:C+HY-X1:5220V5冷却风机220V-Q2:2/1.3:B+HY-X1:606=0-XT1:0/1.6:D0-V1:N/1.4:B+HY-X1:7YV17卡盘卡紧+HY-X1:8YV28卡盘松开+HY-X1:9L-9=L--V1:0V/1.4:B-S1:NO CHK10脚踏开关-S1:COM+24V11=+24V-FX-G(980TDb36)-XT4:+24V/2.1:B+24V-U1:COM/2.5:C适用配置 GSK980TD-b / c / iA B C D EABCDE功能文本线号线号目标代号目标代号短连接短连接内部目标外部目标放置=+HY-X1-M5:U5U51油泵电机U5-X1:1+/1.2:D-M5:V5V52=V5-X1:2+/1.2:D-M5:W5W53=W5-X1:3+/1.2:D-M5:PE PE4=PE-X1:4+/1.2:D-FAN:1220V5冷却风机220V-X1:5+/1.3:D-FAN:206=0-X1:6+/1.3:D-YV1YV17卡盘卡紧YV1-X1:7+/1.4:D-YV2YV28卡盘松开YV2-X1:8+/1.4:D-YV2L-9=L--X1:9+/1.5:D适用配置 GSK980TD-b / c / iA B C D EABCDE 元件汇总表元件代号型号描述制造商数量1交流接触器,9A/4KW/3P+1NO+1NC,线圈110VAC;CJX2s-0911F德力西-KM51电动机保护器,3P+1NO+1NC,2.5~4ADZ108-20/4-11德力西-Q11小型断路器,1P,1A;DZ47sN1D1德力西-Q2ENCHI1加厚铝合金防护,式脚踏开关,NO+NC,15A/250V。
CAK16n系列数控车床CAK32n系列数控车床CAK36n系列数控车床CAK40n系列数控车床机床控制参数表GSK 980TD沈阳机床(集团)有限责任公司沈阳第一机床厂CAK16_32_36_40n 系列 机床控制参数表沈阳第一机床厂 1 / 8参数号 参数值 标记 调整值001 00011001# 002 00100000 003 00011000 004 01001000 005 00010011 006 00000000 007 00000000 # 008 00000100 # 009 00100011 # 010 ******** 011 10010000 012 10101111 013 00000000 014 00000111015 1 016 1 017 1 018 1 019 5 020 0 021 0 # 022 4000 # 023 8000 # 024 50 # 025 50 # 026 200 # 027 8000 # 028 500 # 029 70 # 030 10 031 0 032 400 033 200 034 0 035 0 036 0 # 037 3000 # 038 10 # 039 10 # 040 10 # 041 200 042 10参数号 参数值 标记 调整值043 99 044 11520 045 +99999999 # 046 +99999999 # 047 -99999999 # 048 -99999999# 049 0 050 0 051 3500 052 500 053 1500 054 2500 055 3 056 500 057 1 058 0 059 0 060 0 061 0 062 0 063 0 064 0 065 0 066 1000 067 1000 068 0 069 0 070 1024 071 32 076 1000 077 0 078 15000 079 0 080 500 081 500 082 0 083 500 084 4 # 085 1000 086 0 087 50 088 0CAK16_32_36_40n 系列 机床控制参数表沈阳第一机床厂 2 / 8参数号 参数值 标记 调整值 089 50090 0 094 0 095 0 096 0 097 0 098 0 099 10 100 0 101 0 102 30000 103 20000 104 0 105 0 106 0 107 0 108 3000 109 40 110 1 111 1 112 0 119 3 164 11100110 168 00000000 172 00000100 # 173 ******** # 177 ********# 125 10 126 10 127 10 128 30 129 30 130 10参数号 参数值标记调整值诊断号DT00201500 DT0021 6000 DT0025 6000 DT0027 6000 DC00254800伺服参数 参数号 X 轴 Z 轴 12 5 5 13 4 3 *15 0 0注:1. 设曾参数时先将系统设定参数开关为开。
CAK36系列数控车床CAK40系列数控车床机床控制参数表GSK 980TDi沈阳机床股份有限公司沈一车床厂CAK36/40系列 机床控制参数表沈阳机床股份有限公司 1 / 5参数号 参数值 备注 00100011010Bit4=1模拟电压控制 002 00000010 Bit1=1刀尖半径补偿有效003 00110000004 01000000Bit=0 公制 005 00010010006 00000000007 10000000008 00011100010 ********012 10101001015 1X 齿轮比分子 016 1Z 齿轮比分子 017 1X 齿轮比分母 018 1Z 齿轮比分母 019 5020 0021 -390022 4000X 快移速度 8000Z 快移速度 026 100027 8000切削进给上限速度 028 200029 100030 200031 1260032 200F0时X 快移速度 400F0时Z 快移速度 033 100X 回零速度 200Z 回零速度 034 0X 反向间隙补偿 0Z 反向间隙补偿 036 0037 3000主轴1档最高速度 038 3000主轴2档最高速度 039 3000主轴3档最高速度 040 3000主轴4档最高速度 041 100042 10插入段号增量值 043 99G96恒线速主轴最低转速 044 115200波特率 045+99999999X 正向软限位 +99999999Z 正向软限位 参数号 参数值 备注 046 -99999999 X 负向软限位 -99999999Z 负向软限位 047 0 各轴返回机床零点后绝对坐标的设置值0 0480 049 0 050 0051 2500 G71、G72时的单次进刀量 052 5000 G71、G72时的单次退刀量 053 15000 G73时,X 轴的退刀量 054 -25000 G73时,Z 轴的退刀量 055 3 G73循环车削的切削次数056 5000057 1 G76的重复次数058 0 059 0 060 0 061 0 062 0 063 0 064 0 065 0 066 0067 100 S1轴换挡输出电压 068 0 手动/手轮方式下S1速度 069 0 液压压力低检测时间ms070 1024 主轴编码器线数071 32 072 50073 4095 S1最大转速钳制 074 0 S1最小转速钳制 084 4 刀架总刀位数 109 40 主轴点动速度 110 1 S1轴对应参数 111 1 S1轴对应参数 113 3800 X 轴对应参数 7600 Z 轴对应参数119 3 140 1000 174 00001000175 ******** Bit6=1检查主轴转速到达 18111100000不检查/检查主轴速度CAK36/40系列 机床控制参数表沈阳机床股份有限公司 2 / 5参数号 参数值 备注 18400000000Bit6=0中文DT 时间参数 参数号 数值 备注DT002 2000 压力低报警检查时ms DT009 1500 刀架反转锁紧时间ms DT012 3000 主轴点动时间ms DT013 0 手动润滑开启时间ms DT014 1500 卡盘夹紧时间ms DT015 1500 卡盘松开时间ms DT016 1800000 自动润滑间隔时间ms DT017 10000 自动润滑输出时间msK 参数 参数号 数值 备注 K011.0 换刀方式00方式B/01方式AK011.1 K011.2 1/0 刀位信号低电平/高电平有效K011.3 1/0 检测/不检测 刀架锁紧信号 K011.4 1/0 刀架锁紧信号 高电平/低电平有效K011.5 1/0 换刀结束时检测/不检查刀位信号K011.6 1/0 非换刀过程检测/不检查锁紧信号K011.7 1/0 非换刀过程检测/不检查刀位信号 K014.0 1/0 液压压力检测功能有效/无效K014.1 1/0 液压压力检测信号低电平/高电平时关闭防护门K014.2 1/0 防护门功能 有效/无效K014.3 1/0 防护门信号高电平/低电平时关闭防护门 K014.4 1/0 防护门锁/防护门开关 K014.5 1/0 防护门开时倍率,冷却限制/不限制K014.61/0防护门打开,手动下主轴转速限制/不限制参数号 数值 备注K014.7 1/0 液压控制功能 有效/无效 K016.2 1/0 自动润滑开机时 是/否输出润滑 K016.3 1/0 润滑油位低 检测/不检测 K016.4 1/0 润滑油位高电平/低电平报警 K016.7 1/0 手轮/单步方式 x1000档无效/有效 K017.0 1/0 主轴伺服/主轴变频器控制K017.1 1/0 主轴风扇异常 检测/不检测 K017.2 1/0 主轴转速到达信号 低电平/高电平有效K017.3 1/0 主轴停止时关闭/不关闭模拟电压 K017.41/0主轴低电平/高电平异常报警DC 参数 参数号 数值 备注 DC000 10 主轴零速输出范围r/min DC010 200000000 行程润滑距离伺服参数 参数号 X 轴 Z 轴 0 315 315 1 122 146 29 1024 4096 30 625 1875CAK36/40系列机床控制参数表蓝海华腾V系列驱动器参数参数参数值参数含义备注标记F03.030 无编码器矢量控制F04.00 1端子控制F04.02 3 模拟量给定F04.045260 最高转速F04.11 3 加速时间F04.12 3 减速时间F04,14 1 使用能耗制动F04.15 680 制动电压F05.00 3 X1端子,正转F05.012X2端子,反转F05.0236X3端子,准停定位F05.0334 X4端子,刚性攻丝F05.0466X5端子,零伺服使能端子F05.1214继电器1端子,驱动器故障F05.13 32继电器2端子,准停到位输出F06.00 4044 模拟量曲线输入修正F06.01 0 曲线输入修正A0L0.00380电机额定电压VL0.01 50电机额定频率HzL0.054电机极数L0.06 1500 额定转速L0.07 7.5 电机额定功率KWL0.08 17 电机额定电流A沈阳机床股份有限公司 3 / 5CAK36/40系列机床控制参数表欧瑞SD20系列驱动器参数参数参数值参数含义备注标记Po0023100 最高转速限制36/40单轴Po010 2 刚性设置36/40单轴Po101200 比例增益36/40单轴Po1022500 积分增益36/40单轴Po10920 加速时间36/40单轴Po11030 减速时间36/40单轴Po4003000 电机转速,小于Po00236/40单轴Po0022500 最高转速限制40变档Po010 5 刚性设置40变档Po101500 比例增益40变档Po1021000 积分增益40变档Po10950 加速时间40变档Po110100 减速时间40变档Po4001800 电机转速,小于Po00240变档刚性设定:运转过程中若出现电机抖动、主轴振动情况时,将Po010刚性降低至振动消失,可以步进为1进行调整,若振动较大,可以步进为2进行调整。
摘要机床电气控制线路设计是高职机械专业学生学完大学的课程后进行的,学生已经掌握了机械制造、机械加工的一些基本技能,从事机床电气控制线路的设计是对以前所学电气知识的综合回顾和复习,以后对各种机床控制电路都可触类旁通,能自己动手设计和改进相应电路,也能排除相关电气故障。
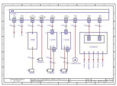
主轴机必须在油泵开动后才能开动。
主轴机实现正反转,并采用定子绕组串电阻降压起动,由速度继电器完成起动到运行的过渡。
停车时,必须主轴机先停机,然后油泵机才能停机。
可以两台电动机同时停机。
任何一台过载,两台电动机均停车。
有电路,零压,过载保护。
有照明及必要的灯光显示。
关键词CA6140 机床控制线路前言CA6140型普通车床目前多用于现代化大中型制造业的成批生产车间,更多应用于生产线上。
其有较好的生产率和一定的使用性能,可很方便地车削常用的公制螺纹。
此外,其比万能型车床有较好的刚度和抗振性,能适应现代刀具发展的高速切削和强力切削。
同时,该机床还结构简单,便于工人操作,另外又可在其上方便地安装附件或自动化装置,从而实现自动或半自动车削。
普通车床靠齿轮和普通丝杠螺母传动。
由于各运动副间存在间隙,加上手工操作不准确因此重复精度较低。
普通车床测量时需停车后手工测量,测量误差较大,而且效率低下,。
适合批量较小,精度要求不高,零活类零件。
它投资较数控低,但对工人的操作技能要求较高,因此工资水平高。
低水平工人的废品率和生产率会让你头疼。
数控车床靠步进电机带动滚珠丝杠传动,由于滚珠丝杠可以有过盈量,传动无间隙,精度主要靠机床本身和程序保证。
在加工过程中可以自动测量,并能自动补偿刀具磨损及其他原因产生的误差。
所以加工质量好,精度稳定。
还可以用编程的方法车出形状复杂,普通车床难以加工的零件。
适合精度高,批量大,形状复杂的零件。
但小批量生产也很好用。
它的维修费用较普通车床高。
立车主要用于大件,它的主轴是垂直的。
立车也有数控的。
由于高技术水平的人才越来越缺,现在新上的企业多采用数控,以提高生产率和产品质量,降低废品率和成本。
CAK50系列数控车床CAK61系列数控车床机床控制参数表GSK 980TDi沈阳机床股份有限公司沈一车床厂CAK50/61系列 机床控制参数表沈阳机床股份有限公司 1 / 5参数号 参数值 备注001 00011010 Bit4=1模拟电压控制 002 00000010 Bit1=1刀尖半径补偿有效003 00110000 004 01000000 Bit=0 公制005 00010010 006 00000000 007 10000000 008 00011100 010 ******** 012 10101001015 1 X 齿轮比分子 016 1 Z 齿轮比分子 017 1 X 齿轮比分母 018 1 Z 齿轮比分母019 5 020 0 021 -80 022 6000 X 快移速度 12000 Z 快移速度026 100027 8000 切削进给上限速度028 200 029 100 030 200 031 1260032 200 F0时X 快移速度 200 F0时Z 快移速度 033 100 X 回零速度 200 Z 回零速度 034 0 X 反向间隙补偿 0 Z 反向间隙补偿036 0037 240 主轴1档最高速度 038 720 主轴2档最高速度 039 2200 主轴3档最高速度 040 9999 主轴4档最高速度041 100042 10 插入段号增量值 043 99 G96恒线速主轴最低转速044 115200 波特率 045+1600000 X 正向软限位 +3500000Z 正向软限位参数号 参数值 备注 046 -3400000 X 负向软限位 -5000000Z 负向软限位 047 0 各轴返回机床零点后绝对坐标的设置值0 048 0 049 0 050 0051 1 G71、G72时的单次进刀量 052 0 G71、G72时的单次退刀量 053 0 G73时,X 轴的退刀量 054 0 G73时,Z 轴的退刀量 055 1 G73循环车削的切削次数056 0057 1 G76的重复次数058 0 059 0 060 0 061 1 062 1 063 0 064 0 065 0 066 0067 200 S1轴换挡输出电压S2/S2=100 068 0 手动/手轮方式下S1速度 069 1 液压压力低检测时间ms070 1024 主轴编码器线数071 32 072 3000073 65535 S1最大转速钳制 074 0 S1最小转速钳制 084 4 刀架总刀位数 109 40 主轴点动速度 110 1 S1轴对应参数 111 1 S1轴对应参数 113 3800 X 轴对应参数 7600 Z 轴对应参数119 3 140 1000 174 0000100017500000000Bit6=1检查主轴转速到达CAK50/61系列 机床控制参数表沈阳机床股份有限公司 2 / 5参数号 参数值 备注181 ******** 不检查/检查主轴速度18400000000Bit6=0中文DT 时间参数 参数号 数值 备注DT002 2000 压力低报警检查时ms DT004 20000 换刀时间上限ms DT005 100 M 代码执行持续时间ms DT007 50 刀架从正转停止到反转延迟时间msDT008 1500 刀架锁紧检测时间ms DT009 1500 刀架反转锁紧时间ms DT010 50 M05与制动延迟时间ms DT011 50 主轴制动时间ms DT012 2000 主轴点动时间ms DT013 36000 手动润滑开启时间ms DT014 0 卡盘夹紧时间ms DT015 0 卡盘松开时间ms DT016 1800000 自动润滑间隔时间ms DT017 15000 自动润滑输出时间ms DT024 2000 卡盘压力低检测时间ms DT025 2000 尾台压力低检测时间ms DT028 3000 延时关闭防护门时间ms DT030 500 主轴换挡延迟开始时间 DT031 1000 主轴运行时掉档检测时间 DT032 100 主轴换挡时YC1延时关闭时间DT033 300 主轴换挡时YC2延时关闭时间DT034 400 主轴换挡到位后,延迟停止时间msK 参数 参数号 数值 备注 K011.0 0 换刀方式00方式B/01方式AK011.1 0 K011.2 0 刀位信号低电平/高电平有效K011.3 1 检测/不检测 刀架锁紧信号 K011.41刀架锁紧信号 高电平/低电平有效参数号 数值备注 K011.5 1 换刀结束时检测/不检查刀位信号K011.6 0 非换刀过程检测/不检查锁紧信号K011.7 0 非换刀过程检测/不检查刀位信号 K012.4 0 卡盘压力检测有效/无效K012.5 0 卡盘压力低检测 低电平/高电平K013.4 0 尾台压力检测有效/无效K013.5 0 尾台压力低检测 低电平/高电平 K014.0 0 液压压力检测功能有效/无效K014.1 0 液压压力检测信号低电平/高电平时关闭防护门K014.2 0 防护门功能 有效/无效K014.3 0 防护门信号高电平/低电平时关闭防护门 K014.4 0 防护门锁/防护门开关 K014.5 0 防护门开时倍率,冷却限制/不限制K014.6 0 防护门打开,手动下主轴转速限制/不限制 K014.7 0 液压控制功能 有效/无效 K015.0 1 主轴换挡功能 有效/无效 K015.1 1 模拟主轴自动换挡/手动换挡 K015.20 挡位主轴手动调整有效/无效 K016.2 1 自动润滑开机时 是/否输出润滑 K016.3 0 润滑油位低 检测/不检测 K016.4 0 润滑油位高电平/低电平报警 K016.7 0 手轮/单步方式 x1000档无效/有效 K017.0主轴伺服/主轴变频器控制。
A B C D EABCDE功能文本线号线号目标代号目标代号短连接短连接内部目标外部目标放置=+-X1+HY-X1:1U51U5-Q1:2/1.2:B+HY-X1:2V52V5-Q1:4/1.2:B+HY-X1:3W53W5-Q1:6/1.2:B+HY-X1:7YV14+HY-X1:8YV25+HY-X1:9L-6L--V1:0V/1.5:B-S1:NO DIQP7DIQP8=+24V-S1:COM/2.3:CA B C D EABCDE功能文本线号线号目标代号目标代号短连接短连接内部目标外部目标放置=+HY-X1-M5:U5U51U5-X1:1+/1.2:D-M5:V5V52V5-X1:2+/1.2:D-M5:W5W53W5-X1:3+/1.2:D-M5:PE PE4-PE+/1.2:C-FN:15220A-XT1+/1.3:C-FN:260-XT1+/1.4:C-YV1YV17-X1:4+/1.5:DYV1-YV2YV28YV2-X1:5+/1.5:D-YV29L--X1:6+/1.6:D L-A B C D EABCDE 元件汇总表元件代号型号描述制造商数量德力西1 DZ108-20/4-11-Q1电动机保护器,3P+1NO+1NC,2.5~4A1 MDR-60-24-V1台湾明纬开关电源,导轨安装,60W,85~264VAC,24VDC/2.5A;德力西1小型断路器,1P,1A;DZ47sN1D1-Q2ENCHI1加厚铝合金防护式,脚踏开关,NO+NC,15A/250V。
ECFS-H4-S11继电器模组,2路G2R-1-E-24VDC继电器,每路1开1闭,最大负载16A,线圈24VDC,NPN共正极,DIN安装。
HL-2RD-O1P-N-U1PXC17直通式接线端子,最大线径 1.5mm²,17.5A,DIN导轨安装,灰色;UK 1,5 N-X1。
A B C D EABCDE1234567891024242602612622632642652691112131415161718192027028281541551561570202脚位线号脚位线号XP11234567891028282362372382391501511521112131415161718192015324320-X-Z RAPID+Z0202脚位线号脚位线号XP2235-Z12345678910HA HB111213141516171819200V0V0V+5V+5V+5V脚位线号脚位线号JA31234567891028282362372382391501511521112131415161718192015324320-X-Z RAPID+Z0202脚位线号脚位线号XP2A235-Z操作箱HA HB+5V0V235236237238239MPG电柜A B C D EABCDE U31V31W31U41V41W41U52V52W52U62V62W62U72V72W72W181914214321414114214314415215715825425526726827127227327427511111122222224242424242828282828281111122222PEPEPEPEPEPE电柜A B C D EABCDEA B010V24V02Xm+0.0Xm+0.103Xm+0.2Xm+0.304Xm+0.4Xm+0.505Xm+0.6Xm+0.706Xm+1.0Xm+1.107Xm+1.2Xm+1.308Xm+1.4Xm+1.509Xm+1.6Xm+1.710Xm+2.0Xm+2.111Xm+2.2Xm+2.312Xm+2.4Xm+2.513Xm+2.6Xm+2.7141516Yn+0.0Yn+0.117Yn+0.2Yn+0.318Yn+0.4Yn+0.519Yn+0.6Yn+0.720Yn+1.0Yn+1.121Yn+1.2Yn+1.322Yn+1.4Yn+1.523Yn+1.6Yn+1.724D0COM D0COM25D0COM D0COMA B010V24V02Xm+3.0Xm+3.103Xm+3.2Xm+3.304Xm+3.4Xm+3.505Xm+3.6Xm+3.706Xm+8.0Xm+8.107Xm+8.2Xm+8.308Xm+8.4Xm+8.509Xm+8.6Xm+8.710Xm+9.0Xm+9.111Xm+9.2Xm+9.312Xm+9.4Xm+9.513Xm+9.6Xm+9.7141516Yn+2.0Yn+2.117Yn+2.2Yn+2.318Yn+2.4Yn+2.519Yn+2.6Yn+2.720Yn+3.0Yn+3.121Yn+3.2Yn+3.322Yn+3.4Yn+3.523Yn+3.6Yn+3.724D0COM D0COM25D0COM D0COMA B010V24V02Xm+4.0Xm+4.103Xm+4.2Xm+4.304Xm+4.4Xm+4.505Xm+4.6Xm+4.706Xm+5.0Xm+5.107Xm+5.2Xm+5.308Xm+5.4Xm+5.509Xm+5.6Xm+5.710Xm+6.0Xm+6.111Xm+6.2Xm+6.312Xm+6.4Xm+6.513Xm+6.6Xm+6.714COM41516Yn+4.0Yn+4.117Yn+4.2Yn+4.318Yn+4.4Yn+4.519Yn+4.6Yn+4.720Yn+5.0Yn+5.121Yn+5.2Yn+5.322Yn+5.4Yn+5.523Yn+5.6Yn+5.724D0COM D0COM25D0COM D0COMA B010V24V02Xm+7.0Xm+7.103Xm+7.2Xm+7.304Xm+7.4Xm+7.505Xm+7.6Xm+7.706Xm+10.0Xm+10.107Xm+10.2Xm+10.308Xm+10.4Xm+10.509Xm+10.6Xm+10.710Xm+11.0Xm+11.111Xm+11.2Xm+11.312Xm+11.4Xm+11.513Xm+11.6Xm+11.7141516Yn+6.0Yn+6.117Yn+6.2Yn+6.318Yn+6.4Yn+6.519Yn+6.6Yn+6.720Yn+7.0Yn+7.121Yn+7.2Yn+7.322Yn+7.4Yn+7.523Yn+7.6Yn+7.724D0COM D0COM25D0COM D0COMCB104HIROSE 50PINCB105HIROSE 50PINCB106HIROSE 50PINCB107HIROSE 50PINPOWERCP1(RIGHT)CP2(LEFT)MPGJA3IOLINKJD1AIOLINKJD1BDI/DO-1CB104DI/DO-2CB105LRDI/DO-3CB106DI/DO-4CB107RLCB15CB14CB17CB16* 上图连接器CB104,CB105,CB1O6,CB107管脚图中的B01脚+24V是输出信号,该管脚输出24V,不要将外部24V接入到该管脚。