抽油机一级保养规范
- 格式:doc
- 大小:16.00 KB
- 文档页数:4
游梁式抽油机操作保养规程一、启动前的检查准备1.按照制造厂使用说明书的规定,对抽油机各巡回检查点进行巡回检查,确保灵活好用。
2.检查抽油机基础和底座安装,应稳固。
3.检查地脚螺丝紧固程度,防止抽油机在基础上移动。
4.检查所有构件的紧固及各部件的完好情况。
5.检查各润滑点,应按照规定加足润滑油、润滑脂。
6.检查抽油机周围,清除妨碍抽油机运转的杂物。
7.检查抽油机护栏操作台等安全部件的齐全、固定情况。
8.检查抽油机安装的水平情况,纵向水平不大于3‰,横向水平不大于1‰。
9.检查抽油机传动胶带的张紧度,盘动皮带轮,观察有无卡、碰现象。
二、抽油机启动操作1.松开刹车。
2.按启动电钮或推动手柄。
启动前先使曲柄平衡块作2-3次摆动,以利用曲柄平衡块惯性启动抽油机。
三、运转1.启动后,检查抽油机各连接运动部分,运转平稳,无碰挂等异响声音。
2.抽油机不超载,平衡良好,上、下冲程电机通过的最大电流差值应低于最大电流的15%,确保整机运转平稳;抽油机工作参数调整时,应相应的调整平衡率。
3.抽油机驴头悬点投影与井口中心的偏差,其偏差圆的直径不大于28mm。
四、停机1.按停止按钮,平稳操作,拉紧刹车。
2.根据油井状况,让驴头停在相应的位置:出砂井驴头停在上死点;油气比高、结蜡严重、稠油井停在下死点;一般井驴头停在冲程1/3-1/2处。
五、日常维护保养1.每运转8h由当班工人检查各部紧固螺栓有无松动滑扣现象。
2.检查减速器、曲柄销及各部轴承有无异常响声。
3.检查抽油机吊绳有无断股或绳帽松动现象,脱扣。
4.保持抽油机整机的外表面清洁及场地清洁。
六、定期保养1.计运转时间达到720h进行的保养。
2. 1.包括日常维护保养的全部内容。
3.检查减速器轴承盖及轴头密封,减速器和箱面、排油孔丝堵是否渗油。
4.检查减速器油面,并加足润滑油到规定的油标位置,给横梁轴承、游梁轴承、连杆销等部位加润滑脂;清洗减速器外表面及透气塞。
5.检查抽油机平衡情况,调整平衡并拧紧平衡块固定螺栓。
抽油机一级保养操作卡抽油机是工业、农业、家庭等多个领域常用的设备之一,用于抽取水、油等液态物质。
为确保抽油机的正常工作,延长使用寿命,我们需要定期进行保养。
本文将介绍抽油机一级保养操作卡。
保养周期:1年一次或每运行500小时进行一次保养。
保养工具准备:- 扳手- 润滑油- 清洗布- 扫帚或吸尘器保养步骤:1. 清洁外表面使用扫帚或吸尘器将抽油机外表面的尘垢清除干净。
使用湿布、清洗布擦去污渍和油迹,确保表面干净。
2. 更换空气滤清器将空气滤清器拆下来,轻轻拍打滤芯,将松动的灰尘清除干净。
如果滤芯已经损坏或使用时间过长,需要更换新的滤芯。
3. 更换油剂将抽油机下部的油池盖打开,倒出原有的润滑油。
检查油的颜色和质量,如果油变黑或出现异味,说明需要更换新油。
将新的润滑油加入油池中,注意不要过高或过低。
4. 润滑拖动轴承使用润滑油涂抹拖动轴承,确保轴承处于良好的润滑状态。
同时检查轴承是否正常运转,有无异响和卡顿。
5. 检查密封件检查抽油机的密封件是否干裂或磨损,如果出现问题需要立即更换。
密封件使用时间长了容易失效,如果不及时更换会增加设备的维修成本。
6. 清理过滤网拆下抽油机底部的过滤网,用清水或清洁液清洗干净。
检查过滤网是否破损或变形,如有破损或变形需要及时更换。
7. 检查轮子和轮轴检查抽油机轮子和轮轴是否有松动或损坏。
如有损坏需要进行维修或更换。
轮轴涂上润滑油,确保轮轴运转顺畅。
8. 检查驱动带检查抽油机的驱动带是否松弛或破裂,如有问题需要立即维修或更换。
同时使用润滑油润滑驱动带的扭簧。
9. 检查电源线检查电源线是否有裂缝或裸露的电线,如有问题需要拆开电源线进行更换。
以上就是抽油机一级保养操作卡的具体操作步骤,希望能够对抽油机用户提供一些帮助。
需要注意的是,为保证设备的安全性和可靠性,保养时必须按照保养步骤来进行操作,避免出现安全事故。
抽油机维护保养规程第一节常规游梁式抽油机维护保养规程第二节异形游梁式抽油机保养规程第三节链条式抽油机维护保养规程第四节皮带式抽油机维护保养规程第一节常规游梁式抽油机维护保养规程一、常规游梁式抽油机例行保养作业每班(8h)进行一次。
1、检查各部紧固螺栓,应无松动滑扣。
2、检查减速箱、电机及各部位轴承应无异常声音,温度正常。
3、保持抽油机清洁。
4、记录抽油机使用、维护和保养情况。
二、常规游梁式抽油机一级保养的操作步骤运转720h左右,进行一级保养作业,包括例行保养各项内容。
1、按停止按钮,刹住抽油机刹车(停在便于操作的位置),拉下开关断电。
2、清除抽油机外部油污、泥土。
3、紧固减速箱、底座、中轴承、平衡块、电机等部位固定螺丝。
4、打开减速箱检视孔,松开刹车,盘动皮带轮,检查齿轮啮合情况。
5、检查减速箱油面及油质,不足时应补加,变质时要更换。
6、清洗减速箱呼吸阀。
7、对中轴承、尾轴承、曲柄销子轴承、驴头固定销子等处加注润滑脂。
8、检查刹车是否灵活好用,必要时进行调整。
9、检查毛辫子,有起毛刺、断股现象应更换;检查悬挂盘是否完好。
10、检查皮带松紧程度,不合适进行调整;皮带损坏要及时更换。
11、检查电器设备,绝缘应符合规定要求,有接地线,各触点接触完好。
12、检查驴头中心必须与井口中心对正。
13、测量抽油机平衡,三相电流平衡应在85%以上。
14、记录抽油机的使用、维护和保养情况。
三、常规游梁式抽油机二级保养的操作步骤运转4000h左右,进行二级保养作业,包括一级保养各项内容。
1、将驴头停在上死点、刹车。
2、对抽油机所有轴承进行逐件清洗,并加足润滑脂。
3、用煤油或柴油清洗减速箱内部,清理减速箱内的铁屑,加足机油,根据情况可更换垫子和油封。
4、检查校对抽油机纵横水平及连杆长度是否一致。
5、检查刹车片的磨损情况,并调整或更换刹车片。
6、检查更换易损部件,如曲柄销、衬套键、连杆铜套等。
7、对电器进行绝缘、接地检查调整或更换触点,对电机进行润滑保养。
抽油机维护保养规定公司内部编号:(GOOD-TMMT-MMUT-UUPTY-UUYY-DTTI-抽油机维护与保养一、准备工作(1)穿戴好劳保用品。
(2)带齐工具。
二、操作步骤每月进行一次保养(每次保养间隔为25天以上),即运转720h以后进行保养,并同时进行例保内容的保养。
(1)停抽,刹车(停在便于操作位置),切断电源。
(2)清除抽油机外部油污、泥土,旋转部位的警示标语要清楚醒目。
(3)紧固减速箱、底座、中轴承、平衡块、电动机等固定螺丝。
(4)打开变速箱视孔,松开刹车,盘动皮带轮,检查齿轮的吻合情况,检查输入轴与中间轴的左右旋齿轮的吻合情况,左右旋应无松动,中间轴齿轮与输出轴齿轮的吻合情况,齿轮的带油情况。
(5)检查减速箱油面及油质,不足时应补加,变质时要更换。
(6)清洗减速箱呼吸阀,用管钳卸掉呼吸阀上盖进行清洗。
(7)对中轴承、尾轴承、曲柄销子轴承、驴头固定销子、减速箱轴承等处加注黄油。
(8)检查刹车是否灵活好用,必要时应进行调整,刹车片上不能有油污。
(9)检查皮带松紧程度,不合适进行调整,皮带损坏要及时更换。
(10)检查毛辫子,有起刺、断股现象应更换,检查悬绳器,上下夹板应完好,绳辫子的断股在同部位断三丝的钢绳就需要更换。
(11)检查电器设备绝缘应良好,有接地线,各触点接触完好。
(12)检查驴头中心必须与井口中心对正。
三、注意事项(1)抽油机运转速720h,进行一级保养作业。
(2)曲柄销子注黄油时,可将轴承盖卸下,直接加注黄油。
(3)高空作业时必须系安全带。
四、润滑减速器加油应使油面处于油位指示器的两刻线或两孔之间。
减速器箱体下部易于积水,应经常检查排出,以防油品乳化变质,该油品的更换应视具体情况确定。
可作油样分析,根据油中含水和杂质的比例,确定更换时间。
润滑部位:钢丝绳、游梁轴承座、尾轴承座、曲柄轴承座、减速器、电动机轴承座。
五、调整1、抽油机冲程的调整方法:(1)、首先将抽油机停到下死点、刹死刹车,将方卡打在盘根盒上。
抽油机保养操作规程1、危害因素和风险提示(1)测电流时,电气设备漏电,易发生触电事故。
(2)检查抽油机运转状况时,人和抽油机之间距离不符合安全距离要求,易发生机械伤害事故。
(3)未停机维修保养,易发生机械伤害事故。
(4)停机维修保养时,由于死刹(安全制动)没有锁死,易发生机械伤害事故。
(5)进行轴承部位添加润滑油(脂)等高空作业时,易发生高处坠落事故。
(6)高处作业时,落物易造成物体打击事故。
2. 操作前的准备和检查要求(1)按规定正确穿戴好劳动防护用品。
(2)准备合适扳手若干、黄油枪、黄油、破布、绝缘手套、验电笔等工具。
3. 风险控制和操作技术要求(1)抽油机例行保养(抽油机运转8小时)前,用验电笔确认抽油机、配电箱无漏电现象。
如漏电,停止作业,报告值班干部。
(2)检查减速箱、电动机、曲柄销及各部轴承无异常响声。
(3)按抽油机配电箱停止按扭,将抽油机停在合适的位置后,刹牢刹车,拉开电源开关。
按抽油机配电箱停止按扭、拉开电源开关时戴绝缘手套且侧身,防止触电、弧光伤人。
(4)检查紧固各部螺丝。
高处作业站位合理,系安全带。
(5)检查三角带数量齐全,松紧度合适,熔丝安装合格。
(6)检查采油树清洁完好,无渗漏,抽油机清洁。
(7)抽油机例行保养后,松开刹车,合上电源开关、按抽油机配电箱启动按扭,启动抽油机。
按抽油机配电箱启动按扭、合上电源开关时戴绝缘手套且侧身,防止触电、弧光伤人。
3.抽油机一级保养操作规程(1)抽油机一级保养(抽油机运转720小时±24小时)前,用验电笔确认抽油机、配电箱无漏电现象。
如漏电,停止作业,报告值班干部。
(2)按抽油机配电箱停止按扭,将抽油机停在合适的位置后,刹牢刹车,拉开电源开关。
按抽油机配电箱停止按扭、拉开电源开关时戴绝缘手套且侧身,防止触电、弧光伤人(3)保养包括例行保养的各项内容。
(4)打开减速箱检视孔,检查齿轮啮合情况和磨损情况。
(5)检查减速箱油面,保证机油到规定高度,同时润滑减速箱、横梁、游梁和连杆的各部轴承。
设备保养标准保养标准一、抽油机维护与保养标准1 、抽油机的日常保养(1)、抽油机每日进行检查保养。
(2)检查各部件紧固螺丝。
用手锤击打一下主要部位的螺丝,无松动脱扣现象。
关键部位如曲柄销螺帽每次检查。
(3)检查减速箱、中轴、尾轴、曲柄销无异动响声,不缺油、不漏油。
(4)保持抽油机的清洁、无油污。
2、抽油机的一级保养(1)每月进行一次保养(每次保养间隔天数在25天以上),即运转720小时以后进行保养,同时进行日常保养的内容。
(2)停抽,刹车,切断电源。
(3)清除抽油机外部油污、泥土,旋转部位的警示标语清晰醒目。
(4)紧固减速箱、底座、中轴承、平衡块、电动机座等固定螺丝;用手锤击打螺帽,听声音无空洞的声响;顶丝无缺损并顶紧。
(5)打开减速箱检视孔,松开刹车,盘皮带轮,检查齿轮啮合情况。
检查输入轴与中间轴的左右旋齿轮的啮合情况,左右旋无松动;检查中间轴齿轮与输出轴齿轮的啮合情况;检查齿轮的润滑情况;检查齿轮磨损和损坏情况。
(6)检查减速箱油面及油质,不足时补加,变质时更换。
加机油到规定位置:上液面不高于2/3位置,下液面不低于1/3位置,即齿轮齿刚浸没。
机油有异味或机油变白,立即更换机油。
冬季保养时,由于机油中有水,可能会有冰块或减速箱有霜。
如机油未变质,可清除后使用。
夏季保养时,从减速箱的放油丝堵孔中将机油中的水放掉。
保养后上好检视孔的密封圈垫,不能用的立即更换。
(7)清洗减速箱呼吸阀,用管钳卸掉呼吸阀上盖进行清洗。
(8)对中轴承、尾轴承、曲柄销轴承、“驴头”固定销、减速箱轴承等处加注黄油,加足、加满,如果油脂变质,全部更换。
如中央轴承座需要更换黄油,将黄油枪装在加油孔上,放开泄油孔(在泄油孔下面垫上擦布或其他东西接着旧油,旧油不能排到机身上),打黄油时一直将旧黄油排出泄油孔并挤出新油时算加满。
(9)检查刹车是否灵活好用,刹车片上无油污。
检查刹车片的磨损情况,如果磨损严重、断裂等,更换刹车片。
调节刹车的松紧度,刹车销锁死牙块卡在刹车槽1/3-2/3之间。
抽油机一级保养操作规程
一、准备工具
600mm管钳一把、300mm、375mm、450mm活动扳手各一把,电工工具一套,300mm螺丝刀一把,黄油枪一把;黄油若干,棉纱若干;排污桶一个;部分抽油机专用工具,警示牌两块(请勿合闸,禁止操作),毛刷一支,榔头一把;绝缘手套、安全带各一副、记录本:记录笔
二、风险提示
机械伤害、触电、高空坠落
四、应急处置程序
(1)人员发生机械伤害,第一发现人员应立即停运致害设备,现场视伤势情况对受伤人员进行紧急包扎处理。
如伤势严重,应立即拨打120求救。
(2)人员发生触电事故,第一发现人应立即切断电源,视触电者伤势情况,采取人工呼吸、胸外心脏挤压等方法现场施救。
如伤势严重,应立即拨打120求救。
(3)人员发生高空坠落,第一发现人员对受伤人员流血部位进行包扎止血,有骨折的部位予以固定,有颅脑、胸腹部为损伤者,必须给予相应处理。
特别骨折者注意骨折部位的保护,避免二次伤害。
对停止呼吸的伤者进行人工呼吸或胸外心脏挤压等,如伤势严重,应立即拨打120求救。
抽油机一保操作规程1.目的:为规范员工操作,避免安全事故发生,保证工作顺利安全进行。
2.适用范围:抽油机一级保养(抽油机运转720小时,进行一级保养)3.操作中存在的风险、注意事项及预防措施:3.1、物体掉落,高空坠落,造成人员伤害。
3.2、未检查管线流程,造成井口原油泄漏。
3.3、身体条不件具备,不准酒后疲劳上岗,专人监护。
4.操作前的准备:4.1、劳保齐全4.2、安全警示牌、电工工具一套、绝缘手套、管钳、活动扳手(300、375、450)各一把、钢卷尺、螺丝刀一把、黄油枪一把、固定扳手、黄油若干,抽油机齿轮润滑油若干、棉纱若干、画笔、钢丝刷、锉刀、工程线3M、榔头一把、大锤一把、锯条、安全带、清洗溶剂、毛刷、撬杠、记录本、记录笔、安全绳或工具袋。
5.操作步骤:5.1、检查井口流程、管线伴热、井下加热是否正常、刹车装置是否灵活好用。
5.2、检查试电笔是否完好,测量抽油机启动柜是否带电,戴绝缘手套侧身开门按红色停止按钮停机,将抽油机停在安全适合工作的位置,拉刹车,扣刹车锁,切断电源,挂警示牌(井下加热及管线伴热不得关闭,记录抽油机停抽时间)。
5.3、检查井口是否对中,打开采油树卡箍用钢卷尺测量前后左右不超过6mm,分上中下3次测量,若大于6mm(8型机)可调节中轴顶丝相互调节。
5.4、检查毛辫子,有起刺断股现象应更换;检查悬绳器,上下夹板应完好,绳辫子的同部位断三的钢丝绳应更换。
检查钢绳粗细不均匀,应更换。
检查时发现钢丝绳锈很多,说明麻芯中机油用尽应加油润滑钢绳或外部涂抹黄油,方卡子完好。
5.5、紧固减速箱、底座、中尾轴承、平衡块、电动机、中尾轴顶丝等螺栓紧固,无缺项松动。
检查安全线有无错位,用手捶敲一下螺帽平面无空洞的响声为合格。
5.6、对中尾轴承、横梁、曲柄销子轴承、驴头固定销子、减速箱轴承、刹车、井口阀门等处加注黄油。
5.7、打开减速箱油箱盖,检查减速箱机油是否有变质乳化现象,液位是否在液窗的1/3-2/3,不足时应补加,松刹车盘动皮带检查减速箱齿轮啮合情况及齿轮带油情况,清洗呼吸阀。
抽油机保养操作规程1 范围本规程规定了油田XX公司游梁式抽油机例保和一级保养操作及安全要求。
本规程适用于油田XX公司游梁式抽油机巡检、游梁式抽油机例保和一级保养。
2 规范性引用文件下列文件中的条款通过本标准的引用而成为本标准的条款。
凡是注日期的引用文件,其随后所有的修改单(不包括勘误的内容)或修订版均不适用于本标准,然而,鼓励根据本标准达成协议的各方研究是否可使用这些文件的最新版本。
凡是不注日期的引用文件,其最新版本适用于本标准。
SY/T 5044抽油机维护与保养石油石化职业技能鉴定试题集采油操作指导卡3 抽油机巡检和例保3.1 例保准备。
3.1.1 操作人员1-2人,穿戴好劳保用品,携带便携式H2S检测仪、试电笔、电流表等工具。
3.1.2 电器设备需2名电工检修。
3.1.3 检测确认可燃气体浓度及H2S浓度在安全范围内。
3.2 例保巡检内容3.2.1 观察抽油机驴头销子有无退出,各运转部位有无异常响声,各固定部位安全线有无移位,各连结部位固定螺丝有无松、断、缺,各密封部位有无渗漏;抽油机底座有无悬空,基础有无下沉、破损;皮带松紧合适、无破损、四点成一线,护栏、爬梯完好无损坏。
3.2.2 抽油机、电机、配电柜接地齐全、完好,用试电笔对配电柜、抽油机进行验电,确认无漏电;检查配电柜门开关正常,无破损,确保良好密封性。
3.2.3 观察光杆无变形、不刮、不碰、光杆对中;悬绳器挡板、平衡铁、销钉、齐全完好,毛辫子无断股、偏扭;井口盘根不漏,井口闸门、压力表齐全完好、无渗漏、无憋压,无碰泵。
3.2.4 录取、记录抽油机运行参数,核实各种参数是否正常。
3.3 例行保养要求3.3.1 巡检发现设备运转出现普通异常时,要立即汇报采油站,由采油站安排两人对异常处进行检修处理。
3.3.2 巡检发现设备运转出现严重异常时,要立即按照《抽油机启停操作规程》将抽油机停抽,并立即汇报采油站,由采油站安排两人对异常处进行检修处理。
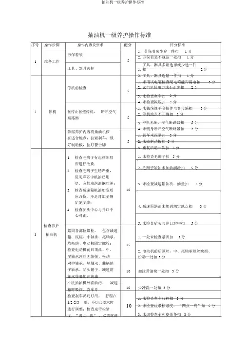
抽油机一级养护操作标准序号操作步骤操作内容及要求劳保着装1准备工作工具、器具选择停机前检查2 停机按停止按钮停机,断开空气断路器依据养护内容将抽油机停在适合地点,拉紧刹车,锁好制动板,挂好警告牌1. 检查毛辫子有起刺断股应进行改换;2. 检查毛辫子生锈严重,说明麻芯中机油已用尽,应加油润滑钢丝绳;3. 检查减速箱机油如变质应改换,不足时加至规定刻度线;4. 检查驴头中心与井口中心对正。
检查养护紧固各部位螺栓,包含减速3 抽油机箱、底座、中轴承、尾轴承、均衡块、电动机固定螺栓;检查电动机前后顶丝、中、尾轴承顶丝无缺损、松动对中轴承、尾轴承、曲柄销子轴承、驴头销子、减速箱轴承等处加注黄油冲洗抽油机外面油污、减速箱呼吸阀、刹车片检查刹车灵巧好用,行程在1/2-2/3处,不切合要求时进行调整;检查皮带松紧度,“四点一线” ,必需时进配分评分标准1.劳保着装少穿一件扣 1 分2. 劳保着装不规范一处扣 1 分521.工具、器具多项选择或少选一件扣分2. 工具、器具选错一件扣 1 分1. 未用试电笔检查配电箱能否漏电扣 3 分2. 试电笔使用方法不正确扣 2 分5未检查刹车扣 2 分3.4. 未检查流程扣 2 分1. 未戴绝缘手套操作电器设施扣 3 分2. 停机地点不正确扣 5 分5停机未断开空气断路器扣 5 分3.4. 未侧身断开空气断路器扣 2 分1. 刹车未拉紧扣 2 分5 2. 未锁制动板扣 5 分3. 重复启动一次扣 5 分1.未检查毛辫子扣 5 分2. 毛辫子缺油未加油润滑扣 5 分3. 未检查减速箱油质、油量扣 5 分104. 减速箱缺油未加到规定地点扣 3 分5. 未检查驴头与井口对中扣 5 分1. 一处未检查紧固扣 3 分152.电动机前后顶丝,中、尾轴承顶丝缺损、松动一处扣 3 分10加注黄油缺一处扣 3 分10少冲洗一处扣 3 分1.未检查刹车行程扣 3 分10 2. 未检查皮带松紧度、“四点一线”扣 5 分3. 未调整刹车和皮带各扣 3 分启动抽油4机清理场所5 行调整,皮带破坏实时改换松刹车,盘皮带,检查减速5箱齿轮啮合和润滑状况检查电动机、配电箱接地、导线连结紧固状况,熔断器 5 有无熔断检查抽油机四周无阻碍物,摘下制动板、警告牌,松刹 5 车,侧身合空气断路器按启动按钮,利用惯性启动抽油机,检查盘根填料松紧 5 度,填写报表将工具、器具擦净放回指定5地点;工完、料净、场所清1.未摘制动板松刹车扣 5 分2.未盘动皮带扣 3 分3. 未检查减速箱齿轮啮合状况扣 5 分4.未检查齿轮润滑状况扣 3 分1.未检查电器设施接地能否坚固扣4 分2. 未检查导线连结紧固状况扣 3 分3. 未检查熔断器有无熔断扣 3 分1. 未检查抽油机四周阻碍物扣 2 分2.未摘制动板、警告牌扣 5 分3.未松刹车启动扣 3 分4. 未戴绝缘手套操作电器设施扣 3 分5.未侧身合空气断路器扣 2 分1.逆向启动抽油机扣 3 分2.未利用惯性启动扣 2 分3.未检查调整后成效扣 3 分4. 未填写报表或报表填写不全扣 2 分工具少收1件扣 2分不擦抹工具扣 1 分6要求1.准备时间: 1 分钟,操作时间 20 分钟,到时停止操作;2.违犯操作规程,存在安全隐患停止操作;3.各项步骤扣分不得超出本项配分。
游梁式抽油机保养规程一、保养等级的划分1、例行保养(每天)2、一级保养(720h)3、二级保养(4000h)二、保养周期、内容、标准(一)例行保养正常运转时每天要例行保养一次:1、检查各部紧固螺栓有无松动滑扣现象;2、检查减速箱、曲柄销及各部轴承有无异响;3、检查悬绳有无断股,悬绳器及侧压板是否完好;4、保持抽油机整机的外表清洁及场地清洁;5、检查抽油机皮带有无打滑、断股、外皮脱落;6、检查各部位防松线是否错位;7、检查抽油机配电部分是否有松动、烧焦味,电动机是否有异响,电缆是否有破损。
(二)一级保养累计运转720小时,必须停机进行一级保养,其作业内容如下:1、完成例保的各项内容;2、检查各润滑点油质、油量,并添加或更换;检查减速箱齿轮油油质、油位(视油窗的2/3处),视情况进行添加或更换(更换时放干老油后用煤油进行清洗,清洗后在用吸铁石进行铁屑清除后再加入合格油品);3、检查调整刹车(行程1/2-2/3,间隙为2-3mm)及刹车保险装置、皮带松紧度及四点一线、平衡率(平衡率应80%-120%之间),紧固曲柄销冕形螺母、平衡块止脱螺栓(狗牙)等螺栓(曲柄销防松线宽1-1.5cm,配重块螺栓、狗牙螺栓、曲柄旋转箭头及减速箱固定螺栓防松线宽0.5cm,用白漆涂抹);4、调整光杆对中(纵向偏差不应大于3mm/米,横向偏差不应大于1mm/米);5、对底座、支架、减速箱、电机、曲柄销螺栓、中轴、尾轴、连杆等各部螺栓进行检查紧固调整;6、对整机进行清洁,保持整机及周边无杂物及杂草;7、由电工进行电机、电器和线路的外部检查;8、做好保养记录。
(三)二级保养累计运转4000小时,必须停机进行二级保养,其作业内容如下:1、完成一级保养各项内容;2、检查减速箱齿轮啮合情况,圆弧齿轮有无擦伤、点蚀、裂纹等损坏情况,齿轮、齿面的磨损情况,输入、中间和输出轴的轴承、油封、油路情况,(油封渗漏及时更换),检查减速箱呼吸阀通畅及油窗清洁;3、检查皮带轮轮辐、轮缘有无裂纹,否则进行修复或更换;4、对中轴、尾轴、配重块等处螺栓进行紧固;5、检查抽油机所有焊接件本体有无永久变形、开裂现象和焊缝有无疲劳裂纹(包括底座、驴头、游梁、支架、连杆、横梁、减速箱);6、检查基础、底座和支架的稳定性是否在规定范围内(测量底座水平应小于5mm,基础是否下沉);7、检查中轴轴承、尾轴轴承、曲柄销子轴承、电机轴承间隙是否在规定范围内,视情况进行更换(采取打开边盖的方式进行检查);8、给中轴、尾轴、曲柄销、刹车、刹车支座、电动机、悬绳等各润滑点更换润滑油脂;9、抽油机井号用白底红漆高度15cm的字母与阿拉伯数字,喷涂至底座最前方;10、将抽油机护栏、接地线等安全附件进行防腐(抽油机护栏用蓝色油漆涂抹,安全警示语“旋转设备、靠近危险”用白底红字涂抹);11、做好保养记录。
抽油机一保二保作业-标准化文件发布号:(9456-EUATWK-MWUB-WUNN-INNUL-DDQTY-KII抽油机为什么要定期保养抽油机运转一段时间后,机件磨损、松动,油料消耗、变质等,拧紧、加油、调整、更换零部件,可使抽油机长期正常运转,延长使用年限。
所以,抽油机要定期保养,也要随时检查,发现问题,及时处理。
抽油机一级保养的内容一级保养每月进行一次,做好保养工作应按“十字”作业法进行。
操作内容如下:(1)紧固:紧固各部螺丝。
(2)润滑:各轴承处加注黄油,检查减速箱机油是否足够,是否变质。
(3)调整:①检查刹车片磨损情况,并调整张合度。
②调整皮带松紧度。
③检查减速箱齿轮有无损坏、破裂等伤痕。
④检查电器设备接地、绝缘、触点接触情况等。
(4)清洗:洗净呼吸阀、刹车片。
(5)防腐:对脱漆、生锈部位进行除锈、刷漆或涂油。
抽油机二级保养的内容二级保养每半年进行一次保养的内容如下:(1)包括一级保养的全部内容。
(2)用火油清洗减速箱内部,并用磁铁吸出铁屑,擦干,加足机油,根据情况更换垫子、油封等。
(3)检查校对抽油机纵横水平及连杆长度是否一致。
(4)对电器设备进行绝缘接地检查,调整更换触点,检查补偿器内油面及油质,清洗、润滑电动机轴承等。
(5)检查清洗各部轴承,并加注新黄油。
(6)检查刹车片磨损情况,并校对或更换新刹车片。
(7)检查曲柄键的工作情况,必要时更换新键。
(8)更换易损部件,曲柄销、套、键、连杆、铜套等。
加注黄油时应注意以下几点:(1)根据油田所处地区选用黄油型号,油脂必须干净,不得有土、砂、铁屑等杂物。
(2)油中不得有水分存在。
(3)如轴承中黄油变质,必须清除,用煤油清洗干净,加注新黄油。
(4)加注黄油应适量,不宜过多。
过多轴承易发热,过少则起不到润滑作用。
加注机油时应注意以下几点:机油应加到上、中检查孔之间为合适。
加得过多容易引起减速箱温度升高,也容易造成各油封漏油。
加的过少,齿轮在油中浸没度小,齿轮润滑效果差,特别是采用飞溅式润滑的轴承,起不到润滑作用。
抽油机保养操作规程抽油机一级保养一、抽油机维护工程内容抽油机维护保养是保证抽油机长期处于良好的工作状态,使设备可靠运行,增加其使用寿命的重要手段。
因此,抽油机用启应根据行业部门的有关规定,并结合本油田的具体实际,制定完善的包括维护保养内容工作流程、要求、原则以及问题处理,记录、信息反馈的文件与维护保养规程,定期对抽油机进行维护保养与检修。
二、例行保养作业每月进行一次1、检查各部紧固螺栓,应无松动滑扣。
2、检查减速箱、电机及各部轴承应无异常声音,温度正常。
3、保持抽油机清洁。
三、抽油机一级保养抽油机一级保养的主要任务是保证润滑,调整抽油机处于正常工作状态,该工作由操作人员来完成,一保的期限根把各地区的规定,一般在抽油机连续运转700~1000h后进行,一级保养的主要内容有:1、听、摸、闻、问;(1)听整机运转中有无异常响声与振动。
(2)摸整机运转中有无抖动。
(3)抽油机运行有无异味:抽油机皮带、电机、减速器等部位。
(4)讯问看井人员抽油机近期有无出现异常情况。
2、测量抽油机运行电流,确定是否进行调整。
3、按停止按钮,刹住抽油机刹车(停在便于操作的位置),拉下抽油机总开关与闸门。
4、紧固减速箱、底座、中轴承、平衡块、电机等部固定螺丝。
5、打开减速箱检视孔,松开刹车,盘动皮带轮,检查齿轮啮合情况。
发现问题及时向部门反馈,以便处理。
6、按各型抽油机的润滑要求与规定进行润滑作业。
7、清洗减速箱呼吸阀。
8、检查、校正电动机皮带轮与减速器皮带轮的平行度,检查皮带松紧程度,不合适进行调整;皮带损坏要及时更换。
9、检查、紧固曲柄销螺母,驻头销连接销,中央轴承座螺栓等关键部件。
10、检查、紧固、调整其他各部件连接。
11、检查刹车是否灵活好用,必要时进行调整。
12、对中轴轴承、尾轴轴承、曲柄销子轴承、驴头固定销子等处加注润滑脂。
13、检查悬绳、有起刺、断股现象应更换;检查后悬挂配重完好。
14、对电气装置进行一级保养。
02抽油机保养(一保)操作规程抽油机保养(一保)操作规程一、适用范围本规定适用于抽油机一保安全操作规程。
二、风险提示及防范措施风险提示防范措施人身伤害机械伤害禁止站在曲柄旋转范围之内操作前,确认刹车灵活好用、牢固可靠停机后,切断电源,拉紧刹车,上机操作必须锁好刹车保险装置砸伤工具正确使用,平稳操作,严禁抛扔严禁交叉作业触电操作前,必须先用试电笔检查配电箱外壳是否带电人站侧面并戴绝缘手套进行送、断电操作高空坠落2m以上高空作业必须系好安全带跌落及时清理杂物、冰雪,操作平台牢固可靠,防止绊倒、滑到、摔伤设备损坏启动抽油机时刹车保险装置必须全部打开,严禁出现憋电机现象利用曲柄惯性启抽,严禁逆向启抽,防止烧坏电机三、操作前准备1、工具、用具、材料准备(1)600mm管钳1把,300mm、375mm、450mm活动扳手各1把,300mm平口螺丝刀1把,手锤、润滑脂枪及抽油机专用工具。
(2)钳形电流表、安全带、绝缘手套,试电笔,禁止合闸指示牌。
(3)润滑脂、清洗油、砂纸、擦布、接污垫。
(4)笔,记录本。
2、劳保用品准备齐全,穿戴整齐。
四、操作步骤依据一级保养作业的内容(即紧固、润滑、调整、清洗、防腐)和机械保养“十字作业法”进行作业施工;每月进行一次保养(每次保养间隔25d以上),即运转720h以后进行保养。
1、检查井口、抽油机设备齐全,流程正确,无渗漏。
2、用试电笔检查配电箱外壳不带电,试刹车灵活可靠。
3、停机(停在便于操作位置),刹紧刹车,切断电源,锁紧刹车保险装置。
4、用试电笔检查终端电控箱外壳不带电,切断终端杆电控箱电源,测电源出线端无电,挂“禁止合闸”警示牌。
5、按照“紧固、润滑、调整、清洗、防腐”十字作业法进行一级保养作业。
(1)紧固①对抽油机各部位的固定螺丝逐一检查紧固,关键部位如曲柄销冕形螺母、中轴承、尾轴承、底座及平衡块、电机、减速箱固定螺丝进行重点紧固,曲柄销冕形螺母处做安全检查线。
②检查驴头、中轴承、电动机顶丝无缺损、松动现象。
一级保养实施计划
一、指导思想
随着采油厂标准化发展的进一步深入,采油队认真贯彻降本增效,保证设备正常运行,紧紧围绕安全生产,紧贴生产实际,进一步提高广大职工设备维护意识,提高全大队职工整体素质,
二、保养主题
增强职工操技能和业务水平。
三、培训时间
2019年3月
四、培训地点:
采油队各区队
五、培训课目:
抽油机一级保养
六、培训参加人员:
培训人员组织:设备员、采油队各区队长)
培训人:
培训对象:
七、培训内容:
一级维护:
1、检查抽油机基础是否牢固,有无下沉移位;底座螺栓、中央轴承座、游梁轴承座的紧固螺母是否松动。
2、检查减速器轴承盖及轴头密封、减速器合箱面、排油孔丝堵是否漏油。
3、检查减速器及各部轴承应无异常声响;
4、检查曲柄销锁紧螺母是否松动,脱扣;
5、检查钢丝绳有无断股或绳帽松动;
6、检查刹车机构的可靠性。
曲柄在任何位置,应保证刹车均能可靠地制动。
松开刹把后,刹车毂与刹带(或刹块)不得有任何接触,最小间隙为1.5—2mm。
7、检查各润滑点,及时补充润滑剂。
8、检查胶带的张紧是否适当。
在胶带中点用一只手压0.15—0.2kN 力,胶带下垂30—50mm为合适。
V型胶带应保证电动机皮带轮输入轴皮带轮不共平面不大于1mm (用拉线目测)。
9、检查抽油机的平衡情况并调整平衡。
10、检查电机及电控箱,有问题及时检修。
八、后期工作
1.制作资料归档。
采油队
2019年3月。
塔架式抽油机保养规程一、保养等级的划分1、例行保养(每天)2、一级保养(720h)3、二级保养(4000h)二、保养周期、内容、标准(一)例行保养正常运转时每天要例行保养一次:1、检查抽油机有无异响;2、检查抽油机基础有无下沉、移位;3、检查皮带有无断股,是否偏磨;4、检查设备各个部位有无损坏;5、检查抽油机震动情况,震动大的进行调整;6、检查地脚螺栓防松线是否松动。
(二)一级保养累计运转720小时,必须对设备进行一级保养,其作业内容如下:1、完成例行保养的各项内容;2、检查抽油机在基础上的紧固情况,确保抽油机在基础上没有移动;3、定期检查悬点负荷和平衡效应,确保抽油机不超载,并在最佳平衡条件下运转;4、加注润滑油脂(脂或更换润滑油);5、检查制动器刹车片的磨损情况,并进行调整,定期润滑刹车系统各环节;6、检查并调整驱动带和配重带的松紧程度;7、检查并拧紧所有连接件,如:光杆卡瓦螺栓、皮带连接处等;8、检查电器设备是否可靠;9、检查减速器的齿面和轴承润滑与磨损情况;10、检查整机运转的平稳性;11、检查配重箱的水平,如发现倾斜度超过3mm,应进行皮带或配重钢丝绳的调整;12、检查抽油机的平衡情况,调整平衡块,使抽油机达到平衡运转;13、控制柜各进出线孔处补充防爆胶泥。
(三)二级保养累计运转4000小时,必须对设备进行二级保养,其作业内容如下:1、完成一级保养的各项内容;2、紧固各部位地脚螺丝、减速箱固定螺丝、支架固定螺丝;3、由维修人员对电机及电器设备的绝缘、线路接头、连接等处和电机的润滑情况进行全面检查,如不符合要求应进行全面整修;4、检查减速箱检查盖密封垫是否完好,回流电机是否运转正常,如不完好进行更换,清洗减速箱呼吸器;5、检查减速箱各密封面是否漏、渗油,机油是否变质、检查减速箱齿轮有无点蚀、擦伤及裂纹等损坏现象;6、用试电笔或手背轻触配电箱外壳检验是否漏电,检查配电箱和抽油机的接地线与接地扁铁连接是否可靠、配电箱各电器元件及线路连接是否完好、配电箱和电机间电缆的固定和连接是否良好。
抽油机一级保养规范
注意事项
1.严格按照一级保养周期700~800h进行保养。
2.用手锤检查螺丝紧固时必须敲击螺栓正面,不得敲击棱角,不得逆时针敲击。
3.检查减速箱机油时,一定要注意检查其呼吸阀畅通情况。
4.启抽或停抽时人要侧身操作,操作时戴绝缘手套。
5. 启动抽油机时,严禁抽油机附近站人和有障碍物。
6. 雨雪天要防止电器设备漏电伤人。
7. 检查抽油机曲柄、皮带轮等转动部位防护装置是否齐全、完好,防止曲柄及皮带轮转动部位造成人员伤害。
8. 检查皮带松紧度时严禁手握皮带,以免夹伤手指。
9. 操作刹车锁片时,防止刹车锁片夹伤手。
10.上抽油机操作时不能携带工具,必须用工具袋装好,用绳子吊运,防止工具坠落伤人。
11. 高空作业时脚下要站稳,登高作业超过2m以上必须系好安全带,悬挂高度以高于身高、拉紧为原则,所用工具必须拴牢,以免造成高空坠落事故。
12. 使用工具时要轻拿轻放,避免敲击和碰撞;操作要平稳,规格型号要配套,防止打滑。
13.操作时和操作结束后,必须确认流程正确,观察压力正常后方可进行或离开。
14、一级保养的主要内容就是“十字作业”,即紧固、润滑、防腐、调整、清洁。
准备工作
1.劳保用品准备齐全,穿戴整齐
2.工具、用具、材料准备:300mm、375mm、450mm活动扳手各1把,0.75kg手锤1把,试电笔一支,螺丝刀一把,600mm管钳1把,黄油枪1把,安全带2副, 缘手套1副, 钢刷子、毛刷子各1把,工程细线5m,吊线锤1个,清洗桶1只,清洗油适量,黄油适量,机油壶1个,机油适量,测量板一个,直尺一个,棉纱少许,砂纸1张,纸、笔各一。
操作步骤
1.检查抽油机刹车锁块是否在行程的1/2-2/3之间,各连接部位完好,灵活好用。
2.用验电笔检测电控柜外壳,确认安全无电。
用戴有绝缘手套的手侧身按空气开关停抽,使驴头停在下死点,刹紧刹车,合上刹车锁片。
一人系好安全带上驴头,两人配合检查驴头对中情况。
3、打开刹车锁片,缓慢松刹车,当驴头运行到便于操作的位置时(稍高于上死点的位置),刹紧刹车,合上刹车锁片。
4、检查并紧固各部分固定螺栓。
检查并紧固基础固定螺栓、检查并紧固支架固定螺栓、检查并紧固平衡块固定螺栓、检查并紧固平衡块锁块固定螺栓、检查并紧固曲柄销子和曲柄轴固定螺栓、检查并紧固连杆固定螺丝、检查并紧固减速箱固定螺栓、检查并紧固刹车装
置部分固定螺栓、检查并紧固皮带轮、连杆销子锁片固定螺栓、检查并紧固电机固定螺栓,一人系好安全带上抽油机,将安全绳挂在抽油机护栏上,两人配合,用工具袋把工具吊上操作台,检查并紧固中轴固定螺栓、检查并紧固尾轴固定螺栓。
5、检查各润滑部位的润滑情况,并加足润滑油,检查曲柄销轴轴承的黄油量和油质,加注黄油,检查中轴承润滑情况,并加注黄油,检查尾轴承润滑情况,并加注黄油。
给毛辫子摸黄油。
检查刹车系统各润滑点润滑情况并加注机油。
检查并调节刹车片的张合度(标准间隙为3-5mm),检查并调整刹车行程,刹车应在刹车行程的1/2~2/3之间,检查刹车是否灵活好用。
6、检查减速箱机油是否足够,是否变质,卸掉减速箱检视孔盖板螺栓,取下盖板,检查齿轮啮合情况,检查油位及机油是否变质,若机油不够或变质需要加足或更换,清洗减速箱盖板和呼吸阀,检查呼吸阀畅通情况,安装好检视孔盖板。
7、检查皮带松紧度(双手重叠向下压皮带2-3次,压下1-2cm 为合格吧),检查皮带轮“四点一线”。
8、清洗:用毛刷或棉纱清除抽油机外部油污。
9、检查配电箱内元件、线路是否完好。
10、防腐:对脱漆、生锈部位进行除锈防腐处理。
11、保养结束后,清除抽油机周围障碍物,取出刹车锁片,缓慢松刹车,用试电笔检测电控柜外壳,确认安全无电,用戴有绝缘手套的手侧身送电,利用曲柄惯性点式法二次启动抽油机。
12、收拾并擦干净工具、用具,清理现场,将作业内容和停抽时间记入设备维修保养记录和班报表。