无圆角半径直角弯曲件展开长度的计算
- 格式:pdf
- 大小:67.96 KB
- 文档页数:2
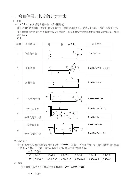
一、弯曲件展开长度的计算方法
1 板材
⑴r/t<0.5时(r为折弯内圆半径,t为材料厚度)
对于r/t<0.5的弯曲件,变形区截面变形严重,厚度减薄量大且不安定因素稳定,很难计算展开长度,通常依据体积不变条件求出展开长度的理论公式,在考虑直边伸长变形和板厚减薄等影响因素,适当进行修正:
表1
⑵r/t>0.5时
弯曲件展开长度为直线段与弯曲段之总和L=a+b+C,直边a、b长度不变,弯曲段C的长度按中性层计算C=ω/180π(r+Kt)其中ω为弯曲角度,K为中性层位移系数。
表2 K值表
⑶卷圆
卷圆的展开长度也按中性层位移系数计算,L=A+a/180π(r+Kt)
表3 K值表
2铁线
⑴r/d<0.5时(r为折弯内圆半径,d为线径)
铁线的展开长度计算沿用板材的方法(见表1);
⑵r/d>0.5时
展开长度也按中性层位移系数计算
表4 K值表
3管材:
管材的弯曲工艺性差,中性层系数难以准确确定且r/d的值远大于0.5,所以让中性层系数K=0.5,展开长度就等于管的中心线长度。
弯曲零件展开料长的计算第一节钢板(扁钢、圆钢、钢管)弯曲时展开料长的计算钢板、扁钢、圆钢、钢管的弯曲形式、展开料长的计算方法基本相同。
因此,下面均以钢板弯曲零件为例,来说明它们之间计算料长的方法。
一.圆角弯曲零件展开料长的计算(一)圆角部分展开料长的计算图4—1甲所示是一块准备进行弯曲的钢板,在它的侧面画上正方形网格,及Ⅰ—Ⅰ弯曲始线和Ⅱ—Ⅱ弯曲终线,然后通过一定的外力,使钢板弯曲成一个90°圆角零件(图4—1乙),从这一现象出发,我们就不难作出如下几点分析:1.钢板经过弯曲后,只在圆角部分产生变形,直线部分不产生变形。
2.圆角弯曲部分的变形,在O—·—O线的内侧与外侧是不相同的,内侧为压缩缩短变形,外侧为拉伸伸长变形。
压缩与拉伸时外层变形量最大,同时并向O—·—O线逐渐减少。
甲图4-1 板料弯曲过程甲——未弯曲前的板料3.钢板经过弯曲后,其中总有一层材料的长度不发生变化(即图中O—·—O线),这层叫中性层,这一层很重要。
弯曲零件圆角部分的展开料长,即按此层材料的长度来确定。
中性层位置的改变与弯曲半径R内和板料厚度t的比值大小有关,若5tR内时,中性层位置近似于板料厚度t的二分之一(即与板料中心层相重合),若5≤tR 内时,中性层位置即向板厚中心内侧一边移动。
在各种不同情况下,中性层位置移动系数X 0的数值列于表4—1。
4. 由于在实际工作中,弯曲零件的弯曲半径及弯曲角度有以下几种不同的标注方法:弯曲半径包括有内弧圆角半径(表4—2图例1)、外弧圆角半径(表4—2图例2)及圆角中径(表4—2图例3)三种标注方法。
弯曲角度包括有α及β(表4—2图例3、4)两种标注方法。
所以计算时须注意,切勿搞错。
现将各种不同标注情况下圆角部分展开料长的计算公式列于表4—2。
0 注: 表中R 内—弯曲零件内弧圆角半径; t —板料厚度。
圆角部分展开料长的计算公式 表4—2续表4—2续表4—2例如:C 50型货车的角柱是90°圆角弯曲零件,如图4—2所示,求其圆角部分展开料长是多少?解:从图中得知,半径R 外=30毫米, 板厚t=10毫米;则2101030=-=-=tt R tR 外内, 查表4—1中2=tR 内时,中性层位置移动系数37.00=x ,因此求其圆角部分的展开料长时,即可代入表4—2图例2中的计算公式。
弯曲件的尺寸展开
1)、R>0.5t的弯曲件(按中性层不变计算)
L=L1+L2+ π/2(r+kt)
T——材料厚度
K——补偿系数(见下表)
2). R<0.5t的弯曲件,根据经验计算:
L=L1+L2+K t
K=0.35~0.45(一般公司取0.4)
3)根据我们的经验,无论内R为多少,都可以按中心层不变原理展开,其公式同上,即:
L=L1+L2+ π/2(r+kt)
当内r=0mm时,模具设计时取:
r = 0.3 t
再用电脑展开,其展开参数同上表。
1)出现“Z”形弯曲时,要根据模具结构、材料的厚度和材料的硬度,由模具设计工程师根据经验适当的增加偿
值。
对于有些情况无法展开准确,而产品要求又特别的高的情况下,在模具设计时应做适当的处理,尽可能在更改切料尺寸时不用再加工模板。
举例说明弯曲零件的展开长度计算2005-9-17作成:CRD 陈永生P1/6一、意义冲压模具设计过程中经常需要将产品弯曲部分展平成展开形状;展开形状尺寸确定得准确与否直接涉及模具零部件的设计,所以零件展开长度的计算是设计过程中一个很重要的环节,应力求准确。
二、说明⒈中性层概念中性层是指工件在弯曲前、后两种状态下,弯曲剖面纤维长度保持不变的那层金属层。
(见图一)L1——弯曲前长度L2——弯曲后中性层弧长t ——材料厚度r ——弯曲内圆角半径ρε——中性层半径(图一)弯曲件中性层位置⒉弯曲部分展开原则(见图一)弯曲部分展开原则是:弯曲部分弯曲前长度L1与弯曲后中性层长度L2相等,即:L1=L2⒊中性层的确定方法中性层半径按下式计算(见图一)ρε=r+x *t⌒⌒⌒2005.10.9 10:31:17CRD'05.10.09張国平ρε——中性层半径t——材料厚度r——弯曲内圆角半径X——中性层位移系数(见图二)(图二)中性层位移系数X值三、弯曲件毛坯尺寸计算根据弯曲件结构形状不同、弯曲圆角半径不同和弯曲方法不同,毛坯尺寸的计算方法也不同。
㈠弯曲件r≥0.5t(r--内圆角半径 t--材料厚度)时毛坯尺寸的计算⒈如(图三)示工件,各处r≥0.5t;展开长度是以弯曲前、后中性层长度不变为原则计算,即:中性层长=展开长度用下式表示:L=∑L直+∑L弯=∑L直+∑[(π*α°/180°)*(r+x*t)]L——弯曲件展开长度(mm)∑L直——弯曲件各直线段长度之和(mm)∑L弯——弯曲件各弯曲部分中性层长度之和(mm)α——弯曲部分角度(°)t——材料厚度(mm)r——内圆角半径(mm)(图三)r ≥0.5t 弯曲件⒉示例求(图四)示毛坯展开长度,料厚t=2(图四)毛坯展开长度示例解:①L 直=L 1+L 2+L 3=17+20+15=52②r 1=3 t =2 则 r 1/t =1.5 查(图二)得 x 1=0.36③r 2=5 t =2 则 r 2/t =2.5 查(图二)得 x 2=0.39④L 弯=(π*90°/180°)*(r 1+x 1*t )+(π*90°/180°)*(r 2+x 2*t )L 弯=14.9⑤展开长L=L 直+L 弯=66.9㈡弯曲件r <0.5t (r--内圆角半径 t--材料厚度)时毛坯尺寸的计算小圆角(r <0.5t)或无圆角弯曲件的毛坯长度是根据弯曲前、后材料体积不变的原则计算的,但考虑弯曲变形区材料变薄严重,展开长度按下式计算:L=∑L 直+K ntL——弯曲件展开长度(mm )∑L 直——弯曲件各直线段长度之和(mm)n ——弯角的数量t ——材料厚度(mm )K ——系数K 值确定方法:单角弯曲时 K=0.48-0.5软材料取下限(如铜、铝)双角弯曲时 K=0.45-0.48硬材料取上限(如不锈钢)多角弯曲时 K=0.125-0.25为了方便,在(图五)中列出了常见的毛坯展开(r ﹤0.5t )计算经验公式(图五)r ﹤0.5t 时毛坯展开经验公式}㈢铰链式弯曲件及棒料弯曲件的展开计算又有别于上述方法;因胜美达不常见此两类产品,故这里不加阐述四、胜美达产品展开实例(图六)为胜美达产品HOOP-CEP788产品图,材料为铜料(牌号C5210-1/2H),料厚0.3mm,求弯曲处展开尺寸。
五金模具产品展开回单计算公式一、弯曲件展开长度计算。
1. 直角弯曲(90°弯曲)- 对于厚度为t的板料,弯曲内半径为r时,弯曲件展开长度L的计算公式为:- 当r/t≥0.5时,L = l_1 + l_2 - 0.4t,其中l_1和l_2分别为弯曲件直边部分的长度。
- 当r/t<0.5时,L = l_1 + l_2 - 0.5t。
2. 多角弯曲件。
- 对于有多个弯曲角的弯曲件,先分别计算每个弯曲部分的展开长度,然后将各直边部分长度相加。
例如,有两个90°弯曲角的弯曲件,内弯曲半径均为r,厚度为t,直边长度分别为l_1、l_2和l_3。
- 当r/t≥0.5时,展开长度L=l_1 + l_2 + l_3 - 2×0.4t。
- 当r/t<0.5时,展开长度L = l_1 + l_2 + l_3 - 2×0.5t。
二、拉伸件展开尺寸计算。
1. 无凸缘圆筒形拉伸件。
- 对于直径为d、高度为h、底部圆角半径为r的无凸缘圆筒形拉伸件,毛坯直径D的计算公式为:- D=√(d^2)+4dh - 1.72dr - 0.56r^{2}。
2. 有凸缘圆筒形拉伸件。
- 对于凸缘直径为d_f、筒部直径为d、筒部高度为h、底部圆角半径为r的有凸缘圆筒形拉伸件,毛坯直径D的计算公式为:- D=√(d_f)^2+4dh - 3.44dr - 0.56r^2。
三、翻边件展开尺寸计算。
1. 圆孔翻边。
- 对于圆孔翻边,预冲孔直径d_0的计算。
设翻边后孔的直径为D,翻边高度为h,材料厚度为t,翻边系数为K(K = d_0/D)。
- 当h≤(D - d_0)/2时,d_0 = D - 2h。
- 当h>(D - d_0)/2时,d_0 = D√(1 - frac{h){D}(1 - K)},其中翻边系数K一般根据材料的塑性和翻边工艺条件取值,常见材料的K值在手册中可查。
产品展开计算方法
一、展开计算原理
板料在弯曲过程中外层受到拉应力,内层受到压应力,从拉到压之间有一段不
受拉力又不受压力的过渡层—中性层,中性层在弯曲过程中的长度和弯曲前一样,保持不变,所以中性层的计算弯曲件展开的基准,中性层位置与变形程度有关。
当弯曲半径较大,折弯角度较小时,变形程度较小,中性层位置靠近板料厚度的中心处。
当弯曲半径变小,折弯角度增大时,变形程度随之增大,中性层位置逐渐向弯曲中心的内侧移动,中性层到板料内侧的距离用λ表示。
二、计算方法
1、R=0 θ=90
L=(A-T)+
=(A-T)+
=A+B-2T+K
K=λ*π
2、R≠0 θ=90
L=(A-T-R)
当R≥5T时
3T<R<
1T<R≤
0 <R≤
3、R=0 θ≠90
λ=T/3
L=(A-T*tan
(a
4、R≠0 θ≠
L=(A-(T+R
*tan(
当R≥5T时
3T<R<
1T<R≤
0 <R≤
MAX
展开与弯曲一致,圆角处展开按保留抽高为H=H MAX,
冷冲模设计指导规范备注:
A:标注公差的尺寸设计值,取上下极限尺寸的中间值作设计标准值。
B:孔径设计值,圆孔直径小数点取一位(以配合冲头加工方便性),例:3.81取3.9。
C:产品图中未作特别标注的圆角,一般按R=0展开。
附件1:常见抽牙预冲孔孔径一览表。
第三节弯曲件下料毛坯尺寸计算(!)弯曲件下料毛坯长度计算!)弯曲中性层系数材料弯曲时,在外层材料伸长和内层材料压缩之间存在一个长度保持不变的材料层,称为中性层。
中性层的弯曲半径!(图"#$#%%):图"#$#%%弯曲中性层&)板料弯曲’)圆杆件弯曲!(!)*"!式中!)———内弯曲半径;!———材料厚度;"———中性层系数(表"#$#%)、"#$#%!)。
在不同弯曲情况下分别用"!、"%、""、"+表示:"!(#)、"%($)、""(%)分别表示,形弯曲、-形弯曲和卷圆时的中性层系数;"+表示圆杆件弯曲中性层系数。
表"#$#%)板料弯曲中性层系数!).&)/!)/%)/%$)/")/+)/$)/0)/1!/)"!(#))/"))/"")/"$)/"0)/"2)/"1)/"3)/+!)/+%"%($))/%")/%3)/"!)/"%)/"$)/"2)/"1)/+))/+!""(%)—————!!!!!!!!!!!!!!!!!!!!!!!!!!!!!!!!!!!!!!!!!!!!!!!!!!!!)/2%)/2))/02)/0"!)&!/%!/$!/1%"+$01"!(#))/+")/+$)/+0)/+0)/+2)/+1)/+1)/+3)/$)"%($))/+%)/++)/+$)/+$)/+0)/+2)/+1)/+3)/$)""(%))/$3)/$0)/$%)/$)"1$"第五章弯曲件尺寸的计算表!"#"$%圆杆件弯曲中性层系出!&"!%’#%&’#&’$##(&’#&’#%&’#!&’##$)毛坯长度计算公式(图!"#"$!)毛坯长度可分成直线段和圆弧段两个部分。
计算方式分为两种情况,具体分析如下:一,R角相对壁厚很小的情况下按照折弯扣除算比如1个厚度扣除1.75(每个公司的一般根据具体经验定)2个厚度扣除3.5等。
二,R角很大时,以中位线(即内外两条线的中心线)作为展开尺寸。
扩展资料:钣金折弯跟展平时,材料一侧会被拉长,一侧被压缩,受到的因素影响有:材料类型、材料厚度、材料热处理及加工折弯的角度。
PROE折弯系数计算公式:PROE在进行钣金的折弯和展平时,会自动计算材料被拉伸或压缩的长度。
计算公式如下:L=0.5π×(R+K系数×T)×(θ/90)L: 钣金展开长度(Developed length)R: 折弯处的内侧半径(Inner radius)T: 材料厚度θ: 折弯角度Y系数: 由折弯中线(Neurtal bend line)的位置决定的一个常数,其默认值为0.5(所谓的“折弯中线”)。
可在config中设定其默认值initial_bend_factor在钣金设计实际中,常用的钣金展平计算公式是以K系数为主要依据的,范围是0~1,表示材料在折弯时被拉伸的抵抗程度。
与Y系数的关系如下Y系数=(π/2)×k系数。
90度折弯的计算公式:钣金展开图的计算是要用一个系数来计算的,这个系数一般都用1.645!计算方法是工件的外形尺寸相加,再减去1.645*板厚*弯的个数,例如,折一个40*60的槽钢用板厚3的冷板折,那么计算方法就是40+40+60(外形尺寸相加)—1.645(系数)*3(板厚)*2(弯的个数)=130.13(下料尺寸)一般6毫米之内都是这样计算的了一般铁板0.5—4MM之内的都是A+B-1.6T。
(A,B代表的是折弯的长度,T就是板厚. 例如用2.5mm的铁板折180mm*180mm的直角,那么你下的料长就是180mm+180mm 再减去2.5mm*1.6也就是4mm就好了,也就是356mm1 90°折弯(一般折弯)展开的长度为:L=LL+LS-2t +系数a 系数a的经验值如下表压死边如图11。
运用冲压展开系数计算折弯展开尺寸A:直边长度(两边为A1、A2) R:折弯内R大小T:材料厚度P:折弯展开系数W:内R弯曲角度π:3.1416则:展开后展开长度为L=A1+A2+W/360*2*3.1416*R*P说明:现在一般客户提供的都是DWG或DXF文档格式,也有提供PRO E文档格式的,还有提供PDF文档格式的,不管是哪种格式,都可以用软件测出A直边长度、内R大小、T材料厚度、内R弯曲角度,只有弯曲系数是由模具设计者从折弯系数表中进行选择,只要折弯展开系数确定准确,最后产品设计尺寸才会保证准确。
折弯系数就是板材在折弯以后被拉伸的长度.材料不同,板厚不同,采用的折弯模具不同,折弯系数也不同。
折弯展开系数就是有经验的模具设计师,根据多年的设计经验反复验证而总结出来的数据化的东西,后来的模具设计师可以直接套入计算公式就可以得到折弯结构的展开平板尺寸了。
基于此点,冲压折弯展开系数就是为了模具设计师计算展开尺寸而总结的,不管是哪个模具设计者都可以加以利用。
当拿到客户提供的产品零件图纸开始设计模具图纸时,第一步就是要将折弯结构以逆向方式一步一步展开成平板结构,平板结构部分再运用冲裁方式进行冲压,而折弯结构则是在冲裁成的结构基础上通过设计折弯模具结构,从而达到客户要求的弯曲结构。
作为一个模具设计者来说,设计模具当然不仅仅只考虑客户图纸要求的结构就行了,还需要达到客户图纸要求的尺寸公差要求,即精度也要达到客户的需求。
在这里最难以保证也最考验模具设计师的就是冲压折弯展开相关尺寸的准确度了。
而冲压折弯展开系数就是有经验的模具设计师,根据多年的设计经验反复验证而总结出来的数据化的东西,后来的模具设计师可以直接套入计算公式就可以得到折弯结构的展开平板尺寸了。
基于此点,冲压折弯展开系数就是为了模具设计师计算展开尺寸而总结的,不管是哪个模具设计者都可以加以利用。
钢板折弯展开长度计算方法
钢板折弯展开长度计算方法:
一、内容
1、定义:钢板折弯展开长度是指将整个折弯长度按照一定的折痕折叠展开后的总长度。
2、计算公式:展开长度=原始折弯长度+2X(弯曲半径+弯曲深度)X 弯曲次数。
二、步骤
1、计算折弯半径:首先按照折弯长度、弯曲角度、弯曲深度计算折弯半径。
2、计算钢板折弯的展开长度:将折弯的原始长度加上圆弧的折痕,加上半径与深度乘以弯曲次数求得。
三、注意事项
1、当钢板反复折弯操作时,展开计算时需要考虑其他反复折弯的参数
以便准确计算。
2、折弯金属弹性变形极限值时,钢板在折弯过程中会发生变形,对折弯展开计算有一定影响,因此在折弯展开长度计算中,应适当加大设计值,增强安全性。
3、圆柱圆台折弯长度计算时也应注意:“非连续圆弧折弯”的直边和“连续折弯圆弧”的两个弧段的总长度之和,构成本折弯长度。