盘扣式满堂楼板模板支架计算书
- 格式:doc
- 大小:72.00 KB
- 文档页数:7
板模板(盘扣式)计算书计算依据:1、《建筑施工模板安全技术规范》JGJ162-20082、《建筑施工承插盘扣式钢管支架安全技术规范》JGJ 231-20103、《混凝土结构设计规范》GB50010-20104、《建筑结构荷载规范》GB 50009-20125、《钢结构设计规范》GB 50017-2003一、工程属性平面图纵向剖面图横向剖面图四、面板验算W=bt2/6=1000×152/6=37500mm3I=bt3/12=1000×153/12=281250mm4承载能力极限状态q1=γG b(G1k+(G2k+G3k)h0)+γQ bQ1k=1.2×1×(0.1+(24+1.1)×0.425)+1.4×1×3=17.121kN/mq1静=γG b(G1k+(G2k+G3k)h0)=1.2×1×(0.1+(24+1.1) ×0.425)=12.921kN/m正常使用极限状态q=γG b(G1k+(G2k+G3k)h0)+γQ bQ1k=1×1×(0.1+(24+1.1) ×0.425)+1×1×3=13.768kN/m 1、强度验算M max=0.125q1l2=0.125×17.121×0.22=0.086kN·mσ=M max/W=0.086×106/37500=2.293N/mm2≤[f]=16.83N/mm2满足要求!2、挠度验算νmax=5ql4/(384EI)=5×13.768×2004/(384×9350×281250)=0.109mmνmax=0.109 mm≤min{200/150,10}=1.333mm满足要求!五、小梁验算承载能力极限状态q1=γG l(G1k+(G2k+G3k)h0)+γQ lQ1k=1.2×0.2×(0.3+(24+1.1)×0.425)+1.4×0.2×3=3.472kN/m正常使用极限状态q=γG l(G1k+(G2k+G3k)h0)+γQ lQ1k=1×0.2×(0.3+(24+1.1)×0.425)+1×0.2×3=2.794kN/m按二等跨梁连续梁计算,又因小梁较大悬挑长度为400mm,因此需进行最不利组合,计算简图如下:1、强度验算σ=M max/W=0.278×106/28583=9.726N/mm2≤[f]=12.87N/mm2满足要求!2、抗剪验算V max=1.634kN3V max/(2bh0)=3×1.634×1000/(2×35×70)=1N/mm2≤[τ]=1.386N/mm2 满足要求!3、挠度验算νmax=1.433mm≤[ν]=min[l a/150,10]=min[900/150,10]=6mm满足要求!4、支座反力承载能力极限状态R1=3.022kNR2=2.978kNR3=3.022kN正常使用极限状态R1ˊ=2.43kNR2ˊ=2.395kNR3ˊ=2.43kN六、主梁验算承载能力极限状态R=max[R1,R2,R3]/2=max[3.022,2.978,3.022]/2=1.511kN 正常使用极限状态Rˊ=max[R1ˊ,R2ˊ,R3ˊ]/2=max[2.43,2.395,2.43]/2=1.215kN 计算简图如下:1、抗弯验算σ=M max/W=0.907×106/4490=202.004N/mm2≤[f]=205N/mm2 满足要求!2、抗剪验算V max=3.247kN2V max/A=2×3.247×1000/424=15.316N/mm2≤[τ]=125N/mm2 满足要求!3、挠度验算νmax=3.102mm≤[ν]=min[l a/150,10]=min[900/150,10] =6mm 满足要求!七、立柱验算l01=hˊ+2ka=1200+2×0.7×650=2110mml02=ηh=1.2×1200=1440mm取两值中的大值l0=2110mmλ=l0/i=2110/15.9=132.704≤[λ]=150长细比满足要求!2、立柱稳定性验算不考虑风荷载顶部立杆段:λ1=l01/i=2110/15.9=132.704查表得,υ=0.292N1=[γG(G1k+(G2k+G3k)h0)+γQ Q1k]l a l b=[1.2×(0.5+(24+1.1)×0.425)+1.4×3]×0.9×0.9=14.25 7kNf=N1/(υ1A)=14.257×103/(0.292×424)=115.154N/mm2≤[σ]=200N/mm2满足要求!非顶部立杆段:λ2=l02/i=1440/15.9=90.566查表得,υ=0.55N2=[γG(G1k+(G2k+G3k)h0)+γQ Q1k]l a l b=[1.2×(1.05+(24+1.1)×0.425)+1.4×3]×0.9×0.9=14.7 91kNf=N2/(υ2A)=14.791×103/(0.55×424)=63.426N/mm2≤[σ]=200N/mm2满足要求!考虑风荷载M w=ψc×γQωk l a h2/10=0.9×1.4×0.15×0.9×1.22/10=0.024kN·m顶部立杆段:N1w=[γG(G1k+(G2k+G3k)h0)+ψc×γQQ1k]l a l b+M w/l b=[1.2×(0.5+(24+1.1)×0.425)+0.9×1.4×3]×0.9×0.9+0.024/0.9=13.943kNf=N1w/(υ1A)+M w/W=13.943×103/(0.292×424)+0.024×106/4490=117.963N/mm2≤[σ]=20 0N/mm2满足要求!非顶部立杆段:N2w=[γG(G1k+(G2k+G3k)h0)+ψc×γQQ1k]l a l b+M w/l b=[1.2×(1.05+(24+1.1)×0.425)+0.9×1.4×3]×0.9×0.9+0.024/0.9=14.478kNf=N2w/(υ2A)+M w/W=14.478×103/(0.55×424)+0.024×106/4490=67.429N/mm2≤[σ]=200N /mm2满足要求!八、可调托座验算N =14.257kN≤[N]=40kN满足要求!九、抗倾覆验算混凝土浇筑前,倾覆力矩主要由风荷载产生,抗倾覆力矩主要由模板及支架自重产生M T=ψc×γQ(ωk L a Hh2+Q3k L a h1)=0.9×1.4×(0.15×167.4×3.6×6+0.55×167.4×4)=1147.427k N.mM R=γG G1k L a L b2/2=1.35×1.05×167.4×84.22/2=841148.565kN.mM T=1147.427kN.m≤M R=841148.565kN.m满足要求!混凝土浇筑时,倾覆力矩主要由泵送、倾倒混凝土等因素产生的水平荷载产生,抗倾覆力矩主要由钢筋、混凝土、模板及支架自重产生M T=ψc×γQ(Q2k L a H+Q3k L a h1)=0.9×1.4×(0.25×167.4×3.6+0.55×167.4×4)=653.864kN.mM R=γG[G1k+(G2k+G3k)h0]L a L b2/2=1.35×[1.05+(24+1.1)×0.425]×167.4×84.22/2=9386817. 443kN.mM T=653.864kN.m≤M R=9386817.443kN.m满足要求!十、立杆支承面承载力验算11、受冲切承载力计算根据《混凝土结构设计规范》GB50010-2010第6.5.1条规定,见下表h t0u m =2[(a+h0)+(b+h0)]=2320mmF=(0.7βh f t+0.25σpc,)ηu m h0=(0.7×1×1.43+0.25×0)×1×2320×480/1000=1114.714kN≥F1=14.478kN m满足要求!2、局部受压承载力计算根据《混凝土结构设计规范》GB50010-2010第6.6.1条规定,见下表c cβl=(A b/A l)1/2=[(a+2b)×(b+2b)/(ab)]1/2=[(300)×(300)/(100×100)]1/2=3,A ln=ab=10000mm2F=1.35βcβl f c A ln=1.35×1×3×14.3×10000/1000=579.15kN≥F1=14.478kN满足要求!。
板模板(盘扣式)计算书计算依据:1、《建筑施工承插型盘扣式钢管支架安全技术规程》JGJ231-20102、《建筑施工模板安全技术规范》JGJ162-20083、《混凝土结构设计规范》GB 50010-20104、《建筑结构荷载规范》GB 50009-20125、《钢结构设计规范》GB 50017-2003一、工程属性二、荷载设计三、模板体系设计设计简图如下:模板设计平面图纵向剖面图横向剖面图四、面板验算按三等跨连续梁,取1m单位宽度计算。
W=bh2/6=1000×12×12/6=24000mm3,I=bh3/12=1000×12×12×12/12=144000m m4承载能力极限状态q1=[1.2×(G1k+(G2k+G3k)×h)+1.4×Q1k]×b=[1.2×(0.1+(24+1.1)×0.15)+1.4×3]×1=8.838kN/mq1静=[γG(G1k +(G2k+G3k)h)b] = [1.2×(0.1+(24+1.1)×0.15)×1]=4.638kN/mq1活=(γQ×Q1k)×b=(1.4×3)×1=4.2kN/m正常使用极限状态q=(γG(G1k +(G2k+G3k)×h)+γQ×Q1k)×b=(1×(0.1+(24+1.1)×0.15)+1×3)×1=6.865kN/m计算简图如下:1、强度验算M max=0.1q1静L2+0.117q1活L2=0.1×4.638×0.32+0.117×4.2×0.32=0.086kN·m σ=M max/W=0.086×106/24000=3.582N/mm2≤[f]=16.83N/mm2满足要求!2、挠度验算νmax=0.677ql4/(100EI)=0.677×6.865×3004/(100×9350×144000)=0.28mm νmax=0.28mm≤min{300/150,10}=2mm满足要求!五、小梁验算q1=[1.2×(G1k+(G2k+G3k)×h)+1.4×Q1k]×b=[1.2×(0.3+(24+1.1)×0.15)+1.4×3]×0.3=2.723kN/m 因此,q1静=1.2×(G1k+(G2k+G3k)×h)×b=1.2×(0.3+(24+1.1)×0.15)×0.3=1.463kN/mq1活=1.4×Q1k×b=1.4×3×0.3=1.26kN/m计算简图如下:1、强度验算M1=0.125q1静L2+0.125q1活L2=0.125×1.463×1.22+0.125×1.26×1.22=0.49kN·m M2=q1L12/2=2.723×0.12/2=0.014kN·mM max=max[M1,M2]=max[0.49,0.014]=0.49kN·mσ=M max/W=0.49×106/42670=11.488N/mm2≤[f]=12.87N/mm2满足要求!2、抗剪验算V1=0.625q1静L+0.625q1活L=0.625×1.463×1.2+0.625×1.26×1.2=2.043kNV2=q1L1=2.723×0.1=0.272kNV max=max[V1,V2]=max[2.043,0.272]=2.043kNτmax=3V max/(2bh0)=3×2.043×1000/(2×40×80)=0.957N/mm2≤[τ]=1.39N/mm2 满足要求!3、挠度验算q=(γG(G1k+(G2k+G3k)×h)+γQ×Q1k)×b=(1×(0.3+(24+1.1)×0.15)+1×3)×0.3=2.119kN/m挠度,跨中νmax=0.521qL4/(100EI)=0.521×2.119×12004/(100×8415×170.67×104)=1. 594mm≤[ν]=min(L/150,10)=min(1200/150,10)=8mm;悬臂端νmax=ql14/(8EI)=2.119×1004/(8×8415×170.67×104)=0.002mm≤[ν]=min(2×l/150,10)=min(2×100/150,10)=1.333mm1满足要求!六、主梁验算1、小梁最大支座反力计算q1=[1.2×(G1k+(G2k+G3k)×h)+1.4×Q1k]×b=[1.2×(0.5+(24+1.1)×0.15)+1.4×3]×0.3=2.795kN/m q1静=1.2×(G1k +(G2k+G3k)×h)×b=1.2×(0.5+(24+1.1)×0.15)×0.3=1.535kN/m q1活=1.4×Q1k×b =1.4×3×0.3=1.26kN/mq2=(γG(G1k+(G2k+G3k)×h)+γQ×Q1k)×b=(1×(0.5+(24+1.1)×0.15)+1×3)×0.3=2.179kN/m 承载能力极限状态按二等跨连续梁,R max=1.25q1L=1.25×2.795×1.2=4.193kN按悬臂梁,R1=2.795×0.1=0.28kNR=max[R max,R1]=4.193kN;正常使用极限状态按二等跨连续梁,R'max=1.25q2L=1.25×2.179×1.2=3.269kN按悬臂梁,R'1=q2l1=2.179×0.1=0.218kNR=max[R'max,R'1]=3.269kN;计算简图如下:主梁计算简图一2、抗弯验算主梁弯矩图一(kN·m)σ=M max/W=1.95×106/10330=188.746N/mm2≤[f]=205N/mm2满足要求!3、抗剪验算主梁剪力图一(kN)τmax=V max/(8I zδ)[bh02-(b-δ)h2]=9.487×1000×[40×602-(40-8)×522]/(8×309900×8)=27. 49N/mm2≤[τ]=125N/mm2满足要求!4、挠度验算主梁变形图一(mm)跨中νmax=1.911mm≤[ν]=min{1200/150,10}=8mm悬挑段νmax=0.668mm≤[ν]=min(2×150/150,10)=2mm满足要求!5、支座反力计算承载能力极限状态图一支座反力依次为R1=11.478kN,R2=17.873kN,R3=17.873kN,R4=11.478kN 七、可调托座验算按上节计算可知,可调托座受力N=17.873kN≤[N]=30kN满足要求!八、立柱验算1、长细比验算l01=hˊ+2ka=1000+2×0.7×450=1630mml0=ηh=1.2×1800=2160mmλ=max[l01,l0]/i=2160/15.9=135.849≤[λ]=150满足要求!2、立柱稳定性验算根据《建筑施工承插型盘扣式钢管支架安全技术规程》JGJ231-2010公式5.3.1-2:小梁验算q1=[1.2×(0.5+(24+1.1)×0.15)+1.4×0.9×3]×0.3 = 2.669kN/m同上四~六步计算过程,可得:R1=10.961kN,R2=17.067kN,R3=17.067kN,R4=10.961kN顶部立柱段:λ1=l01/i=1630.000/15.9=102.516查表得,φ=0.573不考虑风荷载:N1=Max[R1,R2,R3,R4]=Max[10.961,17.067,17.067,10.961]=17.098kN f= N1/(ΦA)=17098/(0.573×424)=70.376N/mm2≤[f]=205N/mm2满足要求!考虑风荷载:M w=γQφcωk×l a×h2/10=1.4×0.9×0.076×1.2×1.82/10=0.037kN·mN1w=Max[R1,R2,R3,R4]+M w/l b=Max[10.961,17.067,17.067,10.961]+0.037/1.2=17.098kN f= N1w/(φA)+M w/W=17098/(0.573×424)+0.037×106/4730=78.198N/mm2≤[f]=205N/mm2 满足要求!非顶部立柱段:λ=l0/i=2160.000/15.9=135.849查表得,φ1=0.371不考虑风荷载:N=Max[R1,R2,R3,R4]+γG×q×H=Max[10.961,17.067,17.067,10.961]+1.2×0.15×4.5=17. 877kNf=N/(φ1A)=17.877×103/(0.371×424)=113.646N/mm2≤[σ]=205N/mm2满足要求!考虑风荷载:M w=γQφcωk×l a×h2/10=1.4×0.9×0.076×1.2×1.82/10=0.037kN·mN w=Max[R1,R2,R3,R4]+γG×q×H+M w/l b=Max[10.961,17.067,17.067,10.961]+1.2×0.15×4 .5+0.037/1.2=17.908kNf=N w/(φ1A)+M w/W=17.908×103/(0.371×424)+0.037×106/4490=121.665N/mm2≤[σ] =205N/mm2满足要求!九、高宽比验算根据《建筑施工承插型盘扣式钢管支架安全技术规范》JGJ231-2010 第6.1.4: 对长条状的独立高支模架,架体总高度与架体的宽度之比不宜大于3 H/B=4.5/27=0.167≤3满足要求!十、抗倾覆验算混凝土浇筑前,倾覆力矩主要由风荷载产生,抗倾覆力矩主要由模板及支架自重产生M T=ψc×γQ(ωk L1Hh2+Q3k L1h1)=1×1.4×(0.076×45×4.5×3.9+0.55×45×3.9)=219.164kN ·mM R=γG(G1k+0.15H/(l a l b))L1B12/2=0.9×(0.5+0.15×4.5/(1.2×1.2))×45×272/2=14300.93k N·mM T=219.164kN·m≤M R=14300.93kN·m满足要求!混凝土浇筑时,倾覆力矩主要由泵送、倾倒混凝土等因素产生的水平荷载产生,抗倾覆力矩主要由钢筋、混凝土、模板及支架自重产生M T=ψc×γQ(Q2k L1H+Q3k L1h1)=1×1.4×(0.25×45×4.5+0.55×45×3.9)=206.01kN·mM R=γG[(G2k+G3k)×h0+(G1k+0.15H/(l a l b))]L1B12/2=0.9×[(24+1.1)×0.15+(0.5+0.15×4.5 /(1.2×1.2))]×45×272/2=69880.801kN·mM T=206.01kN·m≤M R=69880.801kN·m满足要求!梁模板(盘扣式,梁板立柱共用)计算书计算依据:1、《建筑施工承插型盘扣式钢管支架安全技术规程》JGJ231-20102、《混凝土结构设计规范》GB 50010-20103、《建筑结构荷载规范》GB 50009-20124、《钢结构设计规范》GB 50017-2003一、工程属性二、荷载设计三、模板体系设计设计简图如下:平面图立面图四、面板验算取单位宽度b=1000mm,按四等跨连续梁计算:W=bh2/6=1000×15×15/6=37500mm3,I=bh3/12=1000×15×15×15/12=281250m m4q1=[1.2(G1k+(G2k+G3k)×h)+1.4×Q1k]×b=[1.2×(0.1+(24+1.5)×1.35)+1.4×3]×1=45.6 3kN/mq1静=1.2×[G1k+(G2k+G3k)×h]×b=1.2×[0.1+(24+1.5)×1.35]×1=41.43kN/mq1活=1.4×Q1k×b=1.4×3×1=4.2kN/mq2=[1×G1k+1×(G2k+G3k)×h+1×Q1k]×b=[1×0.1+1×(24+1.5)×1.35+1×3]×1=37.525k N/m计算简图如下:1、强度验算M max=0.107q1静L2+0.121q1活L2=0.107×41.43×0.152+0.121×4.2×0.152=0.111kN·m σ=M max/W=0.111×106/37500=2.965N/mm2≤[f]=15N/mm2满足要求!2、挠度验算νmax=0.632q2L4/(100EI)=0.632×37.525×1504/(100×10000×281250)=0.043mm≤[ν]=min[L/150,10]=min[150/150,10]=1mm满足要求!3、支座反力计算设计值(承载能力极限状态)R1=R5=0.393q1静L+0.446q1活L=0.393×41.43×0.15+0.446×4.2×0.15=2.723kN R2=R4=1.143q1静L+1.223q1活L=1.143×41.43×0.15+1.223×4.2×0.15=7.874kN R3=0.928q1静L+1.142q1活L=0.928×41.43×0.15+1.142×4.2×0.15=6.487kN标准值(正常使用极限状态)R1'=R5'=0.393q2L=0.393×37.525×0.15=2.212kNR2'=R4'=1.143q2L=1.143×37.525×0.15=6.434kNR3'=0.928q2L=0.928×37.525×0.15=5.223kN五、小梁验算承载能力极限状态:梁底面板传递给左边小梁线荷载:q1左=R1/b=2.723/1=2.723kN/m梁底面板传递给中间小梁最大线荷载:q1中=Max[R2,R3,R4]/b =Max[7.874,6.487,7.874]/1= 7.874kN/m梁底面板传递给右边小梁线荷载:q1右=R5/b=2.723/1=2.723kN/m小梁自重:q2=1.2×(0.3-0.1)×0.6/4 =0.036kN/m梁左侧模板传递给左边小梁荷载q3左=1.2×0.5×(1.35-0.15)=0.72kN/m梁右侧模板传递给右边小梁荷载q3右=1.2×0.5×(1.35-0.15)=0.72kN/m梁左侧楼板传递给左边小梁荷载q4左=[1.2×(0.5+(24+1.1)×0.15)+1.4×3]×(0.5-0.6/ 2)/2×1=0.932kN/m梁右侧楼板传递给右边小梁荷载q4右=[1.2×(0.5+(24+1.1)×0.15)+1.4×3]×((1-0.5)-0.6/2)/2×1=0.932kN/m左侧小梁荷载q左=q1左+q2+q3左+q4左 =2.723+0.036+0.72+0.932=4.411kN/m 中间小梁荷载q中= q1中+ q2=7.874+0.036=7.91kN/m右侧小梁荷载q右=q1右+q2+q3右+q4右 =2.723+0.036+0.72+0.932=4.411kN/m 小梁最大荷载q=Max[q左,q中,q右]=Max[4.411,7.91,4.411]=7.91kN/m正常使用极限状态:梁底面板传递给左边小梁线荷载:q1左'=R1'/b=2.212/1=2.212kN/m梁底面板传递给中间小梁最大线荷载:q1中'=Max[R2',R3',R4']/b =Max[6.434,5.223,6.434]/1= 6.434kN/m梁底面板传递给右边小梁线荷载:q1右'=R5'/b=2.212/1=2.212kN/m小梁自重:q2'=1×(0.3-0.1)×0.6/4 =0.03kN/m梁左侧模板传递给左边小梁荷载q3左'=1×0.5×(1.35-0.15)=0.6kN/m梁右侧模板传递给右边小梁荷载q3右'=1×0.5×(1.35-0.15)=0.6kN/m梁左侧楼板传递给左边小梁荷载q4左'=[1×(0.5+(24+1.1)×0.15)+1×3]×(0.5-0.6/2)/2×1=0.727kN/m梁右侧楼板传递给右边小梁荷载q4右'=[1×(0.5+(24+1.1)×0.15)+1×3]×((1-0.5)-0.6/ 2)/2×1=0.727kN/m左侧小梁荷载q左'=q1左'+q2'+q3左'+q4左' =2.212+0.03+0.6+0.727=3.569kN/m 中间小梁荷载q中'= q1中'+ q2'=6.434+0.03=6.464kN/m右侧小梁荷载q右'=q1右'+q2'+q3右'+q4右' =2.212+0.03+0.6+0.727=3.569kN/m 小梁最大荷载q'=Max[q左',q中',q右']=Max[3.569,6.464,3.569]=6.464kN/m为简化计算,按二等跨连续梁和悬臂梁分别计算,如下图:1、抗弯验算M max=max[0.125ql12,0.5ql22]=max[0.125×7.91×0.92,0.5×7.91×0.22]=0.801kN·mσ=M max/W=0.801×106/64000=12.514N/mm2≤[f]=15.44N/mm2满足要求!2、抗剪验算V max=max[0.625ql1,ql2]=max[0.625×7.91×0.9,7.91×0.2]=4.449kNτmax=3V max/(2bh0)=3×4.449×1000/(2×60×80)=1.39N/mm2≤[τ]=1.78N/mm2满足要求!3、挠度验算ν1=0.521q'l14/(100EI)=0.521×6.464×9004/(100×9350×256×104)=0.923mm≤[ν]=min[l1/150,10]=min[900/150,10]=6mmν2=q'l24/(8EI)=6.464×2004/(8×9350×256×104)=0.054mm≤[ν]=min[2l2/150,10]= min[400/150,10]=2.667mm满足要求!4、支座反力计算承载能力极限状态R max=[1.25qL1,0.375qL1+qL2]=max[1.25×7.91×0.9,0.375×7.91×0.9+7.91×0.2]=8.899 kN同理可得:梁底支撑小梁所受最大支座反力依次为R1=4.962kN,R2=8.899kN,R3=7.338kN,R4= 8.899kN,R5=4.962kN正常使用极限状态R max'=[1.25q'L1,0.375q'L1+q'L2]=max[1.25×6.464×0.9,0.375×6.464×0.9+6.464×0.2]= 7.272kN同理可得:梁底支撑小梁所受最大支座反力依次为R1'=4.015kN,R2'=7.272kN,R3'=5.91kN,R4' =7.272kN,R5'=4.015kN六、主梁验算主梁自重忽略不计,主梁2根合并,其受力不均匀系数=0.6,则单根主梁所受集中力为Ks×Rn,Rn为各小梁所受最大支座反力1、抗弯验算主梁弯矩图(kN·m)σ=M max/W=0.727×106/4490=161.825N/mm2≤[f]=205N/mm2满足要求!2、抗剪验算主梁剪力图(kN)V max=6.381kNτmax=2V max/A=2×6.381×1000/424=30.1N/mm2≤[τ]=125N/mm2 满足要求!3、挠度验算主梁变形图(mm)νmax=0.26mm≤[ν]=min[L/150,10]=min[500/150,10]=3.333mm满足要求!4、支座反力计算承载能力极限状态支座反力依次为R1=1.935kN,R2=17.165kN,R3=1.935kN立柱所受主梁支座反力依次为P1=1.935/0.6=3.225kN,P2=17.165/0.6=28.609kN,P3=1.935/0.6=3.225kN七、可调托座验算1、扣件抗滑移验算两侧立柱最大受力N=max[R1,R3]=max[1.935,1.935]=1.935kN≤0.85×8=6.8kN 单扣件在扭矩达到40~65N·m且无质量缺陷的情况下,单扣件能满足要求!2、可调托座验算可调托座最大受力N=max[P2]=28.609kN≤[N]=30kN满足要求!八、立柱验算1、长细比验算h max=max(ηh,h'+2ka)=max(1.2×1500,1000+2×0.7×500)=1800mmλ=h max/i=1800/15.9=113.208≤[λ]=150长细比满足要求!查表得,φ=0.3862、风荷载计算M w=φc×1.4×ωk×l a×h2/10=0.9×1.4×0.031×0.9×1.52/10=0.008kN·m根据《建筑施工承插型盘扣式钢管支架安全技术规程》JGJ231-2010公式5.3.1-2:1)面板验算q1=[1.2×(0.1+(24+1.5)×1.35)+1.4×0.9×3]×1=45.21kN/m2)小梁验算q1=max{2.695+1.2×[(0.3-0.1)×0.6/4+0.5×(1.35-0.15)]+[1.2×(0.5+(24+1.1)×0.15)+1. 4×0.9×3]×max[0.5-0.6/2,(1-0.5)-0.6/2]/2×1,7.797+1.2×(0.3-0.1)×0.6/4}=7.833kN /m同上四~六计算过程,可得:P1=3.18kN,P2=28.286kN,P3=3.18kN立柱最大受力N w=max[P1+N边1,P2,P3+N边2]+1.2×0.15×(3.9-1.35)+M w/l b=max[ 3.18+[1.2×(0.5+(24+1.1)×0.15)+1.4×0.9×3]×(0.9+0.5-0.6/2)/2×0.9,28.286,3.18+[ 1.2×(0.5+(24+1.1)×0.15)+1.4×0.9×3]×(0.9+1-0.5-0.6/2)/2×0.9]+0.459+0.008/1=28. 753kNf=N/(φA)+M w/W=28753.141/(0.386×424)+0.008×106/4490=177.466N/mm2≤[f]=300N/mm2满足要求!九、高宽比验算根据《建筑施工承插型盘扣式钢管支架安全技术规范》JGJ231-2010 第6.1.4: 对长条状的独立高支模架,架体总高度与架体的宽度之比不宜大于3 H/B=3.9/30=0.13≤3满足要求,不需要进行抗倾覆验算!十、立柱支承面承载力验算F1=N=28.753kN1、受冲切承载力计算根据《混凝土结构设计规范》GB50010-2010第6.5.1条规定,见下表可得:βh=1,f t=0.829N/mm2,η=1,h0=h-20=130mm,u m =2[(a+h0)+(b+h0)]=1320mmF=(0.7βh f t+0.25σpc,m)ηu m h0=(0.7×1×0.829+0.25×0)×1×1320×130/1000=99.579kN≥F1=28.753kN满足要求!2、局部受压承载力计算根据《混凝土结构设计规范》GB50010-2010第6.6.1条规定,见下表可得:f c=8.294N/mm2,βc=1,βl=(A b/A l)1/2=[(a+2b)×(b+2b)/(ab)]1/2=[(600)×(600)/(200×200)]1/2=3,A ln=ab=40000 mm2F=1.35βcβl f c A ln=1.35×1×3×8.294×40000/1000=1343.628kN≥F1=28.753kN满足要求!墙模板(木模板)计算书计算依据:1、《建筑施工模板安全技术规范》JGJ162-20082、《混凝土结构设计规范》GB50010-20103、《建筑结构荷载规范》GB 50009-20124、《钢结构设计规范》GB 50017-2003一、工程属性二、荷载组合新浇混凝土对模板的侧压力标准值G4k=min[0.22γc t0β1β2v1/2,γc H]=min[0.22×24×4×1×1×21/2,24×4.5]=min[29.87,108]=29.87kN/m2承载能力极限状态设计值S承=0.9max[1.2G4k+1.4Q3k,1.35G4k+1.4×0.7Q3k]=0.9 max[1.2×29.87+1.4×2,1.35×29.87+1.4×0.7×2]=0.9max[38.644,42.285]=0.9×42 .285=38.056kN/m2正常使用极限状态设计值S正=G4k=29.87 kN/m2三、面板布置模板设计立面图四、面板验算墙截面宽度可取任意宽度,为便于验算主梁,取b=0.5m,W=bh2/6=500×122/ 6=12000mm3,I=bh3/12=500×123/12=72000mm41、强度验算q=bS承=0.5×38.056=19.028kN/m面板弯矩图(kN·m)M max=0.095kN·mσ=M max/W=0.095×106/12000=7.928N/mm2≤[f]=15N/mm2 满足要求!2、挠度验算q=bS正=0.5×29.87=14.935kN/m面板变形图(mm)ν=0.43mm≤[ν]=l/400=200/400=0.5mm满足要求!五、小梁验算1、强度验算q=bS承=0.275×38.056=10.465kN/m小梁弯矩图(kN·m)小梁剪力图(kN)M max=0.327kN·mσ=M max/W=0.327×106/42670=7.664N/mm2≤[f]=16.2N/mm2 满足要求!2、挠度验算q=bS正=0.275×29.87=8.214kN/m小梁变形图(mm)ν=0.462mm≤[ν]=l/400=500/400=1.25mm满足要求!3、支座反力计算R1=4.507kN,R2=...R37=4.007kN,R38=5.509kN六、主梁验算1、强度验算主梁弯矩图(kN·m)M max=0.611kN·mσ=M max/W=0.611×106/4490=136.083N/mm2≤[f]=205N/mm2 满足要求!2、挠度验算主梁变形图(mm)ν=0.369mm≤[ν]=l/400=500/400=1.25mm满足要求!七、对拉螺栓验算对拉螺栓横向验算间距m=max[500,500/2+200]=500mm 对拉螺栓竖向验算间距n=max[500,500/2+250]=500mm N=0.95mnS承=0.95×0.5×0.5×38.056=9.038kN≤N t b=17.8kN 满足要求!柱模板(设置对拉螺栓)计算书计算依据:1、《建筑施工模板安全技术规范》JGJ162-20082、《混凝土结构设计规范》GB50010-20103、《建筑结构荷载规范》GB 50009-20124、《钢结构设计规范》GB 50017-2003一、工程属性二、荷载组合新浇混凝土对模板的侧压力标准值G4k=min[0.22γc t0β1β2v1/2,γc H]=min[0.22×24×4×1×1×21/2,24×4.5]=min[29.87,108]=29.87kN/m2承载能力极限状态设计值S承=0.9max[1.2G4k+1.4Q3k,1.35G4k+1.4×0.7Q3k]=0.9 max[1.2×29.87+1.4×2,1.35×29.87+1.4×0.7×2]=0.9max[38.644,42.285]=0.9×42 .285=38.056kN/m2正常使用极限状态设计值S正=G4k=29.87 kN/m2三、面板验算模板设计平面图1、强度验算最不利受力状态如下图,按四等跨连续梁验算静载线荷载q1=0.9×1.35bG4k=0.9×1.35×0.7×29.87=25.404kN/m活载线荷载q2=0.9×1.4×0.7bQ3k=0.9×1.4×0.7×0.7×2=1.235kN/mM max=-0.107q1l2-0.121q2l2=-0.107×25.404×0.152-0.121×1.235×0.152=-0.065kN·m σ=M max/W=0.065×106/(1/6×700×122)=3.841N/mm2≤[f]=14.742N/mm2满足要求!2、挠度验算作用线荷载q=bS正=0.7×29.87=20.909kN/mν=0.632ql4/(100EI)=0.632×20.909×1504/(100×8925×(1/12×700×123))=0.074mm≤[ν]=l/400=150/400=0.375mm满足要求!四、小梁验算1、强度验算小梁上作用线荷载q=bS承=0.15×38.056=5.708 kN/m小梁弯矩图(kN·m)M max=0.285kN·mσ=M max/W=0.285×106/42.67×103=6.672N/mm2≤[f]=13.5N/mm2满足要求!2、抗剪验算小梁剪力图(kN·m)V max=2.346kNτmax=3V max/(2bh0)=3×2.346×1000/(2×40×80)=1.1N/mm2≤[τ]=1.35N/mm2 满足要求!3、挠度验算小梁上作用线荷载q=bS正=0.15×29.87=4.481 kN/m小梁变形图(mm) ν=0.409mm≤[ν]=1.5mm满足要求!4、支座反力计算承载能力极限状态R max=4.438正常使用极限状态R max=3.484五、柱箍验算模板设计立面图1、柱箍强度验算连续梁中间集中力取小P值;两边集中力为小梁荷载取半后,取P/2值。
盘扣式梁底模板支架(梁板共用立杆)计算书一、参数信息和规范依据依据规范:《施工脚手架通用规范》GB55023-2022《钢结构通用规范》GB55006-2021《木结构通用规范》GB55005-2021《建筑施工承插型盘扣式钢管脚手架安全技术标准》JGJ/T231-2021《建筑结构可靠性设计统一标准》GB50068-2018《建筑施工脚手架安全技术统一标准》GB51210-2016《施工脚手架通用规范》GB55023-2022《承插型盘扣式钢管支架构件》JG/T 503-2016《建筑施工模板安全技术规范》JGJ 162-2008《建筑结构荷载规范》GB50009-2012《钢结构设计标准》GB50017-2017《混凝土结构设计规范》GB50010-2010《建筑地基基础设计规范》GB50007-2011《建筑施工扣件式钢管脚手架安全技术规范》JGJ130-2011计算参数:立杆钢管选择Q355,强度为300N/mm2水平杆钢管选择Q355,强度为300N/mm2,钢管强度折减系数取1.00,结构重要性系数取1.00;承载力设计值调整系数取1.00;考虑脚手架重复使用和折旧情况:立杆钢管强度设计值取300.0N/mm2,水平钢管强度设计值取300.0N/mm2。
模板支架搭设高度为11.7m,梁截面B×D=350mm×700mm,梁底立杆的纵距(跨度方向) l=0.90m,脚手架步距 h=1.50m,脚手架顶层水平杆步距 h'=0.00m,梁板共用立杆的横距为0.90m,纵距为0.90m,梁板共用立杆纵距为0.90m立杆钢管选择:φ48.00×3.20mm横杆钢管选择:φ48.00×3.20mm梁底增加2道承重立杆。
面板厚度15.00mm,剪切强度1.40N/mm2,抗弯强度17.00N/mm2,弹性模量9000.00N/mm2。
木方60×80mm,剪切强度1.7N/mm2,抗弯强度17.0N/mm2,弹性模量9000.0N/mm2。
板模板(盘扣式)计算书计算依据:1、《建筑施工承插型盘扣式钢管支架安全技术规程》JGJ231-20102、《建筑施工模板安全技术规范》JGJ162-20083、《混凝土结构设计规范》GB 50010-20104、《建筑结构荷载规范》GB 50009-20125、《钢结构设计规范》GB 50017-2003一、工程属性模板设计平面图纵向剖面图横向剖面图四、面板验算面板类型覆面木胶合板面板厚度t(mm) 15面板抗弯强度设计值[f](N/mm2) 16.83 面板抗剪强度设计值[τ](N/mm2) 1.4面板弹性模量E(N/mm2) 9350 面板计算方式三等跨连续梁W=bh2/6=1000×15×15/6=37500mm3,I=bh3/12=1000×15×15×15/12=281250mm4承载能力极限状态q1=[1.2×(G1k +(G2k+G3k)×h)+1.4×Q1k]×b=[1.2×(0.1+(24+1.1)×0.15)+1.4×3]×1=8.838kN/m q1静=[γG(G1k +(G2k+G3k)h)]b = [1.2×(0.1+(24+1.1)×0.15)]×1=4.638kN/mq1活=(γQ×Q1k)×b=(1.4×3)×1=4.2kN/m正常使用极限状态q=(γG(G1k+(G2k+G3k)×h)+γQ×Q1k)×b =(1×(0.1+(24+1.1)×0.15)+1×3)×1=6.865kN/m计算简图如下:1、强度验算M max=0.1q1静L2+0.117q1活L2=0.1×4.638×0.32+0.117×4.2×0.32=0.086kN·mσ=M max/W=0.086×106/37500=2.292N/mm2≤[f]=16.83N/mm2满足要求!2、挠度验算νmax=0.677ql4/(100EI)=0.677×6.865×3004/(100×9350×281250)=0.143mmνmax=0.143mm≤min{300/150,10}=2mm满足要求!五、小梁验算小梁类型矩形木楞小梁截面类型(mm) 40×90小梁抗弯强度设计值[f](N/mm2) 12.87 小梁抗剪强度设计值[τ](N/mm2) 1.386小梁截面抵抗矩W(cm3) 54 小梁弹性模量E(N/mm2) 8415小梁截面惯性矩I(cm4) 243 小梁计算方式三等跨连续梁11k2k3k1k=2.723kN/m因此,q1静=1.2×(G1k +(G2k+G3k)×h)×b=1.2×(0.3+(24+1.1)×0.15)×0.3=1.463kN/m q1活=1.4×Q1k×b=1.4×3×0.3=1.26kN/m计算简图如下:1、强度验算M1=0.1q1静L2+0.117q1活L2=0.1×1.463×0.92+0.117×1.26×0.92=0.238kN·mM2=q1L12/2=2.723×0.12/2=0.014kN·mM max=max[M1,M2]=max[0.238,0.014]=0.238kN·mσ=M max/W=0.238×106/54000=4.406N/mm2≤[f]=12.87N/mm2满足要求!2、抗剪验算V1=0.6q1静L+0.617q1活L=0.6×1.463×0.9+0.617×1.26×0.9=1.49kNV2=q1L1=2.723×0.1=0.272kNV max=max[V1,V2]=max[1.49,0.272]=1.49kNτmax=3V max/(2bh0)=3×1.49×1000/(2×40×90)=0.621N/mm2≤[τ]=1.386N/mm2满足要求!3、挠度验算q=(γG(G1k+(G2k+G3k)×h)+γQ×Q1k)×b=(1×(0.3+(24+1.1)×0.15)+1×3)×0.3=2.119kN/m挠度,跨中νmax=0.677qL4/(100EI)=0.677×2.119×9004/(100×8415×243×104)=0.46mm≤[ν]=min(L/150,10)=min(900/150,10)=6mm;悬臂端νmax=ql14/(8EI)=2.119×1004/(8×8415×243×104)=0.001mm≤[ν]=min(2×l1/150,10)=min(2×100/150,10)=1.333mm满足要求!六、主梁验算q1=[1.2×(G1k+(G2k+G3k)×h)+1.4×Q1k]×b=[1.2×(0.5+(24+1.1)×0.15)+1.4×3]×0.3=2.795kN/mq1静=1.2×(G1k +(G2k+G3k)×h)×b=1.2×(0.5+(24+1.1)×0.15)×0.3=1.535kN/mq1活=1.4×Q1k×b =1.4×3×0.3=1.26kN/mq2=(γG(G1k+(G2k+G3k)×h)+γQ×Q1k)×b=(1×(0.5+(24+1.1)×0.15)+1×3)×0.3=2.179kN/m承载能力极限状态按三等跨连续梁,R max=(1.1q1静+1.2q1活)L=1.1×1.535×0.9+1.2×1.26×0.9=2.881kN按悬臂梁,R1=q1l1=2.795×0.1=0.28kN主梁2根合并,其主梁受力不均匀系数=0.6R=max[R max,R1]×0.6=1.729kN;正常使用极限状态按三等跨连续梁,R'max=1.1q2L=1.1×2.179×0.9=2.158kN按悬臂梁,R'1=q2l1=2.179×0.1=0.218kNR'=max[R'max,R'1]×0.6=1.295kN;计算简图如下:主梁计算简图一2、抗弯验算主梁弯矩图一(kN·m)σ=M max/W=0.441×106/4490=98.287N/mm2≤[f]=205N/mm2满足要求!3、抗剪验算主梁剪力图一(kN)τmax=2V max/A=2×2.796×1000/424=13.187N/mm2≤[τ]=125N/m m2满足要求!4、挠度验算主梁变形图一(mm)跨中νmax=0.546mm≤[ν]=min{900/150,10}=6mm悬挑段νmax=0.142mm≤[ν]=min(2×150/150,10)=2mm满足要求!5、支座反力计算承载能力极限状态图一支座反力依次为R1=4.12kN,R2=5.389kN,R3=5.389kN,R4=4.12kN七、可调托座验算荷载传递至立杆方式可调托座可调托座承载力容许值[N](kN) 30满足要求!八、立杆验算立杆钢管截面类型(mm) Ф48×3.2立杆钢管计算截面类型(mm) Ф48×3钢材等级Q235 立杆截面面积A(mm2) 424 立杆截面回转半径i(mm) 15.9 立杆截面抵抗矩W(cm3) 4.49 抗压强度设计值[f](N/mm2) 205 支架自重标准值q(kN/m) 0.15 支架立杆计算长度修正系数η 1.2 悬臂端计算长度折减系数k 0.71、长细比验算l01=hˊ+2ka=1200+2×0.7×450=1830mml0=ηh=1.2×1800=2160mmλ=max[l01,l0]/i=2160/15.9=135.849≤[λ]=150满足要求!2、立杆稳定性验算顶部立杆段:λ1=l01/i=1830.000/15.9=115.094查表得,φ=0.483不考虑风荷载:N1 =Max[R1,R2,R3,R4]/0.6=Max[4.12,5.389,5.389,4.12]/0.6=8.982kN f=N1/(ΦA)=8982/(0.483×424)=43.859N/mm2≤[f]=205N/mm2满足要求!非顶部立杆段:λ=l0/i=2160.000/15.9=135.849查表得,φ1=0.371不考虑风荷载:N=Max[R1,R2,R3,R4]/0.6+γG×q×H=Max[4.12,5.389,5.389,4.12]/0.6+1.2×0.15×3.325=9.5 8kNf=N/(φ1A)=9.58×103/(0.371×424)=60.901N/mm2≤[σ]=205N/mm2满足要求!九、高宽比验算根据《建筑施工承插型盘扣式钢管支架安全技术规范》JGJ231-2010 第6.1.4: 对长条状的独立高支模架,架体总高度与架体的宽度之比不宜大于3H/B=3.325/30=0.111≤3满足要求!十、抗倾覆验算混凝土浇筑前,倾覆力矩主要由风荷载产生,抗倾覆力矩主要由模板及支架自重产生M T=ψc×γQ(ωk L1Hh2+Q3k L1h1)=1×1.4×(0.076×40×3.325×3.2+0.55×40×3.2)=143.844kN·mM R=γG(G1k+0.15H/(l a l b))L1B12/2=0.9×(0.5+0.15×3.325/(0.9×0.9))×40×302/2=18075kN·mM T=143.844kN·m≤M R=18075kN·m满足要求!混凝土浇筑时,倾覆力矩主要由泵送、倾倒混凝土等因素产生的水平荷载产生,抗倾覆力矩主要由钢筋、混凝土、模板及支架自重产生M T=ψc×γQ(Q2k L1H2+Q3k L1h1)=1×1.4×(1×40×3.3252+0.55×40×3.2)=717.675kN·mM R=γG[(G2k+G3k)×h0+(G1k+0.15H/(l a l b))]L1B12/2=0.9×[(24+1.1)×0.15+(0.5+0.15×3.325/ (0.9×0.9))]×40×302/2=79068kN·mM T=717.675kN·m≤M R=79068kN·m满足要求!十一、立杆支承面承载力验算11、受冲切承载力计算根据《混凝土结构设计规范》GB50010-2010第6.5.1条规定,见下表h t0u m =2[(a+h0)+(b+h0)]=1000mmF=(0.7βh f t+0.25σpc,)ηu m h0=(0.7×1×0.829+0.25×0)×1×1000×100/1000=58.03kN≥F1=9.58kNm满足要求!2、局部受压承载力计算根据《混凝土结构设计规范》GB50010-2010第6.6.1条规定,见下表c cβl=(A b/A l)1/2=[(a+2b)×(b+2b)/(ab)]1/2=[(400)×(300)/(200×100)]1/2=2.449,A ln=ab=20000mm2F=1.35βcβl f c A ln=1.35×1×2.449×8.294×20000/1000=548.534kN≥F1=9.58kN满足要求!。
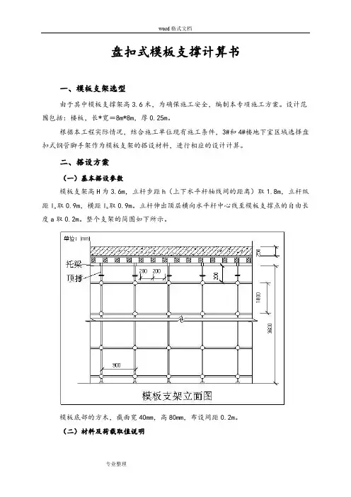
盘扣式模板支撑计算书一、模板支架选型由于其中模板支撑架高3.6米,为确保施工安全,编制本专项施工方案。
设计范围包括:楼板,长*宽=8m*8m,厚0.25m。
根据本工程实际情况,结合施工单位现有施工条件,3#和4#楼地下室区域选择盘扣式钢管脚手架作为模板支架的搭设材料,进行相应的设计计算。
二、搭设方案(一)基本搭设参数模板支架高H为3.6m,立杆步距h(上下水平杆轴线间的距离)取1.8m,立杆纵距la 取0.9m,横距lb取0.9m。
立杆伸出顶层横向水平杆中心线至模板支撑点的自由长度a取0.2m。
整个支架的简图如下所示。
模板底部的方木,截面宽40mm,高80mm,布设间距0.2m。
(二)材料及荷载取值说明本支撑架使用Φ48 *3mm钢管,钢管壁厚不得小于3mm,钢管上严禁打孔;采用的扣件,应经试验,在螺栓拧紧扭力矩达65N·m时,不得发生破坏。
模板支架承受的荷载包括模板及支架自重、新浇混凝土自重、钢筋自重,以及施工人员及设备荷载、振捣混凝土时产生的荷载等。
三、板模板支架的强度、刚度及稳定性验算荷载首先作用在板底模板上,按照"底模→底模方木/钢管→横向水平钢管→可调托座→立杆→基础"的传力顺序,分别进行强度、刚度和稳定性验算。
其中,取与底模方木平行的方向为纵向。
(一)板底模板的强度和刚度验算模板按三跨连续梁计算,如图所示:(1)荷载计算,按单位宽度折算为线荷载。
此时,模板的截面抵抗矩为:w=1000?72/6=4.82?04mm3;模板自重标准值:x1=0.3? =0.3kN/m;新浇混凝土自重标准值:x2=0.25?4? =6kN/m;板中钢筋自重标准值:x3=0.25?.1? =0.275kN/m;施工人员及设备活荷载标准值:x4=1? =1kN/m;振捣混凝土时产生的荷载标准值:x5=2?=2kN/m。
以上1、2、3项为恒载,取分项系数1.35,4、5项为活载,取分项系数1.4,则底模的荷载设计值为:g1 =(x1+x2+x3)?.35=(0.3+6+0.275)?.35=8.876kN/m;q1 =(x4+x5)?.4=(1+2)?.4 =4.2kN/m;对荷载分布进行最不利布置,最大弯矩取跨中弯矩和支座弯矩的较大值。
架空层模板(盘扣式)计算书计算依据:1、《建筑施工模板安全技术规范》JGJ162-20082、《建筑施工承插盘扣式钢管支架安全技术规范》JGJ 231-20103、《混凝土结构设计规范》GB50010-20104、《建筑结构荷载规范》GB 50009-20125、《钢结构设计规范》GB 50017-2003一、工程属性平面图纵向剖面图横向剖面图剪刀撑加强区示意图W=bt2/6=1000×182/6=54000mm4I=bt3/12=1000×183/12=486000mm3承载能力极限状态q1=γG b(G1k+(G2k+G3k)h0)+γQ bQ1k=1.2×1×(0.1+(24+1.1)×0.15)+1.4×1×3=8.838kN/mq1静=γG b(G1k+(G2k+G3k)h0)=1.2×1×(0.1+(24+1.1) ×0.15)=4.638kN/m正常使用极限状态q=γG b(G1k+(G2k+G3k)h0)+γQ bQ1k=1×1×(0.1+(24+1.1) ×0.15)+1×1×3=6.865kN/m 1、强度验算M max=0.125q1l2=0.125×8.838×0.32=0.099kN·mσ=M max/W=0.099×106/(54000×103)=1.833N/mm2≤[f]=16.83N/mm2满足要求!2、挠度验算νmax=5ql4/(384EI)=5×6.865×3004/(384×9350×486000)=0.159mmνmax=0.159 mm≤min{300/150,10}=2mm满足要求!q1=γG l(G1k+(G2k+G3k)h0)+γQ lQ1k=1.2×0.3×(0.3+(24+1.1)×0.15)+1.4×0.3×3=2.723kN/m正常使用极限状态q=γG l(G1k+(G2k+G3k)h0)+γQ lQ1k=1×0.3×(0.3+(24+1.1) ×0.15)+1×0.3×3=2.12kN/m 按二等跨梁连续梁计算,又因小梁较大悬挑长度为100mm,因此需进行最不利组合,计算简图如下:1、强度验算σ=M max/W=0.269×106/83333=3.228N/mm2≤[f]=12.87N/mm2满足要求!2、抗剪验算V max=1.507kNτmax=3V max/(2bh0) =3×1.507×1000/(2×50×100)=0.452N/mm2≤[τ]=1.386N/mm2 满足要求!3、挠度验算νmax=0.206mm≤[ν]=min[l b/150,10]=min[900/150,10]=6mm满足要求!4、支座反力承载能力极限状态R1=1.213kNR2=3.015kNR3=1.213kN正常使用极限状态R1ˊ=0.945kNR2ˊ=2.35kNR3ˊ=0.945kN六、主梁验算承载能力极限状态R=max[R1,R2,R3]/2=max[1.213,3.015,1.213]/2=1.5075kN正常使用极限状态Rˊ=max[R1ˊ,R2ˊ,R3ˊ]/2=max[0.945,2.35,0.945]/2=1.175kN 计算简图如下:1、抗弯验算σ=M max/W=0.396×106/4730=83.721N/mm2≤[f]=205N/mm2 满足要求!2、抗剪验算V max=2.45kNτmax=2V max/A=2×2.45×1000/450=10.889N/mm2≤[τ]=125N/mm2 满足要求!3、挠度验算νmax=0.451mm≤[ν]=min[l b/150,10]=min[900/150,10] =6mm 满足要求!七、立柱验算l01=hˊ+2ka=1000+2×0.7×150=1210mml02=ηh=1.2×1500=1800mm取两值中的大值l0=1800mmλ=l0/i=1800/15.9=113.208≤[λ]=150长细比满足要求!2、立柱稳定性验算不考虑风荷载顶部立杆段:λ1=l01/i=1210/15.9=76.101查表得,υ=0.664N1=[γG(G1k+(G2k+G3k)h0)+γQ Q1k]l a l b=[1.2×(0.5+(24+1.1)×0.15)+1.4×3]×0.9×0.9=7.548k Nf=N1/(υ1A)=7.548×103/(0.664×450)=25.261N/mm2≤[σ]=300N/mm2满足要求!非顶部立杆段:λ2=l02/i=1800/15.9=113.208查表得,υ=0.386N2=[γG(G1k+(G2k+G3k)h0)+γQ Q1k]l a l b=[1.2×(1.05+(24+1.1)×0.15)+1.4×3]×0.9×0.9=8.082 kNf=N2/(υ2A)=8.082×103/(0.386×450)=46.528N/mm2≤[σ]=300N/mm2满足要求!考虑风荷载M w=ψc×γQωk l a h2/10=0.9×1.4×0.4×0.9×1.52/10=0.102kN·m顶部立杆段:N1w=[γG(G1k+(G2k+G3k)h0)+ψc×γQQ1k]l a l b+ψc×γQ M w/l b=[1.2×(0.5+(24+1.1)×0.15)+0.9×1.4×3]×0.9×0.9+0.9×1.4×0.102/0.9 =7.35kNf=N1w/(υ1A)+M w/W=7.35×103/(0.664×450)+0.102×106/4730=46.163N/mm2≤[σ]=300N/ mm2满足要求!非顶部立杆段:N2w=[γG(G1k+(G2k+G3k)h0)+ψc×γQQ1k]l a l b+ψc×γQ M w/l b=[1.2×(1.05+(24+1.1)×0.15)+0.9×1.4×3]×0.9×0.9+0.9×1.4×0.102/0. 9=7.885kNf=N2w/(υ2A)+M w/W=7.885×103/(0.386×450)+0.102×106/4730=66.959N/mm2≤[σ]=300N /mm2满足要求!八、可调托座验算N =7.548kN≤[N]=40kN满足要求!九、抗倾覆验算混凝土浇筑前,倾覆力矩主要由风荷载产生,抗倾覆力矩主要由模板及支架自重产生M T=ψc×γQ(ωk L b Hh2+Q3k L b h1)=0.9×1.4×(0.4×5.4×7.8×5+0.55×5.4×4)=121.111kN.m M R=γG G1k L b L a2/2=1.35×1.05×5.4×62/2=137.781kN.mM T=121.111kN.m≤M R=137.781kN.m满足要求!混凝土浇筑时,倾覆力矩主要由泵送、倾倒混凝土等因素产生的水平荷载产生,抗倾覆力矩主要由钢筋、混凝土、模板及支架自重产生M T=ψc×γQ(Q2k L b H+Q3k L b h1)=0.9×1.4×(0.25×5.4×7.8+0.55×5.4×4)=28.237kN.mM R=γG[G1k+(G2k+G3k)h0]L b L a2/2=1.35×[1.05+(24+1.1)×0.15]×5.4×62/2=631.824kN.m M T=28.237kN.m≤M R=631.824kN.m满足要求!十、立柱地基基础计算p=N/(m f A)=8.082/(0.4×0.25)=80.82kPa≤f ak=100kPa满足要求!。
盘扣式脚手架计算书计算依据:1、《建筑施工承插型盘扣式钢管支架安全技术规程》JGJ231-20102、《建筑地基基础设计规范》GB50007-20113、《建筑结构荷载规范》GB50009-20124、《钢结构设计规范》GB50017-2003、脚手架参数二、荷载设计搭设示意图盘扣式脚手架剖面图盘扣式脚手架立面图连墙件间WF水平斜杆Aa缶盘扣式脚手架平面图三、横向横杆验算承载力使用极限状态qTOxq hg/l b+G kjb Xl a/g g+l))+1.4xQ kzj x./(+1)=1.2x(0.050/0.9+0.35xl.8/(2+l))+1.4x2.0xl.8/(2+l)=1.999kN/m 正常使用极限状态q'=(G khg/l b+G kjb xl a/(n jg+1))+Q kzj xl a/(n jg+1)=(0.050/0.9+0.35x1.8/(2+1))+2.0x1.8/(2+1)=1.466kN/m 计算简图如下1、抗弯验算M=ql b2/8=1.999x0.92/8=0.202kN・mmaxbo=M/W=0.202x106/3860=52.43N/mm2口f]=205N/mm2max 满足要求。
2、挠度验算V max=5q'l b4/(384EI)=5x1.466x9004/(384x206000x92800)=0.65mmS[v]=min[l b/150,10]=min[900/150,10]=6mm满足要求。
3、支座反力计算承载力使用极限状态R]=R2=ql b/2=1.999x0.9/2=0.899kN正常使用极限状态R]/=R2,=q f l b/2=1.466x0.9/2=0.659kN四、间横杆验算承载力使用极限状态q=1.2x(G kjg/l b+G kjb Xl a/(n jg+1))+1.4xQ kzj Xl a/(片纟+])=1.2x(0.043/0.9+0.35x1.8/(2+1))+1.4x2.0x1.8/(2+1)=1.989kN/m 正常使用极限状态2(%侏+%山叫+1))+Q kjj Xl a/(n jg+1)=(0.043/0.9+0.35x1.8/(2+1))+2.0x1.8/(2+1)=1.458kN/m计算简图如下1、抗弯验算M max=q l b2/8=1.989X0-92/8=0.201kN^m^=M max/W=0.201x106/2890=69.70N/mm2<[f]=205N/mm2满足要求。
盘扣式板模板支撑计算书————————————————————————————————作者:————————————————————————————————日期:盘扣式模板支撑计算书一、模板支架选型由于其中模板支撑架高3.6米,为确保施工安全,编制本专项施工方案。
设计范围包括:楼板,长*宽=8m*8m,厚0.25m。
根据本工程实际情况,结合施工单位现有施工条件,3#和4#楼地下室区域选择盘扣式钢管脚手架作为模板支架的搭设材料,进行相应的设计计算。
二、搭设方案(一)基本搭设参数模板支架高H为3.6m,立杆步距h(上下水平杆轴线间的距离)取1.8m,立杆纵距l取0.9m,横距l b取0.9m。
立杆伸出顶层横向水平杆中心线至模板支撑点的自由长a度a取0.2m。
整个支架的简图如下所示。
模板底部的方木,截面宽40mm,高80mm,布设间距0.2m。
(二)材料及荷载取值说明本支撑架使用Φ48 *3mm钢管,钢管壁厚不得小于3mm,钢管上严禁打孔;采用的扣件,应经试验,在螺栓拧紧扭力矩达65N·m时,不得发生破坏。
模板支架承受的荷载包括模板及支架自重、新浇混凝土自重、钢筋自重,以及施工人员及设备荷载、振捣混凝土时产生的荷载等。
三、板模板支架的强度、刚度及稳定性验算荷载首先作用在板底模板上,按照"底模→底模方木/钢管→横向水平钢管→可调托座→立杆→基础"的传力顺序,分别进行强度、刚度和稳定性验算。
其中,取与底模方木平行的方向为纵向。
(一)板底模板的强度和刚度验算模板按三跨连续梁计算,如图所示:(1)荷载计算,按单位宽度折算为线荷载。
此时,模板的截面抵抗矩为:w=1000?72/6=4.82?04mm3;模板自重标准值:x1=0.3? =0.3kN/m;新浇混凝土自重标准值:x2=0.25?4? =6kN/m;板中钢筋自重标准值:x3=0.25?.1? =0.275kN/m;施工人员及设备活荷载标准值:x4=1? =1kN/m;振捣混凝土时产生的荷载标准值:x5=2?=2kN/m。
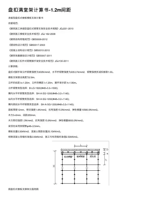
盘扣满堂架计算书-1.2m间距承插型盘扣式楼板模板⽀架计算书依据规范:《建筑施⼯承插型盘扣式钢管⽀架安全技术规程》JGJ231-2010《建筑施⼯模板安全技术规范》JGJ 162-2008《建筑结构荷载规范》GB50009-2012《钢结构设计规范》GB50017-2003《混凝⼟结构设计规范》GB50010-2010《建筑地基基础设计规范》GB50007-2011《建筑施⼯扣件式钢管脚⼿架安全技术规范》JGJ130-2011计算参数:盘扣式脚⼿架⽴杆钢管强度为300N/mm2,⽔平杆钢管强度为205.0 N/mm2,钢管强度折减系数取1.00。
模板⽀架搭设⾼度为2.8m,⽴杆的纵距 b=1.20m,⽴杆的横距 l=1.20m,脚⼿架步距 h=1.80m。
⽴杆钢管类型选择:B-LG-1500(Φ48×3.2×1500);横向⽔平杆钢管类型选择:SH-A-SG-1200(Φ48×3.2×1140);纵向⽔平杆钢管类型选择:SH-A-SG-1200(Φ48×3.2×1140);横向跨间⽔平杆钢管类型选择:SH-A-SG-1200(Φ48×3.2×1140);⾯板厚度12mm,剪切强度1.4N/mm2,抗弯强度15.0N/mm2,弹性模量10580.0N/mm2。
⽊⽅0×0mm,间距250mm,⽊⽅剪切强度1.3N/mm2,抗弯强度15.0N/mm2,弹性模量9000.0N/mm2。
梁顶托采⽤双钢管φ48×3.5mm。
模板⾃重0.30kN/m2,混凝⼟钢筋⾃重25.10kN/m3。
倾倒混凝⼟荷载标准值2.00kN/m2,施⼯均布荷载标准值2.50kN/m2。
图盘扣式楼板⽀撑架⽴⾯简图图楼板⽀撑架⽴杆稳定性荷载计算单元钢管惯性矩计算采⽤ I=π(D4-d4)/64,抵抗距计算采⽤ W=π(D4-d4)/32D。
盘扣式板模板支撑计算书
首先,需要计算板模板所受的荷载。
一般来说,板模板所受的荷载主要包括自重、人员和设备的荷载以及混凝土的施工荷载等。
通过测量和统计,确定板模板所受的各个荷载的大小和作用位置。
其次,根据荷载计算板模板所受的应力。
应力是指单位面积内受力的大小,通过应力的计算,可以得到板模板在各个部位的应力分布情况。
然后,需要根据所选用的板模板的材料特性和尺寸,计算板模板的强度和刚度。
板模板的强度是指板模板承受荷载的能力,而刚度是指板模板变形的程度。
一般来说,板模板支撑的安全性和可行性要求板模板具有足够的强度和刚度。
最后,通过对板模板的支撑方式和支撑点的调整,优化板模板的支撑结构,提高板模板整体支撑的效果和稳定性。
通过计算和分析,确定合适的支撑方式和支撑点的位置,以保证模板支撑的安全和稳定。
综上所述,盘扣式板模板支撑的计算需要考虑荷载、应力、强度和刚度等因素,并通过调整支撑方式和支撑点的位置来优化支撑结构。
通过合理的计算和设计,可以保证盘扣式板模板的支撑稳定性和安全性,提高施工效率和质量。
(八)标准层(板模板)计算书计算依据:1、《建筑施工承插型盘扣式钢管支架安全技术规程》JGJ231-20102、《建筑施工模板安全技术规范》JGJ162-20083、《混凝土结构设计规范》GB 50010-20104、《建筑结构荷载规范》GB 50009-20125、《钢结构设计规范》GB 50017-2003一、工程属性新浇混凝土楼板名称B2,标高8.45m 新浇混凝土楼板板厚(mm) 120 模板支架高度H(m) 3 模板支架纵向长度L(m) 7.8 模板支架横向长度B(m) 3.9二、荷载设计模板及其支架自重标准值G1k(kN/m 2) 面板0.1 面板及小梁0.3 楼板模板0.5 模板及其支架0.75新浇筑混凝土自重标准值G2k(kN/m3)24 钢筋自重标准值G3k(kN/m3) 1.1 施工人员及设备荷载标准值Q1k(kN/m2)3风荷载标准值ωk(kN/m2) 基本风压ω0(kN/m2)0.2地基粗糙程度D类(有密集建筑群且房屋较高市区) 模板支架顶部距9地面高度(m)风压高度变化系0.51数μz风荷载体型系数μ0.5s三、模板体系设计模板支架高度(m) 3 主梁布置方向平行立柱纵向方向立柱纵向间距l a(mm) 900 立柱横向间距l b(mm) 900水平拉杆步距h(mm) 1500 顶层水平杆步距hˊ(mm)1000200 小梁间距l(mm) 250支架可调托座支撑点至顶层水平杆中心线的距离a(mm)小梁最大悬挑长度l1(mm) 100 主梁最大悬挑长度l2(mm) 150 设计简图如下:模板设计平面图纵向剖面图横向剖面图四、面板验算面板类型覆面木胶合板面板厚度t(mm) 15面板抗弯强度设计值[f](N/mm2) 16.83 面板抗剪强度设计值[τ](N/mm2) 1.4面板弹性模量E(N/mm2) 9350 面板计算方式三等跨连续梁按三等跨连续梁,取1m单位宽度计算。
W=bh2/6=1000×15×15/6=37500mm3,I=bh3/12=1000×15×15×15/12=281250mm4承载能力极限状态q1=[1.2×(G1k +(G2k+G3k)×h)+1.4×Q1k]×b=[1.2×(0.1+(24+1.1)×0.12)+1.4×3]×1=7.934kN/mq1静=[γG(G1k +(G2k+G3k)h)b] = [1.2×(0.1+(24+1.1)×0.12)×1]=3.734kN/mq1活=(γQ×Q1k)×b=(1.4×3)×1=4.2kN/m正常使用极限状态q=(γG(G1k +(G2k+G3k)×h)+γQ×Q1k)×b =(1×(0.1+(24+1.1)×0.12)+1×3)×1=6.112kN/m计算简图如下:1、强度验算M max=0.1q1静L2+0.117q1活L2=0.1×3.734×0.252+0.117×4.2×0.252=0.054kN·mσ=M max/W=0.054×106/37500=1.441N/mm2≤[f]=16.83N/mm2满足要求!2、挠度验算νmax=0.677ql4/(100EI)=0.677×6.112×2504/(100×9350×281250)=0.061mmνmax=0.061mm≤min{250/150,10}=1.667mm满足要求!五、小梁验算小梁类型矩形木楞小梁截面类型(mm) 60×80小梁抗弯强度设计值[f](N/mm2) 12.87 小梁抗剪强度设计值[τ](N/mm2) 1.39小梁截面抵抗矩W(cm3) 64 小梁弹性模量E(N/mm2) 8415小梁截面惯性矩I(cm4) 256 小梁计算方式二等跨连续梁q1=[1.2×(G1k +(G2k+G3k)×h)+1.4×Q1k]×b=[1.2×(0.3+(24+1.1)×0.12)+1.4×3]×0.25=2.044kN/m因此,q1静=1.2×(G1k +(G2k+G3k)×h)×b=1.2×(0.3+(24+1.1)×0.12)×0.25=0.994kN/mq1活=1.4×Q1k×b=1.4×3×0.25=1.05kN/m计算简图如下:1、强度验算M1=0.125q1静L2+0.125q1活L2=0.125×0.994×0.92+0.125×1.05×0.92=0.207kN·mM2=q1L12/2=2.044×0.12/2=0.01kN·mM max=max[M1,M2]=max[0.207,0.01]=0.207kN·mσ=M max/W=0.207×106/64000=3.233N/mm2≤[f]=12.87N/mm2满足要求!2、抗剪验算V1=0.625q1静L+0.625q1活L=0.625×0.994×0.9+0.625×1.05×0.9=1.15kNV2=q1L1=2.044×0.1=0.204kNV max=max[V1,V2]=max[1.15,0.204]=1.15kNτmax=3V max/(2bh0)=3×1.15×1000/(2×60×80)=0.359N/mm2≤[τ]=1.39N/mm2满足要求!3、挠度验算q=(γG(G1k +(G2k+G3k)×h)+γQ×Q1k)×b=(1×(0.3+(24+1.1)×0.12)+1×3)×0.25=1.578kN/m挠度,跨中νmax=0.521qL4/(100EI)=0.521×1.578×9004/(100×8415×256×104)=0.25mm≤[ν]=min(L/150,1 0)=min(900/150,10)=6mm;悬臂端νmax=ql14/(8EI)=1.578×1004/(8×8415×256×104)=0.001mm≤[ν]=min(2×l1/150,10)=min(2×100/1 50,10)=1.333mm满足要求!六、主梁验算主梁类型钢管主梁截面类型(mm) Φ48×2.9主梁计算截面类型(mm) Φ48×2.9主梁抗弯强度设计值[f](N/mm2) 205主梁抗剪强度设计值[τ](N/mm2) 125 主梁截面抵抗矩W(cm3) 4.37主梁弹性模量E(N/mm2) 206000 主梁截面惯性矩I(cm4) 10.49主梁计算方式三等跨连续梁可调托座内主梁根数 11、小梁最大支座反力计算q1=[1.2×(G1k +(G2k+G3k)×h)+1.4×Q1k]×b=[1.2×(0.5+(24+1.1)×0.12)+1.4×3]×0.25=2.104kN/m q1静=1.2×(G1k +(G2k+G3k)×h)×b=1.2×(0.5+(24+1.1)×0.12)×0.25=1.054kN/mq1活=1.4×Q1k×b =1.4×3×0.25=1.05kN/mq2=(γG(G1k +(G2k+G3k)×h)+γQ×Q1k)×b=(1×(0.5+(24+1.1)×0.12)+1×3)×0.25=1.628kN/m承载能力极限状态按二等跨连续梁,R max=1.25q1L=1.25×2.104×0.9=2.367kN按悬臂梁,R1=2.104×0.1=0.21kNR=max[R max,R1]=2.367kN;正常使用极限状态按二等跨连续梁,R'max=1.25q2L=1.25×1.628×0.9=1.832kN按悬臂梁,R'1=q2l1=1.628×0.1=0.163kNR=max[R'max,R'1]=1.832kN;计算简图如下:主梁计算简图一2、抗弯验算主梁弯矩图一(kN·m) σ=M max/W=0.698×106/4370=159.824N/mm2≤[f]=205N/mm2 满足要求!3、抗剪验算主梁剪力图一(kN)τmax=2V max/A=2×5.378×1000/411=26.172N/mm2≤[τ]=125N/mm2满足要求!4、挠度验算主梁变形图一(mm)跨中νmax=1.031mm≤[ν]=min{900/150,10}=6mm悬挑段νmax=0.351mm≤[ν]=min(2×150/150,10)=2mm满足要求!5、支座反力计算承载能力极限状态图一支座反力依次为R1=6.457kN,R2=8.929kN,R3=8.929kN,R4=6.457kN七、可调托座验算荷载传递至立柱方式可调托座可调托座承载力容许值[N](kN) 30 按上节计算可知,可调托座受力N=8.929kN≤[N]=30kN满足要求!八、立柱验算钢管截面类型(mm) Φ48×2.9钢管计算截面类型(mm) Φ48×2.9钢材等级Q235 立柱截面面积A(mm2) 411立柱截面回转半径i(mm) 16 立柱截面抵抗矩W(cm3) 4.37抗压强度设计值[f](N/mm2) 205 支架自重标准值q(kN/m) 0.15 支架立柱计算长度修正系数η 1.2 悬臂端计算长度折减系数k 0.71、长细比验算l01=hˊ+2ka=1000+2×0.7×200=1280mml0=ηh=1.2×1500=1800mmλ=max[l01,l0]/i=1800/16=112.5≤[λ]=150满足要求!2、立柱稳定性验算根据《建筑施工承插型盘扣式钢管支架安全技术规程》JGJ231-2010公式5.3.1-2:小梁验算q1=[1.2×(0.5+(24+1.1)×0.12)+1.4×0.9×3]×0.25 = 1.999kN/m同上四~六步计算过程,可得:R1=6.132kN,R2=8.48kN,R3=8.48kN,R4=6.132kN顶部立柱段:λ1=l01/i=1280.000/16=80查表得,υ=0.722不考虑风荷载:N1 =Max[R1,R2,R3,R4]=Max[6.132,8.48,8.48,6.132]=8.48kNf= N1/(ΦA)=8480/(0.722×411)=28.577N/mm2≤[f]=205N/mm2满足要求!考虑风荷载:M w=γQυcωk×l a×h2/10=1.4×0.9×0.051×0.9×1.52/10=0.013kN·mN1w =Max[R1,R2,R3,R4]+M w/l b=Max[6.132,8.48,8.48,6.132]+0.013/0.9=8.494kNf= N1w/(υA)+ M w/W=8494/(0.722×411)+0.013×106/4370=31.599N/mm2≤[f]=205N/mm2 满足要求!非顶部立柱段:λ=l0/i=1800.000/16=112.5查表得,υ1=0.502不考虑风荷载:N =Max[R1,R2,R3,R4]+γG×q×H=Max[6.132,8.48,8.48,6.132]+1.2×0.15×3=9.02kNf=N/(υ1A)=9.02×103/(0.502×411)=43.718N/mm2≤[σ]=205N/mm2满足要求!考虑风荷载:M w=γQυcωk×l a×h2/10=1.4×0.9×0.051×0.9×1.52/10=0.013kN·mN w =Max[R1,R2,R3,R4]+γG×q×H+M w/l b=Max[6.132,8.48,8.48,6.132]+1.2×0.15×3+0.013/0.9=9.034kN f=N w/(υ1A)+M w/W=9.034×103/(0.502×411)+0.013×106/4370=46.761N/mm2≤[σ]=205N/mm2满足要求!九、高宽比验算根据《建筑施工承插型盘扣式钢管支架安全技术规范》JGJ231-2010 第6.1.4: 对长条状的独立高支模架,架体总高度与架体的宽度之比不宜大于3H/B=3/3.9=0.769≤3满足要求,不需要进行抗倾覆验算!十、立柱支承面承载力验算支撑层楼板厚度h(mm) 120 混凝土强度等级C30混凝土的龄期(天) 7 混凝土的实测抗压强度f c(N/mm2) 8.294混凝土的实测抗拉强度f t(N/mm2) 0.829 立柱垫板长a(mm) 200立柱垫板宽b(mm) 100F1=N=9.034kN1、受冲切承载力计算根据《混凝土结构设计规范》GB50010-2010第6.5.1条规定,见下表公式参数剖析F1局部荷载设计值或集中反力设计值F l≤(0.7βh f t+0.25σpc,m)ηu m h0βh截面高度影响系数:当h≤800mm时,取βh=1.0;当h≥2000mm时,取βh=0.9;中间线性插入取用。
贾峪镇站盘扣支架体系计算书1盘扣支架体系计算书1.1顶(中)板模板及支撑体系验算车站中板和顶板均采用盘扣支架,顶板和中板盘扣支架按纵向1200mm ,横向1200mm ,模板采用15mm 的木胶合板,模板下面上层小楞木均采用100mm ×100mm 方木铺设,间距250mm ,下层主楞采用I10工字钢铺设。
1.1.1 顶板模板验算(1)荷载计算顶板800mm 厚度混凝土自重:24×0.8=19.2KN/m 2 中板400mm 厚度混凝土自重:24×0.4=9.6KN/m 2 顶板800mm 厚钢筋自重:1.1KN/m 2 楼板标准荷载:0.5KN/m 2施工人员及设备(均布荷载):2.5KN/m 2 混凝土振捣荷载:2KN/m 2由于板厚大于30cm ,在进行模板设计时可不考虑混凝土对水平模板的冲击荷载,顶板混凝土自重大于中板混凝土自重,故以顶板进行计算,顶板合格则中板合格。
永久荷载分项系数取1.35,可变荷载分项系数取1.4;由于模板及其支架中不确定因素较多,荷载取值难以准确,不考虑荷载设计值的折减。
设计均布荷载为:1)作用在模板上的强度荷载1q ,需要考虑混凝土自重、模板支架自重、施工人员及设备荷载、振捣荷载等。
m KN q /38.341]4.1)25.2(35.1)1.15.02.19[(1=⨯⨯++⨯++=2)作用在模板上的刚度荷载2q ,只需要考虑混凝土自重、模板支架自重即可以。
m KN q /8.201)1.15.02.19(2=⨯++= (2)模板计算顶板模板采用δ=15mm 木胶合板,按单位宽度1000mm ,跨度250mm 四跨等跨连续梁计算。
计算简图如图9.1.1所示。
q2(a)(b)图9.1.1(a )模板的强度计算简图;(b )模板的刚度计算简图 34221075.315100061b 61mm h W ⨯=⨯⨯==模45331081.2151000121b 121mm h I ⨯=⨯⨯==模①刚度验算挠度mm 47.01081.21061002508.20967.0100534模42w =⨯⨯⨯⨯⨯⨯==EI l q K ω 板模板允许挠度mm l 625.0400250400][===ω ][ωω<,满足刚度要求。
满堂红扣件钢管楼板模板支架计算书模板支架的计算参照《建筑施工扣件式钢管脚手架安全技术规范》(JGJ130-2001)。
模板支架搭设高度为6.0米,搭设尺寸为:立杆的纵距 b=0.90米,立杆的横距 l=0.90米,立杆的步距 h=1.50米。
图1 楼板支撑架立面简图图2 楼板支撑架荷载计算单元采用的钢管类型为48×3.5。
一、模板面板计算面板为受弯结构,需要验算其抗弯强度和刚度。
模板面板的按照三跨连续梁计算。
静荷载标准值 q1 = 25.000×0.250×0.900+0.350×0.900=5.940kN/m活荷载标准值 q2 = (2.000+1.000)×0.900=2.700kN/m面板的截面惯性矩I和截面抵抗矩W分别为:本算例中,截面惯性矩I和截面抵抗矩W分别为:W = 90.00×1.80×1.80/6 = 48.60cm3;I = 90.00×1.80×1.80×1.80/12 = 43.74cm4;(1)抗弯强度计算f = M / W < [f]其中 f ——面板的抗弯强度计算值(N/mm2);M ——面板的最大弯距(N.mm);W ——面板的净截面抵抗矩;[f] ——面板的抗弯强度设计值,取15.00N/mm2;M = 0.100ql2其中 q ——荷载设计值(kN/m);经计算得到 M = 0.100×(1.2×5.940+1.4×2.700)×0.300×0.300=0.098kN.m经计算得到面板抗弯强度计算值 f = 0.098×1000×1000/48600=2.020N/mm2面板的抗弯强度验算 f < [f],满足要求!(2)抗剪计算T = 3Q/2bh < [T]其中最大剪力 Q=0.600×(1.2×5.940+1.4×2.700)×0.300=1.963kN截面抗剪强度计算值 T=3×1963.0/(2×900.000×18.000)=0.182N/mm2截面抗剪强度设计值 [T]=1.40N/mm2抗剪强度验算 T < [T],满足要求!(3)挠度计算v = 0.677ql4 / 100EI < [v] = l / 250面板最大挠度计算值 v = 0.677×8.640×3004/(100×6000×437400)=0.181mm面板的最大挠度小于300.0/250,满足要求!二、模板支撑方木的计算方木按照均布荷载下三跨连续梁计算。
盘扣式满堂楼板模板支架计算书楼板模板的计算参照《建筑施工模板安全技术规范》(JGJ162-2008)、《混凝土结构工程施工规范》(GB506666-2011)、《建筑施工承插型盘扣式钢管支架安全技术规程》(JGJ231-2010)、《混凝土结构设计规范》(GB50010-2010)、《钢结构设计规范》(GB 50017-2003)、《组合钢模板技术规范》(GB50214-2001)、《木结构设计规范》(GB 50005━2003)、《建筑结构荷载规范》(GB 50009-2012)等编制。
一、参数信息:楼板楼板现浇厚度为0.20米,模板支架搭设高度为3.00米,搭设尺寸为:立杆的纵距 b=1.20米,立杆的横距 l=1.20米,立杆的步距h=1.20米。
模板面板采用胶合面板,厚度为18mm,板底龙骨采用木方: 50×80;间距:300mm;托梁采用双楞设置,梁顶托采用10号工字钢。
采用的钢管类型为60×3.2,立杆上端伸出至模板支撑点长度:0.30米。
图1 楼板支撑架立面简图图2 楼板支撑架荷载计算单元二、模板面板计算依据《混凝土结构工程施工规范》GB50666-2011,4.3.5和4.3.6计算。
面板为受弯结构,需要验算其抗弯强度和刚度。
模板面板按照三跨连续梁计算。
使用模板类型为:胶合板。
(1)钢筋混凝土板自重(kN/m):q11 = 25.100×0.200×1.200=6.024kN/m(2)模板的自重线荷载(kN/m):q12 = 0.350×1.200=0.420kN/m(3)活荷载为施工荷载标准值(kN/m):q13 = 2.500×1.200=3.000kN/m均布线荷载标准值为:q = 25.100×0.200×1.200+0.350×1.200=6.444kN/m均布线荷载设计值为:q1 = 0.90×[1.35×(6.024+0.420)+1.4×0.9×3.000]=11.231kN/m 面板的截面惯性矩I和截面抵抗矩W分别为:本算例中,截面抵抗矩W和截面惯性矩I分别为:W = 120.00×1.80×1.80/6 = 64.80cm3;I = 120.00×1.80×1.80×1.80/12 = 58.32cm4;(1)抗弯强度计算M = 0.1q1l2 = 0.1×11.231×0.3002=0.101kN.mσ = M / W < [f]其中σ——面板的抗弯强度计算值(N/mm2);M ——面板的最大弯距(N.mm);W ——面板的净截面抵抗矩;[f]——面板的抗弯强度设计值,取15.00N/mm2;经计算得到面板抗弯强度计算值σ = 0.101×1000×1000/64800=1.560N/mm2面板的抗弯强度验算σ < [f],满足要求!(2)挠度计算验算挠度时不考虑可变荷载值,仅考虑永久荷载标准值,故采用均布线荷载标准值为设计值。
盘扣式满堂楼板模板支架计算书楼板模板的计算参照《建筑施工模板安全技术规范》(JGJ162-2008)、《混凝土结构工程施工规范》(GB506666-2011)、《建筑施工承插型盘扣式钢管支架安全技术规程》(JGJ231-2010)、《混凝土结构设计规范》(GB50010-2010)、《钢结构设计规范》(GB 50017-2003)、《组合钢模板技术规范》(GB50214-2001)、《木结构设计规范》(GB 50005━2003)、《建筑结构荷载规范》(GB 50009-2012)等编制。
一、参数信息:楼板楼板现浇厚度为0.20米,模板支架搭设高度为3.00米,搭设尺寸为:立杆的纵距b=1.20米,立杆的横距l=1.20米,立杆的步距h=1.20米。
模板面板采用胶合面板,厚度为18mm,板底龙骨采用木方: 50×80;间距:300mm;托梁采用双楞设置,梁顶托采用10号工字钢。
采用的钢管类型为60×3.2,立杆上端伸出至模板支撑点长度:0.30米。
图1 楼板支撑架立面简图图2 楼板支撑架荷载计算单元二、模板面板计算依据《混凝土结构工程施工规范》GB50666-2011,4.3.5和4.3.6计算。
面板为受弯结构,需要验算其抗弯强度和刚度。
模板面板按照三跨连续梁计算。
使用模板类型为:胶合板。
(1)钢筋混凝土板自重(kN/m):q11 = 25.100×0.200×1.200=6.024kN/m(2)模板的自重线荷载(kN/m):q12 = 0.350×1.200=0.420kN/m(3)活荷载为施工荷载标准值(kN/m):q13 = 2.500×1.200=3.000kN/m均布线荷载标准值为:q = 25.100×0.200×1.200+0.350×1.200=6.444kN/m均布线荷载设计值为:q1 = 0.90×[1.35×(6.024+0.420)+1.4×0.9×3.000]=11.231kN/m 面板的截面惯性矩I和截面抵抗矩W分别为:本算例中,截面抵抗矩W和截面惯性矩I分别为:W = 120.00×1.80×1.80/6 = 64.80cm3;I = 120.00×1.80×1.80×1.80/12 = 58.32cm4;(1)抗弯强度计算M = 0.1q1l2 = 0.1×11.231×0.3002=0.101kN.mσ = M / W < [f]其中σ——面板的抗弯强度计算值(N/mm2);M ——面板的最大弯距(N.mm);W ——面板的净截面抵抗矩;[f]——面板的抗弯强度设计值,取15.00N/mm2;经计算得到面板抗弯强度计算值σ = 0.101×1000×1000/64800=1.560N/mm2面板的抗弯强度验算σ < [f],满足要求!(2)挠度计算验算挠度时不考虑可变荷载值,仅考虑永久荷载标准值,故采用均布线荷载标准值为设计值。
250mm厚板模板计算书(盘扣式)计算依据:1、《建筑施工模板安全技术规范》JGJ162-20082、《建筑施工承插盘扣式钢管支架安全技术规范》JGJ 231-20103、《混凝土结构设计规范》GB50010-20104、《建筑结构荷载规范》GB 50009-20125、《钢结构设计规范》GB 50017-2003一、工程属性二、荷载设计三、模板体系设计平面图纵向剖面图横向剖面图四、面板验算按简支梁,取1m单位宽度计算。
计算简图如下:W=bt2/6=1000×122/6=24000mm4I=bt3/12=1000×123/12=144000mm3承载能力极限状态q1=γG b(G1k+(G2k+G3k)h0)+γQ bQ1k=1.2×1×(0.1+(24+1.1) ×0.25)+1.4×1×3=11.85kN/m q1静=γG b(G1k+(G2k+G3k)h0)=1.2×1×(0.1+(24+1.1) ×0.25)=7.65kN/m正常使用极限状态q=γG b(G1k+(G2k+G3k)h0)+γQ bQ1k=1×1×(0.1+(24+1.1) ×0.25)+1×1×3=9.375kN/m1、强度验算M max=0.125q1l2=0.125×11.85×0.22=0.059kN·mσ=M max/W=0.059×106/(24000×103)=2.458N/mm2≤[f]=29N/mm2满足要求!2、挠度验算νmax=5ql4/(384EI)=5×9.375×2004/(384×9000×144000)=0.151mmνmax=0.151 mm≤min{200/150,10}=1.333mm满足要求!五、小梁验算承载能力极限状态q1=γG l(G1k+(G2k+G3k)h0)+γQ lQ1k=1.2×0.2×(0.3+(24+1.1) ×0.25)+1.4×0.2×3=2.418kN/m 正常使用极限状态q=γG l(G1k+(G2k+G3k)h0)+γQ lQ1k=1×0.2×(0.3+(24+1.1) ×0.25)+1×0.2×3=1.915kN/m按四等跨梁连续梁计算,又因小梁较大悬挑长度为100mm,因此需进行最不利组合,计算简图如下:1、强度验算σ=M max/W=0.256×106/64000=4N/mm2≤[f]=12.87N/mm2满足要求!2、抗剪验算V max=1.454kNτmax=3V max/(2bh0) =3×1.454×1000/(2×60×80)=0.454N/mm2≤[τ]=1.386N/mm2 满足要求!3、挠度验算νmax=0.555mm≤[ν]=min[l a/150,10]=min[1000/150,10]=6.667mm满足要求!4、支座反力承载能力极限状态R1=1.208kNR2=2.745kNR3=2.258kNR4=2.745kNR5=1.208kN正常使用极限状态R1ˊ=0.959kNR2ˊ=2.178kNR3ˊ=1.791kNR4ˊ=2.178kNR5ˊ=0.959kN六、主梁验算主梁材质及类型钢管截面类型截面惯性矩I(cm4) 10.78 截面抵抗矩W(cm3) 4.49 抗弯强度设计值f(N/mm2) 205 弹性模量E(N/mm2) 206000 抗剪强度设计值fv(N/mm2) 125 计算方式四等跨梁取上面计算中的小梁最大支座反力承载能力极限状态R=max[R1,R2,R3,R4,R5]/2=max[1.208,2.745,2.258,2.745,1.208]/2=1.3725kN正常使用极限状态Rˊ=max[R1ˊ,R2ˊ,R3ˊ,R4ˊ,R5ˊ]/2=max[0.959,2.178,1.791,2.178,0.959]/2=1.089kN计算简图如下:1、抗弯验算σ=M max/W=0.711×106/4490=158.352N/mm2≤[f]=205N/mm2 满足要求!2、抗剪验算V max=4.005kNτmax=2V max/A=2×4.005×1000/424=18.892N/mm2≤[τ]=125N/mm2 满足要求!3、挠度验算νmax=1.373mm≤[ν]=min[l a/150,10]=min[1000/150,10] =6.667mm 满足要求!七、立柱验算1、长细比验算l01=hˊ+2ka=1000+2×0.7×290=1406mml02=ηh=1.2×1500=1800mm取两值中的大值l0=1800mmλ=l0/i=1800/15.9=113.208≤[λ]=150长细比满足要求!2、立柱稳定性验算不考虑风荷载顶部立杆段:λ1=l01/i=1406/15.9=88.428查表得,υ=0.566N1=[γG(G1k+(G2k+G3k)h0)+γQ Q1k]l a l b=[1.2×(0.5+(24+1.1)×0.25)+1.4×3]×1×1=12.33kN f=N1/(υ1A)=12.33×103/(0.566×450)=48.41N/mm2≤[σ]=300N/mm2满足要求!非顶部立杆段:λ2=l02/i=1800/15.9=113.208查表得,υ=0.386N2=[γG(G1k+(G2k+G3k)h0)+γQ Q1k]l a l b=[1.2×(1.05+(24+1.1)×0.25)+1.4×3]×1×1=12.99kN f=N2/(υ2A)=12.99×103/(0.386×450)=74.784N/mm2≤[σ]=300N/mm2满足要求!考虑风荷载M w=ψc×γQωk l a h2/10=0.9×1.4×0.24×1×1.52/10=0.057kN·m顶部立杆段:N1w=[γG(G1k+(G2k+G3k)h0)+ψc×γQQ1k]l a l b+ψc×γQ M w/l b=[1.2×(0.5+(24+1.1)×0.25)+0.9×1.4×3]×1×1+0.9×1.4×0.057/1=11.982k Nf=N1w/(υ1A)+M w/W=11.982×103/(0.566×450)+0.057×106/4730=59.094N/mm2≤[σ]=300N/m m2满足要求!非顶部立杆段:N2w=[γG(G1k+(G2k+G3k)h0)+ψc×γQQ1k]l a l b+ψc×γQ M w/l b=[1.2×(1.05+(24+1.1)×0.25)+0.9×1.4×3]×1×1+0.9×1.4×0.057/1=12.6kN f=N2w/(υ2A)+M w/W=12.642×103/(0.386×450)+0.057×106/4730=84.8N/mm2≤[σ]=300N/mm2满足要求!八、可调托座验算按上节计算可知,可调托座受力N =12.33kN≤[N]=40kN满足要求!九、抗倾覆验算混凝土浇筑前,倾覆力矩主要由风荷载产生,抗倾覆力矩主要由模板及支架自重产生M T=ψc×γQ(ωk L a Hh2+Q3k L a h1)=0.9×1.4×(0.2×238×3.6×6+0.55×238×4)=1955.218kN.m M R=γG G1k L a L b2/2=1.35×1.05×238×262/2=114029.37kN.mM T=1955.218kN.m≤M R=114029.37kN.m满足要求!混凝土浇筑时,倾覆力矩主要由泵送、倾倒混凝土等因素产生的水平荷载产生,抗倾覆力矩主要由钢筋、混凝土、模板及支架自重产生M T=ψc×γQ(Q2k L a H+Q3k L a h1)=0.9×1.4×(0.25×238×3.6+0.55×238×4)=929.628kN.mM R=γG[G1k+(G2k+G3k)h0]L a L b2/2=1.35×[1.05+(24+1.1)×0.25]×238×262/2=795490.605kN.m M T=929.628kN.m≤M R=795490.605kN.m满足要求!十、立杆基础底面的平均压力应满足下式的要求:Pk = Nk/A ≤fg式中:Pk ——立杆基础底面处的平均压力标准值(kPa);Nk ——上部结构传至立杆基础顶面的轴向力标准值(kN);A——基础底面面积(m2);fg——地基承载力特征值(kPa),应按国家现行标准《建筑地基基础设计规范》GB50007规定采用。
盘扣式满堂楼板模板支架计算书楼板模板的计算参照《建筑施工模板安全技术规》(JGJ162-2008)、《混凝土结构工程施工规》(GB506666-2011)、《建筑施工承插型盘扣式钢管支架安全技术规程》(JGJ231-2010)、《混凝土结构设计规》(GB50010-2010)、《钢结构设计规》(GB 50017-2003)、《组合钢模板技术规》(GB50214-2001)、《木结构设计规》(GB 50005━2003)、《建筑结构荷载规》(GB 50009-2012)等编制。
一、参数信息:楼板楼板现浇厚度为0.20米,模板支架搭设高度为3.00米,搭设尺寸为:立杆的纵距 b=1.20米,立杆的横距 l=1.20米,立杆的步距 h=1.20米。
模板面板采用胶合面板,厚度为18mm,板底龙骨采用木方: 50×80;间距:300mm;托梁采用双楞设置,梁顶托采用10号工字钢。
采用的钢管类型为60×3.2,立杆上端伸出至模板支撑点长度:0.30米。
图1 楼板支撑架立面简图图2 楼板支撑架荷载计算单元二、模板面板计算依据《混凝土结构工程施工规》GB50666-2011,4.3.5和4.3.6计算。
面板为受弯结构,需要验算其抗弯强度和刚度。
模板面板按照三跨连续梁计算。
使用模板类型为:胶合板。
(1)钢筋混凝土板自重(kN/m):q11 = 25.100×0.200×1.200=6.024kN/m(2)模板的自重线荷载(kN/m):q12 = 0.350×1.200=0.420kN/m(3)活荷载为施工荷载标准值(kN/m):q13 = 2.500×1.200=3.000kN/m均布线荷载标准值为:q = 25.100×0.200×1.200+0.350×1.200=6.444kN/m均布线荷载设计值为:q1 = 0.90×[1.35×(6.024+0.420)+1.4×0.9×3.000]=11.231kN/m 面板的截面惯性矩I和截面抵抗矩W分别为:本算例中,截面抵抗矩W和截面惯性矩I分别为:W = 120.00×1.80×1.80/6 = 64.80cm3;I = 120.00×1.80×1.80×1.80/12 = 58.32cm4;(1)抗弯强度计算M = 0.1q1l2 = 0.1×11.231×0.3002=0.101kN.mσ = M / W < [f]其中σ——面板的抗弯强度计算值(N/mm2);M ——面板的最大弯距(N.mm);W ——面板的净截面抵抗矩;[f]——面板的抗弯强度设计值,取15.00N/mm2;经计算得到面板抗弯强度计算值σ = 0.101×1000×1000/64800=1.560N/mm2面板的抗弯强度验算σ < [f],满足要求!(2)挠度计算验算挠度时不考虑可变荷载值,仅考虑永久荷载标准值,故采用均布线荷载标准值为设计值。
v = 0.677ql4 / 100EI < [v] = l / 250面板最大挠度计算值 v = 0.677×6.444×3004/(100×8000×583200)=0.076mm 面板的最大挠度小于300.0/250,满足要求!三、板底龙骨的计算板底龙骨按照均布荷载下三跨连续梁计算。
1.荷载的计算(1)钢筋混凝土板自重(kN/m):q11 = 25.100×0.200×0.300=1.506kN/m(2)模板的自重线荷载(kN/m):q12 = 0.350×0.300=0.105kN/m(3)活荷载为施工荷载标准值(kN/m):q13 = 2.500×0.300=0.750kN/m均布线荷载标准值为:q = 25.100×0.200×0.300+0.350×0.300=1.611kN/m均布线荷载设计值为:q1 = 0.90×[1.35×(1.506+0.105)+1.4×0.9×0.750]=2.808kN/m2.板底龙骨的计算按照三跨连续梁计算,计算过程如下:板底龙骨的截面力学参数为本算例中,截面抵抗矩W和截面惯性矩I分别为:W = 5.00×8.00×8.00/6 = 53.33cm3;I = 5.00×8.00×8.00×8.00/12 = 213.33cm4;(1)抗弯强度计算M = 0.1q1l2 = 0.1×2.808×1.2002=0.404kN.mσ = M / W < [f]其中σ——板底龙骨的抗弯强度计算值(N/mm2);M ——板底龙骨的最大弯距(N.mm);W ——板底龙骨的净截面抵抗矩;[f]——板底龙骨的抗弯强度设计值,取16.50N/mm2;经计算得到板底龙骨抗弯强度计算值σ = 0.404×1000×1000/53333=7.581N/mm2板底龙骨的抗弯强度验算σ < [f],满足要求!(2)挠度计算验算挠度时不考虑可变荷载值,仅考虑永久荷载标准值,故采用均布线荷载标准值为设计值。
v = 0.677ql4 / 100EI < [v] = l / 250板底龙骨最大挠度计算值 v = 0.677×1.611×12004/(100×9000×2133333)=1.178mm板底龙骨的最大挠度小于1200.0/250,满足要求!最大支座力最大支座力 N = 0.5×1.1×ql = 0.5×1.1×2.808×1.200=1.685kN四、托梁的计算托梁采用双楞设置,托梁按照集中与均布荷载下多跨连续梁计算。
集中荷载取木方的支座力 P= 1.685kN均布荷载取托梁的自重 q= 0.135kN/m。
托梁计算简图托梁剪力图(kN)托梁弯矩图(kN.m)经过计算得到最大弯矩 M= 0.853kN.m经过计算得到最大支座 F= 7.612kN经过计算得到最大变形 V= 0.2mm顶托梁的截面力学参数为截面抵抗矩 W = 49.00cm3;截面惯性矩 I = 245.00cm4;(1)顶托梁抗弯强度计算抗弯计算强度 f=0.853×106/49000.0=17.41N/mm2顶托梁的抗弯计算强度小于215.0N/mm2,满足要求!(2)顶托梁挠度计算最大变形 v = 0.2mm顶托梁的最大挠度小于1200.0/400,满足要求!五、模板支架荷载标准值(立杆轴力)作用于模板支架的荷载包括静荷载、活荷载和风荷载。
1.静荷载标准值包括以下容:(1)脚手架钢管的自重(kN):N G1 = 0.2260×3.000=0.678kN钢管的自重计算参照《扣件式规》(JGJ 130- 2011)附录A.0.3 满堂支撑架自重标准值。
(2)模板的自重(kN):N G2 = 0.350×1.200×1.200=0.504kN(3)钢筋混凝土楼板自重(kN):N G3 = 25.100×0.200×1.200×1.200=7.229kN经计算得到,静荷载标准值 N G = N G1+N G2+N G3 = 8.411kN。
2.活荷载为施工荷载标准值。
计算支架立柱及其他支撑结构时,均布荷载取2.50kN/m2经计算得到,活荷载标准值 N Q = 2.500×1.200×1.200=3.600kN3.不考虑风荷载时,立杆的轴向压力设计值模板支架的荷载设计值:N = 0.90×(1.35×N G + 1.4×0.9×N Q)=14.302kN六、立杆的稳定性计算1.不考虑风荷载时,立杆的稳定性计算其中N ——立杆的轴心压力设计值,N=14.302kN;——轴心受压立杆的稳定系数,由长细比λ= l0/i 查表得到;i ——计算立杆的截面回转半径,i=2.01cm;A ——立杆净截面面积,A=5.71cm2;——钢管立杆抗压强度计算值 (N/mm2);[f] ——钢管立杆抗压强度设计值,[f] = 300.00N/mm2;l0——计算长度 (m);(1).参照《建筑施工承插型盘扣式钢管支架安全技术规程》(JGJ231-2010),由公式(1)、(2)计算顶部 l0 = h'+2Ka (1)底部 l0 = ηh (2)其中,k——悬臂端计算长度折减系数,取0.7;η——支架立杆计算长度修正系数;η= 1.200a——立杆上端伸出顶层横杆中心线至模板支撑点的长度a = 0.30m;h ——支架立杆中间层水平杆最大竖向步距;h'——支架立杆顶层水平杆步距;公式(1)的计算结果:λ = h+2ka=(1.200+ 2×0.7×0.30)×100/2.010=81< [λ]=150, 满足要求!公式(2)的计算结果:λ = ηh=1.200×1.200×100/2.010=72< [λ]=150, 满足要求!顶部立杆计算长度 l0 = h+2ka = 1.20+ 2×0.7×0.30) = 1.620底部立杆计算长度 l0 = ηh = 1.200 ×1.20 = 1.440顶部: l0/i = 1620/20.100 = 81底部: l0/i = 1440/20.100 = 72由长细比l0/i 的结果查表得到轴心受压立杆的顶部稳定系数 = 0.716由长细比l0/i 的结果查表得到轴心受压立杆的底部稳定系数 = 0.765经计算得到:顶部σ= 14302.000/(0.716×571.000)=34.99N/mm2底部σ= 14302.000/(0.765×571.000)=32.76N/mm2不考虑风荷载时,立杆的稳定性计算σ < [f],满足要求!。