门式刚架轻型房屋钢结构标准图集(02TD-101)-梁柱连接节点详图2
- 格式:pdf
- 大小:22.31 KB
- 文档页数:1
5.方茴说:“那时候我们不说爱,爱是多么遥远、多么沉重的字眼啊。
我们只说喜欢,就算喜欢也是偷偷摸摸的。
”6.方茴说:“我觉得之所以说相见不如怀念,是因为相见只能让人在现实面前无奈地哀悼伤痛,而怀念却可以把已经注定的谎言变成童话。
”7.在村头有一截巨大的雷击木,直径十几米,此时主干上唯一的柳条已经在朝霞中掩去了莹光,变得普普通通了。
8.这些孩子都很活泼与好动,即便吃饭时也都不太老实,不少人抱着陶碗从自家出来,凑到了一起。
9.石村周围草木丰茂,猛兽众多,可守着大山,村人的食物相对来说却算不上丰盛,只是一些粗麦饼、野果以及孩子们碗中少量的肉食。
1 .铰接连接( 1 )梁支承于柱顶时图 6 - 45 所示为梁支承于柱顶的典型柱头构造。
梁端焊接一端板(亦即梁的支承加劲肋),端板底部伸出梁的下翼缘不超过端板厚度的 2 倍。
依靠端板底部刨平顶紧于柱的顶板而将梁的端部反力传给柱头。
左右两梁端板间用普通螺栓相连并在其间设填板,以调整梁在加工制造中跨度方向的长度偏差。
梁的下翼缘板与柱顶板间用普通螺栓相连以固定梁的位置。
这种支承方式基本上使柱中心受压,可用于轴压柱的柱头构造设计。
柱顶顶板用以承受由梁传下来的压力并均匀传递给整个柱截面,因而顶板必须具有一定的刚度,通常取厚度:t=20~30mrn ,不需计算。
为了不使柱顶部腹板受力过分集中,在梁的端板下的柱腹板处可设置加劲肋。
顶板与柱顶用角焊缝连接,并假定由此角焊缝传递全部荷载,焊脚尺寸通过计算确定。
当柱腹板处设有加劲肋时,柱顶顶板焊缝的这种计算偏于保守,因这时大部分荷载将由加劲肋传递。
加劲肋的连接需经计算。
加劲肋顶部如刨平顶紧于柱顶板的底面,此时与顶板的焊缝按构造设置,否则其与顶板的连接角焊缝应按传力需要计算。
加劲肋与柱腹板的竖向角焊缝连接要按同时传递剪力和弯矩计算,剪力为由加劲肋顶部传下之力,此力作用于每边加劲肋顶部的中点,对与柱腹板相连的竖向角焊缝有偏心而产生弯矩,参阅图 6-45 ( a )右图。
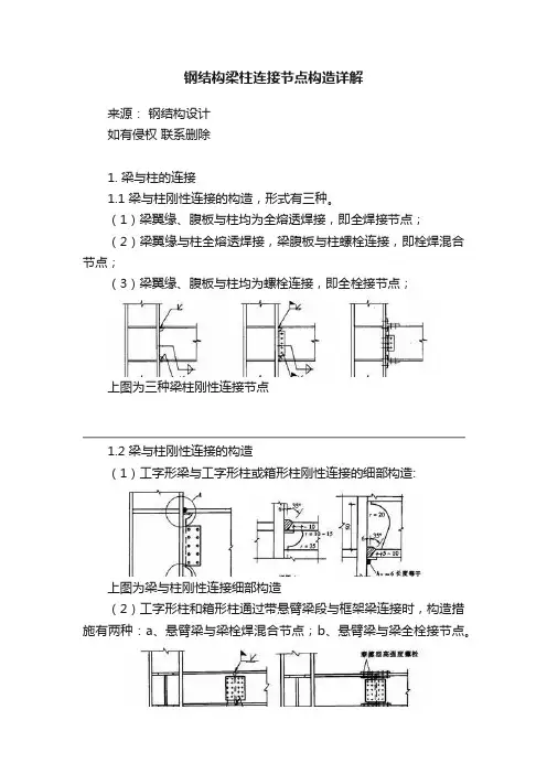
钢结构梁柱连接节点构造详解来源:钢结构设计如有侵权联系删除1. 梁与柱的连接1.1 梁与柱刚性连接的构造,形式有三种。
(1)梁翼缘、腹板与柱均为全熔透焊接,即全焊接节点;(2)梁翼缘与柱全熔透焊接,梁腹板与柱螺栓连接,即栓焊混合节点;(3)梁翼缘、腹板与柱均为螺栓连接,即全栓接节点;上图为三种梁柱刚性连接节点1.2 梁与柱刚性连接的构造(1)工字形梁与工字形柱或箱形柱刚性连接的细部构造:上图为梁与柱刚性连接细部构造(2)工字形柱和箱形柱通过带悬臂梁段与框架梁连接时,构造措施有两种:a、悬臂梁与梁栓焊混合节点;b、悬臂梁与梁全栓接节点。
上图为柱带悬臂梁段与梁连接梁与柱刚性连接时,按抗震设防的结构,柱在梁翼缘上下各500mm的节点范围内,柱翼缘与柱腹板间或箱形柱壁板间的组合焊缝,应采用全熔透坡口焊缝。
1.3 改进梁与柱刚性连接抗震性能的构造措施对于有抗震性能要求的梁柱刚性连接,在遭遇罕见强烈地震时,应在构造上保证钢梁破坏先于节点破坏,保证梁柱节点的安全,即“强柱弱梁、强节点弱构件”的设计原则。
(1)骨形连接骨形连接是通过削弱钢梁来保护梁柱节点。
这种骨形连接在日本比较流行。
上图为骨形连接(2)楔形盖板连接在不降低梁的强度和刚度的前提下,通过梁端翼缘加焊楔形盖板,增强梁柱节点上图为几种常见的梁端翼缘加焊楔形盖板做法(3)外连式加劲板连接对于箱型或圆形截面柱与梁刚性连接,除了采用骨形连接、楔形盖板之外,还可采用外连式加劲板连接,节点强度明显大于钢梁强度。
1.4 工字形截面柱在弱轴与主梁刚性连接当工字形截面柱在弱轴方向与主梁刚性连接时,应在主梁翼缘对应位置设置柱水平加劲肋,在梁高范围内设置柱的竖向连接板,其厚度应分别与梁翼缘和腹板厚度相同。
柱水平加劲肋与柱翼缘和腹板均为全熔透坡口焊缝,竖向连接板与柱腹板连接为角焊缝。
主梁与柱的现场连接如图所示。
上图为工字形柱弱轴与主梁刚性连接1.5 梁柱节点域的加强工字形由上下水平加劲肋和柱翼缘所包围的柱腹板简称为节点域。
门式轻型刚架主要节点和构件的构造12.3.1 节点的构造1. 梁、柱连接节点的构造门式刚架梁与柱的工地连接,常用螺栓端板连接,它是在构件端部截面上焊接平板(端板与梁柱的焊接要求等强,多采用熔透焊)并以螺栓与另一构件的端板相连的一种节点形式,其连接形式分为端板竖放、横放、斜放三种基本形式(图12-2)。
每种形式又可分为端板外伸式及端板平齐式两种连接方法(图12-3)。
图12-2梁柱连接形式图12-3端板连接形式梁柱连接节点的构造应符合下列规定:(1)连接应按所受最大内力设计。
当内力较小时,应按能够承受不小于较小被连接截面承载力的一半设计。
(2)刚架构件的连接应采用高强度螺栓,吊车梁与制动梁的连接可采用摩擦型高强度螺栓连接或焊接。
吊车梁与刚架连接的螺栓孔宜设长圆孔。
高强度螺栓直径可根据需要选用,通常采用M16~M24螺栓。
檩条和墙梁与刚架横梁和柱的连接通常采用M10或M12普通螺栓。
(3)端板连接螺栓应成对称布置。
在受拉翼缘和受压翼缘的内外两侧均应设置,并宜使每个翼缘的螺栓群中心与翼缘的中心重合或接近,为此,应采用将端板伸出截面高度范围以外的外伸式连接。
同时应在节点板外伸部分设置加劲肋(见图12-4a),使靠近受拉翼缘两侧螺栓受力均匀,接近一致。
螺栓拉力的分布建议按图12-4(b)中情况考虑,其中要求端板厚度不宜小于螺栓直径。
当螺栓群间的力臂足够大(例如在端板斜置时)或受力较小时(例如某些横梁拼接),也可采用将螺栓全部设在构件截面高度范围内的端板平齐式连接。
图12-4 端板外伸式节点的连接形式(4)螺栓中心至翼缘板表面的距离,应满足拧紧螺栓时的施工要求,不宜小于35 mm。
螺栓端距不应小于2倍螺栓孔径。
(5)在门式刚架中,受压翼缘的螺栓不宜少于两排。
当受拉翼缘两侧各设一排螺栓尚不能满足承载力要求时,可在翼缘内侧增设螺栓(见图12-5),其间距可取75 mm,且不小于3倍螺栓孔径。
(6)与横梁端板连接的柱翼缘部分应与端板等厚度(见图12-5),当端板上两对螺栓间的最大距离大于400 mm时,应在端板的中部增设一对螺栓。