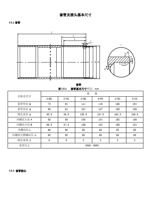
套管 接箍尺寸
- 格式:pdf
- 大小:89.37 KB
- 文档页数:2
油套管螺纹参数GB9553.1-1999二○○三年四月说明1、手紧紧密距“A”是基本机紧上扣内的基本留量。
2、对于基本机紧上扣,接箍或内螺纹端面旋紧至消失点端面。
3、对于8牙/25.4mm圆螺纹套管,Lc=(L4-28.58)mm。
对于偏梯形套管螺纹Lc=(L7-10.16)mm。
4、对于井下工具上的圆螺纹,消失锥角任选。
5、手紧面即基面。
6、完整螺纹对于外螺纹,第1牙完整螺纹是靠近倒角的螺纹,对于内螺纹,是靠近端面的螺纹,且牙底两侧都是完整螺纹。
对于油管最后一牙完整螺纹的位置在距外螺纹端面(L4-g)处,对于偏梯形螺纹,在距外螺纹端面L7处;对于圆螺纹套管,在管端至螺纹消失点长度(L4-12.70)处。
对于内螺纹,最后一牙完整螺纹的位置应距接箍中心或整体连接油管内螺纹小端J+1p。
7、偏梯形套管螺纹上的中径是大径和小径的中间值。
8、偏梯形外螺纹的完全螺纹长度L7即为管端至E7平面长度。
9、计算值说明:(1)圆螺纹内螺纹大端小径8牙/25.4mm圆螺纹D6=E1+M/16-(H-2Scn)=E1+M/16-1.734;10牙/25.4mm圆螺纹D6=E1+M/16-(H-2Scn)=E1+M/16-1.336; (2)圆螺纹外螺纹小端大径8牙/25.4mm圆螺纹D5=(E1-L1/16)+(H-2S cs)=E1-L1/16+1.73410牙/25.4mm圆螺纹D5=(E1-L1/16)+(H-2S cs)=E1-L1+1.336(3)偏梯螺纹外螺纹小端大径41/2-133/8 (锥度1:16) D5=E7-L7/16+1.57516-20(锥度1:12) D5=E7-L7/12+1.575(4) 偏梯螺纹内螺纹大端小径41/2-133/8 (锥度1:16) D6=E7+M/16-1.57516-20(锥度1:12) D6=E7-M/12-1.575单位mm表2 套管圆螺纹尺寸续表2 套管圆螺纹尺寸注:2)适用于低于P110钢级的接箍。
_* A P I油管规格及尺寸公称尺寸(in)不加厚外径(mm)不加厚内径(mm)加厚外径(mm)加厚内径(mm)不加厚接箍外径(mm)加厚接箍外径(mm)1 1/2 48.3 40.3 53.2 40.3 55 63.52 3/8 60.3 50.3 65.9 50.3 73 782 7/873.0 62.0 78.6 62.0 89.5 933 1/288.9 75.9 95.25 75.9 107 114.54 101.6 88.6 107.95 88.6 121 127 4 1/2114.3 100.3 120.65 100.3 132.5 141.5_*石油油管螺纹代号对照表平式油管螺纹外加厚油管螺纹GB9253.3 YB239-63 GB9253.3 YB239-631.900TBG 1 1/ 2 " 平式扣 1.900UPTBG 1 1/2" 外加厚扣2 3/8 TBG 2" 平式扣 2 3/8UPTBG 2" 外加厚扣2 7/8 TBG 2 1/2" 平式扣 2 7/8UPTBG 2 1/2" 外加厚扣3 1/2 TBG 3" 平式扣 3 1/2UPTBG 3" 外加厚扣4 TBG 3 1/2" 平式扣4UPTBG 3 1/2" 外加厚扣_* 4 1/2 TBG 4" 平式扣 4 1/2UPTBG 4" 外加厚扣套管规格及尺寸外径mm(in)接箍外径(mm)内径(mm)通径(mm)外径mm(in)接箍外径(mm)内径(mm)通径(mm)114.3(4 1/2)127.0103.9 100.7177.8(7)194.5166.1 162.9 102.9 99.7 164.0 160.8101.6 98.4 161.7 158.599.6 96.4 159.4 156.2127 141.3 115.8 112.6 193.7 215.9 178.5 175.3_* (5)114.1 111.0 (7 5/8)177.0 173.8112.0 108.8 174.6 171.5108.6 105.4 171.8 168.7 139.7(5 1/2)153.7127.3 124.1219.1(8 5/8)244.5205.7 202.5 125.7 122.6 203.7 200.5124.3 121.1 201.2 198.0121.4 118.2 198.8 195.6 石油套管螺纹代号对照表_* 短圆螺纹套管长圆螺纹套管偏梯形螺纹API SPEC 5CT YB690-70 API SPEC 5CT YB690-70 API SPEC 5CT4 1/ 2 CSG 4 1/ 2 "套管 4 1/2 LCSG 4 1/ 2 "长丝扣套管 4 1/2 BCSG5 CSG 5"套管5LCSG 5"长丝扣套管 5 BCSG5 1/ 2 CSG 5 1/2 "套管 5 1/2 LCSG 5 1/ 2 "长丝扣套管 5 1/2BCSG6 5/8 CSG 6 5/8 "套管 6 5/8 LCSG 6 5/8 "长丝扣套管 6 5/8 BCSG7 CSG 7"套管7 LCSG 7"长丝扣套管7 BCSG7 5/8 CSG 7 5/8 "套管7 5/8 LCSG 7 5/8 "长丝扣套管7 5/8 BCSG_*8 5/8 CSG 8 5/8 "套管8 5/8 LCSG 8 5/8 "长丝扣套管8 5/8 BCSG9 5/8 CSG 9 5/8 "套管9 5/8 LCSG 9 5/8 "长丝扣套管9 5/8BCSG10 3/ 4 CSG 10 3/4 "套管10 3/4 LCSG 103/4"长丝扣套管10 3/4BCSG钻杆规格及尺寸(X、G、S钢级)规格外径mm(in)管体内径(mm)内加厚内径(mm)外加厚外径(mm)规格外径mm(in)管体内径(mm)内加厚内径(mm)外加厚外径(mm)60.3(2 3/8)46.1 67.5114.3(4 1/2)97.2 131.873.0 54.6 33.3 81.8 114.3 92.5 131.8_* (2 7/8 )(4 1/2)88.9(3 1/2)76.0 57.2 97.1127(5)112.0 95.288.9(3 1/2)70.2 49.2 97.1127(5)108.6 146.1101.6(4)88.3 74.6 114.3139.7(5 1/2)121.4 96.9 141.3101.6 84.8 69.8 114.3 139.7 118.6 96.9 141.3_* (4)(5 1/2)石油钻杆接头螺纹代号对照表GB9253.1 标准GB9253.1标准YB691-70GB9253.1标准YB691-70NC26 2 3/8 IF 2A10/2A11 4 1/ 2 FH 420/421 NC31 2 7/8 IF 210/211 2 7/8 REG 230/231 NC38 3 1/2 IF 310/311 3 1/ 2 REG 330/331 NC50 4 1/ 2 IF 410/411 4 1/ 2 REG 430/431_*3 1/2 FH 320/321 5 1/ 2 REGNC40 4 FH 4A20/4A21 6 5/8 REG。
完美WORD 格式.整理. 专业资料分享 .A P I 油 管 规 格 及 尺 寸公称尺寸 (in )不加厚外径 (mm ) 不加厚内径 (mm )加厚外径(mm )加厚内径 (mm )不加厚接箍 外径(mm ) 加厚接箍 外径(mm )1 1/2 48.3 40.3 53.2 40.3 55 63.5 2 3/8 60.3 50.3 65.9 50.3 73 78 2 7/8 73.0 62.0 78.6 62.0 89.5 93 3 1/2 88.9 75.9 95.25 75.9 107 114.54 101.6 88.6 107.95 88.6 121 127 4 1/2114.3100.3120.65100.3132.5141.5完美WORD格式.整理石油油管螺纹代号对照表平式油管螺纹外加厚油管螺纹GB9253.3 YB239-63 GB9253.3 YB239-631.900TBG 1 1/2 " 平式扣 1.900UPTBG 1 1/2" 外加厚扣2 3/8 TBG 2" 平式扣 2 3/8UPTBG 2" 外加厚扣2 7/8 TBG 2 1/2" 平式扣 2 7/8UPTBG 2 1/2" 外加厚扣3 1/2 TBG 3" 平式扣 3 1/2UPTBG 3" 外加厚扣4 TBG 3 1/2" 平式扣4UPTBG 3 1/2" 外加厚扣. 专业资料分享.完美WORD 格式.整理. 专业资料分享 .4 1/2 TBG4" 平式扣4 1/2UPTBG4" 外加厚扣套 管 规 格 及 尺 寸外径 mm (in )接箍外径 (mm )内径 (mm )通径 (mm )外径 mm (in )接箍外径 (mm )内径 (mm )通径 (mm )114.3(4 1/2)127.0103.9100.7 177.8(7)194.5166.1 162.9 102.999.7 164.0 160.8 101.6 98.4 161.7 158.5 99.696.4 159.4 156.2 127141.3115.8 112.6193.7215.9178.5175.3完美WORD 格式.整理. 专业资料分享 .(5) 114.1 111.0 (7 5/8)177.0 173.8 112.0 108.8 174.6 171.5 108.6 105.4 171.8 168.7 139.7(5 1/2)153.7127.3124.1 219.1(8 5/8)244.5205.7202.5 125.7 122.6 203.7 200.5 124.3 121.1 201.2 198.0 121.4118.2198.8195.6石油套管螺纹代号对照表完美WORD格式.整理短圆螺纹套管长圆螺纹套管偏梯形螺纹API SPEC 5CT YB690-70 API SPEC 5CT YB690-70 API SPEC 5CT4 1/2 CSG 4 1/2 "套管 4 1/2 LCSG 4 1/2 "长丝扣套管 4 1/2 BCSG5 CSG 5"套管5LCSG 5"长丝扣套管 5 BCSG5 1/2 CSG 5 1/2 "套管 5 1/2 LCSG 5 1/2 "长丝扣套管 5 1/2BCSG6 5/8 CSG 6 5/8 "套管 6 5/8 LCSG 6 5/8 "长丝扣套管 6 5/8 BCSG7 CSG 7"套管7 LCSG 7"长丝扣套管7 BCSG7 5/8 CSG 7 5/8 "套管7 5/8 LCSG 7 5/8 "长丝扣套管7 5/8 BCSG . 专业资料分享.完美WORD 格式.整理. 专业资料分享 .8 5/8 CSG 8 5/8 "套管 8 5/8 LCSG 8 5/8 "长丝扣套管 8 5/8 BCSG 9 5/8 CSG 9 5/8 "套管 9 5/8 LCSG 9 5/8 "长丝扣套管 9 5/8BCSG 10 3/4 CSG10 3/4 "套管10 3/4 LCSG103/4"长丝扣套管10 3/4BCSG钻 杆 规 格 及 尺 寸 (X 、G 、S 钢级)规格外径 mm (in )管体内径 (mm ) 内加厚 内径(mm ) 外加厚 外径(mm ) 规格外径 mm (in )管体内径 (mm ) 内加厚 内径(mm ) 外加厚外径(mm )60.3(2 3/8) 46.167.5114.3(4 1/2) 97.2131.873.054.633.381.8114.392.5131.8完美WORD 格式.整理. 专业资料分享 .(2 7/8 ) (4 1/2) 88.9(3 1/2) 76.057.297.1127(5) 112.0 95.288.9(3 1/2) 70.249.297.1127(5) 108.6 146.1101.6(4) 88.374.6114.3139.7(5 1/2) 121.496.9 141.3101.684.869.8114.3139.7118.696.9141.3完美WORD 格式.整理. 专业资料分享 .(4)(5 1/2)石油钻杆接头螺纹代号对照表GB9253.1 标准 GB9253.1标准 YB691-70GB9253.1标准YB691-70NC26 2 3/8 IF 2A10/2A11 4 1/2 FH 420/421 NC31 2 7/8 IF 210/211 2 7/8 REG 230/231 NC38 3 1/2 IF 310/311 3 1/2 REG 330/331 NC504 1/2 IF410/4114 1/2 REG430/431完美WORD格式.整理3 1/2 FH 320/321 5 1/2 REGNC40 4 FH 4A20/4A21 6 5/8 REG . 专业资料分享.。
中海油能源发展管道工程钻采管材分公司机加工中心 编制:邓宇超 校对:叶玉乐
2.规格一栏单位为in,锥度单位为mm/m,其余单位均为mm;9-5/8a适用于低于P110钢级接箍,9-5/8b使用于P110和高于P110钢级接箍;
3.依据API5CT第10版,5B第16版;
4.管端外倒角60°±5°,接箍镗孔退刀角25°±5°,不允许端面起扣,不允许出现刀口状棱边;内外倒角必须360°倒圆;
5.有效螺纹范围内,螺纹应无明显的撕裂、刀痕、磨痕、台肩、或破坏螺纹连续性的任何其他缺欠;
6.在Lc长度范围内,均应为全顶螺纹,不允许存在不完整螺纹;外螺纹消失锥角为12°,对于井下工具上的圆螺纹锥角可任选;
7.接箍拧接需控制扭矩和J值;对于基本机紧上扣,接箍或内螺纹端面前进至消失点平面;
8.接箍螺纹上不能存在使接箍螺纹保护层剥落或损伤啮合面的明显凸点;
9.D代表管体公称尺寸,t代表管体公称壁厚
第2页,共11页。
各种油套管、工具等基本数据(1)-油管鉴于许多技术员对各种工具和油管、套管的基本数据了解不多,在编写施工设计和工程事故处理工具选择上出现一些问题,在此,分几次将现在常用的油套管、工具的基本数据登出,以备大家查询。
1、d76mm油管:外径88.9mm ,内径75.9mm,每米内容积0.004523立方米,每米重量13.22kg;接箍外径107mm ,长度146mm,重量3.6kg;整管平均重量13.6kg/米。
2、d62mm油管:外径73mm,内径62mm, 每米内容积0.003018立方米,每米重量9.16kg;接箍外径89.5mm,长度132mm,重量2.4kg;整管平均重量9.4kg/米。
3、d62mm外加厚油管:外径73mm,内径62mm, 每米内容积0.003018立方米,每米重量9.16kg;加厚部分外径78.6mm,重量增加0.9kg;接箍外径93mm,长度134mm,重量2.8kg;整管平均重量9.53kg/米。
4、d50mm油管:外径60.3mm,内径50.3mm, 每米内容积0.001986立方米,每米重量6.84kg;接箍外径73mm,长度110mm,重量1.3kg;整管平均重量7kg/米。
5、d40mm油管:外径48.3mm ,内径40.3mm,每米内容积0.001275立方米,每米重量4.39kg;接箍外径55mm ,长度96mm,重量0.5kg;整管平均重量4.4kg/米。
6、油管抗拉强度(以下数据均按油管钢级DZ40、DZ50、DZ55排列,单位kN):(1)d76mm油管:446、585、645(2)d62mm外加厚油管:443、583、641(3)d62mm油管:294、387、426(4)d50mm油管:208、274、3015(5)d40mm油管:118.7、156、171.5注:外加厚油管所标注为管身抗拉力,平式油管标注为抗滑扣拉力,平式油管管身抗拉力与外加厚油管相同。
油管套管等规格对照表API油管规格及尺寸公称尺寸(in)不加厚外径(mm)不加厚内径(mm)加厚外径(mm)加厚内径(mm)不加厚接箍外径(mm)加厚接箍外径(mm)11/248.340.353.240.35563.523/860.350.365.950.3737827/873.062.078.662.089.59331/288.975.995.2575.9107114.54101.688.6107.9588.612112741/2114.3100.3120.65100.3132.5141.5石油油管螺纹代号对照表平式油管螺纹外加厚油管螺纹GB9253.3YB239-63GB9253.3YB239-631.900TBG11/2"平式扣 1.900UPTBG11/2"外加厚扣23/8TBG2"平式扣23/8UPTBG2"外加厚扣27/8TBG21/2"平式扣27/8UPTBG21/2"外加厚扣31/2TBG3"平式扣31/2UPTBG3"外加厚扣4TBG31/2"平式扣4UPTBG31/2"外加厚扣41/2TBG4"平式扣41/2UPTBG4"外加厚扣套管规格及尺寸外径mm(in)接箍外径(mm)内径(mm)通径(mm)外径mm(in)接箍外径(mm)内径(mm)通径(mm)114.3(41/2)127.0103.9100.7177.8(7)194.5166.1162.9102.999.7164.0160.8101.698.4161.7158.599.696.4159.4156 .2127141.3115.8112.6193.7215.9178.5175.3(5)114.1111.0(75/8)177.0173.8112.0108.8174.6171.5108.6105.4171.8168.7139.7(51/2) 153.7127.3124.1219.1(85/8)244.5205.7202.5125.7122.6203.7200.5124.3121.1201.2198.0121.4118.2198. 8195.6石油套管螺纹代号对照表短圆螺纹套管长圆螺纹套管偏梯形螺纹APISPEC5CTYB690-70APISPEC5CTYB690-70APISPEC5CT41/2CSG41/2"套管41/2LCSG41/2"长丝扣套管41/2BCSG5CSG5"套管5LCSG5"长丝扣套管5BCSG51/2CSG51/2"套管51/2LCSG51/2"长丝扣套管51/2BCSG65/8CSG65/8"套管65/8LCSG65/8"长丝扣套管65/8BCSG7CSG7"套管7LCSG7"长丝扣套管7BCSG75/8CSG75/8"套管75/8LCSG75/8"长丝扣套管75/8BCSG85/8CSG85/8"套管85/8LCSG85/8"长丝扣套管85/8BCSG95/8CSG95/8"套管95/8LCSG95/8"长丝扣套管95/8BCSG103/4CSG103/4"套管103/4LCSG103/4"长丝扣套管103/4BCSG钻杆规格及尺寸(XX、GG、SS钢级)规格外径mm(in)管体内径(mm)内加厚内径(mm)外加厚外径(mm)规格外径mm(in)管体内径(mm)内加厚内径(mm)外加厚外径(mm)60.3(23/8)46.167.5114.3(41/2)97.2131.873.054.633.381.8114.392.5131.8(27/8)(41/2)88.9(31/2)76.057.297.1127(5)112.095.288.9(31/2)70.249.297.1127(5)108.6146.1101.6(4)88.374.6114.3139.7(51/2)121.496.9141.3101.684.869.8114.3139.7118.696.9141.3 (4)(51/2)石油钻杆接头螺纹代号对照表GB9253.1标准GB9253.1标准YB691-70GB9253.1标准YB691-70NC2623/8IF2A10/2A1141/2FH420/421NC3127/8IF210/21127/8REG230/231NC38 31/2IF310/31131/2REG330/331NC5041/2IF410/41141/2REG430/43131/2FH320/32151/2REGNC404FH4A20/4A2165/8REG重量计算[(外径-壁厚)*壁厚]*0.02466=kg/米(每米的重量)外径单位:毫米石油套管的钢级:H40,J55,K55,N80,L80,C90,T95,P110,Q125等。