ZJ型渣浆泵技术参数
- 格式:doc
- 大小:639.00 KB
- 文档页数:22
立式渣浆泵技术要求
一、设备名称及数量
立式渣浆泵 65ZJL-A30B 1台
二、使用工况
原煤仓下排污清扫用,一台工作。
三、渣浆泵主要技术参数
1、65ZJL-A30B渣浆泵主要技术参数
流量=68m3/h,H=20.9m,密度1.6,效率58.8%,转速1172r/min,BD,粒度≦20mm,重量440kg,配用功率:18.5kw,轴功率:11.56kw 2、65ZJL-A30B渣浆泵配套电机主要技术参数
电机名称:高效率三相异步电动机,型号:YX3 180M-4,功率:18.5kw,额定电压:660v,额定电流:20.8A,接线方式:Y接,功率因数:cos φ0.83,效率:η92.2%,转速1470r/min,IP:55,dB:Lw80A,155级绝缘
三、供货范围
1、提供包括主机及附件、安装维修专用工具。
2、提供技术资料(含设备出厂图册、使用说明书、主机与配套件的煤安标志、出厂合格证)。
3、提供无偿售后服务。
ZJ系列渣浆泵性能全参数1.流量:ZJ系列渣浆泵的流量范围较广,从10m³/h到5000m³/h不等。
流量的大小决定了泵的输送能力,可以根据不同工况的需求选择合适的流量。
2.扬程:ZJ系列渣浆泵的扬程范围从3m到90m不等。
扬程是指泵能够克服阻力,将液体推送到一定高度的能力。
根据输送距离和输送高度,选择合适的扬程是关键。
3.转速:ZJ系列渣浆泵的转速一般分为1500转/分和2900转/分两种。
转速的选择与流量和扬程有关,高转速可以提高流量,但会增加能耗和磨损,低转速则相对节能但流量较低。
4.功率:ZJ系列渣浆泵的功率一般从0.15kW到1200kW不等。
功率与流量、扬程和效率有关,较大功率可以提供更大的输送能力,但也会增加能耗。
5. 出口直径:ZJ系列渣浆泵的出口直径通常从25mm到550mm不等。
出口直径的大小会影响泵的输送效率和能力,需要根据具体工况选择合适的出口直径。
6.效率:ZJ系列渣浆泵的效率通常在30%到86%之间。
效率是指泵能够将输入的机械能转化为流体能的比例,高效率可以减少能耗和提高泵的使用效果。
7. 进口直径:ZJ系列渣浆泵的进口直径通常从50mm到700mm不等。
进口直径的大小会影响泵的进料能力,需要根据具体工况选择合适的进口直径。
8.输送介质:ZJ系列渣浆泵可以用于输送含有较高固体颗粒的介质,如煤渣、矿石渣浆等。
泵的结构设计和选材需要考虑介质的腐蚀性、磨蚀性和固体颗粒的大小。
9.泵壳材质:ZJ系列渣浆泵的泵壳通常采用高铬合金、橡胶等材质制造。
高铬合金具有很好的耐磨蚀性能,适用于输送磨蚀性较强的介质;橡胶泵壳则可以提供较好的耐腐蚀性能。
总的来说,ZJ系列渣浆泵的性能参数包括流量、扬程、转速、功率、出口直径、效率、进口直径、输送介质和泵壳材质等。
根据具体工况选择合适的参数,可以保证泵的正常运行和输送效果。
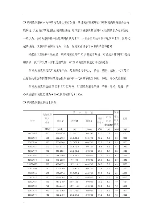
ZJ系列渣浆泵技术参数特点和用途:ZJ型泵为轴向吸入、单级单吸、悬臂卧式离心渣浆泵,该型泵采用国际上先进的固液两相流理论,按最小损失原则设计。
其过流部件的几何形状符合介质的流动状态,减少了涡流和撞击等局部与沿程水力损失,从而减轻了过流部件的磨损,提高了水力效率,降低了运行噪音和振动;该系列泵过流部件采用高硬合金铸铁,其材质具有高抗磨性、抗腐蚀性、抗冲击性能,从而使其寿命提高。
此外,该系列泵采用动力降压,保证了浆体不易泄露。
ZJ型渣浆泵可泛适用于矿山、冶金、电力、煤炭、化工、建材等行业,输送含有固体颗粒的磨蚀性和腐蚀性浆体,其固液混合物最大重量浓度:灰浆45%,矿浆60%。
该系列渣浆泵规格型号齐全,可采用直联、皮带、液力、变频调速等传动形式,亦可根据用户需要串联或并联进行。
型号意义说明:如 : 350ZJ-100F350: 泵出口直径(mm)Z : 杂质泵J : 浆液G : 给料100: 叶轮直径 (cm)F : 叶轮叶片数6枚A为5枚(可省略),B为4枚,C为3枚,F为6枚,G为7枚,H为8枚Z J 系列渣浆泵主要技术参数型号允许配带最大功率N(kw)流量Q(m3/h)扬程H(m)转速n(r/m)最高效率η(%)汽蚀余量(m)间断通过最大粒度(mm)泵重T(kg)350ZJ-100F 560 526-2339 14.9-62.8 300-590 77.6 4.4 96 5465 300ZJ-100 450 464-1826 15.3-65.2 300-590 81.0 2.0 88 5265300ZJ-90 560 505-1844 21.2-79.9 400-730 82.8 3.9 85 5005 300ZJ-70 630 635-2333 16.0-76.8 490-980 80.4 3.9 92 3560 300ZJ-56 250 395-1568 9.7-46.0 490-980 80.9 3.5 96 3030 250ZJ-103 560 402-1573 29.7-110.5 400-730 74.5 2.8 69 5085 250ZJ-96 560 403-1466 25.4-93.7 400-730 77.8 3.5 69 5035 250ZJ-85 800 376-1504 30.1-128.7 490-980 76.5 3.5 76 4530 250ZJ-78 630 415-1796 21.1-102.5 490-980 71.5 3.2 76 4474 250ZJ-75 560 300-1480 20.8-97.5 490-980 77.5 3.0 72 3480 250ZJ-65 315 299-1249 15.4-71.0 490-980 76.9 3.0 72 3020 200ZJ-85 560 221-907 32.0-133.7 490-980 70.5 2.8 54 4110 200ZJ-75 355 225-900 22.8-102.9 490-980 74.1 3.0 56 3070 200ZJ-70 315 205-976 19.4-86.4 490-980 75.6 2.8 56 2465 200ZJ-65 250 235-950 16.4-72.0 490-980 79.6 2.5 62 2323 200ZJ-60 185 218-870 13.9-62.0 490-980 82.7 2.5 62 2223 150ZJ-71 220 142-552 21.8-93.8 490-980 69.8 2.4 48 2263 150ZJ-70 185 93-401 20.0-91.2 490-980 62.3 2.0 37 2245 150ZJ-65 200 150-600 17.4-75.7 490-980 70.8 2.5 48 2223 150ZJ-60 160 135-550 14.7-63.5 490-980 75.9 2.5 48 2203 150ZJ-58C 160 134-596 12.8-53.4 490-980 71.6 2.3 48 2019 150ZJ-57 110 95-427 13.2-56.3 490-980 67.8 1.8 32 2023 150ZJ-50 75 115-460 9.5-43.1 490-980 76.8 2.5 48 1735 150ZJ-42C 132 142-550 12.1-62.8 700-1480 77.1 2.2 69 1605 100ZJ-50 160 85-360 20.5-100.2 700-1480 69.6 2.5 34 1475 100ZJ-42 90 66-275 14.7-70.8 700-1480 71.0 2.5 35 1075 100ZJ-42B 90 83-365 12.7-66.8 700-1480 71.6 2.5 40 1085 100ZJ-36 55 61-245 9.7-49.5 700-1480 71.6 2.0 32 1010 80ZJ-52 160 51-242 22.1-109.8 700-1480 56.3 2.1 21 1465 80ZJ-42 75 61-204 14.4-70.4 700-1480 66.7 2.5 24 1053 65ZJ-30 15 23-79 7.4-34.8 700-1460 63.5 2.0 19 504 50ZJ-50 90 27-111 22.3-110.7 700-1480 45.1 3.0 13 1378 50ZJ-46 55 23-94 17.9-85.8 700-1480 44.7 1.4 13 1082 50ZJ-33 18.5 12-54 7.7-42.5 700-1480 42.1 2.9 13 537 40ZJ-19 15 8-35 12.8-57.1 1430-2930 58.8 1.3 11 173 40ZJ-17 7.5 4-23 9.0-44.6 1400-2900 52.4 2.5 11 121150ZJ-G50 55 62-280 9.3-44.6 490-980 65.7 2.1 29 1470 100ZJ-G42B 75 45-205 12.6-70.7 700-1480 63.2 1.8 18 1080(990)。
ZJ系列渣浆泵样本
型号:ZJ系列渣浆泵
用途:用于输送含有固体颗粒的渣浆或高密度矿浆。
工作原理:该泵采用离心泵的工作原理,通过回转叶轮的旋转产生离心力,将固体颗粒和液体一起输送出去。
特点:
1.结构紧凑,外形美观,占地面积小。
2.泵的进口和出口采用法兰连接,方便安装和维修。
3.样本中所示的泵具有双进口结构,能够更有效地降低进口压力和提高泵的吸程。
4.泵壳采用高强度铸铁材料制成,具有良好的耐磨性和耐腐蚀性。
5.泵的叶轮采用高硬度合金材料制成,具有优异的耐磨性和耐蚀性。
6.该泵可根据用户需要选择不同的泵体材质、叶轮材质和密封方式。
技术参数:
1.流量:10-5000m³/h
2.扬程:5-80m
3. 功率:2-185kw
4. 排渣直径:50-400mm
5. 最大输送颗粒直径:25-76mm
6.泵体材质:高强度铸铁
7.叶轮材质:高硬度合金。
ZJ系列渣浆泵性能全参数1.流量:ZJ系列渣浆泵的流量范围较广,从10m³/h到5000m³/h,适用于不同场合和用途的要求。
2.扬程:ZJ系列渣浆泵的扬程范围从5m到120m,可以满足不同工况下的使用需求。
3. 转速:ZJ系列渣浆泵的转速通常为980rpm和1480rpm,适应于不同负荷和介质变化的要求。
4.功率:ZJ系列渣浆泵的功率范围从1.1kW到1200kW,可以满足不同工况和输送要求下的动力需求。
5. 进口口径:ZJ系列渣浆泵的进口口径通常从25mm到800mm,根据不同型号和要求有所变化。
6. 排出口径:ZJ系列渣浆泵的排出口径通常从25mm到450mm,也根据不同型号和要求有所变化。
7.工作压力:ZJ系列渣浆泵的工作压力范围通常在1.6MPa到3.6MPa 之间,能够适应不同输送距离和输送高度的要求。
8.温度范围:ZJ系列渣浆泵的介质温度范围通常在-20℃到120℃之间,可以适应不同工况下的温度要求。
1.结构合理:采用单级、双吸、卧式结构,减少了离心泵转子的振动和噪音,提高了运行的稳定性和可靠性。
2.耐磨性强:液流部件采用高硬度的合金材料制成,对于含有大颗粒和高浓度的渣浆具有良好的耐磨性能。
3.装置简单:采用轴向双密封结构,泵体上设有自动泄压器,方便安全的启停和维护。
4.输送能力强:流量大、扬程高、功率大,能够稳定输送高浓度和大颗粒渣浆。
5.可调性强:根据工况和要求可以通过改变转速和叶轮直径来调整流量和扬程。
总之,ZJ系列渣浆泵是一种性能优良、适用广泛的离心泵。
它具备较高的流量、扬程和功率,能够稳定输送高浓度和大颗粒渣浆。
同时,它的结构合理,耐磨性强,装置简单且可调性强。
这使得ZJ系列渣浆泵在矿山、冶金、电力、煤矿等行业的浆泥泵送工艺中得到了广泛应用。
目录一、泵的用途和适用范围 (1)二、泵的型式、结构特征与型号 (1)三、泵的起吊、安装、调整与试运行 (2)四、常见故障及处理措施 (13)五、泵的维护保养与拆装 (15)六、易损件明细表 (18)特别提示1、必须保证泵轴的转向与泵壳上箭头指示方向一致。
电动机试转时必须与泵完全脱开,严禁电动机带动泵轴反向旋转,否则,将导致零件损坏。
2、采用填料密封的泵,开车前必须按要求填加盘根。
3、采用机械密封的泵,必须保证轴封水的供应。
严禁无水运行,否则机械密封将烧毁。
4、采用稀油润滑的泵,在开车前应按油标的油位线加油。
严禁无油开车,否则,轴承将烧毁。
5、安装使用前,请详细阅读此说明书。
一、泵的用途和适用范围ZJ系列渣浆泵是石家庄工业泵厂与中国煤科院唐山分院联合开发的新型高效节能抗磨蚀泵。
该系列泵在水力设计、结构设计以及所用耐磨材料上,综合应用了国内外同类产品的优点并加以创新,具有高效节能、振动小、噪声低、运行可靠、使用寿命长、维修方便等特点,泵的综合性能居国内领先水平,大部分泵的效率指标居国际先进水平。
可广泛用于电力、冶金、煤炭、建材等行业输送含有固体颗粒的浆体。
如火电厂水力除灰、冶金选矿厂矿浆输送、洗煤厂煤浆及重介输送等。
其允许输送的最大浆体重量浓度Cw为:灰(渣)浆和煤浆45%;矿浆和重介60%。
二、泵的型式、结构特征与型号ZJ系列渣浆泵的型式分两大类,一类是ZJ型,为卧式轴向吸入单级单吸离心式渣浆泵;另一类是ZJL型,为立式轴向吸入单级单吸离心式渣浆泵。
1.ZJ型渣浆泵的结构特征与型号(1)ZJ型渣浆泵的结构特征①泵头部分ZJ型渣浆泵的泵头部分包括泵壳、叶轮和轴封装置。
泵头与托架用螺栓联结。
根据需要,泵的出水口位置可按45°间隔旋转八个不同的角度安装使用。
ZJ型渣浆泵的泵壳为双层壳体结构。
外层为金属泵壳(前泵壳、后泵壳),其材料通常为HT200或QT500-7;内层壳体可用高铬合金铸铁制做(包括涡壳、前护板、后护板),或用橡胶制作(包括前涡壳、后涡壳)。
ZJ系列渣浆泵在水力和结构设计上都有创新,其过流部件采用自行研制的高铬耐磨合金铸铁制造,具有良好的耐磨蚀、耐腐蚀性能。
经国家工业泵质量检测中心检测及水力专家鉴定,一致认为,该系列泵的整体性能具国内领先水平,大部分泵其效率指标达国际水平。
因其优越的性能,该系列泵被国家电力、冶金、煤炭工业授予了众多的荣誉和称号。
根据出口直径和叶轮直径,该系列泵已具有50多种基本规格,可满足多种不同工况使用要求。
我厂开发的计算机选型软件,可ZJ系列渣浆泵进行准确的选型。
ZJ系列渣浆泵是我厂的主导产品,是主要适用于电力、冶金、煤炭、建材、化工等工业行业处理含有固体颗粒的腐蚀性浆液的新一代高效节能型单级、单吸、离心式渣浆泵。
ZJ系列渣浆泵包括ZJ型和ZJL型两种。
ZJ型渣浆泵是单级、单吸、卧式、悬臂、离心式渣浆泵,流量范围为4-2500,扬程范围为9-130m.
ZJ系列渣浆泵主要技术参数。
湖南利欧泵业有限公司 HUNAN LEO CO.,LTD1 概述ZJ 、ZJX 型系列渣浆泵是湖南利欧泵业有限公司引进国外先进水力模型,采用国际上先进的固液两相流理论,按最小损失原则设计。
其过流部件的几何形状符合介质的流动状态,减少了涡流和撞击等局部与沿程水力损失,从而减轻了过流部件的磨损。
该系列泵具有规格齐全、效率高、噪音低、振动小、寿命长、安装维修方便等。
用途ZJ 、ZJX 型系列渣浆泵,适用于矿山、冶金、电力、煤炭、化工、建材等行业,供输送含有固体颗粒的磨蚀性和腐蚀性浆体,其固液混合物最大重量浓度:灰浆≤45%、矿浆≤60%。
工作条件流量Q :3-4000m3/h扬程H :2.4-148m进口口径DN :25-450㎜进口工作压力:≤0.6Mpa工作温度:≤120℃型号说明50ZJX-330A50-泵出口口径50㎜ZJ-利欧渣浆泵脂润滑,带“X ”为稀油润滑330-表示叶轮外径φ330㎜A-叶轮外径第一次改变,B 、C ……依此类推 Introduction Type ZJ 、ZJX pumps are designed as minimum damage principle, adopting world-advanced solid-liquid two-phase flow theory and introducing foreign advanced hydraulic model. The geometry of the flow passage components comes in line with flowage of medium and reduces local losses and linear hydraulic loss like vortex and strike so as to reduce the loss of flow passage components. The pump series has a complete range of specifications, high efficiency, low noise, few vibration, long life performance, easy installation and maintenance etc. Application Type ZJ, ZJX slurry pumps apply to mines, metallurgy, power, coal, chemical engineering, building materials etc., and are used for delivering abrasive and corrosive slurry with solid particles, the maximal weight concentration of its solid liquid mixture: mortar ≤45%, ore slurry ≤60%. Working Condition Q: 3~4000m3/h H: 2.4~148m Inlet Diameter: 25~550mm Inlet Working Pressure: ≤0.6Mp Working T emperature: ≤120℃ZJ ZJX型卧式渣浆泵2 结构特点★泵效率高国际先进的水力模型,采用固液两相流理论设计,中频冶炼、消失模铸造保证了泵效率处于领先地位,比一般渣浆泵型效率高3-5%。
ZJ渣浆泵使用说明书ZJ渣浆泵使用说明书第一章:产品概述1.1 产品简介此文档是针对ZJ渣浆泵的使用说明,提供了详细的操作、维护和维修指南。
1.2 产品特点- 高效能:ZJ渣浆泵采用先进的设计和制造技术,具有出色的输送能力和高效率。
- 耐用性:精心选择的材料和优质工艺确保了泵的长寿命和耐磨性。
- 适应性:可根据客户需求进行定制,以应对不同的工作条件和材料输送要求。
第二章:安全操作2.1 前提条件在操作ZJ渣浆泵之前,必须了解以下操作前提条件:- 操作人员必须具备相关的安全操作知识和技能。
- 操作人员必须戴好必需的个人防护装备,如安全帽、护目镜、耳塞等。
- 泵和其相关设备必须严格按照操作手册和相关规程进行安装。
2.2 操作步骤- 步骤1:检查泵的工作环境,确保周围没有障碍物和危险品。
- 步骤2:检查电源和电线连接,确保无故障。
- 步骤3:打开主电源,启动操控面板,确保一切就绪。
- 步骤4:根据需要调整泵的输送量和压力。
- 步骤5:启动泵,开始工作。
- 步骤6:定期检查泵的工作状态和温度,确保正常运行。
- 步骤7:关闭泵和电源,进行日常维护和清洁。
第三章:维护与保养3.1 日常维护- 定期检查泵的密封件和轴承,确保没有磨损和松动。
- 清洁和润滑泵的相关部件,保持其正常运行。
- 定期更换磨损的零部件,确保泵的性能和寿命。
3.2 故障排除- 泵无法启动:检查电源和电线连接是否正常。
- 输送量减小:检查是否有堵塞或泵的磨损。
- 泵运行时噪音过大:检查轴承和密封件是否有损坏。
第四章:附件本文档涉及以下附件:- ZJ渣浆泵操作手册- 技术规格表- 安装图纸第五章:法律名词及注释- 泵:一种用于输送液体、气体或半固体物质的机械设备。
- 渣浆:由固体颗粒和液体组成的黏稠物质。
- 维护:指根据设备的要求进行日常保养和检修。
- 维修:指修理和更换设备的零部件以恢复其正常功能。
目录一、泵的用途和适用范围 (1)二、泵的型式、结构特征与型号 (1)三、泵的起吊、安装、调整与试运行 (3)四、常见故障及处理措施 (14)五、泵的维护保养与拆装 (17)六、易损件明细表 (23)七、专用工具明细表 (24)特别提示1、必须保证泵轴的转向与泵壳上箭头指示方向一致。
电动机试转时必须与泵完全脱开,严禁电动机带动泵轴反向旋转,否则,将导致零件损坏。
2、采用填料密封的泵,开车前必须按要求填加盘根。
3、采用机械密封的泵,必须保证轴封水的供应。
严禁无水运行,否则机械密封将烧毁。
4、采用稀油润滑的泵,在开车前应按油标的油位线加油。
严禁无油开车,否则,轴承将烧毁。
5、装泵联轴器或泵皮带轮时,为保护机械密封不致因冲击力受损,必须先打入泵联轴器或泵皮带轮后,才能装入机械密封。
否则锺击力有可能导致机械密封动、静环破裂。
6、顾客现场安装电动机皮带轮,当轴径≥65mm时,应按我厂提供轴端加工图及附件钻孔、攻丝、安装轴端挡圈,以确保皮带轮运行安全。
7、安装使用前,请详细阅读此说明书。
一、泵的用途和适用范围ZJ系列渣浆泵是石家庄工业泵厂与中国煤科院唐山分院联合开发的新型高效节能抗磨蚀泵。
该系列泵在水力设计、结构设计以及所用耐磨材料上,综合应用了国内外同类产品的优点并加以创新,具有高效节能、振动小、噪声低、运行可靠、使用寿命长、维修方便等特点,泵的综合性能居国内领先水平,大部分泵的效率指标居国际先进水平。
可广泛用于电力、冶金、煤炭、建材等行业输送含有固体颗粒的浆体。
如火电厂水力除灰、冶金选矿厂矿浆输送、洗煤厂煤浆及重介输送等。
其允许输送的最大浆体重量浓度Cw为:灰(渣)浆和煤浆45%;矿浆和重介60%。
二、泵的型式、结构特征与型号ZJ系列渣浆泵的型式分两大类,一类是ZJ型,为卧式轴向吸入单级单吸离心式渣浆泵;另一类是ZJL型,为立式轴向吸入单级单吸离心式渣浆泵。
1.ZJ型渣浆泵的结构特征与型号(1)ZJ型渣浆泵的结构特征①泵头部分ZJ型渣浆泵的泵头部分包括泵壳、叶轮和轴封装置。
目录一、泵的用途和适用范围 (1)二、泵的型式、结构特征与型号 (1)三、泵的起吊、安装、调整与试运行 (3)四、常见故障及处理措施 (14)五、泵的维护保养与拆装 (17)六、易损件明细表 (2)3七、专用工具明细表 (24)1特别提示1、必须保证泵轴的转向与泵壳上箭头指示方向一致。
电动机试转时必须与泵完全脱开,严禁电动机带动泵轴反向旋转,否则,将导致零件损坏。
2、采用填料密封的泵,开车前必须按要求填加盘根。
3、采用机械密封的泵,必须保证轴封水的供应。
严禁无水运行,否则机械密封将烧毁。
4、采用稀油润滑的泵,在开车前应按油标的油位线加油。
严禁无油开车,否则,轴承将烧毁。
5、装泵联轴器或泵皮带轮时,为保护机械密封不致因冲击力受损,必须先打入泵联轴器或泵皮带轮后,才能装入机械密封。
否则锺击力有可能导致机械密封动、静环破裂。
6、顾客现场安装电动机皮带轮,当轴径≥65mm时,应按我厂提供轴端加工图及附件钻孔、攻丝、安装轴端挡圈,以确保皮带轮运行安全。
7、安装使用前,请详细阅读此说明书。
2一、泵的用途和适用范围ZJ系列渣浆泵是石家庄工业泵厂与中国煤科院唐山分院联合开发的新型高效节能抗磨蚀泵。
该系列泵在水力设计、结构设计以及所用耐磨材料上,综合应用了国内外同类产品的优点并加以创新,具有高效节能、振动小、噪声低、运行可靠、使用寿命长、维修方便等特点,泵的综合性能居国内领先水平,大部分泵的效率指标居国际先进水平。
可广泛用于电力、冶金、煤炭、建材等行业输送含有固体颗粒的浆体。
如火电厂水力除灰、冶金选矿厂矿浆输送、洗煤厂煤浆及重介输送等。
其允许输送的最大浆体重量浓度Cw为:灰(渣)浆和煤浆45%;矿浆和重介60%。
9二、泵的型式、结构特征与型号ZJ系列渣浆泵的型式分两大类,一类是ZJ型,为卧式轴向吸入单级单吸离心式渣浆泵;另一类是ZJL型,为立式轴向吸入单级单吸离心式渣浆泵。
1.ZJ型渣浆泵的结构特征与型号(1)ZJ型渣浆泵的结构特征①泵头部分ZJ型渣浆泵的泵头部分包括泵壳、叶轮和轴封装置。
ZJ系列渣浆泵性能全参数
一、外形结构
ZJ系列渣浆泵通常采用全封闭结构,泵体前部为双壳结构,有利于加强泵体的刚度和耐压能力。
该泵的进出口处增加了金属保护套管,以提高整个泵的耐磨性和减少磨损。
泵体后部设有可调整泵体,方便维修、调整和更换液压元件。
二、性能参数
1.流量范围:该系列泵的流量范围为3.6-5400m³/h,可满足不同工况下的需求。
2.扬程范围:该系列泵的扬程范围为5-120m,可根据用户的具体要求进行调整。
3. 转速范围:该系列泵的转速范围为490-2900rpm,用户可以根据具体工况选择合适的转速。
4.能效:该系列泵的能效高,可以大幅度提高能源利用率,降低电费开支。
5.硬质合金液压零部件:该泵采用硬质合金制成的液压零部件,具有极高的耐磨性和耐腐蚀性,延长了泵的使用寿命。
6.轴封:该泵采用填料密封或机械密封,可根据用户需求选择合适的密封方式。
7.可选配置:该泵还可以根据客户的需要配置液力联轴器、变频调速装置、智能控制系统等。
三、应用领域
1.矿山行业:用于矿石选矿、煤矸石选煤、金属尾矿的输送、冲洗和循环。
2.冶金行业:用于冶金炉渣、炉渣浆料的输送和处理。
3.煤炭行业:用于排渣、煤泥浆的输送和处理。
4.电力行业:用于火力发电厂煤灰、灰渣的输送和处理,以及核电站废水处理。
5.建材行业:用于水泥厂、纸浆厂等浆料的输送和处理。
综上所述,ZJ系列渣浆泵具有广泛的应用领域和出色的性能参数。
通过优化设计,该泵能够高效、可靠地输送不同浓度、不同粒度的浆料,满足各行业对泵的要求,提高工作效率和经济效益。
三相渣浆泵水泵全说明书特点和用途:ZJ型为单级、单吸、悬臂卧式离心渣浆泵,该系列泵采用上的固液两相流理论,按小损失原则设计,其过流部件的几何形状符合介质的流动状态,减少了涡流和撞击等局部与沿程水力损失,从而减轻了过流部件的磨损,提高了水力效率,降低了运行噪音和振动;该系列泵过流部件采用高硬合金铸铁,其材质具有高抗磨性、抗腐蚀性、抗冲击性能、从而使其寿命提高,此外,该系列泵采用动力降压,保证了浆体不易泄露。
ZJ系列渣浆泵可泛适用于矿山、冶金、电力、煤炭、化工、建材等行业,输送含有固体颗粒的磨蚀性和腐蚀性浆体,其固液混合物重量浓度:灰浆45%、矿浆60%。
该系列产品规格齐全,可采用直联、皮带、液力、变频调速等传动形式,亦可根据用户需要串联或并联进行。
ZJ系列渣浆泵是石家庄朴厚泵业的主导产品,是主要适用于电力、冶金、煤炭、建材、化工等工业行业处理含有固体颗粒的腐蚀性浆液的新一代高效节能型单级、单吸、离心式渣浆泵。
ZJ型泵为单级单吸离心式渣浆泵,泵体采用内外双金属结构,泵壳为垂直中开式出水口可按45°间隔旋转八个不同的位置。
ZJ系列包括ZJ型和ZJL型两种。
ZJ型是单级、单吸、卧式、悬臂、离心式渣浆泵。
它们主要适用于选矿厂处理精矿和尾矿、除灰渣、选煤厂输送煤泥和重介选煤、海岸河道采沙作业输送沙浆等。
其所能处理浆体的重量浓度为:灰浆45%,矿浆60%。
主要技术参数产品规格口径DN:50-300mm 流量Q:4-2400m3/h 扬程H:6-130m结构:采用上的设计理论,按小损失原则设计,使过流部件的形状与浆体流动状态达到了理想状态。
材质:过流部件采用高硬耐磨铸铁合金,具有高抗磨性、抗腐蚀性、高强度抗冲击性能,提高了使用寿命。
动力降压,高效密封,浆体不易泄漏。
传动形式:具有直联、皮带、液力、变频调速等传动方式,根据用户需要也可串联或并联使用。
泵体泵盖及过流部件:该系列泵为卧式、垂直中形式、双泵壳结构渣浆泵。
ZJ系列渣浆泵技术参数特点和用途:ZJ型泵为轴向吸入、单级单吸、悬臂卧式离心渣浆泵,该型泵采用国际上先进的固液两相流理论,按最小损失原则设计。
其过流部件的几何形状符合介质的流动状态,减少了涡流和撞击等局部与沿程水力损失,从而减轻了过流部件的磨损,提高了水力效率,降低了运行噪音和振动;该系列泵过流部件采用高硬合金铸铁,其材质具有高抗磨性、抗腐蚀性、抗冲击性能,从而使其寿命提高。
此外,该系列泵采用动力降压,保证了浆体不易泄露。
ZJ型渣浆泵可泛适用于矿山、冶金、电力、煤炭、化工、建材等行业,输送含有固体颗粒的磨蚀性和腐蚀性浆体,其固液混合物最大重量浓度:灰浆45%,矿浆60%。
该系列渣浆泵规格型号齐全,可采用直联、皮带、液力、变频调速等传动形式,亦可根据用户需要串联或并联进行。
型号意义说明:如 : 350ZJ-100F350: 泵出口直径(mm)Z : 杂质泵J : 浆液G : 给料100: 叶轮直径 (cm)F : 叶轮叶片数6枚A为5枚(可省略),B为4枚,C为3枚,F为6枚,G为7枚,H为8枚Z J 系列渣浆泵主要技术参数型号允许配带最大功率N(kw)流量Q(m3/h)扬程H(m)转速n(r/m)最高效率η(%)汽蚀余量(m)间断通过最大粒度(mm)泵重T(kg)350ZJ-100F 560 526-2339 14.9-62.8 300-590 77.6 4.4 96 5465 300ZJ-100 450 464-1826 15.3-65.2 300-590 81.0 2.0 88 5265300ZJ-90 560 505-1844 21.2-79.9 400-730 82.8 3.9 85 5005 300ZJ-70 630 635-2333 16.0-76.8 490-980 80.4 3.9 92 3560 300ZJ-56 250 395-1568 9.7-46.0 490-980 80.9 3.5 96 3030 250ZJ-103 560 402-1573 29.7-110.5 400-730 74.5 2.8 69 5085 250ZJ-96 560 403-1466 25.4-93.7 400-730 77.8 3.5 69 5035 250ZJ-85 800 376-1504 30.1-128.7 490-980 76.5 3.5 76 4530 250ZJ-78 630 415-1796 21.1-102.5 490-980 71.5 3.2 76 4474 250ZJ-75 560 300-1480 20.8-97.5 490-980 77.5 3.0 72 3480 250ZJ-65 315 299-1249 15.4-71.0 490-980 76.9 3.0 72 3020 200ZJ-85 560 221-907 32.0-133.7 490-980 70.5 2.8 54 4110 200ZJ-75 355 225-900 22.8-102.9 490-980 74.1 3.0 56 3070 200ZJ-70 315 205-976 19.4-86.4 490-980 75.6 2.8 56 2465 200ZJ-65 250 235-950 16.4-72.0 490-980 79.6 2.5 62 2323 200ZJ-60 185 218-870 13.9-62.0 490-980 82.7 2.5 62 2223 150ZJ-71 220 142-552 21.8-93.8 490-980 69.8 2.4 48 2263 150ZJ-70 185 93-401 20.0-91.2 490-980 62.3 2.0 37 2245 150ZJ-65 200 150-600 17.4-75.7 490-980 70.8 2.5 48 2223 150ZJ-60 160 135-550 14.7-63.5 490-980 75.9 2.5 48 2203 150ZJ-58C 160 134-596 12.8-53.4 490-980 71.6 2.3 48 2019 150ZJ-57 110 95-427 13.2-56.3 490-980 67.8 1.8 32 2023 150ZJ-50 75 115-460 9.5-43.1 490-980 76.8 2.5 48 1735 150ZJ-42C 132 142-550 12.1-62.8 700-1480 77.1 2.2 69 1605 100ZJ-50 160 85-360 20.5-100.2 700-1480 69.6 2.5 34 1475 100ZJ-42 90 66-275 14.7-70.8 700-1480 71.0 2.5 35 1075 100ZJ-42B 90 83-365 12.7-66.8 700-1480 71.6 2.5 40 1085 100ZJ-36 55 61-245 9.7-49.5 700-1480 71.6 2.0 32 1010 80ZJ-52 160 51-242 22.1-109.8 700-1480 56.3 2.1 21 1465 80ZJ-42 75 61-204 14.4-70.4 700-1480 66.7 2.5 24 1053 65ZJ-30 15 23-79 7.4-34.8 700-1460 63.5 2.0 19 504 50ZJ-50 90 27-111 22.3-110.7 700-1480 45.1 3.0 13 1378 50ZJ-46 55 23-94 17.9-85.8 700-1480 44.7 1.4 13 1082 50ZJ-33 18.5 12-54 7.7-42.5 700-1480 42.1 2.9 13 537 40ZJ-19 15 8-35 12.8-57.1 1430-2930 58.8 1.3 11 173 40ZJ-17 7.5 4-23 9.0-44.6 1400-2900 52.4 2.5 11 121150ZJ-G50 55 62-280 9.3-44.6 490-980 65.7 2.1 29 1470 100ZJ-G42B 75 45-205 12.6-70.7 700-1480 63.2 1.8 18 1080(990)。