ZM(R)系列渣浆泵参数
- 格式:doc
- 大小:79.00 KB
- 文档页数:2
目录一、概述 (2)二、特点 (2)三、型号和表示方法 (3)四、工作原理 (3)五、结构说明 (3)六、装配和拆卸 (4)七、设备安装 (5)八、运转 (6)九、维护保养 (7)十、故障分析 (9)附录1(耐磨材料选择表)附录2(密封型式选择表)附录3(泵传动方式选择)一、概述1、本系列渣浆泵系高效节能、单级、单吸、悬臂式离心泵,用来输送含有固体颗粒的磨蚀性或腐蚀性浆体。
广泛用电力、矿山、冶金、煤炭、建材、化工、食品、水利及污水处理等行业。
其固液混合体的最大重量浓度:灰浆为45%,矿浆为60%。
2、本系列泵有50多个基本型号,通过变速可获得300多种性能供用户选择。
3、过流部件材质应根据输送浆体的物理(颗粒组成、粒径、形状、硬度、浓度)和化学(酸、碱、油)特性而定。
(各种材质及特点可通过附录1查得)4、泵的传动方式有直联传动和皮带传动两种形式,共分为DC、HC、CR、CL、ZV、CV等多种方式。
(详见附录3)从原动机方向看,泵为顺时针方向旋转。
二、特点针对渣浆泵的三大技术难题:寿命短、密封难、能耗大,我厂通过技术攻关设计制造了独具特点的ZJA及ZJLA系列两相流渣浆泵。
由于两相流渣浆泵的水利设计充分考虑了固液流场的运动情况,所以在渣浆输送时能保持良好的性能。
其技术特点如下:(1)高效节能:一般的杂质泵输送浆体时,其效率总是下降的,而且浓度越高,粒径越大,降低的幅度也越大。
而二相流渣浆泵输送浆体时,其效率一般高于清水。
这是因为泵的水力设计是以固液二相流场设计的,对清水和渣浆的输送来讲,更适应渣浆的输送。
这一降一升,二相流泵的运行效率提高了3~10%。
所以二相流泵具有新的能量转换规律。
(2)耐磨蚀、使用寿命延长:一般杂质泵输送浆体时,固体发生的主要是撞击磨损,水泵的汽蚀性能随着流量的加大而恶化。
而二相流渣浆泵的流道设计符合固体流场的变化规律,固体沿着叶轮型线运动,叶轮发生的主要是磨擦磨损,泵的汽蚀性能随着流量的加大变化比较平稳,所以二相流泵具有新的磨损规律。
第一章离心式渣浆泵基本知识第一节渣浆泵的主要性能参数离心式渣浆泵是以液体(通常是水)为载体来输送固体物料的一种通用机械,表示泵工作性能的参数叫做泵的性能参数,主要有以下几个:1.流量流量是泵在单位时间内排出渣浆的数量,用“Qm”表示,其单位:m3/S;m3/H;e/s渣浆是由液体(通常为水)和固体物混合而成,所以渣浆流量Q M等于Qm=Qw+Qs (1-1)式中:Qw-液体(水)流量 m3/S;m3/H;e/sQs-固体物流量 m3/S;m3/H;e/s2.扬程还需说明的是只有泵扬程H用表压力表示时,其值才与液体密度有关,如下式所示:H=102X103(P2-P1)/Sm式中:P2—泵出口压力 MpaP1—泵进口压力 Mp Sm—渣浆密度 kg/ m33.转速泵的转速是指泵轴每分钟的转速,用“n”表示,其单位是r/min4.效率和轴功率泵输送渣浆是的效率称为渣浆效率,用“η”表示,它与泵输送清水时的效率有以下关系ηm =ER•η %(1-6)式中:ER —与渣浆特性有关的效率降低系数,其值与扬程降低系数HR相等,即H R = ERη—泵输送清水时的效率%,由试验得到泵的功率通常是指输入功率,即原动机传到泵轴上的功率,故又称轴功率。
用“NZ”表示。
单位时间内泵输送出去的渣浆在泵种获得的有效能量称为泵的有效功率,也称输出功率,用“Ne”表示其值由下式确定Ne =QH Sm/102 KW(1-7)式中:Q—泵的流量 m3/SH—泵的扬程 mSm—渣浆密度 kg/ m3轴功率和有效功率之差,是泵内损失的功率,其大小由泵的效率来计算,泵的效率是有效功率与轴功率之比,即η = N e/ N Z (1-8)由式(1-7)(1-8)可得泵的轴功率为:N e =QH Sm/102η KW(1-9)5.必须汽蚀余量汽蚀余量是指泵在吸入口处单位重量液体具有的超过汽化压力的富余能量,即泵不发生汽蚀进口必需具有的压力能,称为泵必需汽蚀余量。
EHM、HER、EGM、EMM、ELM、ELR系列渣浆泵产品特点1.该系列渣浆泵为悬臂离心式渣浆泵,适用于输送磨蚀性或腐蚀性渣浆,被广泛应用于冶金、矿山、石油、化工、煤炭、电力、交通、河流疏浚、建材及市政工程等部门。
2.EHM、EGM型泵,亦可称为重型渣浆泵。
由于该型泵具有较厚的承磨件并配重型托架,故适于输送强磨蚀、高浓度渣浆或低浓度高扬程渣浆,在泵的最大允许工作压力范围内,可以多级串联使用。
其中EGM型泵适用于输送低浓度高扬程渣浆或高浓度低磨蚀的高扬程渣浆。
以上几种型式的泵亦可用于低腐蚀性渣浆。
3.EMM型为中型渣浆,适用于输送细颗粒、中浓度的渣浆或低腐蚀性渣浆。
4.ELM型泵,亦称为轻型渣浆泵。
与重型渣浆泵相比,该型泵转速高,体积小,重量轻,适用于输送细颗粒,低浓度的渣浆或腐蚀性渣浆。
输送浆体的重量浓度一般不超过30%,亦可用于输送高浓度低磨蚀性渣浆。
5.HER、ELR型渣浆泵过流部件为橡胶材料。
适用于输送细颗粒及腐蚀性渣浆。
其泵体、泵盖及传动部件等与EHM、ELM型泵通用。
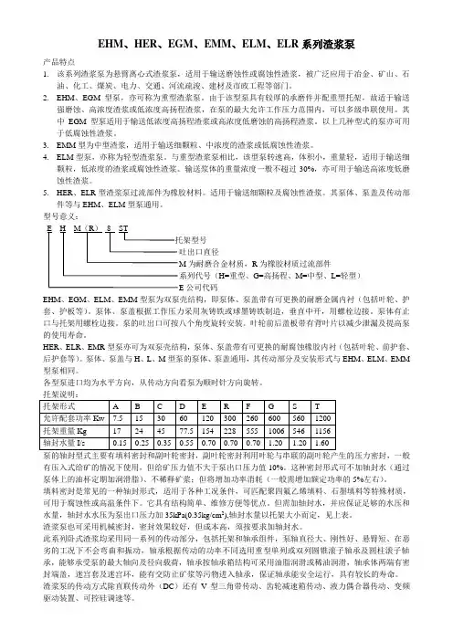
型号意义:为耐磨合金材质,R为橡胶材质过流部件H=重型、G=高扬程、M=中型、L=轻型)公司代码EHM、EGM、ELM、EMM型泵为双泵壳结构,即泵体、泵盖带有可更换的耐磨金属内衬(包括叶轮、护套、护板等)。
泵体、泵盖根据工作压力采用灰铸铁或球墨铸铁制造,垂直中开,用螺栓边接。
泵体有止口与托架用螺栓边接。
泵的吐出口可按八个角度旋转安装。
叶轮前后盖板带有背叶片以减少泄漏及提高泵的使用寿命。
HER、ELR、EMR型泵亦可为双泵壳结构,泵体、泵盖带有可更换的耐腐蚀橡胶内衬(包括叶轮、前护套、后护套等)。
泵体、泵盖与H、L、M型泵的泵体、泵盖通用,其传动部分及安装形式与EHM、ELM、EMM 型泵相同。
各型泵进口均为水平方向,从传动方向看泵为顺时针方向旋转。
泵的轴封型式主要有填料密封和副叶轮密封,副叶轮密封利用叶轮与串联的副叶轮产生的压力密封,一般有压入式给矿的情况下使用,但给矿压力值不大于泵出口压力值10%。
渣浆泵技术要求及参数神华乌海能源有限责任公司神华集团乌达五虎山矿业有限责任公司2018年3月22日渣浆泵技术要求及参数一、货物需求一览表二、工作环境1. 工作环境使用环境:潮湿环境。
最高温度:+40℃。
最低温度:-25℃。
年平均气温:25℃。
环境相对湿度:最大相对湿度不超过90%(当温度为+25℃时)。
地震烈度:无显著震动和冲击震动。
海拔高度:不大于1500米。
1交货时间一般按以下形式拟定:“自合同签订之日起个月内交货”,避免填写绝对日期。
三、技术参数及要求1. 技术规格(1)泵体1.1.1参考型号: 100ZL2 。
1.1.2安装方式:卧式结构*1.1.3扬程: 48.5-73.5m 。
1.1.4级数: 2 。
*1.1.5额定流量: 79.7—245m³/h 。
1。
1.6入料粒度:≤50mm1.1.7叶轮直径:350mm1.1.8叶轮片数:6枚*1.1.9保证效率:≥80% (符合国家二级能效指标)。
*1.1.10允许汽蚀余量: 2.5m 。
1.1.11最大轴功率: 62.5KW 。
1.1.12额定转速: 1480r/min 。
1.1.13传动方式:联轴器传动。
*1.1.15轴承选配推荐品牌:SKF 、FAG 、TIMKEN 。
△1.1.16密封型式:填料密封。
1.1.17渣浆泵出口方向要求:从泵入口方向看出口在右侧朝上1.1.18进口法兰孔径:Φ=150 。
1.1.19出口法兰孔径:Φ=150mm 。
*1.1.20安装尺寸要求:中标厂家现场测量确定1.1.21设备重量:≥1850Kg(2)配套电动机1.2.1参考型号: YX3-280S-4,(符合国家二级能效指标)。
*1.2.2工作方式: S1 。
*1.2.3电动机额定功率:75KW 。
1.2.4电动机转速:1480r/min 。
*1.2.5 额定电压(V) :380V/660V 。
1.2.6额定频率(HZ):50HZ△1.2.7 额定功率因数(cosФ) :0.88 。
渣浆泵技术要求及参数神华乌海能源有限责任公司神华集团乌达五虎山矿业有限责任公司2018年3月22日神华乌海能源公司设备技术审查签字表序号设备名称规格型号单位数量备注ERP项目号1 渣浆泵100LZ2 台 2公司分管领导意见年月日公司机电副总工意见年月日机电动力部经理意见年月日机电动力部业务经理意见年月日设备使用单位主管领导意见年月日渣浆泵技术要求及参数一、货物需求一览表序号名称规格型号单位数量交货时间1交货地点备注1 渣浆泵100ZL2 台 2 自合同签订之日起 2个月内交货神华集团乌海能源公司五虎山矿业有限公司每套包括1.1 底座及地脚螺栓套 11.2 泵体套 11.3 联轴器及防护罩套 12 电动机YX3-280S-4台 2每套包括2.1 接线盒及密封圈套 12.2 绕组温度检测装置套 1 预埋式温度传感器2.3 轴承温度检测装置套 1 预埋式温度传感器3 备品备件批 14 技术资料套 6 电子版1套…………二、工作环境1. 工作环境使用环境:潮湿环境。
最高温度:+40℃。
最低温度:-25℃。
年平均气温:25℃。
环境相对湿度:最大相对湿度不超过90%(当温度为+25℃时)。
地震烈度:无显著震动和冲击震动。
海拔高度:不大于1500米。
1交货时间一般按以下形式拟定:“自合同签订之日起个月内交货”,避免填写绝对日期。
三、技术参数及要求1. 技术规格(1)泵体1.1.1参考型号: 100ZL2 。
1.1.2安装方式:卧式结构*1.1.3扬程: 48.5-73.5m 。
1.1.4级数: 2 。
*1.1.5额定流量: 79.7—245m3/h 。
1。
1.6入料粒度:≤50mm1.1.7叶轮直径:350mm1.1.8叶轮片数:6枚*1.1.9保证效率:≥80% (符合国家二级能效指标)。
*1.1.10允许汽蚀余量: 2.5m 。
1.1.11最大轴功率: 62.5KW 。
1.1.12额定转速: 1480r/min 。
ZH系列渣浆泵参数ZH(R)系列渣浆泵是一种用于输送高浓度、高磨损的悬浮液体的离心泵。
该系列泵具有高效、耐磨、稳定性好等优点,在矿山、选矿、冶金、电力、煤炭、建筑材料等行业得到广泛应用。
以下是该系列泵的一些参数:1.流量范围:12.6-5400m³/h,其中流量又分为三种型号,分别为12.6-28.8m³/h,36-1500m³/h,1200-5400m³/h。
2.扬程范围:5-94m。
3. 允许最大粒子直径:76.2mm。
4.功率范围:1.5-1200kW。
5. 转速:500-2400rpm。
6. 进口直径范围:50-1200mm。
7. 出口直径范围:25-900mm。
8.泵体材料:高铬合金、橡胶等。
9. 叶轮直径:300-1900mm。
10.轴封形式:填料密封、机械密封、橡胶填料密封。
11.系列泵采用轴向调节装置进行调节,可保持在高效点运行。
12.该系列泵有自动调节装置,能根据工作条件实时调节泵的流量和扬程。
13.叶轮和前后盖板采用活动连接,可轻松拆卸更换。
14.泵体采用整体铸造结构,更加坚固耐用。
15.泵的进、出口均可根据使用要求进行360度旋转。
16.泵轴采用多段结构,可避免由于过大的泵轴造成的挠曲和震动。
17.该系列泵可根据用户需求配备不同材质的叶轮,适应不同工况。
18.电机配备了过载保护装置,可以有效预防电机过载。
以上仅为ZH(R)系列渣浆泵的一些参数,该系列泵还有更多的技术参数和特点。
这些参数和特点决定了其适用于输送高浓度、高磨损的悬浮液体,并确保了其高效、稳定的工作性能。
渣浆泵所涉及到的基本参数流量:泵在单位时间内排出液体的数量。
体积流量以符号Q 表示,单位l/s 或m3/h 、m3/s 。
扬程:单位重量的液体通过泵后所获得的能量。
其值等于泵的出口总水头与入口总水头代数差。
以符号H 表示,单位为米液柱(m )。
转速:泵的转速是指泵轴每分钟的转数。
以符号n 表示,单位r/min 。
轴功率:原动机驱动泵所需功率,以符号P 表示,单位KW 。
泵有效功率:泵送液体(浆体)的重量流量与扬程的乘积,以符号Pe 表示。
(KW) 式中 γ—液体密度(kg/m3)浆体轴功率:泵送浆体时泵的轴功率称为浆体轴功率,以符号Pm 表示,单位KW 。
(KW) 式中 Hm ——浆体扬程,米浆柱(m ),Qm ——浆体流量(l/s ) 汽蚀余量:在泵吸入口处单位重量液体所具有的超过汽化压力的富裕能量。
以符号NPSH 表示,单位米液柱(m )。
效率:有效功率与轴功率之比,以符号η表示,是衡量泵做功能力大小的一个物理量粒形:固体物料的几何形状。
从摩擦学的角度并结合物料水力输送的特性,分以下三大类:锐形颗粒;钝性颗粒;浑圆形颗粒硬度:固体物料的硬度也是造成过流部件高磨损的又一重要又一重要因素。
当固体物料的硬度高于过流件时,则对过流件产生切削磨损;当固体物料的硬度低于过流件时,由于固体粒子的反复作用,也可导致材料的疲劳磨损。
固体物料的密度:固体物料在密实状态下,单位体积所具有的质量,以符号ρs 表示,单位kg/m3。
固体物料的密度大小与浆体的沉降速度、磨损量以及泵的轴功率成正比,与泵效率成反比。
当密度大到浆体不足以形成悬浮状态产生沉积时,就会产生堵塞和断流.分布状态:浆体中固体物料的分布状态也是决定浆体的重要因素之一。
均质浆体最重要的特性就是固体颗粒分布均匀,悬浮分散,无明显的粘结团块,否则就是非均质浆体. 102H Q P e ∙∙=γm m m mm S Q H P η102∙∙=。
目录1.概述 (1)2.结构说明 (3)3.装配 (5)4.运转 (6)5.维护保养 (8)6.可能发生的故障及解决的办法 (9)在安装使用前,请详细阅读此说明书泵严禁反转,托架冷却水压严禁超过0.2MPa1、概述为了满足电力、冶金、煤炭、矿山、建材、化工等行业发展需要,针对渣浆输送特点,本公司在几十年渣浆泵设计制造经验的基础上,广泛吸取国内外先进技术和科技成果,开发研制了新一代高效节能耐磨蚀ZBG、ZBD、ZBQ系列渣浆泵产品。
ZBG、ZBD系列渣浆泵流量8~4800m3/h,扬程10~109m。
ZBG系列渣浆泵是替代HH系列中浓度、中磨蚀W ARMAN(沃曼)泵的理想节能换代产品,其中ZBG(P)系列渣浆泵在压力允许范围内可以多级串联使用,其允许最大工作压力为3.6MPa。
ZBD系列是代替AH系列高浓度、强磨蚀W ARMAN泵的理想节能换代产品。
ZBQ系列轻型渣浆泵流量140~1200m3/h,扬程23~83m。
输送低浓度(体积浓度20%以下)、低磨蚀渣浆时是替代L系列W ARMAN(沃曼)泵和SH型双吸清水泵的理想节能换代产品。
与重型渣浆泵比较,产品体积小,重量轻,价格低;与SH型双吸清水泵比较,产品可靠性高,大修周期长(输送带少量渣浆的液体为清水泵的20倍以上)。
ZBG、ZBD、ZBQ系列渣浆泵的设计点性能参数见表1:ZBG、ZBD、ZBQ三个系列渣浆泵的共同特点:采用最新泵设计理论和优化设计方法,综合应用CAD、CFD、CAPP等先进技术,使设计出的渣浆泵水力性能优良、效率高(比老产品提高5%以上)、磨损率低;流道宽畅,抗堵塞性能好,汽蚀性能优越;采用付叶轮填料组合密封或机械密封,确保渣浆无泄漏;应用可靠性设计技术,保证了整机平均无故障时间(MTBF)大幅度提高;采用稀油润滑公制轴承,合理设置润滑冷却系统,保证轴承在最佳温度下运行;泵进出口法兰依据国家现行标准生产,便于管道安装。
泵以使用直联方式为主,传动效率高。
M、AH、HH 型渣浆泵使用、装配和维护说明书河北高通泵业安全须知〔一〕泵是一种即承压又传动的机器,在安装、操作和修理前及安装操作和修理期间,必需遵守所规定的安全措施。
辅机〔如电机、皮带传动装置、联轴器、高速箱、无级变速装置等等〕也要遵守这项安全措施,并在安装、操作和修理前参考有关规程。
〔二〕装皮带或联轴器之前,必需检查转动方向,由于不正确的转动方向将使泵在运转中损坏或个别零件的损坏。
〔三〕未经特地人员许可,不得使泵超出原来销售时规定的工况运转,否则将导致设备或人身事故。
〔四〕泵不行在较低或零流量点或在其他可能引起泵送介质汽化的状况下运转,否则将由于压力巨增而可能造成设备人身事故。
〔五〕修理或泵送期间,内部真空的泵必需隔离,假设不能完好隔离,可能使叶轮变为“飞轮”,从而造成设备和人身事故。
注释应备有包括液池、泵送管路、阀门、把握装置等等在内的系列安装图,以免错装给泵带来不利影响。
M、AH、HH 型渣浆泵使用、装配和使用说明书目录第一节:1、泵规格型号代号说明32、泵装配33、根底34、泵轴〔与电机轴〕对中35、管道36、启动47、修理58、备件79、润滑脂710、建议承受的润滑脂量和润滑周期8其次节:轴承装配说明B、C、D、E、F 和G 型托架9—14 第三节:轴承装配说明R、Rs、S、ST、T 和Tu 型托架15—18第四节:轴承组件试验说明书19第五节:托架装配说明书20第六节:泵头的组装说明书21—36第七节:叶轮间隙的调整37第八节:泵的拆卸38附表1:泵的根本零件号39附表2:装泵工具名目41第一节使用说明1、泵规格型号代号说明每台沃曼泵都有一个铭牌,钉在托架上,铭牌上印有泵规格号,泵的规格号由数字和字母组成,并排列如下:数字数字字母字母〔a〕〔b〕〔c〕〔d〕(a)、吸入口直径,以英寸表示,如1.5、2.4、10、20、36 等等。
(b)、吐出口直径,也以英寸表示,如1、1.5、3、8、18、36 等等。
XXXXXX渣浆泵招标技术参数及要求(示例)一、总则1、本设备技术规格书适用于XXX渣浆泵采购项目,提出了对招标设备的功能设计、结构、性能和试验等方面的技术要求。
2、需方在本技术规范书中提出了最低限度的技术要求,并未规定所有的技术要求和适用的标准,并未对一切技术细则做出规定,也未充分引述有关标准和规范的条文,供方应提供一套满足本规范书和现行有关标准要求的高质量产品及其相应服务。
3、如果供方没有以书面形式对本规范书的条款提出异议,则意味着供方提供的设备(或系统)完全满足本规范书的要求。
如有异议,应在投标书中以“对规范书的意见和与规范书的差异”为标题的专门章节加以详细描述。
4、供方须执行现行国家标准和行业标准。
有矛盾时,按现行的技术要求较高的标准执行。
GB3836-2010《爆炸性气体环境用电器设备》GB18613-2012《中小型三相异步电动机能效限定值及能效等级》5、供方具有成套设备供应能力,近三年内有同类型产品的设计、制造和使用业绩。
并提供生产业绩资料(包括用户鉴定意见书)。
6、投标人应对本“技术规格”要求的实现,应给予明确的“满足”或“不满足”的应答,并作出具体、详细的说明和提供所要求的证明材料。
投标人在响应技术规格时,必须在技术指标栏中提出具体技术指标;如有偏离请列出,如果只注明“符合”、“满足”,将视为该投标没有实质性响应。
7、供方应具有整套设备内相关设备的有关资质(包括知识产权等),以避免纠纷,若由于方资质、产权(专利权)等方面产生的问题,供方应承担全部责任。
8、投标方须提供设备所有备品、备件明细及分项报价,中标后,需方根据需要另行签订商务合同。
9、投标方一旦中标,必须以最优惠的价格长期提供用户备品、备件,且备品、备件的价格不得高于此次投标中的价格。
如果备件发生设计变更,应将变更信息及时通知用户。
10、质保期为设备到货安装、调试、验收合格后18个月,质保期内厂家负责“三包”,出现质量问题均由供方及时无偿保修(包括提供的材料和配件)。
8042渣浆泵参数1.引言1.1 概述概述随着工业发展的进步,渣浆泵在各种领域中的应用越来越广泛。
渣浆泵作为一种重要的输送设备,主要用于处理各类高浓度颗粒物质的输送和排放。
其参数的选择和优化对于保证设备的稳定工作和提高工作效率具有重要意义。
本文将重点讨论渣浆泵参数的定义和其重要性,以及对于工作效率的影响和优化方向。
在后续章节,我们将详细探讨这些方面,并提出一些改进建议。
渣浆泵参数的定义是指在渣浆泵设计中所选取的各项物理和技术参数。
这些参数包括但不限于泵的流量、扬程、转速、功率、进出口直径等。
这些参数的选择应根据具体的工况条件、管道布局和输送介质的特性来确定。
合理选择和优化这些参数可以提高渣浆泵的输送效率、降低能耗,并保证设备的稳定运行。
渣浆泵参数的重要性不可忽视。
首先,合理选择和配置这些参数可以保证泵的工作效率和性能。
例如,确定合适的流量和扬程可以保证泵的最佳工作点,从而提高输送效率和降低设备的能耗。
其次,渣浆泵参数的选择还涉及到设备的安全性和使用寿命。
合理的参数配置可以降低设备的故障率,延长设备的使用寿命,并减少维护成本。
在本文的后续章节中,我们将重点讨论渣浆泵参数对工作效率的影响以及优化的方向。
通过分析和研究这些影响因素,我们可以更好地理解和应用渣浆泵参数,以提高设备的工作效率和性能。
总之,渣浆泵参数作为渣浆泵设计中的重要组成部分,其选择和优化对于设备的工作效率、安全性和使用寿命具有重要影响。
本文通过对渣浆泵参数的概述和重要性的介绍,旨在为读者提供一些有益的信息和理解。
在下个章节中,我们将深入探讨这些方面,并提出一些建议和优化方向。
1.2文章结构文章结构的设计在撰写一篇长文的过程中非常重要,它不仅能帮助读者更好地理解文章的内容,还能使文章的逻辑更加清晰和有条理。
本文的结构主要分为引言、正文和结论三个部分。
引言部分主要对文章的主题进行概述,并介绍文章的结构和目的。
在引言部分,我们将首先阐述渣浆泵参数的重要性,然后介绍本文的主要内容和结构安排。
渣浆泵标准1. 泵体结构渣浆泵的泵体应由耐磨、耐腐蚀、抗氧化的材料制成,结构应牢固,表面应光滑,无裂纹、砂眼等缺陷。
泵体应与电机、轴封等部件连接牢固,密封性能良好。
2. 泵的尺寸和性能参数渣浆泵的尺寸和性能参数应符合设计要求,具体包括:(1) 泵的流量(Q):指单位时间内泵送液体的体积。
(2) 泵的扬程(H):指泵送液体时能够产生的最大压力差。
(3) 泵的转速(n):指泵的旋转速度。
(4) 泵的功率(P):指泵的输出功率。
(5) 泵的效率(η):指泵的输出能量与输入能量之比。
3. 泵的零部件材料和制造工艺渣浆泵的零部件材料和制造工艺应符合设计要求,具体包括:(1) 叶轮、轴封等关键零部件应采用耐磨、耐腐蚀、抗氧化的材料制成,表面应光滑,无裂纹、砂眼等缺陷。
(2) 泵轴应采用高强度、高刚度的材料制成,表面应进行精加工,无裂纹、砂眼等缺陷。
(3) 轴承应采用耐磨、耐腐蚀、抗氧化的材料制成,表面应进行精加工,无裂纹、砂眼等缺陷。
4. 泵的试验方法和验收标准渣浆泵的试验方法和验收标准应符合设计要求,具体包括:(1) 外观检查:检查泵体表面是否光滑,无裂纹、砂眼等缺陷。
(2) 尺寸检查:检查泵的尺寸是否符合设计要求。
(3) 性能测试:测试泵的流量、扬程、转速、功率、效率等性能参数是否符合设计要求。
(4) 运行测试:在泵送液体的实际工况下进行连续运行测试,测试时间不应少于24小时。
5. 泵的使用条件和安全要求渣浆泵的使用条件和安全要求应符合设计要求,具体包括:(1) 使用环境应符合设计要求,如温度、湿度、压力等。
(2) 泵送液体应符合设计要求,如液体的种类、浓度、温度等。
(3) 安全防护措施应完善,如安装防护栏、防护罩等。
供货范围、技术规格、参数与要求一、货物需求一览表
二、工作环境
依实际洗选厂的工作环境填写。
如
1.使用环境:潮湿环境。
2.最高温度: +40℃。
3最低温度: -30℃。
4.年平均气温: 15℃。
5.环境相对湿度:≤90%(+25℃)。
6.地震烈度: 8级。
7.安装地点及用途:地面洗选厂主洗一楼。
8.海拔高度: 1150m 。
三、技术参数及要求
(一)技术参数
1.泵体
1.1 参考型号:150ZJG-I-B45。
1.2 额定流量:372m3/h。
1.3 扬程:60m。
1.4 额定转速:1480r/min。
△1.5 密封型式:机械密封。
1.6电机功率:132KW。
1.7电压等级:660V。
1.8保证效率:≥80%(符合国家二级能效指标)。
1.9入料粒度:<50mm。
1.10渣浆泵出口方向要求:从泵入口方向看出口在右侧朝上。
(二)技术要求
*1.护板、叶轮、蜗壳、填料箱、入口、出口短节等过流部件采用耐磨材料,使用寿命1年以上。
2.质保期:1年,在质保期内因产品质量损坏,供方无偿保修或更换。
3.随机发货携带设备使用说明书、设备总图、各非标零部件图纸,标准件型号明细、印刷版4份,电子版1份,合格证、试验报告2份。
4.未尽事宜,双方协商解决。
(三)招标人提出的特别技术要求
*1.渣浆泵安装尺寸:中标厂家需到生产现场进行测量后,方可生产制造。
2.厂家提供售后技术指导,解决使用中遇到的技术性难题。
渣浆泵参数说明及计算步骤Ⅰ基本参数:基本工况、流量、扬程1通过工况首先确定是否用我们的泵,这里所说的工况理解为应用行业等如,选矿,选煤,抽沙等。
(这一步很重要,也是做选型的前提工作)2流量,扬程是选泵最基本的两个参数:a:通过工况初步确定泵的大致情况,如哪个系列型号或者是否考虑材质等b:确定泵的系列型号后,通过流量,扬程读性能曲线,从而确定泵的具体型号和大小。
c:读曲线,计算功率:泵的轴功率计算必须知道的参数包括流量,扬程,效率,渣浆比重;效率(η)由流量,扬程决定,通过读性能曲线来读出来;渣浆比重客户无法提供的只能通过经验值。
一般在(1-2之间),技术计算时会给一个估算值计算功率。
d:计算轴功率P=m*g*h/η其导出式:P=ρ*Q*H/102η(实际计算中要注意安全系数使用)e:电机功率,通过轴功率取其最近且比轴功率大的电机功率为最终电机功率。
Ⅱ较多参数:工况流量扬程渣浆比重固体比重浓度Ph值温度按照Ⅰ的基本过程,只不过C的步骤中渣浆比重参数直接用客户提供的数值,或者通过固体比重和浓度来计算渣浆比重。
重量浓度一般主要考虑浆体的磨蚀性的程度,具体某种矿浆,浓度越高肯定磨蚀性相对会更高,同时渣浆比重也会更高。
所以也就有了我们分重型,中性,轻型渣浆泵,就是根据渣浆的含量大致来换分这么一个概念,没有严格界限。
Ph值是我们判断是选取泵的过流部件的材质因素之一(一般5-12的ph值是考虑金属过流件范围,其余范围考虑用橡胶或者其他特殊材质,这里也是理论数字范围不能死套,要灵活应用);温度也是确定材质是否可以用的因素之一,一般温度大部分情况是很少考虑的因素,但有时也有特殊工况对温度提出要求。
Ⅲ详细参数:工况流量扬程渣浆比重固体比重浓度Ph值温度D50,D80,管路(管道,弯头,阀门,渐(缩,扩管),粘度等仍然是按照Ⅰ的基本过程,只不过在这种详细参数中,一般都是投标的项目,或者客户端非常专业,才能提供如此多的详细参数。
ZM(R)系列渣浆泵参数
特点和用途:
ZM 型泵为悬臂、卧式离心渣浆泵。
亦称中型渣浆泵。
与重型渣
浆泵相比,该泵型转速高,体积小,重量轻,适用于输送细颗粒、低
浓度的渣浆或腐蚀性渣浆。
输送浆体的重量浓度一般不超过30%,亦
可输送高浓度低磨蚀性渣浆。
ZM 型泵的泵体和叶轮具有可更换的耐磨金属内衬或橡胶内衬,
叶轮采用耐磨金属或橡胶材料。
轴封可采用填料密封或离心式密封。
泵的吐出口位置可根据需要按45℃间隔,旋转八个不同的角度安装
使用。
型号意义说明:
如: 20ZMA
20: 泵出口直径(mm)
Z : 杂质泵
M : 中型
A : 托架形式
Z M 系列渣浆泵性能参数表
型号允许配带清水性能曲线号
最大功率流量 Q 扬程
H(m)
转速
n(r/min)
最高效率
η(%)
汽蚀余量
(m)
叶轮直径
(mm)
m3/h L/S
20ZMA 7.5 2.34-10.8 0.65-3 6-37 1400- 3000 30 152.4 WP20A21 50ZMB 15 16.2-76 4.5-20 9-44 1400-2800 55 190 WPA50A21 75ZMC 30 18-151 5.0-42 4-45 900-2400 57 229 WPA75A21 100ZMD 60 50-252 14-70 7-46 800-1800 60 2-3.5 305 WPA100A21 150ZME 120 115-486 32-135 12-51.5 850-1500 65 2-6 381 WPA150A21 200ZME 120 234-910 65-253 9.5-40 600-1100 64 3-6 457 ESY7995 250ZME 120 396-1425 110-396 8-30 500-800 77 2-10 550 WPA250A21 300ZMS 560 468-2538 130-705 8-60 400-950 79 2-10 653 WPA300A21 350ZMS 560 650-2800 180-780 10-59 400-840 81 3-10 736 WPA350A21A
400ZMST 560 720-3312 200-920 7-51 300-700 80 2-10
825
ESY7991 756-3312 210-920 7-37.5 300-600 85 2-8 WPA400A21
450ZMST 560 1008-4356 280-1210 9-48 300-600 80 2-9
933
ESY7882 1080-4356 300-1210 9-40 300-550 87 3-10 WPA450A21A
550ZMTU 1200 1980-7920 560-2200 10-50 250-475 86 4-10
1213
WPA550A21 1980-7920 560-2200 10-50 250-475 86 4-10 ESY8146
650ZMTU 1200 2520-9108 700-2530 10-55 200-350 86 2-8
1425
ESY8259 2520-9108 700-2530 10-39 200-350 86 2-8 WPA650A24。