【CN305396963S】圆刀模切机卫星式【专利】
- 格式:pdf
- 大小:194.90 KB
- 文档页数:3
专利名称:一种圆刀模切机
专利类型:实用新型专利
发明人:姚文渊
申请号:CN201620550095.9申请日:20160608
公开号:CN205674262U
公开日:
20161109
专利内容由知识产权出版社提供
摘要:本实用新型提供一种圆刀模切机,包括:至少一个刀座,所述刀座设置有一驱动装置,一动力单元与驱动装置机械连接,用于驱动驱动装置转动;一图像采集设备,布置在刀座下游方向,并发送第一信号至控制器;一控制器,电性连接动力单元及图像采集设备,接收图像采集设备发送的第一信号,并向动力单元发送控制信号,通过将每一刀座上的驱动装置单独设置动力单元,使得每一动力单元驱动的驱动装置均为可调,增加了生产产品的灵活性,同时控制器根据图像采集设备获得的图像信息向动力单元发出控制信号,使得产品的生产一直处于受控状态,使得产品质量稳定。
申请人:苏州工业园区久泰精密电子有限公司
地址:215000 江苏省苏州市苏州工业园区东旺路53号
国籍:CN
更多信息请下载全文后查看。
专利名称:一种提高传动稳定性和产品精度的圆刀模切机专利类型:实用新型专利
发明人:董占红,郭庆亮,张罗平
申请号:CN202122341111.7
申请日:20210927
公开号:CN215806169U
公开日:
20220211
专利内容由知识产权出版社提供
摘要:本实用新型公开了一种提高传动稳定性和产品精度的圆刀模切机,包括伺服电机、减速机、十字联轴器、底辊、刀座本体组件、底辊内侧支撑轴承和底辊外侧支撑轴承,所述减速机的动力输入端嵌合安装有伺服电机的动力输出端,在伺服电机一侧的减速机与底辊的辊轴之间用十字联轴器连接,而底辊借助底辊内侧支撑轴承和底辊外侧支撑轴承在刀座本体组件内转动安装,不但允许减速机的机轴跟底辊之间有一定量的不同轴度,而且可大幅度降低因刀具切削材料产生的冲击力造成的抖动对加工精度的影响,以及间歇启停产生的行走误差和变形抖动。
申请人:廊坊纽特科技有限公司
地址:065001 河北省廊坊市经济技术开发区芙蓉道9号
国籍:CN
更多信息请下载全文后查看。
(19)中华人民共和国国家知识产权局
(12)外观设计专利
(10)授权公告号 (45)授权公告日 (21)申请号 201930175209.5
(22)申请日 2019.04.17
(73)专利权人 山东华滋自动化技术股份有限公
司
地址 261000 山东省潍坊市高新区樱前街
与高新二路交叉口北100米路东
(72)设计人 宋光辉 刘中强 庞好光 王大龙
(74)专利代理机构 潍坊正信致远知识产权代理
有限公司 37255
代理人 王秀芝
(51)LOC(12)Cl.
15-09
(54)使用外观设计的产品名称
圆刀模切机单元
(卫星式)立体图
图片或照片 7 幅 简要说明 1 页CN 305396962 S 2019.10.22
C N 305396962
S
主视图后视图左视图右视图
俯视图
仰视图
立体图
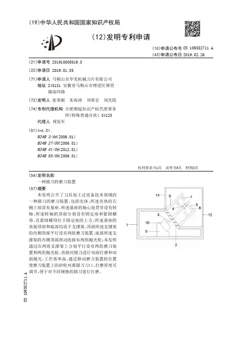
外观设计图片或照片1/1页
2 CN 305396962 S。
(19)中华人民共和国国家知识产权局
(12)外观设计专利
(10)授权公告号 (45)授权公告日 (21)申请号 201930175210.8
(22)申请日 2019.04.17
(73)专利权人 山东华滋自动化技术股份有限公
司
地址 261000 山东省潍坊市高新区樱前街
与高新二路交叉口北100米路东
(72)设计人 宋光辉 刘中强 庞好光 王大龙
(74)专利代理机构 潍坊正信致远知识产权代理
有限公司 37255
代理人 王秀芝
(51)LOC(12)Cl.
15-09
(54)使用外观设计的产品名称
圆刀模切机(卫星式)
立体图
图片或照片 7 幅 简要说明 1 页CN 305396963 S 2019.10.22
C N 305396963
S
主视图后视图左视图右视图
俯视图
仰视图
立体图
外观设计图片或照片1/1页
2 CN 30539696
3 S。