外墙螺杆眼封堵技术交底
- 格式:docx
- 大小:29.84 KB
- 文档页数:8
外墙螺杆眼封堵安全交底1. 背景介绍外墙螺杆眼封堵是建筑施工中的一项重要工作,其目的是确保建筑外墙的完整性和安全性。
外墙螺杆眼是在建筑外墙上用于固定和支撑构件的孔洞,一旦这些孔洞没有被妥善封堵,就会导致外墙结构脆弱,甚至发生安全事故。
在进行外墙螺杆眼封堵工作前,施工人员必须了解封堵的目的、方法、要点以及安全注意事项,以确保封堵工作的质量和施工人员的安全。
2. 目的本文档的目的是对外墙螺杆眼封堵进行安全交底,使得施工人员能够了解封堵工作的重要性、操作要点和注意事项,确保工作的顺利进行并确保施工人员的安全。
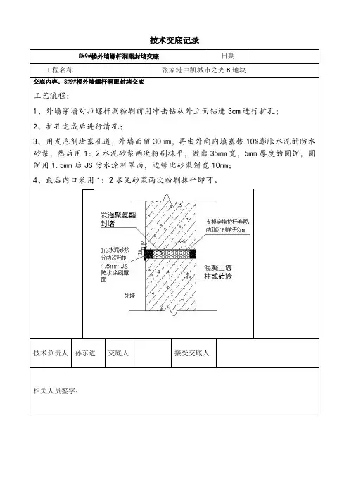
3. 外墙螺杆眼封堵方法外墙螺杆眼的封堵一般采用以下方法:3.1 清洁孔洞在封堵前,首先需要将外墙螺杆眼孔洞清洁干净,去除孔洞内部的灰尘和杂物。
清洁孔洞可以使用钢丝刷和吸尘器进行。
3.2 密封胶填充将密封胶注入孔洞中,确保孔洞内部完全填满。
可以使用硅胶或聚合物密封胶,具体选择根据工程要求和现场实际情况来决定。
3.3 平整处理使用相应的工具将注入了密封胶的孔洞表面平整处理,以保证外墙的美观和完整性。
4. 安全注意事项在进行外墙螺杆眼封堵工作时,施工人员需要特别注意以下事项,以确保工作的安全性:4.1 佩戴个人防护装备在施工过程中,施工人员应佩戴齐全的个人防护装备,包括安全帽、安全鞋、护目镜等,以防止意外伤害的发生。
4.2 使用合适工具和设备施工人员需要选择适当的工具和设备进行封堵工作,确保工具的质量和性能符合要求,并使用时要注意操作的正确性。
4.3 操作时保持稳定在进行封堵工作时,施工人员必须保持稳定的姿势和操作,避免因为不稳定造成意外事故。
4.4 注意现场安全在施工现场,施工人员需要注意周围的安全情况,确保没有人员或物体会影响到封堵工作的进行。
4.5 紧急情况应急措施在发生紧急情况时,施工人员应该立即采取相应的应急措施,并及时向上级报告,以保证安全。
5. 结束语外墙螺杆眼封堵工作的安全交底对于确保施工质量和施工人员的安全至关重要。
剪力墙螺杆孔洞封堵技术交底
一、施工工艺:
1、外墙
外墙螺杆洞→凿除螺杆洞套管→螺杆洞冲洗→发泡剂填孔→水泥砂浆封堵→外侧涂刷防水涂料→验收
2、内墙
内墙螺杆洞→凿除螺杆洞套管→螺杆洞冲洗→发泡剂填孔→水泥砂浆封堵→验收
二、操作工艺
2.1凿除螺杆洞内塑料套管,并将孔内清理干净。
2.2用水冲洗湿润后用防水砂浆从剪力墙外侧堵塞螺杆洞口,深度≥50㎜,外墙面用防水砂浆抹出直径70㎜厚5㎜的圆饼。
2.3待其凝固24小时后,采用发泡剂封堵孔内、嵌填密实。
2.4外侧封堵砂浆干燥后,在以螺栓孔中为圆心的直径100㎜范围涂刷1.0㎜厚JS防水涂料。
三、质量要求
3.1凿除螺杆洞内塑料套管,并将孔内清理干净。
3.2 发泡剂确保封堵严密。
3.3 JS防水涂刷必须均匀,确保无渗漏。
外墙螺杆洞封堵做法。
一、交底目的为确保施工现场螺杆洞封堵作业的安全,提高施工人员的安全意识和操作技能,特进行安全技术交底。
二、交底内容1. 工程概况(1)工程名称:______项目(2)工程地点:______(3)施工内容:外墙螺杆洞封堵2. 安全生产责任制(1)项目负责人:______(2)安全员:______(3)施工班组:______3. 安全操作规程(1)施工人员必须佩戴安全帽、手套、眼镜等个人防护用品。
(2)施工前应检查施工工具、设备是否完好,如有损坏应及时更换。
(3)施工过程中,应保持现场整洁,严禁乱扔废弃物。
(4)严禁在施工过程中吸烟、喝酒。
4. 螺杆洞封堵操作步骤(1)检查螺杆洞:确认螺杆洞位置、尺寸,确保无遗漏。
(2)清理螺杆洞:用冲击钻将孔眼周边的PVC管、灰浆等清理干净。
(3)扩大螺杆洞:将外孔尽量扩成20mm深喇叭口形。
(4)封堵螺杆洞:先用水泥砂浆在内墙进行初步封堵,待凝固后开始封堵外墙孔洞。
(5)湿润外墙:使用喷壶对外墙进行喷水润湿,使螺栓孔周围保持湿润。
(6)灌入膨胀水泥砂浆:从外墙由外向内用铁抹子将膨胀水泥砂浆抹到螺栓孔,边抹边用直径10mm的钢筋棍捣实,重复多次填塞捣实。
(7)抹平螺杆洞:待凝固后,用抹刀将螺栓孔处抹平。
(8)涂刷防水涂料:以外墙螺杆为中心,按照图纸要求涂刷聚氨酯防水涂料,厚度达到1.5mm,直径150mm。
5. 安全注意事项(1)施工过程中,严禁高空作业,如需进行高空作业,必须采取安全防护措施。
(2)施工人员必须遵守操作规程,不得擅自更改施工工艺。
(3)施工过程中,应密切关注现场情况,发现安全隐患及时上报。
(4)施工结束后,应对施工现场进行清理,确保无遗留安全隐患。
三、交底要求1. 施工人员必须认真听取安全技术交底,并签字确认。
2. 施工人员应严格遵守安全生产责任制,确保施工安全。
3. 施工班组应定期对施工人员进行安全教育培训,提高安全意识。
4. 项目负责人和安全员应定期对施工现场进行安全检查,确保施工安全。
外墙螺杆洞封堵施工技术交底
工程名称:施工单位:编号:
项目技术负责人:项目专业施工员:项目专业质量检查员
专业班组长:交底时间:交底地址:项目部会议室
交底内容
螺栓孔及孔眼周边垃圾清理→用冲击钻将墙内PVC管凿除→冲洗湿润→外墙外侧孔眼膨胀水泥砂浆封堵密实→孔内发泡剂发泡→墙内层发泡剂清理→墙内侧膨胀水泥砂浆封堵→养护。
4.2.3 构造做法及详图
1)用铲刀将露出墙面的PVC管清理干净,孔眼周边残余灰浆清理,用毛刷扫净。
2)用直径16的电钻将孔眼扩成喇叭口形,深度20mm,外口直径50mm。
如下图:
3)提前一天用水进行冲洗湿润。
如下图:
4)用1:1膨胀水泥砂浆从外墙外侧进行封堵入孔内50mm,用Φ10圆钢捣实与墙面抹平。
如下图:5)隔天膨胀水泥砂浆达到一定强度后从墙内侧将泡沫胶管深入螺栓孔底部进行发泡灌注,灌注
深度至距离墙面50mm。
如下图:
6)用铲刀将残余发泡剂清理干净。
7)墙内侧用1:1膨胀水泥砂浆将剩余50mm孔洞堵实,用Φ10圆钢捣实与墙面抹平。
如下图: 8)螺栓孔用膨胀水泥砂浆封堵后进行淋水养护一般控制在3天。
如下图:
9)外墙外侧待砂浆干燥后,用聚氨酯涂膜防水分两次刷在对拉螺栓孔处。
如下图:。
工程名称交底部位1#、4#、8#楼及车库地下至机房层施工内容外墙内墙穿墙螺杆洞封堵日期2022年8月1日交底内容:一、施工范围本工程1#、4#、8#楼及车库地下至机房层施工应用。
二、施工前准备工作1、根据项目编制的施工计划,提前在下一道施工工序前进行封堵施工,对不同洞口封堵时间提前做好插入时间的安排,合理的安排插入施工,防止出现封堵材料混淆出错,并派施工管理人员对操纵工人进行施工顺序部位引导。
三、地上外墙及内墙对拉螺杆孔的处理1、立模施工过程中采取的螺杆附带PVC套管,便于穿墙螺杆的再次利用,另外防止拆模时破坏墙体结构。
图一PVC套管图二移除对拉螺杆2、内墙抹灰施工前先用电锯将外侧螺杆洞内的PVC套管锯掉,将其扩孔深度不小于20mm、直径不小于30mm,外侧用1:2干硬性水泥砂浆(掺入防水粉或膨胀剂)封堵,内侧用1:2干硬性水泥砂浆(掺入防水粉或膨胀剂)封闭,40~60mm深,从内侧往螺栓孔中注入聚氨酯发泡胶,打满孔洞。
工程名称交底部位1#、4#、8#楼及车库地下至机房层施工内容外墙内墙穿墙螺杆洞封堵日期2022年8月1日工程名称交底部位1#、4#、8#楼及车库地下至机房层施工内容外墙内墙穿墙螺杆洞封堵日期2022年8月1日图三孔眼扩成喇叭口形并内外封堵3、穿墙对拉螺杆孔洞必须逐个封堵密实。
4、工艺流程:螺栓孔剔凿、清理孔内→钢丝刷刷毛→洒水湿润→灌防水砂浆→表面抹平压光→刷1.2厚聚氨酯防水涂料→内侧发泡剂→内侧抹灰压平(1)用铲刀将露出墙面的PVC管清理干净,孔眼周边残存灰浆清理,用毛刷扫净。
(2)用直径16的电钻将孔眼扩成喇叭口形,深度:50mm,外口直径:50mm。
(3)提前一天用水进行冲洗湿润。
(4)用1:2膨胀水泥砂浆从外墙进行封堵入口内50mm,用¢10圆钢捣实与墙面抹平。
(5)隔天膨胀水泥砂浆达到一定强度后从墙内侧将泡沫胶管深入螺栓孔底部进行发泡灌注,灌注深度至距离墙面40mm;(6)带砂浆干燥后,用1.2厚聚氨酯防水涂料涂刷螺杆眼孔,形状为直径100mm的圆形;5、封堵的水泥砂浆必须压到墙体中部并压实。
一、交底目的为确保施工安全,提高施工质量,防止因螺杆眼封堵不当造成的安全隐患和质量问题,特进行本次安全技术交底。
二、交底内容1. 螺杆眼封堵的重要性螺杆眼是施工中用于固定模板的支撑点,封堵不严会导致墙体渗漏、裂缝等质量问题,严重时可能影响建筑物的结构安全。
2. 螺杆眼封堵的材料及工具- 材料:水泥、膨胀剂、防水涂料、钢筋等。
- 工具:冲击钻、喷壶、铁抹子、钢筋棍、砂浆枪等。
3. 螺杆眼封堵工艺流程(1)清理:用冲击钻将墙内的PVC管剔除、清理干净,孔眼周边残余灰浆清理。
(2)扩大孔径:将外孔尽量扩成20mm深喇叭口形。
(3)内墙封堵:先用水泥砂浆在内墙初步封堵,等凝固后开始封堵外墙孔洞。
(4)湿润:在外墙使用喷壶进行喷水润湿,使螺栓孔周围保持湿润。
(5)填充:从外墙由外向内用铁抹子将膨胀水泥砂浆(膨胀剂掺量为水泥用量的4%~5%)抹到螺栓孔。
灌进去一部分后,用直径10钢筋棍捣实后,重复多次填塞捣实。
(6)抹平:用抹刀将螺栓孔处抹平,防水材料为防水涂料时,可抹成5050的方块。
(7)防水施工:待防水砂浆凝固后,以外墙螺杆为中心,涂刷水泥基防水涂料JS,厚度1.5mm,直径150mm。
4. 施工注意事项(1)孔洞周围稀疏混凝土一定要凿除。
(2)膨胀水泥砂浆必须采取集中搅拌的方式,决不允许直接在楼层中搅拌。
(3)堵塞以前,孔洞里的垃圾清理完毕,并且撒水湿润孔里之后,要找项目质检员测试合格后,方可以进行砂浆填补。
(4)开始施工之前,先进行样板施工,砂浆配合比应挂牌,并且注明所有材料的用量。
(5)质检员全程跟踪,并且检测填补质量,一旦发现填补不合格的地方,一定要立马下发整改通知单,并且进行上报。
(6)构造中墙面螺杆应采用一次性止水对拉螺杆,确保封堵效果。
三、安全措施1. 施工人员必须穿戴好个人防护用品,如安全帽、手套、口罩等。
2. 施工现场应设置安全警示标志,禁止无关人员进入施工区域。
3. 施工过程中,应注意观察周围环境,确保施工安全。
外墙螺杆眼封堵施工工法一、工法特点①本工法从材料及施工工艺上入手,很好的解决了外墙螺杆眼防水渗漏等问题。
②操作简单,性价比高,技术经济效果明显。
二、适用范围适用于所有建筑外墙螺杆眼封堵三、工艺原理本工法利用膨胀水泥砂浆的独特防水性能来完成外墙螺杆眼封堵。
膨胀水泥是指在水化和硬化过程中产生体积膨胀的水泥,一般硅酸盐水泥在空气中硬化时,体积会发生收缩。
收缩会使水泥石结构产生微裂缝,降低水泥石结构的密实性,影响结构的抗渗、抗冻、抗腐蚀等。
膨胀水泥在硬化过程中体积不会发生收缩,还略有膨胀,可以解决由于收缩带来的不利后果。
四、工艺流程及操作要点1.工艺流程螺栓孔及孔眼周边垃圾清理→用直径16的电钻将孔眼扩成喇叭口形→冲洗湿润→涂刷胶浆→外墙外侧孔眼膨胀水泥砂浆封堵密实→孔内发泡剂发泡→养护→墙外侧聚氨酯三遍防水处理。
⑴用铲刀将露出墙面的PVC管清理干净,孔眼周边残余灰浆清理。
用毛刷扫净。
⑵用直径16的电钻将孔眼扩成喇叭口形,深度30mm,外口直径80--100mm,将剔凿出喇叭口内的PVC管用电钻剔除20mm深,提前一天用水将喇叭口表面进行冲洗湿润。
⑶在喇叭口表层涂抹一层胶浆。
⑷用1:1膨胀水泥砂浆从外墙外侧进行封堵入孔内20mm,用Φ10圆钢捣实与墙面抹平。
⑸隔天膨胀水泥砂浆达到一定强度后从墙内侧将泡沫胶管深入螺栓孔底部进行发泡灌注,灌注深度至距离墙面40mm。
⑹用铲刀将残余发泡剂清理干净。
⑺螺栓孔用膨胀水泥砂浆封堵后进行淋水养护一般控制在3天。
⑻外墙外侧待砂浆干燥后,用聚氨酯涂膜防水刷在对拉螺栓孔处,为方便验收防止漏刷,分3种不同颜色聚氨酯涂刷,第一遍为白色,第二遍采用红色涂刷,第三遍采用黑色涂刷,形状为直径150mm的圆形。
2.施工要点⑴膨胀水泥砂浆需集中搅拌,禁止直接在楼层上搅拌。
⑵堵塞前,孔内垃圾清理完成并撒水湿润孔内后,需请项目质检员验收合格后,方可进行砂浆填充。
⑶正式施工前,先施工样板,砂浆配合比需挂牌,标明各种材料的用量。
外墙螺杆洞封堵技术交底-标准化文件发布号:(9456-EUATWK-MWUB-WUNN-INNUL-DDQTY-KII
方,用水冲洗湿润后以1:2水泥砂浆(掺10%膨胀剂)封堵,做法同上。
三、质量要求
3.1凿除螺杆洞内塑料套管,并将孔内清理干净。
3.2将外墙螺杆孔四周凿成深度约20mm 的喇叭口。
3.3填充砂浆时需两人配合,分别从两侧同时填充,确保封堵严密。
外墙螺杆洞封堵示意图
注:本交底如有遗漏部分,需按有关技术规范及验收规范执行,并符合我司制定的相关要求。
审核人
交底人
接受交底人
外墙凿成喇叭口 发泡剂
1:2水泥砂浆掺膨
本交底一式两份,一份交接受交底人,一份留存。
技术交底记录表C2-1编号工程名称力上桃花源A、B 区二期交底日期2019-5-1施工单位南通市常青建筑安装工程有限公司分项工程名称外墙螺栓孔封堵交底提要外墙螺栓孔封堵方案交底1 工艺流程:剔除塑料垫块--割除螺杆--浇水湿润-- 内外侧封堵-- 防水附加层--防水层保护--内饰面节点图:2 构造做法:2.1剔除塑料垫块逐个剔除内外侧塑料垫块2.2 割除多余螺杆将螺杆从凹槽的最深处割断。
2.3 浇水湿润清理孔内杂物,周边浇水湿润。
2.4 内外侧封堵用聚合物水泥砂浆封堵内外侧螺杆孔凹槽并压实抹光。
2.5 防水附加层待聚合物水泥砂浆干燥后(约24 小时),在墙体迎水面一侧,施工螺杆位置防水附加层,附加层范围直径80mm。
防水材料及做法同防水层。
2.6 防水层及保护防水附加层验收合格后,在迎水面施工卷材防水。
2.7 内饰面墙外侧防水层等施工完成后施工内饰面。
3 质量控制点:3.1 一次性止水对拉螺杆及止水片3.2 对拉螺杆切割深度3.3凹槽湿润;3.4 聚合物水泥砂浆抹平压光3.5防水附加层范围及厚度技术负责人交底人接受交底人技术交底记录表C2-1编号工程名称力上桃花源A、B 区二期交底日期2019-5-1施工单位南通市常青建筑安装工程有限公司分项工程名称外墙螺栓孔封堵交底提要外墙螺栓孔封堵方案交底1、本表由施工单位填写,交底单位与接受交底单位各存一份。
2、当做分项工程施工技术交底时,应填写" 分项工程名称"栏,其他技术交底可不填写。
1 / 5交底内容:3.6 防水层及防水保护层4 普通墙体对拉螺杆封堵做法:聚氨酯发泡胶封堵4.1 做法说明:本做法适用于± 0.00 以上混凝土结构内外墙穿墙对拉螺杆孔洞的封堵,穿墙对拉螺杆孔洞必须逐个封堵密实。
4.2工艺流程:浇水湿润--外侧封堵--孔内打发泡胶--外侧刷JS 防水--外饰面施工节点图:4.3构造做法:4.3.1铣孔及清理用18mm 的钻头由外向内铣孔,深度50mm ,然后清理孔内杂物垃圾,周边浇水湿润。
2.6外墙侧螺杆孔位防水涂料或防水卷材需按防水工程施工标准及要求施工。
2.7对于地下室外墙,只需将露出墙面的螺杆割除,凿除墙内嵌固的小木方,用水冲洗湿润后以1:2水泥砂浆(掺10%膨胀剂)封堵,做法同上。
三、质量要求
3.1凿除螺杆洞内塑料套管,并将孔内清理干净。
3.2将外墙螺杆孔四周凿成深度约20mm 的喇叭口。
3.3填充砂浆时需两人配合,分别从两侧同时填充,确保封堵严密。
外墙螺杆洞封堵示意图
外墙凿成
发泡剂
1:2水泥砂
本交底一式两份,一份交接受交底人,一份留存。