螺杆洞封堵技术交底
- 格式:doc
- 大小:20.50 KB
- 文档页数:1
螺杆洞封堵技术交底1. 前言螺杆是一种常用的螺旋压紧传动机构,用于传输动力或旋转运动。
然而,在一些工业设备中,由于不可避免的因素,如气体或液体的泄漏、部件的磨损或腐蚀等,螺杆的密封性能会慢慢下降,导致螺杆洞产生封堵。
这时候,需要采用螺杆洞封堵技术来解决这个问题。
2. 螺杆洞封堵技术螺杆洞封堵技术是通过一系列的工艺手段来修复因螺杆密封不良导致的洞孔,在保持螺杆的原有结构和性能的情况下,实现其封堵。
常见的螺杆洞封堵技术有以下几种:2.1 焊接封堵法该方法采用焊接工艺对螺杆洞进行修补,通常适用于较小的洞孔。
具体操作步骤如下:步骤一:清洗洞孔首先要对洞孔进行清洗,将其周围的杂物和腐蚀物清除干净,以便于后续的修补工作。
步骤二:填充焊材从洞孔的内部开始逐层添加焊材,填充整个洞孔。
这个过程需要特别注意填充的焊材的量和成分,以确保填充的承载能力和化学稳定性。
步骤三:抛光将焊接部位进行抛光,以消除焊接后可能出现的锋利边缘和刺眼的光泽。
步骤四:试压最后,将修补后的螺杆进行试压试验,检查焊接密封程度。
2.2 填充封堵法该方法先用特制的填充材料或胶粘剂对洞孔进行填充,然后再进行固化或硬化,以实现封堵的目的。
具体操作步骤如下:步骤一:打磨洞孔首先要对洞孔进行打磨,以去除表面的粗糙度和不平整度,使填充材料能够更加牢固地固化。
步骤二:填充材料将特制的填充材料均匀地填充到洞孔中,让其能够充分填补整个洞孔空间。
步骤三:硬化或固化根据填充材料的成分和物理特性,进行必要的硬化或固化处理,确保填充材料能够固定在洞孔中。
步骤四:抛光对填充后的螺杆进行抛光,使其表面更加光滑,从而提高密封性能。
2.3 紧固封堵法该方法采用密封圈或螺钉进行封堵,适用于较小的洞孔。
具体操作步骤如下:步骤一:测量洞孔首先要精确地测量洞孔的直径和深度,以便于选择合适的封堵材料。
步骤二:选择封堵材料选择合适大小和材质的密封圈或螺钉,以确保其紧密地贴合螺杆表面,从而实现封堵的目的。
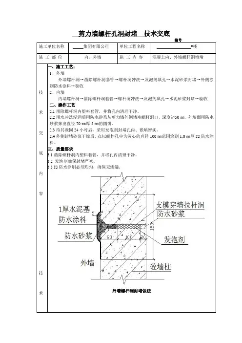
剪力墙螺杆孔洞封堵技术交底
一、施工工艺:
1、外墙
外墙螺杆洞→凿除螺杆洞套管→螺杆洞冲洗→发泡剂填孔→水泥砂浆封堵→外侧涂刷防水涂料→验收
2、内墙
内墙螺杆洞→凿除螺杆洞套管→螺杆洞冲洗→发泡剂填孔→水泥砂浆封堵→验收
二、操作工艺
2.1凿除螺杆洞内塑料套管,并将孔内清理干净。
2.2用水冲洗湿润后用防水砂浆从剪力墙外侧堵塞螺杆洞口,深度≥50㎜,外墙面用防水砂浆抹出直径70㎜厚5㎜的圆饼。
2.3待其凝固24小时后,采用发泡剂封堵孔内、嵌填密实。
2.4外侧封堵砂浆干燥后,在以螺栓孔中为圆心的直径100㎜范围涂刷1.0㎜厚JS防水涂料。
三、质量要求
3.1凿除螺杆洞内塑料套管,并将孔内清理干净。
3.2 发泡剂确保封堵严密。
3.3 JS防水涂刷必须均匀,确保无渗漏。
外墙螺杆洞封堵做法。
一、交底目的为确保施工现场螺杆洞封堵作业的安全,提高施工人员的安全意识和操作技能,特进行安全技术交底。
二、交底内容1. 工程概况(1)工程名称:______项目(2)工程地点:______(3)施工内容:外墙螺杆洞封堵2. 安全生产责任制(1)项目负责人:______(2)安全员:______(3)施工班组:______3. 安全操作规程(1)施工人员必须佩戴安全帽、手套、眼镜等个人防护用品。
(2)施工前应检查施工工具、设备是否完好,如有损坏应及时更换。
(3)施工过程中,应保持现场整洁,严禁乱扔废弃物。
(4)严禁在施工过程中吸烟、喝酒。
4. 螺杆洞封堵操作步骤(1)检查螺杆洞:确认螺杆洞位置、尺寸,确保无遗漏。
(2)清理螺杆洞:用冲击钻将孔眼周边的PVC管、灰浆等清理干净。
(3)扩大螺杆洞:将外孔尽量扩成20mm深喇叭口形。
(4)封堵螺杆洞:先用水泥砂浆在内墙进行初步封堵,待凝固后开始封堵外墙孔洞。
(5)湿润外墙:使用喷壶对外墙进行喷水润湿,使螺栓孔周围保持湿润。
(6)灌入膨胀水泥砂浆:从外墙由外向内用铁抹子将膨胀水泥砂浆抹到螺栓孔,边抹边用直径10mm的钢筋棍捣实,重复多次填塞捣实。
(7)抹平螺杆洞:待凝固后,用抹刀将螺栓孔处抹平。
(8)涂刷防水涂料:以外墙螺杆为中心,按照图纸要求涂刷聚氨酯防水涂料,厚度达到1.5mm,直径150mm。
5. 安全注意事项(1)施工过程中,严禁高空作业,如需进行高空作业,必须采取安全防护措施。
(2)施工人员必须遵守操作规程,不得擅自更改施工工艺。
(3)施工过程中,应密切关注现场情况,发现安全隐患及时上报。
(4)施工结束后,应对施工现场进行清理,确保无遗留安全隐患。
三、交底要求1. 施工人员必须认真听取安全技术交底,并签字确认。
2. 施工人员应严格遵守安全生产责任制,确保施工安全。
3. 施工班组应定期对施工人员进行安全教育培训,提高安全意识。
4. 项目负责人和安全员应定期对施工现场进行安全检查,确保施工安全。
一、工程概况1. 工程名称:____________________2. 施工部位:____________________3. 施工内容:封堵螺杆眼4. 施工时间:____________________5. 施工班组:____________________二、安全技术要求1. 施工准备- 施工人员应熟悉施工图纸和施工方案,了解螺杆眼封堵的工艺流程和安全要求。
- 作业前应对施工工具、材料进行检查,确保其符合安全标准。
- 作业区域应设置安全警示标志,并配备必要的安全防护设施。
2. 施工工艺- 使用冲击钻将墙内PVC管剔除,清理孔眼周边残余灰浆。
- 将外孔扩大成20mm深喇叭口形,以便更好地封堵。
- 先用水泥砂浆在内墙进行初步封堵,待凝固后再进行外墙封堵。
- 使用喷壶对外墙进行洒水湿润,保持螺栓孔周围湿润。
- 从外墙由外向内使用铁抹子将膨胀水泥砂浆(膨胀剂掺量为水泥用量的4%~5%)抹入螺栓孔。
- 使用直径10的钢筋棍捣实,重复多次填塞捣实。
- 待凝固后,以外墙螺栓洞口为中心,涂刷水泥基防水涂料JS,厚度1.5mm,直径150mm。
3. 安全注意事项- 作业人员应穿戴好个人防护用品,如安全帽、工作服、手套、防护眼镜等。
- 作业过程中应保持作业区域整洁,防止滑倒、跌落等事故发生。
- 使用电动工具时,应确保电源安全,防止触电事故。
- 高空作业时,应使用安全带,并确保安全带的连接牢固可靠。
- 作业人员应遵守施工现场的安全规定,不得擅自离岗。
三、应急预案1. 人员伤害事故- 发现人员受伤,立即停止作业,并迅速将伤员送至安全地点。
- 同时,立即拨打急救电话,并通知相关部门。
- 按照相关规定进行事故处理。
2. 火灾事故- 发现火灾,立即使用灭火器进行灭火,并迅速报警。
- 确保人员安全撤离,并按照应急预案进行处置。
3. 其他事故- 发现其他事故,应立即停止作业,并按照应急预案进行处理。
四、验收标准1. 封堵后的螺杆眼应平整、牢固,无裂缝、空鼓现象。
工程名称友谊天地交底部位穿墙螺杆洞封堵工程编号日期2014年11月1日节点图:
四、内墙螺杆洞封堵做法:
1、清理孔内垃圾,周边浇水湿润。
2、从一侧堵塞掺10%膨胀水泥的砂浆到墙体内压实。
五、外墙楼层接茬
1、基层清理,将表面浮浆及松散混凝土等杂物清理干净,不平处打磨平整。
2、外侧刷JS防水涂料,分多遍涂刷JS防水涂料,总厚度不小于1.0mm,涂刷范围为150mm宽。
六、施工要点及质量要求
1、孔边松散混凝土必须凿除。
2、确保外墙螺栓孔洞内的PVC管套管凿除。
3、在封堵螺杆洞前应该注意螺杆洞的清理,不能留有木屑等杂物,及油渍,并凿成毛面。
4、冲洗时需用钢丝刷清理;
5、冲洗完后,应等没有明水时在封堵,但封堵前应保持湿润。
6、砂浆封堵必须饱满密实,与先浇捣的混凝土连接应牢固。
7、砂浆应及时养护,并检查是否有细微裂缝或空鼓。
8、JS防水厚度及范围。
9、封堵前、后,分批待甲方、监理、总包验收合格后,方可进行下一道工序。
技术负责人:交底人:接交人:
1、本表由施工单位填写,交底单位与接受交底单位各保存一份。
工 程 名 称 银河御府一期交底日期 2018-9-17 施工单位 中国新兴建筑工程有限责任公司分项工程名称混凝土交底提要墙体螺栓孔及悬挑钢梁穿墙孔封堵技术交底交底人审核人接受交底人1、外墙穿墙止水丝杆孔洞的封堵(部位:地下结构部分) 1)剔掉止水螺杆外露墙面的剩余丝杆头。
2)清理孔口及周边,浇水湿润;3)用1:2干硬性水泥砂浆(添加防水剂及膨胀剂)堵塞内外侧,表面抹平压光; 4)涂刷直径≥50mm 的聚氨酯防水涂料两遍,涂层厚度不小于1.5mm 。
2、穿墙螺杆孔洞封堵(部位:地上结构部分内外墙、地下内墙) 1)将穿墙螺杆洞外侧用机械扩孔,并将扩孔部分的PVC 管除去。
2)清理孔内杂物垃圾,周边浇水湿润。
3)从一侧堵塞1:2干硬性水泥砂浆(添加防水剂及膨胀剂)40~60mm 深。
4)待一侧水泥砂浆终凝后,从另一侧往螺栓孔中填塞1:2干硬性水泥砂浆,注满孔洞,边填塞边用钢筋棍捣密实。
5)外墙外侧以螺栓孔为中心,涂刷直径≥50mm 的聚氨酯防水涂料两遍,涂层厚度不小于1.5mm 。
3、混凝土外墙孔洞封堵(部位:穿墙钢管、悬挑工字钢等) 1) 取出孔洞内钢管及预埋件,并将杂物垃圾清理干净; 2)孔洞周壁凿毛,并浇水湿润周边范围100mm 以上; 3)支洞口两侧模板,模板超出洞口上方100mm ;4)浇筑高于墙体混凝土等级一个标号的细石混凝土(掺入防水剂和膨胀剂),充分插捣密实; 5)混凝土两侧模板在2~3d 后拆除,做好养护工作;6)拆模后,凿除表面凸出的多余混凝土,并修补好混凝土缺陷;7)外墙外侧涂刷聚氨酯防水涂料两遍,每侧宽出穿墙洞边不小于50mm ,涂层厚度不小于1.5mm 。
4、砌体外墙孔洞封堵工 程 名 称 银河御府一期交底日期 2018-9-17 施工单位 中国新兴建筑工程有限责任公司分项工程名称混凝土交底提要墙体螺栓孔及悬挑钢梁穿墙孔封堵技术交底交底人审核人接受交底人1) 取出孔洞内钢管及预埋件,清除孔洞内垃圾及周边残留的砌筑砂浆; 2)浇水湿润孔洞及周边范围100mm 以上; 3)支洞口两侧模板,模板超出洞口上方100mm ;4)浇筑C20细石混凝土(掺防水剂和膨胀剂),充分插捣密实; 5)混凝土两侧模板在2~3d 后拆除,做好养护工作;6) 拆模后,凿除表面凸出的多余混凝土。
穿墙螺杆洞封堵技术交底
一、材料说明:
封堵主要采用聚氨酯发泡胶,外墙外侧螺杆洞还须涂刷JS防水。
二、外墙螺杆洞封堵做法:
1、做法说明:
本做法适用于混凝土结构外墙穿墙对拉螺杆孔洞的封堵。
穿墙对拉螺杆孔洞必须逐个封堵密实。
对拉螺杆两端(模板内侧)有锥形塑料垫块的,封堵前需逐个剔除塑料垫块。
未加设锥形塑料垫块的孔洞,封堵前先对外墙外侧对拉螺杆孔洞用机械扩孔,并将扩孔部分的PVC管除去。
扩孔尺寸为:直径不小于30mm、深度不小于20mm。
2、工艺流程:
剔除塑料垫块或将外侧螺杆孔扩孔浇水湿润外侧封堵孔内打发泡胶外侧刷JS 防水外饰面施工
3、构造做法:
一)、剔除塑料垫块或将外侧螺杆孔扩孔逐个剔除对拉螺杆中使用的塑料垫块,对未使用成品塑料垫块的螺杆孔,将外侧用机械扩孔,并将扩孔部分的PVC管除去,扩孔深度不小于20㎜、直径不小于30㎜。
二)、浇水湿润清理孔内杂物垃圾,周边浇水湿润。
三)、外侧封堵从外侧堵塞1:2干硬性水泥砂浆(添加防水剂及膨胀剂)40-60mm深。
四)、孔内打发泡胶待外侧水泥砂浆终凝后,从内侧往螺栓孔中注入聚氨酯发泡胶,可打满孔洞,也可在外边预留20~30mm 待发泡胶干硬后用水泥砂浆封堵。
五)、外侧刷JS防水待外侧水泥砂浆干燥、孔内发泡胶施工完毕后且检查打发泡胶时对外侧封堵砂浆没有造成挤压破坏时,在外侧孔洞周边分多遍涂刷1、0mm 厚JS 防水,涂刷范围为100100mm。
六)、外饰面施工按图纸要求施工抹灰、保温及外装饰层等。
技术负责人:
交底人:
接交人:。
一、交底目的为确保堵螺杆洞施工过程中的安全,防止意外事故发生,现将堵螺杆洞安全技术交底如下,请全体施工人员认真学习和执行。
二、施工人员要求1. 参与堵螺杆洞施工的施工人员必须具备相关资质,了解并掌握堵螺杆洞施工的安全技术要求。
2. 施工人员应熟悉施工图纸,了解工程结构特点,确保施工质量。
3. 施工人员必须遵守施工现场各项规章制度,听从指挥,确保施工安全。
三、安全技术要求1. 施工前准备(1)检查施工工具、设备是否完好,如钻机、切割机、砂轮机等。
(2)检查防护用品是否齐全,如安全帽、手套、防护眼镜、防尘口罩等。
(3)清理施工场地,确保场地平整、无障碍物。
2. 施工过程(1)在堵螺杆洞前,对施工人员进行安全技术培训,确保其了解施工过程中的安全注意事项。
(2)施工人员必须穿戴好个人防护用品,严格按照操作规程进行施工。
(3)钻机操作人员应确保钻机稳定,防止因钻机震动造成安全事故。
(4)切割机操作人员应使用砂轮片时,注意砂轮片与工件间的距离,防止砂轮片飞溅伤人。
(5)在堵螺杆洞过程中,若发现异常情况,应立即停止施工,排除隐患后再继续施工。
3. 施工结束(1)施工结束后,对施工区域进行清理,确保无残留物。
(2)检查施工质量,确保堵螺杆洞符合设计要求。
(3)对施工人员进行安全教育,提高安全意识。
四、注意事项1. 施工过程中,施工人员必须遵守操作规程,不得擅自改变施工方法。
2. 施工现场应设立警示标志,提醒施工人员注意安全。
3. 施工过程中,如发现安全隐患,应立即停止施工,排除隐患后再继续施工。
4. 施工人员应互相配合,共同维护施工安全。
5. 施工完成后,对施工区域进行清理,确保无残留物。
五、培训及考核1. 施工单位应定期对施工人员进行安全技术培训,提高其安全意识。
2. 施工单位应组织考核,确保施工人员掌握堵螺杆洞安全技术。
3. 对考核不合格的施工人员,应进行补考,直至合格。
本安全技术交底内容适用于堵螺杆洞施工全过程,请全体施工人员认真执行。
(完整版)螺旋孔封堵技术交底
介绍
本文档旨在对螺旋孔封堵技术进行详细交底,以便确保所有相关人员理解并正确应用这一技术。
螺旋孔封堵技术概述
螺旋孔封堵技术是一种用于封堵或补漏孔洞的有效方法。
通过使用特定的螺旋孔封堵工具,可以在较短的时间内完成封堵任务,且具有较高的可靠性和持久性。
封堵流程
以下是螺旋孔封堵技术的一般流程:
1. 清洁孔洞:首先,需要确保孔洞表面干净,无任何杂质或附着物。
2. 准备工具:选取合适的螺旋孔封堵工具,并确保其质量和可靠性。
3. 封堵孔洞:将螺旋孔封堵工具插入孔洞中,旋转工具,直到孔洞完全封堵。
4. 处理剩余材料:清理并处理封堵后的材料残留物,以确保安全和整洁。
安全注意事项
在进行螺旋孔封堵技术时,请务必遵守以下安全注意事项:
- 穿戴适当的个人防护装备,如手套和眼镜。
- 在操作过程中保持谨慎和专注。
- 当操作设备附近有其他人员时,必须确保其安全。
请确保所有相关人员在使用螺旋孔封堵技术之前熟悉本文档,并遵守所提及的安全规定和流程。
---
以上为螺旋孔封堵技术交底的完整版文档。
如有疑问或需要进一步了解,请随时联系相关负责人。
门窗螺杆眼封堵技术交底1. 项目概述本文档旨在介绍门窗螺杆眼封堵技术的相关要点和步骤,确保施工人员正确掌握封堵过程,并提供高质量的封堵效果。
2. 封堵目的门窗螺杆眼是门窗安装过程中产生的孔洞,需要进行封堵。
封堵的目的主要有以下几点:- 防止水、风、尘等外部环境物质进入室内,保持室内环境的干燥和清洁。
- 提高门窗的密封性能,防止冷热空气的交换,减少能源损失。
- 增强门窗的结构稳定性,避免螺杆眼成为弱点和安全隐患。
3. 封堵材料和工具封堵螺杆眼所需的材料和工具如下:- 封堵材料:密封胶、硅酮胶等。
- 工具:刮板、打磨工具、喷枪等。
4. 封堵步骤以下是门窗螺杆眼封堵的一般步骤:1. 准备工作:清理螺杆眼周围的杂物和残留物,确保表面干净整洁。
2. 检查螺杆眼:检查螺杆眼的尺寸和深度,确保封堵材料能完全填充。
3. 选择封堵材料:根据实际需要选择适合的封堵材料,确保密封性能和耐久性。
4. 填充螺杆眼:使用刮板或喷枪将封堵材料填充到螺杆眼中,确保充实均匀。
5. 平整表面:使用刮板和打磨工具将封堵材料表面平整,保证外观美观。
6. 检查和清理:检查封堵效果,确保没有漏洞或杂质,清理多余的封堵材料。
5. 注意事项在进行门窗螺杆眼封堵时,需要注意以下事项:- 严格按照封堵步骤进行操作,确保操作规范和效果。
- 确保封堵材料与门窗材料的兼容性,避免材料之间产生化学反应。
- 注意安全操作,避免封堵材料进入眼睛、口腔或皮肤,使用防护措施。
- 封堵后,应及时清理工具和封堵材料的残留物,保持工作环境整洁。
以上就是门窗螺杆眼封堵技术的相关要点和步骤,希望可以对施工人员的工作有所帮助。
如有其他问题,请随时与我们联系。
一、交底目的为确保施工安全,提高施工质量,防止因螺杆眼封堵不当造成的安全隐患和质量问题,特进行本次安全技术交底。
二、交底内容1. 螺杆眼封堵的重要性螺杆眼是施工中用于固定模板的支撑点,封堵不严会导致墙体渗漏、裂缝等质量问题,严重时可能影响建筑物的结构安全。
2. 螺杆眼封堵的材料及工具- 材料:水泥、膨胀剂、防水涂料、钢筋等。
- 工具:冲击钻、喷壶、铁抹子、钢筋棍、砂浆枪等。
3. 螺杆眼封堵工艺流程(1)清理:用冲击钻将墙内的PVC管剔除、清理干净,孔眼周边残余灰浆清理。
(2)扩大孔径:将外孔尽量扩成20mm深喇叭口形。
(3)内墙封堵:先用水泥砂浆在内墙初步封堵,等凝固后开始封堵外墙孔洞。
(4)湿润:在外墙使用喷壶进行喷水润湿,使螺栓孔周围保持湿润。
(5)填充:从外墙由外向内用铁抹子将膨胀水泥砂浆(膨胀剂掺量为水泥用量的4%~5%)抹到螺栓孔。
灌进去一部分后,用直径10钢筋棍捣实后,重复多次填塞捣实。
(6)抹平:用抹刀将螺栓孔处抹平,防水材料为防水涂料时,可抹成5050的方块。
(7)防水施工:待防水砂浆凝固后,以外墙螺杆为中心,涂刷水泥基防水涂料JS,厚度1.5mm,直径150mm。
4. 施工注意事项(1)孔洞周围稀疏混凝土一定要凿除。
(2)膨胀水泥砂浆必须采取集中搅拌的方式,决不允许直接在楼层中搅拌。
(3)堵塞以前,孔洞里的垃圾清理完毕,并且撒水湿润孔里之后,要找项目质检员测试合格后,方可以进行砂浆填补。
(4)开始施工之前,先进行样板施工,砂浆配合比应挂牌,并且注明所有材料的用量。
(5)质检员全程跟踪,并且检测填补质量,一旦发现填补不合格的地方,一定要立马下发整改通知单,并且进行上报。
(6)构造中墙面螺杆应采用一次性止水对拉螺杆,确保封堵效果。
三、安全措施1. 施工人员必须穿戴好个人防护用品,如安全帽、手套、口罩等。
2. 施工现场应设置安全警示标志,禁止无关人员进入施工区域。
3. 施工过程中,应注意观察周围环境,确保施工安全。
剪力墙螺杆孔洞封堵技术交底【范本1】剪力墙螺杆孔洞封堵技术交底1. 概述本文档旨在对剪力墙螺杆孔洞封堵的技术进行交底,详细介绍了封堵过程中需要注意的步骤和方法。
2. 孔洞尺寸测量2.1 孔洞定位2.2 孔洞尺寸测量方法2.3 测量工具和设备3. 孔洞清理3.1 清理前准备工作3.2 清理工具和设备3.3 清理步骤4. 封堵材料选择4.1 封堵材料种类4.2 材料性能对比4.3 材料存储要求5. 封堵工艺5.1 封堵前准备工作5.2 封堵工艺步骤5.3 封堵效果评估6. 安全措施6.1 安全设施要求6.2 使用个人防护装备6.3 应急措施7. 监测与验收7.1 监测设备与方法7.2 监测频次与标准7.3 验收标准与要求8. 附件本文档所涉及的附件包括:剪力墙螺杆孔洞尺寸测量表、封堵工艺步骤示意图等。
9. 法律名词及注释- 剪力墙:具有一定抗震承载力的墙体结构,能够在地震发生时抵抗水平力作用的墙体。
- 螺杆孔洞封堵:指使用螺杆等材料将墙体上的孔洞封堵,以增强墙体的整体抗震能力。
10. 结束语本文档详细介绍了剪力墙螺杆孔洞封堵的技术交底,其中包括孔洞尺寸测量、孔洞清理、封堵材料选择、封堵工艺、安全措施、监测与验收等内容。
希望能通过本文档提供的指导,确保剪力墙螺杆孔洞封堵工作的质量与安全性。
【范本2】剪力墙螺杆孔洞封堵技术交底1. 简介本文档旨在对剪力墙螺杆孔洞封堵的技术进行交底,提供详细的操作步骤和要点,确保封堵工作的质量和安全。
2. 孔洞尺寸测量2.1 孔洞定位2.2 孔洞尺寸测量方法2.3 测量工具和设备的选择和准备3. 孔洞清理3.1 清理前的准备工作3.2 清理工具和设备的选择和准备3.3 清理步骤和注意事项4. 封堵材料选择4.1 常用封堵材料的介绍和性能对比4.2 封堵材料的储存方式和要求5. 封堵工艺5.1 封堵前的准备工作和要点5.2 封堵工艺步骤和操作要点5.3 封堵效果的评估和验收标准6. 安全措施6.1 工作场所安全措施的要求6.2 使用个人防护装备的注意事项6.3 应急措施和事故处理流程7. 监测与验收7.1 监测设备和方法的选择和准备7.2 监测频次和标准的设定7.3 封堵工作的验收标准和要求8. 附件本文档所涉及的附件包括:剪力墙螺杆孔洞尺寸测量表、封堵工艺示意图等。