新购混凝土及砂浆试模校验记录
- 格式:docx
- 大小:14.52 KB
- 文档页数:1
混凝土试模校验/检验方法
一、技术要求
1、组成模腔的各平面应抛光,其不平度应不大于0.05mm。
2、承压面与相邻面的不垂直不应超过±0.5度。
3、模型的内部尺寸。
试模尺寸(mm)边长(mm)
150×150×150 150±0.2
二、校验项目及条件
1、校验/检验项目
(1)不平整度。
(2)相邻面不垂直度。
(3)模腔各部尺寸。
2、校验/检验用器具
(1)万能角度尺。
(2)游标卡尺:量程300mm,分度值0.02mm。
(3)塞尺。
(4)钢直尺:量程300mm,分度值1mm。
三、校验/检验方法
1、新购试模按下述方法进行校验。
(1)用钢直尺和塞尺在各模型的两个垂直的方向上选择两个不同
部位测量模型内部表面的不平度,取算术平均值;准确至
0.01mm。
(2)用万能角度尺测量各种模型内部各相邻面的不垂直度。
各相
邻面选择不同部位测量两点,取算术平均值;准确至0.1度。
(3)用游标卡尺测量各种模型内部的尺寸,在每个方向上选择
两个测点,取算术平均值;准确至0.1mm。
2、使用中的试模检验,用肉眼观测试模有无明显变形、锈蚀、组
合是否密贴。
四、校验结果处理
全部校验/检验项目均符合技术要求为合格。
五、校验周期、记录与证书
校验/检验周期为3个月,校验/检验记录格式见下表,校验/检验证书格式见附录Ⅰ。
新购混凝土及砂浆试模校验记录
使用中混凝土及砂浆试模检验记录。
水泥混凝土试模、砂浆试模校验规程1、适用范围本方法适用于水泥混凝土试模、砂浆试模的校准,参照《混凝土试模》(JG237-2008)编制。
2、技术要求2.1试模的所有外表面应光洁无毛刺无粘砂无伤痕等疵症,试模外表面及紧固件均应涂刷防锈油漆,油漆表面应光滑均匀和色调一致。
2.2试模宜选用不低于HT200的铸铁,亦可选用Q235号钢或采用性能指标不低于Q235号钢的其他牌号钢或采用其他不吸水材料制作,当选用其他不吸水材料时应经过专门试验符合相关标准要求且具有足够的耐久性能方可采用。
2.3试模在组装和成型试件时不得产生变形,试模结构应保证组装侧板能正确定位,整个试模必须连接紧密、紧固可靠,在振动成型时不得松动、不得漏浆,试模结构应便于与振动台固定。
固定后应牢固可靠,试模侧板、端板和底板等应具有足够的定位面,拆下的零部件应具有互换性。
2.4试模组装后内部尺寸误差不应超出公称尺寸的±0.2%,且不得超过±1mm。
2.5试模组装后其相邻侧面和各侧面与底板上表面之间的夹角应为直角,直角误差不应大于0.3°.2.6试模侧板、端板、隔板的内表面和底板上表面的平面度误差为每100mm不应大于0.04mm,定位面的平面度误差不应大于0.06mm。
2.7试模组装后其连接面的缝隙不得大于0.2mm,隔板与侧板的缝隙不得大于0.4mm。
3、校准项目3.1外观检查。
3.2内部尺寸。
3.3夹角垂直度。
3.4内表面平面度。
3.5组装后缝隙。
4、校准环境及校准器具4.1校准环境:校准工作应在室内进行,环境温度为(20±5)℃,相对湿度不大于85%,校准现场应洁净,周围无影响校准结果的振动、污染、腐蚀性气体。
4.2校准器具:4.2.1游标卡尺:量程不小于200mm ,分度值0.02mm。
4.2.2深度尺:量程不小于200mm ,分度值0.02mm。
4.2.3钢直尺:量程不小于600mm ,分度值1mm。
混凝土及砂浆试模校验记录一、技术要求1、组成模腔的各平面应抛光,其不平度应不大于0.05mm。
2、承压面与相邻面的不垂直不应超过±0.5度。
3、模型的内部尺寸。
试模尺寸(mm)边长(mm)100×100×100 100±0.2150×150×150 150±0.2200×200×200 200±0.4100×100×300 100±0.2300±0.4100×100×400 100±0.2400±0.4150×150×550 150±0.2550±0.4φ150×150 φ150±0.2150±0.270.7×70.7×70.7 70.7±0.2二、校验项目及条件1、校验/检验项目(1)不平整度。
(2)相邻面不垂直度。
(3)模腔各部尺寸。
2、校验/检验用器具(1)万能角度尺。
(2)游标卡尺:量程300mm,分度值0.02mm。
(3)塞尺。
(4)钢直尺:量程300mm,分度值1mm。
三、校验/检验方法1、新购试模按下述方法进行校验。
(1)用钢直尺和塞尺在各模型的两个垂直的方向上选择两个不同部位测量模型内部表面的不平度,取算术平均值;准确至0.01mm。
(2)用万能角度尺测量各种模型内部各相邻面的不垂直度。
各相邻面选择不同部位测量两点,取算术平均值;准确至0.1度。
(3)用游标卡尺测量各种模型内部的尺寸,在每个方向上选择两个测点,取算术平均值;准确至0.1mm。
2、使用中的试模检验,用肉眼观测试模有无明显变形、锈蚀、组合是否密贴。
四、校验结果处理全部校验/检验项目均符合技术要求为合格。
混凝土试模校验记录施工单位:江苏天目湖建安有限公司检验时间:2013年2月25日检验依据:TGX001-060-2001 检验用器具:游标卡尺试模编号试模尺寸与端板是否垂直结果5# 长:100.0 100.1平均100.1 是符合要求宽:100.1 100.1平均100.1 是符合要求高:100.1 100.0平均100.1 是符合要求8# 长:100.0 100.0平均100.0 是符合要求宽:100.1 100.2平均100.2 是符合要求高:100.0 100.1平均100.1 是符合要求15# 长:100.2 100.1平均100.2 是符合要求宽:100.2 100.1平均100.2 是符合要求高:100.1 100.0平均100.1 是符合要求17# 长:99.9 100.0平均100.0 是符合要求宽:100.1 100.1平均100.1 是符合要求高:100.1 100.2平均100.2 是符合要求23# 长:100.1 100.1平均100.1 是符合要求宽:100.2 100.1平均100.2 是符合要求高:100.1 100.0平均100.1 是符合要求33# 长:100.0 100.1平均100.1 是符合要求宽:99.9 100.0平均100.0 是符合要求高:100.1 100.0平均100.1 是符合要求35# 长:100.2 100.1平均100.2 是符合要求宽:100.1 100.2平均100.2 是符合要求高:100.1 100.2平均100.2 是符合要求37# 长:100.0 100.1平均100.1 是符合要求宽:100.2 100.1平均100.2 是符合要求高:100.1 100.0平均100.1 是符合要求39# 长:100.0 100.1平均100.1 是符合要求宽:100.1 100.1平均100.1 是符合要求高:100.1 100.2平均100.2 是符合要求45# 长:100.0 100.1平均100.1 是符合要求宽:100.1 100.2平均100.2 是符合要求高:100.1 100.2平均100.2 是符合要求结论符合水泥混凝土用立方体混凝土试模要求校验员:校核员:。
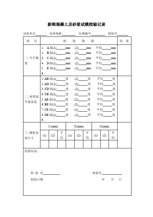
新购混凝土及砂浆试模校验记录
送校单位品种规格仪器编号校验号项目校验数据结果
一、不平整度1. A面(1) mm (2) mm 平均mm
2. B面(1) mm (2) mm 平均mm
3. C面(1) mm (2) mm 平均mm
4. D面(1) mm (2) mm 平均mm
5. E面(1) mm (2) mm 平均mm
6.
二、相邻面不垂直度1. AB面(1) 度(2) 度平均度
2. AD面(1) 度(2) 度平均度
3. CD面(1) 度(2) 度平均度
4. CB面(1) 度(2) 度平均度
5. AE面(1) 度(2) 度平均度
6. BE面(1) 度(2) 度平均度
7. CE面(1) 度(2) 度平均度
8. DE面(1) 度(2) 度平均度
9.
三、模腔各部尺寸
长(mm) 宽(mm) 高(mm) (1) (2)
平
均
(1) (2)
平
均
(1) (2)
平
均
校验结论:
校验员核验员
校验日期年月日
使用中混凝土试模检验记录
送检单位品种规格检验组数检验号项目检验数据结果
一、变形观测无明显变形
二、锈蚀观测无锈蚀
三、组合密贴观测组合密贴
检验结论:
检验员核验员
校验日期年月日。
新购混凝土及砂浆试模校验记录一、校验目的:为了确保新购混凝土及砂浆试模的质量符合《建筑工程试验室质量管理规范》和相关标准要求,保证试模的标准化和准确性,提高试验结果的可靠性。
二、校验内容:1.混凝土试模的校验:1.1外观检查:检查试模表面是否平整,是否有明显的破损、裂缝等缺陷。
1.2尺寸测量:测量试模的长度、宽度和厚度,并与设计要求进行比对,确保尺寸误差在允许范围内。
1.3重量测量:将试模放置在称量器上进行称重,记录其质量值,并与设计要求进行比对,确保重量误差在允许范围内。
1.4标志标牌:将试模上的标志标牌粘贴于试模表面,确保标志标牌的内容鲜明、规范。
2.砂浆试模的校验:2.1外观检查:检查试模表面是否平整,是否有明显的破损、裂缝等缺陷。
2.2尺寸测量:测量试模的长度、宽度和厚度,并与设计要求进行比对,确保尺寸误差在允许范围内。
2.3重量测量:将试模放置在称量器上进行称重,记录其质量值,并与设计要求进行比对,确保重量误差在允许范围内。
2.4标志标牌:将试模上的标志标牌粘贴于试模表面,确保标志标牌的内容鲜明、规范。
三、校验仪器与工具:1.测量尺:用于测量试模的长度、宽度和厚度。
2.电子秤:用于称量试模的质量。
3.检查灯:用于充分照射试模表面,便于检查外观缺陷。
四、校验步骤:1.先校验混凝土试模,按照上述校验内容进行逐一检查和测量,并记录校验结果。
2.再校验砂浆试模,同样按照上述校验内容进行逐一检查和测量,并记录校验结果。
五、校验结果:1.混凝土试模的校验结果:1.1外观检查:试模表面平整,无明显破损和裂缝。
1.2 尺寸测量:长度为Xcm,宽度为Xcm,厚度为Xcm,与设计要求相符。
1.3 重量测量:质量为Xkg,与设计要求相符。
1.4标志标牌:标志标牌内容鲜明、规范。
2.砂浆试模的校验结果:2.1外观检查:试模表面平整,无明显破损和裂缝。
2.2 尺寸测量:长度为Xcm,宽度为Xcm,厚度为Xcm,与设计要求相符。
水泥混凝土试模、砂浆试模校验规程1、适用范围本方法适用于水泥混凝土试模、砂浆试模的校准,参照《混凝土试模》(JG237-2008)编制。
2、技术要求2.1试模的所有外表面应光洁无毛刺无粘砂无伤痕等疵症,试模外表面及紧固件均应涂刷防锈油漆,油漆表面应光滑均匀和色调一致。
2.2试模宜选用不低于HT200的铸铁,亦可选用Q235号钢或采用性能指标不低于Q235号钢的其他牌号钢或采用其他不吸水材料制作,当选用其他不吸水材料时应经过专门试验符合相关标准要求且具有足够的耐久性能方可采用。
2.3试模在组装和成型试件时不得产生变形,试模结构应保证组装侧板能正确定位,整个试模必须连接紧密、紧固可靠,在振动成型时不得松动、不得漏浆,试模结构应便于与振动台固定。
固定后应牢固可靠,试模侧板、端板和底板等应具有足够的定位面,拆下的零部件应具有互换性。
2.4试模组装后内部尺寸误差不应超出公称尺寸的±0.2%,且不得超过±1mm。
2.5试模组装后其相邻侧面和各侧面与底板上表面之间的夹角应为直角,直角误差不应大于0.3°.2.6试模侧板、端板、隔板的内表面和底板上表面的平面度误差为每100mm不应大于0.04mm,定位面的平面度误差不应大于0.06mm。
2.7试模组装后其连接面的缝隙不得大于0.2mm,隔板与侧板的缝隙不得大于0.4mm。
3、校准项目3.1外观检查。
3.2内部尺寸。
3.3夹角垂直度。
3.4内表面平面度。
3.5组装后缝隙。
4、校准环境及校准器具4.1校准环境:校准工作应在室内进行,环境温度为(20±5)℃,相对湿度不大于85%,校准现场应洁净,周围无影响校准结果的振动、污染、腐蚀性气体。
4.2校准器具:4.2.1游标卡尺:量程不小于200mm ,分度值0.02mm。
4.2.2深度尺:量程不小于200mm ,分度值0.02mm。
4.2.3钢直尺:量程不小于600mm ,分度值1mm。
沸煮箱校验记录
TGX 003-2001
自校单位仪器编号校验号
水泥胶砂试模校验记录
TGX 004-2001
自校单位仪器编号校验号
雷氏夹校验记录
TGX 007-2001
自校单位仪器编号校验号
混凝土坍落度筒校验记录
TGX 020-2001
自校单位仪器编号校验号
试验室用混凝土及砂浆搅拌机校验记录
TGX 023-2001
自校单位仪器编号校验号
新购混凝土及砂浆试模校验记录
TGX 025a-2001
自校单位试模品种规格仪器编号校验号
使用中混凝土及砂浆试模校验记录
TGX 025b-2001
自校单位试模品种规格仪器编号校验号
测长仪校验记录
TGX 028-2001
自校单位仪器编号校验号
动力触探(标贯)仪校验记录
TGX 043-2001
自校单位仪器编号生产厂家校验号
灌砂仪校验记录
TGX 050-2001
自校单位仪器编号校验号
钢筋冷弯弯芯校验记录
TGX 056-2001
自校单位仪器编号校验号
行星式胶砂搅拌机检定原始记录
鉴定证书背面格式
电动脱模器校验记录
说明书
自校单位仪器编号校验号
容量筒校验记录
TGX 011-2001
自校单位仪器编号校验号
砂浆稠度仪校验记录
TGX 029-2001
自校单位仪器编号校验号。
压碎值指标测定仪校准记录表(150)
饱和面干试模校准记录表(151)
水泥胶砂流动度试模校准记录表(152)
校准:校核:日期:
混凝土/砂浆的立方体/棱柱体试模校准记录表(153/154)
校准:校核:日期:
混凝土/砂浆的立方体/棱柱体试模校准记录表(155/156)
水泥胶砂试模校准记录表(157-160)
混凝土/砂浆的立方体/棱柱体试模校准记录表(161)
校准:校核:日期:
校准:校核:日期:
校准:校核:日期:
校准:校核:日期:
混凝土/砂浆抗渗试模校准记录表(168)
混凝土/砂浆的立方体/棱柱体试模校准记录表(169/170)
校准:校核:日期:
混凝土/砂浆的立方体/棱柱体试模校准记录表(171-172)
混凝土/砂浆的立方体/棱柱体试模校准记录表(173/175)
校准:校核:日期:
混凝土/砂浆的立方体/棱柱体试模校准记录表(176-177)
混凝土/砂浆的立方体/棱柱体试模校准记录表(178)
校准:校核:日期:
混凝土/砂浆的立方体/棱柱体试模校准记录表(179/186)
校准:校核:日期:
混凝土/砂浆的立方体/棱柱体试模校准记录表(187)
校准:校核:日期:
混凝土/砂浆的立方体/棱柱体试模校准记录表(192)
混凝土/砂浆圆柱体试模校准记录表(193-194)
校准:校核:日期:
混凝土/砂浆抗渗试模校准记录表(195)
8字试模校准记录表(196/197)。
混凝土试块记录范文试验日期:2024年1月1日试块编号:TK001试件尺寸:150mm × 150mm × 150mm试验记录:试验前的准备工作:1.准备试块模具、钢针刺入量测量器、水泥、骨料、砂浆、试块精确称重器等实验设备。
2.清洁模具,并涂抹一层防粘剂。
3.取出水泥、骨料、砂浆,按照配合比准备混凝土试块搅拌材料。
4.在工作台上按照试验标准准备混凝土试块的搅拌台。
5.搅拌混凝土试块的配合比为水泥:骨料:砂浆=1:2:4试块制作过程:1.将搅拌台上的混凝土搅拌均匀,并倒入模具中,用手工轻轻震动模具以排除空气。
2.使用压模板压实混凝土,保持模具内混凝土的表面平整。
3.根据模具上的标记,记录混凝土投放的次数和层数。
4.最后用刮刀将模具顶部的多余混凝土刮平。
试块标识:1.在模具的一侧用永久标记笔标记试块编号、试验日期和试验标准。
2.试块编号:TK001,分别标记在试块的侧面和顶部。
试块养护:1.确保混凝土试块在模具中保持24小时以上。
2.将混凝土试块放入水箱中浸泡3天。
3.每天更换一次水箱中的水。
试块试验:1.试验日期:2024年1月4日2.准备试验设备:试块抗压强度试验机、测量仪器、抗压杆、试块支座等。
3.试验前校准试验设备并记录校准结果。
试验结果:1.试块编号:TK0012.试验日期:2024年1月4日3.最大抗压强度:45MPa4.抗压强度计算公式:抗压强度=最大载荷/试块面积抗压强度=450kN/(0.15m×0.15m)=45MPa试验结论:根据试验结果,混凝土试块TK001的抗压强度为45MPa,符合设计强度要求。
混凝土及砂浆试模验证方法本方法适用于新购和使用中的各种混凝土、砂浆试模的验证。
一、技术要求1.1组成模腔的各平面应刨光,其不平度应不大于0.05mm。
1.2承压面与相邻面的不垂直度不应超过±0.5度。
1.3模型的内部尺寸试模尺寸(mm)边长100×100×100 100±0.2mm150×150×150 150±0.2mm200×200×200 200±0.4mm100×100×300 100±0.2mm300±0.4mm100×100×400 100±0.2mm400±0.4mm150×150×550 150±0.2mm550±0.4mm Φ150×150 Φ150±0.2mm150±0.2mm70.7×70.7×70.7 70.2±0.2mm二、验证项目及条件2.1验证项目。
2.1.1不平整度。
2.1.2相邻面不垂直度。
2.1.3模腔各部尺寸。
2.2验证用器具。
2.2.1万能角度尺。
2.2.2游标卡尺:量程300mm,分度值0.02mm。
2.2.3塞尺。
2.2.4钢直尺:量程300mm,分度值1mm。
三、验证方法3.1新购试模按下述方法进行验证。
3.1.1用钢直尺和塞尺在各种模型的两个垂直的方向上选择两个不同部位测量模型内部表面的不平度,取算术平均值;准确至0.01mm。
3.1.2用万能角度尺测量各种模型内部各相邻的不垂直度。
各相邻面选择不同部位测量两点,取算术平均值,准确至0.1度。
3.1.3用游标卡尺测量各种模型内部的尺寸,在每个方向上选择两个测点,取算术平均值,准确至0.1mm。
3.2使用中的试模验证,用肉眼观测试模有无明显变形、锈蚀、组合是否密贴。
文件制修订记录混凝土及砂浆试模是成型新拌混凝土及砂浆的专用具,对于不同的规程要求的混凝土成型及试验目的,应正确地选用对应的模具。
本方法适用新购和使用中及检修后的各种混凝土,砂浆试模的测试。
二、技术要求1.1组成模腔的各平面应刨光,其不平整不大于0.05mm。
1.2承压面与相邻面的垂直不应超过0.5度。
1.3标准模具棱边长度不大于1mm。
1.4模具的内部尺寸。
试验尺寸mm 边长允许误差mm100×100×100 100-0.2+0.5150×150×150 150-0.4+1200×200×200 200-0.25+1150×150×150 150-0.4+1550-1+1100×100×100 100-0.2+0.5400-1+150×150×300 150-0.4+1300-1+170.7×70.7×70.7 70.7-0.2+0.2三、测试项目与型仪器2.1测试项目2.1.1外观检查2.1.2试模内部尺寸的测量2.2测试用仪器2.2.1钢直尺:量程:500mm分度值:1mm2.2.2游标卡尺:量程:300mm分度值:0.02mm2.2.3万能角度尺2.2.4塞尺四、测试方法3.1用万能角度尺测量各种模型内部各相邻的不垂直度。
各相邻面选择不同位测量两点。
取算术平均值,准确至0.1度。
3.2用钢直尺和塞尺在各种模型的两下垂直的方向选择外三个测点,取算术平均值,准确至0.1mm3.3用游标卡尺测量各种模具内部的尺寸,在每个方向上选择三个测点,取算术平均值,准确至0.1mm。
五、测试结果处理全部测试结束后,应填写测试证书。
全部项目合格就在结果栏填定“合格”。
任一项目不合格,测试结论为不合格,应给出不合格项目数据。
六、测试周期测试周期为一年。
水泥砂浆、混凝土试模校验记录表。
混凝土试模校验记录背景混凝土是建筑施工过程中常用的材料之一。
而混凝土强度与质量的关键在于混凝土试块的强度,因此,对于混凝土试块进行正确的试验与校验是确保混凝土质量的重要保证。
本文档记录了我们对于混凝土试模进行校验的过程与结果。
目的本次试验的目的是校验混凝土试模制作的准确性和试验过程的可靠性,同时保证混凝土材料自身的质量达到预期标准。
环境准备混凝土试模的制作需要严格的环境要求,以保证混凝土的质量。
本次试验环境如下:•温度: 20℃ ~ 30℃•湿度: 60% ~ 80%•混凝土材料: 准备混凝土材料需要保证材料的质量达到标准,同时混凝土的配比需要严格按照标准执行。
测试过程我们使用了20组试块进行测试,试块规格为 100mm x 100mm x 100mm。
试验过程如下所示:1.第一天:混凝土浇筑;2.第二天:试块脱模,标记试块编号,定期喷水养护;3.第七天:试块取出,记录试块编号、时间、试块尺寸;4.第七天:对试块进行压力测试。
数据记录以下是我们进行测试所得到的数据记录(压力单位:MPa):试块编号尺寸第1天第2天第3天第4天第5天第6天第7天1 100mm - 4.2 8.2 10.1 12.8 15.2 17.62 100mm - 3.5 6.8 9.1 12.0 13.8 16.13 100mm - 5.6 8.2 11.0 13.6 15.1 16.94 100mm - 3.1 6.1 8.3 10.9 13.6 15.75 100mm - 4.5 7.7 9.7 12.5 14.7 16.56 100mm - 5.0 8.1 10.3 12.1 14.0 15.97 100mm - 4.1 6.7 8.8 11.6 13.2 14.78 100mm - 6.2 9.8 12.8 14.7 16.4 17.89 100mm - 4.3 8.3 10.3 13.0 15.0 16.910 100mm - 3.7 6.8 8.1 11.5 12.8 14.911 100mm - 4.8 7.7 10.0 11.8 14.6 16.412 100mm - 4.2 7.5 9.8 11.8 14.2 15.913 100mm - 3.6 6.1 8.4 10.9 13.2 14.614 100mm - 5.3 8.8 11.2 13.7 15.5 17.015 100mm - 4.4 7.4 9.7 12.5 14.7 16.416 100mm - 6.5 9.5 12.0 13.9 15.8 17.317 100mm - 4.5 7.8 9.9 12.7 14.5 16.718 100mm - 3.8 6.0 8.3 10.8 13.0 14.619 100mm - 4.2 7.7 9.9 11.6 14.0 15.920 100mm - 6.0 9.8 11.7 13.7 16.0 17.7测试结果分析我们使用Excel进行了数据的整理、计算和可视化分析。
1概述1.1混凝土立方体试模、抗折试模系用于按《普通混凝土力学性能试验方法》GBJ81-1985测试混凝土力学性能试验制作试件用的试模。
1.2 本方法适用于水泥、水泥砼用试模的首次和后续校验。
2技术要求2.1 混凝土试模应由铸铁或钢制成,内表面应机械加工平整光滑,并不应有砂眼或缺陷。
2.2 试模内5个内表面不平整度,每100m不超过0.05mm。
2.3 组装后各相邻面的不垂直度应超过±0.5°。
2.4砼用试模主要技术参数见表1:表1 混凝土试模尺寸参数2.5 砂浆试模2.5.1砂浆试模应由铸铁或钢制成,内表面应机械加工平整光滑,并不应有砂眼或缺陷。
2.5.2 立方体试模尺寸为每边70.7mm±0.2mm。
2.5.3 试模5个内表面不平整度,每70mm不超过0.05mm。
,2.5.4组装后各相邻面的不垂直度不应超过±0.5°。
3校验用标准器具游标卡尺:测量范围0~250mm,精度0.02mm;百分表:量程0~25mm,精度0.02mm;标准钢直尺:量程300mm,精度0.02mm;角度规:量程180°,精度0.2°;塞尺:10mm。
4 校验项目试模的外观质量及几何尺寸。
5 校验方法5.1外观校验:目力观测试模的外观质量;应符合技术要求。
5.2 试模尺寸校验5.2.1 用游标卡尺,测量每边长度及高度,其值应符合相应试模的尺寸要求。
5.2.2 用钢直尺与塞尺,测量试模内表面的不平整度。
5.2.3用角度规测量各相邻面的角度。
6 校验结果的判定处理试模的外观质量及尺寸符合技术要求,则判定试模为合格。
不合格的填写不合格项,校验完毕填写校验记录表。
7 校验周期试模校验周期为一年。
、8 附录8.1混凝土用试模校验记录表8.2 参考文献8.2.1孙吉玲、赵宁平、吕广义.水泥胶砂试模检定方法中存在的问题.水泥,2001(9)8.2.2在计量认证工作中对填写计量器具校验方法和试验设备检验方法的要求(JJG-1021-90附录2)8.2.3刁爱国.建设工程质量检测设备校验方法,中国建筑工业出版社8.2.4公路工程水泥混凝土试验规程JTJ 053-94试模校验记录表试模名称:校验日期:试模编号:有效日期:试模规格:制造厂名称:校验用仪器:校验人:校核人:。
砂浆、水泥砼试模校验规程
1、目的
此类试模是用以制作水泥砂浆、水泥混凝土试件,以便测定其抗压、抗折强度的专用试模。
2、技术要求
2.1试模为铸铁或钢制成,内表面刨光磨光(粗糙度R A=2.5μm),可以拆装擦洗。
2.2试模内部尺寸允许偏差:棱边长度不超过1mm,直角不超过0.5°。
2.3试模内部标准尺寸规定如下:
3、校验条件
3.1校验用的计量器具
3.1.1 分度值为0.02mm的游标卡尺。
3.1.2分度值为0.1m的钢板尺。
3.2校验用的计量器具经计量检定合格,并在检定周期内。
3.3该仪器应在15~30℃的室温下校验,环境清洁,无腐蚀性气味。
4、校验项目和校验方法
4.1用游标卡尺(钢板尺)测量试模的棱边长(内部尺寸),取两次平均值的偏差应在±1mm范围内。
4.2用直度尺测量直角的偏差范围应在±0.5°范围内。
5、校验结果处理和校验周期
5.1经校验,满足2.1—2.3条技术要求的仪器为合格,发给校验合格证书,任何一条技术要求不合格者,均为校验不合格,发给校验结果通知书。
5.2校验周期为一年。
可根据维修情况提前校验。
新购混凝土及砂浆试模校验记录
送校单位品种规格仪器编号校验号
使用中混凝土试模检验记录
送检单位品种规格检验组数检验号。
混凝土立方体试模、抗折试模、砂浆试模校验规范1 目的1.1 本方法适用于新购或使用中的混凝土立方体试模、抗折试模、砂浆试模的校验。
1.2 砂浆试模系用于按《建筑砂浆基本性能试验方法》JGJ70-1990测定砂浆的强度试验制作用模具。
混凝土立方体试模、抗折试模系用于按《普通混凝土力学性能试验方法》GB/T50081-2002测试混凝土力学性能试验制作试件用的试模。
2 技术要求2.1 混凝土立方体试模2.1.1 混凝土试模由铸铁或钢制成,内表面应机械加工平整光滑,并不应有任何砂眼或缺陷,使用中的试模无明显变形、锈蚀、组合密贴。
2.1.2 试模尺寸,见表所示混凝土抗压试模尺寸2.1.3 试模5个内表面不平整度,每100mm不超过0.05mm。
2.1.4 组装后各相邻面的不垂直度不应超过±0.5°。
2.2 混凝土抗折试模2.2.1 试模尺寸,如表所示。
混凝土抗折试模尺寸2.2.2 混凝土试模由铸铁或钢制成,内表面应机械加工平整光滑,并不应有任何砂眼或缺陷。
2.2.3试模5个内表面不平整度,每100mm不超过0.05mm。
2.2.4 组装后各相邻面的不垂直度不应超过±0.5°。
2.3 砂浆试模2.3.1 砂浆试模由铸铁或钢制成,内表面应机械加工平整光滑,并不应有任何砂眼或缺陷。
2.3.2 试模尺寸为边长70.7mm±0.2mm2.3.3 试模5个内表面不平整度,每70mm不超过0.05mm。
2.3.4 组装后各相邻面的不垂直度不应超过±0.5°。
3 校验项目3.1 外观。
3.2 测量试模的边长(内部尺寸)。
3.3 测量直角的偏差范围。
3.4 不平整度。
4 环境条件及校验用标准器具4.1 环境条件温度20℃±10℃,环境相对湿度不大于85%,校验现场周围应清洁,无影响工作的振动和腐蚀性气体存在。
4.2 校验用标准器具4.2.1 钢直尺:量程300mm,分度值1mm。