混凝土及砂浆试模校验记录表
- 格式:doc
- 大小:50.50 KB
- 文档页数:3
水泥混凝土试模、砂浆试模校验规程1、适用范围本方法适用于水泥混凝土试模、砂浆试模的校准,参照《混凝土试模》(JG237-2008)编制。
2、技术要求2.1试模的所有外表面应光洁无毛刺无粘砂无伤痕等疵症,试模外表面及紧固件均应涂刷防锈油漆,油漆表面应光滑均匀和色调一致。
2.2试模宜选用不低于HT200的铸铁,亦可选用Q235号钢或采用性能指标不低于Q235号钢的其他牌号钢或采用其他不吸水材料制作,当选用其他不吸水材料时应经过专门试验符合相关标准要求且具有足够的耐久性能方可采用。
2.3试模在组装和成型试件时不得产生变形,试模结构应保证组装侧板能正确定位,整个试模必须连接紧密、紧固可靠,在振动成型时不得松动、不得漏浆,试模结构应便于与振动台固定。
固定后应牢固可靠,试模侧板、端板和底板等应具有足够的定位面,拆下的零部件应具有互换性。
2.4试模组装后内部尺寸误差不应超出公称尺寸的±0.2%,且不得超过±1mm。
2.5试模组装后其相邻侧面和各侧面与底板上表面之间的夹角应为直角,直角误差不应大于0.3°.2.6试模侧板、端板、隔板的内表面和底板上表面的平面度误差为每100mm不应大于0.04mm,定位面的平面度误差不应大于0.06mm。
2.7试模组装后其连接面的缝隙不得大于0.2mm,隔板与侧板的缝隙不得大于0.4mm。
3、校准项目3.1外观检查。
3.2内部尺寸。
3.3夹角垂直度。
3.4内表面平面度。
3.5组装后缝隙。
4、校准环境及校准器具4.1校准环境:校准工作应在室内进行,环境温度为(20±5)℃,相对湿度不大于85%,校准现场应洁净,周围无影响校准结果的振动、污染、腐蚀性气体。
4.2校准器具:4.2.1游标卡尺:量程不小于200mm ,分度值0.02mm。
4.2.2深度尺:量程不小于200mm ,分度值0.02mm。
4.2.3钢直尺:量程不小于600mm ,分度值1mm。
混凝土及砂浆试模校验记录一、技术要求1、组成模腔的各平面应抛光,其不平度应不大于0.05mm。
2、承压面与相邻面的不垂直不应超过±0.5度。
3、模型的内部尺寸。
试模尺寸(mm)边长(mm)100×100×100 100±0.2150×150×150 150±0.2200×200×200 200±0.4100×100×300 100±0.2300±0.4100×100×400 100±0.2400±0.4150×150×550 150±0.2550±0.4φ150×150 φ150±0.2150±0.270.7×70.7×70.7 70.7±0.2二、校验项目及条件1、校验/检验项目(1)不平整度。
(2)相邻面不垂直度。
(3)模腔各部尺寸。
2、校验/检验用器具(1)万能角度尺。
(2)游标卡尺:量程300mm,分度值0.02mm。
(3)塞尺。
(4)钢直尺:量程300mm,分度值1mm。
三、校验/检验方法1、新购试模按下述方法进行校验。
(1)用钢直尺和塞尺在各模型的两个垂直的方向上选择两个不同部位测量模型内部表面的不平度,取算术平均值;准确至0.01mm。
(2)用万能角度尺测量各种模型内部各相邻面的不垂直度。
各相邻面选择不同部位测量两点,取算术平均值;准确至0.1度。
(3)用游标卡尺测量各种模型内部的尺寸,在每个方向上选择两个测点,取算术平均值;准确至0.1mm。
2、使用中的试模检验,用肉眼观测试模有无明显变形、锈蚀、组合是否密贴。
四、校验结果处理全部校验/检验项目均符合技术要求为合格。
混凝土试模校验记录施工单位:江苏天目湖建安有限公司检验时间:2013年2月25日检验依据:TGX001-060-2001 检验用器具:游标卡尺试模编号试模尺寸与端板是否垂直结果5# 长:100.0 100.1平均100.1 是符合要求宽:100.1 100.1平均100.1 是符合要求高:100.1 100.0平均100.1 是符合要求8# 长:100.0 100.0平均100.0 是符合要求宽:100.1 100.2平均100.2 是符合要求高:100.0 100.1平均100.1 是符合要求15# 长:100.2 100.1平均100.2 是符合要求宽:100.2 100.1平均100.2 是符合要求高:100.1 100.0平均100.1 是符合要求17# 长:99.9 100.0平均100.0 是符合要求宽:100.1 100.1平均100.1 是符合要求高:100.1 100.2平均100.2 是符合要求23# 长:100.1 100.1平均100.1 是符合要求宽:100.2 100.1平均100.2 是符合要求高:100.1 100.0平均100.1 是符合要求33# 长:100.0 100.1平均100.1 是符合要求宽:99.9 100.0平均100.0 是符合要求高:100.1 100.0平均100.1 是符合要求35# 长:100.2 100.1平均100.2 是符合要求宽:100.1 100.2平均100.2 是符合要求高:100.1 100.2平均100.2 是符合要求37# 长:100.0 100.1平均100.1 是符合要求宽:100.2 100.1平均100.2 是符合要求高:100.1 100.0平均100.1 是符合要求39# 长:100.0 100.1平均100.1 是符合要求宽:100.1 100.1平均100.1 是符合要求高:100.1 100.2平均100.2 是符合要求45# 长:100.0 100.1平均100.1 是符合要求宽:100.1 100.2平均100.2 是符合要求高:100.1 100.2平均100.2 是符合要求结论符合水泥混凝土用立方体混凝土试模要求校验员:校核员:。
混凝土设备基础尺寸偏差检验批质量验收记录
一、检验单位:(填写具体单位名称)
二、工程名称:(填写具体工程名称)
三、设备名称:
四、施工单位:(填写具体施工单位名称)
五、检验项目及方法:
1.检验项目:混凝土设备基础尺寸偏差
2.检验方法:测量法、对比法等
六、检验依据:(填写具体的工程技术规范或相关标准)
七、检验设备和工具:
1.测量尺、卷尺等
2.其他辅助设备和工具:(根据具体情况填写)
八、检验环境及日期:
1.检验环境:(室内、室外等具体环境)
2.检验日期:(具体检验日期)
九、检验结果:
1.检验项目一:
(1)检验内容:(如检验混凝土设备基础的长度、宽度、高度等基本尺寸)
(2)检验标准:(填写具体的技术标准或规定)
(3)检验结果:(填写实际检验结果)
(4)结论:(填写合格或不合格结论)
2.检验项目二:
(1)检验内容:
(2)检验标准:
(3)检验结果:
(4)结论:
...
(根据具体检验项目数量和内容继续填写)
十、质量问题处理及预防措施:
(根据检验结果填写具体质量问题处理和预防措施)
十一、质量验收结论:
1.质量验收结果:(填写质量验收结果,如合格、不合格等)
2.验收日期:(填写具体的质量验收日期)
3.验收人员:(填写具体的质量验收人员姓名)
十二、备注:(如需要填写其他需要说明的内容,请在此处填写)十三、附件:(如有需要附上的相关文件或图纸,请在此处列明)以上记录经我单位检验合格,质量验收合格。
水泥混凝土试模、砂浆试模校验规程1、适用范围本方法适用于水泥混凝土试模、砂浆试模的校准,参照《混凝土试模》(JG237-2008)编制。
2、技术要求2.1试模的所有外表面应光洁无毛刺无粘砂无伤痕等疵症,试模外表面及紧固件均应涂刷防锈油漆,油漆表面应光滑均匀和色调一致。
2.2试模宜选用不低于HT200的铸铁,亦可选用Q235号钢或采用性能指标不低于Q235号钢的其他牌号钢或采用其他不吸水材料制作,当选用其他不吸水材料时应经过专门试验符合相关标准要求且具有足够的耐久性能方可采用。
2.3试模在组装和成型试件时不得产生变形,试模结构应保证组装侧板能正确定位,整个试模必须连接紧密、紧固可靠,在振动成型时不得松动、不得漏浆,试模结构应便于与振动台固定。
固定后应牢固可靠,试模侧板、端板和底板等应具有足够的定位面,拆下的零部件应具有互换性。
2.4试模组装后内部尺寸误差不应超出公称尺寸的±0.2%,且不得超过±1mm。
2.5试模组装后其相邻侧面和各侧面与底板上表面之间的夹角应为直角,直角误差不应大于0.3°.2.6试模侧板、端板、隔板的内表面和底板上表面的平面度误差为每100mm不应大于0.04mm,定位面的平面度误差不应大于0.06mm。
2.7试模组装后其连接面的缝隙不得大于0.2mm,隔板与侧板的缝隙不得大于0.4mm。
3、校准项目3.1外观检查。
3.2内部尺寸。
3.3夹角垂直度。
3.4内表面平面度。
3.5组装后缝隙。
4、校准环境及校准器具4.1校准环境:校准工作应在室内进行,环境温度为(20±5)℃,相对湿度不大于85%,校准现场应洁净,周围无影响校准结果的振动、污染、腐蚀性气体。
4.2校准器具:4.2.1游标卡尺:量程不小于200mm ,分度值0.02mm。
4.2.2深度尺:量程不小于200mm ,分度值0.02mm。
4.2.3钢直尺:量程不小于600mm ,分度值1mm。
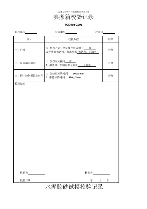
沸煮箱校验记录
TGX 003-2001
自校单位仪器编号校验号
水泥胶砂试模校验记录
TGX 004-2001
自校单位仪器编号校验号
雷氏夹校验记录
TGX 007-2001
自校单位仪器编号校验号
混凝土坍落度筒校验记录
TGX 020-2001
自校单位仪器编号校验号
试验室用混凝土及砂浆搅拌机校验记录
TGX 023-2001
自校单位仪器编号校验号
新购混凝土及砂浆试模校验记录
TGX 025a-2001
自校单位试模品种规格仪器编号校验号
使用中混凝土及砂浆试模校验记录
TGX 025b-2001
自校单位试模品种规格仪器编号校验号
测长仪校验记录
TGX 028-2001
自校单位仪器编号校验号
动力触探(标贯)仪校验记录
TGX 043-2001
自校单位仪器编号生产厂家校验号
灌砂仪校验记录
TGX 050-2001
自校单位仪器编号校验号
钢筋冷弯弯芯校验记录
TGX 056-2001
自校单位仪器编号校验号
行星式胶砂搅拌机检定原始记录
鉴定证书背面格式
电动脱模器校验记录
说明书
自校单位仪器编号校验号
容量筒校验记录
TGX 011-2001
自校单位仪器编号校验号
砂浆稠度仪校验记录
TGX 029-2001
自校单位仪器编号校验号。
成都至南部高速公路工程项目混凝土施工检查记录表承包单位:合同号:监理单位:编号:桥梁记录表1试验室主任:质检负责人:监理员:钻孔桩终孔后灌注混凝土前现场检查记录表承包单位:合同号:监理单位:编号:桥梁记录表2检查人:质检负责人:技术负责人: 监理员:灌注桩水下混凝土灌注现场记录表承包单位:合同号:监理单位:编号:桥梁记录表3检查人:质检负责人:技术负责人: 监理员:成都至南部高速公路工程项目桥涵基坑现场检测记录表承包单位:合同号:监理单位:编号:桥梁记录表4检查人:质检负责人:技术负责人: 监理员:模板、支架及拱架安装检查记录表承包单位:合同号:监理单位:编号:检查人:质检负责人:技术负责人: 专业监理工程师:模板、支架及拱架制作检查记录表承包单位:合同号:监理单位:编号:检查人:质检负责人:技术负责人: 专业监理工程师:成都至南部高速公路工程项目预应力孔道压浆记录表承包单位:合同号:监理单位:编号:记录:操作:质检负责人:技术负责人:监理员:成都至南部高速公路工程项目预应力孔道压浆记录表(真空压浆)承包单位:合同号:监理单位:编号:记录:操作:质检负责人:技术负责人:监理员:成都至南部高速公路工程项目预应力管道检查记录表承包单位:合同号:监理单位:编号:检查人:质检负责人:技术负责人:监理员:成都至南部高速公路工程项目预应力张拉质量现场记录表操作:记录:质检负责人:技术负责人:监理员:成都至南部高速公路工程项目封端检查记录表承包单位:合同号:监理单位:编号:检查人:质检负责人:技术负责人:监理员:成都至南部高速公路工程项目预制构件底座记录表承包单位:合同号:监理单位:编号:检查人:质检负责人:技术负责人:监理员:成都至南部高速公路工程项目桥(涵)台背回填检查记录表承包单位:合同号:监理单位:编号:检查人:质检负责人:技术负责人:监理员:成都至南部高速公路工程项目钻孔记录表承包单位:合同号:监理单位:编号:桥梁记录表14记录人:施工班长:质检负责人:技术负责人:监理员:成都至南部高速公路工程项目人工挖孔桩挖孔记录表承包单位:合同号:监理单位:编号:记录表15检查人:质检负责人:技术负责人:监理员:。
检(校) 验证书字第号仪器名称型号制造厂出厂编号送校(检)单位校(检)验结论校(检)验日期: 年月日校(检)验周期: 个月有效日期: 年月日至年月日校(检)验员校核员技术负责人校(检)验单位(章)水泥负压筛析仪期间核查记录规格型号:仪器编号:检测环境:温度℃,湿度%RH规格型号:仪器编号:检测环境:温度℃,湿度%RH规格型号:仪器编号:检测环境:温度℃,湿度%RH水泥胶砂试模期间核查记录规格型号:仪器编号:检测环境:温度℃,湿度%RH雷氏膨胀测定仪期间核查记录规格型号:仪器编号:检测环境:温度℃,湿度%RH雷氏夹期间核查记录规格型号:仪器编号:检测环境:温度℃,湿度%RH水泥抗压夹具期间核查记录规格型号:仪器编号:检测环境:温度℃,湿度%RH恒温恒湿养护箱期间核查记录规格型号:仪器编号:检测环境:温度℃,湿度%RH振筛机期间核查记录规格型号:仪器编号:检测环境:温度℃,湿度%RH容量筒期间核查记录规格型号:仪器编号:检测环境:温度℃,湿度%RH规格型号:仪器编号:检测环境:温度℃,湿度%RH规格型号:仪器编号:检测环境:温度℃,湿度%RH规格型号:仪器编号:检测环境:温度℃,湿度%RH电热干燥箱期间核查记录规格型号:仪器编号:检测环境:温度℃,湿度%RH压碎指标值测定仪期间核查记录规格型号:仪器编号:检测环境:温度℃,湿度%RH规格型号:仪器编号:检测环境:温度℃,湿度%RH规格型号:仪器编号:检测环境:温度℃,湿度%RH规格型号:仪器编号:检测环境:温度℃,湿度%RH规格型号:仪器编号:检测环境:温度℃,湿度%RH混凝土坍落度筒期间核查记录规格型号:仪器编号:检测环境:温度℃,湿度%RH混凝土标准养护室期间核查记录规格型号:仪器编号:检测环境:温度℃,湿度%RH试验室用混凝土搅拌机期间核查记录规格型号:仪器编号:检测环境:温度℃,湿度%RH冷冻箱期间核查记录规格型号:仪器编号:检测环境:温度℃,湿度%RH混凝土及砂浆试模期间核查记录仪器编号:试模品种规格检测环境:温度℃,湿度%RH使用中混凝土及砂浆试模期间核查记录仪器编号:试模品种规格检测环境:温度℃,湿度%RH砂浆分层度仪期间核查记录规格型号:仪器编号:检测环境:温度℃,湿度%RH跳桌期间核查记录规格型号:仪器编号:检测环境:温度℃,湿度%RH砂浆稠度仪期间核查记录规格型号:仪器编号:检测环境:温度℃,湿度%RH道碴筛期间核查记录规格型号:仪器编号:检测环境:温度℃,湿度%RH道碴集料压碎率试模期间核查记录规格型号:仪器编号:检测环境:温度℃,湿度%RH规格型号:仪器编号:检测环境:温度℃,湿度%RH规格型号:仪器编号:检测环境:温度℃,湿度%RH洛杉矶磨耗机期间核查记录规格型号:仪器编号:检测环境:温度℃,湿度%RH沥青软化点仪期间核查记录规格型号:仪器编号:检测环境:温度℃,湿度%RH沥青延度仪期间核查记录规格型号:仪器编号:检测环境:温度℃,湿度%RH沥青针入度仪期间核查记录规格型号:仪器编号:检测环境:温度℃,湿度%RH动力触探(标贯)仪期间核查记录规格型号:仪器编号:检测环境:温度℃,湿度%RH击实仪期间核查记录规格型号:仪器编号:检测环境:温度℃,湿度%RH光电式液、塑限测定仪期间核查记录规格型号:仪器编号:检测环境:温度℃,湿度%RH相对密度试验仪期间核查记录规格型号:仪器编号:检测环境:温度℃,湿度%RH灌砂仪期间核查记录规格型号:仪器编号:检测环境:温度℃,湿度%RHK30平板载荷试验仪期间核查记录规格型号:仪器编号:检测环境:温度℃,湿度%RH比重瓶期间核查记录规格型号:仪器编号:检测环境:温度℃,湿度%RH玻璃仪器期间核查记录规格型号:仪器编号:检测环境:温度℃,湿度%RH金属线材反复弯曲试验机期间核查记录规格型号:仪器编号:检测环境:温度℃,湿度%RH钢筋冷弯弯芯期间核查记录规格型号:仪器编号:检测环境:温度℃,湿度%RH环刀期间核查记录规格型号:仪器编号:检测环境:温度℃,湿度%RH砼气压式含气量测定仪期间核查记录规格型号:仪器编号:检测环境:温度℃,湿度%RHHG-80砼贯入阻力仪期间核查记录规格型号:仪器编号:检测环境:温度℃,湿度%RH。
压碎值指标测定仪校准记录表(150)校准:校核:日期:校准:校核:日期:水泥胶砂流动度试模校准记录表(152)校准:校核:日期:混凝土/砂浆的立方体/棱柱体试模校准记录表(153/154)校准:校核:日期:水泥胶砂试模校准记录表(157-160)校准:校核:日期:混凝土/砂浆的立方体/棱柱体试模校准记录表(161)校准:校核:日期:校准:校核:日期:校准:校核:日期:混凝土/砂浆的立方体/棱柱体试模校准记录表(166-167)校准:校核:日期:混凝土/砂浆抗渗试模校准记录表(168)校准:校核:日期:混凝土/砂浆的立方体/棱柱体试模校准记录表(169/170)校准:校核:日期:混凝土/砂浆的立方体/棱柱体试模校准记录表(171-172)校准:校核:日期:混凝土/砂浆的立方体/棱柱体试模校准记录表(173/175)校准:校核:日期:混凝土/砂浆的立方体/棱柱体试模校准记录表(176-177)校准:校核:日期:混凝土/砂浆的立方体/棱柱体试模校准记录表(178)校准:校核:日期:混凝土/砂浆的立方体/棱柱体试模校准记录表(179/186)校准:校核:日期:混凝土/砂浆的立方体/棱柱体试模校准记录表(187)校准:校核:日期:混凝土/砂浆的立方体/棱柱体试模校准记录表(188-189)校准:校核:日期:混凝土/砂浆的立方体/棱柱体试模校准记录表(190-191)混凝土/砂浆的立方体/棱柱体试模校准记录表(192)混凝土/砂浆圆柱体试模校准记录表(193-194)校准:校核:日期:混凝土/砂浆抗渗试模校准记录表(195)。
水泥净浆搅拌机校验记录TGX001-2008雷氏膨胀测定仪校验记录TGX002-2008雷氏夹校验记录TGX003-2008TGX004-2008TGX005-2008恒温恒湿养护箱校验记录TGX006-2008砂试验标准筛校验记录表TGX007-2008石子试验筛校验方法TGX008-2008TGX009-2008TGX010-2008建筑用砂、石容量筒校验记录TGX011-2008混凝土拌和物容量筒校验记录TGX012-2008TGX013-2008TGX014-2008轻粗骨料承压筒校验记录TGX015-2008振筛机校验记录TGX016-2008坍落度筒、捣棒校验记录TGX020-2008砂浆稠度仪校验记录TGX021-2008砂浆分层度仪校验记录TGX022-2008试验室用混凝土搅拌机校验记录TGX023-2008试验室用砂浆搅拌机校验记录TGX024-2008砼贯入阻力仪校验记录TGX025-2008气压式含气量测定仪校验记录TGX026-2008维勃稠度仪校验记录TGX027-2008混凝土成型用标准振动台校验记录TGX028-2008试模校验记录TGX029-2008TGX030-2008TGX031-2008TGX032-2008混凝土抗渗仪校验记录TGX033-2008TGX035-2008TGX039-2008土工用环刀校验记录TGX040-2008光电式液塑限联合测定仪校验记录TGX041-2008土工电动及手动击实仪校验记录TGX043-2008无侧限抗压试模校验记录TGX045-2008相对密度试验仪校验记录TGX046-2008灌砂仪校验记录TGX047-2008动力触探(标准贯入)仪校验记录TGX077-2008承载板测定仪校验记录TGX078-2008电热鼓风干燥箱校验记录TGX080-2008玻璃仪器校验记录TGX081-2008胶砂试模鉴定记录格式鉴定证书背面格式自动比表面积测定仪校验记录TGX0106-2008TGX0107-2008TGX056-2008。
检 ( 校 ) 验证书字第号仪器名称型号制造厂出厂编号送校(检)单位校(检)验结论校(检)验日期: 年月日校(检)验周期: 个月有效日期: 年月日至年月日校(检)验员校核员技术负责人校(检)验单位(章)水泥负压筛析仪期间核查记录规格型号:仪器编号:检测环境:温度℃,湿度%RH规格型号:仪器编号:检测环境:温度℃,湿度%RH规格型号:仪器编号:检测环境:温度℃,湿度%RH水泥胶砂试模期间核查记录规格型号:仪器编号:检测环境:温度℃,湿度%RH雷氏膨胀测定仪期间核查记录规格型号:仪器编号:检测环境:温度℃,湿度%RH雷氏夹期间核查记录规格型号:仪器编号:检测环境:温度℃,湿度%RH水泥抗压夹具期间核查记录规格型号:仪器编号:检测环境:温度℃,湿度%RH恒温恒湿养护箱期间核查记录规格型号:仪器编号:检测环境:温度℃,湿度%RH振筛机期间核查记录规格型号:仪器编号:检测环境:温度℃,湿度%RH容量筒期间核查记录规格型号:仪器编号:检测环境:温度℃,湿度%RH砂、石标准筛期间核查记录规格型号:仪器编号:检测环境:温度℃,湿度%RH砂、石标准筛期间核查记录规格型号:仪器编号:检测环境:温度℃,湿度%RH砂、石标准筛期间核查记录规格型号:仪器编号:检测环境:温度℃,湿度%RH电热干燥箱期间核查记录规格型号:仪器编号:检测环境:温度℃,湿度%RH压碎指标值测定仪期间核查记录规格型号:仪器编号:检测环境:温度℃,湿度%RH碎石或卵石针状规准仪期间核查记录规格型号:仪器编号:检测环境:温度℃,湿度%RH碎石或卵石片状规准仪期间核查记录规格型号:仪器编号:检测环境:温度℃,湿度%RH混凝土抗渗仪期间核查记录规格型号:仪器编号:检测环境:温度℃,湿度%RH混凝土震动台期间核查记录规格型号:仪器编号:检测环境:温度℃,湿度%RH混凝土坍落度筒期间核查记录规格型号:仪器编号:检测环境:温度℃,湿度%RH混凝土标准养护室期间核查记录规格型号:仪器编号:检测环境:温度℃,湿度%RH试验室用混凝土搅拌机期间核查记录规格型号:仪器编号:检测环境:温度℃,湿度%RH冷冻箱期间核查记录规格型号:仪器编号:检测环境:温度℃,湿度%RH混凝土及砂浆试模期间核查记录仪器编号:试模品种规格检测环境:温度℃,湿度%RH使用中混凝土及砂浆试模期间核查记录仪器编号:试模品种规格检测环境:温度℃,湿度%RH砂浆分层度仪期间核查记录规格型号:仪器编号:检测环境:温度℃,湿度%RH跳桌期间核查记录规格型号:仪器编号:检测环境:温度℃,湿度%RH砂浆稠度仪期间核查记录规格型号:仪器编号:检测环境:温度℃,湿度%RH道碴筛期间核查记录规格型号:仪器编号:检测环境:温度℃,湿度%RH道碴集料压碎率试模期间核查记录规格型号:仪器编号:检测环境:温度℃,湿度%RH道碴针状规准仪期间核查记录规格型号:仪器编号:检测环境:温度℃,湿度%RH道碴片状规准仪期间核查记录规格型号:仪器编号:检测环境:温度℃,湿度%RH洛杉矶磨耗机期间核查记录规格型号:仪器编号:检测环境:温度℃,湿度%RH沥青软化点仪期间核查记录规格型号:仪器编号:检测环境:温度℃,湿度%RH沥青延度仪期间核查记录规格型号:仪器编号:检测环境:温度℃,湿度%RH沥青针入度仪期间核查记录规格型号:仪器编号:检测环境:温度℃,湿度%RH动力触探(标贯)仪期间核查记录规格型号:仪器编号:检测环境:温度℃,湿度%RH击实仪期间核查记录规格型号:仪器编号:检测环境:温度℃,湿度%RH光电式液、塑限测定仪期间核查记录规格型号:仪器编号:检测环境:温度℃,湿度%RH相对密度试验仪期间核查记录规格型号:仪器编号:检测环境:温度℃,湿度%RH灌砂仪期间核查记录规格型号:仪器编号:检测环境:温度℃,湿度%RHK30 平板载荷试验仪期间核查记录规格型号:仪器编号:检测环境:温度℃,湿度%RH比重瓶期间核查记录规格型号:仪器编号:检测环境:温度℃,湿度%RH玻璃仪器期间核查记录规格型号:仪器编号:检测环境:温度℃,湿度%RH金属线材反复弯曲试验机期间核查记录规格型号:仪器编号:检测环境:温度℃,湿度%RH钢筋冷弯弯芯期间核查记录规格型号:仪器编号:检测环境:温度℃,湿度%RH环刀期间核查记录规格型号:仪器编号:检测环境:温度℃,湿度%RH砼气压式含气量测定仪期间核查记录规格型号:仪器编号:检测环境:温度℃,湿度%RHHG-80 砼贯入阻力仪期间核查记录规格型号:仪器编号:检测环境:温度℃,湿度%RH。
实验室仪器自校规程及记录2016年华庄建材砂浆、混凝土三联试模的校验方法1、概述此类试模是用以制作水泥砂浆、水泥混凝土试件,以便测定其抗压、抗折强度的专用试模。
2、技术要求2.1试模为塑料一体试模,底部有气孔。
2.2试模内部尺寸允许偏差:棱边长度不超过1mm,直角不超过0.5°。
3.1校验用的计量器具3.1.1 分度值为0.02mm的游标卡尺。
3.1.2分度值为0.1m的钢板尺。
3.2校验用的计量器具经计量检定合格,并在检定周期内。
3.3该仪器应在15~30℃的室温下校验,环境清洁,无腐蚀性气味。
4、校验项目和校验方法4.1用游标卡尺(钢板尺)测量试模的棱边长(内部尺寸),取两次平均值的偏差应在±1mm范围内。
4.2用直度尺测量直角的偏差范围应在±0.5°范围内。
5、校验结果处理和校验周期5.1经校验,满足2.1—2.3条技术要求的仪器为合格,发给校验合格证书,任何一条技术要求不合格者,均为校验不合格,发给校验结果通知书。
5.2校验周期为一年。
可根据维修情况提前校验。
混凝土三联试模校验记录自校单位品种规格仪器编号砂浆三联试模校验记录品种规格仪器编号自校单位水泥胶砂试模校验方法本方法适用于新购和使用中以及修理后的水泥胶砂试模的校验。
1、技术要求1.1产品应有铭牌,其中包括型号、规格、制造厂、出厂编号及出厂日期等。
1.2应有产品合格证和产品说明书。
1.3试模的侧板和端板的有效尺寸应符合下表规定:试模尺寸允许偏差表1.4试模的内表面应光滑平整,不平整度误差应不大于试模边长的0.05%。
1.5试模组装后,各相交平面应垂直,偏差不大于1°。
1.6试模组装应紧密,在试件成型时不应出现漏浆现象。
2、校验项目和项目条件2.1校验项目2.1.1外观。
2.1.2试模尺寸。
2.1.3试模内表面平整度。
2.1.4试模垂直度。
2.1.5试模漏浆检查。
2.2校验用器具2.2.1游标卡尺:量程300mm,分度值0.02mm。
实验室仪器自校规程及记录2016年华庄建材砂浆、混凝土三联试模的校验方法1、概述此类试模是用以制作水泥砂浆、水泥混凝土试件,以便测定其抗压、抗折强度的专用试模。
2、技术要求2.1试模为塑料一体试模,底部有气孔。
2.2试模内部尺寸允许偏差:棱边长度不超过1mm,直角不超过0.5°。
3、校验条件3.1校验用的计量器具3.1.1 分度值为0.02mm的游标卡尺。
3.1.2分度值为0.1m的钢板尺。
3.2校验用的计量器具经计量检定合格,并在检定周期内。
3.3该仪器应在15~30℃的室温下校验,环境清洁,无腐蚀性气味。
4、校验项目和校验方法4.1用游标卡尺(钢板尺)测量试模的棱边长(内部尺寸),取两次平均值的偏差应在±1mm范围内。
4.2用直度尺测量直角的偏差范围应在±0.5°范围内。
5、校验结果处理和校验周期5.1经校验,满足2.1—2.3条技术要求的仪器为合格,发给校验合格证书,任何一条技术要求不合格者,均为校验不合格,发给校验结果通知书。
5.2校验周期为一年。
可根据维修情况提前校验。
混凝土三联试模校验记录自校单位品种规格仪器编号砂浆三联试模校验记录自校单位品种规格仪器编号水泥胶砂试模校验方法本方法适用于新购和使用中以及修理后的水泥胶砂试模的校验。
1、技术要求1.1产品应有铭牌,其中包括型号、规格、制造厂、出厂编号及出厂日期等。
1.2应有产品合格证和产品说明书。
1.3试模的侧板和端板的有效尺寸应符合下表规定:试模尺寸允许偏差表1.4试模的内表面应光滑平整,不平整度误差应不大于试模边长的0.05%。
1.5试模组装后,各相交平面应垂直,偏差不大于1°。
1.6试模组装应紧密,在试件成型时不应出现漏浆现象。
2、校验项目和项目条件2.1校验项目2.1.1外观。
2.1.2试模尺寸。
2.1.3试模内表面平整度。
2.1.4试模垂直度。
2.1.5试模漏浆检查。
2.2校验用器具2.2.1游标卡尺:量程300mm,分度值0.02mm。
混凝土立方体试模、抗折试模、砂浆试模校验规范1 目的1.1 本方法适用于新购或使用中的混凝土立方体试模、抗折试模、砂浆试模的校验。
1.2 砂浆试模系用于按《建筑砂浆基本性能试验方法》JGJ70-1990测定砂浆的强度试验制作用模具。
混凝土立方体试模、抗折试模系用于按《普通混凝土力学性能试验方法》GB/T50081-2002测试混凝土力学性能试验制作试件用的试模。
2 技术要求2.1 混凝土立方体试模2.1.1 混凝土试模由铸铁或钢制成,内表面应机械加工平整光滑,并不应有任何砂眼或缺陷,使用中的试模无明显变形、锈蚀、组合密贴。
2.1.2 试模尺寸,见表所示混凝土抗压试模尺寸2.1.3 试模5个内表面不平整度,每100mm不超过0.05mm。
2.1.4 组装后各相邻面的不垂直度不应超过±0.5°。
2.2 混凝土抗折试模2.2.1 试模尺寸,如表所示。
混凝土抗折试模尺寸2.2.2 混凝土试模由铸铁或钢制成,内表面应机械加工平整光滑,并不应有任何砂眼或缺陷。
2.2.3试模5个内表面不平整度,每100mm不超过0.05mm。
2.2.4 组装后各相邻面的不垂直度不应超过±0.5°。
2.3 砂浆试模2.3.1 砂浆试模由铸铁或钢制成,内表面应机械加工平整光滑,并不应有任何砂眼或缺陷。
2.3.2 试模尺寸为边长70.7mm±0.2mm2.3.3 试模5个内表面不平整度,每70mm不超过0.05mm。
2.3.4 组装后各相邻面的不垂直度不应超过±0.5°。
3 校验项目3.1 外观。
3.2 测量试模的边长(内部尺寸)。
3.3 测量直角的偏差范围。
3.4 不平整度。
4 环境条件及校验用标准器具4.1 环境条件温度20℃±10℃,环境相对湿度不大于85%,校验现场周围应清洁,无影响工作的振动和腐蚀性气体存在。
4.2 校验用标准器具4.2.1 钢直尺:量程300mm,分度值1mm。