报建规划总图图纸审查内容深度要求
- 格式:docx
- 大小:23.80 KB
- 文档页数:4
厦门市规划委员会建筑工程规划许可报建图纸编制内容及深度规定(试行)厦门市规划委员会目录第1章总则第2章制图标准第3章总图设计第4章建筑立面设计第5章建筑效果图设计第6章附则附录1 建筑工程规划许可证报建图纸基本内容及要求第1章总则1.1 为规范制图标准,提高审批效率,根据有关法律、法规、技术规范及我市简化行政审批的需要,制定本规定,以明确我局建筑工程规划许可设计文件的编制深度及审查内容。
1.2 在厦门市行政区域内从事建筑设计和建筑设计管理活动均按本规定执行。
1.3 本规定未尽之处应执行国家、福建省和厦门市现行的有关法律、法规及其他相关规范、规程和标准。
1.4 本规定解释权属厦门市规划委员会。
第2章制图标准2.1 建筑设计报建图纸电子文件格式采用天正T3版本格式的DWG文件,图形文件中的世界坐标系应采用厦门市92坐标系标准。
2.2 建筑设计报建图纸应采用简单实体绘图,如:多义线、单线、圆、弧等,不应采用复杂实体,如:椭圆、样条曲线、组、无名块等;不得出现重复线、零长线、带高度线和带厚度线等;文字样式一律采用gbcbig.shx、hztxt.shx等常见字体,图形中不得留下绘图垃圾,应把无关的实体清除干净;图形的文件量不宜大于8M。
2.3 每个单体和总平面必须为单独的图形文件,且其所有的设计内容都应在其各自图形中集中表现。
2.4 其他应严格按照本规定的约定的内容及深度进行制图。
第3章总平面图设计3.1 基本要求3.1.1 总平图比例尺为1:500,图幅不限,出图成果为白图。
3.1.2 用地范围(包括市政绿地、市政道路下方租赁空间等)应依据建设项目土地出让合同规划设计条件宗地界址图、建设项目选址意见书或建设用地规划许可证蓝线图上的坐标正确标注,不得任意增加或减少;幼儿园用地及其它专项用地应清晰标明用地范围及其坐标值。
图例应标明坐标表达形式,用地红线索引说明等。
3.1.3 场地内及四邻环境的反映:相邻的现状或规划城市道路应标注道路总宽度、道路竖向标高及道路名称。
总图设计深度参考要求建筑总图设计深度规定总平面图1、建筑基地内需要保留的地形和地物。
建筑基地内依椐城市规划与建设单位要求,需要保留的古迹、地貌、古树等。
2、建筑基地的测量坐标(建筑坐标)网、坐标值。
建筑物正负零处的标高值(绝对标高)。
总图应按上“北”下“南”方向绘制。
根据场地形状或布局,可向左或右偏转,但不宜超过45度。
建筑坐标网与测量坐标网的画法,建筑物、构筑物坐标值与标高的标注方法,详见《总图制图标准》GB/T 50103---2001 中 2.4.2---2.4.8条,2.5.1---2.5.4 条规定。
3、建筑基地四界的测量坐标,道路红线和建筑红线或用地红线的位置。
建筑基地四角界线的测量坐标(建筑坐标)值;道路红线是指城市道路规划的用地控制线(一般用中实线或虚线表示);建筑红线又叫建筑控制线(建筑线),是指按规划沿城市道路两侧的建筑物、构筑物基底位置,距道路红线距离的控制线(一般用中实线或虚线表示);用地红线是指工程项目用地的使用权属范围的边界线(一般用中实线或虚线表示)。
以上三条图线,在总平面图中,要用引出线标出说明。
4、建筑基地外四邻原有及规划道路的位置(主要坐标值或定位尺寸),以及主要建筑物和构筑物的位置、名称、层数。
5、基地内建筑物、构筑物(人防工程、地下车库、油库、贮水池等隐蔽工程以虚线表示)的名称或编号、层数、定位(坐标或相互关系)尺寸。
总图上的建筑物、构筑物名称和编号的标注方法,详见《总图制图标准》GB/T 50103---2001 中 2.6.1 条规定。
6、基地内的广场、停车场、运动场、道路、无障碍设施、排水沟、挡土墙、护坡的定位(坐标或相互关系)尺寸。
7、总图中的计量单位。
总图中的坐标、标高、距离宜以米为单位,并至少取小数点后两位,不足时以“0”补齐。
道路纵坡度、场地平整坡度、排水沟沟底纵坡度宜以百份计,并应取至小数点后一位,不足时以“0”补齐。
8、指北针或风玫瑰图。
苏州报建图纸深度和要求的规定苏州市规划局相城分局报建图纸深度和要求各类报建图纸一览表1.选址、用地类报建图纸的深度和要求一、现势地形图1.采用苏州市坐标系统和国家基准高程系统;2.图纸比例为1/500-1/2000;3.盖有测绘单位的出图章。
二、用地红线图1.采用苏州市坐标系统和国家基准高程系统;2.图纸比例为1/500-1/2000;3.盖有测绘单位的出图章;4.在现势地形图上标明建设用地位置,并注明拐点坐标;5.图上应盖有用地单位、村委会、镇建管所印章。
三、绘制在现势地形图上的总平面图、要求与相应阶段的总平面规划图相同;12、含周边50米范围的现势地形地物和规划道路;2.3、盖有建设单位的印章、具备资质的设计单位的出图章。
四、总平面规划图1、标明图纸要素,如图名、指北针、比例尺、图例、图标、图签等;2、建设用地红线及坐标、不同等级道路的宽度、规划高压走廊、规划河道等各类规划控制线的控制宽度;3、保留和规划建筑物的功能性质、层数和编号,其中建筑物的层数和编号应当易于区别,层数一般标注在建筑物的右上角;4、建筑物(包括首层建筑物)与建设用地红线、规划道路红线、高压线或高压走廊、规划河道和其他规划控制线的距离及建筑间距。
5、附有建筑明细表,明确保留建筑物和规划建筑物的功能、层数、面积、编号等;6、附有技术经济指标表,明确总用地面积、容积率、总建筑面积、建筑密度、绿地率等指标;7、盖有建设单位的印章、具备资质的设计单位的出图章和资质章。
规划-建筑设计方案报建图纸的深度和要求设计说明书一、1、现状条件分析;2、规划原则和总体构思;3、用地布局;4、空间组织和景观特色要求;5、道路和绿地系统规划;6、各项专业工程规划及管线综合;7、竖向规划;8、技术经济指标;9、工程量及投资估算。
二、基地区位图1、标明图纸要素,如图名、指北针、图例、图标、图签等;3.2、盖有建设单位的印章、具备资质的设计单位的出图章。
规划方案设计图纸深度1、综合说明书:A、总体方案说明:包括规划设计指导思想,布局与功能分区,规划设计特点与建筑风格,主出入口的布置和形象,建筑群体的空间形象及标志性建筑,建筑环境、造型、建筑群外墙及屋顶色调基调等设计说明。
B、交通组织、绿化等说明。
C、总建筑面积、建筑占地面积、建筑高度、层数、建筑密度、容积率、绿化覆盖率、地面及地下停车场(汽车、自行车)等技术经济指标。
D、水、电安装容量估算及整个工程造价估算.E、建筑节能专篇论述。
F、无障碍设施设置设计说明。
G、主要建筑单体的主体结构型式.2、区位图、现状图、总平面图、沿街透视、道路规划和绿化系统规划图A、反映整个项目的建筑群体空间关系。
B、反映建筑、道路、广场、水面及景观小品的相互关系。
C、小区内及出入口的交通组织、道路设计.D、小区主、次入口的效果处理及效果表达。
E、重要节点及典型部位的方案深化详图F、用地现状分析。
G、部分单体的平、立、剖面图。
H、规划总平面以1:1000(或1:500)地形图设计,内容包括用地范围内的各类建筑、道路、广场、绿地、水体等设施的总体布局,以及四周的环境关系,图纸要求:总平面、总体沿街立面图,比例1:1000(或1:500),图纸规格0#或1#图.3、建筑方案设计图一套,图纸要求建筑群体鸟瞰图1张,代表性典型建筑彩色透视效果图若干张,建筑方案设计各层平面图、立面图、剖面图、设计概念分析图等。
4、提交上述各规划图和单体建筑方案设计缩印本10 套(规格为A3,297×420).5、展板要求:总平面图、总平面建筑群体鸟瞰图与沿街透视图均为彩色效果图;展板规格要求:0号图板6、电子文件全部设计成果均应制作成电子文件,文本文件采用Microsoft Word 2007的doc格式文件;设计图形文件采用Autocad R14的dwg格式文件,电脑渲染图等图片文件,应采用普及的通用软件制作,并提交分辨率不小于3000X2000像素的JPG格式文件,提交以上电子文件1套(以上电子文档刻录光盘1张)。
建筑方案报批图纸深度建筑方案报批的图纸深度是指在建筑设计阶段,所提供的建筑方案图纸的详细程度和内容。
这些图纸是为了实现建筑设计目标、满足建筑物功能需求、保证建筑物结构可靠和符合相关法规标准而准备的。
下面将从图纸的类型、内容和制作要求等方面,对建筑方案报批图纸的深度进行详细描述。
首先,建筑方案报批图纸可以分为平面图、立面图、剖面图和细部图等多种类型。
平面图是建筑物在水平方向上的展开图,可以清晰地展示建筑物的布局和空间分布。
立面图则是建筑物在垂直方向上的展开图,可以表达建筑物的外立面和外观特征。
剖面图则是建筑物沿特定截面线切割的展开图,可以展示建筑物的内部空间和结构组织。
细部图则是对建筑物的某一部分细节进行放大和描述的图纸,以准确呈现建筑物的细节和施工要求。
其次,建筑方案报批图纸的内容应该包括建筑物的布局、功能分区、平面组织、立面设计、剖面结构和细节构造等方面。
建筑物的布局应该能够满足建筑物的功能需求,合理利用建筑用地,并与周边环境相协调。
功能分区则是对建筑物不同功能空间进行划分和组织,以实现功能分区间的合理连接和交流。
平面组织是指建筑物平面布局的整体规划,包括建筑的大小、形状、位置和朝向等。
立面设计是指建筑物外立面的设计方案,包括建筑物外立面材料、窗户位置、外墙装饰等。
剖面结构是指建筑物剖面线上的结构组织,包括地下室结构、楼层结构和屋顶结构等。
细节构造则是对建筑物细部部位的结构和构造进行详细描述,以确保建筑物的安全性和可靠性。
最后,建筑方案报批图纸的制作要求包括图纸的完整性、精确性和合规性。
图纸应该完整地呈现建筑物的所有重要细节和要素,确保信息的完整和准确性。
图纸中的尺寸和比例应该精确地符合实际情况,以确保施工过程的准确性和有效性。
此外,图纸应该符合相关法规标准和设计规范,确保建筑物的安全性和合规性。
综上所述,建筑方案报批图纸的深度是建筑设计阶段所提供的图纸的详细程度和内容。
这些图纸应该包括平面图、立面图、剖面图和细部图等多种类型,内容应该包括建筑物的布局、功能分区、平面组织、立面设计、剖面结构和细节构造等方面。
报规划流程第一部分:房地产开发公司的准备工作在报行政机关审批之前,房地产开发公司应办理好土地出让手续,委托有资质的勘察设计院对待建项目进行研究并制作报告书,应附有详细的规划设计参数和效果图,并落实足够的开发资金。
第二部分:行政审批部分根据我国当前法律、法规、规章,房地产建设项目的行政许可程序一般共分六个阶段:1)选址定点2)规划总图审查及确定规划设计条件3)初步设计及施工图审查4)规划报建图审查5)施工报建6)建设工程竣工综合验收备案。
一、选址定点阶段.此阶段一般办理以下事项:1、计委审查可行性研究报告和进行项目立项。
2、国土资源局进行土地利用总体规划和土地供应方式的审查.3、建委办理投资开发项目建设条件意见书.4、环保局办理生产性项目环保意见书(表)。
5、文化局、地震局、园林局、水利局对建设工程相关专业内容和范围进行审查.6、规划部门办理项目选址意见书。
二、规划总图审查及确定规划设计条件阶段,此阶段办理以下一般事项:1、人防办进行人防工程建设布局审查。
2、国土资源局办理土地预审。
3、公安消防支队、公安交警支队、教育局、水利局、城管局、环保局、园林局、文化局对建设工程相关专业内容和范围进行审查。
4、规划部门对规划总图进行评审,核发《建设用地规划许可证》。
5、规划部门确定建设工程规划设计条件。
三、初步设计和施工图设计审查,此阶段办理以下一般事项:1、规划部门对初步设计的规划要求进行审查。
2、公安消防支队对初步设计的消防设计进行审查。
3、公安局交警支队对初步设计的交通条件进行审查。
4、人防办对初步设计的人防设计进行审查。
5、国土资源局进行用地预审。
6、市政部门、环保局、卫生局、地震局等相关部门对初步设计的相关专业内容进行审查.7、建委制发初步设计批复,并对落实初步设计批准文件的要求进行审查。
8、建委对施工图设计文件进行政策性审查,根据业主单位意见,核发技术性审查委托通知单.9、建委根据施工图设计文件审查机构发出的《建设工程施工图设计文件审查报告》,发放《建设工程施工图设计文件审查批准书》。
合肥市工程项目建设规划许可阶段报建图纸编制内容及深度规定(试行)合肥市自然资源和规划局目录第1章总则第2章制图标准第3章总平图设计第4章建筑单体图设计第5章建筑效果图设计第6章规划技术经济指标计算第7章附则附录1 建设工程规划许可证报建图纸清单和规划技术经济指标表第1章总则1.1 为规范制图标准,提高审查精度,提升审批效率,完善入库标准,根据有关法律、法规、规范,结合本市工程建设项目审批制度改革的需要,制定本规定,以明确工程项目建设规划许可阶段报建图纸的编制深度及审查内容。
1.2 本市市辖区范围内工程项目建设规划许可阶段报建图纸的编制内容及深度按本规定执行。
临时建设、线性工程、个人自建房除外。
1.3 本规定未尽之处应执行国家、安徽省和合肥市现行的有关法律、法规及其他相关规范、规程和标准。
1.4 本规定解释权属合肥市自然资源和规划局。
第2章制图标准2.1 工程项目建设规划许可阶段报建图纸电子文件格式采用AutoCAD2008-2014或天正T3版本格式的DWG文件,图形文件中的平面坐标系和高程系统应采用CGCS2000国家大地坐标系与1985国家高程基准。
2.2 工程项目建设规划许可阶段报建图纸应采用简单实体绘图,如:多义线、单线、圆、弧等,不应采用复杂实体,如:椭圆、样条曲线、组、无名块等;不得出现重复线、零长线、带高度线和带厚度线等;规划总平面图一律按照米为单位,建筑单体图一律按照毫米为单位;标识文字高度为3个绘图单位;文字样式一律采用gbcbig.shx、hztxt.shx等常见字体,文字标识清楚;图形中不得留下绘图垃圾,应把无关的实体清除干净;图形的文件量不宜大于8M;如文件量过大,可将各层平面图与立、剖面等其他图分成两个或以上文件,并在文件名上注明清楚。
2.3 规划总平面、建筑单体必须为单独的图形文件,建筑单体文件名应与总图上的编号或名称一致,且其所有的设计内容都应在其各自图形文件中集中表现。
报规划流程第一部分:房地产开发公司的准备工作在报行政机关审批之前,房地产开发公司应办理好土地出让手续,委托有资质的勘察设计院对待建项目进行研究并制作报告书,应附有详细的规划设计参数和效果图,并落实足够的开发资金。
第二部分:行政审批部分根据我国当前法律、法规、规章,房地产建设项目的行政许可程序一般共分六个阶段:1)选址定点2)规划总图审查及确定规划设计条件3)初步设计及施工图审查4)规划报建图审查5)施工报建6)建设工程竣工综合验收备案。
一、选址定点阶段。
此阶段一般办理以下事项:1、计委审查可行性研究报告和进行项目立项。
2、国土资源局进行土地利用总体规划和土地供应方式的审查。
3、建委办理投资开发项目建设条件意见书.4、环保局办理生产性项目环保意见书(表)。
5、文化局、地震局、园林局、水利局对建设工程相关专业内容和范围进行审查。
6、规划部门办理项目选址意见书。
二、规划总图审查及确定规划设计条件阶段,此阶段办理以下一般事项:1、人防办进行人防工程建设布局审查。
2、国土资源局办理土地预审。
3、公安消防支队、公安交警支队、教育局、水利局、城管局、环保局、园林局、文化局对建设工程相关专业内容和范围进行审查。
4、规划部门对规划总图进行评审,核发《建设用地规划许可证》.5、规划部门确定建设工程规划设计条件.三、初步设计和施工图设计审查,此阶段办理以下一般事项:1、规划部门对初步设计的规划要求进行审查。
2、公安消防支队对初步设计的消防设计进行审查。
3、公安局交警支队对初步设计的交通条件进行审查.4、人防办对初步设计的人防设计进行审查。
5、国土资源局进行用地预审.6、市政部门、环保局、卫生局、地震局等相关部门对初步设计的相关专业内容进行审查。
7、建委制发初步设计批复,并对落实初步设计批准文件的要求进行审查。
8、建委对施工图设计文件进行政策性审查,根据业主单位意见,核发技术性审查委托通知单。
9、建委根据施工图设计文件审查机构发出的《建设工程施工图设计文件审查报告》,发放《建设工程施工图设计文件审查批准书》。
规划方案设计图纸深度1、综合说明书:A、总体方案说明:包括规划设计指导思想,布局与功能分区,规划设计特点与建筑风格,主出入口的布置和形象,建筑群体的空间形象及标志性建筑,建筑环境、造型、建筑群外墙及屋顶色调基调等设计说明。
B、交通组织、绿化等说明。
C、总建筑面积、建筑占地面积、建筑高度、层数、建筑密度、容积率、绿化覆盖率、地面及地下停车场(汽车、自行车)等技术经济指标。
D、水、电安装容量估算及整个工程造价估算.E、建筑节能专篇论述。
F、无障碍设施设置设计说明。
G、主要建筑单体的主体结构型式.2、区位图、现状图、总平面图、沿街透视、道路规划和绿化系统规划图A、反映整个项目的建筑群体空间关系。
B、反映建筑、道路、广场、水面及景观小品的相互关系。
C、小区内及出入口的交通组织、道路设计.D、小区主、次入口的效果处理及效果表达。
E、重要节点及典型部位的方案深化详图F、用地现状分析。
G、部分单体的平、立、剖面图。
H、规划总平面以1:1000(或1:500)地形图设计,内容包括用地范围内的各类建筑、道路、广场、绿地、水体等设施的总体布局,以及四周的环境关系,图纸要求:总平面、总体沿街立面图,比例1:1000(或1:500),图纸规格0#或1#图.3、建筑方案设计图一套,图纸要求建筑群体鸟瞰图1张,代表性典型建筑彩色透视效果图若干张,建筑方案设计各层平面图、立面图、剖面图、设计概念分析图等。
4、提交上述各规划图和单体建筑方案设计缩印本10 套(规格为A3,297×420).5、展板要求:总平面图、总平面建筑群体鸟瞰图与沿街透视图均为彩色效果图;展板规格要求:0号图板6、电子文件全部设计成果均应制作成电子文件,文本文件采用Microsoft Word 2007的doc格式文件;设计图形文件采用Autocad R14的dwg格式文件,电脑渲染图等图片文件,应采用普及的通用软件制作,并提交分辨率不小于3000X2000像素的JPG格式文件,提交以上电子文件1套(以上电子文档刻录光盘1张)。
总图设计图纸深度要求总图设计图纸是工程项目中非常重要的文件,它对于整个项目的规划、布局和实施起着关键的指导作用。
为了确保总图设计的准确性和可行性,对于图纸的深度有着严格的要求。
一、总图设计图纸的组成总图设计图纸通常包括以下几个主要部分:1、总平面图:展示整个项目用地的范围、建筑物、构筑物、道路、绿化、停车场等的布局。
2、竖向布置图:反映场地的地形起伏、标高变化以及排水方向等。
3、管线综合图:整合各类管线(如给排水、电力、通信等)的走向、位置和相互关系。
4、绿化布置图:明确绿化区域的分布和植物配置。
5、土方工程图:计算土方挖填量,指导土方施工。
二、总平面图的深度要求1、用地范围清晰标注项目用地的边界,包括红线范围和周边的相邻关系,如道路、河流、建筑物等。
2、建筑物和构筑物准确绘制建筑物和构筑物的轮廓,标注其名称、层数、高度和坐标位置。
对于重要的建筑物,还应给出详细的尺寸和功能说明。
3、道路系统标明道路的中心线、边线、交叉点坐标和转弯半径。
区分主次干道,标注道路的宽度和路面材质。
同时,要表示出人行道、广场和停车场的位置和尺寸。
4、绿化景观画出绿地的范围和形状,标注主要的绿化树种和花坛、小品的位置。
5、坐标和标高给出场地内主要控制点的坐标和标高,以便于施工定位和竖向设计。
6、指北针和比例尺总平面图上必须有指北针,指明正北方向。
同时,要标注合适的比例尺,使图纸能够准确反映实际尺寸。
三、竖向布置图的深度要求1、地形地貌准确描绘场地的原始地形,包括等高线、坡向和坡度。
2、设计标高标注建筑物、道路、广场等的设计标高,以及场地的排水坡度和方向。
3、土方平衡计算并标注土方挖填方的数量和位置,力求土方平衡,减少土方运输成本。
4、挡土墙和护坡如果场地存在高差较大的区域,需要绘制挡土墙和护坡的位置、形式和尺寸。
四、管线综合图的深度要求1、管线种类和走向清楚显示各类管线(如给排水、电力、通信、燃气等)的平面位置和走向,避免管线之间的交叉和冲突。
建筑方案报规深度要求建筑方案报规深度要求是指对于建筑方案的规划和设计要求的详细描述。
这些要求包括了建筑的功能、布局、材料、技术和环境等方面的要求,旨在规范和指导建筑设计的过程。
以下是对建筑方案报规深度要求的一些详细描述:1. 建筑功能要求:建筑方案报规深度要求中,要明确建筑的功能需求。
这包括建筑的用途、功能定位、服务对象等。
例如,一个商业综合体的建筑方案报规深度要求需要明确商业区、办公区、公共区等的功能要求。
2. 建筑布局要求:建筑方案报规深度要求中,需要详细描述建筑的布局要求。
这包括建筑的总体形态和结构布局、各功能区域的布局关系、流线、进出口等要求。
例如,在一个住宅小区的建筑方案报规深度要求中,需要明确住宅楼的布置、小区内道路的规划等。
3. 建筑材料要求:建筑方案报规深度要求中,要明确建筑材料的选用和安全要求。
这包括建筑的主体结构和装饰材料的品种、质量要求、可持续性等。
例如,在一个绿色建筑项目的建筑方案报规深度要求中,需要明确使用环保材料和节能设备的要求。
4. 建筑技术要求:建筑方案报规深度要求中,需要详细描述建筑的施工技术要求。
这包括建筑结构、建筑系统的要求、施工工艺和施工方法等。
例如,在一个高层建筑的建筑方案报规深度要求中,需要明确使用抗震技术和防火技术的要求。
5. 建筑环境要求:建筑方案报规深度要求中,要明确建筑环境的要求。
这包括建筑的环境适应性、景观要求、绿化要求、室内环境舒适度等。
例如,在一个办公楼的建筑方案报规深度要求中,需要明确要求建筑有良好的通风和采光条件。
总之,建筑方案报规深度要求是对建筑方案设计过程的指导和规范。
它要求对建筑的功能、布局、材料、技术和环境等方面做出详细的描述,以确保建筑方案的质量和效果。
同时,建筑方案报规深度要求也提供了一个统一的标准,方便各方进行建筑方案评审和审查。
苏州市规划局相城分局报建图纸深度和要求各类报建图纸一览表选址、用地类报建图纸的深度和要求一、现势地形图1.采用苏州市坐标系统和国家基准高程系统;2.图纸比例为1/500-1/2000;3.盖有测绘单位的出图章。
二、用地红线图1.采用苏州市坐标系统和国家基准高程系统;2.图纸比例为1/500-1/2000;3.盖有测绘单位的出图章;4.在现势地形图上标明建设用地位置,并注明拐点坐标;5.图上应盖有用地单位、村委会、镇建管所印章。
三、绘制在现势地形图上的总平面图1、要求与相应阶段的总平面规划图相同;2、含周边50米范围的现势地形地物和规划道路;3、盖有建设单位的印章、具备资质的设计单位的出图章。
四、总平面规划图1、标明图纸要素,如图名、指北针、比例尺、图例、图标、图签等;2、建设用地红线及坐标、不同等级道路的宽度、规划高压走廊、规划河道等各类规划控制线的控制宽度;3、保留和规划建筑物的功能性质、层数和编号,其中建筑物的层数和编号应当易于区别,层数一般标注在建筑物的右上角;4、建筑物(包括首层建筑物)与建设用地红线、规划道路红线、高压线或高压走廊、规划河道和其他规划控制线的距离及建筑间距。
5、附有建筑明细表,明确保留建筑物和规划建筑物的功能、层数、面积、编号等;6、附有技术经济指标表,明确总用地面积、容积率、总建筑面积、建筑密度、绿地率等指标;7、盖有建设单位的印章、具备资质的设计单位的出图章和资质章。
规划-建筑设计方案报建图纸的深度和要求一、设计说明书1、现状条件分析;2、规划原则和总体构思;3、用地布局;4、空间组织和景观特色要求;5、道路和绿地系统规划;6、各项专业工程规划及管线综合;7、竖向规划;8、技术经济指标;9、工程量及投资估算。
二、基地区位图1、标明图纸要素,如图名、指北针、图例、图标、图签等;2、盖有建设单位的印章、具备资质的设计单位的出图章。
三、现势地形图1、采用苏州市坐标系统和国家基准高程系统;2、图纸比例为1/500-1/2000;3、盖有测绘单位的出图章;4、标明用地红线。
广州市城市规划局规划建设业务送审图纸深度和要求的规定(试行)为提高我局立案及行政审批效率,规范规划建设业务审批成果,建立统一标准的数据信息库,特制定本规定。
第一条各类规划建设业务送审图纸一览表业务类别图纸种类备注用地类1.现况地形图2.总平面关系布置图3.总平面规划图规划类1.现况地形图2.绘制在现况地形图上的总平面图3.总平面规划图基地区位图总平面规划图4.修建性详细规划图基地区位图总平面规划图绿地系统规划图道路交通系统规划图竖向规划图5.绘制在现况地形图上的规划道路图6.管线综合规划图区位图工程管线综合规划图电力电信工程规划图给水燃气系统规划图雨水污水系统规划图规划说明书7.控制性详细规划(含城市设计)图8.镇总体规划图现况地形图地理位置图镇域土地利用现状图镇域规划镇域村镇体系规划图镇域土地利用规划图镇域道路系统规划图镇域绿化系统规划图镇域农田水系规划图镇域各工程管线规划图镇区位置图 镇区规划镇区土地利用现状图 镇区土地利用规划图镇区建设用地地块划分编码图 镇区道路系统规划图 镇区绿化系统规划图竖向规划图 镇区各工程管线规划图9.中心村总体规划图现况地形图 中心村位置图 村域现状分析图 村域土地利用规划图 村域道路系统规划图 村域绿化系统规划图 村域各工程管线规划图 中心村建设用地现状图中心村建设用地规划图 中心村建设用地地块划分编码图 中心村建设用地道路系统规划图 中心村建设用地绿化系统规划图 中心村建设用地管线综合规划图建设类1.现况地形图2.绘制在现况地形图上的总平面图3.总平面图4.建筑方案设计图平面图建筑工程立面图 剖面图 透视图 5.建筑施工设计图 平面图立面图 剖面图 6.管线工程方案设计图管线工程平面图 横断面图 7.管线工程施工设计图平面图横断面图 纵断面图 关键节点大样图 8.道路交通工程方案设计图平面设计图道路交通工程纵断面设计图 横断面设计图 9.道路交通工程施工设计图 平面设计图纵断面设计图 横断面设计图10.绘制在现况地形图上的总平面图 城市雕塑与纪念碑工程 11.城市雕塑与纪念碑方案设计图/施工设计图 平面图 立面图 12.城市雕塑与纪念碑方案设计彩色效果图广告、勘测信息与行业管理类1.户外广告图纸 现况地形图 设计样稿 设计彩色效果图2.规划设计初步方案总平面图3.勘测成果资料规划验收类 1.工程竣工图2.《广州市建设工程放线测量记录册》、《广州市建设工程规划验收测量记录册》违法建设查处类 1.绘制在现状地形图上的违法建设总平面图 2.现场施工图3.工程竣工图第二条 用地类业务送审图纸的深度和要求一、现况地形图1.采用广州市平面坐标系统和高程系统测绘; 2.图纸比例为1/500或1/2000;3.盖有原勘测单位的出图章;4.图纸为蓝图,可用铅笔在其中一份图上标示建设用地的位置,不得使用其他彩色线条或色块。
广州市城市规划局规划建设业务送审图纸深度和要求的规定(试行)(修建性详细规划部分)为提高我局立案及行政审批效率,规范规划建设业务审批成果,建立统一标准的数据信息库,特制定本规定。
第二条用地类业务送审图纸的深度和要求一、现况地形图1.采用广州市平面坐标系统和高程系统测绘;2.图纸比例为1/500或1/2000;3.盖有原勘测单位的出图章;4.图纸为蓝图,可用铅笔在其中一份图上标示建设用地的位置,不得使用其他彩色线条或色块。
二、总平面关系布置图1.反映建设项目的工艺流程关系;2.标明建设项目的用地面积、建筑密度、容积率、总建筑面积等基本指标;3.标注尺寸和图纸比例;4.盖有建设单位的印章。
三、总平面规划图1.标明图纸要素,如图名、指北针、比例尺、图例、图标、图签等;2.附有建筑明细表,明确保留建筑物和规划建筑物的功能、层数、面积、编号等;3.附有经济技术指标表,明确总用地面积、容积率、总建筑面积、建筑密度、绿地率等指标;4.盖有建设单位的印章、具备资质的设计单位的出图章和资质章。
第三条规划类业务送审图纸的深度和要求一、现况地形图1.采用广州市平面坐标系统和高程系统测绘;2.图纸比例为1/500或1/2000;3.盖有原勘测单位的出图章;4.图纸为蓝图,不得使用其他任何标示。
二、绘制在1/500广州市平面坐标系统和高程系统的现况地形图上的总平面图1.蓝图加绘墨线图,图纸不得使用任何彩色线条或色块;2.要求与相应阶段的总平面规划图同;3.盖有建设单位的印章、具备资质的设计单位的出图章。
三、总平面规划图(一)基地区位图(可附在总平面规划图上)1.图纸为蓝图,不得使用任何彩色线条或色块;2.标明图纸要素,如图名、指北针、图例、图标、图签等;3.独立于总平面规划图时须盖有建设单位的印章、具备资质的设计单位的出图章。
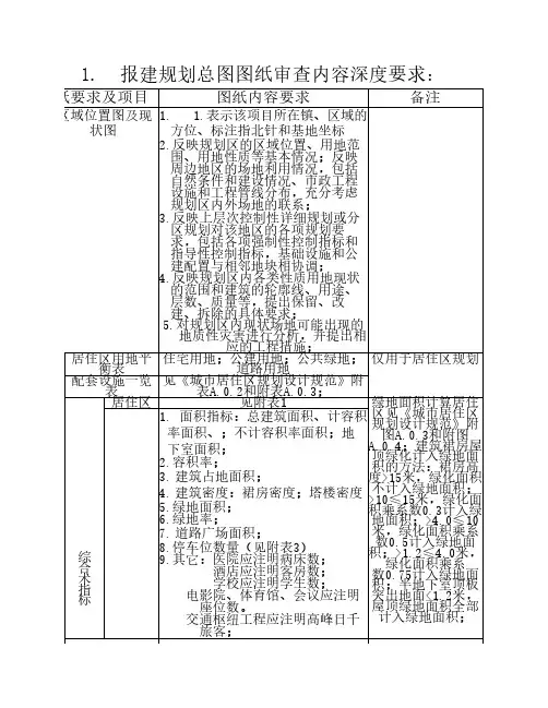
(二)总平面规划图1.图纸为蓝图,不得使用任何彩色线条或色块;2.标明图纸要素,如图名、指北针、比例尺、图例、图标、图签等;3.图纸比例为1/500或1/1000,制图单位为米;4.图纸应清晰、完整反映以下内容:(1)建设用地红线及坐标、绿地、广场、硬地、停车场、水体、体育运动场地、公共服务设施和基础设施用地、历史文物保护用地及其他特殊用地;(2)各类不同类型的用地,除标明范围外,还要用文字标注清楚或用图例表示清楚;(3)规划用地平衡表;(4)不同等级道路的宽度和转弯半径,规划道路中线交点、拐点坐标、中线转弯半径,规划河涌中线交点、拐点坐标、中线转弯半径,规划高压线、珠江导治线坐标;(5)铁路、高压走廊、规划河涌等各类规划控制线的控制宽度;(6)建筑物、构筑物的垂直投影内、外轮廓线,线条应当易于区别并符合建筑制图规范;(7)保留和规划建筑物的功能性质、层数和编号,其中建筑物的层数和编号应当易于区别,层数一般标注在建筑物的右上角;(8)建筑物(包括首层建筑物)与建设用地红线、规划道路边线、规划道路中线、铁路、高压线或高压走廊、规划河涌和其他规划控制线的距离、建筑间距(建筑间距以建筑物高度的倍数表示,并标明实际距离);(9)标准层的建筑面积(户数、每户建筑面积)及每幢建筑物的总建筑面积(总户数),并附有标准层平面图;(10)配套公共服务和基础设施项目在建筑物的具体位置和楼层;(11)经济技术指标表,包括总用地面积、可开发用地面积、各类分项建筑面积、保留各建筑面积及分项建筑面积、规划建筑分项建筑面积、容积率、建筑密度、塔楼建筑密度、绿地面积、绿地率、公共绿地面积等;居住区还包括住宅毛容积率、人均公共绿地面积、规划居住户数、规划居住人口等;(12)公建配套设施明细表,包括项目名称、用地面积、建筑面积及具体设置位置;(13)居住区综合技术经济指标的项目应包括必要指标和可选用指标两类,其项目及计量单位应符合表1的规定;5.盖有建设单位的印章、具备资质的设计单位的出图章。
报建图出图深度标准一、平面图:1、最少标2道尺寸,第一道为建筑总开间、总进深,第二道为各房间各开间、进深尺寸(不一定是轴网尺寸);2、防火门编号应按规范标注(可不编注门编号,但应注明防火门的等级FM甲、FM乙等);3、轴线应按结构确定的柱子、剪力墙编注好(有结构柱的才编号,否则不编轴号),注意外墙的轴线编至墙外边线,内间墙的轴线除特殊情况外均编至墙中线;不同的分区轴网,应注明其相互关系,包括角度和距离;4、各层的标高应标注(其中首层每个出入口的室外标高也应明确,并与规划竖向相符),并在首层注明0.000相对于绝对标高的数值;如果室外是斜面,则标注控制性的标高.5、各关键标高应标注,如天面部分(对应立面图的标高),群楼部分,门廊部分等。
6、应在每层标注每层建筑面积,在首层平面中标注总建筑面积(有地下室、架空层的,应分别标注地下室、架空层的面积,并注明是否包入容积率面积中。
)建筑面积应务必注意准确性,并应注意务必与总图指标相符。
7、应标注各房间名称,不能出现没有表示使用功能的空间。
8、与别的建筑有变形缝连接,应该把相邻建筑的局部也表示清楚(包括轴号),注意表示的相邻建筑不要太少。
与相邻建筑的尺寸关系应交代清楚(包括尺寸与角度)。
9、首层应附有指北针.10、总平面应及时更换单体外轮廓,单体外轮廓线有变化应立即通知总平面。
11、应有四至图或位置示意图。
二、立面图:1、应标注最少2道尺寸,其中一道为建筑高度(高层:从天面结构面(平屋顶)或檐口(坡屋顶)到室外地面的距离,第二道尺寸为层高及室内外高差、女儿墙高度等。
2、下列标高应标注:各层层高、室外地面标高、屋顶各主要标高(如女儿墙、坡顶檐口及屋脊标高、塔楼标高)。
3、外立面材料的材质以及颜色。
4、应与平面图对得上.5、立面下方应标轴号和总尺寸.6、与别的建筑有变形缝连接,应该把相邻建筑的立面局部也表示清楚,注意表示的相邻建筑不要太少。
三、剖面图:1、标注以及标高要求同立面图.2、剖到的房间名称应标注。