螺栓组连接实验报告
- 格式:doc
- 大小:66.00 KB
- 文档页数:2
螺栓组联接实验报告
实验名称:螺栓组联接实验
班级姓名
一、实验目的
1.实测受翻转力矩作用下螺栓组联接中各螺栓的受力情况。
2.深化课程学习中对螺栓组联接实际受力分析的认识。
3.初步掌握电阻应变仪的工作原理和使用方法。
二、实验设备及工具
1.多功能螺栓组联接实验台。
2.XL2101B2型静态电阻应变仪。
3.其它仪器工具:万用表;螺丝刀;搬手等。
4.电子计算机(含主机、显示器、键盘、鼠标、打印机等)。
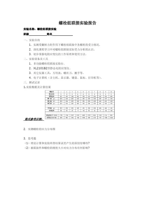
三.测试记录
1.实验数据及计算结果
格式参考示例:
2.实测螺栓组应力分布图
3.思考题
(1)理论计算和实验所得结果误差产生的原因有哪些?
(2)被联接件和螺栓的刚度大小对应力分布有何影响?。
(2023)螺栓组联接实验报告2(一)
(2023)螺栓组联接实验报告2
实验目的
•掌握螺栓组联接的实验方法
•对螺栓组结构认识更加深入,了解其性能参数
•分析实验结果并得出结论
实验步骤
1.按照实验要求,准备螺栓组件和测试设备
2.应用负载施加器,对螺栓组进行不同方向的载荷测试,并记录实
验数据
3.将收集到的数据整理并进行分析
实验数据分析
•根据实验数据得出螺栓组件的结构参数,如螺栓根数、螺纹尺寸、材料强度等
•计算螺栓组在不同载荷下的应力、应变等参数
•结合材料特性,对螺栓组进行受力分析,预测其疲劳寿命、耐久性等性能指标
实验结论
•螺栓组件具有一定的承载能力和稳定性
•螺栓组件存在一定的疲劳寿命和耐久性问题,需要进一步优化设计和材料选用
•实验结果可以为螺栓组件的应用提供参考
以上就是本次实验的相关内容,希望能对大家有所帮助。
抱歉,接下来没有您需要继续的内容,请问还有其他需要我帮助的吗?。
螺栓连接实验报告体会实验目的本次实验的目的是研究螺栓连接在不同工况下的力学性能,了解螺栓连接在实际工程中的应用情况。
通过实验结果,分析螺栓连接的可靠性和安全性,为工程设计和实际应用提供参考依据。
实验方法在实验过程中,我们首先准备了不同直径和不同材料的螺栓样品,采用力学实验仪器进行了拉伸和剪切试验。
实验过程中,我们控制加载速度,记录下直径、材料、加载力以及变形情况等数据。
实验结果经过实验,我们得到了一系列的数据,并对数据进行了处理和分析。
通过对实验数据的统计,我们发现不同直径的螺栓在拉伸和剪切试验中,其破坏强度和变形情况存在明显的差异。
同时,我们还发现不同材料的螺栓在相同工况下的力学性能也存在差异,部分材料的螺栓连接更加可靠和安全。
实验体会通过本次实验,我对螺栓连接的力学性能和使用方法有了更深入的理解。
螺栓连接是一种常用的连接方式,在工程设计和实际应用中广泛使用。
通过对不同直径和不同材料的螺栓进行拉伸和剪切试验,我们了解到不同工况下螺栓的破坏强度和变形情况。
同时我们还发现,螺栓连接的可靠性和安全性与螺栓的直径和材料有关。
直径较大的螺栓连接更加牢固,能够承受更大的加载力。
同时,材料的选择也对螺栓连接的可靠性起到重要作用。
不同材料的螺栓在相同工况下的破坏强度和变形情况存在明显差异,部分材料的螺栓连接更加可靠和安全。
在实验过程中,我们还发现螺栓连接的设计和安装也对其性能起到重要影响。
合理的设计和正确的安装方法能够提高螺栓连接的可靠性和安全性。
因此,在工程设计和实际应用中,我们应该根据具体情况选择合适的螺栓直径和材料,并正确设计和安装螺栓连接。
本次实验使我对螺栓连接有了更深入的理解,我认识到螺栓连接在实际工程中的重要性。
合理选择螺栓直径和材料、正确设计和安装螺栓连接,对于保证工程的可靠性和安全性具有重要意义。
同时,我们还应该不断探索和研究螺栓连接的其他性能和影响因素,为工程设计和实际应用提供更多参考和依据。
螺栓联接实验指导书机电学院机械基础实验室2011.9螺栓联接实验指导书一.实验目的1.掌握测试受轴向工作载荷的紧螺栓联接的受力和变形曲线(即变形协调图)。
2.掌握求联接件(螺栓)刚度C 1、被联接件刚度C 2、相对刚度C 1/C 1+C 2。
3.了解试验预紧力和相对刚度对应力幅的影响,以考察对螺栓疲劳的影响。
二.实验设备图4—1为LB-87型螺栓联接实验机结构组成示意图,手轮1相当于螺母,与螺栓杆2相连。
套筒3相当于被联接件,拧紧手轮1就可将联接副预紧,并且联接件受拉力作用,被联接件受压力作用。
在螺栓杆和套筒上均贴有电阻应变片,用电阻应变仪测量它们的应变来求受力和变形量。
测力环4是用来间接的指示轴向工作载荷的。
拧紧加载手轮(螺母)6使拉杆5产生轴向拉力,经过测力环4将轴向力作用到螺杆上。
测力环上的百分表读数正比于轴向载荷的大小。
1.LB-87型螺栓联接实验机的主要实验参数如下:1).螺栓材料为45号钢,弹性模量E 1=2.06×105N/mm 2,螺栓杆直径d=10mm ,有效变形计算长度L 1=130mm 。
2).套筒材料为45号钢,弹性模量E 2=2.06×105N/mm 2,两件套筒外径分别为D=31和32,内径为D 1=27.5mm ,有效变形计算长度L 2=130mm.。
2.仪器1)YJ-26型数字电阻应变仪。
2)YJ-18型数字电阻应变仪。
3)PR10-18型预调平衡箱。
三.实验原理1.力与变形协调关系在螺栓联接中,当联接副受轴向载荷后,螺栓受拉力,产生拉伸变形;被联接件受压力,产生压缩变形,根据螺栓(联接件)和被联接件预紧力相等,可把二者的力和变形图线画在一个坐标系中,如4-3所示。
当联接副受工作载荷后,螺栓因受轴向工作载荷F作用,其拉力由预紧力Qp 增加到总拉力Q,被联接件的压紧力Qp减少到剩余预紧力Q’p ,这时,螺栓伸长变形的增量Δλ1,等于被联接件压缩变形的恢复Δλ2,即Δλ1=Δλ2=λ,也就是说变形的关系是协调的。
螺栓联接的静态特性实验指导书一、实验目的现代各类机械中,广泛应用螺栓进行联接,如何计算和测量螺栓受力情况及静态特性参数,是工程技术人员的一个重要课题。
本实验通过对螺栓的受力进行测试和分析,要求达到以下目的。
1.解螺栓联接在拧紧过程中各部分的受力情况。
2.计算螺栓相对刚度,并绘制螺栓联接的受力变形图。
3.验证受轴向工作载荷时,预紧螺栓联接的变形规律,及对螺栓总拉力的影响。
二、实验设备及仪器1.联接实验台的结构与工作原理:a.联接部分包括M16空心螺栓、大螺母、垫片组组成。
空心螺栓贴有测拉力和扭矩的两组应变片,分别测量螺栓在拧紧时,所受预紧拉力和扭矩。
空心螺栓的内孔中装有双头螺栓,拧紧或松开其上的小螺母,即可改变空心螺栓的实际受载截面积,以达到改变联接件刚度的目的。
垫片组由刚性和弹性两种垫片组成,刚性垫片为割分式。
b.被联接件部分由上板、下板、和八角环组成,八角环上贴有应变片组,测量被联接件受力的大小,中部有锥形孔,插入或拔出锥塞即可改变八角环的受力,以改变被联接件系统的刚度。
c.加载部分由蜗杆、蜗轮、挺杆和弹簧组成,挺杆上贴有应变片,用以测量所加工作载荷的大小,蜗杆一端与电机相联,另一端装有手轮,启动电机或转动手轮使挺杆上升或下降,以达到加载、卸载(改变工作载荷)的目的。
2、电阻应变仪的工作原理及各测点应变片的组桥方式:实验台各被测点的应变量用电阻应变仪测量,通过去时标定或计算即可换算出各部分大小。
静态应变仪采用了包含测量桥与读数桥的双桥结构。
两组电桥通常都保持平衡状态,测量应变片组与仪器中两标准电阻组成测量桥(半桥测量法)如图2中的A、B、C。
当电阻应变片由于被测件受力变形,其长度发生变化Δl时,其阻值相应地变化ΔR,并且ΔR/R 正比于Δl/l,ΔR使测量桥失去平衡,应变仪毫安表指针即发生偏转。
调节读数桥使之产生与测量桥相应的不平衡,从而会使毫安表回到零点,即可从读数桥的调节量大小测知被测件的应变量。
螺栓联接实验指导书机电学院机械基础实验室2011.9螺栓联接实验指导书一.实验目的1.掌握测试受轴向工作载荷的紧螺栓联接的受力和变形曲线(即变形协调图)。
2.掌握求联接件(螺栓)刚度C 1、被联接件刚度C 2、相对刚度C 1/C 1+C 2。
3.了解试验预紧力和相对刚度对应力幅的影响,以考察对螺栓疲劳的影响。
二.实验设备图4—1为LB-87型螺栓联接实验机结构组成示意图,手轮1相当于螺母,与螺栓杆2相连。
套筒3相当于被联接件,拧紧手轮1就可将联接副预紧,并且联接件受拉力作用,被联接件受压力作用。
在螺栓杆和套筒上均贴有电阻应变片,用电阻应变仪测量它们的应变来求受力和变形量。
测力环4是用来间接的指示轴向工作载荷的。
拧紧加载手轮(螺母)6使拉杆5产生轴向拉力,经过测力环4将轴向力作用到螺杆上。
测力环上的百分表读数正比于轴向载荷的大小。
1.LB-87型螺栓联接实验机的主要实验参数如下:1).螺栓材料为45号钢,弹性模量E 1=2.06×105N/mm 2,螺栓杆直径d=10mm ,有效变形计算长度L 1=130mm 。
2).套筒材料为45号钢,弹性模量E 2=2.06×105N/mm 2,两件套筒外径分别为D=31和32,内径为D 1=27.5mm ,有效变形计算长度L 2=130mm.。
2.仪器1)YJ-26型数字电阻应变仪。
2)YJ-18型数字电阻应变仪。
3)PR10-18型预调平衡箱。
三.实验原理1.力与变形协调关系在螺栓联接中,当联接副受轴向载荷后,螺栓受拉力,产生拉伸变形;被联接件受压力,产生压缩变形,根据螺栓(联接件)和被联接件预紧力相等,可把二者的力和变形图线画在一个坐标系中,如4-3所示。
当联接副受工作载荷后,螺栓因受轴向工作载荷F作用,其拉力由预紧力Qp 增加到总拉力Q,被联接件的压紧力Qp减少到剩余预紧力Q’p ,这时,螺栓伸长变形的增量Δλ1,等于被联接件压缩变形的恢复Δλ2,即Δλ1=Δλ2=λ,也就是说变形的关系是协调的。
螺栓联接静、动态特性实验报告
专业班级 ___________ 姓名 ___________ 日期 2002-01-01
指导教师 ___________ 成绩 ___________
一、实验条件:
1、试验台型号及主要技术参数
螺栓联接实验台型号:
主要技术参数:
①、螺栓材料为40Cr、弹性模量E=206000 N/mm2,螺栓杆外直径D1=
16mm,螺栓杆内直径D2=8mm,变形计算长度L=160mm。
②、八角环材料为40Cr,弹性模量E=206000 N/mm2。
L=105mm。
③、挺杆材料为40Cr、弹性模量E=206000 N/mm2,挺杆直径D=14mm,变形
计算长度L=88mm。
2、测试仪器的型号及规格
①、应变仪型号:CQYDJ-4 ②、电阻应变片:R=120Ω,灵敏系数K=2.2
二、实验数据及计算结果
1、螺栓联接实验台试验项目:
空心螺杆
2、螺栓组静态特性实验
3、螺栓联接静、动特性应力分布曲线图 (空心螺杆)
三、实验结果分析。
螺栓联接静、动态特性实验报告专业班级 ___________ 姓名 ___________ 日期 2006-08-15 指导教师___________ 成绩 ___________一、实验条件:1、试验台型号及主要技术参数螺栓联接实验台型号:主要技术参数:①、螺栓材料为40Cr、弹性模量E=206000 N/mm2,螺栓杆外直径D1= 16mm,螺栓杆内直径D2=8mm,变形计算长度L=160mm。
②、八角环材料为40Cr,弹性模量E=206000 N/mm2。
L=105mm。
③、挺杆材料为40Cr、弹性模量E=206000 N/mm2,挺杆直径D=14mm,变形计算长度L=88mm。
2、测试仪器的型号及规格①、应变仪型号:CQYDJ-4 ②、电阻应变片:R=120Ω,灵敏系数K=2.2二、实验数据及计算结果1、螺栓联接实验台试验项目:空心螺杆2、螺栓组静态特性实验实测值理论值预紧形变值(μm) 预紧应变值(με) 预紧力(N) 预紧刚度(N/mm) 预紧标定值(με/N)加载形变值(μm) 加载应变值(με) 加载力(N) 加载刚度(N/mm) 加载标定值(με/N)螺栓拉力 40 167 5187.7 129692.5螺栓扭矩 113 177.1八角环 126 0 5219.4 41172.2挺杆 -2 -31.7螺栓拉力 40 250 7766 194150.4螺栓扭矩 342.8八角环 126 7766 61635.1挺杆 0 0 1463.9-0.0184430.0321915 0.1287509 0.0000000 0.0630915 0.0215039 0.3296382 0 45 182 5653.7 129692.5120 185.2118 0 6129.3 41172.2-30 -475.745 281.25 8736.8 194150364118 7272.9 61634.90.0321913 0.1287314 0.0000000 0.0630650 0.0209458 0.3296703 03、螺栓联接静、动特性应力分布曲线图 (空心螺杆)三、实验结果分析。
实验二螺栓组联接实验一、实验目的1.测试螺栓组联接在翻转力矩作用下各螺栓所受的载荷;2.深化课程学习中对螺栓组联接受力分析的认识;3.初步掌握电阻应变仪的工作原理和使用方法。
二、实验设备LYS-B螺栓组及单螺栓连接静、动态综合实验台。
三、实验设备的结构及工作原理LYS-B螺栓组联接实验台结构如图1所示:图1多功能螺栓组联接实验台结构1.机座2.测试螺栓3.测试梁.4.托架5.测试齿块6.杠杆系统7.砝码8.齿板接线柱9.螺栓1-5接线柱10.螺栓6—10接线柱11.垫片多功能螺栓组联接实验台结构如图l所示,被联接件机座l和托架4被双排共10个螺栓2联接,联接面间加入垫片II(硬橡胶板),砝码7的重力通过双级杠杆加载系统6(1:75)增力作用到托架4上,托架受到翻转力矩的作用,螺栓组联接受横向载荷和倾覆力矩联合作用,各个螺栓所受轴向力不同,它们的轴向变形也就不同。
在各个螺栓上贴有电阻应变片,可在螺栓中段测试部位的任一侧贴一片,或在对称的两侧各贴一片,如图2所示.各个螺栓的受力可通过贴在其上的电阻应变片的变形,用电阻应变仪测得。
图2 螺栓安装及贴片图静态电阻应变仪主要由:测量桥、桥压、滤波器、A/D 转换器、MCU 、键盘、显示屏组成。
测量方法:由DC2.5V 高精度稳定桥压供电,通过高精度放大器,把测量桥桥臂压差(uV 信号)放大,后经过数字滤波器,滤去杂波信号,通过24位A/D 模数转换送入MCU(即CPU)处理,调零点方式采用计算机内部自动调零。
送显示屏显示测量数据,同时配有RS232通讯口,可以与计算机通讯。
εKEU BD 4=△ 式中:△BD U ——工作片平衡电压差;E ——桥压; K ——电阻应变系数;ε——应变值。
当工作电阻片由于螺栓受力变形,长度变化△L 时,其电阻也要变化△R ,并且RR△正比于ll△,△R 使测量桥失去平衡。
通过应变仪测量出△BD U 的变化,测量出螺栓的应变量。
螺栓组联接实验报告带传动实验报告摘要:本报告通过对螺栓组联接实验及传动实验的相关测试和分析,对螺栓组联接和传动系统的性能进行了评估和探讨。
实验结果表明,螺栓组联接和传动系统在各项性能指标上均表现出良好的性能,并且能够满足工程设计要求。
1. 引言螺栓组联接是一种常见的机械连接方式,广泛应用于各行各业。
螺栓组联接的质量直接影响到机械系统的稳定性和可靠性。
传动系统作为机械系统的重要组成部分,其性能对整个系统的运行效果和效率有很大的影响。
2. 实验目的本次实验的主要目的是检验螺栓组联接和传动系统的性能,包括扭矩传递能力、载荷能力和耐久性。
3. 实验装置与方法3.1 螺栓组联接实验装置螺栓组联接实验装置包括螺母、垫圈和螺栓。
在实验过程中,我们采用了不同类型和规格的螺栓进行了测试。
3.2 传动实验装置传动实验装置通过传动轴、齿轮和皮带等组成,通过调节传动比例和载荷来测试传动系统的性能。
4. 实验过程与结果分析4.1 螺栓组联接实验过程与结果分析在螺栓组联接实验中,我们测试了不同类型和规格的螺栓组联接的扭矩传递能力和载荷能力。
实验结果表明,不同类型和规格的螺栓组联接在扭矩传递和载荷承载方面表现出不同的特点和性能。
4.2 传动实验过程与结果分析在传动实验中,我们通过调节传动比例和施加不同的载荷,测试了传动系统的传动效率和耐久性。
实验结果显示,传动系统在不同载荷和传动比例下均表现出良好的性能,并且能够承受一定的载荷和工作时间。
5. 结论通过对螺栓组联接实验和传动实验的测试和分析,我们可以得出以下结论:- 螺栓组联接在不同类型和规格下具有良好的扭矩传递和载荷承载能力;- 传动系统在不同载荷和传动比例下具有良好的传动效率和耐久性;- 螺栓组联接和传动系统能够满足工程设计要求,并具有较高的可靠性和稳定性。
综上所述,螺栓组联接实验和传动实验是对螺栓组联接和传动系统性能的评估和探讨,通过实验结果可以看出螺栓组联接和传动系统在各项性能指标上表现出良好的性能,可满足工程设计的要求,有望在实际应用中发挥重要的作用。
螺栓组联接实验报告一、实验目的。
本实验旨在通过对螺栓组联接的实验研究,探讨螺栓在不同条件下的受力性能,为工程实践提供可靠的数据支持。
二、实验原理。
螺栓组联接是一种常见的机械连接方式,其受力性能直接影响着机械设备的安全稳定运行。
在螺栓组联接中,螺栓受拉力,而螺母受压力,通过螺纹的摩擦力来实现联接。
实验中将通过拉伸试验和剪切试验来分析螺栓组联接的受力性能。
三、实验材料和设备。
1. 实验材料,选用直径为M8的普通螺栓和相应的螺母;2. 实验设备,拉伸试验机、剪切试验机、螺纹测量仪、万能试验机等。
四、实验步骤。
1. 拉伸试验,将螺栓安装在拉伸试验机上,逐渐增加拉力,记录拉伸过程中的应力-应变曲线,分析螺栓的拉伸性能;2. 剪切试验,将螺栓安装在剪切试验机上,逐渐增加剪切力,记录剪切过程中的应力-应变曲线,分析螺栓的剪切性能;3. 螺纹测量,利用螺纹测量仪对螺栓和螺母的螺纹进行测量,分析其尺寸精度和表面质量;4. 其他,利用万能试验机对螺栓组联接进行综合性能测试,包括抗扭矩、抗压力等。
五、实验结果与分析。
1. 拉伸试验结果表明,螺栓在受力过程中表现出良好的弹性变形和塑性变形能力,具有较高的抗拉性能;2. 剪切试验结果表明,螺栓在受力过程中表现出较高的抗剪性能,未出现明显的断裂现象;3. 螺纹测量结果表明,螺栓和螺母的螺纹尺寸精度高,表面质量良好;4. 综合性能测试结果表明,螺栓组联接具有良好的抗扭矩和抗压力性能。
六、实验结论。
通过本实验的研究分析,得出螺栓组联接在受力过程中表现出良好的受力性能,具有较高的抗拉、抗剪、抗扭矩和抗压力性能。
因此,在工程实践中可以放心使用螺栓组联接,确保机械设备的安全稳定运行。
七、参考文献。
1. 钢结构螺栓连接设计手册。
2. 机械连接技术手册。
3. 螺纹连接设计与计算。
八、致谢。
感谢实验室的老师和同学们在实验过程中的帮助和支持,使本次实验取得了圆满成功。
以上就是本次螺栓组联接实验的报告内容,希望对相关领域的研究和实践工作有所帮助。
螺栓联接静、动态特性实验报告
专业班级 ___________ 姓名 ___________ 日期 2012-10-25
指导教师 ___________ 成绩 ___________
一、实验条件:
1、试验台型号及主要技术参数
螺栓联接实验台型号:
主要技术参数:
①、螺栓材料为40Cr、弹性模量E=206000 N/mm2,螺栓杆外直径D1=
16mm,螺栓杆内直径D2=8mm,变形计算长度L=160mm。
②、八角环材料为40Cr,弹性模量E=206000 N/mm2。
L=105mm。
③、挺杆材料为40Cr、弹性模量E=206000 N/mm2,挺杆直径D=14mm,变形
计算长度L=88mm。
2、测试仪器的型号及规格
①、应变仪型号:CQYDJ-4 ②、电阻应变片:R=120Ω,灵敏系数K=2.2
二、实验数据及计算结果
1、螺栓联接实验台试验项目:
实心螺杆
2、螺栓组静态特性实验
3、螺栓联接静、动特性应力分布曲线图 (实心螺杆)
三、实验结果分析。
螺栓联接静、动态特性综合实验报告专业班级 ___________ 姓名 ___________ 成绩 ___________一、实验条件:1、试验台型号及主要技术参数螺栓联接实验台型号:主要技术参数:①、螺栓材料为40Cr、弹性模量E=206000 N/mm2,螺栓杆外直径D1=16mm,螺栓杆内直径D2=8mm,变形计算长度L=160mm。
②、八角环材料为40Cr,弹性模量E=206000 N/mm2。
L=105mm。
③、挺杆材料为40Cr、弹性模量E=206000 N/mm2,挺杆直径D=14mm,变形计算长度L=88mm。
2、测试仪器的型号及规格①、应变仪型号:CQYDJ-4 ②、电阻应变片:R=120Ω,灵敏系数K=2.2二、实验数据及计算结果1、螺栓联接实验台试验项目:空心螺杆(1) 螺栓组静态特性实验实测值理论值螺栓拉力螺栓扭矩八角环挺杆螺栓拉力螺栓扭矩八角环挺杆预紧形变值(μm) 40 135 40 135预紧应变值(με) 211 94 277 -2 250预紧力(N) 6554.5 112.5 6586.2 -31.7 7766 285.2 7766 0预紧刚度(N/mm) 163863 48552 194150.4 57526.1预紧标定值(με/N) 0.0321916 0.1287577 0.0420576 0.0630915 0.0272984 0.3260869 0.035797 0加载形变值(μm) 44 125 44 125加载应变值(με) 231 100 253 50 275加载力(N) 7175.8 117.3 6383 792.8 8542.6 303.4 7190.7 1351.9加载刚度(N/mm) 163862.5 48551.9 194150 57525.9加载标定值(με/N) 0.0321915 0.1287787 0.0396365 0.0630676 0.027275 0.3263019 0.0351843 0.0369849(2)螺栓联接静、动特性应力分布曲线图 (空心螺杆)2、螺栓联接实验台试验项目:空心螺杆加锥塞(1)螺栓组静态特性实验实测值理论值螺栓拉力螺栓扭矩八角环挺杆螺栓拉力螺栓扭矩八角环挺杆预紧形变值(μm) 40 30 40 30预紧应变值(με) 198 93 52 0 250预紧力(N) 6150.7 115.4 6150.7 0 7766 282.1 7766 0预紧刚度(N/mm) 153767.1 205022.8 194150.4 258867.2预紧标定值(με/N) 0.0321915 0.1287766 0.0084543 0.0256245 0.3261254 0.0066958 0加载形变值(μm) 41 25 41 25加载应变值(με) 206 93 41 56 256.25加载力(N) 6399.2 112.3 5511.3 887.9 7960.2 282.1 6471.7 1488.4加载刚度(N/mm) 153767.5 205023.3 194150 258866.7加载标定值(με/N) 0.0321915 0.1287908 0.0074393 0.0630702 0.0258787 0.3332151 0.0064897 0.0376242(2)螺栓联接静、动特性应力分布曲线图 (空心螺杆加锥塞)三、实验结果分析与体会。
最新螺栓组联接实验报告带传动实验报告实验目的:1. 研究螺栓组联接的力学性能及其影响因素。
2. 分析带传动的工作原理及其效率变化。
3. 通过实验验证理论计算与实际观测值之间的一致性。
实验设备与材料:1. 螺栓组联接测试装置,包括不同规格的螺栓、螺母及垫圈。
2. 带传动实验装置,包括电机、皮带、带轮等。
3. 万能试验机、扭力计、转速表等测量设备。
4. 必要的辅助工具,如扳手、测微计等。
实验步骤:一、螺栓组联接实验:1. 根据实验要求,选择合适的螺栓、螺母及垫圈。
2. 使用扭力计按照预定的扭矩值对螺栓进行预紧。
3. 将预紧后的螺栓组安装到万能试验机上,进行拉伸和剪切测试。
4. 记录螺栓在不同载荷下的变形量、破坏形式及载荷值。
5. 分析螺栓的预紧力、摩擦系数、材料特性等因素对联接性能的影响。
二、带传动实验:1. 调整带传动装置,确保皮带张紧度适中。
2. 开启电机,使带传动系统运行,并记录初始转速。
3. 使用转速表测量带轮的转速,计算带传动的效率。
4. 改变电机的负载,观察并记录带传动效率的变化。
5. 分析带传动的张紧度、带型、带轮材料等因素对传动效率的影响。
实验结果与分析:一、螺栓组联接实验结果:1. 螺栓在预紧阶段,其弹性变形与预紧扭矩成正比。
2. 实验数据显示,螺栓的破坏形式主要为疲劳破坏和滑移破坏。
3. 通过对比实验,发现提高螺栓的预紧力和表面摩擦系数可以增强联接的可靠性。
二、带传动实验结果:1. 实验表明,在无负载或轻负载条件下,带传动效率较高。
2. 随着负载的增加,带传动效率逐渐降低。
3. 通过调整皮带的张紧度,可以在一定程度上改善带传动效率。
结论:1. 螺栓组联接的可靠性与预紧力、摩擦系数等因素密切相关。
2. 带传动效率受多种因素影响,合理设计和调整可以有效提高传动效率。
3. 实验结果与理论分析相符,验证了相关理论的正确性和实用性。
建议:1. 在设计螺栓联接时,应充分考虑工作环境和负载条件,选择合适的预紧力。
螺栓组联接实验报告螺栓组联接实验报告引言:螺栓组联接是一种常见的机械连接方式,广泛应用于工程结构、机械设备等领域。
本实验旨在通过对螺栓组联接的实验研究,探讨其性能和应用特点,为工程设计和实际应用提供参考依据。
实验目的:1. 研究螺栓组联接的承载能力和稳定性;2. 探究螺栓组联接的材料特性对其性能的影响;3. 分析螺栓组联接的失效原因和预防措施。
实验装置和方法:本实验采用了标准的螺栓组联接装置,包括螺栓、垫圈、螺母等。
实验过程中,我们首先选择了不同材料的螺栓进行测试,包括碳钢螺栓和不锈钢螺栓。
然后,通过施加不同的载荷,观察螺栓组联接的变形情况和承载能力。
最后,我们对实验结果进行了分析和总结。
实验结果:1. 材料特性对螺栓组联接的性能有明显影响。
碳钢螺栓在承载能力方面表现出较高的稳定性,适用于对强度要求较高的场合。
而不锈钢螺栓则具有抗腐蚀性能好的特点,适用于潮湿环境或需要防锈的场合。
2. 载荷的大小和施加方式对螺栓组联接的性能有重要影响。
适当的预紧力可以提高螺栓组联接的稳定性和承载能力,而过大或过小的预紧力都会导致螺栓组联接的失效。
3. 螺栓组联接的失效主要包括松动、断裂和腐蚀等。
松动是最常见的失效形式,可以通过增加预紧力或使用锁紧装置来预防。
断裂则可能与螺栓本身的质量有关,需要选择合适的材料和制造工艺。
腐蚀则需要加强防护措施,选择适合环境的材料或涂层。
讨论与分析:螺栓组联接作为一种常见的机械连接方式,具有许多优点,如可拆卸性、可重复使用性等。
然而,它也存在一些问题,如容易松动、失效风险较高等。
因此,在实际应用中,我们需要综合考虑各种因素,选择合适的螺栓材料、预紧力和防护措施,以确保螺栓组联接的性能和可靠性。
结论:通过本次实验,我们深入了解了螺栓组联接的性能和应用特点。
不同材料的螺栓具有不同的性能优势,可以根据具体需求进行选择。
适当的预紧力和防护措施可以提高螺栓组联接的稳定性和可靠性。
然而,螺栓组联接仍然存在一些问题,需要在实际应用中加以注意和解决。