螺栓组联接实验指导
- 格式:doc
- 大小:654.00 KB
- 文档页数:7
实验二螺栓组联接实验指导书一、实验目的1.测试螺栓组联接在翻转力矩作用下各螺栓所受的载荷;2.深化课程学习中对螺栓组联接受力分析的认识;3.初步掌握电阻应变仪的工作原理和使用方法。
二、实验设备及工具1.CQL-B多功能螺栓组联接综合实验台;2.CQYJ-12静态电阻应变仪一台;3.其它仪器工具:螺丝刀、扳手。
三、实验台结构及工作原理图1 多功能螺栓组联接实验台结构1.机座 2.测试螺栓 3.测试梁 4.托架 5.测试齿块 6.杠杆系统 7.砝码 8.齿板接线柱 9.螺栓1—5接线柱 10.螺栓6—10接线柱 11.垫片多功能螺栓组联接实验台结构如图l所示,被联接件机座1和托架4被双排共10个螺栓2联接,联接面间加入垫片11(硬橡胶板),砝码7的重力通过双级杠杆加载系统6(1:75)增力作用到托架4上,托架受到翻转力矩的作用,螺栓组联接受横向载荷和倾覆力矩联合作用,各个螺栓所受轴向力不同,它们的轴向变形也就不同。
在各个螺栓上贴有电阻应变片,可在螺栓中段测试部位的任一侧贴一片,或在对称的两侧各贴一片,如图2所示。
各个螺栓的受力可通过贴在其上的电阻应变片的变形,用电阻应变仪测得。
实验台主要技术参数:1.联接螺栓中段直径Φ6.5mm,两端螺纹M10,螺栓材料40Gr,其弹性模量E=206GPa;2.加载杠杆比:1:75;3.托架悬臂长L=214mm;4.砝码:共3块(两块1Kg,一块0.5Kg)静态电阻应变仪的工作原理如图3所示,主要由:测量桥、桥压、滤波器、 A /D 转换器、MCU 、键盘、显示屏组成。
测量方法:由DC2.5V 高精度稳定桥压供电,通过高精度放大器,把测量桥桥臂压差(µV 信号)放大,后经过数字滤波器,滤去杂波信号,通过24位A /D 模数转换送入MCU(即CPU)处理,调零点方式采用计算机内部自动调零。
送显示屏显示测量数据,同时配有RS232通讯口,可以与计算机通讯。
εKEU BD4=∇ 式中: BDU∇ ——工作片平衡电压差;E ——电阻应变系数; ε——应变值。
螺栓组联接中螺栓的受力和相对刚性系数一、实验目的1.了解在受倾覆力矩时螺栓组联接中各螺栓的受力情况;2.了解螺栓相对刚度系数即被联接件间垫片材料对螺栓受力的影响;3.了解单个螺栓预紧力的大小对螺栓组中其它各螺栓受力的影响;3.根据实验结果计算出螺栓相对刚性系数,填入实验报告。
4.了解和部分掌握电阻应变片技术、计算机技术在力测量中的应用。
从而验证螺栓组联接受力分析理论和现代测量技术在机械设计中的应用。
二.实验要求:1.实验前预习实验指导书和教科书中有关本实验的相关内容;2.实验中按指导教师要求和实验指导书中实验步骤进行实验,注意观察实验中各螺栓载荷变化情况,并能用螺栓组联接受力分析理论解释其现象;3.根据实验结果计算出螺栓相对刚性系数,填入实验报告。
4.按指导教师要求完成指定思考题。
三、实验设备:1. 螺栓组实验台一台2. 计算机一台3. 10通道A/D转换板(包括放大器)一块4. 调零接线盒一个5. 25线联接电缆一条四、实验原理1. 机械部分:当将砝码加上后通过杠杆增力系统可作用在被联接件上一个力P,该力对被联接件上的作用效果可产生一个力矩,为平衡该力矩,已加上预紧力的螺栓组中各螺栓受力状况会发生变化,且受力情况会因垫片材料不同而不同;螺栓所处位置不同而不同。
测出各螺栓受力变化(如图11-2),即可检验螺栓组受力理论。
螺栓实验台(如图一)本体由①机座、②螺栓(10个)、③被联接件、④1 75的杠杆增力系统、⑤砝码(2—2kg,1—1kg)、⑥垫片六部分组成。
各螺栓的工作拉力F i可根据支架静力平衡条件和变形协调条件求出。
设在M(PL)作用下接触面仍保持为平面,且被联接件④在M作用下有绕O-O线翻转的趋势(如图11-3)。
为平衡该翻转力矩M,各螺栓将承受工作拉力F i;此时,O-O 线上侧的螺栓进一步受拉,螺栓拉力加大;O-O 线下侧的螺栓则被放松,螺栓拉力减小。
由静力平衡条件可知:M PL F L F L F L F L i i ==+++++11221010 (1)式中:F i — 第i 个螺栓所受工作拉力;L i — 第i 个螺栓轴线至O -O 线的距离 ; 根据螺栓变形的协调条件,各螺栓拉伸变形量(工作拉力)与该螺栓距O -O 线的距离成正比,即F L F L F L FL i i 11221010===== (2)由(1)、(2)两式可推出任一螺栓的工作拉力F iF PLL L L L i i=+++1222102(3)根据受轴向载荷紧螺栓联接的受力理论,各螺栓受载荷后的总拉力不仅与预紧力Q pi 、工作拉力F i 有关,而且与螺栓的刚度C b 和被联接件的刚度C m 有关。
螺栓连接实验报告体会实验目的本次实验的目的是研究螺栓连接在不同工况下的力学性能,了解螺栓连接在实际工程中的应用情况。
通过实验结果,分析螺栓连接的可靠性和安全性,为工程设计和实际应用提供参考依据。
实验方法在实验过程中,我们首先准备了不同直径和不同材料的螺栓样品,采用力学实验仪器进行了拉伸和剪切试验。
实验过程中,我们控制加载速度,记录下直径、材料、加载力以及变形情况等数据。
实验结果经过实验,我们得到了一系列的数据,并对数据进行了处理和分析。
通过对实验数据的统计,我们发现不同直径的螺栓在拉伸和剪切试验中,其破坏强度和变形情况存在明显的差异。
同时,我们还发现不同材料的螺栓在相同工况下的力学性能也存在差异,部分材料的螺栓连接更加可靠和安全。
实验体会通过本次实验,我对螺栓连接的力学性能和使用方法有了更深入的理解。
螺栓连接是一种常用的连接方式,在工程设计和实际应用中广泛使用。
通过对不同直径和不同材料的螺栓进行拉伸和剪切试验,我们了解到不同工况下螺栓的破坏强度和变形情况。
同时我们还发现,螺栓连接的可靠性和安全性与螺栓的直径和材料有关。
直径较大的螺栓连接更加牢固,能够承受更大的加载力。
同时,材料的选择也对螺栓连接的可靠性起到重要作用。
不同材料的螺栓在相同工况下的破坏强度和变形情况存在明显差异,部分材料的螺栓连接更加可靠和安全。
在实验过程中,我们还发现螺栓连接的设计和安装也对其性能起到重要影响。
合理的设计和正确的安装方法能够提高螺栓连接的可靠性和安全性。
因此,在工程设计和实际应用中,我们应该根据具体情况选择合适的螺栓直径和材料,并正确设计和安装螺栓连接。
本次实验使我对螺栓连接有了更深入的理解,我认识到螺栓连接在实际工程中的重要性。
合理选择螺栓直径和材料、正确设计和安装螺栓连接,对于保证工程的可靠性和安全性具有重要意义。
同时,我们还应该不断探索和研究螺栓连接的其他性能和影响因素,为工程设计和实际应用提供更多参考和依据。
机械设计实验报告(机械类)洪英刘文吉编学院专业班姓名天津工业大学机电学院机械基础实验中心目录螺栓组联接实验报告........................................................................................ 错误!未指定书签。
带传动实验报告................................................................................................ 错误!未指定书签。
齿轮(蜗杆)传动效率测试实验报告............................................................ 错误!未指定书签。
液体动压滑动轴承实验报告(手工记录数据)............................................ 错误!未指定书签。
轴系结构设计实验报告.................................................................................... 错误!未指定书签。
螺栓组联接实验报告一、实验参数1.螺栓中段直径:;2.各螺栓的垂直间距3.螺栓材料的弹性模量:4.加载杠杆比:5.被联接件悬臂长:;二、实验纪录见附表一三、数据处理1.根据实测结果,计算在翻转力矩作用下螺栓组联接的各螺栓的实测总拉力的大小以及拉力增量∆的大小和受力图。
1)预紧力' •ε预•各螺栓的总拉力•ε•式中:—螺栓材料的弹性模量 []—螺栓测试段的截面积 []ε—第个螺栓在翻转力矩作用下的总拉应变量[με]2)各螺栓的拉力增量∆∆•∆ε•式中:∆ε—在翻转力矩作用下的第个螺栓的拉应变增量。
[注] ∆也可以用∆ ' 来计算,式中的'为第个螺栓的预紧力。
机械设计实验指导书苏志部张雯娟编机械设计制造及其自动化三明学院物理与机电工程学院机械教研室2011年实验一动静态螺栓联接实验一、实验目的(1)掌握静态螺栓的静态载荷与变形的测量分析方法。
(2)掌握动态螺栓的静态载荷与变形的测量分析方法。
(3)掌握螺栓和被联接件的受力和应变的测试分析和理论分析方法。
二、实验原理本实验需配置LDJ-B螺栓联接综合实验台一台,LDJ-B静动态测量仪一台,计算机及专用软件等实验设备及仪器。
图1螺栓联接实验台的结构螺栓联接实验台的结构如图1所示。
联接部分包括M16空心螺栓、大螺母、垫片组成。
空心螺栓贴有测拉力和扭矩的两组应变片,分别测量螺栓在拧紧时,所受预拉力和扭矩。
空心螺栓的内孔中装有M8螺栓,拧紧或松开其上的手柄杆,即可改变空心螺栓的实际受载截面积,以达到改变联接件刚度的目的。
被联件部分由上板、下板和圆环组成,圆环上贴有应变片,测量被联接件受力的大小,中部有锥形孔,插入或拨出锥塞即可改变圆环的受力,以改变被联接件系统的刚度。
实验台采用双顶杆四导杆加载装置,加载平稳,避免过大偏载的产生,测试结果稳定可靠。
加载部分由蜗杆、蜗轮、挺杆和弹簧组成,挺杆上贴有应变片,用以测量所加工作载荷的大小,蜗杆一端有一皮带轮与电机相联,另一端装有手轮,启动电机或转动手轮使挺杆上升或下降,以达到加载、卸载(改变工作载荷)的目的。
1. 力与变形协调关系在螺栓联接中,螺栓受拉力,产生拉伸变形;被联结件受压力,产生压缩变形。
根据螺栓和被联接件预紧力相等,可把二者的力和变形图线画在一个坐标系中,如图3所示。
当螺栓受轴向工作载荷F 作用时,其拉力由预紧力P Q 增加到总拉力Q 。
被联接件的压紧力P Q 减少到剩余预紧力P Q '。
这时,螺栓伸长变形的增量1λ∆,等于被联接件压缩变形的恢复2λ∆,即λλλ∆=∆=∆21,也就是说变形的关系是协调的。
因此图3又称变形协调图。
图3 螺栓联接变形协调图力与变形之比λQ称为刚度。
一、实验目的1. 了解钢网架螺栓球节点的工作原理和结构特点。
2. 通过实验验证螺栓球节点在受力状态下的性能和可靠性。
3. 掌握螺栓球节点连接工艺和检测方法。
二、实验原理钢网架螺栓球节点是一种常用的空间结构节点,由杆件、螺栓球和连接件组成。
在节点中,杆件通过高强螺栓与螺栓球连接,螺栓球起到传递荷载和分散应力的作用。
本实验通过模拟螺栓球节点在实际受力状态下的工作情况,研究其承载能力和变形性能。
三、实验仪器与材料1. 实验仪器:万能试验机、电子测力计、百分表、扳手、扳手力矩计等。
2. 实验材料:Q235B钢材、高强螺栓、螺栓球、连接件等。
四、实验步骤1. 准备实验材料:将杆件、螺栓球、连接件等材料加工成所需尺寸。
2. 组装螺栓球节点:将杆件插入螺栓球,并用高强螺栓进行连接。
3. 安装试验装置:将组装好的螺栓球节点安装在万能试验机上。
4. 进行加载试验:按照实验要求,逐步增加荷载,观察螺栓球节点的变形和破坏情况。
5. 记录实验数据:在加载过程中,记录螺栓球节点的荷载、变形和破坏情况。
6. 分析实验结果:根据实验数据,分析螺栓球节点的承载能力和变形性能。
五、实验结果与分析1. 承载能力:实验结果表明,螺栓球节点具有较高的承载能力。
在达到极限荷载前,节点表现出良好的弹性变形能力,能够有效分散和传递荷载。
2. 变形性能:实验过程中,螺栓球节点表现出良好的变形性能。
在荷载作用下,节点产生一定的弹性变形,但随着荷载的增大,变形量逐渐增大,直至节点破坏。
3. 破坏形式:实验结果表明,螺栓球节点的破坏形式主要有以下几种:a. 螺栓球破坏:当荷载超过螺栓球材料的极限强度时,螺栓球发生断裂。
b. 螺栓破坏:当荷载超过螺栓材料的极限强度时,螺栓发生断裂。
c. 杆件破坏:当荷载超过杆件材料的极限强度时,杆件发生断裂。
六、结论1. 钢网架螺栓球节点具有较高的承载能力和良好的变形性能,能够满足实际工程应用的需求。
2. 在设计和施工过程中,应合理选择螺栓球节点材料、尺寸和连接方式,以确保节点的安全可靠。
LSC-II螺栓组及单螺栓联接综合实验台一、工程应用实例螺纹联接是机器中广泛采用的联接形式,常为可拆联接。
在机械设计中大量使用螺纹联接,例如流体传动中液压缸的法兰盘联接、汽车发动机中汽缸盖与缸体的联接等。
在日常生活中,螺栓组联接也有广泛应用,例如空调的室外机的托架等等。
二、实验问题的提出在螺栓承受变动外载荷时,粗螺栓的疲劳寿命比细长螺栓的寿命短,这是为什么呢?另一方面,在机器设计中可以通过哪些措施来提高螺栓的疲劳寿命,机械设计中介绍了三种措施:(1)提高被联接件的刚度;(2)减小螺栓的刚度;(3)提高螺栓联接的预紧力。
也可以同时采用上述三种措施。
第(1)(2)种措施将导致螺栓联接残余预紧力的减小,这对有密封要求的联接是必须考虑的;第(3)种措施会导致螺栓静强度的减弱。
上述结论正确吗?我们通过本实验来观察、分析螺栓的联接特性。
螺栓联接常成组使用。
在外界转矩或倾翻力矩载荷作用下,每只螺栓上承受的载荷一样吗?各螺栓上承受载荷间有什么关系呢?让我们用实验来研究这一问题。
三、实验目的现代各类机械工程中广泛应用螺栓组机构进行联接。
如何计算和测量螺栓受力情况及静、动态性能参数是工程技术人员面临的一个重要课题。
本实验通过对一螺栓组及单个螺栓的受力分析,要求达到下述目的:(一)螺栓组试验(1)了解托架螺栓组受翻转力矩引起的载荷对各螺栓拉力的分布情况。
(2)根据拉力分布情况确定托架底板旋转轴线的位置。
(3)将实验结果与螺栓组受力分布的理论计算结果相比较。
(二)单个螺栓静载试验了解受预紧轴向载荷螺栓联接中,零件相对刚度的变化对螺栓所受总拉力的影响。
(三)单个螺栓动载荷试验通过改变螺栓联接中零件的相对刚度,观察螺栓中动态应力幅值的变化。
2四、螺栓试验台结构及工作原理(一)螺栓组试验台结构与工作原理螺栓组试验台的结构如:图1所示。
图中1为托架,在实际使用中多为水平放置,为了避免由于自重产生力矩的影响,在本试验台上设计为垂直放置。
螺栓组联接中螺栓的受力和相对刚性系数.螺栓组联接中螺栓的受力和相对刚性系数一、实验目的1.了解在受倾覆力矩时螺栓组联接中各螺栓的受力情况;2.了解螺栓相对刚度系数即被联接件间垫片材料对螺栓受力的影响;3.了解单个螺栓预紧力的大小对螺栓组中其它各螺栓受力的影响;3.根据实验结果计算出螺栓相对刚性系数,填入实验报告。
4.了解和部分掌握电阻应变片技术、计算机技术在力测量中的应用。
从而验证螺栓组联接受力分析理论和现代测量技术在机械设计中的应用。
二.实验要求:1.实验前预习实验指导书和教科书中有关本实验的相关内容;2.实验中按指导教师要求和实验指导书中实验步骤进行实验,注意观察实验中各螺栓载荷并能用螺栓组联接受力分析理论解释变化情况,其现象;3.根据实验结果计算出螺栓相对刚性系数,填入实验报告。
4.按指导教师要求完成指定思考题。
三、实验设备:1. 台验实组栓螺一台机算计2.一台通道A/D转换板(包括放大器)10 3.一块 4. 盒线接零调一个 5. 缆电接联线25一条四、实验原理1. 机械部分:当将砝码加上后通过杠杆增力系统可作用在该力对被联接件上的作用P 被联接件上一个力,已加上预为平衡该力矩,效果可产生一个力矩,紧力的螺栓组中各螺栓受力状况会发生变化,且受力情况会因垫片材料不同而不同;螺栓所处位置不同而不同。
测出各螺栓受力变化(如图11-2),即可检验螺栓组受力理论。
螺栓实验台(如图一)本体由①机座、②螺栓(10个)、③被联接件、④1 75的杠杆增力系统、⑤砝码(2—2kg,1—1kg)、⑥垫片六部分组成。
各螺栓的工作拉力可根据支架静力平衡条F i 件和变形协调条件求出。
设在M(PL)作用下接触面仍保持为平面,且被联接件④在M作用下有绕O-O线翻转的趋势(如图11-3)。
为平衡该翻转力矩M,各螺栓将承受工作拉力;此时,F i O-O 线上侧的螺栓进一步受拉,螺栓拉力加大;O-O 线下侧的螺栓则被放松,螺栓拉力减小。
高强螺栓试验作业指导书标题:高强螺栓试验作业指导书引言概述:高强螺栓是一种重要的连接元件,广泛应用于桥梁、建造、机械设备等领域。
为确保高强螺栓的质量和可靠性,进行试验是必不可少的环节。
本文将介绍高强螺栓试验的作业指导书,匡助工程师和技术人员正确进行试验操作。
一、试验前准备1.1 确认试验标准:在进行高强螺栓试验前,首先要确认试验所需的标准,包括试验方法、试验条件等。
1.2 检查试验设备:检查试验设备是否完好,包括拉伸试验机、螺栓夹具等,确保设备能够正常运行。
1.3 准备试验样品:准备足够数量的高强螺栓样品,根据试验标准要求进行标记和分类。
二、试验操作步骤2.1 安装试验样品:将高强螺栓样品安装在拉伸试验机上,确保样品与夹具之间的接触良好,避免浮现松动或者错位。
2.2 设定试验参数:根据试验标准要求,设定试验机的拉伸速度、试验温度等参数,确保试验过程符合标准要求。
2.3 进行试验操作:启动拉伸试验机,进行拉伸试验操作,记录试验过程中的数据,包括载荷-位移曲线、断裂载荷等。
三、试验结果分析3.1 分析试验数据:根据试验结果,分析高强螺栓的拉伸性能,包括抗拉强度、屈服强度、延伸率等指标。
3.2 比较试验结果:将试验结果与试验标准进行比较,评估高强螺栓的质量是否符合标准要求。
3.3 提出改进建议:根据试验结果分析,提出改进建议,匡助生产厂家改进生产工艺,提高高强螺栓的质量和可靠性。
四、试验安全注意事项4.1 操作规范:在进行高强螺栓试验时,操作人员应严格按照操作规程进行操作,避免因操作不当导致事故发生。
4.2 设备检查:定期对试验设备进行检查和维护,确保设备的安全性和稳定性。
4.3 废弃物处理:对试验过程中产生的废弃物进行正确处理,避免对环境造成污染。
五、试验报告编写5.1 报告内容:编写高强螺栓试验报告,包括试验目的、试验方法、试验结果、分析结论等内容。
5.2 报告格式:按照标准格式编写试验报告,确保报告内容清晰、准确。
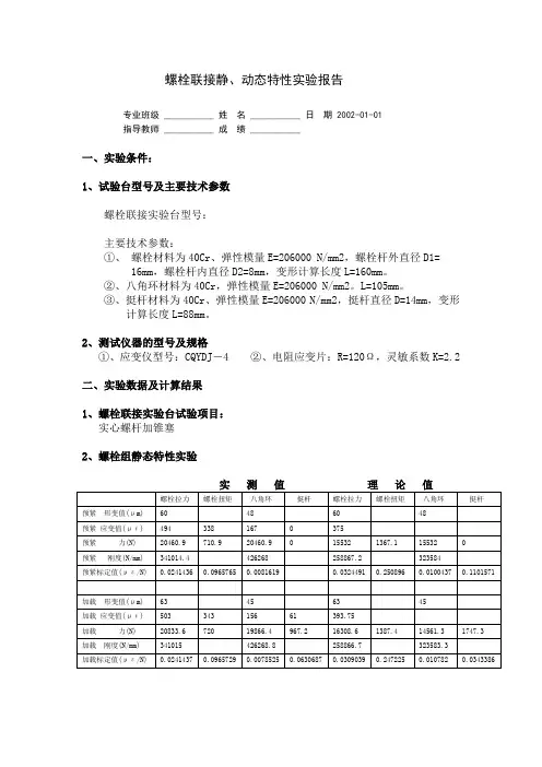
螺栓联接静、动态特性实验报告
专业班级 ___________ 姓名 ___________ 日期 2002-01-01
指导教师 ___________ 成绩 ___________
一、实验条件:
1、试验台型号及主要技术参数
螺栓联接实验台型号:
主要技术参数:
①、螺栓材料为40Cr、弹性模量E=206000 N/mm2,螺栓杆外直径D1=
16mm,螺栓杆内直径D2=8mm,变形计算长度L=160mm。
②、八角环材料为40Cr,弹性模量E=206000 N/mm2。
L=105mm。
③、挺杆材料为40Cr、弹性模量E=206000 N/mm2,挺杆直径D=14mm,变形
计算长度L=88mm。
2、测试仪器的型号及规格
①、应变仪型号:CQYDJ-4 ②、电阻应变片:R=120Ω,灵敏系数K=2.2
二、实验数据及计算结果
1、螺栓联接实验台试验项目:
实心螺杆加锥塞
2、螺栓组静态特性实验
3、螺栓联接静、动特性应力分布曲线图 (实心螺杆加锥塞)
三、实验结果分析。
螺栓组联接中螺栓的受力和相对刚性系数————————————————————————————————作者:————————————————————————————————日期:螺栓组联接中螺栓的受力和相对刚性系数一、实验目的1.了解在受倾覆力矩时螺栓组联接中各螺栓的受力情况;2.了解螺栓相对刚度系数即被联接件间垫片材料对螺栓受力的影响;3.了解单个螺栓预紧力的大小对螺栓组中其它各螺栓受力的影响;3.根据实验结果计算出螺栓相对刚性系数,填入实验报告。
4.了解和部分掌握电阻应变片技术、计算机技术在力测量中的应用。
从而验证螺栓组联接受力分析理论和现代测量技术在机械设计中的应用。
二.实验要求:1.实验前预习实验指导书和教科书中有关本实验的相关内容;2.实验中按指导教师要求和实验指导书中实验步骤进行实验,注意观察实验中各螺栓载荷变化情况,并能用螺栓组联接受力分析理论解释其现象;3.根据实验结果计算出螺栓相对刚性系数,填入实验报告。
4.按指导教师要求完成指定思考题。
三、实验设备:1. 螺栓组实验台一台2. 计算机一台3.10通道A/D转换板(包括放大器)一块4.调零接线盒一个5. 25线联接电缆一条四、实验原理1. 机械部分:当将砝码加上后通过杠杆增力系统可作用在被联接件上一个力P,该力对被联接件上的作用效果可产生一个力矩,为平衡该力矩,已加上预紧力的螺栓组中各螺栓受力状况会发生变化,且受力情况会因垫片材料不同而不同;螺栓所处位置不同而不同。
测出各螺栓受力变化(如图11-2),即可检验螺栓组受力理论。
螺栓实验台(如图一)本体由①机座、②螺栓(10个)、③被联接件、④1 75的杠杆增力系统、⑤砝码(2—2kg,1—1kg)、⑥垫片六部分组成。
各螺栓的工作拉力F i可根据支架静力平衡条件和变形协调条件求出。
设在M(PL)作用下接触面仍保持为平面,且被联接件④在M作用下有绕O-O线翻转的趋势(如图11-3)。
为平衡该翻转力矩M,各螺栓将承受工作拉力F i;此时,O-O 线上侧的螺栓进一步受拉,螺栓拉力加大;O-O线下侧的螺栓则被放松,螺栓拉力减小。
高强螺栓试验作业指导书引言概述高强螺栓是一种常用于工程结构中的连接件,其质量直接影响到工程结构的安全性和稳定性。
为了保证高强螺栓的质量和性能,进行试验是必不可少的环节。
本文将针对高强螺栓试验作业进行详细的指导,匡助工程人员正确进行高强螺栓试验,确保工程结构的安全性。
一、试验前准备1.1 确定试验标准:在进行高强螺栓试验前,首先要确定试验所遵循的标准,通常包括国家标准、行业标准或者客户要求的标准。
不同标准对试验方法、试验条件等方面有所不同,因此要根据具体情况选择适合的标准。
1.2 准备试验设备:进行高强螺栓试验需要相应的试验设备,包括拉伸试验机、扭转试验机等。
在进行试验前,要检查试验设备的状态是否正常,确保设备的准确性和稳定性。
1.3 准备试验样品:选择符合标准要求的高强螺栓作为试验样品,确保样品的质量和性能符合试验要求。
在进行试验前,要对试验样品进行检查,确保样品表面无损伤或者缺陷。
二、试验操作步骤2.1 安装试验样品:将试验样品安装到试验设备上,根据试验标准要求选择合适的夹具或者夹具,确保试验样品的安装稳固。
2.2 进行试验:根据试验标准的要求设置试验参数,如试验速度、试验载荷等。
开始进行试验,并实时监测试验过程中的数据变化,确保试验的准确性和可靠性。
2.3 记录试验结果:在试验过程中要及时记录试验数据,包括试验载荷、试验变形等数据。
试验结束后,对试验结果进行分析和总结,形成试验报告。
三、试验结果分析3.1 评估试验结果:根据试验结果对高强螺栓的性能进行评估,包括拉伸强度、扭转强度等指标。
通过对试验结果的分析,可以判断高强螺栓的质量和性能是否符合标准要求。
3.2 发现问题并改进:如果试验结果不符合标准要求,需要及时发现问题并进行改进。
可以通过调整试验参数、更换试验设备等方式,提高高强螺栓的试验质量。
3.3 提出建议:根据试验结果分析,提出针对性的建议,匡助改进高强螺栓的生产工艺和质量控制,确保高强螺栓的安全性和可靠性。
螺栓组联接中螺栓的受力和相对刚性系数一、实验目的1.了解在受倾覆力矩时螺栓组联接中各螺栓的受力情况;2.了解螺栓相对刚度系数即被联接件间垫片材料对螺栓受力的影响;3.了解单个螺栓预紧力的大小对螺栓组中其它各螺栓受力的影响;3.根据实验结果计算出螺栓相对刚性系数,填入实验报告。
4.了解和部分掌握电阻应变片技术、计算机技术在力测量中的应用。
从而验证螺栓组联接受力分析理论和现代测量技术在机械设计中的应用。
二.实验要求:1.实验前预习实验指导书和教科书中有关本实验的相关内容;2.实验中按指导教师要求和实验指导书中实验步骤进行实验,注意观察实验中各螺栓载荷变化情况,并能用螺栓组联接受力分析理论解释其现象;3.根据实验结果计算出螺栓相对刚性系数,填入实验报告。
4.按指导教师要求完成指定思考题。
三、实验设备:1. 螺栓组实验台一台2. 计算机一台3. 10通道A/D转换板(包括放大器)一块4. 调零接线盒一个5. 25线联接电缆一条四、实验原理1. 机械部分:当将砝码加上后通过杠杆增力系统可作用在被联接件上一个力P,该力对被联接件上的作用效果可产生一个力矩,为平衡该力矩,已加上预紧力的螺栓组中各螺栓受力状况会发生变化,且受力情况会因垫片材料不同而不同;螺栓所处位置不同而不同。
测出各螺栓受力变化(如图11-2),即可检验螺栓组受力理论。
螺栓实验台(如图一)本体由①机座、②螺栓(10个)、③被联接件、④1 75的杠杆增力系统、⑤砝码(2—2kg,1—1kg)、⑥垫片六部分组成。
各螺栓的工作拉力F i可根据支架静力平衡条件和变形协调条件求出。
设在M(PL)作用下接触面仍保持为平面,且被联接件④在M 作用下有绕O-O线翻转的趋势(如图11-3)。
为平衡该翻转力矩M,各螺栓将承受工作拉力F i;此时,O-O 线上侧的螺栓进一步受拉,螺试部分综合调整好后,分别在螺栓试件上加上不同力值的载荷,用计算机采回相应的数字量,再经过计算,确定出每个螺栓的刚度值。
螺栓组实验报告实验目的:了解螺栓组的结构和工作原理,掌握螺栓组扭力和松动力矩的测试方法。
实验原理:螺栓组是由螺栓、垫圈和螺母组成的连接装置,用于固定两个或多个部件。
螺栓的主要作用是通过对螺纹的摩擦力传递力和固定松动的力矩。
螺栓组的结构和工作原理对于机械装置的安全性和可靠性至关重要。
螺栓组的测试方法主要包括扭力和松动力矩的测试。
扭力是指施加到螺栓上的力矩,其目的是确保螺栓组的紧固程度符合设计要求。
松动力矩是指螺栓组在正常工作条件下松动的力矩,也是判断螺栓组使用寿命和可靠性的重要指标。
实验设备:扭力扳手、力矩测试仪、螺纹堆垫片、同心度仪等。
实验步骤:1. 准备实验设备和样品,确保样品的表面光洁且无损伤。
2. 安装螺栓组样品,并按照预定扭矩进行紧固。
在扭动螺栓时要保证方向正确,避免过紧或过松。
3. 使用扭力扳手对螺栓组施加预定扭矩,记录下扭矩值。
4. 使用力矩测试仪对螺栓组施加预定力矩,并记录下松动力矩值。
5. 重复多次实验,取平均值并计算标准差,以确保实验结果的准确性。
实验结果:通过实验,我们得到了螺栓组的扭力和松动力矩数值。
根据实验数据,我们可以分析螺栓组的性能,并对其进行评估。
如果实验结果与设计要求相符,则说明螺栓组的紧固程度和可靠性良好。
如实验结果明显偏离设计要求,则需要评估螺栓组的质量和可能存在的问题,并采取相应的措施,如更换螺栓、调整扭矩等。
实验结论:螺栓组扭力和松动力矩的测试是评估螺栓组性能和可靠性的重要方法。
通过实验,我们了解到扭力对于保证螺栓组的紧固程度至关重要,而松动力矩是评估螺栓组使用寿命和可靠性的重要指标。
实验结果对于设计和制造具有螺栓组的机械装置具有重要的参考价值,可以提高装置的安全性和可靠性。
实验中可能存在的误差主要来自于实验设备的精度和操作者的技术水平。
为了减小误差,我们应选择精度更高的实验设备,并进行多次重复实验,取平均值计算结果。
此外,操作者应严格按照操作规程进行实验操作,以确保数据的准确性。
受翻转力矩作用的螺栓组连接实验技术总结报告书团队名称:团队成员:指导老师:2014年6月14日摘要螺栓连接是设备安装中最普遍的一种连接方式,螺栓连接是否符合设计要求,对整个设备的运行可靠性和安全性有很大的影响。
本论文主要研究验证螺栓组连接受力分析理论,测定受翻转力矩的螺栓组连接中螺栓的受力分析,确定翻转轴线位置。
为了保证螺栓连接的可靠性,除了螺栓螺母本身的质量要求外,装配时螺栓预紧力的控制也起到关键性的作用。
给螺栓连接施加合适的预紧力可以增强连接的刚性、紧密性、防松能力,避免螺栓在受横向载荷时的窜动。
预紧力偏低在连接中不能起到紧固的作用,若预紧力太大则会使螺栓产生塑性变形而失去弹性,一样失去紧固的作用。
本论文另外一个内容是确定螺栓预紧的最佳顺序,利用实验研究找出最佳预紧顺序。
利用有限元分析软件ANSYS建立了螺栓连接的有限元模型,采用了预紧力单元法,分析了不同载荷条件下螺栓结构的轴向变形图和轴向应力图,并将有限元分析结果与理论分析进行对比,以验证螺栓组连接受力情况,为分析复杂结构中螺栓连接结构的简化提供了理论依据。
关键词: 螺栓连接预紧力有限元分析目录1. 绪论 (1)1.1 背景意义 (1)1.2 现状分析 (1)2. 主要工作内容 (4)2.1 理论分析 (4)2.1.1 求系统自重G0 (4)2.1.2 螺栓的应力应变公式 (7)2.1.3 不失效的条件 (8)2.2 编程计算 (9)2.3 有限元分析 (11)2.3.1 导入创建几何体 (11)2.3.2 添加材料信息 (12)2.3.3 设置接触关系 (12)2.3.4 划分网格 (13)2.3.5 施加载荷与约束 (14)2.3.6 求解 (15)2.4 实验过程 (15)2.4.1 实验目的 (15)2.4.2实验方法及步骤 (15)2.4.3 主要技术参数 (16)2.4.4 实验设备及工具 (16)2.4.5 实验数据及分析 (16)3. 实验台的不足之处及改进措施 (23)4. 成果 (204)5. 心得体会 (24)致谢 (25)参考文献 (25)附录 (26)1.绪论1.1背景意义螺栓连接是将两个以上的钢结构零部件或构件用螺栓连接成为一体的连接方法,是构件安装和结构安装中最简便的连接方式。
机械设计基础螺栓连接性能测试实验指导书螺栓连接性能测试实验指导书——(2)螺栓组连接受力与相对刚度实验一、实验目的1、验证螺栓组连接受力分析理论;2、了解用电阻应变仪测定机器机构中应力的一般方法。
二、实验设备和工作原理螺栓组连接实验台由螺栓连接、加载装置及测试仪器三部分组成。
如图1所示螺栓组连接是由十个均布排列为二行的螺栓将支架11和机座12连接起来而构成。
加载装置是由具有1:100放大比的两极杠杆13和14组成,砝码力G经过杠杆放大而作用在支架上的载荷为P,因此,连接接触面将受有横向载荷P和翻转力矩M。
(N·㎜)(N)式中l—力臂(㎜)由于P和M的作用,在螺栓中引起的受力是通过贴在每个螺栓上的电阻应变片15的变形并借助电阻应变仪而测得。
电阻应变仪是通过载波电桥将机械量转换成电量实现测量的。
如图2所示,将贴在螺栓上的电阻应变片1作为电桥一个桥臂,温度补偿应变片2为另一个桥臂。
螺栓不受力时,使电桥呈现平衡状态。
当螺栓受力发生变形后,应变片电阻值发生变化,电桥失去平衡,输出一个电压讯号,经放大、检波等环节,便可在应变仪上直接读出应变值来。
经过适当的计算就可以得到各螺栓的受力大小。
图1螺栓连接实验台结构简图1,2,……10—实验螺栓;11—支架;12—机座;13—第一杠杆;14—第二杠杆;15—电阻应变片;16—砝码(相关尺寸:l=200㎜;a=160㎜;b=105㎜;c=55㎜;G=22N)图2电桥工作原理图本实验是针对不允许连接接合面分开的情况。
螺栓预紧时,连接在预紧力作用下,接合面间产生挤压应力。
当受载后,支架在翻转力矩M作用下,有绕其对称轴线0-0翻转趋势,使连接右部挤压应力减小,左部挤压应力增加。
为保证连接最右端处不出现间隙,应满足以下条件:(1)式中Qp—单个螺栓预紧力(N);Z—螺栓个数Z=10;A—接合面面积A=a(b-c)(㎜2)M—翻转力矩M=PlW—接合面抗弯剖面模量(㎜3)化简(1)式得为保证一定安全性,取螺栓预紧力为(2)螺栓工作拉力可根据支架静力平衡条件求得,由平衡条件有:M=Pl=F1r1+F2r2+…+Fzrz(3)式中F1、F2…Fz—各螺栓所受工作力r1、r2…rz—各螺栓中心到翻转轴线的距离根据螺栓变形协调条件有:(4)由式(3)和式(4)可得任一位置螺栓工作拉力(5)在翻转轴线0-0右边,Fi使螺栓被拉紧,轴向拉力增大,而在0-0线左边的螺栓被放松,预紧力减小。
螺栓联接实验指导书机电学院机械基础实验室2011.9螺栓联接实验指导书一.实验目的1.掌握测试受轴向工作载荷的紧螺栓联接的受力和变形曲线(即变形协调图)。
2.掌握求联接件(螺栓)刚度C 1、被联接件刚度C 2、相对刚度C 1/C 1+C 2。
3.了解试验预紧力和相对刚度对应力幅的影响,以考察对螺栓疲劳的影响。
二.实验设备图4—1为LB-87型螺栓联接实验机结构组成示意图,手轮1相当于螺母,与螺栓杆2相连。
套筒3相当于被联接件,拧紧手轮1就可将联接副预紧,并且联接件受拉力作用,被联接件受压力作用。
在螺栓杆和套筒上均贴有电阻应变片,用电阻应变仪测量它们的应变来求受力和变形量。
测力环4是用来间接的指示轴向工作载荷的。
拧紧加载手轮(螺母)6使拉杆5产生轴向拉力,经过测力环4将轴向力作用到螺杆上。
测力环上的百分表读数正比于轴向载荷的大小。
1.LB-87型螺栓联接实验机的主要实验参数如下:1).螺栓材料为45号钢,弹性模量E 1=2.06×105N/mm 2,螺栓杆直径d=10mm ,有效变形计算长度L 1=130mm 。
2).套筒材料为45号钢,弹性模量E 2=2.06×105N/mm 2,两件套筒外径分别为D=31和32,内径为D 1=27.5mm ,有效变形计算长度L 2=130mm.。
2.仪器1)YJ-26型数字电阻应变仪。
2)YJ-18型数字电阻应变仪。
3)PR10-18型预调平衡箱。
ΔFDn λb λmλ λm ’ θnλFθ0D0 Q pFQ p Q 图4-3 力-变形协调图 图4-2 LBX-84型实验机结构图1-加载手轮 2-拉杆 3-测力计百分表 4-测力环 5-套筒6- 电阻应变片 7-螺栓 8-背紧手轮 9-予紧手轮三.实验原理1.力与变形协调关系在螺栓联接中,当联接副受轴向载荷后,螺栓受拉力,产生拉伸变形;被联接件受压力,产生压缩变形,根据螺栓(联接件)和被联接件预紧力相等,可把二者的力和变形图线画在一个坐标系中,如4-3所示。
实验二螺栓组联接实验指导书
一、实验目的
1.测试螺栓组联接在翻转力矩作用下各螺栓所受的载荷;
2.深化课程学习中对螺栓组联接受力分析的认识;
3.初步掌握电阻应变仪的工作原理和使用方法。
二、实验设备及工具
1.CQL-B多功能螺栓组联接综合实验台;
2.CQYJ-12静态电阻应变仪一台;
3.其它仪器工具:螺丝刀、扳手。
三、实验台结构及工作原理
图1 多功能螺栓组联接实验台结构
1.机座 2.测试螺栓 3.测试梁 4.托架 5.测试齿块 6.杠杆系统 7.砝码 8.齿板接线柱 9.螺栓1—5接线柱 10.螺栓6—10接线柱 11.垫片
多功能螺栓组联接实验台结构如图l所示,被联接件机座1和托架4被双排共10个螺栓2联接,联接面间加入垫片11(硬橡胶板),砝码7的重力通过双级杠杆加载系统6(1:75)增力作用到托架4上,托架受到翻转力矩的作用,螺栓组联接受横向载荷和倾覆力矩联合作用,各个螺栓所受轴向力不同,它们的轴向变形也就不同。
在各个螺栓上贴有电阻应变片,可在螺栓中段测试部位的任一侧贴一片,或在对称的两侧各贴一片,如图2所示。
各个螺栓的受力可通过贴在其上的电阻应变片的变形,用电阻应变仪测得。
实验台主要技术参数:
1.联接螺栓中段直径Φ6.5mm,两端螺纹M10,螺栓材料40Gr,其弹性模量E=206GPa;
2.加载杠杆比:1:75;
3.托架悬臂长L=214mm;
4.砝码:共3块(两块1Kg,一块0.5Kg)
静态电阻应变仪的工作原理如图3所示,主要由:测量桥、桥压、滤波器、 A /D 转换器、MCU 、键盘、显示屏组成。
测量方法:由DC2.5V 高精度稳定桥压供电,通过高精度放大器,把测量桥桥臂压差(µV 信号)放大,后经过数字滤波器,滤去杂波信号,通过24位A /D 模数转换送入MCU(即CPU)处理,调零点方式采用计算机内部自动调零。
送显示屏显示测量数据,同时配有RS232通讯口,可以与计算机通讯。
εK
E
U BD
4=∇ 式中: BD
U
∇ ——工作片平衡电压差;
E ——电阻应变系数; ε——应变值。
当工作电阻片由于螺栓受力变形,长度变化L ∇时,其电阻也要变化
R ∇ ,并且R
R
∇正比于 L
L
∇ , R ∇使测量桥失去平衡。
通过应变仪测
量出BD
U
∇的变化,测量出螺栓的应变量。
电阻应变仪的工作原理如图3所示,
主要有测量桥、读数桥、毫安表等。
工作电阻应变片和补偿电阻应变片分别接入电阻应变仪测量桥的一个臂,当工作电阻片由于螺栓受力变形,长度变化l ∇ 时,其电阻值也要变化R ∇ ,并且R R
∇ ,正比于l
l
∇ ;R ∇使测量桥失
去平衡,使毫安表恢复零点,读出读数桥的调节量,及为被测螺栓的应变量。
多功能螺栓组联接实验台的托架4上还安装有一测试齿块5,它是用来做齿根应力测试实验的;机座1上还固定有一测试梁3(等强度悬臂梁),它是用来做梁的应力测试实验的。
测试齿块5与测试梁2与本实验无关,在做本实验前应将测试齿块5固定螺钉拧松。
四、实验方法、内容与步骤
1.实验方法:
(1)仪器联线
用导线从实验台的接线柱上把各螺栓的应变片引出端及补偿片的联线联接到电阻应变仪上。
采用半桥测量的方法:如每个螺栓上只贴一个应变片,其联线如图4所示;如每个螺栓上对称两侧各贴两个应变片,其联线如图5所示。
后者可消除螺栓偏心受力的影响。
(2)螺栓初预紧
抬起杠杆加载系统,使加载系统的自重加到螺栓组联接件上。
先将图2中所示的左端各螺母I 用手(不能用扳手)尽力拧紧,然后在把右端的各螺母也用手尽力拧紧。
(如果在实验前螺栓已经受力,则应将其拧松后再做初预紧。
) (3)应变测量点预调平衡
以各螺栓初预紧后的状态为初始状态,先将杠杆加载系统安装好,使加载砝码的重力通过杠杆放大,加到托架上;然后再进行各螺栓应变测量的“调零”(预调平衡),即把应变仪上各测量点的应变量都调到“零”读数。
预调平衡砝码加载前,应松开测试齿块(即使载荷直接加在托架上,测试齿块不受力);加载后,加载杠杆一般呈向向右倾斜状态。
(4)螺栓预紧
实现预调平衡之后,再用扳手拧各螺栓右端螺母Ⅱ来加预紧力。
为防止预紧时螺栓测试端受到扭矩作用产生扭转变形,在螺栓的右端设有一段“U ”形断面,它嵌入托架接合面处的矩形槽中,以平衡拧紧力矩。
在预紧过程中,为防止各螺栓预紧变形的相互影响,各螺栓应先后交叉并重复预紧(可按1、10、5、6、7、 4、2、9、8、3依次进行),使各螺栓均预紧到相同的设定应变量(即应变仪显示值为280—320LLs)。
为此,要反复调整预紧3-4次或更多。
在预紧过程中,用应变仪来监测。
螺栓预紧后,加载杠杆一般会呈右端上翘状态。
(5)加载实验
完成螺栓预紧后,在杠杆加载系统上依次增加砝码,实现逐步加载。
加载后,记录各螺栓的应变值(据此计算各螺栓的总拉力)。
注意:加载后,任一螺栓的总应变值(预紧应变+工作应变)不应超过允许的最大应变值(μεε800max
≤),以
免螺栓超载损坏。
2.实验内容:
(1)、测量在倾覆力矩作用下各螺栓的应变量;
(2)、测量并计算倾覆力矩作用下各螺栓所承受的工作载荷; 3.实验步骤:
(1) 检查各螺栓处于卸载状态;
(2) 将各螺栓的电阻应变片接到应变仪预调箱上;
(3) 在不加载的情况下,先用手拧紧螺栓组左端各螺母,再用手拧紧右端螺母,实现螺栓初预紧。
(4) 在加载的情况下,把应变仪上各个测量点的应变量都调到“零”,实现预调平衡;
(5) 用扳手交叉并重复拧紧螺栓组右端各螺母,使各螺栓均预紧到相同的设定预应变量ε
0 (应变仪显示值为
280~320με);
(6) 依次增加砝码,实现逐步加载到2.5KG ,记录各螺栓的应变值ε
i ;
(7) 测试完毕,逐步卸载,并去除预紧;
(8) 整理数据,绘制螺栓位置与应变关系图,计算各螺栓的工作载荷,填写实验报告。
五、实验数据处理与分析 1.螺栓组联接实测工作载荷图
根据实测记录的各螺栓的应变量,计算各螺栓所受的总拉力F 2i ; A E F i i
ε=2
式中:E ——弹性模(GPa )量; E =206 GPa
A ——螺栓测试段的截面积(m 2
);
ε
i ——第
i 个螺栓在倾覆力矩作用下的拉伸变量。
根据F 2i 绘制出螺栓组联接实测工作载荷图 2.螺栓组联接理论计算受力图
当加载工作时,螺栓组将承受横向力Q 和倾覆力矩M 的作用,即:
075G G Q += N
QL M = N.m
式中:G ——加载砝码的重力(N )
G 0——杠杆系统自重折算的载荷(700N ) L ——力臂长(214mm )
在倾覆力矩作用下各螺栓所受的工作载荷F i : max
max
1
L L F L
M
F i z i i
i ==∑=
∑==
z
i i
L ML F 1
2
max max
式中:Z ——螺栓个数;
F max ——螺栓中的最大工作载荷; L i ——螺栓轴线到底板翻转轴线的距离。
六、注意事项
加载力不得超过500kg , 否则传感器将损坏。
二、螺栓组联接实验报告
班级:学号:姓名:成绩:
组号:本组人数:时间:2013年 10月 10日
一、实验目的
二、实验仪器及工具
三、实验原理(简述)
四、实验步骤:
五、理论计算各螺栓所受总拉力F i:
螺栓序号 1 2 3 4 5 6 7 8 9 10 工作载荷F i
六、实验测试数据:
螺栓序号 1 2 3 4 5 6 7 8 9 10 预应变ε0
加载应变εi
应变增量△ε
螺栓总拉力F2i
螺
栓
应
变
与
位
置
图
六、思考题:
1、螺栓组联接理论计算与实测的工作载荷间存在误差的原因是什么?
2、实验台上的螺栓组联接可能的失效形式有哪些?。