螺栓联接静、动态特性实验报告
- 格式:doc
- 大小:53.50 KB
- 文档页数:2
实验一螺栓连接实验Ⅰ、单个螺栓连接实验一、实验目的现代各类机械中,广泛应用螺栓进行联接,如何计算和测量螺栓受力情况及静、动态特性参数,是工程技术人员的一个重要课题。
本实验通过对螺栓的受力进行测试和分析,要求达到下述目的。
1、了解螺栓联接在拧紧过程中各部分的受力情况。
2、计算螺栓相对刚度,并绘制螺栓联接的受力变形图。
3、验证受轴向工作载荷时,预紧螺栓联接的变形规律,及对螺栓总拉力的影响。
4、通过螺栓的动载实验,改变螺栓联接的相对刚度,观察螺栓动应力幅值的变化,以验证提高螺栓联接强度的各项措施。
二、实验项目LZS螺栓联接综合实验台可进行下列实验项目:1、(空心)螺栓联接静、动态实验。
(空心螺栓+ 刚性垫片+ 无锥塞)2、改变螺栓刚度的联接静、动态实验。
(空心螺栓、实心螺栓)3 、改变垫片刚度的静、动态实验。
(刚性垫片、弹性垫片)4、改变被连接件刚度的静、动态实验。
(有锥塞、无锥塞)三、实验设备及仪器该实验需LZS螺栓联接综合实验台一台,CQYDJ一4静动态测量仪一台,计算机及专用软件等实验设备及仪器。
1、螺栓联接实验台的结构与工作原理。
如图1-1所示。
(1)螺栓部分包括M16空心螺栓、大螺母、组合垫片和M8小螺杆组成。
空心螺栓贴有测拉力和扭矩的两组应变片,分别测量螺栓在拧紧时,所受预紧拉力和扭矩。
空心螺栓的内孔中装有M8小螺杆,拧紧或松开其上的手柄杆,即可改变空心螺栓的实际受载面积,以达到改变联接件刚度的目的。
组合垫片设汁成刚性和弹性两用的结构,用以改变被联接件系统的刚度。
(2)被联接件部分由上板、下板和八角环、锥塞组成,八角环上贴有应变片,测量被连接件受力的大小,中部有锥形孔,插入或拨出锥塞即可改变八角环的受力,以改变被连接件系统的刚度(3)加载部分由蜗杆、蜗轮、挺杆和弹簧组成,挺杆上贴有应变片,用以测最所加工作载荷的人小,蜗杆一端与电机相联,另一端装有手轮,启动电机或转动手轮使挺杆上升或下降,以达到加载、卸载(改变工作载荷)的目的。
实验二螺栓组联接性能测试实验报告实验名称日期班级姓名学号成绩一、实验目的1.掌握螺栓与被联接件的受力-变形规律,并绘制相关曲线;2.作出螺栓组载荷分布图及应力变化规律分布曲线;3.了解应变测试原理。
二、实验条件1、实验台型号多功能螺栓组联结综合实验台2、测试仪器型号及规格(1)静态应变仪CQYJ-12(2)应变片:R=120欧。
灵敏系数2.2(3)加载负荷: N三、实验内容1.螺栓受力分析及计算;2.螺栓应变计算;3.残余预紧力计算;4.利用实测数据描绘螺栓受力—变形图;5.螺栓组受倾覆力矩时应力变化。
四、实验步骤1.松开联接螺栓,在控制面板上调节ε1-ε调节电位器,使电桥平衡(输出基本为零,或保持5根螺栓的初始值接近)。
2.用扳手给每根螺栓预紧,预紧应变值为120με-200με左右,可在控制面板上读取。
3.按列表中的负载值逐次加载,并记录1—5号螺栓的应变值。
4.计算相关参数并绘制图线。
5.若使用计算机处理,则打开相应界面,每一次加载后,点击界面上的“测试”键后,记录数据。
6.根据实验数据写实验报告。
五、螺栓组静态特性实验数据螺栓号 1 2 3 4 5 6 7 8 9 10预调零应变(με)0 0 0 0 0 0 0 0 0 0预紧应变(με)300298302298300298298301299298第一次测试(με)449378300223152447381302224150第二次测试(με)447376303224151452380295226152第三次测试(με)454375295221151445381294225152平均值(με)450376299223151448381297225151负荷应变(με)15078-3-75-14915083-4-74-147应力/1000 92700775256166345869311759228878417611824635031175预紧拉力F1(N)2050203620632036205020362036205720432036实验拉力F2(N)3075257120451521103430612601202915371034负荷拉力△F(N)1025535-18-515-10161025565-27-506-1002六、螺栓组联结受力图螺栓号1、2、3、4、5 6、7、8、9、10实验曲线理论曲线七、思考题1、螺栓组连接理论计算与实测的工作载荷间存在误差的原因有哪些?原因是因为实验中用的螺栓它是工业产品,它只能保证测试过程当中一个范围范围内不会受到破坏,所测量得到的数据就是一系列离散的数据。
实验一螺栓连接实验Ⅰ、单个螺栓连接实验一、实验目的现代各类机械中,广泛应用螺栓进行联接,如何计算和测量螺栓受力情况及静、动态特性参数,是工程技术人员的一个重要课题。
本实验通过对螺栓的受力进行测试和分析,要求达到下述目的。
1、了解螺栓联接在拧紧过程中各部分的受力情况。
2、计算螺栓相对刚度,并绘制螺栓联接的受力变形图。
3、验证受轴向工作载荷时,预紧螺栓联接的变形规律,及对螺栓总拉力的影响。
4、通过螺栓的动载实验,改变螺栓联接的相对刚度,观察螺栓动应力幅值的变化,以验证提高螺栓联接强度的各项措施。
二、实验项目LZS螺栓联接综合实验台可进行下列实验项目:1、(空心)螺栓联接静、动态实验。
(空心螺栓+ 刚性垫片+ 无锥塞)2、改变螺栓刚度的联接静、动态实验。
(空心螺栓、实心螺栓)3 、改变垫片刚度的静、动态实验。
(刚性垫片、弹性垫片)4、改变被连接件刚度的静、动态实验。
(有锥塞、无锥塞)三、实验设备及仪器该实验需LZS螺栓联接综合实验台一台,CQYDJ一4静动态测量仪一台,计算机及专用软件等实验设备及仪器。
1、螺栓联接实验台的结构与工作原理。
如图1-1所示。
(1)螺栓部分包括M16空心螺栓、大螺母、组合垫片和M8小螺杆组成。
空心螺栓贴有测拉力和扭矩的两组应变片,分别测量螺栓在拧紧时,所受预紧拉力和扭矩。
空心螺栓的内孔中装有M8小螺杆,拧紧或松开其上的手柄杆,即可改变空心螺栓的实际受载面积,以达到改变联接件刚度的目的。
组合垫片设汁成刚性和弹性两用的结构,用以改变被联接件系统的刚度。
(2)被联接件部分由上板、下板和八角环、锥塞组成,八角环上贴有应变片,测量被连接件受力的大小,中部有锥形孔,插入或拨出锥塞即可改变八角环的受力,以改变被连接件系统的刚度(3)加载部分由蜗杆、蜗轮、挺杆和弹簧组成,挺杆上贴有应变片,用以测最所加工作载荷的人小,蜗杆一端与电机相联,另一端装有手轮,启动电机或转动手轮使挺杆上升或下降,以达到加载、卸载(改变工作载荷)的目的。
螺栓连接实验报告体会实验目的本次实验的目的是研究螺栓连接在不同工况下的力学性能,了解螺栓连接在实际工程中的应用情况。
通过实验结果,分析螺栓连接的可靠性和安全性,为工程设计和实际应用提供参考依据。
实验方法在实验过程中,我们首先准备了不同直径和不同材料的螺栓样品,采用力学实验仪器进行了拉伸和剪切试验。
实验过程中,我们控制加载速度,记录下直径、材料、加载力以及变形情况等数据。
实验结果经过实验,我们得到了一系列的数据,并对数据进行了处理和分析。
通过对实验数据的统计,我们发现不同直径的螺栓在拉伸和剪切试验中,其破坏强度和变形情况存在明显的差异。
同时,我们还发现不同材料的螺栓在相同工况下的力学性能也存在差异,部分材料的螺栓连接更加可靠和安全。
实验体会通过本次实验,我对螺栓连接的力学性能和使用方法有了更深入的理解。
螺栓连接是一种常用的连接方式,在工程设计和实际应用中广泛使用。
通过对不同直径和不同材料的螺栓进行拉伸和剪切试验,我们了解到不同工况下螺栓的破坏强度和变形情况。
同时我们还发现,螺栓连接的可靠性和安全性与螺栓的直径和材料有关。
直径较大的螺栓连接更加牢固,能够承受更大的加载力。
同时,材料的选择也对螺栓连接的可靠性起到重要作用。
不同材料的螺栓在相同工况下的破坏强度和变形情况存在明显差异,部分材料的螺栓连接更加可靠和安全。
在实验过程中,我们还发现螺栓连接的设计和安装也对其性能起到重要影响。
合理的设计和正确的安装方法能够提高螺栓连接的可靠性和安全性。
因此,在工程设计和实际应用中,我们应该根据具体情况选择合适的螺栓直径和材料,并正确设计和安装螺栓连接。
本次实验使我对螺栓连接有了更深入的理解,我认识到螺栓连接在实际工程中的重要性。
合理选择螺栓直径和材料、正确设计和安装螺栓连接,对于保证工程的可靠性和安全性具有重要意义。
同时,我们还应该不断探索和研究螺栓连接的其他性能和影响因素,为工程设计和实际应用提供更多参考和依据。
实验一、螺栓联接综合实验一、实验目的现在各类机械中,广泛应用螺栓进行联接,如何计算和测量螺栓受力情况及静、动态特性参数,是工程技术人员的一个重要课题。
本实验通过对螺栓的受力进行测试和分析要求达到下述目的。
1、了解螺栓联接在拧紧过程中各部分的受力情况。
2、计算螺栓相对刚度,并绘制螺栓联接的受力变形图。
3、验证受轴向工作载荷时,预紧螺栓联接的变形规律,及对螺栓总拉力的影响。
4、通过螺栓的动载实验,改变螺栓联接的相对刚度,观察螺栓动应力幅值的变化,以验证提高螺栓联接强度的各项措施。
二、实验内容1、基本螺栓联接静动态实验。
2、增加螺栓刚度的静动态实验。
3、增加被连接件刚度的静动态实验。
4、改用弹性垫片的静动态实验。
三、实验设备及仪器该实验配有LZS螺栓联接综合实验台一台,LSD-A静动态测量仪一台,计算机及专用软件等实验设备及仪器。
1、螺栓联接实验台的结构与工作原理。
如图1所示。
1)联接部分包括M16空心螺栓、大螺母、垫片组组成。
空心螺栓贴有测拉力和扭矩的两组应变片,分别测量螺栓在拧紧时,所受预紧拉力和扭矩。
空心螺栓的内孔中装有M8螺栓,拧紧或松开其上的手柄杆,即可改变空心螺栓的实际受载截面积,以达到改变联接件刚度的目的。
垫片组由刚性和弹性两种垫片组成。
2)被联接件部分由上板、下板和八角环组成,八角环上贴有应变片,测量被联接件受力的大小,中部有锥形孔,插入或拨出锥塞即可改变八角环的受力,以改变被联接件系统的刚度。
3)加载部分由蜗杆、蜗轮、挺杆和弹簧组成,挺杆上贴有应变片,用以测量所加工作载荷的大小,蜗杆一端与电机相联,另一端装有手轮,启动电机或转动手轮使挺杆上升或下降,以达到加载、卸载(改变工作载荷)的目的。
2、LSD-A型静动态测量仪的工作原理及各测点应变片的组桥方式。
实验台各被测件的应变量用LSD-A型静动态测量仪测量,通过标定或计算即可换算出各部分的大小。
该仪器的工作原理方框图请参看LSD-A型静动态测量仪使用说明书。
实验一 受轴向载荷螺栓联接的静态特性螺栓联接是广泛应用于各种机械设备中的一种重要联接形式,受预紧力和轴向工作载荷的螺栓联接中,螺栓受到的总拉力F 0除了与预紧力F '和工作载荷F 有关外,还受到螺栓刚度C 1和被联接件刚度C 2等因素的影响。
图1-1为螺栓和被联接件的受力与变形示意图。
(a)螺母未拧紧 (b)螺母已拧紧 (c)螺栓承受工作载荷图1-1 螺栓和被联接件受力、变形情况图1-1(a)所示为螺栓刚好拧到与被联接件相接触的的状态,此时螺栓和被联接件均未受力,因此无变形发生。
图1-1(b)所示为螺母已拧紧,但联接未受工作载荷的状态,此时螺栓受预紧力F '的拉伸作用,其伸长量为1δ;而被联接件则在力F '的作用下被压缩,其压缩量为2δ。
图1-1(c)所示为联接承受工作载荷F 时的情况,此时螺栓所受的拉力由F '增大至F 0(螺栓的总拉力),螺栓的伸长量由1δ增大至11δδ∆+;与此同时,被联接件则因螺栓伸长而被放松,其压缩变形减少了2δ∆,减小到2δ''(222δδδ∆-='',2δ''为剩余变形量);被联接件的压力由F '减少至F ''(剩余预紧力)。
根据联结的变形协调条件,压缩变形的减少量2δ∆应等于螺栓拉伸变形的增加量1δ∆,即21δδ∆=∆。
一、 实验目的本实验通过计算和测量螺栓受力情况及静动态特性参数达到以下目的: 1. 了解螺栓联接在拧紧过程中各部分的受力情况; 2. 计算螺栓相对刚度并绘制螺栓连接的受力变形图;3. 验证受轴向工作载荷时,预紧螺栓联接的变形规律,及对螺栓总拉力的影响;4. 通过螺栓的动载实验,改变螺栓联接的相对刚度,观察螺栓动应力幅值的变化,以验证提高螺栓联接强度的各项措施。
二、 实验设备及工作原理1. 单螺栓连接实验台(如图1-2所示)图1-2 单螺栓连接实验台结构1-电机 2-箱体 3-螺栓扭矩测点 4-八角环 5-螺栓拉力 6-上板 7-千分表(被联接件) 8-千分表(螺栓) 9-螺栓、螺母、垫片10-八角环压力测点 11-锥塞 12-挺杆 13-挺杆压力测点 14-下板 15-实心扳手 16-手轮测点 千分表(被联接件)千分表(螺栓) 螺栓、螺母、垫片八角环压力测点 锥塞 挺杆 挺杆压力测点 下板 实心扳手手轮上板 螺栓拉力八角环 螺栓扭矩测点箱体电机图1-2螺栓联接综合实验台1、电动机、2、蜗杆、3、凸轮、4、蜗轮、5、下板、6、扭力插座、7、锥塞、8、拉力插座、9、弹簧、10、空心螺杆、11、千分表、12、螺母、13、刚性垫片(弹性垫片)、14、八角环压力插座、15、八角环、16、挺杆压力插座、17、M8螺杆、18、挺杆、19、手轮1) 联接部分包括M16空心螺栓、大螺母和垫片组成。
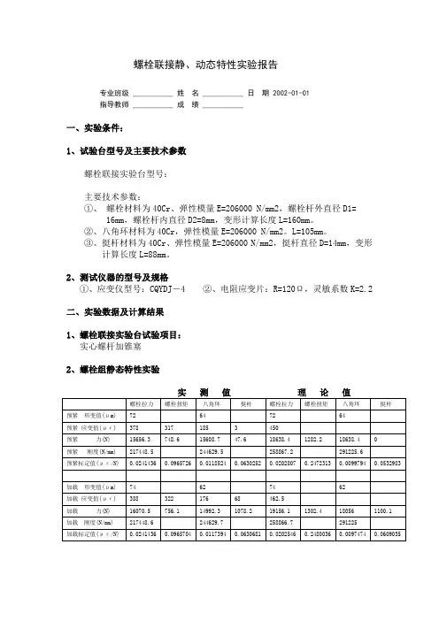
螺栓联接静、动态特性实验报告
专业班级 ___________ 姓名 ___________ 日期 2002-01-01
指导教师 ___________ 成绩 ___________
一、实验条件:
1、试验台型号及主要技术参数
螺栓联接实验台型号:
主要技术参数:
①、螺栓材料为40Cr、弹性模量E=206000 N/mm2,螺栓杆外直径D1=
16mm,螺栓杆内直径D2=8mm,变形计算长度L=160mm。
②、八角环材料为40Cr,弹性模量E=206000 N/mm2。
L=105mm。
③、挺杆材料为40Cr、弹性模量E=206000 N/mm2,挺杆直径D=14mm,变形
计算长度L=88mm。
2、测试仪器的型号及规格
①、应变仪型号:CQYDJ-4 ②、电阻应变片:R=120Ω,灵敏系数K=2.2
二、实验数据及计算结果
1、螺栓联接实验台试验项目:
实心螺杆加锥塞
2、螺栓组静态特性实验
3、螺栓联接静、动特性应力分布曲线图 (实心螺杆加锥塞)
三、实验结果分析。
实验二螺栓联接综合实验一、实验目的现代各类机械中,广泛应用螺栓进行联接,如何计算和测量螺栓受力情况及静、动态特性参数,是工程技术人员的一个重要课题。
本实验通过对螺栓的受力进行测试和分析要求达到下述目的。
1、了解螺栓联接在拧紧过程中各部分的受力情况。
2、计算螺栓相对刚度,并绘制螺栓联接的受力变形图。
3、验证受轴向工作载荷时,预紧螺栓联接的变形规律,及对螺栓总拉力的影响。
4、通过螺栓的动载实验,改变螺栓联接的相对刚度,观察螺栓动应力幅值的变化,以验证提高螺栓联接强度的各项措施。
二、实验项目LZS螺栓联接综合实验台可进行下列实验项目:1、(空心)螺栓联接静、动态实验。
(空心螺栓+刚性垫片+无锥塞)2、改变螺栓刚度的联接静、动态实验。
(空心螺栓、实心螺栓)3、改变垫片刚度的静、动态实验。
(刚性垫片、弹性垫片)4、改变被连接件刚度的静、动态实验。
(有锥塞、无锥塞)三、实验设备及仪器该实验需LZS螺栓联接综合实验台一台,CQYDJ-4静动态测量仪一台,计算机及专用软件等实验设备及仪器。
1、螺栓联接实验台的结构与工作原理。
如图1所示。
1)螺栓部分包括M16空心螺栓、大螺母、组合垫片和M8小螺杆组成。
空心螺栓贴有测拉力和扭矩的两组应变片,分别测量螺栓在拧紧时,所受预紧拉力和扭矩。
空心螺栓的内孔中装有M8小螺杆,拧紧或松开其上的手柄杆,即可改变空心螺栓的实际受载截面积,以达到改变联接件刚度的目的。
组合垫片设计成刚性和弹性两用的结构,用以改变被联接件系统的刚度。
2)被联接件部分由上板、下板和八角环、锥塞组成,八角环上贴有一组应变片,测量被联接件受力的大小,中部有锥形孔,插入或拨出锥塞即可改变八角环的受力,以改变被联接件系统的刚度。
3)加载部分由蜗杆、蜗轮、挺杆和弹簧组成,挺杆上贴有应变片,用以测量所加工作载荷的大小,蜗杆一端与电机相联,另一端装有手轮,启动电机或转动手轮使挺杆上升或下降,以达到加载、卸载(改变工作载荷)的目的。
实验二 LZS螺栓联接综合实验静动态实验一、实验目的:(一)了解螺栓联接在拧紧过程中各部分的受力情况。
(二)计算螺栓相对刚度,并绘制螺栓联接的受力变形图。
(三)验证受轴向工作载荷时预紧螺栓联接的变形规律。
(四)通过螺栓的动载实验,改变螺栓联接相对刚度,观察螺栓动应力幅值的变化,以验证提高螺栓联接强度的各项措施。
二、实验设备及仪器:LZS螺栓联接综合实验台6台,CQYDJ-4静动态测量仪6台,计算机及专用软件等实验设备及仪器6台图1(一)螺栓链接实验台的结构域工作原理(如图2)1.螺栓部分包括M16空心螺栓、大螺母、组合垫片和M8小螺杆组成。
空心螺栓贴有测拉力和扭转的两组应变片。
组合垫片设计成刚性和弹性两用的结构,用以改变被连接件系统的刚度。
2.被连接件组成有:上板、下板和八角环、锥塞。
八角环上贴有一组应变片,测量被连接件受力大小。
3.加载部分由蜗杆、涡轮、挺杆和弹簧组成,挺杆上上贴有应变片,用以测量所加工作载荷的大小,启动电机或转动手轮使挺杆上升或下降改变载荷大小。
(二)CQYDJ-4静动态测量仪的面板按键功能说明:1.校时键:按键后对本仪器时间进行校正。
2.K值键:按该键后进入应变片灵敏系数修改状态。
修改后保存下次生效。
3.设置键:暂无操作功能。
4.保存键:暂无操作功能。
5.背光键:按该键后背光熄灭,再按背光亮。
6.静测键:按该键进入静态电阻应变测量状态。
7.动测键:按该键进入静态电阻应变测量状态。
8.校零键: 按该键进入通道自动校零。
9.C E 键:按该键清除错误输入或退出该功能操作。
10.联机键:静态应变数据采集分析系统(计算机)联机、退出手动测量操作。
11.确定键:按该键确定该功能操作。
12.▲▼键:上下项目选择移动13.0- 9键:为数字键后面板说明:根据顺序链接四个通道,准备好实验采集仪。
三、实验方法及步骤(一)螺栓联接静态实验方法及步骤1.打开测量仪电源开关,启动计算机,进入软件画面,单击“静态螺栓实验”,进入静态螺栓实验主界面。
螺栓联接静、动态特性综合实验报告专业班级 ___________ 姓名 ___________ 成绩 ___________一、实验条件:1、试验台型号及主要技术参数螺栓联接实验台型号:主要技术参数:①、螺栓材料为40Cr、弹性模量E=206000 N/mm2,螺栓杆外直径D1=16mm,螺栓杆内直径D2=8mm,变形计算长度L=160mm。
②、八角环材料为40Cr,弹性模量E=206000 N/mm2。
L=105mm。
③、挺杆材料为40Cr、弹性模量E=206000 N/mm2,挺杆直径D=14mm,变形计算长度L=88mm。
2、测试仪器的型号及规格①、应变仪型号:CQYDJ-4 ②、电阻应变片:R=120Ω,灵敏系数K=2.2二、实验数据及计算结果1、螺栓联接实验台试验项目:空心螺杆(1) 螺栓组静态特性实验实测值理论值螺栓拉力螺栓扭矩八角环挺杆螺栓拉力螺栓扭矩八角环挺杆预紧形变值(μm) 40 135 40 135预紧应变值(με) 211 94 277 -2 250预紧力(N) 6554.5 112.5 6586.2 -31.7 7766 285.2 7766 0预紧刚度(N/mm) 163863 48552 194150.4 57526.1预紧标定值(με/N) 0.0321916 0.1287577 0.0420576 0.0630915 0.0272984 0.3260869 0.035797 0加载形变值(μm) 44 125 44 125加载应变值(με) 231 100 253 50 275加载力(N) 7175.8 117.3 6383 792.8 8542.6 303.4 7190.7 1351.9加载刚度(N/mm) 163862.5 48551.9 194150 57525.9加载标定值(με/N) 0.0321915 0.1287787 0.0396365 0.0630676 0.027275 0.3263019 0.0351843 0.0369849(2)螺栓联接静、动特性应力分布曲线图 (空心螺杆)2、螺栓联接实验台试验项目:空心螺杆加锥塞(1)螺栓组静态特性实验实测值理论值螺栓拉力螺栓扭矩八角环挺杆螺栓拉力螺栓扭矩八角环挺杆预紧形变值(μm) 40 30 40 30预紧应变值(με) 198 93 52 0 250预紧力(N) 6150.7 115.4 6150.7 0 7766 282.1 7766 0预紧刚度(N/mm) 153767.1 205022.8 194150.4 258867.2预紧标定值(με/N) 0.0321915 0.1287766 0.0084543 0.0256245 0.3261254 0.0066958 0加载形变值(μm) 41 25 41 25加载应变值(με) 206 93 41 56 256.25加载力(N) 6399.2 112.3 5511.3 887.9 7960.2 282.1 6471.7 1488.4加载刚度(N/mm) 153767.5 205023.3 194150 258866.7加载标定值(με/N) 0.0321915 0.1287908 0.0074393 0.0630702 0.0258787 0.3332151 0.0064897 0.0376242(2)螺栓联接静、动特性应力分布曲线图 (空心螺杆加锥塞)三、实验结果分析与体会。
实验一螺栓联接综合实验一、实验目的1、了解螺栓联接在拧紧过程中各部分的受力情况。
2、计算螺栓相对刚度,并绘制螺栓联接的受力变形图。
3、验证受轴向工作载荷时,预紧螺栓联接的变形规律,及对螺栓总拉力的影响。
4、通过螺栓的动载实验,改变螺栓联接的相对刚度,观察螺栓变应力幅值的变化,以验证提高螺栓联接强度的各项措施。
二、实验项目1、基本螺栓联接静动态实验。
2、增加螺栓刚度的静动态实验。
3、增加被连接件刚度的静动态实验。
三、实验设备及仪器LZS螺栓联接综合实验台一台;LSD-A静动态测量仪一台;计算机及专用软件等实验设备及仪器。
1.螺栓联接实验台的结构与工作原理如图3-1所示。
1)联接部分包括M16空心螺栓、大螺母、垫片组组成。
空心螺栓贴有测拉力和扭矩的两组应变片,分别测量螺栓在拧紧时,所受预紧拉力和扭矩。
空心螺栓的内孔中装有M8螺栓,拧紧或松开其上的手柄杆,即可改变空心螺栓的实际受载截面积,以达到改变联接件刚度的目的。
垫片组由刚性和弹性两种垫片组成。
2)被联接件部分由上板、下板和八角环组成,八角环上贴有应变片,测量被联接件受力的大小,中部有锥形孔,插入或拨出锥塞即可改变八角环的受力,以改变被联接件系统的刚度。
3)加载部分由蜗杆、蜗轮、挺杆和弹簧组成,挺杆上贴有应变片,用以测量所加工作载荷的大小,蜗杆一端与电机相联,另一端装有手轮,启动电机或转动手轮使挺杆上升或下降,以达到加载、卸载(改变工作载荷)的目的。
1.静动态测量仪的工作原理及各测点应变片的组桥方式实验台各被测件的应变量用LSD-A型静动态测量仪测量,通过标定或计算即可换算出各部分的大小。
静动态测量仪是利用金属材料的特性,将非电量的变化转换成电量变化的测量仪,应变测量的转换元件——应变片是用金属箔片印刷腐蚀而成,用粘剂将应变片牢固的贴在被测物件上,当被测件受到外力作用长度发生变化时,粘贴在被测件上的应变片也相应变化,应变片的电阻值也随着发生了ΔR的变化,这样就把机械量转换成电量(电阻值)的变化。
螺栓联接实验指导书机电学院机械基础实验室2011.9螺栓联接实验指导书一.实验目的1.掌握测试受轴向工作载荷的紧螺栓联接的受力和变形曲线(即变形协调图)。
2.掌握求联接件(螺栓)刚度C 1、被联接件刚度C 2、相对刚度C 1/C 1+C 2。
3.了解试验预紧力和相对刚度对应力幅的影响,以考察对螺栓疲劳的影响。
二.实验设备图4—1为LB-87型螺栓联接实验机结构组成示意图,手轮1相当于螺母,与螺栓杆2相连。
套筒3相当于被联接件,拧紧手轮1就可将联接副预紧,并且联接件受拉力作用,被联接件受压力作用。
在螺栓杆和套筒上均贴有电阻应变片,用电阻应变仪测量它们的应变来求受力和变形量。
测力环4是用来间接的指示轴向工作载荷的。
拧紧加载手轮(螺母)6使拉杆5产生轴向拉力,经过测力环4将轴向力作用到螺杆上。
测力环上的百分表读数正比于轴向载荷的大小。
1.LB-87型螺栓联接实验机的主要实验参数如下:1).螺栓材料为45号钢,弹性模量E 1=2.06×105N/mm 2,螺栓杆直径d=10mm ,有效变形计算长度L 1=130mm 。
2).套筒材料为45号钢,弹性模量E 2=2.06×105N/mm 2,两件套筒外径分别为D=31和32,内径为D 1=27.5mm ,有效变形计算长度L 2=130mm.。
2.仪器1)YJ-26型数字电阻应变仪。
2)YJ-18型数字电阻应变仪。
3)PR10-18型预调平衡箱。
ΔFDn λb λmλ λm ’ θnλFθ0D0 Q pFQ p Q 图4-3 力-变形协调图 图4-2 LBX-84型实验机结构图1-加载手轮 2-拉杆 3-测力计百分表 4-测力环 5-套筒6- 电阻应变片 7-螺栓 8-背紧手轮 9-予紧手轮三.实验原理1.力与变形协调关系在螺栓联接中,当联接副受轴向载荷后,螺栓受拉力,产生拉伸变形;被联接件受压力,产生压缩变形,根据螺栓(联接件)和被联接件预紧力相等,可把二者的力和变形图线画在一个坐标系中,如4-3所示。
实验一、螺栓联接综合实验一、实验目的现在各类机械中,广泛应用螺栓进行联接,如何计算和测量螺栓受力情况及静、动态特性参数,是工程技术人员的一个重要课题。
本实验通过对螺栓的受力进行测试和分析要求达到下述目的。
1、了解螺栓联接在拧紧过程中各部分的受力情况。
2、计算螺栓相对刚度,并绘制螺栓联接的受力变形图。
3、验证受轴向工作载荷时,预紧螺栓联接的变形规律,及对螺栓总拉力的影响。
4、通过螺栓的动载实验,改变螺栓联接的相对刚度,观察螺栓动应力幅值的变化,以验证提高螺栓联接强度的各项措施。
二、实验内容1、基本螺栓联接静动态实验。
2、增加螺栓刚度的静动态实验。
3、增加被连接件刚度的静动态实验。
4、改用弹性垫片的静动态实验。
三、实验设备及仪器该实验配有LZS螺栓联接综合实验台一台,LSD-A静动态测量仪一台,计算机及专用软件等实验设备及仪器。
1、螺栓联接实验台的结构与工作原理。
如图1所示。
1)联接部分包括M16空心螺栓、大螺母、垫片组组成。
空心螺栓贴有测拉力和扭矩的两组应变片,分别测量螺栓在拧紧时,所受预紧拉力和扭矩。
空心螺栓的内孔中装有M8螺栓,拧紧或松开其上的手柄杆,即可改变空心螺栓的实际受载截面积,以达到改变联接件刚度的目的。
垫片组由刚性和弹性两种垫片组成。
2)被联接件部分由上板、下板和八角环组成,八角环上贴有应变片,测量被联接件受力的大小,中部有锥形孔,插入或拨出锥塞即可改变八角环的受力,以改变被联接件系统的刚度。
3)加载部分由蜗杆、蜗轮、挺杆和弹簧组成,挺杆上贴有应变片,用以测量所加工作载荷的大小,蜗杆一端与电机相联,另一端装有手轮,启动电机或转动手轮使挺杆上升或下降,以达到加载、卸载(改变工作载荷)的目的。
2、LSD-A型静动态测量仪的工作原理及各测点应变片的组桥方式。
实验台各被测件的应变量用LSD-A型静动态测量仪测量,通过标定或计算即可换算出各部分的大小。
该仪器的工作原理方框图请参看LSD-A型静动态测量仪使用说明书。
螺栓连接实验报告螺栓连接实验报告引言:螺栓连接是一种常见的机械连接方式,广泛应用于各个领域。
本次实验旨在研究螺栓连接的性能和可靠性,通过实验数据的收集和分析,探讨螺栓连接的力学特性以及对连接性能的影响因素。
实验设备和方法:实验设备包括螺栓、螺母、垫圈、扳手、力传感器、试验台等。
实验方法是通过施加力矩来拧紧螺栓,然后测量和记录连接的拉伸力和扭矩。
实验过程:首先,选择适当的螺栓和螺母进行连接。
然后,使用扳手施加力矩,逐渐拧紧螺栓。
在拧紧的过程中,使用力传感器测量并记录连接的拉伸力和扭矩。
每次拧紧后,检查连接是否牢固,以确保实验数据的准确性。
实验结果分析:通过对实验数据的分析,我们可以得出以下结论:1. 拧紧力矩与连接拉伸力成正比:随着拧紧力矩的增加,连接的拉伸力也增加。
这是因为螺栓连接的原理是通过螺纹的摩擦力将两个部件紧密连接在一起,而摩擦力与力矩成正比。
2. 螺栓预紧力对连接性能的影响:螺栓连接的可靠性与预紧力密切相关。
适当的预紧力可以保证连接的稳定性和可靠性,而过大或过小的预紧力都会导致连接失效。
3. 垫圈的作用:垫圈在螺栓连接中起到分散压力和缓冲振动的作用。
合理选择垫圈的材料和尺寸可以提高连接的可靠性。
4. 螺栓连接的松动与疲劳:长期使用后,螺栓连接可能会出现松动现象。
这是因为连接部件受到振动和外力的作用,导致螺纹间隙扩大。
定期检查和维护螺栓连接可以避免松动和疲劳。
实验结论:螺栓连接是一种常见且可靠的机械连接方式。
通过适当的拧紧力矩和预紧力,选择合适的垫圈材料和尺寸,可以保证连接的稳定性和可靠性。
然而,螺栓连接也需要定期检查和维护,以避免松动和疲劳现象的发生。
结语:本次实验通过对螺栓连接的研究,深入了解了螺栓连接的力学特性和影响因素。
螺栓连接作为一种常见的机械连接方式,在工程和制造领域具有广泛的应用前景。
通过进一步的研究和实验,可以进一步优化螺栓连接的设计和应用,提高连接的可靠性和性能。
螺栓联接静、动态特性综合实验报告专业班级 ___________ 姓名 ___________ 成绩 ___________一、实验条件:1、试验台型号及主要技术参数螺栓联接实验台型号:主要技术参数:①、螺栓材料为40Cr、弹性模量E=206000 N/mm2,螺栓杆外直径D1=16mm,螺栓杆内直径D2=8mm,变形计算长度L=160mm。
②、八角环材料为40Cr,弹性模量E=206000 N/mm2。
L=105mm。
③、挺杆材料为40Cr、弹性模量E=206000 N/mm2,挺杆直径D=14mm,变形计算长度L=88mm。
2、测试仪器的型号及规格①、应变仪型号:CQYDJ-4 ②、电阻应变片:R=120Ω,灵敏系数K=2.2二、实验数据及计算结果1、螺栓联接实验台试验项目:空心螺杆(1) 螺栓组静态特性实验实测值理论值螺栓拉力螺栓扭矩八角环挺杆螺栓拉力螺栓扭矩八角环挺杆预紧形变值(μm) 40 135 40 135预紧应变值(με) 211 94 277 -2 250预紧力(N) 6554.5 112.5 6586.2 -31.7 7766 285.2 7766 0预紧刚度(N/mm) 163863 48552 194150.4 57526.1预紧标定值(με/N) 0.0321916 0.1287577 0.0420576 0.0630915 0.0272984 0.3260869 0.035797 0加载形变值(μm) 44 125 44 125加载应变值(με) 231 100 253 50 275加载力(N) 7175.8 117.3 6383 792.8 8542.6 303.4 7190.7 1351.9加载刚度(N/mm) 163862.5 48551.9 194150 57525.9加载标定值(με/N) 0.0321915 0.1287787 0.0396365 0.0630676 0.027275 0.3263019 0.0351843 0.0369849(2)螺栓联接静、动特性应力分布曲线图 (空心螺杆)2、螺栓联接实验台试验项目:空心螺杆加锥塞(1)螺栓组静态特性实验实测值理论值螺栓拉力螺栓扭矩八角环挺杆螺栓拉力螺栓扭矩八角环挺杆预紧形变值(μm) 40 30 40 30预紧应变值(με) 198 93 52 0 250预紧力(N) 6150.7 115.4 6150.7 0 7766 282.1 7766 0预紧刚度(N/mm) 153767.1 205022.8 194150.4 258867.2预紧标定值(με/N) 0.0321915 0.1287766 0.0084543 0.0256245 0.3261254 0.0066958 0加载形变值(μm) 41 25 41 25加载应变值(με) 206 93 41 56 256.25加载力(N) 6399.2 112.3 5511.3 887.9 7960.2 282.1 6471.7 1488.4加载刚度(N/mm) 153767.5 205023.3 194150 258866.7加载标定值(με/N) 0.0321915 0.1287908 0.0074393 0.0630702 0.0258787 0.3332151 0.0064897 0.0376242(2)螺栓联接静、动特性应力分布曲线图 (空心螺杆加锥塞)三、实验结果分析与体会。
实验一 受轴向载荷螺栓联接的静态特性螺栓联接是广泛应用于各种机械设备中的一种重要联接形式,受预紧力和轴向工作载荷的螺栓联接中,最常见的应用实例是气缸盖与气缸体的联接,如图1-1所示。
螺栓受到的总拉力F 0除了与预紧力F '和工作载荷F 有关外,还受到螺栓刚度C 1和C 2被联接件刚度等因素的影响。
图6-2为一螺栓和被联接件的受力与变形示意图。
图1-1 气缸盖与气缸体的联接 图1-2 螺栓和被联接件受力、变形情况(a)螺母未拧紧 (b)螺母已拧紧 (c)螺栓承受工作载荷 图1-2(a)所示为螺栓刚好拧好到与被联接件相接触的的状态,此时螺栓和被联接件均未受力,因此无变形发生。
图1-2(b)所示为螺母已拧紧,但联接未受工作载荷的状态,此时螺栓受预紧力F '的拉伸作用,其伸长量为1δ;而被联接件则在力F '的作用下被压缩,其压缩量为2δ。
图1-2(c)所示为联接承受工作载荷F 时的情况,此时螺栓所受的拉力由F '增大至F 0(螺栓的总拉力),螺栓的伸长量由1δ增大至11δδ∆+;与此同时,被联接件则因螺栓伸长而被放松,其压缩变形减少了2δ∆,减小到2δ''(222δδδ∆-='',2δ''为剩余变形量);被联接件的压力由F '减少至F ''(剩余预紧力)。
根据联结的变形协调条件,压缩变形的减少量2δ∆应等于螺栓拉伸变形的增加量1δ∆,即21δδ∆=∆。
一、 实验目的本实验通过计算和测量螺栓受力情况及静动态特性参数达到以下目的: 1. 了解螺栓联接在拧紧过程中各部分的受力情况; 2. 计算螺栓相对刚度并绘制螺栓连接的受力变形图;3. 验证受轴向工作载荷时,预紧螺栓联接的变形规律,及对螺栓总拉力的影响;4. 通过螺栓的动载实验,改变螺栓联接的相对刚度,观察螺栓动应力幅值的变化,以验证提高螺栓联接强度的各项措施。
螺栓联接静、动态特性实验报告
专业班级 ___________ 姓名 ___________ 日期 2011-09-28
指导教师 ___________ 成绩 ___________
一、实验条件:
1、试验台型号及主要技术参数
螺栓联接实验台型号:
主要技术参数:
①、螺栓材料为40Cr、弹性模量E=206000 N/mm2,螺栓杆外直径D1=
16mm,螺栓杆内直径D2=8mm,变形计算长度L=160mm。
②、八角环材料为40Cr,弹性模量E=206000 N/mm2。
L=105mm。
③、挺杆材料为40Cr、弹性模量E=206000 N/mm2,挺杆直径D=14mm,变形
计算长度L=88mm。
2、测试仪器的型号及规格
①、应变仪型号:CQYDJ-4 ②、电阻应变片:R=120Ω,灵敏系数K=2.2
二、实验数据及计算结果
1、螺栓联接实验台试验项目:
空心螺杆
2、螺栓组静态特性实验
实测值理论值
螺栓拉力螺栓扭矩八角环挺杆螺栓拉力螺栓扭矩八角环挺杆预紧形变值(μm) 33 109 33 109
预紧应变值(με) 136 235 154 7 206.25
预紧力(N) 4224.7 578 4113.7 111 6407 712.9 6407 0
预紧刚度(N/mm) 128021.6 38758.8 194150.4 58779.5
预紧标定值(με/N) 0.0321916 0.1287668 0.0374359 0.0630631 0.0212267 0.3282367 0.0240362 0
加载形变值(μm) 42 93 42 93
加载应变值(με) 158 272 119 54 262.5
加载力(N) 4908.1 668.1 4051.9 856.2 8154.4 825.1 5466.5 2687.9 加载刚度(N/mm) 128021.2 38758.7 194151.5 58779.8
加载标定值(με/N) 0.0321917 0.1287650 0.0293689 0.0630694 0.0192534 0.329657 0.0217689 0.02009
3、螺栓联接静、动特性应力分布曲线图 (空心螺杆)
三、实验结果分析。