钢结构地脚螺栓预埋技术交底
- 格式:docx
- 大小:38.76 KB
- 文档页数:6
钢结构预埋地脚螺栓技术交底.docx 钢结构预埋地脚螺栓技术交底
1. 引言
本文档旨在对钢结构预埋地脚螺栓的技术要求和施工流程进行
详细交底,以确保施工过程安全、高效。
2. 技术要求
2.1 螺栓选型
选择适当规格的螺栓,确保其强度和耐腐蚀能力满足设计要求。
2.2 预埋深度
根据设计要求和现场土壤条件,确定预埋深度,确保螺栓与地
基牢固连接。
2.3 钢结构制作
在钢结构制作过程中,预留与螺栓规格相匹配的孔洞,并在钢
结构中预先埋设螺栓,确保孔距和位置准确。
3. 施工流程
3.1 基础处理
清理基础表面,确保无杂物和污垢,以保证螺栓与基础充分接触。
3.2 螺栓安装
将螺栓垂直插入预留孔洞中,确保螺栓与钢结构居中对齐,同
时遵循预设的预埋深度。
3.3 固定螺母
在螺栓顶部安装螺母,并适当使用扳手紧固螺母,确保螺栓紧
固牢固。
3.4 螺栓保护
在螺栓顶部安装适配的保护盖,以防止螺栓受到外界环境的侵
蚀和损坏。
4. 安全注意事项
- 在施工过程中,严格遵守安全操作规程,确保工人人身安全。
- 根据现场实际情况选择合适的个人防护设备,如安全帽、安
全鞋等。
- 确保螺栓和螺母质量可靠,避免出现强度不足或螺丝松动等
问题。
以上为钢结构预埋地脚螺栓技术交底的文档内容,供参考使用。
在实际施工中,请根据具体情况进行调整和补充。
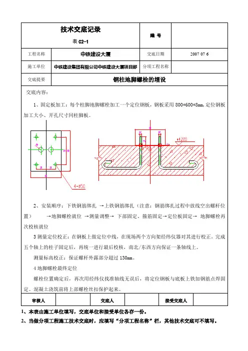
钢结构厂房地脚螺栓施工技术交底施工企业:富凯集团有限公司№:(津建安表22)1.2.4具体需要熟悉的有:螺栓规格、数量,轴距尺寸,每轴之间垮距尺寸,预埋种类等做到心中有数。
工作难点其注意的地方有:如何保证轴与轴之间平行,如何保证每轴距在规范要求内。
1.2.5实行三级交底制:技术部对项目部有关此工程项目经理、技术人员进行方案交底;项目经理对工程部分包队长,班组长进行交底;分包队长对班组长,员工进行交底。
1.3钢制模板制作1.3.1根据施工图纸对地脚螺栓做相应的钢制模板,其注意事项:1.3.1.1钢制模板其目的是控制预埋尺寸精度,提高预埋速度。
1.3.1.2模板采用4.5-6mm之间的钢板制作,板必须校平面度《1mm,若板厚度不够,则四周用Ø12mm钢筋焊接,加强模板钢性,如图红色虚线所示。
1.3.1.3如图1所示模板孔尺寸ØD+2,D为螺栓圆钢直径,A、B中心尺寸要求《1mm,中心线用垂直钢尺靠住,水笔一次性划出中心线,中心线必须醒目。
1.3.1.4单块模板总重量《50斤,便于预埋工人操作;对于螺栓预埋轴数较多的可以多制作一付模板,提高预埋效率。
1.4材料准备1.4.1施工现场必须搭制活动板房,用于办公、用餐、住宿、安放材料、工具,门窗必须用加强锁固定,防止材料、工具被偷。
1.4.2根据施工图纸及施工进度要求,提前五天提出分区、分段螺栓计划单,视实际情况组织螺栓分批进场,当天没预埋完的螺栓及工具应及时放回活动板房。
1.4.3材料、工具、螺栓、进场,钢制模板也随螺栓一起进场。
2.预埋工艺2.1工艺流程2.2施工预埋人员配备为确保地脚螺栓预埋工作顺利进行,我方特选出优秀的施工管理人员及熟练的专业技术工人进行预埋。
在整个预埋过程中需要施工员1名、质检员1名、钢筋工2名、木工1、电焊工2名、预埋配合人员4-8名,视实际情况对当天进行预埋的人员调整,根据地脚螺栓的预埋要求需经纬仪1台、水准仪1台用于定位、操平。
一、工程概况1. 工程名称:____________________2. 施工单位:____________________3. 施工地点:____________________4. 施工内容:____________________5. 施工期限:____________________二、安全技术交底1. 预埋地脚螺栓的作用及重要性预埋地脚螺栓是钢结构、混凝土结构等基础工程的重要组成部分,其作用是确保结构稳定性、承载能力和抗震性能。
预埋地脚螺栓的准确性和牢固性直接关系到整个工程的安全和使用寿命。
2. 预埋地脚螺栓施工前的准备工作(1)熟悉施工图纸,明确预埋地脚螺栓的位置、数量、规格和埋设深度。
(2)检查预埋地脚螺栓的质量,确保其符合设计要求和规范标准。
(3)准备好预埋地脚螺栓所需的工具和材料,如钻机、锤子、扳手、胶布、塑料袋等。
3. 预埋地脚螺栓施工过程中的安全注意事项(1)施工前,对施工现场进行安全检查,确保无安全隐患。
(2)操作人员必须佩戴安全帽、安全带等个人防护用品。
(3)钻孔过程中,注意钻头与孔壁的距离,防止钻头偏移。
(4)在钻孔过程中,如遇坚硬岩石,应采取适当措施,如加大钻头直径、调整钻头角度等。
(5)钻孔过程中,注意观察孔内情况,发现异常情况及时处理。
(6)预埋地脚螺栓时,确保螺栓位置准确,垂直度符合要求。
(7)浇筑混凝土过程中,避免震动棒直接作用于预埋地脚螺栓。
(8)混凝土凝固过程中,如发现预埋地脚螺栓偏移,应及时调整。
4. 预埋地脚螺栓施工后的验收及处理(1)预埋地脚螺栓施工完成后,由专业人员进行验收,确保其位置、垂直度和埋设深度符合设计要求。
(2)验收合格后,对预埋地脚螺栓进行加固处理,确保其牢固可靠。
(3)对不合格的预埋地脚螺栓进行整改,直至符合要求。
三、应急措施1. 如发生预埋地脚螺栓偏移、倾斜等情况,应立即停止施工,查找原因,采取相应措施进行整改。
2. 如发生安全事故,应立即启动应急预案,按照规定程序进行处理。
钢结构工程地脚螺栓预埋技术交底一、地脚螺栓预埋过程控制1、作业条件(1)建筑物轴线、标高已引测到独立柱模板上。
(2)基础钢筋、模板已施工完毕,并通过相关人员验收。
2、模具制作(1)选材:地脚螺栓的模具可采用钢板、细木工板或竹脚板,但必须保证在模具与地脚螺栓连接后模具不产生变形。
(此模板由我司提供)(2)制作:地脚螺栓的模具应按柱脚螺栓孔的尺寸裁割好,在模具上弹出柱脚板中心线,之后按图纸设计地脚螺栓的位置在模具上开孔,孔径宜比螺栓直径大1—2mm。
3、地脚螺栓安装(1)在地脚螺栓预埋前,仔细核查图纸预埋螺栓位置情况。
(2)将地脚螺栓螺纹一端放入模具的孔中,之后将螺纹部分套上螺母(模具板上下各一个)拧紧,使地脚螺栓固定在模具上,螺纹露出长度应符合设计要求。
(3)将连接到一起的模具和地脚螺栓放到独立柱模板中,地脚螺栓定位时必须拉设定位线,严格控制其误差,令模具的中心线与独立柱模板上的轴线对齐,螺栓顶面应放置到设计标高上,然后开始固定螺栓。
(见如下图片)(4)采用焊接的方法将地脚螺栓固定在基础主钢筋上并与模板可靠支撑以免螺栓移动。
螺栓固定的原则是在基础浇筑混凝土时,螺栓位置不能移动。
(5)地脚螺栓全部电焊完毕用经纬仪及水准仪测其上下左右偏差情况,不合要求立即校正。
(6)在固定好螺栓之后,将模具卸下,用胶带、塑料布或其它柔软材料将地脚螺栓中螺纹部分包裹, 以防浇筑混凝土时将螺纹部分污染。
(7)在混凝土浇筑过程中,应设专人对地脚螺栓进行看护,以防止浇筑混凝土时触动螺栓。
(8)砼凝固前应再次复测移动情况,并及时校正。
(9)螺帽请保管好,钢结构安装时需要移交给钢结构单位。
(10)在安装钢结构之前,做最后的检查,且做必要的校正。
二、地脚螺栓安装质量验收标准。
1、用尺量的方法检查螺栓露出长度、螺纹长度是否符合质量验收规范要求。
2、找出建筑物轴线,尺量检查地脚螺栓中心位移是否符合质量验收规范要求。
3、用水平仪检查地脚螺栓的标高是否符合设计要求。
钢结构预埋件_钢结构预埋件施工技术交底及方案施工技术交底以上内容需将红色部分字体内容改为与现场设计及图纸要求相符合的内容××××××××项目一期工程钢结构工程预埋件埋设工程施工方案××××××××××公司××××年×月×日目录1、适用范围适用范围适用范围适用范围2、编制依据编制依据编制依据编制依据3、术语术语术语术语4、材料要求材料要求材料要求材料要求5、施工准备施工准备施工准备施工准备6、操作工艺操作工艺操作工艺操作工艺7、质量控制质量控制质量控制质量控制8、质量标准质量标准质量标准质量标准9、成品保护成品保护成品保护成品保护钢结构工程预埋件埋设工程施工方案1适用范围本方案适用于钢结构工程的预埋件和预埋螺栓的埋设施工。
2编制依据钢结构工程施工质量验收规范(GB50205—2001)钢结构工程预埋件埋设工程施工工艺标准J281-2004钢结构设计规范(GB50017—2002)建筑工程施工质量验收统一标准(GB50300—2001)工程测量规范(GB50026—1993)建筑钢结构施工手册施工图纸3术语预埋件——为便于钢结构构件与混凝土结构连接,在混凝土结构施工时预先埋设的钢板连接件。
预埋螺栓——为便于钢结构构件与混凝土结构连接或为便于钢构件的安装定位,在混凝土结构施工时预先埋设的螺栓。
螺栓群——由两个或两个以上螺栓组成用于连接固定同一柱(梁)构件的预埋螺栓的总称。
锚筋——与预埋件焊接连接用于锚固预埋钢板的钢筋。
4材料要求4.1预埋件及预埋螺栓材料的品种、规格必须符合设计要求,并有产品质量证明书。
当设计有复验要求时,尚应按规定进行复验并在合格后方准使用。
4.2当由于采购等原因不能满足设计要求需要代换时,应征得设计工程师的认可并办理相应的设计变更文件。
一、交底对象本次安全技术交底对象为参与螺栓预埋施工的全体人员,包括施工技术人员、操作工人、监理人员等。
二、交底目的为确保螺栓预埋施工过程中的安全,提高施工质量,特进行安全技术交底,使全体人员充分了解螺栓预埋施工的安全要求及注意事项。
三、交底内容1. 施工前的准备(1)施工前,应对施工人员进行安全技术培训,确保其掌握螺栓预埋施工的基本技能和安全知识。
(2)仔细核对施工图纸,了解螺栓预埋位置、规格、数量等信息。
(3)检查施工工具、设备,确保其完好、适用。
2. 施工过程(1)预埋螺栓位置应符合设计要求,严禁擅自改动。
(2)在预埋螺栓前,应先进行定位,确保螺栓位置准确。
(3)地脚螺栓与定位架固定时,每支螺栓必须使用2只螺帽,确保连接牢固。
(4)预埋螺栓定位时,必须拉设定位线,严格控制其误差。
(5)地脚螺栓与基础钢筋连接必须牢固,避免松动。
(6)螺栓全部电焊完毕后,使用经纬仪及水准仪测其上下左右偏差情况,不合要求立即校正。
(7)砼浇筑前,用胶布及塑料袋将螺栓螺丝包扎好,防止砼浇筑过程中对螺栓造成损坏。
(8)砼凝固前,应再次复测移动情况,并及时校正。
3. 施工中的安全注意事项(1)施工人员必须佩戴安全帽、安全带等个人防护用品。
(2)施工过程中,严禁酒后作业、疲劳作业。
(3)高处作业时,必须使用安全带,并采取防坠落措施。
(4)施工用电应严格按照规定进行,确保用电安全。
(5)施工过程中,注意保持施工现场整洁,防止杂物掉落伤人。
(6)施工结束后,及时清理施工现场,确保施工环境安全。
四、交底要求1. 施工人员应认真听取安全技术交底,了解螺栓预埋施工的安全要求及注意事项。
2. 施工过程中,严格执行安全技术交底内容,确保施工安全。
3. 施工结束后,对施工过程进行总结,发现问题及时整改。
五、附则1. 本安全技术交底自发布之日起实施。
2. 本安全技术交底如有未尽事宜,由项目负责人解释。
(注:以上模板仅供参考,具体交底内容可根据实际情况进行调整。
技术交底记录表C2-4编号工程名称交底日期2010年10月25日施工单位分项工程名称基础工程交底提要预检、交车棚锚栓预埋技术要求交底内容:一、施工准备:1、主要机具:氧—乙炔切割焊机、水平仪、小白线或20号铅丝和钢卷尺、经纬仪、电焊机、铁锤。
2、作业条件:(1)为保证施工质量和最大缩短工期,拿到图纸后要认真审核,确定每个部位所需要的锚栓型号、数量、尺寸是否符合要求,出厂合格证和实验报告是否齐全,报监理验收。
检查锚栓的位置与基础柱中的钢筋是否交叉及有无其它施工矛盾。
(2)待基础钢筋绑扎加固完成检验合格后,加固地脚螺栓。
(3)定位钢板进场后要逐一检查定位钢板的孔位、孔径,不满足要求的,一律不得使用。
(4)安排夜间施工时,应有足够的照明设施,并要合理安排安装顺序,已进入场地的锚栓做好保护工作。
(5)在施工中应该注意在绑扎承台钢筋完毕后,穿基梁钢筋前预下螺栓,以保证施工方便。
二、操作工艺1、工艺流程:确定预埋锚栓型号→轴线定位→定位板安装加固→放置螺栓组→地脚螺栓固定→锚栓防护→位置复核→浇筑混凝土2、施工流程、要点(1)螺栓要求丝扣均匀、螺纹长度,外漏尺寸及垂直度等满足设计要求及规范要求。
螺栓进场后由材料员和质检员进行验收,检查螺栓出厂合格证、实验报告、规格、尺寸、数量、丝扣长度是否符合设计要求,验收合格后按规格码放整齐,并做好标识。
(2)轴线定位、标高确定按照施工图纸要求,在柱墩预埋地脚螺栓处,需进行轴线放线定位,以确定定位板的位置,从而确定螺栓的地位点。
(3)定位板加固为保证螺栓的安装精度,采用定位板来确定螺栓位置的方法,根据设计要求,提前预制螺栓定位板,安装前复核定位板上螺栓孔的相对位置是否符合设计和施工要求,检查合格后,在定位板上画十字丝并根据定位轴线确定定位板的位置,从而螺栓孔的位置得以确定。
(4)安装螺栓组将地脚螺栓预先放入短柱内,插入定位模板预留孔内,将螺杆上部用螺帽上下固定,并边拧边校核单组螺栓的相互尺寸,并调节螺栓的水平标高和垂直度。
一、交底目的为确保钢结构预埋施工过程中的安全,降低安全事故发生的风险,特制定本安全技术交底。
二、交底对象全体参与钢结构预埋施工的施工人员、管理人员及监理人员。
三、交底内容1. 施工人员安全要求1.1 施工人员必须经过专业培训,具备一定的预埋施工技能和安全管理知识。
1.2 施工人员必须穿戴好个人防护用品,如安全帽、工作服、手套、防护眼镜等。
1.3 施工人员必须严格遵守操作规程,不得擅自改变施工方法。
2. 预埋螺栓安全要求2.1 在地脚螺栓预埋前,应仔细核查预埋螺栓位置,确保符合设计要求。
2.2 地脚螺栓与定位架固定时,每支螺栓必须使用两只螺帽,确保连接牢固。
2.3 地脚螺栓定位时,必须拉设定位线,严格控制其误差。
2.4 地脚螺栓与基础钢筋连接必须牢固,防止松动。
2.5 地脚螺栓全部电焊完毕后,使用经纬仪及水准仪测其上下左右偏差情况,不合要求立即校正。
3. 混凝土浇筑安全要求3.1 混凝土浇筑前,应将预埋螺栓螺丝包扎好,防止混凝土浇筑过程中移位。
3.2 混凝土浇筑过程中,应注意观察预埋螺栓位置,如有异常,应立即停止浇筑并采取措施纠正。
3.3 混凝土凝固前,应再次复测预埋螺栓移动情况,并及时校正。
4. 施工机具安全要求4.1 施工机具必须符合国家标准,定期进行维护和保养。
4.2 施工机具操作人员必须经过专业培训,熟悉操作规程。
4.3 施工机具操作过程中,必须严格遵守安全操作规程,确保操作安全。
5. 施工现场安全管理5.1 施工现场应设置明显的安全警示标志,提醒施工人员注意安全。
5.2 施工现场应保持整洁,防止杂物堆积,造成安全隐患。
5.3 施工现场应定期进行安全检查,及时发现并消除安全隐患。
四、交底注意事项1. 施工人员必须认真学习本安全技术交底内容,确保理解并掌握各项安全要求。
2. 施工过程中,如发现安全隐患,应立即停止施工,并采取措施予以消除。
3. 施工人员必须服从现场管理人员的指挥,确保施工安全有序进行。
一、交底目的为确保钢结构预埋件施工过程中的安全,预防安全事故的发生,特制定本安全技术交底。
二、交底对象1. 钢结构预埋件施工人员2. 监理人员3. 施工管理人员三、交底内容1. 施工人员安全培训(1)施工人员必须接受专业安全培训,掌握钢结构预埋件施工安全知识。
(2)施工人员应了解并熟悉施工现场的安全规定和操作规程。
(3)施工人员必须严格遵守操作规程,确保自身和他人的安全。
2. 施工现场安全措施(1)施工现场应设置明显的安全警示标志,警示施工人员注意安全。
(2)施工现场应配备必要的安全防护设施,如安全网、防护栏杆、安全带等。
(3)施工现场应定期检查安全防护设施,确保其完好有效。
3. 钢结构预埋件施工安全操作规程(1)施工前,应对预埋件进行质量检查,确保其符合设计要求。
(2)施工过程中,施工人员应穿戴好个人防护用品,如安全帽、防护眼镜、防尘口罩等。
(3)在钻孔、焊接等作业中,施工人员应佩戴防尘口罩、防护眼镜等,防止粉尘、火花等对眼睛和呼吸道的伤害。
(4)在焊接作业中,施工人员应保持通风,防止一氧化碳中毒。
(5)在钻孔、焊接等作业中,施工人员应严格遵守操作规程,确保操作安全。
(6)施工过程中,施工人员应随时注意观察周围环境,防止发生意外。
4. 施工现场用电安全(1)施工现场用电设备应选用符合国家标准的产品。
(2)施工现场用电线路应按照规定敷设,不得私拉乱接。
(3)施工现场用电设备应定期检查,确保其安全可靠。
(4)施工现场用电设备操作人员应具备相应的电工操作证。
5. 施工现场火灾预防及应急处理(1)施工现场应配备足够的消防器材,如灭火器、消防栓等。
(2)施工现场应定期进行消防安全检查,确保消防器材完好有效。
(3)施工现场应制定火灾应急预案,一旦发生火灾,应立即启动应急预案,确保人员安全。
四、交底要求1. 施工单位应将本安全技术交底内容作为施工过程中的重要依据,确保施工安全。
2. 施工单位应定期对施工人员进行安全教育培训,提高施工人员的安全意识。
钢结构地脚螺栓预埋技术交底交底内容:1.地脚螺栓的埋设方法首先,应按施工图配合土建队伍进行模板的安装,模板安装优先采用钢模,模板应该结实,要求具有一定的强度,能够承受混凝土浇注施工的侧压力。
按图纸完成地脚部位的绑筋,钢筋绑筋要求绑扎结实,具有一定的钢度,能够保证地脚螺栓在焊接完毕后,在混凝土施工时不移位。
其次,应按图纸放出地脚中心的十字控制线,放线要求准确,并把十字控制线确定放到模板上。
根据图纸确定地脚螺栓的高度,并把高度控制线确定在模板上,为保证放线的准确性,放线工作不能在风力超过4级时和雾较大时进行作业。
在埋设地脚螺栓时,先根据螺栓的位置制作模具,为了精确定位,先确定十字型定位中心线,一般取柱子的形心为定位点,根据柱子形心与螺栓的位置关系以及螺栓直径在模具上面定位钻孔,钻孔直径比螺栓直径大2mm,模具比螺栓组外边缘大50mm,为了保证垂直度,可根据找平层的厚度做两块相同的模板,2块模板的十字线要求用线锤测试,在一条垂直的直线上,这样,螺栓穿入模具后,不会左右摇晃。
螺栓穿入模具后,上下部拧一个螺帽固定,固定螺栓的螺母要求拧紧,可以调节螺栓预留高度。
具体做法见图1。
D——螺栓孔直径,d——螺栓直径,L——螺栓组的螺栓间距,h——同找平层厚度图1 地脚螺栓模具图在基础短柱模板支好后,要确定模板牢固。
然后将地脚螺栓模具十字控制线基准点与柱子十字控制线定位一致,校正标高后可将模具与短柱模板固定。
然后将螺栓用钢筋与短柱钢筋可靠连接,防止钢筋位置移动,并宜事先在螺栓下部焊接一截短钢筋,让短钢筋支撑在短柱基础的模板上,防止螺栓的垂直位移。
将螺栓加固好之后就可以取下模具进行下组地脚螺栓的安装。
地脚螺栓的固定如图2。
浇筑混凝土前,螺栓上部的螺杆及螺母须抹上固体黄油后用塑料布包裹,并用铁丝扎紧。
浇筑混凝土,特别是采取泵送混凝土施工时,须避免混凝土的挤压导致地脚螺栓移位。
混凝土泵管应避免直接对着地脚螺栓浇筑,尽可能在地脚螺栓及周边30 cm范围内采取人工布料。
一、交底目的为确保钢构预埋安装工程的安全顺利进行,提高施工人员的安全意识和操作技能,预防安全事故的发生,特制定本安全技术交底。
二、交底内容1. 施工人员要求(1)施工人员必须持有相关岗位操作资格证书,熟悉钢构预埋安装的施工工艺和安全操作规程。
(2)施工人员应佩戴好安全帽、安全带、防护眼镜等个人防护用品。
2. 施工现场环境要求(1)施工现场应保持整洁,各类材料、工具摆放有序,通道畅通。
(2)施工过程中,应确保施工现场通风良好,避免因缺氧、高温等导致人员不适。
3. 钢构预埋安装施工要点(1)预埋螺栓:预埋螺栓的位置、尺寸、数量应符合设计要求,确保螺栓与基础混凝土的连接牢固。
预埋螺栓应采用高强度螺栓,并进行扭矩校正,控制误差不超过3%。
(2)预埋套管:预埋套管应选用与预埋螺栓相同材质的套管,套管长度应满足施工要求。
安装套管时,应确保套管中心线与预埋螺栓中心线重合,偏差不超过2mm。
(3)预埋孔洞:预埋孔洞的位置、尺寸、数量应符合设计要求,孔洞边缘应平整,不得有毛刺、杂物等。
(4)预埋钢筋:预埋钢筋应与基础混凝土牢固连接,确保钢筋位置准确,间距均匀。
4. 施工过程中注意事项(1)施工过程中,应严格按照设计要求进行施工,不得擅自修改设计方案。
(2)施工过程中,如发现预埋螺栓、套管、孔洞、钢筋等存在问题,应及时与设计、监理单位沟通,并采取措施予以整改。
(3)施工过程中,应密切关注施工环境变化,如遇雨、雪等恶劣天气,应暂停施工,确保施工安全。
(4)施工过程中,应加强对施工人员的培训和教育,提高安全意识,杜绝违章作业。
5. 应急措施(1)如遇预埋螺栓、套管、孔洞、钢筋等质量问题,应立即停止施工,并采取措施进行整改。
(2)如遇施工人员受伤,应立即采取急救措施,并及时联系医疗机构进行救治。
三、交底时间本安全技术交底自交底之日起,施工人员应认真学习,确保在实际施工过程中严格遵守。
四、交底责任人本安全技术交底由项目负责人负责,对施工人员进行交底,并监督其实际执行情况。
施工技术交底以上内容需将红色部分字体内容改为与现场设计及图纸要求相符合的内容××××××××项目一期工程钢结构工程预埋件埋设工程施工方案××××××××××公司××××年×月×日目录1、适用范围适用范围适用范围适用范围2、编制依据编制依据编制依据编制依据3、术语术语术语术语4、材料要求材料要求材料要求材料要求5、施工准备施工准备施工准备施工准备6、操作工艺操作工艺操作工艺操作工艺7、质量控制质量控制质量控制质量控制8、质量标准质量标准质量标准质量标准9、成品保护成品保护成品保护成品保护钢结构工程预埋件埋设工程施工方案1 适用范围本方案适用于钢结构工程的预埋件和预埋螺栓的埋设施工。
2 编制依据钢结构工程施工质量验收规范(gb50205—2001)钢结构工程预埋件埋设工程施工工艺标准j281-2004 钢结构设计规范(gb50017—2002)建筑工程施工质量验收统一标准(gb50300—2001)工程测量规范(gb50026—1993)建筑钢结构施工手册施工图纸3术语预埋件——为便于钢结构构件与混凝土结构连接,在混凝土结构施工时预先埋设的钢板连接件。
预埋螺栓——为便于钢结构构件与混凝土结构连接或为便于钢构件的安装定位,在混凝土结构施工时预先埋设的螺栓。
螺栓群——由两个或两个以上螺栓组成用于连接固定同一柱(梁)构件的预埋螺栓的总称。
锚筋——与预埋件焊接连接用于锚固预埋钢板的钢筋。
4材料要求4.1 预埋件及预埋螺栓材料的品种、规格必须符合设计要求,并有产品质量证明书。
当设计有复验要求时,尚应按规定进行复验并在合格后方准使用。
4.2 当由于采购等原因不能满足设计要求需要代换时,应征得设计工程师的认可并办理相应的设计变更文件。
钢结构地脚螺栓预埋技术交底交底内容:
一、施工准备:
1、主要机具:
氧—乙炔切割焊机、水平仪、小白线和钢卷尺、经纬仪、电焊机、铁锤。
2、作业条件:
(1)为保证施工质量和最大缩短工期,拿到图纸后要认真审核,确定每个部位所需要,检查锚栓的位置与基础柱中的钢筋是否交叉及有无其它施工矛盾。
(2)待基础钢筋绑扎加固完成检验合格后,加固地脚螺栓。
(3)定位钢板进场后要逐一检查定位钢板的孔位、孔径,不满足要求的,一律不得使用。
(4)安排夜间施工时,应有足够的照明设施,并要合理安排安装顺序,已进入场地的锚栓做好保护工作。
(5)在施工中应该注意在绑扎承台钢筋完毕后,穿基梁钢筋前预下螺栓,以保证施工方便。
二、操作工艺
1、工艺流程:
确定预埋锚栓型号→轴线定位→定位板安装加固→放置螺栓组→地脚螺栓固定→锚栓防护→位置复核→浇筑混凝土
2、施工流程、要点
(1)螺栓要求丝扣均匀、螺纹长度,外漏尺寸及垂直度等满足设计要求及规范要求。
螺栓进场后由材料员和质检员进行验收,检查螺栓出厂合格证、实验报告、规格、尺寸、数量、丝扣长度是否符合设计要求,验收合格后按规格码放整齐,并做好标识。
(2)轴线定位、标高确定
按照施工图纸要求,在柱墩预埋地脚螺栓处,需进行轴线放线定位,以确定定位板的位置,从而确定螺栓的地位点。
(3)定位板加固
为包管螺栓的安装精度,接纳定位板来确定螺栓位置的方法,按照设计要求,提早预制螺栓定位板,安装前复核定位板上螺栓孔的相对位置是否吻合设计和施工要求,检查及格后,在定位板上画十字丝并按照定位轴线确定定位板的位置,从而螺栓孔的位置得以确定。
(4)安装螺栓组
将地脚螺栓预先放入短柱内,插入定位模板预留孔内,将螺杆上部用螺帽上下固定,并边拧边校核单组螺栓的相互尺寸,并调节螺栓的水平标高和垂直度。
(5)地脚螺栓的固定
第一步固定:待调整好螺栓的标高和垂直度并符合要求后,用短钢筋头焊接脚撑,与基础底板钢筋焊接加固螺栓防止其下沉。
第二步固定:用短钢筋接纳十字交叉的方式交叉焊接加固螺栓与短柱的定位箍筋,避免螺栓在浇筑混凝土时偏位,加固完后复核螺栓的标高和垂直度。
(6)加固完成吻合及格后,对螺栓外漏丝扣举行保护,保护方法接纳专业的塑料缠裹外漏丝扣,并用胶带粘劳,避免螺栓丝扣在浇筑混凝土时受污染收到腐蚀。
(7)以上程序完成后用校准后的经纬仪调整、复核各个螺栓组的整体平面位置尺寸,经检查尺寸精度符合要求后,将定位钢板和所有螺母取出。
三、质量标准地脚螺栓组尺寸
1、包管项目:
允许偏差项目,见表1-1.
表1-1地脚螺栓组精度要求:
地脚螺栓组尺寸精度允许偏差
序号项目允许偏差(㎜)检验方法
1整体平面位置2用经纬仪检查
2高度尺寸2用水平仪检查
3垂直度1用铅垂线检查
锚栓大样图
四、混凝土浇筑
为防止混凝土浇灌完成之后螺栓被污染,在混凝土浇灌之前,应将螺栓丝扣部分打油后用塑料薄膜包扎好。
当螺栓组满足尺寸精度要求后,即可浇灌混凝土。
在螺栓组附近浇灌振捣混凝土时要特别注意,既要捣实混凝土又不要碰撞螺栓,要精心施工,以免引起螺栓移位变形。
混凝土浇注时跟踪测量地脚螺栓移动偏差。
一旦发现偏差超标的立刻进行校正,直至符合规范要求。
在混凝土浇灌完成之后混凝土初凝之前应派专人举行螺栓的再次校核、调解,直到螺栓位置满意标准要求。
混凝土施工完后,应立即派人用层板制成的盖子盖在螺帽上面举行保护,避免螺栓丝口被破坏。
五、地脚螺栓复测:
在钢柱吊装前,必须对已完成施工的预埋螺栓的轴线间距进行认真核查、验收。
对不符合《钢结构工程施工质量验收规范》GB—2001者,要提请有关方会同解决;对弯曲变形的地脚螺栓,要进行校正;已损伤的丝扣用钣牙进行修理,并对所有的螺栓予以保护。
六、成品保护
螺栓、螺母、垫圈外观表面应涂油保护,不应出现生锈和沾染脏物,螺栓套尼龙套,确保螺纹不受损伤;螺栓运输和固定过程中,严禁碰撞螺纹;在浇筑混凝土前,用塑料布包裹螺栓的螺纹部分。
七、应注意安全质量问题
(1)若在地梁钢筋穿筋后举行地脚螺栓预埋,施工过程会出现困难,但严禁切断主筋。
(2)焊工必须持证上岗,焊接时不得焊伤主筋,焊渣要实时清理;所使用钢尺及仪器必须经过校正,并在使用期范围内;在混凝土浇筑过程中,应在基础四周均匀对称下料,制止因下料不均匀混凝土流动形成螺栓位置偏移。
随时检查螺栓位置和标高,发现螺栓位置偏移及标高变化应实时调解。
(3)在进行各项施工时必须有专业管理人员在现场进行协调,任务分配。
浇筑混凝土过程中必须反复校核,防止混凝
土的挤压造成螺栓位置偏移,出现偏移现象要及时调整。
(4)氧—乙炔切割焊机必须保证氧气瓶与乙炔瓶在明火点保持10米以上距离,两瓶之间距离要在5米以上。
且要保证两瓶的倾斜角度大于三十度。