预埋件技术交底.doc
- 格式:doc
- 大小:392.50 KB
- 文档页数:5
工程名称:郑徐客专铁路工程施工协议段:ZXZQ03 编号:ZXZQ03-4-Q-26
工程名称:郑徐客专铁路工程施工协议段:ZXZQ03 编号:ZXZQ03-4-Q-26
工程名称:郑徐客专铁路工程施工协议段:ZXZQ03 编号:ZXZQ03-4-Q-26
工程名称:郑徐客专铁路工程施工协议段:ZXZQ03 编号:ZXZQ03-4-Q-26
工程名称:郑徐客专铁路工程施工协议段:ZXZQ03 编号:ZXZQ03-4-Q-26
工程名称:郑徐客专铁路工程施工协议段:ZXZQ03 编号:ZXZQ03-4-Q-26
工程名称:郑徐客专铁路工程施工协议段:ZXZQ03 编号:ZXZQ03-4-Q-26
工程名称:郑徐客专铁路工程施工协议段:ZXZQ03 编号:ZXZQ03-4-Q-26
工程名称:郑徐客专铁路工程施工协议段:ZXZQ03 编号:ZXZQ03-4-Q-26
工程名称:郑徐客专铁路工程施工协议段:ZXZQ03 编号:ZXZQ03-4-Q-26。
一、交底编号: [编号]二、工程名称: [工程名称]三、交底日期:年月日四、施工单位: [施工单位]五、分项工程名称:埋板预埋件施工六、交底提要:为确保埋板预埋件施工安全,提高施工质量,特进行安全技术交底。
七、交底内容:1. 施工前的准备工作:- 对施工现场进行全面检查,确保场地平整、排水畅通,无安全隐患。
- 对施工人员进行安全教育和技能培训,提高安全意识和操作技能。
- 检查施工工具和设备,确保其完好、可靠。
2. 施工过程中的安全措施:- 严格按照施工图纸和规范要求进行埋板预埋件施工。
- 预埋件应固定牢固,确保其在混凝土浇筑过程中不发生位移或脱落。
- 在施工过程中,应定期检查预埋件的位置和固定情况,发现问题及时处理。
- 高处作业时,应使用安全带,并搭设安全防护设施,防止坠落事故发生。
- 严禁在预埋件附近进行敲打、切割等操作,以免影响预埋件的稳定性。
3. 材料与设备安全:- 选用符合国家标准的预埋件材料,确保其质量可靠。
- 使用的施工设备应定期检查、维护,确保其正常运行。
- 预埋件材料应妥善存放,避免受潮、受腐蚀。
4. 应急预案:- 遇到突发情况,如预埋件脱落、设备故障等,应立即停止施工,并采取相应的应急措施。
- 制定应急预案,明确应急响应流程和措施,确保事故发生时能够迅速有效地进行处理。
5. 施工环境安全:- 保持施工现场清洁、整洁,防止施工过程中产生粉尘、噪音等污染。
- 施工现场应设置明显的警示标志,提醒施工人员注意安全。
八、注意事项:1. 施工人员应严格遵守安全操作规程,不得违章作业。
2. 施工过程中,应密切注意预埋件的位置和固定情况,发现问题及时报告并处理。
3. 施工完成后,应进行验收,确保预埋件符合设计要求。
九、结语:通过本次安全技术交底,希望大家能够充分认识到埋板预埋件施工过程中的安全风险,提高安全意识,确保施工安全。
希望大家在施工过程中严格遵守各项安全规定,共同营造一个安全、和谐的施工环境。
预埋件技术交底施工技术交底记录工程名称分部分项工程名称交底内容:栏杆预埋施工单位桥梁一队交底日期 XX年x月x日根据设计图纸要求,中墙栏杆预埋件采用你φ12钢筋加**20mm钢板方式,侧墙栏杆预埋件采用φ18U型螺栓加**10mm钢板形式具体预埋位置见后附图:栏杆预埋件预埋要求:1、放线:先在同一轴线的两端各定一点,并把φx≦10mm的钢筋竖直焊接在基础钢筋上,用水准仪确定标高,用油性笔做好标记,用结实的细线绳放线在放线时,线绳一定要绷紧,两端绑在钢筋上的线绳方向要一致在同一条轴线上可多做几个支撑点,以缩小因线绳长中间有挠度而产生的高度误差支撑点的标高要用水准仪一一确定,并用油性笔做出标记为了防止支撑点的钢筋人为破坏,在钢筋的中部做三角形斜拉,点焊结实2、定位模板中线:在锚栓定位模板上找出各边的中点,并用墨斗弹出中线3、穿预埋螺栓:将预埋螺栓自下而上依次传入定位模板锚栓孔内,并按图纸要求留够尺寸,用螺母将预埋螺栓定位要求:定位模板上的锚栓孔的直径尺寸要比预埋螺栓的直径大1~2mm,所有的预埋螺栓预留尺寸比图纸要求的预留尺寸大±5mm- 1 -4、定位预埋螺栓:把15cm左右的短钢筋轻轻横靠在穿好的预埋螺栓的合适位置上焊好,为控制预埋螺栓的竖直度,最好使用线垂预埋螺栓的竖直度至关重要,它不但影响模板的摘取,更重要的是决定钢柱能否安装5、加固预埋螺栓:将定位好的预埋螺栓用φ≥10mm的钢筋做箍筋一一点焊连接,上下各一道,再用相同的短钢筋分别在四个拐角处把刚才做的箍筋与基础柱的立筋做“八”字状连接,焊好要求:两道箍筋的间距≥50cm,如果预埋螺栓较长,就要考虑再增加箍筋的合适数量箍筋不能用细钢筋代替,否则在浇灌砼柱时,由于振动棒的震动会使预埋螺栓移位,从而影响钢柱的安装预埋螺栓的加固非常重要,一定要使预埋螺栓与基础柱钢筋形成一个整体,这样才不会再浇筑砼柱的时候使预埋螺栓发生严重位移6、浇砼时复核:当浇筑砼柱时,再次对发生移位或错位的预埋螺栓做修复性调整7、在预埋件预埋过程中一定要认真准确,切勿存在麻痹大意思想,导致预埋件与后续施工无法对接编制复核审核接收人- 2 -。
一、交底目的为确保预留预埋作业过程中的安全,提高施工人员的安全意识和操作技能,特制定本安全技术交底。
二、交底内容1. 工作内容(1)预留预埋施工前的准备工作:熟悉图纸、现场勘查、材料准备、人员安排等。
(2)预留预埋施工过程中的主要工作:测量放线、钻孔、安装预埋件、固定预埋件、埋设管线等。
2. 安全注意事项(1)进入施工现场前,必须佩戴好安全帽、安全带、防尘口罩等个人防护用品。
(2)施工过程中,严格遵守操作规程,不得违章作业。
(3)钻孔时,应使用适合的钻头,避免钻头损坏或断裂。
(4)钻孔过程中,注意观察钻孔深度和方向,确保预埋件位置准确。
(5)安装预埋件时,应使用专用工具,确保预埋件安装牢固。
(6)埋设管线时,注意管线保护,避免损坏。
(7)施工过程中,严禁酒后作业、疲劳作业。
3. 预防措施(1)加强施工人员的安全教育培训,提高安全意识。
(2)施工现场设置安全警示标志,提醒施工人员注意安全。
(3)合理安排施工进度,避免夜间施工。
(4)施工过程中,密切关注施工环境,发现安全隐患立即停止施工,整改后继续施工。
4. 应急处理(1)如遇钻孔过程中发生钻头损坏或断裂,立即停止施工,更换钻头或工具。
(2)如遇预埋件安装不牢固,立即停止施工,重新安装预埋件。
(3)如遇管线损坏,立即停止施工,修复管线或更换管线。
三、交底要求1. 施工单位应将本安全技术交底内容传达给所有施工人员。
2. 施工人员应认真学习本安全技术交底内容,确保掌握安全操作技能。
3. 施工过程中,严格遵守安全技术交底内容,确保施工安全。
4. 施工单位应定期对施工人员进行安全技术培训,提高施工人员的安全意识和操作技能。
四、附则1. 本安全技术交底自发布之日起实施。
2. 本安全技术交底如有未尽事宜,由施工单位根据实际情况予以补充。
3. 本安全技术交底解释权归施工单位所有。
施工单位:____________________日期:____________________。
预埋件施工安全技术交底咱今儿就来好好唠唠预埋件施工安全这档子事儿!要说这预埋件施工啊,那可是个精细活儿,稍有不慎,就可能出岔子。
就像我之前在一个工地上看到的,有个工人师傅在进行预埋件施工的时候,因为一时疏忽,没有做好安全防护,结果被一块掉落的钢板砸到了脚,那叫一个惨!所以啊,咱们可得长点心,把安全这根弦时刻绷紧了。
首先,在施工前,咱们得把场地给收拾利落了。
地面不能有积水、杂物啥的,不然您一不留神,摔个跟头,那可不好玩。
而且,施工用到的工具、设备都得检查一遍,有毛病的可千万别用,别为了省事儿给自己找麻烦。
说到这工具设备,像电钻、电焊机这些,那可得小心伺候着。
使用电钻的时候,一定要握紧了,别让它“撒欢儿”,不然钻到自己身上可就糟糕了。
还有电焊机,得注意防潮,要是漏电了,那可不是闹着玩的。
在搬运预埋件的时候,也得留神。
那些个预埋件有的可重着呢,别一个人硬扛,该找人帮忙就找人帮忙。
我就见过有个小伙子,为了逞强,自己一个人搬一个大预埋件,结果腰给闪了,休息了好长时间。
施工的时候,得戴好安全帽,这可不是摆设。
有一次,我在工地上,就听到“砰”的一声,原来是一颗小石子从上面掉下来,正好砸在一个没戴安全帽的工人头上,虽说没啥大碍,但也把他吓得够呛。
还有啊,高处作业的时候,安全带必须系好。
别嫌麻烦,这可是保命的玩意儿。
有个工人在高处作业,觉得系安全带不舒服,就没系,结果脚一滑,要不是旁边的工友拉了一把,后果不堪设想。
另外,施工现场得有良好的照明。
别在黑漆漆的环境里干活,容易出错不说,还不安全。
有一回,因为照明不好,一个工人把预埋件的位置放错了,费了好大劲才纠正过来。
最后,施工完成后,要把现场清理干净,工具设备收拾好,做到工完场清。
总之,预埋件施工安全可不是小事,咱们都得重视起来,别拿自己的生命安全开玩笑。
记住这些要点,平平安安干活,开开心心回家!。
预埋件施工技术交底一、工程概述在本次建筑工程中,预埋件的施工质量对于整个结构的稳定性和安全性起着至关重要的作用。
预埋件广泛应用于混凝土结构中,用于连接各种构件、设备和管道等。
为了确保预埋件施工的顺利进行,特进行本次技术交底。
二、施工准备1、技术准备(1)熟悉施工图纸,明确预埋件的位置、数量、规格和型号等要求。
(2)编制施工方案,确定施工工艺和施工流程。
(3)对施工人员进行技术交底,使其了解施工要点和质量要求。
2、材料准备(1)预埋件:根据设计要求采购合格的预埋件,其材质、规格和尺寸应符合要求,并具有质量证明文件。
(2)钢筋:用于固定预埋件的钢筋应符合设计要求,其品种、规格和性能应符合国家标准。
(3)焊条:焊接预埋件时使用的焊条应符合设计要求和相关标准。
3、工具准备(1)测量工具:如水准仪、全站仪、钢尺等,用于测量预埋件的位置和标高。
(2)焊接工具:如电焊机、焊条烘干箱等,用于焊接预埋件。
(3)钻孔工具:如电钻、冲击钻等,用于在混凝土结构上钻孔。
(4)安装工具:如扳手、螺丝刀等,用于安装预埋件。
4、作业条件准备(1)混凝土结构的模板已经安装完毕,并经过验收合格。
(2)钢筋绑扎已经完成,并经过验收合格。
(3)施工现场的水电供应已经接通,具备施工条件。
三、施工工艺流程1、测量放线根据施工图纸,使用水准仪和全站仪在混凝土结构上放出预埋件的位置和标高控制线,并做好标记。
2、钻孔在标记好的位置上,使用电钻或冲击钻进行钻孔。
钻孔的直径和深度应符合设计要求,钻孔时应注意避免损伤钢筋和混凝土结构。
3、清理孔洞钻孔完成后,使用压缩空气或吸尘器将孔洞内的灰尘和杂物清理干净。
4、安装预埋件将预埋件放入孔洞内,调整好位置和标高,然后使用钢筋将预埋件固定在混凝土结构的钢筋上。
固定时应确保预埋件的位置和标高准确无误,并且牢固可靠。
5、焊接对于需要焊接的预埋件,应按照设计要求和焊接工艺进行焊接。
焊接时应注意焊缝的质量,焊缝应饱满、均匀,无夹渣、气孔和裂纹等缺陷。
预埋件施工技术交底一、工程概述在本次建筑工程项目中,预埋件的施工是确保结构稳固和后续施工顺利进行的重要环节。
预埋件广泛应用于各类建筑结构中,如梁、柱、板等部位,用于连接后续的钢结构、设备基础等。
为了保证预埋件施工的质量和精度,特进行本次技术交底。
二、施工准备1、技术准备施工前,技术人员应熟悉施工图纸,明确预埋件的位置、数量、规格和型号等要求。
制定详细的施工方案,并向施工人员进行技术交底,确保其了解施工工艺和质量标准。
2、材料准备根据设计要求,采购合格的预埋件原材料,包括钢板、钢筋、锚筋等。
对原材料进行检验,确保其质量符合相关标准和规范的要求。
3、工具准备准备好电焊机、切割机、水准仪、全站仪等施工工具和测量仪器,并确保其性能良好。
配备必要的扳手、锤子、钢丝刷等辅助工具。
三、预埋件制作1、下料根据设计尺寸,对钢板、钢筋等原材料进行下料,切割时应保证尺寸准确,切口平整。
2、焊接按照设计要求,将锚筋焊接在钢板上,焊接质量应符合相关规范的要求,焊缝应饱满、均匀,不得有夹渣、气孔等缺陷。
对于有特殊要求的预埋件,如抗剪键等,应采用相应的焊接工艺和方法。
3、防腐处理完成焊接后,对预埋件进行防腐处理,涂刷防锈漆或采取其他防腐措施,确保预埋件在使用过程中不发生锈蚀。
四、预埋件安装1、测量放线使用全站仪、水准仪等测量仪器,根据施工图纸在相应的结构部位放出预埋件的中心线和标高控制线。
对测量放线结果进行复核,确保其准确性。
2、固定预埋件根据预埋件的类型和安装位置,选择合适的固定方法。
常见的固定方法有焊接固定、螺栓固定、绑扎固定等。
在固定预埋件时,应确保其位置准确、牢固,不得发生位移和变形。
3、调整和校正在混凝土浇筑前,对预埋件的位置和标高进行再次检查和调整,确保其符合设计要求。
对于偏差较大的预埋件,应及时进行校正,必要时重新安装。
五、混凝土浇筑1、浇筑前检查在混凝土浇筑前,对预埋件的固定情况进行最后检查,确保其在浇筑过程中不会受到影响。
一、交底目的为确保塔吊预埋件施工过程中的安全,防止事故发生,特进行安全技术交底。
本交底适用于所有参与塔吊预埋件施工的作业人员。
二、交底内容1. 施工准备(1)作业人员必须熟悉本交底内容,并经培训合格后上岗。
(2)施工前,对预埋件的位置、尺寸、数量等进行核对,确保符合设计要求。
(3)施工前,检查预埋件的材料、规格、质量是否符合规定,不合格的不得使用。
(4)施工前,准备必要的施工工具和设备,如电钻、扳手、水平尺等。
2. 施工过程安全要求(1)作业人员进入施工现场必须佩戴安全帽,系好安全带,正确使用防护用品。
(2)施工过程中,注意观察周围环境,确保施工区域安全,避免人员误入。
(3)电钻等电动工具必须接地,并定期检查,确保安全使用。
(4)施工过程中,严禁酒后作业,禁止操作人员擅自离开工作岗位。
(5)施工过程中,注意保护预埋件,避免碰撞、划伤。
(6)施工过程中,如发现异常情况,应立即停止施工,报告现场负责人,采取相应措施。
3. 预埋件安装要求(1)预埋件应按照设计图纸要求进行安装,确保位置、尺寸准确。
(2)预埋件安装前,应先进行试装,检查预埋件与基础连接是否牢固。
(3)预埋件安装过程中,注意调整水平度,确保预埋件水平。
(4)预埋件安装完成后,进行验收,确认预埋件安装质量符合要求。
4. 安全防护措施(1)施工区域设置安全警示标志,提醒人员注意安全。
(2)施工过程中,设置专人进行安全监护,确保施工安全。
(3)施工结束后,对施工区域进行清理,确保无安全隐患。
三、交底责任人1. 项目经理:负责组织安全技术交底,确保交底内容得到有效传达。
2. 安全生产管理人员:负责监督施工过程中的安全措施落实,及时发现并消除安全隐患。
3. 施工负责人:负责组织施工人员按照安全技术交底要求进行施工,确保施工安全。
四、注意事项1. 作业人员应严格按照安全技术交底要求进行施工,确保施工安全。
2. 施工过程中,如发现安全隐患,应立即停止施工,并及时报告相关责任人。
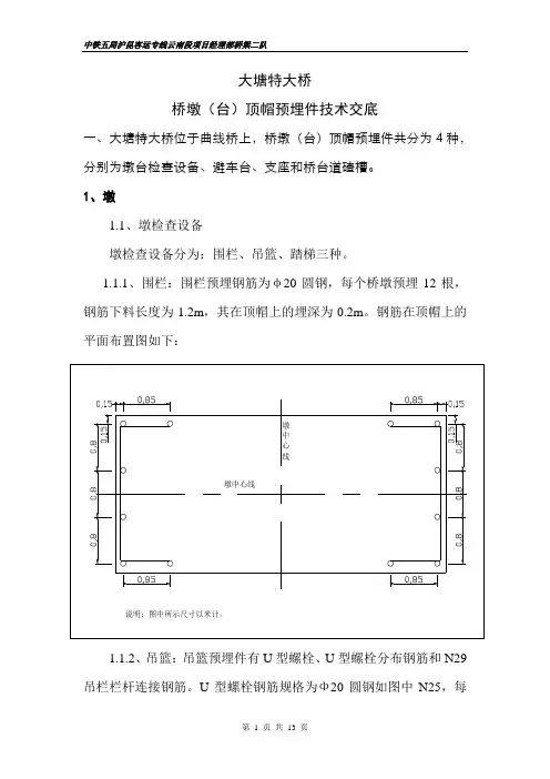
大塘特大桥桥墩(台)顶帽预埋件技术交底一、大塘特大桥位于曲线桥上,桥墩(台)顶帽预埋件共分为4种,分别为墩台检查设备、避车台、支座和桥台道碴槽。
1、墩1.1、墩检查设备墩检查设备分为:围栏、吊篮、踏梯三种。
1.1.1、围栏:围栏预埋钢筋为φ20圆钢,每个桥墩预埋12根,钢筋下料长度为1.2m,其在顶帽上的埋深为0.2m。
钢筋在顶帽上的平面布置图如下:1.1.2、吊篮:吊篮预埋件有U型螺栓、U型螺栓分布钢筋和N29吊栏栏杆连接钢筋。
U型螺栓钢筋规格为Φ20圆钢如图中N25,每个下料长度为0.82m,钢筋制作参照图三,每个桥墩预埋6个。
U型螺栓分布钢筋规格为Φ16圆钢如图二中N28,每根下料长度为0.2m,每个桥墩安装12根,其预埋位置如图一和图四。
N29钢筋规格为Φ16,下料长度为0.3m,每个桥墩预埋4根,如图六。
图一图二图三图四1.1.3踏梯:踏梯采用Φ22圆钢,每个踏梯下料长度为96cm,制作如图五,安装位置如图一和图六中N12,每个桥墩安装8个,安装时在顶帽侧模板上踏梯位置开一长33cm宽5cm方形小洞,以方便拆模。
图五图六1.2避车台避车台按线路大里程方向,先左后右设置。
避车台位置预留20cm ×20cm的方孔,孔深40cm。
位置如下:贵阳南桥墩中线桥墩中线大土避车台预埋孔位置示意图说明:1、图中所示尺寸单位为。
2、该图为避车台在线路右侧时示意。
1.3支座桥墩支座预埋孔采用Φ150mmPVC管,埋深60cm,每个桥墩预埋16个孔。
预埋位置如下图:2、桥台预埋件2.1墩台检查设备墩台检查设备分为:围栏、吊栏、踏梯、检查梯和T形桥台人行道角钢栏杆5种。
2.1.1围栏:围栏立柱预埋钢筋规格为Φ20圆钢,下料长度为1.2m,预埋深度为0.2m,每个桥台预埋12根,其安装位置如下图:2.1.2吊栏:吊栏预埋件有U型螺栓、U型螺栓分布钢筋和栏杆连接钢筋。
U型螺栓、U型螺栓分布钢筋和栏杆连接钢筋钢筋规格、钢筋下料长度和预埋位置同桥墩。
一、交底目的为确保新型连墙件预埋件施工过程中的安全,预防事故发生,特进行安全技术交底。
二、交底对象全体参与新型连墙件预埋件施工的作业人员、管理人员及监督人员。
三、交底内容1. 作业人员安全要求- 进入施工现场人员必须佩戴安全帽,高空作业人员必须佩戴安全带,并做到高挂低用,确保安全带系紧。
- 操作人员应接受专业培训,了解新型连墙件预埋件的相关知识及操作规程。
- 作业前应检查个人防护用品是否完好,如有损坏应及时更换。
2. 施工场地要求- 施工现场应平整、坚实,确保施工安全。
- 地面不得有积水、油污等,防止滑倒事故发生。
- 施工现场应设置明显的警示标志,提醒人员注意安全。
3. 新型连墙件预埋件安装要求- 安装前,应仔细检查预埋件及连接件的质量,确保其符合设计要求。
- 预埋件应与基础牢固连接,不得松动。
- 连墙件安装应垂直于墙体,确保连接牢固。
- 施工过程中,严禁使用损坏的预埋件和连接件。
4. 高空作业安全要求- 高空作业人员必须佩戴安全带,并系好安全绳。
- 高空作业时,应使用安全防护设施,如安全网、防护栏杆等。
- 高空作业人员应遵守高空作业操作规程,确保自身安全。
5. 机械操作安全要求- 机械操作人员应熟悉机械性能和操作规程,确保操作安全。
- 机械操作前,应检查机械各部件是否完好,如有异常应及时报修。
- 机械操作过程中,严禁操作人员离开工作岗位。
6. 应急处理- 发生安全事故时,应立即停止作业,及时上报并采取相应措施进行处置。
- 应急救援人员应熟悉应急救援知识和技能,确保能够迅速、有效地进行救援。
四、注意事项1. 施工过程中,作业人员应严格遵守安全操作规程,不得擅自改变施工方案。
2. 施工现场应保持整洁,不得堆放杂物,确保施工安全。
3. 施工过程中,应密切关注天气变化,如遇恶劣天气,应暂停施工。
五、总结通过本次安全技术交底,希望全体参与新型连墙件预埋件施工的人员能够充分认识到安全的重要性,切实加强安全意识,确保施工安全顺利进行。
一、交底目的为确保幕墙预埋件施工过程中的安全,防止事故发生,特进行本次安全技术交底。
通过交底,使全体施工人员充分了解和掌握幕墙预埋件施工的安全技术要求,提高施工人员的安全意识和操作技能。
二、交底内容1. 工程概况(1)工程名称:_______(2)工程地点:_______(3)工程规模:_______2. 施工工艺及流程(1)施工工艺:_______(2)施工流程:_______3. 安全技术要求(1)施工前准备1)施工人员入场前必须进行安全教育培训,考核合格后方可上岗作业。
2)施工人员应熟悉图纸、施工方案、安全技术交底内容。
3)施工前应检查施工机械、设备、材料是否符合要求,确保安全可靠。
(2)施工过程中安全要求1)施工人员必须佩戴安全帽、安全带、防滑鞋等个人防护用品。
2)严禁酒后作业、吸烟、追逐打闹。
3)施工区域设置安全警示标志,禁止无关人员进入。
4)施工过程中,应保持施工场地整洁,不得随意堆放材料、工具。
5)施工机械、设备应定期检查、保养,确保安全运行。
6)施工过程中,应严格遵守操作规程,不得擅自改变施工工艺。
(3)高空作业安全要求1)高空作业人员必须佩戴安全带,并系挂牢固。
2)高空作业平台、脚手架应经验收合格后方可使用。
3)高空作业时,严禁上下抛掷工具、材料。
4)雨、雪天及六级以上大风天气,严禁进行高空作业。
(4)焊接作业安全要求1)焊接作业人员必须持证上岗。
2)焊接作业区域应设置安全警示标志,并配备灭火器材。
3)焊接作业时,下方应设防火斗,防止火花飞溅。
4)焊接作业完毕后,应清理现场,确保无安全隐患。
4. 应急预案(1)火灾事故应急预案1)发现火灾时,立即报警并组织人员疏散。
2)使用灭火器、消防栓等灭火设备进行灭火。
3)如火势无法控制,立即撤离现场,等待消防部门救援。
(2)高处坠落事故应急预案1)发现高处坠落事故,立即报警并组织救援。
2)对伤员进行初步救治,并尽快送往医院。
3)对事故现场进行封锁,防止事故扩大。
1、本表由施工单位填写,交底单位与接受交底单位各保存一份。
2、当做分项工程施工技术交底时,应填写“分项工程名称”栏,其他技术交底可不填写。
1、本表由施工单位填写,交底单位与接受交底单位各保存一份。
2、当做分项工程施工技术交底时,应填写“分项工程名称”栏,其他技术交底可不填写。
1、本表由施工单位填写,交底单位与接受交底单位各保存一份。
2、当做分项工程施工技术交底时,应填写“分项工程名称”栏,其他技术交底可不填写。
1、本表由施工单位填写,交底单位与接受交底单位各保存一份。
2、当做分项工程施工技术交底时,应填写“分项工程名称”栏,其他技术交底可不填写。
1、本表由施工单位填写,交底单位与接受交底单位各保存一份。
2、当做分项工程施工技术交底时,应填写“分项工程名称”栏,其他技术交底可不填写。
谢谢观看
技术交底
工程名称 施工部位
质 量 要 求
交 底 内 容
检
萧甬铁路绍兴县成区段改造工程
单位工程名称
柯桥特大桥
顶帽、梯形梁
作业项目
预埋件
1、在灌注台身混凝土时应预先埋入安装吊篮的 U 形螺栓、踏梯及栏杆的预埋
圆钢,若预埋件与台身钢筋相碰时则将台身钢筋适当移动。
2、台顶应预留安装围栏之孔,孔深 20cm,孔直径 25mm。
待立柱安好后用水
泥砂浆填塞。
3、检查梯预埋角钢的预留孔直径 140mm,待角钢安好后用水泥砂浆填塞。
4、横梁如与人行道支架斜角刚相碰,应将斜角角刚相碰之一肢切掉。
梯子如
与围栏相碰,应将栏杆圆钢切断,并将切断的圆刚焊于检查梯角钢上。
5、人行道步板预制时应标明上下面,铺设时不能倒置
6、桥台施工时注意相关的构件预埋,切勿遗漏
7、在两块步板相接处及距台前墙、台尾 20cm 处设支架,在挡砟墙相应位置
预埋 T 刚。
一、桥台 1 吊篮预埋 U 形螺栓 N22Φ 20 的钢筋,长 750mm 尺寸如图(1-1),布置 U 形螺栓从顶帽 底向下 346mm,以顶帽的中心线对称布置共 9 处,中心线一处,隔 1100mm 两 处,隔 2100mm 两处,隔 3100 两处隔 4100mm 两处布置图(1-2)在 U 形螺栓 内分布预埋钢筋Φ 16 两根长 400mm 如图(1-1)
验
标
准
交底人(签名)
年月日
谢谢您的观赏
图 1-1 U 形螺栓预埋件大样
施工负责人:
年月日
接 领工员:
底 安全员: 人
质检员:
年月日 年月日 年月日
工班长:
年月日
技 术 交 底 (附页)
谢谢观看
U
图 1-2 布置图大样 2 围栏预埋 围栏预埋用 N1Φ 20 的钢筋和 N2Φ 16 的钢筋。
台顶应预留安装围栏之孔,孔深 20cm,孔直 径 25mm。
距顶帽边缘 100mm,详细布置图见萧甬绍改施(桥)01-02-25 图 3 踏梯预埋 踏梯选用 N12Φ 22 的圆钢,总长 960mm 预埋深度 200mm 位置如图(1-2)共两处,各处距顶 帽边 530mm,距顶帽底边 100mm。
踏梯尺寸要符合萧甬绍改施(桥)01-02-26 图 4 端栏杆预埋 端栏杆选用 N24Φ 16 的圆钢,预埋深度 200mm,位置距顶帽边 402mm,距顶帽底边 146mm, 位置如图(1-2)详图见萧甬绍改施(桥)01-02-25 图 5 检查梯预埋 1)检查梯底部预埋角钢 N3∠75×75×8 两处,长 500mm,两角钢间距 550mm,埋深 300mm, 距顶帽边 500mm。
详细布置图见萧甬绍改施(桥)01-02-28 图。
2)检查梯上部在挡砟墙预埋 T 钢 T114×225×14×14 两处、N5 圆柱头栓钉Φ 22×150 两处, 每处 8 个,每个栓钉竖排间距 100mm 距挡砟墙上下各 50mm,横排间距 155mm 在每个 N5 圆柱头 栓钉头处预埋 N7 和钢筋Φ 10 长 670mm,和 N6 钢筋Φ 10 长 396mm 详细布置图与尺寸见通桥(2005) 2102-Ⅱ-26 图 二、桥墩
交
接
底
底
人
人
谢谢您的观赏
技 术 交 底 (附页)
谢谢观看
1 吊篮预埋 U 形螺栓用 N25Φ 20 的钢筋,长 820mm 尺寸见图萧甬绍改施(桥)01-02-12 U 形螺栓图, 布置 U 形螺栓从顶帽上向下 150mm,埋深 250mm。
布置如图(1-3)中间的 U 形螺栓在中心 轴的右侧 7.5cm 处,在 U 形螺栓内分布预埋钢筋 N28Φ 16 两根长 8000mm 如图(1-1 N23Φ 16)
A
A
A
mA
m
图 1-3 布置图大样
2 围栏预埋
围栏预埋用 N1Φ 20 的钢筋和 N2Φ 16 的钢筋。
顶帽应预留安装围栏之孔,孔深 20cm,孔直径
25mm,距顶帽边缘 150mm,详细布置图见萧甬绍改施(桥)01-02-11 图
3 踏梯预埋
踏梯选用 N12Φ 22 的圆钢,总长 960mm 和 N13Φ 22 总长 1100mm 预埋深度 200mm 位置如图(1-3)
共四处踏梯尺寸要符合萧甬绍改施(桥)01-02-26 图
4 端栏杆预埋
端栏杆选用 N29Φ 16 的圆钢,预埋深度 200mm,位置距顶帽边 1000mm,距顶帽底边 304mm,
位置如图(1-2)详图见萧甬绍改施(桥)01-02-25 图
5 检查梯预埋
1)检查梯底部预埋角钢 N3∠75×75×8 两处,长 500mm,两角钢间距 550mm,埋深 250mm,
距顶帽边 600mm。
详细布置图见萧甬绍改施(桥)01-02-14 图。
2)检查梯上部在挡砟墙预埋 T 钢 T114×225×14×14 两处、N5 圆柱头栓钉Φ 22×150 两处,
交
接
底
底
人
人
谢谢您的观赏
谢谢观看
技 术 交 底 (附页)
每处 8 个,每个栓钉竖排间距 100mm 距挡砟墙上下各 50mm,横排间距 155mm 在每个 N5 圆柱头 栓钉头处预埋 N7 和钢筋Φ 10 长 670mm,和 N6 钢筋Φ 10 长 396mm 详细布置图与尺寸见通桥(2005) 2102-Ⅱ-26 图
交
接
底
底
人
人
谢谢您的观赏
谢谢观看 谢谢您的观赏
。